EWB仿真实验一 组合逻辑门电路测试
- 格式:docx
- 大小:26.83 KB
- 文档页数:2
实验二 EWB 软件综合电路的仿真一、 实验目的 1、进一步熟悉EWB 软件的基本操作,包括电路的创建、虚拟仪器的连接与使用以及电路参数的测量等。
2、掌握复杂电路图的绘制、虚拟仪器的测量方法。
二、 实验内容用EWB 软件进行住院病人呼叫器电路的仿真。
三、 实验步骤1、根据原理框图设计电路。
原理框图如下:图1 电路工作原理框图电路工作原理说明:住院病人可通过按动自己的床位按钮通过74ls148进行编码,按照病人的情况进行优先编码。
病重者优先。
再进入译码驱动电路跟发声传呼电路,译码驱动点路是由CD4511集成译码器组成,CD4511将74ls148传输过来信号译成相应的BCD 码。
由CD4511驱动数码管,编码器(约等于5~8V )床头开关译码驱动电路数码管发声传呼电路直流稳压电源显示病人求助的床位号。
发声传呼电路是通过9013带动一个蜂鸣器,当病人按下自己的床位按钮,蜂鸣器就会发出报警信号提示。
2、利用EWB软件从元器件库里找到对应需要的开关、电阻、芯片等,并依次选择修改所需参数,绘制电路原理图。
其原理图如下:图2 住院病人呼叫器电路图3、连接好电路图后进行模拟仿真。
(1)按下仿真按钮后,电路的初始状态为七段数码管显示‘7’。
图3 电路接通后的初始状态(2)闭合开关[0],则数码管显示‘0’。
图4 闭合开关[0]后的电路状态(3)依次闭合开关[1]、[2]、[3]……[7],观察数码管是否正常显示,即电路是否能正常工作。
以下为闭合开关[1]、[2]以及[7]时的电路工作状态。
图5 闭合开关[1]后的电路状态图6 闭合开关[2]后的电路状态图7 闭合开关[7]后的电路状态通过仿真,分别闭合开关[0]到[7],数码管显示对应开关的编码。
电路工作正常。
(4)同时闭合两个开关观察电路工作情况,观察电路是否具有优先级别的显示。
如下为同时闭合开关[2]、[3]、[4]时的电路工作情况。
图8 同时闭合开关[2]、[3]、[4]的电路工作状态电路可进行优先级别的判断,若有开关同时按下显示优先级别比较高的。
基于Electronic Workbench 虚拟电子实验室的数字逻辑实验指导书郭迪新编二○○五年一月目录EWB数字电路概述实验一、基本门电路的测试实验二、编码器电路分析测试实验三、译码器电路分析测试实验四、加法器设计实验五、用MSI设计组合逻辑实验六、触发器电路分析测试实验七、移位寄存器电路设计实验八、二进制计数器电路设计实验九、十进制计数器电路设计实验十、555单稳态触发器电路设计实验十一、555多谐振荡器电路设计数字电路实验项目表EWB数字电路实验概述EWB英文全称Electronics Workbench,是一种电子电路计算机仿真设计软件,北称为电子设计工作平台或虚拟电子实验室。
它是加拿大Interactive Image Technologies Ltd.公司于1988年开发的,它以SPICE为基础,具有如下突出的特点:1、EWB具有集成化、一体化的设计环境2、EWB具有专业的原理图输入工具3、EWB具有真实的仿真平台4、EWB具有强大的分析工具5、EWB具有完整、精确的元件模型本实验指导书所列入的实验是建立在EWB平台上的,在普通微机上完成的实验。
要求实验者首先要熟悉EWB的基本操作。
实验目的:掌握门电路IC的测试方法;熟悉门电路的逻辑功能;熟悉虚拟实验实验条件普通微机、Electronic Workbench软件、虚拟门电路IC实验要求1、要求在实验前熟悉Electronic Workbench软件的基本使用;2、预习课程相关内容、查阅有关门电路IC的资料;3、认真填写实验报告实验原理按照各类门电路的逻辑功能,将输入端接上逻辑电平,对照门电路逻辑功能的真值表进行测试。
实验步骤1、画出非门、与门、或门、异或门的逻辑符号图及对应的真值表;2、在Electronic Workbench软件的操作界面中安装有关元件,并连接有关线路。
用开关接逻辑电平作为门电路的输入,用指示灯连接门电路的输出端作为输出电平指示;3、对照门电路的真值表一一进行测试,并记录;4、整理分析实验结果。
天津大学ewb实验报告EWB实验报告实验一EWB 电路仿真软件的基本使用1、实验目的(1)熟悉EWB电路仿真软件的界面菜单环境。
(2)掌握简单的电工电子电路的仿真技能。
2、实验内容(1)绘制简单的程序流程图图1-1 程序流程图(2)绘制简单的数字电路逻辑图图1-2仿真电路连接图图1-3 示波器中的波形图3、实验心得通过对EWB仿真软件的学习,加深了我对电工学电路的了解,以及增加了我对电工学的兴趣。
同时,也开阔了我们的视野,也让我学会使用电工学的软件,也让我明白:知识的海洋是浩瀚的,是渊博的,是充满神奇的。
总之,我们要想与时俱进,就要不断学习。
篇二:天津大学ewb实验指导书2012第二部分EWB基本实验一、电路分析实验实验一电阻电路及基本电路理论研究一. 实验目的1. 了解EWB的基本界面,学习EWB的基本操作;2. 学习基本元件的使用、模拟电路的建立和仿真测试。
二. 实验电路说明图2.1.1 a、b、c电路用来验证叠加原理。
图a 为二独立源共同作用的电路,图b、c分别为二独立源单独作用的电路。
分别测量二独立源共同作用时的各支路电流,及二独立源分别单独作用时各支路电流的分量,用来验证叠加原理。
图2.1.2 a、b为验证电压源与电流源等效互换的电路。
图a、图b分别用来测试电压源和电流源的外特性,电位器用作负载,0%为短路,键控开关断开时负载为∞,即开路。
若二电路外特性相同,则验证了电压源与电流源之间等效互换的关系。
-1-三. 实验内容及方法1. 验证叠加原理1). 启动EWB。
2). 按图2.1.1 (a)、(b)、(c) 所示同时建立三个实验电路。
建立本电路用到的元件图标如下:基本元件箱(1).分别单击元件工具栏中的基本元件箱、电源箱和指示器件箱图标,以便同时打开三个工具栏,选取(拖曳)各元件至电路设计窗口,按图2.1.1中的要求旋转某些元件的方向,并按图中位置摆放,分别双击每一个元件,按图2.1.1要求设置元件的参数。
实验一 门电路本实验为验证性实验 一、实验目的熟悉门电路的逻辑功能。
二、实验原理TTL 集成与非门是数字电路中广泛使用的一种基本逻辑门。
使用时,必须对它的逻辑功能、主要参数和特性曲线进行测试,以确定其性能的好坏。
与非门逻辑功能测试的基本方法是按真值表逐项进行。
但有时按真值表测试显得有些多余。
根椐与非门的逻辑功能可知,当输入端全为高电平时,输出是低电平;当有一个或几个输入端为低电平时,输出为高电平。
可以化简逻辑函数或进行逻辑变换。
三、实验内容及步骤首先检查5V 电源是否正常,随后选择好实验用集成块,查清集成块的引脚及功能.然后根据自己的实验图接线, 特别注意Vcc 及地的接线不能接错(不能接反且不能短接),待仔细检查后方可通电进行实验,以后所有实验均依此办理。
(一)、测与非门的逻辑功能1、选择双4输入正与非门74LS20,按图3_1_1接线;2、输入端、输出端接LG 电平开关、LG 电平显示元件盒上;集成块及逻辑电平开关、逻辑电平显示元件盒接上同一路5V 电源。
3、拨动电平开关,按表3_1_1中情况分别测出输出电平.(二)、测试与或非门的逻辑功能 l 、选两路四输入与或非门电路1个74LS55,按图3_1_2接线: 2、输入端接电平的输出插口,拨动开关当输入端为下表情614 Vcc图3_1_1图3_1_2况时分别测试输出端(8)的电位,将结果填入表3_1_2中: 表3_1_2(三)、测逻辑电路的逻辑关系用74LS00电路组成下列逻辑电路,按图3_1_3、图3_1_4接线,写出下列图的逻辑表达表并化简,将各种输入电压情况下的输出电压分别填入表3_1_3、表3_1_4中,验证化简的表达式。
表输 入 AB表3_1_4图3_1_4A BZ(四)、观察与非门对脉冲的控制作用选一块与非门74LS20按下面两组图3_1_5(a)、(b)接线,将一个输入端接连续脉冲用示波器观察两种电路的输出波形。
在做以上各个实验时,请特别注意集成块的插入位置与接线是否正确,每次必须在接线后经复核确定无误后方可通电实验,并要养成习惯。
第二部分、数字电路部分四、组合逻辑电路的设计与测试一、实验目的1、掌握组合逻辑电路的设计的设计与测试方法。
2、熟悉EWB中逻辑转换仪的使用方法。
二、实验内容设计要求:有A、B、C三台电动机,要求A工作B也必须工作,B工作C也必须工作,否者就报警。
用组合逻辑电路实现。
三、操作1、列出真值表,并编写在逻辑转换仪中“真值表”区域内,将其复制到下ABC 输入,输出接彩色指示灯,验证电路的逻辑功能。
将连接的电路图复制到下表中。
五、触发器及其应用一、实验目的1、掌握基本JK、D等触发器的逻辑功能的测试方法。
2、熟悉EWB中逻辑分析仪的使用方法。
二、实验内容1、测试D触发器的逻辑功能。
2、触发器之间的相互转换。
3、用JK触发器组成双向时钟脉冲电路,并测试其波形。
三、操作1、D触发器在输入信号为单端的情况下,D触发器用起来最为方便,其状态方程为n D+1nQ=其输出状态的更新发生在CP脉冲的上升沿,故又称为上升沿触发的边沿触发器。
图2.5.1为双D 74LS74的引脚排列及逻辑符号。
图2.5.1 74LS74的引脚排列及逻辑符号在EWB中连接电路如图2.5.2所示,记录表2.5.1的功能表。
图2.5.2输 入 输 出D SD RCP D 1+n Qn Q0 1 × × 1 0 × × 1 1 ↓ 0 11↓12、触发器之间的相互转换在集成触发器的产品中,每一种触发器都有自己固定的逻辑功能。
但可以利用转换的方法获得具有其它功能的触发器。
在T ′触发器的CP 端每来一个CP 脉冲信号,触发器的状态就翻转一次,故称之为反转触发器,广泛用于计数电路中,其状态方程为:1nn Q Q +=。
同样,若将D 触发器Q 端与D 端相连,便转成T ′触发器。
如图2.5.3所示。
DQCPQQ Q图2.5.3 D 转成T ′在EWB 中连接电路如图2.5.4所示,测试其功能。
图2.5.4 D 转成T ′触发器3、双向时钟脉冲电路的测试。
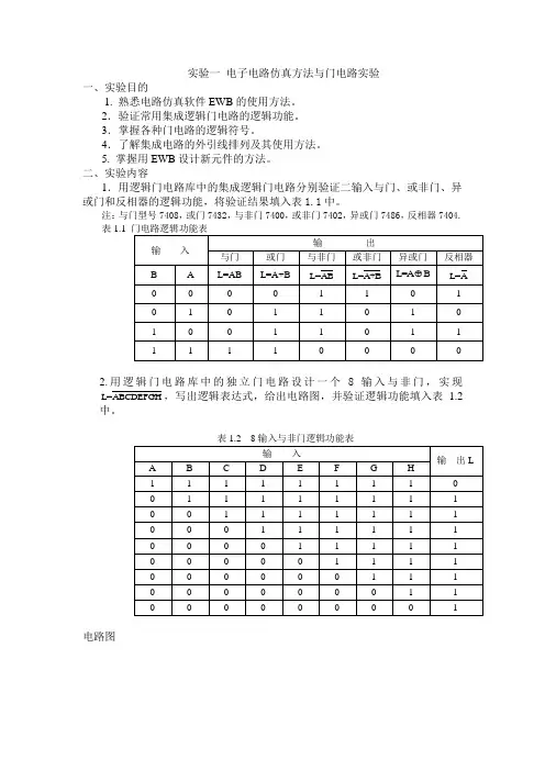
实验一电子电路仿真方法与门电路实验
一、实验目的
1. 熟悉电路仿真软件EWB的使用方法。
2.验证常用集成逻辑门电路的逻辑功能。
3.掌握各种门电路的逻辑符号。
4.了解集成电路的外引线排列及其使用方法。
5. 掌握用EWB设计新元件的方法。
二、实验内容
1.用逻辑门电路库中的集成逻辑门电路分别验证二输入与门、或非门、异或门和反相器的逻辑功能,将验证结果填入表1.1中。
注:与门型号7408,或门7432,与非门7400,或非门7402,异或门7486,反相器7404.
表1.1
2.用逻辑门电路库中的独立门电路设计一个8输入与非门,实现
L=ABCDEFGH,写出逻辑表达式,给出电路图,并验证逻辑功能填入表1.2中。
电路图
3.用逻辑门电路库中的独立门电路设计一个与或非门,实现L=AB+CD+EF+GH,写出逻辑表达式,给出电路图,并验证逻辑功能填入表1.3中。
表1.3 8输入与或非门逻辑功能表
电路图:
4.用逻辑门电路库中的独立门电路设计一个电路,验证A B C
⊕⊕
()和A⊕(B⊕C)是否是相等的,给出电路图,并将验证逻辑功能填入表1.4中。
表1.4 验证函数逻辑功能表
电路图:。
Ewb仿真实验与实例教程1 Electronics Workbench简介电子设计自动化(Electronic Design Automation,简称EDA)技术是近代电子信息领域发展起来的杰出成果。
EDA包括电子工程设计的全过程,如系统结构模拟、电路特性分析、绘制电路图和制作PCB(印刷电路板),其中结构模拟、电路特性分析称之为EDA仿真。
目前著名的仿真软件SPICE(Simulation Program With Integrated Circuit Emphasis)是由美国加州大学伯克利分校于1972年首先推出的,经过多年的完善,已发展成为国际公认的最成熟的电路仿真软件,当今流行的各种EDA软件,如PSPICE、or/CAD、Electronics Workbench等都是基于SPICE开发的。
Electronics Workbench(简称EWB)是加拿大Interactive Image Technologies Led 公司于1988年推出的,它以SPICE3F5为模拟软件的核心,并增强了数字及混合信号模拟方面的功能,是一个用于电子电路仿真的“虚拟电子工作台”,是目前高校在电子技术教学中应用最广泛的一种电路仿真软件。
EWB软件界面形象直观,操作方便,采用图形方式创建电路和提供交互式仿真过程。
创建电路需要的元器件、电路仿真需要的测试仪器均可直接从屏幕中选取,且元器件和仪器的图形与实物外型非常相似,因此极易学习和操作。
EWB软件提供电路设计和性能仿真所需的数千种元器件和各种元器件的理想参数,同时用户还可以根据需要新建或扩充元器件库。
它提供直流、交流、暂态的13种分析功能。
另外,它可以对被仿真电路中的元器件设置各种故障,如开路、短路和不同程度的漏电,以观察不同故障情况下电路的状态。
EWB软件输出方式灵活,在仿真的同时它可以储存测试点的所有数据,列出被仿真电路的所有元器件清单,显示波形和具体数据等。
用EWB进行组合逻辑电路仿真
1.实验目的
(1)学习使用EWB仿真软件进行电路模拟。
(2)学习74LS151等中规模集成电路的性能及使用方法。
2.实验内容
用数据选择器74LS151设计一个监测信号灯工作状态的逻辑电路。
其条件是,信号灯由红(用A表示)、黄(用B表示)、绿(用C 表示)三种颜色灯组成。
正常工作时,任何时刻只能是红、绿、黄中的一种灯亮,否则电路发生故障,要求发出故障信号。
电路图如图1所示。
图1用74LS151构成逻辑函数产生器
用模拟软件模拟结果
3.总结
通过实验学到了Multism软件的一点使用方法。
表 1。
电子电路计算机辅助分析设计——实验指导(EWB平台)第一章EWB概述1.1EWB简介1.2EWB主要组成1.3EWB基本界面1.4EWB基本操作1.4.1电路的输入与运行1.4.2子电路的创建和使用1.4.3文件格式的变换第二章元器件库及虚拟仪器2.1元器件库介绍及参数设置2.1.1信号源库(Sources)2.1.2基本元件库2.1.3二极管库2.1.4模拟集成电路库2.1.5混合集成电路库2.1.6数字集成电路库2.1.7逻辑门电路库2.1.8数字器件库2.1.9指示部件库2.1.10控制部件库2.1.11其他部件库2.2虚拟仪器的功能与使用2.2.1数字万用表2.2.2函数信号发生器2.2.3示波器2.2.4字信号发生器2.2.5逻辑分析仪2.2.6逻辑转换仪第三章EWB分析方法3.1EWB仿真的基本过程3.2分析方法的参数设置3.3分析方法第一章 EWB 概述1.1EWB简介EWB是一种电子电路计算机仿真设计软件,被称为电子设计工作平台或虚拟电子实验室,英文全称Electronic Workbench。
EWB是加拿大Interactive Image Technologies Ltd.公司于1988年开发;它以SPICE3F5为软件的核心,增强了其在数字及模拟混合信号方面的仿真功能;SPICE3F5是SPICE的最新版本。
EWB建立在SPICE的基础上,具有以下的特点。
1.EWB具有集成化、一体化的设计环境EWB具有全面集成化的设计环境,在设计环境中可以完成原理图输入、数模混合仿真以及波形显示等工作。
当用户进行仿真时,波形图和原理图同时有效可见,当改变电路连接或元件参数时,显示的波形立即反映出相应的变化,即可以清楚地观察到具体电路元件参数的改变对电路性能的影响。
2.EWB具有专业的原理图输入工具EWB提供了友好的操作界面,用户可以轻松的完成原理图的输入。
单击鼠标,可以方便的完成元件的选择;拖动鼠标,就可以将元件放到原理图上。
8、数字电路的EWB仿真举例8.1组合逻辑电路分析图8.1—1 被测试的组合逻辑电路按图8.1—1所示,创建一组合逻辑电路,输入变量A、B、C分别由三只开关[D]、[E]、[F]控制接入电平的高、低。
输出端L由指示灯的亮、灭表示高、低电平。
将测试结果输入到逻辑转换仪真值表区(见图8.1—2),选择真值表→简化表达式转换方式,得=++)如图8.1—2逻辑转换仪逻辑表达式栏所示,选择到简化逻辑表达式(L A B C表达式→逻辑电路转换方式可得到如图8.1—3(a)所示的逻辑电路,若选择表达式→与非逻辑电路转换方式则可得到如图8.1—3(b)所示全部由与非门组成的逻辑电路。
图8.1—2 被测试电路的真值表与简化逻辑表达表达式2图8.1—3被测组合逻辑电路两种形式的简化电路要获取给定组合逻辑电路的真值表,除了可以用上述直接测试的方法以外,还可以将创建好的逻辑电路输入端连接至逻辑转换仪的输入端,将电路的输出端连接至逻辑转换仪的输出端,如图8.1—4所示。
然后选择电路 真值表转换方式直接获取真值表,再选择真值表→简化逻辑表达式转换方式,获得简化的逻辑表达式,最后根据需要选择表达式→逻辑电路,或者表达式→与非逻辑电路获得简化的逻辑电路。
图8.1—4利用逻辑转换仪获取给定电路的真值表8.2组合逻辑电路设计一般组合逻辑电路设计过程可归纳为:分析给定问题列出真值表,由真值表求得简化的逻辑表达式,再根据表达式画出逻辑电路。
这一过程可借助逻辑转换仪完成。
例.试设计一个路灯控制逻辑电路,要求在四个不同的地方都能独立的控制路灯的亮灭。
解:设该逻辑电路四个输入变量为A、B、C、D,分别由[E]、[F]、[G]、[H]四个开关控制,接入高电平(+5V)作为逻辑“1”,接入低电平(“地”)作为逻辑“0”。
逻辑电路输出端L接一指示灯模拟所控制的路灯,输出高电平(逻辑“1”)时指示灯亮,输出低电平(逻辑“0”)时指示灯灭。
1. 打开逻辑转换仪面板,在真值表区点击A、B、C、D四个逻辑变量建立一个四变量真值表,根据逻辑控制要求在真值表区输出变量列中填入相应逻辑值(见图8.2—1)。
西南科技大学城市学院
《数字电子技术》实验报告
专业:建筑电气与智能化组员:陈萍学号:201541472
实验一组合逻辑电路的设计与测试
一、实验目的
1、掌握组合逻辑电路的设计的设计与测试方法。
2、熟悉EWB中逻辑转换仪的使用方法。
二、实验内容
设计要求:有A、B、C三个人,只要两人及以上为1,就为1。
用组合逻辑电路实现。
三、操作
1、列出真值表,并编写在逻辑转换仪中“真值表”区域内,将其复制到下表中。
2、写出其逻辑表达式和最简表达式:
3、由最简表达式分别得出用与非门连接的电路,用三个电平开关作为ABC 输入,输出接彩色指示灯,验证电路的逻辑功能。
将连接的电路图复制到下表中。