日光灯节电型电子镇流器设计
- 格式:doc
- 大小:3.96 MB
- 文档页数:14
40w电子镇流器电路图大全(六款模拟电路设计原理图详解)电子镇流器实物图如图1所示。
图1 电子镇流器实物图根据实物绘制的电路原理图如图2所示。
图2 电路原理图本电路由整流滤波电路、功率开关与驱动电路、镇流器与灯丝负载回路三部分组成。
组成电路的各个元件的作用如下:①整流二极管VD1~VD4和滤波电容器C1、C2串联组成桥式整流滤波电路,功能是将220V交流电经整流滤波后在C1、C2两端得到空载310V的直流电压,为后面的高频逆变电路提供工作电源。
②功率三极管VT1、VT2,作为开关管使用,工作于饱和与截止状态,其开关速度要快。
③电阻R1、R6是起振电阻,是为VT2初始导通提供偏置,从而激发VT1、VT2形成自激振荡。
同时电阻R1与电容C3并联组成降压启动电路,可在一定程度上减少过电压所带来的损失。
为保证电容C3可靠工作,其耐压值应选择大于两倍的电源电压,C3耐压值为630V.④二极管D5和D6,其作用是保护三极管VT1、VT2,并联在三极管基极和发射极之间可以大大削弱电荷存储效应,从而提高三极管开关速度。
⑤变压器T起信号互感耦合作用。
它是由单股芯线T1、T2、T3绕在磁环上形成的,由于开关管与其驱动电路部分是紧密联系相互依存,因此它们参数之间的关系在生产过程中比较难确定。
此电路中T1为3圈、T2为3圈、T3为5圈。
⑥电容C4并接于VT2基极和发射极之间,可防止基极和发射极间电位突变,能在一定程度上保护三极管VT2.⑦电阻R2、R3、R4、R5为保护电阻,用来保护三极管的,但是作用有限。
⑧电容C5是启动电容,有隔直流通交流的作用,阻止310V的直流电压直接进入日光灯管,允许20kHz的高频交流电压通过。
⑨扼流圈L、谐振电容C6组成串联谐振电路,其作用是起辉日光灯管和限制灯管工作电流。
电子镇流器的基本功能是将50Hz的工频电源转换成20kHz高频电源,而直接点亮日光灯管。
其工作过程是:接通电源后,经整流滤波后的310V直流电压通过C3、R1并联再与R5串联,给VT2的基极提供一个窄电流脉冲使VT2首先导通。
40W日光灯电子镇流器电路图
用MJE13005×2的20W日光灯电子镇流器
32W日光灯镇流器电路图
电路如下图所示。
该电路由整流滤波电容、高频振荡电路以及输出负载屯路三部分构成。
交流220V经整流滤波输出约300V直流为振荡电路提供电源。
开机后,电源经R5对C3充电,使Vc3迅速升高,从而使
VT2迅速达到饱和导通;此时由于T的反馈作用使VTI截止。
VT2一旦导通,则Vc3下降,流过L2的电流减小,引起
L2两端一个上负下正的电压。
据同名端原则,L1得到上正下负的反馈电压,从而使VTI迅速饱和导通,同时T的正反馈作用又使VT2迅速截止,如此周而复始形成振荡方波(R6D6、R3D5起续流作用)。
负载回路由L3、L4、C4构成。
VTI、VT2产生的高频振荡方波由L3加给负载作激励源。
灯管点亮前,由C4、L4等形成很大的谐振电梳流过灯丝,使管内氢气电离,进而使水银变为水银蒸汽,C4两端的高电压又使水银蒸汽形成弧光放电,激发管壁荧光粉发光。
灯管点亮后,C4基本上不起作用,此时L4则起阻流作用。
常见故障
1.VTl、VT2击穿进而导致D1-D4被击穿,此时将引起电源短路;
2.R4偏置损坏;
3.振荡电路中L5.L6易损坏;
4.负载电路中C4因高压易被击穿。
最后特别说明,目前市场上所见的各种40W、32W节能日光灯以及各种环形灯,均可参考此电路进行分析。
毕业设计论文——电子镇流器电子镇流器是指采用电子技术驱动电光源,使其产生所需照明的电子设备。
之所以要使用镇流器是因为荧光灯之类的气体放电灯在灯电流上升时,灯管的工作电压会下降,但是供电电压不会下降,多出的这点电压加到灯管后会使灯电流进一步上升,如此循环,最终会烧坏灯管或灯管熄灭。
所以要使灯管正常工作,就要限制和稳定灯电流,也就是要加装镇流器。
镇流器主要有两大类:第一种是电感式镇流器;第二种也就是我们这次设计并制作的电子式镇流器。
电子镇流器是一种应用非常广泛的镇流器,它有很多的优点:一、提高用电质量、省电节能。
目前电网随着大量的不规范电子设备的介入,使得电网波形产生明显畸变,由此降低了供电系统有效容量,容易对仪器产生干扰,使控制系统出现误动作,并对接入的电气设备及线路造成不容易分析出原因的安全隐患。
金卤灯、钠灯电子镇流器由于采用先进的有源功率因数矫正技术及电子滤波措施,可使系统功率因数达99%,对电网几乎无影响,而传统电感镇流器功率因数只有50%左右,对电网产生较大干扰。
电子镇流器在相同的点灯功率时成倍地减少了线路启动电流,从而降低了整个供电线路的负荷与损耗。
传统电感镇流器由于电磁工作特性以及材料成本等因素,会在铁芯中产生明显的涡流,大电流通过线圈时产生明显的发热,由于启动电流大对变压器等设备也会产生较高损耗,由此决定自身功耗较高。
二、降低初装费用、节约运行开支。
使用电子镇流器点燃,因为其启动电流是由小到大,而电感镇流器其启动电流时由大到小,一般是运行电流的二倍以上,因此,供电系统、电源线路、变压器等设备投入可降低一半之多。
由于使用电子镇流器综合节能约30%,同时还可以大大延长灯泡的使用寿命、减少灯泡的采购成本及大量人工的维护费用,在明显提高照明质量的前提下,经济效益可观。
三、灯光稳定、提高照明质量。
在工频条件下使用的电感镇流器,因要消耗大量的钢材和铜材,不但笨重而且由于人眼的视觉特性,会产生闪烁感,并产生明显的峰音。
用ML4835设计室内可调光小型荧光灯电子镇流器本文详叙了一种低损耗的建筑用可调光镇流器的设计,它采用ML4835电子镇流控制器IC,以MicroLinear公司的ML4835EVAL板为基础。
当工作电压超过102V~138V范围时,ML4835EVAL板作为功率因数校正的65W 电子镇流器,它接受0~10VDC控制、具有20∶1调光范围,控制两只串接的32WPL T 紧密型荧光灯管。
灯管采用预热、点亮和调光的运行模式,是一频率变化范围宽、不重迭的变频器拓扑。
图1给出了这种120V的电子镇流器设计框图。
图2则给出了完整的ML4835EVAL电路图。
CFL小型荧光灯被设计为工作在要求全照度和可调光的,其镇流器充分显示了该ML4835镇流控制器IC的如下特性:(1)工作在镇流变频器频率下的连续电流模式(PFC)用以降低传导EMI和二极管损耗;(2)总谐波失真小于10%;(3)可编程的三重频率起动程序用以延长灯管寿命,简化灯管网络设计,以及在任意调光能级无全功率闪光时起动灯管;(4)具有单片热保护功能和灯管熄灭检测电路;(5)灯管寿命终结保护或功率限制功能;(6)根据由调光控制器或传感器来的0~10VDC图1120V镇流器设计的方框图图2可调光CFL镇流器原理图(原图,未做格式化处理)电压可控制小型荧光灯光输出变化100%~5%;(7)按可编程的时间间隔自动再起动灯管。
1功率因数校正器(PFC)的设计(1)选择PFC输出电压VB因PFC采用升压式变换器,则:VB>×VIN(max)式中:VB为PFC输出电压;VIN为输入线电压有效值。
为了能在具有较小变化的220V电压工作则:VB>(1.414)×(1.1)×220(1)即VB>342VDC(采用380VDC)。
(2)计算升压电感数值由于在该功率范围内工作的灯管频率接近40kHz,故选用小号的铁氧体磁芯。
九款最简单的电子镇流器电路图原理图分析从工作原理而言,电子镇流器是一个电源变换电路,它将交流输入市电电源的波形、频率和幅度等参数进行变换,为灯负载提供供电电源,并且要求这个灯负载供电电源电路应能满足灯负载对灯丝预热、点火、正常工作和在灯负载电路有故障状态的保护功能要求。
常用的电子镇流器直流/交流变换电路(DC/AC)如图所示。
电子镇流器的典型技术指标有:功率因数、总谐波失真(THD)、波峰因数(CF)、灯管的灯丝预热(如灯丝预热时间、灯管预热电压)、灯管开路电压、灯管点火电压、灯管工作电压等参数。
下面我们给大家分享电子镇流器的典型应用电路图分析讲解。
荧光灯电子镇流器工作原理及电路图该荧光灯电子镇流器电路由电源电路、高频振荡器和LC串联输出电路组成。
电路中,电源电路由熔断器FU、电子滤波变压器T1、电容器C1、C2、压敏电阻器RV和整流二极管VD1 - VD4组成;高频振荡器电路由晶体管V1、V2,二极管VD5、V D6、电阻器R1一R6、电容器C3一C5和高频变压器TZ组成;LC串联输出电路由限流电感器L、电容器C6、C7和荧光灯管EL组成。
接通电源,交流220V电压经T1和C1高频滤波、VD1一VD4整流及C2平滑滤波后,为高频振荡器提供300V左右的直流工作电压。
在刚接通电源的瞬间,V1和V2 中某只晶体管优先导通,在高频变压器T2的藕合和反馈作用下,V1和V2交替导通与截止,使高频振荡电路进人自激振荡状态,并通过L和C6为EL提供启辉电压。
当C7两端电压达到EL的放电电压时,EL启辉点亮。
荧光灯电子镇流器电路图:电子镇流器具有体积小、重量轻、适应电源电压范围宽、启动快、不闪烁、效率高等优点,因而得到广泛应用。
市电经整流后,由分压、滤波得到左右的电源。
在图电源经对充电,当两端电压达到后,导通,正偏导通,经振荡变压器耦合,当由导通变为截止时,则由截止变为导通。
这样交替工作形成振荡状态。
振荡信号经升压输出使L4组成的串联谐振电路谐振,产生较高的谐振电压使灯管燃亮。
11W-40W节能日光灯电子镇流器电路图集11W-40W照明灯电子镇流器电路图集
现在家庭的照明设备大多已用上由电子镇流器来触发的、既高效又节能的日光灯(荧光灯),这类灯具具有寿命长、体积小、重量轻的优点.非常受居民欢迎。
笔者研究了外装电子镇流器的电路和内装电子镇流器的电路,发现它们的电路组成和原理都大同小异。
电参数基本都差不多,如果电子镇流器坏了。
修理起来也相当简单。
当然,由于结构上的原因.要修理一体化的内装电子镇流器的荧光灯,就比较困难一些(因维修拆卸时不能损坏灯管是前提)。
为此,笔者将测绘的六种日光灯(荧光灯)用的电子镇流器连接原理图,提供给维修人员参考。
作者:侯毓麟
图1为MX01-Y型40w节能目光灯电原理图。
图2为LX-Y32型32w节能日光灯电原理图。
图3为HQ-WJ型36w节能日光灯电原理图。
图4为现实牌36w节能目光灯电原理图。
图5为13w节能灯(荧火虫)内部电子镇流器电原理图。
图6为11w节能灯(小菊灯)内部电子镇流器电原理图。
下面我们将以一个典型的整流器控制集成电路UBA2021为例对电子整流器进行比较详细的介绍。
一、UBA2021的特点与工作原理1、 UBA2021的特点UBA2021是用于CFL型荧光灯和TL型荧光灯电子镇流器用控制集成电路,含有驱动外围半桥功率晶体管、振荡电路和用于灯管预热、点火、正常工作和灯电路故障保护的有关控制功能。
可用于交流市电输入电压高达240Vrms的应用场合。
它的预热工作频率为108kHz,正常工作频率为43kHz,驱动信号死时间为1.4μs。
利用UBA2021可以调节灯电路的预热时间和点火时间,调节灯电路的灯预热电流和灯负载输出功率(调光),由UBA2021组成的灯电路具有过温度保护控制功能、灯电路容性工作模式保护和外接功率晶体管MOSFET驱动电压过低等故障工作状态的保护控制功能。
UBA2021有DIP14和SO14两种封装形式,引脚图如图1所示,工作框图如图2所示,引脚功能如表1所示,电路主要技术参数如表2所示。
2、 UBA2021的工作原理(1) UBA2021启动通过接至供电电源正极的电阻RRHV(见图6)和接至引脚5的电容CS9,UBA2021可以完成灯电路的启动控制,在电路刚一启动期间,MOSFET晶体管VT2导通,而MOSFET晶体管VT1不导通,以确保自举升压Cboot的充电。
在电路的启动工作状态,UBA2021复位,当UBA2021的引脚5的电压为时,UBA2021开始被复位,直至引脚5的电压为,UBA2021开始它的启动工作。
(2)电路振荡当UBA2021的引脚5VS的电压达到电压时,UBA2021开始它的预热工作,内部的一个电流控制型的锯齿波振荡电路开始工作,这个锯齿波振荡频率由接至UBA2021引脚12的电容CCF和流出该引脚的电流(主要由外接电阻RRREF)决定,这个锯齿波振荡信号频率经2分频后就是灯负载的工作频率,图3为UBA2021的定时图,图中的时间tno表示灯电路的死时间,这个死时间的大小和第10引脚的IRREF的大小有关。
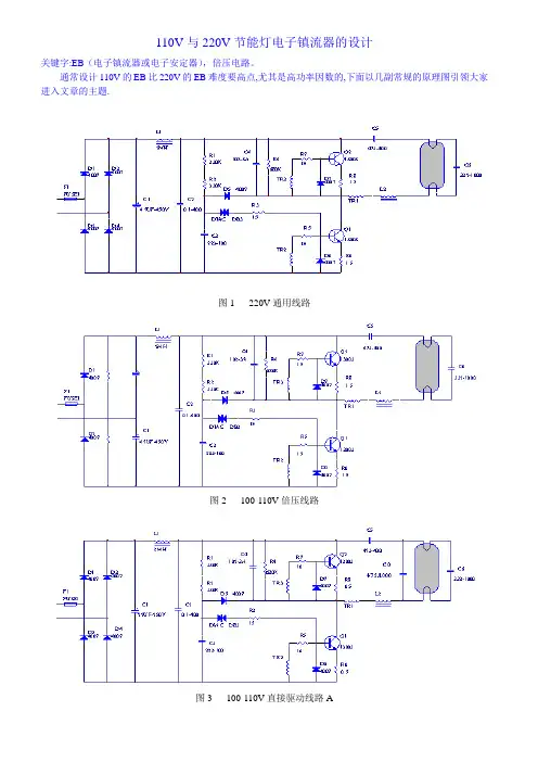
110V与220V节能灯电子镇流器的设计关键字:EB(电子镇流器或电子安定器),倍压电路。
通常设计110V的EB比220V的EB难度要高点,尤其是高功率因数的,下面以几副常规的原理图引领大家进入文章的主题.图1 220V通用线路图2 100-110V倍压线路图3 100-110V直接驱动线路A图4 100-110V直接驱动线路A为何110V的EB比220V的EB难度要高,最直接的影响是灯的启动问题,尤其是整灯在高温低压时,容易出现灯管不能成功启动,只有两边灯丝发红。
原因是在高温时磁环和三极管的驱动能力降低,以至灯启动电压和灯启动电流供应不足而不能使灯管成功引燃。
灯启动电压和启动电流供应不足也影响低温低压时灯的启动。
另外,要想EB输出相同的功率,110V的EB的输出电流自然要比220V的输出电流大一倍,输出电流受控的关键点是EB的输出电感(也称扼流圈),此电感的选值太大,输出功率不足。
选值太小,便会引至EB的工作频率严重超标,三极管的开关损耗会上升,引至管子发热。
在线路的拓朴上,以上四副原理图是一样的,都是串联谐振正反馈电路,只是有一些巧妙的地方和元器件的数值选取不同。
此电路的最佳工作状态,必须符合:式1式中:Fw为工作频率。
Fo为整个谐振电路的固有频率。
以简单的词语说明就是:工作频率与输出电感和谐振电容的固有频率要相等,电路才能工作于最佳状态,此时负载电路等效于一个电阻,可提高整个EB 的效率,降低热损耗,整机性能上升。
图1是常规的220V原理图,图2是110V经过倍压的原理图。
图3为110V双谐振电容直接驱动原理图,图4是双谐振电容与灯丝交叉的直接驱动原理图。
图1不适宜用在110电路当中,何解?是因为要维持确定的功率,输出电感L2必须选得很小,要符合上式,谐振电容C6将要选取得很大,而C6不能选取得太大,因为太大了,启动电压将降低。
原因是:设有一高频电流流过灯丝,C6增大,等效于C6的电阻减小,C6两端的电压便下降,输出电感和灯丝的压降便上升,C6两端的电压下降,等于灯管电压下降,便很容易出现前文所述的高温不能启动问题。
智能化调光电子镇流器湖北襄樊学院物理创新实验室米小兵程满华摘要本文介绍了一种具有自动调光、功率因数校正、控制和保护功能的荧光灯电子镇流器。
该装置包括电子镇流器电路模块(ir2159),信号采集电路模块(tlc1549),微控制器电路模块(at89c52)。
它能根据自然光的强度,自动调整工作状态,使室内的光照度始终保持在设定值,从而实现节能的目的。
此装置,不用人为的去开灯关灯,方便了管理,也节约了资源。
关键词调光电子镇流器IR2159 TLC1549 L6561一.引言在我们日常生活中,忽略关灯的现象普遍存在, 这样就造成了不必要的能源浪费和经济损失。
另外,各种照明灯具都具有一定的使用时限,在光线充足的情况下仍继续使用,必然会缩短灯具的使用寿命。
而目前市场上的大部分电子镇流器,又存在功耗大,产生谐波的缺点。
针对其不足之处,我们设计了一款具有自动调光、功率因数校正、灯光控制和灯管保护功能的荧光灯电子镇流器,该装置包括电子镇流器电路模块,信号采集电路模块,微控制器电路模块。
它能根据自然光的强度,将光亮度自动调整到工作最合适的水平,使室内的照度始终保持在设定值附近,从而充分利用自然光实现节能的目的;通过专用功率因数校正芯片l6561,能使功率因数达到95%以上。
通过此装置,可以避免人为的开灯关灯,方便了管理,节约了能源,对电网也没有污染。
本装置可广泛用于电化教室、会议室、和普通家庭等场合。
二系统方框图整个电路包括信号采集电路,微控制器电路,电子镇流器电路三个模块,其中信号采集电路由光敏器件、AD转换及其外围电路构成的。
微控制器电路包括单片机和面板接口两部分。
电子镇流器电路由电磁兼容、整流滤波、功率因数校正、调光控制接口、半桥驱动、高频逆变、镇流器控制和荧光灯等部分。
功能模块如下:图1三工作原理当室外光变强时,智能化节能电子镇流器输出功率降低,日光灯变暗,室内光照度则保持恒定值;当室外光变弱时,智能化节能电子镇流器输出功率增加,日光灯变亮,室内光照度依旧保持恒定值。
日光灯电子整流器电路工作原理及电路图日光灯为什么必须使用整流器?由于日光灯具有负系数的阻抗特性:电流越大,电阻越小,灯管两端电压逐渐减小。
而电源电压恒定,则多余的电压会损坏灯管。
所以必须在电路上串联一个具有正系数阻抗特性的原件——整流器,来分担多余的电压。
第一种电路简介:D1~D4,整流电路 C1~C2/R1,稳压电路 R2~R3/C3,充放电电路Q1~Q2/L1~L3,锯齿波振荡发生电路 L4,起辉/限流C6,灯管运行中通过微小电流,辅助加热灯丝。
图表1I原理1.市电经D1~D4整流后,由C1、C2稳压、滤波后,得到±150V左右的电源。
2.电源经R3、R2对C3充电,当C3两端电压达到18V后,D7导通,Q2正偏导通。
3.当Q2一旦导通,C3通过Q2、R6放电,为Q2由导通变为截止作准备。
4.L2上部电位迅速降低,由于电感线圈特性——维持电流稳定:所以,L2上产生继续向下流动电流,即产生自感电势:上负下正。
5.同特芯耦合线圈作用,L1上产生一个上正下负感应电势,R7电位上升,Q1由截止变为导通。
6.C3放电使得R8电位降低,和L2共同作用,使得Q2截止。
7.Q1导通、Q2截止后,C3又恢复充电,为Q2导通作准备。
8.这样Q1、Q2交替工作形成振荡状态,在L1、L2上形成锯齿波形信号。
9.振荡信号经L3耦合、并由L4放大升压输出:10.Q2导通、Q1截止时:电流回路:C2上端为正——经过下灯丝——C6——上灯丝——L4——L3——Q2——R6——C2下端。
11.Q1导通、Q2截止时:电流回路:C1上端为正——Q1——R5——L3——L4——经过上灯丝——C6——下灯丝——C1下端。
12.使L4、C6组成的串联谐振电路谐振,产生较高的脉冲谐振电压使灯管燃亮,灯点燃后,由于大部分电流流经灯管,C6电流很小,串联谐整停止,L4起到限流的作用,Q1、Q2继续交替导通,将300V直流电源逆变为25KHZ左右的锯齿波形电流(灯管正常后,灯管两端约为110V电压,其余电压由整流器承担)。
电子镇流器方案电子镇流器是一种常见的电力设备,用于稳定电路中的电流,并降低功率消耗。
本文将介绍电子镇流器的原理、应用、优点和发展趋势。
一、原理电子镇流器是一种电路元件,通过控制电路中的电压和电流,使其在设定的范围内稳定运行。
它通常由开关元件(如晶体管或MOS管)、电感、电容和控制电路组成。
电子镇流器通过周期性地开关电路来调整电流和电压,以达到稳定输出的目的。
二、应用电子镇流器广泛应用于照明和电力系统中,以提高电能利用率和降低能耗。
具体应用包括:1. 家庭照明:电子镇流器在节能灯、LED灯等照明设备中的应用,可以提高灯的亮度和寿命,并节约能源。
2. 工业照明:电子镇流器在工厂、仓库等场所的照明系统中,可以实现亮度的调节和节能。
3. 汽车照明:电子镇流器在汽车前照灯、尾灯等照明设备中的应用,可以提高亮度和可靠性。
4. 电力系统:电子镇流器在电力系统中的应用,可以提高电能传输效率,减少功率损耗。
三、优点电子镇流器相比传统的电阻式镇流器,具有以下优点:1. 高效节能:电子镇流器可以根据实际需求调整电流和电压,最大程度地减少能量损耗,提高能源利用效率。
2. 稳定性好:电子镇流器采用闭环控制反馈,可以实时监测电路状态,并通过控制电路来稳定输出,保证电路的正常运行。
3. 寿命长:电子镇流器采用电子元件进行调节,相较于传统镇流器的机械结构更加稳定可靠,寿命更长。
4. 多功能:电子镇流器可以实现多种调光方式和光效控制,满足不同场景和环境的需求。
四、发展趋势随着LED照明技术的快速发展和智能化的不断推进,电子镇流器面临着以下发展趋势:1. 高效节能:未来电子镇流器将更加注重能源的节约和环境保护,提高能源利用率。
2. 智能化控制:电子镇流器将更加注重智能化控制,实现远程控制、自动调光等功能,提升用户的使用便利性。
3. 窄带通信应用:电子镇流器可以利用窄带通信技术,实现与其他设备的智能互联,进一步提高照明系统的智能化程度。
电子镇流器方案引言电子镇流器是一种用于驱动荧光灯管或气体放电灯等光源的电路装置。
它的主要功能是通过调节电压和电流,稳定并控制光源的亮度。
本文将介绍一种基于高频开关电源的电子镇流器方案。
背景传统的电子镇流器使用电感和电容元件进行调节,这种方案存在功率损耗大、体积大、效率低等问题。
而利用高频开关电源的电子镇流器方案可以解决这些问题,具有体积小、效率高、可调范围广等优点。
方案设计基本原理电子镇流器方案的基本原理是利用高频开关电源提供稳定的电流和电压给光源。
具体而言,主要包括以下几个关键部分:高频开关电源单元高频开关电源单元是电子镇流器的核心部分,它由开关管、变压器、电容等元件组成。
其作用是将输入电压转换为高频交流电,并进行适当的调节,以提供稳定的电流和电压给光源。
控制电路单元控制电路单元用于监测和调节电流和电压。
它通常由反馈电路、控制芯片和传感器等元件组成。
控制电路单元能够实时监测光源的亮度,并根据需要进行调节,保证光源的稳定工作。
保护电路单元保护电路单元是为了防止电子镇流器在异常情况下损坏或对外部设备造成损害。
常见的保护电路包括过流保护、过压保护、欠压保护等。
保护电路单元能够及时检测和响应异常情况,以保证电子镇流器的安全性和可靠性。
实施步骤1.确定参数和要求在设计电子镇流器方案之前,首先需要确定参数和要求,如输入电压范围、输出电流和电压范围、功率因数等。
这些参数和要求将直接影响到电子镇流器的设计和选型。
2.选择元件和芯片根据参数和要求,选择合适的元件和芯片。
对于高频开关电源单元,可选择高频开关管、变压器和电容;对于控制电路单元,可选择相应的控制芯片和传感器;对于保护电路单元,可选择适合的保护元件。
3.设计电路图和PCB布局在选择元件和芯片后,根据电子镇流器的整体设计思路,设计电路图和PCB布局。
合理的电路图和PCB布局能够优化电子镇流器的性能和可靠性。
4.制作和调试样机制作电子镇流器的样机,并进行调试和测试。
目录目录 (Ⅰ)摘要 (1)关键词 (1)一、概述 (1)(一)荧光灯的使用 (1)(二)电子镇流器的优点 (1)(三)荧光灯对电子镇流器的基本要求 (2)(四)电子镇流器有关术语 (3)二、电子镇流器基础电路分析 (4)(一)电子镇流器基本组成 (4)(二) EMI滤波器 (4)(三)整流器电路(AC-DC变换器) (5)(四)DC-AC逆变器电路 (5)(五)输出级LC串联谐振电路 (6)三、电子镇流器电路设计 (7)(一)电路工作原理 (8)(二)各元件作用 (8)(三)各元件参数 (9)(四)影响镇流器工作频率的因素 (11)(五)安装与试调 (12)四、结束语 (12)参考文献 (13)摘要:本设计是以荧光灯电子镇流器为研究对象,通过对荧光灯交流电子镇流器电路进行剖析,讲述了电子镇流器的组成、工作原理和优点,荧光灯对电子镇流器的技术要求等相关知识。
并通过自己对电子镇流器的认识与理解,设计了一个荧光灯电子镇流器电路,并对其工作原理和每个电子元件的作用进行了讲解,列举元件参数供参考。
关键词:荧光灯电子镇流器原理设计一、概述(一)荧光灯的使用自从我国实施绿色照明工程和节能政策以来,由于荧光灯发光均匀、亮度适中、光色柔和等优点,使其在照明领域中得到了广泛的应用。
荧光灯是一种充有氩气的低气压汞气体放电灯,光电转换效率为23%,即所输入电能的23%被转换成了光能,而另外77%的输入电能被转换成了热能。
而白炽灯的光电转换效率为荧光灯光电转换效率的1/4~1/3,即输入电能仅有8%被转换成了光能,而其余92%的输入电能被转换成了热能。
如果仅将世界上现用的200亿只灯泡中的50亿只换成节能的气体放电电子镇流灯,就可以节省200GW的电能。
荧光灯是通过引燃灯管内稀薄的汞蒸气进行弧光放电的,汞离子受激产生紫外线,紫外线通过激发荧光灯管内壁涂层上的荧光粉发出可见光。
但是由于荧光灯的负阻工作特性( V//I),荧光灯在使用时需配用镇流器件。
在现在使用的镇流器中,据估计利用高频交流电子镇流器后可较普通电感镇流器节电20%~25%,并且高频交流电子镇流器在使用过程中没有频闪效应。
因此电子镇流器得到了广泛的应用。
(二)电子镇流器的优点目前气体放电灯使用的镇流器主要有两种:电感式镇流器和高频交流电子镇流器。
由于电感式镇流器工作在工频市电频率,体积大、笨重,还需要消耗大量的铜和硅钢等金属材料,散热困难、镇流效率低、发光有频闪等缺点。
而电子镇流器则有以下优点:1、节能:电子镇流器自身的功率损耗仅为电感镇流器的40%左右,而且荧光灯在30KHZ左右的高频下,光效将提高20%。
,工作电流仅为电感的40%左右,并且能够在低温、低压下启动和工作。
2、无频闪、无噪声:灯管在30KHZ左右工作时,发光稳定,人眼感觉不出“频闪”,有利于保护视力,有利于在安静的环境中工作和学习。
4、灯管寿命延长:无需启辉器,易启动。
有异常状态保护功能,不被反复冲击和闪烁,不会使灯管过早发黑,减少维修和更换启辉器和灯管的工作量。
5、功率因数高:减少了无功损耗,提高了供电设备容量的有效利用率,减少线路的损耗。
(三)荧光灯对电子镇流器的基本要求根据荧光灯的特性,为保证灯能可靠启动和正常工作,对灯的性能不造成损害,电子镇流器必须满足以下几个方面的基本要求:1、能为荧光灯在启动之前提供灯阴极预热。
对于绝大多数阴极预热型荧光灯来说,在灯管启动之前对灯丝先进行预热是绝对必要的。
灯阴极预热不仅可延长灯管的使用寿命,而且还能降低灯管的启动电压。
2、能为荧光灯提供可靠启动的高电压。
对于不同类型和不同功率的荧光灯,其启动电压一般在600 - 1500V之间。
目前绝大多数电子镇流器是利用LC串联谐振电路来产生高压脉冲对灯管进行点火的。
高性能的电子镇流器在灯触发失败之后应能自动重新启动。
若接连数次启动均失败,镇流器应能自动关闭。
3、灯管成功启动之后,能为灯管提供大小合适且稳定的工作电流。
若灯管电流偏小,则会影响灯管亮度;若灯管电流偏大,高于灯管的额定值,则会影响灯管寿命。
电子镇流器的输出电流和输出功率,必须与所驱动的灯管参数相匹配。
4、应采取功率因数校正( PFC)技术,有效抑制输入电流谐波失真,提高线的路功率因数。
如果交流电子镇流器的AC-DC变换器只是采用桥式整流和电容滤波电路,则会使交流输入电流波形发生严重畸变,污染电网,成为一种“电力公0.60的水平,严重影响节电效果。
为此,害”,同时导致线路功率因数只有0. 55~当电子镇流器的功率较大时(如25W以上),必须采用PFC电路。
5、具有较高的安全性和可靠性。
灯没有接入或灯不能启动等异常条件下,电子镇流器应不受损害。
电子镇流器用绝缘材料应具有足够的耐热和耐火性能,及其所用零部件应具有良好的防潮和防腐蚀性能。
电子镇流器具备防止意外接触带电体的保护功能。
电子镇流器在故障状态下工作时不得产生易燃气体,不得喷出火焰或熔化金属,也不得使防止意外接触带电体的保护装置受到损伤。
(四)电子镇流器有关术语镇流器:指安装在电源与一只或几只荧光灯之间的装置,其主要功能是利用电感、电容或其电子元件器件,将灯(单只或多只)电流限制到需要值。
它可以由一个或多个独立元件组成。
镇流器也可以包括电源电压的变压装置,以及有助于提供启动电压和预热、防止冷启动、减少频闪效应、校正功率因数和抑制无线电干扰的装置。
交流电子镇流器:指将电源的交流电变换为较高频率的交流电,并使一只或几只管形荧光灯正常启动和稳定’工作的变换器。
整流效应:指在灯寿命终止时,由于一个阴极损坏或电子发射不足,引起电弧电流在连续半周期中经常不一致的效应。
镇流器的流明系数:指灯与在额定电源电压下的被测镇流器配套工作时的光通量同该灯与在额定电源电压和额定电源频率下的基准镇流器配套工作时的光通量的比值。
基准镇流器:指专为试验镇流器和筛选基准灯管而设计的镇流器,其主要特点足在额定频率下具有稳定的电压/电流比,相对地不受电流、温度和周围环境变化的影响。
基准灯:指特选用于测试镇流器的灯。
该灯与基准镇流器配套在规定条件下工作时,其电特性应接近有关灯标准中规定的标称值。
基准镇流器的校准电流:作为调整和校准镇流器电流所依据的电流值。
线路功率:指在镇流器的额定电源电压和额定电源频率下,镇流器和灯的组合体所消耗的总功率。
线路功率因数:指镇流器和灯(一只或几只)组合体的功率因数。
高功率因数镇流器:指线路功率因数达0.85或0.85以上的镇流器。
高音频阻抗镇流器:指在250~2000Hz范围内,声频阻抗值符合带有声频符号标志Z的镇流器规定的镇流器。
预热启动:指灯电极被加热至电子发射温度后灯才触发启动。
非预热启动:指灯电极不需加热,利用高开路电压引起电极场致发射而使灯触发启动。
预启动时间:对非预热启动镇流器而言,指电源开关接通后灯电流小于或等于lOmA的一段时间。
二、电子镇流器基础电路分析电子镇流器是一个将工频交流电源转换成高频交流电源的变换器,其基本工作原理是:工频电源经过射频干扰(RFI)滤波器,全波整流和无源(或有源)功率因数校正器(PPFC或APFC)后,变为直流电源。
通过DC/AC变换器,输出20K-100KHZ的高频交流电源,加到与灯连接的LC串联谐振电路加热灯丝,同时在电容器上产生谐振高压,加在灯管两端,但使灯管“放电”变成“导通”状态,再进入发光状态,此时高频电感起限制电流增大的作用,保证灯管获得正常工作所需的灯电压和灯电流。
(一)电子镇流器基本组成图2-0电子镇流器主要由EMI滤波器、整流器电路(AC-DC变换器)、DC-AC逆变器电路、输出网络(LC串联谐振电路)组成,其中还可增加一些附加电路,比如异常保护电路、调光电路、浪涌电压和电流保护,温度保护等等。
(二)EMI滤波器滤波器主要由电感和电容元件组成。
它是抑制因辐射和传导所引起的电磁干扰,要求由外界来的电磁干扰不影响电子镇流器的工作,同时来自镇流器内部的高频干扰信号也不要通过传导方式和辐射方式对同一环境中其它无线电设备造成干扰,以便达到电磁兼容(EMC)。
图2-1为常用的滤波器电路:图2-1(三)整流器电路(AC-DC变换器)图2-2桥式整流器是利用二极管的单向导通性进行整流的最常用的整流电路。
桥式整流电路的工作原理如下(以图2-2为例):E2为正半周时,对D1、D3加正向电压,Dl,D3导通;对D2、D4加反向电压,D2、D4截止。
电路中构成E2、Dl、Rfz、D3通电回路,在Rfz,上形成上正下负的半波整流电压,E2为负半周时,对D2、D4加正向电压,D2、D4导通;对D1、D3加反向电压,D1、D3截止。
电路中构成E2、D2、Rfz、D4通电回路,同样在Rfz上形成上正下负的另外半波的整流电压。
如此重复下去,结果在Rfz 上便得到全波整流电压。
(四)DC-AC逆变器电路由分立元器件组成的典型半桥逆变器电路如图2-3所示。
其中,电阻R1、电容C2、双向二极管VD6及二极管VD5组成自振荡启动电路;VT1与VT2为作为开关使用的率晶体管;T1为磁环变压器。
图2-3在加电后,直流总线电压VBUS通过电阻R1对电容C2充电。
当C2上的电压被充电到VD6的击穿电压值,VD6雪崩击穿而导通,通过VD6的电流注入到VT2的基极,使VT2导通。
此时的电流流向为:+VBUS→C5→右灯丝FL2→C4→左灯丝FL1→L1→T1a→VT2→R4→地。
在VT2导通时,C2放电,VD6不导通,T1维持建立的振荡。
在VT2导通后其集电极电流从零开始增大的过程中,对T1磁环变压器产生感应电动势。
当VT2进入饱和导通状态,T1达到饱和后,VT2的基极电位降低,VT1的基极电位则升高。
使VT2截止,VT1进入到饱和导通状态。
在VT1饱和导通时,电流路径为:+VBUS→VTl→R3→T1a→L1→FLl→C4→FL2→C6→地。
当T1的磁芯再次达到饱和,使VT1退出饱和并进入到截止状态,而VT2从截止状态进入到饱和导通状态。
如此周而复始,VT1和VT2轮流饱和导通,半桥在VT1和VT2的中间点输出近似方波的脉冲,通过灯启动电容C4的电流方向交替变化,使L1和C4等组成的LC串联电路发生谐振,在C4两端产生一个高谐振电压脉冲并施加到灯管两端,将灯管击穿、点亮。
一旦灯被成功启动,则进入稳态工作,L1起稳流作用。
在VT1与VT2导通转换期间存在一个电流为零的死区时间,以避免两个晶体管发生“直通”而损坏。
在死区时间内,与VT1并联的电容C3起续流作用,从而可保证流过灯管的电流连续。
(五)输出级LC串联谐振电路在电阻、电感、电容串联电路中,当电路端电压和电流同相时,电路呈电阻性,电路的这种状态叫做串联谐振。
采用半桥拓扑结构的荧光灯电子镇流器,其输出网络大多采用LC串联谐振电路,如在图2-4中,Lres为谐振电感,Cres为启动电容,Lres和Cres及C1、C2组成LC串联谐振电路。