最新5灵敏电流计特性研究汇总
- 格式:ppt
- 大小:321.50 KB
- 文档页数:13
灵敏电流计的研究实验报告一、实验目的本实验旨在深入研究灵敏电流计的工作原理、性能特点以及相关的测量技术,通过实验操作和数据分析,掌握灵敏电流计的使用方法,提高对电学测量的理解和实践能力。
二、实验原理灵敏电流计是一种高灵敏度的磁电式仪表,它主要由永久磁铁、线圈、指针和游丝等组成。
当有电流通过线圈时,线圈在磁场中受到力矩的作用而发生偏转,偏转的角度与通过线圈的电流大小成正比。
灵敏电流计的灵敏度通常用电流常数来表示,电流常数越小,灵敏电流计的灵敏度越高。
其工作原理基于安培定律和电磁感应定律。
三、实验仪器1、灵敏电流计2、直流电源3、标准电阻4、滑动变阻器5、开关6、导线若干四、实验步骤1、观察灵敏电流计的外观结构,了解其刻度盘、指针、调零旋钮等部件的功能。
2、将灵敏电流计、标准电阻、直流电源、滑动变阻器和开关用导线按照电路图连接好。
3、接通电源前,将滑动变阻器的阻值调至最大,以保护灵敏电流计。
4、缓慢调节滑动变阻器,使通过灵敏电流计的电流逐渐增大,观察指针的偏转情况,并记录相应的电流值和指针偏转角度。
5、改变标准电阻的阻值,重复步骤 4,测量不同电阻值下灵敏电流计的响应。
6、对实验数据进行处理和分析,计算灵敏电流计的电流常数。
五、实验数据记录与处理|标准电阻(Ω)|通过电流(μA)|指针偏转角度(°)||||||1000|50|15||2000|25|75||3000|167|5|根据实验数据,计算灵敏电流计的电流常数。
假设指针偏转角度与通过电流成正比,设比例系数为 k,则有:通过电流= k ×指针偏转角度当标准电阻为1000Ω 时,通过电流为50μA,指针偏转角度为15°,可得:50 = k × 15解得 k = 10/3即电流常数为10/3 μA/°六、实验误差分析1、实验中电源的稳定性可能会对电流的输出产生影响,从而导致测量误差。
2、标准电阻的阻值存在一定的误差,可能会影响电流的计算结果。
灵敏电流计的研究实验报告竭诚为您提供优质文档/双击可除灵敏电流计的研究实验报告篇一:实验十三灵敏电流计特性的研究实验十三灵敏电流计特性的研究【实验目的】1.了解灵敏电流计的基本结构和工作原理。
2.掌握测量灵敏电流计内阻和灵敏度的方法。
3.学会正确使用灵敏电流计。
【实验仪器】灵敏电流计,直流稳压电源,滑线变阻器,电阻箱,标准电阻,直流电压表等。
【实验原理】灵敏电流计是一种重要的电学测量仪器,它的灵敏度很高,用来检测闭合回路中的微弱电流(约10—10A)或微弱电压(约10—10V),如光电流、生理电流、温差电动势等,更常用作检流计,如作为电桥、电位差计中的示零器。
常见的有指针式、壁架式和光点式等。
本实验研究的是光点式灵敏电流计。
1.光点式灵敏电流计的基本结构和工作原理光点式灵敏电流计的结构如图2.13.1所示。
在永久磁铁之间有一圆柱形软铁芯,使空隙中-6-10-3-6图2.13.1检流计光路图的磁场呈辐射状分布。
用张丝将一多匝矩形线圈垂直悬挂于空隙中,在线圈下端装置了一平面小镜。
从光源发出的一束定向聚焦光首先投射在小镜上,反射后射到凸面镜上,再反射到长条平面镜上,最后反射到弧形标度尺上,形成一个中间有一条黑色准丝像的方形光斑。
当有微弱电流通过线圈时,此线圈(及小镜)在电磁力矩作用下以张丝为轴而偏转,于是小镜的反射光也改变方向。
这个反射光起了电流计指针的作用。
由于这种装置没有轴承,消除了难以避免的机械摩擦;又由于发射光线多次来回反射,增加了“光指针”的长度,使在同样转角下,“光指针针尖”(光斑)所扫过的弧长增加,所以这种电流计的灵敏度得到大大提高。
由此可知,光点式灵敏电流计是磁电式电表的一种。
因此,通过电流计线圈的电流Ig与线圈的偏角θ成正比,由图2.13.2可知,线圈(及小镜)的偏转角θ又与光斑的位移d成正比,所以,通过线圈的电流Ig与光斑的位移d成正比。
即Ig=Kd(2.13.1)式中的比例系数K称为电流计常数,单位是安培/毫米,也就是光斑偏转1毫米所对应的电流值,它的倒数:si?1d(2.13.2)KIg称为电流计的电流灵敏度,显然,si越大(K越小),电流计就越灵敏。
设计性实验报告课程名称___________________专业班级___________________姓名___________________学号___________________电气与信息学院实验室实验时间年月日实验类别研究性实验同组人数 2成绩指导教师签字:一、实验目的1.了解灵敏电流计的基本结构和基本原理,学习其使用方法。
2.测定灵敏电流计的电流常量、内阻和外临界电阻,掌握控制其工作状态的方法。
二、实验原理1、灵敏电流计的基本结构灵敏电流计是一种高灵敏度的测量仪表,它的基本结构如图30-1所示。
在永久磁铁、极之间,安置一个柱形软铁芯,使磁极与软磁芯之间产生均匀的径向磁场,矩形线圈用一根金属悬丝悬挂起来,该金属悬丝不仅作为线圈电流的进出引线,还作为线圈旋转的转轴。
当线圈通有电流时,线圈在磁场中受到磁力矩而发生偏转,同时悬丝被扭转而产生反方向的弹性扭力矩。
在偏转角为时,磁力矩和弹性扭力矩相等,线圈就达到平衡。
在悬丝上粘附一面小圆镜,它把光源射来的光反射到一个弧形标尺上,并形成一光标,如图30-2所示。
设当没有电流通过线圈时,反射光的光标位于弧形标尺的“0”点上。
当有电流通过线圈时,光标指在标尺刻度上。
可以证明,电流的大小与光标偏转的长度成正比,即Ig=Kd (30-1)式中比例常量称为灵敏电流计的电流常量,它在数值上等于光标移动一个单位长度时所通过的电流。
在国际单位中,其单位为安[培]每毫米,记为。
电流常量的倒数称为灵敏电流计的灵敏度,记为。
显然灵敏度愈大,灵敏电流计就愈灵敏。
2、线圈运动的阻尼特性在使用灵敏电流计时,我们常会看到,当通过灵敏电流计的电流发生变化时,光标会摆动很久才逐渐地停在新的平衡位置上,这时读数很费时间。
一般指针式电表由于内部装有磁阻尼线圈,通电后指针很快摆到平衡位置上,而不来回摆动。
灵敏电流计却不可以用这种方法,它的阻尼问题需要借助于外电路来解决,因此需要研究灵敏电流计线圈运动的阻尼问题。
灵敏电流计特性研究实验报告实验报告:灵敏电流计特性研究
一、实验目的
本实验旨在研究灵敏电流计的特性,探究其测量范围、灵敏度以及精度,并对其特性进行分析。
二、实验原理
灵敏电流计是一种测量电流的仪器,其工作原理基于电磁感应定律。
当电流通过灵敏电流计的线圈时,线圈内产生磁场,磁场的变化又能够感应出电动势,从而间接测量电流的大小。
三、实验步骤
1. 将灵敏电流计与稳压电源、待测电路串联连接。
2. 打开稳压电源,并调整其输出电压,使其恒定在待测电路的额定电压值。
3. 将灵敏电流计的刻度调整至零点,并记录下此时的刻度值。
4. 开启待测电路,记录下灵敏电流计的刻度值。
5. 逐步增加待测电路的电流值,每增加一定量的电流,记录下
灵敏电流计的刻度值,直至达到待测电路的最大电流值。
6. 根据实验数据绘制灵敏电流计与电流关系图,分析灵敏电流
计的特性。
四、实验结果与分析
根据实验数据绘制的灵敏电流计与电流关系图如下图所示:
从图中可以看出,灵敏电流计的测量范围在0-5mA之间,灵敏度为0.1mA/mV,精度较高。
五、实验结论
通过本次实验,我们探究了灵敏电流计的特性,得出了其测量
范围、灵敏度以及精度,并对其特性进行了分析。
实验结果表明,灵敏电流计是一种精度较高的电流测量仪器,适用于对电流大小
要求较高的场合。
灵敏电流计特性研究【实验目的】1、 了解灵敏电流计的原理和构造;2、 测定灵敏电流计的阻和电流计常数;3、 观察灵敏电流计的运动状态与外电阻的关系。
【实验原理】一、灵敏电流计的构造:灵敏电流计的构造如下图所示:在极细并富有弹性的金属丝上面悬挂着小镜子血和线圈C,当线 圈通有电流时,线圈所受到的磁力矩匾和金属丝的扭力矩匾平衡时, 线圈将偏转一个角度,有以下关系:M\=N\BSJ& (1) M.-DO(2) M,+M 2=O(3)由以上三式可知: 人= ---- 0 (4)* MBS 】对于小镜子Mo 在这个结构中发挥的作用:做工时可以把a 角做得很小,此时小镜子到读数尺的距离为L,可以 有如下的近似关系:tan(2& + a) = tan 20 ^20 = —L由(5)式和(4)式消去角度可得如下结论:上式中的K 就是灵敏电流计的电流计常数,K 的倒数◎称为电流计的 灵敏度。
而K 和Si 仅仅取决于电流计的各个结构参数。
(5)2N、BsJ = Kd(6)并且注意到,当入射光线到达读数尺之前经过了多次反射,可以进一步提高电流计的灵敏度,这个时候的灵敏电流计称之为复射式灵敏电流计。
它的灵敏度比通常的灵敏电流计更大。
二、灵敏电流计的阻尼特性:灵敏电流计由于采用的是悬挂式的线圈结构,所以摩擦阻尼变得特别小,在读书的过程中,有时候会需要很长的时间停下来,所以需要注意灵敏电流计的阻尼特性。
在线圈运动的过程中,竖直的两边切割磁感线,产生感应电动势,这将会在回路情况下产生电磁阻尼。
通过线圈的电流大小为:.s NBS de”、R &+心八〃所受到的电磁阻尼矩为:EH诜右警(8)由上式可见,电磁阻尼矩总是可外电阻有关的,因此,可以利用这一点在实际实验中让灵敏电流计指针迅速停下来。
可以发现,当外电阻为某个临界电阻值的时候,电磁阻尼矩在某个适当值,会使得指针迅速停下来(曲线III)。
如果阻尼矩稍大,线圈将缓慢的趋于平衡(曲线1【);如果阻尼矩稍小,线圈将在平衡位置附近来回震荡(曲线I )。
灵敏电流计特性的研究 - 基础物理实验
灵敏电流计是一种用于测量电流的仪器,它具有高精度、高稳定性、高灵敏度和高分
辨率等优点。
在现代物理实验和工业生产中,灵敏电流计被广泛应用于测量微小电流、交
流电流和高频电流等。
本文将探讨灵敏电流计的特性和应用。
首先,灵敏电流计的灵敏度是指在一定量级范围内,它能够检测到微小电流的能力。
灵敏度越高,表示电流检测的精度越高。
灵敏电流计的灵敏度与其内部电路和材料的特性
有关。
一般来说,灵敏电流计采用的是高阻抗的电路,能够避免电流损失和热噪声的产生,从而提高灵敏度。
其次,灵敏电流计的分辨率是指能够识别的电流变化最小值。
分辨率越高,表示可以
检测到更微小的电流变化。
灵敏电流计的分辨率与其信号处理电路和显示器的性能有关。
一般来说,灵敏电流计采用的是差动放大电路,能够提高分辨率,同时使用数字显示器能
够显示更精细的电流数值。
再次,灵敏电流计的响应时间是指检测到电流变化后所需的时间。
响应时间越短,表
示检测速度越快。
灵敏电流计的响应时间与其内部电路和传感器的特性有关。
一般来说,
灵敏电流计采用快速响应的传感器和电路,能够在很短的时间内检测到微小电流变化。
最后,灵敏电流计的应用范围非常广泛。
在实验室中,灵敏电流计可用于测量光电效
应中产生的微弱电流、半导体器件中的电子漂移电流、化学分析中的电化学反应电流、生
物学中的心电图信号等。
在工业生产中,灵敏电流计可用于检测电子器件中的故障电流、
电力系统中的泄漏电流和磁化电流、医疗设备中的生物电流等。
一、实验目的1.了解灵敏电流计的基本结构和基本原理,学习其使用方法。
2.测定灵敏电流计的电流常量、内阻和外临界电阻,掌握控制其工作状态的方法。
二、实验原理1、灵敏电流计的基本结构灵敏电流计是一种高灵敏度的测量仪表,它的基本结构如图30-1所示。
在永久磁铁、极之间,安置一个柱形软铁芯,使磁极与软磁芯之间产生均匀的径向磁场,矩形线圈用一根金属悬丝悬挂起来,该金属悬丝不仅作为线圈电流的进出引线,还作为线圈旋转的转轴。
当线圈通有电流时,线圈在磁场中受到磁力矩而发生偏转,同时悬丝被扭转而产生反方向的弹性扭力矩。
在偏转角为时,磁力矩和弹性扭力矩相等,线圈就达到平衡。
在悬丝上粘附一面小圆镜,它把光源射来的光反射到一个弧形标尺上,并形成一光标,如图30-2所示。
设当没有电流通过线圈时,反射光的光标位于弧形标尺的“0”点上。
当有电流通过线圈时,光标指在标尺刻度上。
可以证明,电流的大小与光标偏转的长度成正比,即Ig=Kd (30-1)式中比例常量称为灵敏电流计的电流常量,它在数值上等于光标移动一个单位长度时所通过的电流。
在国际单位中,其单位为安[培]每毫米,记为。
电流常量的倒数称为灵敏电流计的灵敏度,记为。
显然灵敏度愈大,灵敏电流计就愈灵敏。
2、线圈运动的阻尼特性在使用灵敏电流计时,我们常会看到,当通过灵敏电流计的电流发生变化时,光标会摆动很久才逐渐地停在新的平衡位置上,这时读数很费时间。
一般指针式电表由于内部装有磁阻尼线圈,通电后指针很快摆到平衡位置上,而不来回摆动。
灵敏电流计却不可以用这种方法,它的阻尼问题需要借助于外电路来解决,因此需要研究灵敏电流计线圈运动的阻尼问题。
根据电磁感应定律,线圈在磁场中运动,由于切割磁力线而产生感应电动势,相应的感应电流与磁场相互作用而产生阻止线圈运动的电磁阻尼力矩,它的大小与回路的总电阻(电流计内阻与外电阻之和)成反比,即(30-2)由上式可见,通过调节外电路电阻的大小,就可控制阻尼力矩的大小,从而控制线圈的运动状态。
实验五、灵敏电流计特性的研究灵敏电流计是一种用途十分广泛的高灵敏度的直读式磁电式仪表。
它常常用来测量微弱电流(10510~10--A),如生理电流、光电流等。
还可用它来测量微弱电压(6510~10--V ),如温差电动势等。
正因为灵敏电流计有较高的灵敏度,所以常用它做为电桥和电位差计中的平衡指示仪(也称检流计)。
灵敏电流计在获得高灵敏度的同时,伴随带来了如何控制电流计指示迅速稳定和迅速回零的问题,因此,有必要了解灵敏电流计线圈在磁场中的运动特性,最佳工作状态,以及它的内阻和灵敏度等。
灵敏电流计的种类较多,现以常用的直流复射式检流计(AC15型)为例,了解灵敏电流计的基本构造、工作原理、主要参数的测定及正确使用方法。
实验目的(1) 了解灵敏电流计的构造和工作原理。
(2) 并观察在过阻尼、欠阻尼及临界阻尼下的三种运动状态。
(3) 掌握测定灵敏电流计内阻和灵敏度的方法。
(4) 学习正确使用灵敏电流计的方法。
仪器和用具AC15型直流复射式灵敏电流计、ZX21直流电阻箱(2个)、DM -V 9数字电压表、BZ3标准电阻器(1Ω)、WYT -10直流电源、BX -7型滑线变阻器(0~100Ω)、双刀双掷开关(1个) 、单刀双掷开关(2个)、秒表(1块),fx-3600p 计算器。
实验原理一、 灵敏电流计的构造原理灵敏电流计的构造如(图1)所示。
它由一个多匝线圈和永久磁铁组成,线圈用上下两根很细且有弹性的金属丝(扁铍青铜丝),铅直悬挂在永久磁铁与圆柱形软铁所形成的匀强磁场的空隙中。
线圈可以以金属丝为轴转动,上下两根金属丝分别为线圈两端电流引入线,由于用金属丝代替了变通磁电式仪表线框上的转动轴和轴承,减少了摩擦,从而大大提高了灵敏电流计的灵敏度。
在灵敏电流计中,线圈通电转动的角度不用指针来指示,而采用光学放大的方法来指示,如(图2)所示,在线圈上端的金属丝装置了一个小平面镜M ,由光源S 向这小镜M 射来一束定向的聚焦平行光。
灵敏电流计特性研究【实验目的】1.了解灵敏电流计的原理和构造2.测定灵敏电流计的内阻和电流计常数3.观察灵敏电流计的运动状态与外电阻的关系【实验原理】1.灵敏电流计的构造: 在极细并富有弹性的金属丝上面悬挂着小镜子和线圈, 当线圈通有电流时, 线圈所受到的磁力矩和金属丝的扭力矩平衡时, 线圈偏转一个角度, 然后偏转角度经过光的反射放大后显示在屏幕上, 实验了多倍放大从而测量比较精准。
经过光学系统的放大, 而悬丝代替转轴轴承而避免了机械摩擦, 因此有较高的灵敏度, 电流计常数大约为。
1)灵敏电流计的阻尼特性: 电磁阻尼的大小为: , 由此可知:2)当R外较大时, M3较小, 此时线圈作振幅逐渐衰减的振动, 需要时间长, 且随电阻变大而变长。
此状态称为欠阻尼状态。
3)当R外较小时, M3较大, 线圈慢慢回到平衡位置而不会越过平衡位置, R外愈小, M3愈大, 达到平衡位置的时间也愈长, 称为过阻尼状态。
当R外适合时, 线圈很快达到平衡位而不发生振动, 称为临界阻尼状态, 此时【实验仪器】AC10/2型直流光点反射式检流计、AC15/4型直流复射式检流计、滑线变阻器、电阻箱、直流稳压电源、数字电压表、1 标准电阻等。
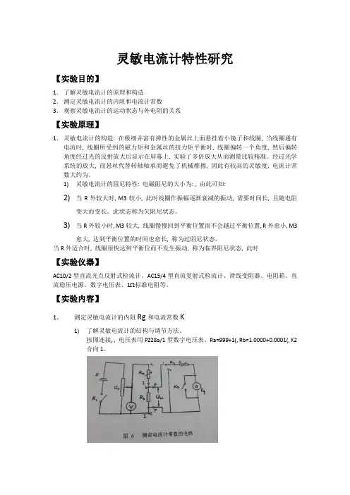
【实验内容】1.测定灵敏电流计的内阻Rg和电流常数K1)了解灵敏电流计的结构与调节方法。
按图连接, , 电压表用PZ28a/1型数字电压表。
Ra=999+1(, Rb=1.0000+0.0001(, K2合向1。
2.调节R0, 使电压表读数U=0.110V, 调节R使电流表偏转50mm, 记下此时的R值。
3.调节滑线式电阻器R0, 分别使电压表读数为0.120V,0.130V,0.140V,0.150V,0.220V,0.240V,0.260V,0.280V,0.300V。
同时调节电阻箱R,以保持电流计有相同的偏转, 即光点在标尺上的位置不变, 记下各个电压时相应的R值。
4.观察灵敏电流计的运动状态与电阻的关系5.K2合向1, 调节R0, 使电流计有一定偏转(约50mm)。
实验九 灵敏电流计的特性研究实验目的1.了解灵敏电流计的工作原理.2.掌握灵敏电流计内阻和灵敏度的测定方法.3.观察灵敏电流计的三种动动状态.仪器与用具电源,复射式检流计,电压表,电阻箱,标准电阻,滑线变阻器,电子秒表等.实验原理1.灵敏电流计的结构灵敏电流计是一种灵敏度很高的磁电系仪表,它主要用于较量式电磁测量中作指零器,也可用于测量微弱电流和电压,如测量光电流,生物电流,温差电势等.灵敏电流计的内部结构原理如图8-1所示,它与磁电系电流表相同,不同的是转动线圈轻而狭长,以减小其转动惯量,如图8-1所示为直流复射检流计,它是用经过几次反射后形成的光斑代替了指针,相当于指针式电表的指针大大加长了,指针越长,分辨本领越高,加之扭转系数很小的张丝,消除了摩擦,因此直流复射式检流计具有更高的灵敏度,一般达到108~1010分度·安-1(div ·A -1)灵敏度是灵敏电流计的一个重要参数,它的定义式为g i I n S = (8-1)式中n 为通过灵敏电流计的电流为gI 时,光标偏转的分格数(或θ角)仪器铭牌上是用iS 的倒数i S C 1=安·格-1来表示,叫做电流常数.一般C =10-8~10-10安·格-1.据此,我们就可以从光标偏转的格数读出通过灵敏电流计的电流的大小.但是仪器经过长期使用、维修,这些常数是有变化的,使用前必须重新测量. 图8—12.灵敏电流计的运动特性.使用中,我们发现,在某些情况下,当通过它的电流发生变化后,光标会来回摆动很久才逐渐停在新的平衡位置,如在这种状态下进行测量,就很费时间,而一般指针式电表就没有这个问题,一旦通电,指针很快平稳地摆到平衡位置,这是因为指针式电表内部设有阻尼装置,而灵敏电流计动圈的电阻,即电流计的内阻与外电路构成一个回路,这个感生电流与磁场相互作用,就产生一个阻止动圈运动的电磁阻尼力矩P ,该力矩的大小与回路总电阻成反比: 外R R P g +∝1 (8-2)式中外R 为外电路的电阻,显然,控制外R 的大小,就可以控制电磁阻尼力矩的大小,从而控制动圈的运动状态.根据电磁学理论,全面分析电流通电线圈的运动状态为一个二阶线性常系数微分方程: NSBI D dt d P dt d J =++θθθ22 (8-3)式中J 为线圈的转动惯量,外R R NSBI P g +=2)(为电磁阻尼力矩,D 为悬丝的扭转系数,N 、S 、B 、I 分别为线圈的匝数,面积和线圈所处的磁感应强度以及通过动圈的电流强度,解方程(8-3),引入阻尼度: JD P 2=λ (8-4)按阻尼度λ大于,等于和小于1,动圈有三种运动状态:即过阻尼,临界阻尼和欠阻尼运动状态,这三种运动状态下线圈的偏转角θ随时间t 变化规律如图8-2所示.图8—2 θ与t 关系曲线 图8—3①当外R (取等于仪器铭牌所标外临R 值的4倍)较大时,P 则较小,线圈作振幅逐渐衰减的振动,反映光标需经较长时间,才能停在平衡位置,外R 越大,P 越小,振动时间也越长,这种状态叫做阻尼振荡,或叫欠阻尼状态,如图8-2中曲线I .②当外R 较小时(取外R =1/外临R ),P 则较大,线圈缓慢地趋向平衡位置,且不越过平衡位置,外R 越小,P 则越大,达到平衡位置的时间也越长,这种状态叫做过阻尼状态,如图8-2中曲线Ⅱ.③当外R 适当时,(取外R =外临R ),线圈能很快达到平衡位置,且不振动,这是前两种状态的中间状态,叫做临界状态,如图(8-2)中曲线Ⅲ,这时外电路的电阻值外R ,叫做外临界电阻,理论和实际测量都证明,使灵敏电流计工作在略微欠阻尼状态,线圈趋于平衡位置所需时间最短,于是,在实际工作中,往往使外电路的电阻外R 略大于外临R .3.灵敏电流计的电流灵敏度i S 与内阻gR 的测量.它们的测量电路如图8-3所示,其中12R R >>,根据电路有方程: )(311g g CB R R I R I U+== (8-5) 2211R I R I U AB += (8-6)gI I I +=12 (8-7) 将(8-1)、(8-5)、(8-7)式代入(8-6)式中得: AB g i U n R R R R R S )(3112++= (8-8)为了便于实验的方法解出i S 和g R ,将(8-8)式变为: )(1213g AB i R R U nR S R R +-= (8-9)由(8-9)式可见,如果在实验中保持1R 、2R 和n 不变,则3R 与电压AB U 成线性关系,其斜率为n RS R i21,截距为)(1g R R +-,因此在实验中不断地改变AB U ,并相应使)(311g g R R I R I +=,并相应调节3R ,使n 保持不变,然后根据AB U 与3R 的关系,利用图解,求出iS 和g R 的值.实验内容 1.观察灵敏电流计的三种运动状态与3R 的关系,并确定外临界电阻值.按图8-3连接电路,取1R :2R =1Ω:3000Ω,3R 预置等于4倍外临R (仪器铭牌上注有外临界阻值,若不知此值,可采用优选法逐渐逼近求得),然后依次置3R 等于1/4外临R 和外临R .滑线变阻器置于零输出处,接通检流计光路电源,旋钮拨至“直接”档,调零,接通稳压电源,调至6伏,推动滑线变阻器使复射式检流计在三种3R 值下分别使光标满偏(n =50格),断开2K ,同时用秒表记录三种运动状态达到平衡位置不动的时间,确定3R (=外临界电阻之值),并画出三种运动状态曲线.2.求灵敏电流计内阻g R 与灵敏度iS 以及电流常数C 的值.仍按图8—3连接电路,取1R:2R=1Ω:20KΩ,滑线变阻器置于零输出处,调节电源为4伏,将ABU分别调为0.50伏、1.0伏、1.50伏、2.0伏、2.50伏并对应调节3R,使光标每次偏n格(50格),反向2.50伏依次调至0.50伏,再得与之对应的3R'值,取3R'二次平均值,作为3R作ABU与3R'图线,用图解出i S与g R之值,并计算出C.实验结束后置灵敏电流计旋钮于短路处.思考与问答1.灵敏电流计为什么灵敏?2.灵敏电流计动圈在磁场中运动时,受哪几种力作用?力矩产生的原因是什么?3.使用灵敏电流计,为什么要使外电路电阻值接近于外临界电阻值?4.在使用灵敏电流计时,若发现其工作状态处于欠阻尼振荡状态,过阻尼运动状态,采取何种措施使其工作在临界阻尼状态?灵敏度发生变化否?并解释之.5.试用解析法解i S与g R.。
167实验5-24 灵敏电流计特性研究灵敏电流计是一种测量微小电流的直读式磁电式仪表,由于它变革了机械指针式电流计的机械结构和偏转显示系统(用悬丝代替了普通电表的转轴和轴承,避免了机械摩擦,同时采用一套光学放大系统来测量偏转角),因而具有很高的灵敏度,可以检测610-~1010-A 的微小电流,或检测310-~610-V 的微小电压,常用于光电流、生物电流、温差电动势的测量或用做精密电桥、精密电位差计的平衡指示器。
【实验目的】1.了解灵敏电流计的结构,掌握控制灵敏电流计运动状态的方法。
2.测定灵敏电流计的特性参量─外临界电阻、电流常数及内阻。
3.学会用最小二乘法处理数据。
【实验器材】AC15型直流复射式检流计、直流稳压电源、直流电压表、电阻箱、滑线变阻器、双刀双掷开关、单刀开关等。
【实验原理】一、灵敏电流计的工作原理灵敏电流计的结构见图5-24-1,主要由三部分组成:1.磁场部分永久磁铁N 、S 产生磁场,圆柱形软铁芯J 使磁场呈均匀辐射状。
2.偏转部分线圈C 可以在磁场内转动,上下两端用金属悬丝绷紧,金属丝同时作为线圈的电流引线。
3.读数部分(小镜m 和弧形标尺) 小镜m 固定在线圈上,它把光源射来的光反射到弧形标尺上并成一光标,见图5-24-1b 。
当没有电流通过线圈时,反射光标位于弧形标尺的零点上,当某一稳定电流I 流过线圈时,线圈受到的磁力矩为NBSI M B =式中,N 为线圈匝数,B 为磁感应强度,S 为线圈面积。
线圈在磁力矩的作用下而产生转动,悬丝随线圈转动而产生的反向扭转力矩为θD M D -=图5-24-1 灵敏电流计的结构原理图a)线圈偏转系统 b)读数系统168 式中,D 为扭转系数,θ为线圈转过的角度。
当B M 和D M 大小相等时,光标停在新的平衡位置。
由图5-24-1b 知标尺读数l d θ2=,由于θD NBSI =得kd NBSlDdI ==2 (5-24-1)由此可见,通过电流计的电流I 与反射光标在弧形标尺上的读数d 成正比,式中)2/(NBSl D k =称为电流计的电流常数,即光标移动mm 1对应的电流值,其倒数Sk =/1称为电流计的灵敏度,式(5-24-1)可写为SI k I d ==/式中S 表示单位电流引起的光标移动距离。
灵敏电流计特性的研究实验目的1.了解灵敏电流计的工作原理,并观察在过阻尼、欠阻尼及临界阻尼下的三种运动状态;2.掌握测定电流计内阻和灵敏度的方法。
仪器和用具灵敏电流计、直流电阻箱、直流电压表、标准电阻器、直流电源、双刀双掷开关、单刀开关、秒表。
原理1.灵敏电流计的构造与灵敏度灵敏电流计是一种灵敏度较高的磁电式电流表。
它分指针式和光点反射式两种。
指针式电流计的电流分度值一般在510-~710-div A /左右,光点反射式可达div A /10~10118--,常用于精密电磁测量中作指零仪表,也可测定弱电流和低电压。
光点反射式(复射式)灵敏电流计的构造如下图所示,其中光源、三个反射镜和标尺的作用相当于指针式电流表的指针。
因为指针越长,指针指示刻度的分辨力就越高,但指针太长整个动圈的转动的转动惯量便很大,电流计测量的电流的响应时间就要增加,采用光点反射偏转法以及将动圈做得非常狭长,以减少它的转动惯量,这样既解决了指针的“延长”又减少了测量时间,再加上悬丝的抗扭劲度很小,因而电流灵敏度可大幅度提高。
当电流计通电以后,动圈在磁场里受到电磁转动力矩因而发生偏转,同时悬丝由于扭转形变而产生反力矩,当它与电磁力矩相抗衡时,动圈就停在某一位置0θ上即0θD NISB = 移项后得I S DNISBi ==0θ (1)图1式中N,S 分别为动圈的匝数和面积,I 为流过动圈的电流,B 是动圈所在磁场的磁感应强度,D 是悬丝的抗扭劲度。
)(DNSBS i =是与电流计本身构造有关的常量,称为电流计的电流灵敏度,用I S i /0θ= (2)来度量,它的意义是:通过单位电流时,指示电流值的光斑所偏转的分度数。
其单位是分度每安培(div ·A -1)。
例如AC15/4型灵敏电流计的18/10*2-=A div S i ,而AC15/1型的15/10*3.3-=A div S i .显然,AC15/4电流计的灵敏度比AC5/1来得高。
灵敏电流计的研究院-系:理学院物理系专业:物理学年级:09 物理学生:母永方学号:200902050234灵敏电流计的研究摘要:本文主要是通过对灵敏电流计的原理进行了解,然后通过实验对相关量的测定,来求灵敏电流计的自由振荡周期、电流计的灵敏度和阻,以及观察三种运动状态并无额定临界阻尼。
关键词: 实验目的 实验原理 实验步骤 实验数据处理 讨论【实验目的】1.了解灵敏电流计的工作原理,并观察在阻尼、欠阻尼及临界阻尼下的三种运动状态 。
2.掌握测定灵敏电流计、阻的方法 。
3.学习正确使用灵敏电流计4.了解灵敏电流计的结构和工作原理【实验仪器】灵敏电流计 直流电阻箱 直流电压表 标准电阻箱 直流电源 标准电阻器 双刀双掷开关 单刀开关 秒表 【实验原理】1.电流计的构造与灵敏度灵敏电流计是一种高灵敏度的磁电式仪表,可以测量710-~1210-A 的微小电流。
在精密测量中,除用它来测量微小电流外,还可用作检流计,以检测电路中是否有微小电流通过。
分为指针式和光点式两种。
复射式灵敏电流计称光点反射式电流计,由于用了极细的金属悬丝代替轴承,且将线圈悬挂在磁场中,由于悬丝细而长,反抗力矩很小,所以当有极弱的电流流过线圈时,就会使它有明显的偏转,因而它比一般的电流表要灵敏得多,可以测量610-~1110-A 围的微弱电流和 310-~810- V 围的微小电压,如光电流、物理电流、温差电动势等;更常用来作检流计,在电桥、电位差计中作为指零仪。
灵敏电流计是磁电式仪表。
用金属丝E (称为丝)绷紧可转动线圈。
由于用丝代替了普通的转轴和轴承、曲调了机械摩擦,使电表的灵敏度大大提高。
在动圈上固定有小镜m (见图1)它把装在电流计前部小灯泡射来的光反射到标尺上并形成一个光斑。
当电流流进线圈时线圈带动小镜转动。
设转角为θ(见图2)反射光线将转过2θ角,光斑在标尺上移动距离n=2l θ(l 为小镜m 至标尺的距离)由n 可测出电流的大小。