全面预算案例样本
- 格式:doc
- 大小:209.50 KB
- 文档页数:7
上下结合的全面预算案例咱们来聊一个特别接地气的上下结合全面预算案例,就说街边的一家小餐馆吧。
一、故事的开始:小餐馆的现状。
这家小餐馆呢,老板叫老王。
餐馆不大,但是生意还算过得去。
有几个服务员,一个厨师。
老王一直都是那种比较随性的管理方式,以前都是大概心里有个数就开店了,但是最近他发现,这样下去不行,得好好做个预算,把钱管明白,多赚点。
二、自上而下:老王的初步想法(战略目标)老王坐在他那有点破旧的办公室里(其实就是个小隔间),开始思考。
他想啊,明年要让餐馆的利润增长30%。
为啥是30%呢?因为他看到隔壁街的餐馆装修后生意更好了,他觉得自己也能做到。
这就是自上而下的第一步,老王先定了个大目标,这就像给整个小餐馆的预算之旅定了个方向,就像我们要去旅游,先定了个要去的大城市一样。
那这个利润增长怎么实现呢?老王心里琢磨着,要么多卖点菜,要么节省点成本。
于是他初步定了几个方向:1. 菜单要更新,增加几个招牌菜,吸引更多顾客。
2. 把食材采购成本降低10%,他觉得现在的供应商可能有点坑他。
3. 服务员的效率要提高,这样可以减少人工成本。
三、自下而上:员工的声音(基层信息反馈)1. 厨师的想法。
厨师老张一听老板要更新菜单,就来找老王了。
老张说:“老板啊,你想增加招牌菜是好事,但是你得知道,有些食材不好找,而且做新菜得花时间去研究,还得试菜,这都得算成本啊。
我觉得咱们可以先增加一两个招牌菜,慢慢摸索,可不能一下子搞太多,不然容易乱了阵脚。
”这就是自下而上的反馈,老张从他实际做菜的角度给了老板建议。
2. 服务员的反馈。
服务员小妹小丽也说话了。
她说:“老板,你想提高我们的效率,这没错。
但是现在店里有时候忙起来人手根本不够啊,你要是再减少人工成本,我们更忙不过来了,顾客体验不好,生意反而会差呢。
我觉得咱们可以先优化一下服务流程,而不是先想着减人。
”四、上下结合:达成共识的预算方案。
老王听了老张和小丽的话,觉得很有道理。
“全面预算管理”案例案例:全面预算管理公司X是一家制造业公司,生产和销售各种机械设备。
在过去的几年里,公司一直面临着盈利下降的问题,导致了资金紧缺和财务状况不稳定。
为了解决这些问题,公司决定采用全面预算管理的方法,以更好地控制成本和提高盈利能力。
制定预算目标:管理团队与相关部门的代表共同制定了公司的预算目标。
他们希望在下一财年中增加销售额和利润率,并减少生产和销售过程中的浪费。
他们还制定了一个具体目标,即在下一财年中将每个部门的支出限制在预算范围内。
制定预算计划:管理团队收集了过去几年的数据和相关信息,以帮助制定预算计划。
他们通过分析销售趋势、成本结构和利润率,确定了下一财年的销售目标和成本控制目标。
此外,他们还对各部门的预算进行了分配,根据各部门的需求和目标来制定具体的预算计划。
实施预算控制:一旦预算计划制定完成,管理团队开始实施预算控制。
他们设立了一套预算控制措施和政策,以确保各部门遵循预算计划,并及时报告和解释差异。
每个部门负责人都被要求定期进行预算报告,并对任何预算偏差进行解释和调整。
预算监测和调整:公司设立了一个专门的预算监测团队,负责监测各部门的预算执行情况。
该团队定期与各部门进行会议,讨论预算执行情况,并将报告提交给管理团队。
根据监测结果,管理团队可以对预算进行调整,以便更好地满足公司的目标和需求。
评估结果和持续改进:一年过去后,公司评估了全面预算管理的效果。
他们发现,通过预算管理,公司的成本控制得到改善,并且销售额和利润率有所增长。
然而,他们也注意到一些仍需要改进的地方,如销售额的波动和某些部门的开支超支。
因此,他们决定在下一财年继续实施全面预算管理,并提出了新的改进计划。
总结:通过全面预算管理的实施,公司X成功地控制了成本并提高了盈利能力。
这种管理方法使公司能够更好地预测和跟踪财务状况,从而能够做出更明智的决策。
此外,全面预算管理还促进了跨部门的协作和沟通,使公司能够更好地应对日益竞争的市场环境。
全面预算综合案例三一、经营预算(一)背景资料鸿宇集团是一家仪器设备生产企业,下属有若干子公司,其中湖南鸿宇仪器设备有限公司(以下简称“鸿宇公司”)是鸿宇集团的一个投资中心,专门负责教学仪器设备的生产。
2018年12月,鸿宇公司财务、管理、销售、生产等部门拟编制2019年度预算底稿。
具体资料如下:1、管理层决策:2019年鸿宇公司只生产一种产品,售件为500元/件,鉴于该产品仍处于新产品投放阶段,预计同类产品差别不大,需求弹性大、市场前景光明,所以定价相对较低,以便产品迅速占领市场,争取客户。
2、销售部测算:该产品预计全年销量2600件,每季度分别为:500件、500件、800件、800件。
2019年年初应收账款的余额为98000元,第一季度收回。
预计计划年度的销售收入当季收现60%,下一季度收现40%。
3、生产部测算:(1)公司历年各季度期末产成品存货数量按照下季度销售量的10%确定,预计2019年末结存产成品100件。
(2)公司历年各季度期末材料用量根据下季度生产需要量的10%确定,预计2019年年末结存生产材料1000千克。
材料定额单耗为10千克/件,材料单价为15元/千克,2019年初材料应付账款余额为40000元,第一季度偿付。
计划年度的材料款当季支付60%,下一季度支付剩下的40%。
(3)预计单位产品用工10小时/件,工资率为15元/小时。
预计单位产品变动制造费用为:间接人工3元/件;间接材料2元/件;修理费1元/件;水电费1元/件。
预计固定制造费用耗费明细为:修理费1200元/季度;车间主管人员工资为12000元/季度;租赁费为1825元/季度;折旧费第一、二、三季度均为4750元/季度,第四季度为5150元/季度。
变动制造费用和固定制造费用均按照生产工人工时分配。
(4)因生产需要,2019年9月底计划购入不需要安装的设备1台,价值24000元,预计使用年限为15年,净残值率为零。
4、销售和管理部门测算:销售人员工资42000元/年;广告费10000元/年;运输费10220元/年。
嘉德公司全面预算案例
嘉德公司是一家销售家居用品的企业,为了更好的掌握企业的经营状况以及未来发展方向,制定了全面预算。
该预算包括财务预算和经营预算两部分。
一、财务预算:
1.预计年销售收入为1亿元。
2.预计年成本为7000万元,其中:
直接材料成本为2500万元
生产成本为2000万元
销售费用为1000万元
管理费用为500万元
利润为3000万元。
3.预计年度所得税率为25%,所得税为750万元。
4.预计净现金流为2250万元。
二、经营预算:
1.销售预算:
预计销售额为1亿元,销售价格为每件300元,预计销售量为33万件。
2.生产预算:
预计生产33万件,每件直接材料成本为70元,每件生产成本为60元。
3.库存预算:
预计初始库存为10000件,希望每月完工库存为8000件,因此预计月末库存为12000件。
4.采购预算:
预计需要购买2500万元的直接材料,供应商付款条件为30天,因此需要每月向供应商支付2000万元。
5.现金预算:
每月从销售收入中收到3000万元,支付2000万元给供应商,支付1000万元的其他费用,因此每月净现金流为1000万元。
预计年度净现金流为2250万元。
6.投资预算:
预计购买新设备和研发项目需要投入500万元。
通过制定全面预算,嘉德公司可以掌握自己的经营状况和未来发展方向,以便对不利因素进行预防和控制,进一步实现企业的稳健发展。
企业全面预算管理案例企业全面预算管理是企业管理中非常重要的一环,它涉及到企业的经营规划、成本控制、资源配置等方方面面。
下面我们以某企业为例,来介绍一下企业全面预算管理的具体案例。
这家企业是一家制造业企业,主要生产家具产品。
在过去的经营中,企业经常出现资金周转不灵、成本控制不力、资源配置不合理等问题。
为了解决这些问题,企业决定进行全面预算管理。
首先,企业进行了市场调研和销售预测,根据市场需求和销售趋势,制定了销售预算。
销售预算的制定不仅考虑了市场需求,还充分考虑了企业的生产能力和销售渠道,确保销售预算的可行性。
其次,企业制定了生产成本预算。
在制定生产成本预算时,企业充分考虑了原材料价格、人工成本、设备折旧等因素,确保生产成本预算的合理性和准确性。
另外,企业还进行了各项费用预算的制定,包括管理费用、销售费用、财务费用等。
通过对各项费用的预算制定,企业可以更好地控制各项费用的支出,提高企业的整体效益。
在预算执行过程中,企业严格执行预算,对预算执行情况进行定期检查和分析。
一旦发现预算执行偏离,企业及时采取措施进行调整,确保预算的执行效果。
通过全面预算管理,这家企业取得了显著的成效。
首先,企业的资金周转得到了明显改善,大大减少了资金占用和闲置现象。
其次,企业的成本得到了有效控制,生产效率得到了提高,产品成本得到了有效降低。
最后,企业的资源配置得到了优化,各项资源得到了更合理的利用。
综上所述,企业全面预算管理对企业的经营管理具有重要的意义。
通过对各项预算的制定和执行,企业可以更好地控制成本、提高效率,从而提升企业的竞争力和盈利能力。
希望这个案例可以给大家在实际工作中提供一些借鉴和启发。
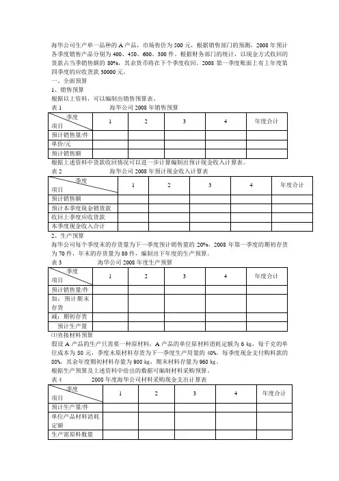
海华公司生产单一品种的A产品,市场售价为500元,根据销售部门的预测,2008年预计各季度销售产品分别为400、450、600、300件。
根据财务部门的统计,以现金方式收回的货款占当季销售额的80%,其余货币将在下个季度收回。
2008第一季度账面上有上年度第四季度的应收货款30000元。
一、全面预算1、销售预算根据以上资料,可以编制出销售预算表。
海华公司每个季度末的存货量为下一季度预计销售量的20%,2008年第一季度的期初存货为70件,年末的存货量为80件,编制出下年度的生产预算。
表3 海华公司2008年度生产预算⑴直接材料预算假设A产品的生产只需要一种原材料,A产品的单位原材料消耗定额为6㎏,每千克的单位成本为50元,季度末原材料存货为下一季度生产用量的40%,每季度现金支付购料款的80%,其余年度期初材料存量为900㎏,期末材料存量为960㎏。
根据生产预算及上述资料中给出的数据可编制材料采购预算。
再根据材料采购预算和原材料单位成本、料款支付情况可以进一步计算各季度的材料采购支出表。
表5 2008年度海华公司材料采购现金支付计算表⑵直接人工预算海华公司在预算期内直接人工工资率为10元/小时,单位A产品的定额工时为6小时,并且海华公司以现金支付直接人工工资,并于当期付款,再结合生产预算,可编制出直接人工费用预算表。
表6 2008年度海华公司直接人工费用预算表经有关部门的测算在2008年预算期内海华公司各项变动间接制造费用如下:间接人工12000元,间接材料费11000元,水电费14000元,维修费1720元,合计38720元,固定间接制造费用包括管理人员工资20000元,保险费10000元,维护费6880元,固定资产折旧费30000元,合计668880元。
根据以上资料并结合生产预算可编制出间接制造费用预计现金支出计算表。
⑷期末产成品存货预算根据以上资料及预算可以归集分配并计算单位产品的成本,如表8。
集团全面预算管理的案例案例:某大型企业集团全面预算管理该企业集团是一家跨国公司,业务涉及多个领域,包括制造、销售、物流等。
为了更好地掌握企业财务状况,提高决策效率,该企业集团实施了全面预算管理。
一、预算编制该企业集团每年制定一份全面预算,包括财务预算、销售预算、生产预算、人力资源预算等。
预算编制由各部门负责人和财务部门共同完成,其中财务部门负责协调各部门的预算编制工作,审核预算的合理性和可行性。
二、预算执行预算执行是全面预算管理的核心环节,该企业集团采用了预算控制台进行预算执行管理。
预算控制台是一种集成了财务、销售、生产等各个方面的预算管理工具,可以实时监控预算执行情况,及时发现问题并采取措施。
三、预算分析该企业集团每月对预算执行情况进行分析,包括预算执行情况、预算偏差情况、预算调整情况等。
分析结果由财务部门向各部门负责人进行汇报,及时发现问题并采取措施。
四、预算调整预算调整是全面预算管理的重要环节,该企业集团每季度对预算进行调整,根据实际情况对预算进行修订。
预算调整由各部门负责人和财务部门共同完成,调整结果由财务部门向各部门负责人进行汇报。
五、预算总结该企业集团每年对全面预算进行总结,包括预算执行情况、预算偏差情况、预算调整情况等。
总结结果由财务部门向高层管理人员进行汇报,为下一年度的预算编制提供参考。
通过全面预算管理,该企业集团实现了财务状况的全面掌握,提高了决策效率,为企业的可持续发展提供了有力的支持。
以上就是某大型企业集团全面预算管理的案例,通过预算编制、预算执行、预算分析、预算调整和预算总结五个环节的管理,实现了企业财务状况的全面掌握和决策效率的提高。
一、背景XX科技有限公司(以下简称“公司”)成立于2008年,是一家专注于高科技产品研发、生产和销售的高新技术企业。
随着公司业务的快速发展,公司管理层意识到,为了实现公司战略目标,提高管理效率,必须建立健全全面预算管理制度。
二、全面预算管理制度内容1. 制度目标(1)确保公司战略目标的实现;(2)提高公司经营效益;(3)加强内部控制,防范经营风险;(4)提高管理水平和员工素质。
2. 制度原则(1)预算服从战略原则;(2)全面预算原则;(3)权责明晰原则;(4)积极稳健原则。
3. 预算编制(1)编制时间:每年11月至次年1月;(2)编制部门:各部门负责人牵头,财务部门协助;(3)编制内容:收入预算、成本预算、费用预算、投资预算等。
4. 预算审批(1)审批部门:公司董事会;(2)审批程序:各部门负责人提出预算草案,财务部门审核,董事会审议批准。
5. 预算执行(1)执行部门:各部门负责人;(2)执行要求:严格执行预算,确保预算目标的实现。
6. 预算调整(1)调整条件:因市场环境、政策法规等外部因素变化,导致预算执行发生重大变化;(2)调整程序:各部门负责人提出预算调整申请,财务部门审核,董事会审议批准。
7. 预算考核(1)考核部门:公司人力资源部门;(2)考核指标:预算完成率、成本控制率、费用节约率等。
三、实施效果1. 公司战略目标实现:通过全面预算管理,公司各部门明确了战略目标,确保了公司战略的顺利实施。
2. 经营效益提高:全面预算管理有助于公司合理配置资源,提高经营效益。
3. 内部控制加强:全面预算管理有助于公司加强内部控制,防范经营风险。
4. 管理水平提升:全面预算管理有助于提高公司管理层和员工的管理水平。
5. 员工素质提高:全面预算管理有助于提高员工的责任心和执行力。
四、总结XX科技有限公司通过建立健全全面预算管理制度,实现了公司战略目标的顺利实施,提高了经营效益,加强了内部控制,提升了管理水平,为公司的可持续发展奠定了坚实基础。
一、经营预算(一)销售预算1、任务背景盛隆公司预计2018年销售A产品7750件,1-4季度分别为1800件、1850件、2000件、2100件。
销售单后两个季度分别收到10%和20%,不考虑坏账影响,2017年第三、四季度的销售额分别为350000元、2、任务要求(1)根据以上资料,编制销售预算,如表1-1所列。
(2)计算2018年年末应收账款。
(1)编制销售预算表(2)计算20×9年年末应收账款20×9年年末应收账款=900000*20%+945000*30%=463500(元)(二)生产预算1、任务背景盛隆公司经测算,预计每季度末保有产品库存量为下一季度销售量的20%(延续2017年度的政策)。
量为1900件。
2、任务要求根据【表1-1】和上述任务背景的资料编制生产预算,如表1-2所列。
(三)直接材料预算1、任务背景盛隆公司假定生产A产品只耗用一种材料,预计2018年末材料库存量为700千克。
2017年末材料库存盛隆公司假定生产A产品只耗用一种材料,预计2018年末材料库存量为700千克。
2017年末材料库存为40元/千克。
每一季度的期末材料库存量为下一季度的生产耗用量的10%。
材料采购货款当季付现2、任务要求(1)根据【表1-2】及以上任务背景资料,编制直接材料预算,如表1-3所列。
(2)计算2018年年末应付账款。
(1)编制直接材料预算表(2)计算20×9年年末应付账款20×9年年末应付账款=324640×30%=97392(元)(四)直接人工预算1、任务背景盛隆公司假定生产A产品只有一个工种,根据劳动定额、历史资料等测算的标准成本资料为:直接人2、任务要求根据【表1-2】及以上任务背景资料,编制直接人工预算,如表1-4所列。
(五)制造费用预算1、任务背景盛隆公司通过对成本习性和历史资料的分析,变动制造费用与人工工时密切相关。
假定固定制造费盛隆公司通过对成本习性和历史资料的分析,变动制造费用与人工工时密切相关。
“全面预算管理”案例全面预算管理是指企业在制定预算时,考虑到企业各项业务活动的全面性和一致性,将全面和一贯的预算编制方法应用到各个业务活动和各个部门中,实现预算管理的统一性。
下面是一个全面预算管理案例。
软件公司制定了全面预算管理,将预算分为营销预算、生产预算、财务预算、研发预算和人力资源预算五个部分。
首先是营销预算,公司拟定了市场销售目标和市场推广策略,并将其转化为具体的销售预算和市场推广费用预算。
销售预算主要根据市场需求和竞争情况制定,市场推广费用预算则根据市场推广方案和预期效果确定。
其次是生产预算,公司通过市场销售预算和现有产能,制定了生产计划和产能利用率目标。
在生产预算中,考虑到原材料、人力、机器设备等各方面因素,计划了原材料采购、生产人力安排和设备维护等相关费用预算。
再次是财务预算,公司根据销售预算和生产预算,制定了资金需求预算和现金流量预算。
资金需求预算主要包括营运资金和投资资金,现金流量预算则考虑到营业收入、应收账款、应付账款等各个方面的收支情况,制定了现金流量表和资金筹措计划。
研发预算是指公司为实现技术创新和产品研发,制定了相关研发费用预算。
公司在制定研发预算时,考虑到研发项目的重要性和紧急程度,确定了各个项目的研发经费和周期。
最后是人力资源预算,公司根据各个部门的业务需求,制定了人力资源预算。
在人力资源预算中,公司考虑到员工培训、福利待遇以及人事管理等方面的费用,制定了相关预算,确保员工的工作环境和薪酬待遇能够满足公司的需求。
通过全面预算管理,公司能够将各个部门的预算整合起来,实现全面性和一致性,避免部门之间的冲突和重复,在预算制定、执行和控制等方面实现统一管理。
同时,全面预算管理也能够提高企业的决策效率和资源利用率,为企业的发展提供有效的支持。
总之,全面预算管理对于企业的发展非常重要,通过制定全面预算,企业能够实现各个部门之间的协同工作,提高资源利用效率,实现企业目标的顺利完成。
工作任务四、远大公司全面预算1、期初资产负债表;表3-25 2009年12月31日资产年初年末负债权益年初年末流动资产流动负债现金200 000 应付账款500 000 应收账款400 000材料300 000产成品100 000流动资产合计 1 000 000固定资产股东权益土地700 000 股本800 000 房屋及设备800 000 留存收益700 000 累计折旧500 000固定资产净值 1 000 000 股东权益合计 1 500 000 资产总计 2 000 000 负债权益合计 2 000 000 企业财务状况说明:(1)企业名称:远大公司(2)经营范围:只生产销售一种产品P1,售价700元/件。
2、前提条件;远大公司2010年各个季度运行情况与资料如下:(1)预计各季度销量分别为:2000件、3000件、3000件、4000件。
(2)本季度的销售,本季度收款率60%,其余在下季度收讫。
(3)第二季度初需要投资一台设备,投资额250 000元。
(4)生产部门指出,每件产品耗用材料3kg,人工13小时。
(5)采购部门指出,材料单价120元/kg,每季度购料款当季支付率50%,其余在下季度付讫。
(6)人事部门指出,公司计时工资标准为5元/小时。
(7)根据库存商品明细账和材料明细账,2009年末库存产成品200件,库存材料2500kg,成本价300 000元。
(8)采购部门要求,2010年第四季度库存产成品计划200件,库存材料计划3000kg。
(9)销售部门要求,计划年度(2010年度)第一、二、三季度末库存产品数量按下季度销量的20%计算。
(10)生产部门要求,计划年度(2010年度)第一、二、三季度末库存材料数量按下季度生产需要量的25%计算。
(11)销售及管理部门预计2010年度现金支出总额1 000 000元,各季度均衡支出。
(12)生产部门预计2010年度制造费用全年现金支出800 000元,各季度均衡支出。
某公司全面预算管理案例公司是一家中小型企业,主要经营服装零售业务。
由于市场竞争激烈,公司决定实施全面的预算管理来提高运营效率和利润。
第一步,公司设立了预算管理团队,由财务总监领导,各部门负责人参与。
团队首先进行了市场调研,分析竞争对手的动向和市场趋势,根据这些信息制定了一个年度整体预算。
该预算根据公司的战略目标和预期市场需求来设定销售目标和成本预算,以及其他关键指标。
第二步,公司制定了各部门的预算。
每个部门根据其职能不同,制定了包括人力资源、物料采购、生产成本、市场推广等多个方面的预算。
每个预算都需要在团队会议上进行讨论和审批,确保各部门之间的协调和一致性。
第三步,公司设立了预算执行和控制的制度和流程。
每个部门在执行预算过程中需要进行日常的审核和报告,及时发现和修正预算偏差。
财务部门负责对每个部门的预算执行情况进行监督和汇总,及时报告给管理层。
同时,公司还建立了一套绩效考核机制,将预算目标与个人绩效挂钩,激励员工积极完成预算任务。
第四步,公司进行了定期的预算分析和评估。
每个季度结束后,预算管理团队对公司的预算执行情况进行评估,分析预算偏差的原因和影响,并制定相应的对策。
同时,也对市场环境和竞争态势进行分析,将这些信息纳入下一期预算制定的依据。
经过全面预算管理的实施,该公司取得了显著的成果。
首先,预算管理提高了公司的运营效率。
各部门在设定明确的目标和指标的基础上,有针对性地开展工作,减少了资源的浪费和重复投入。
其次,公司的利润明显增加。
预算管理可以对成本进行合理控制,避免盲目投入和不必要的浪费,提高了利润率。
再次,预算管理促进了公司的战略和目标的落地。
预算目标和公司战略目标的一致性使得公司的各项决策和行动都更加有针对性和协调性。
总之,全面预算管理可以帮助企业合理规划资源,提高运营效率和利润,促进战略目标的实现。
对于中小型企业来说,预算管理是一种有效的管理工具,可以帮助企业应对竞争和挑战,实现可持续发展。
全面预算管理会计案例题
假设你是一家家具制造公司的财务经理。
公司计划在下一年扩
大业务,并且需要制定全面预算来管理财务和业务活动。
请根据以
下信息制定一个全面预算:
1. 销售部门预计在下一年销售额将达到1000万美元,销售成
本预计为400万美元。
2. 生产部门预计生产成本将达到300万美元,包括原材料、人
工和制造费用。
3. 预计总管理费用为100万美元,包括行政人员工资、办公费
用等。
4. 其他费用(包括营销费用、研发费用等)预计为200万美元。
5. 公司预计在下一年投资新设备和技术改进,预算为150万美元。
6. 公司计划支付利息和偿还债务共计50万美元。
7. 公司预计在下一年的税收为20%。
请根据以上信息,制定下一年的全面预算,包括销售预算、生
产预算、研发预算、资本支出预算、现金预算等,并分析预算对公
司的影响以及可能的风险和挑战。
同时,提出建议以最大程度地优
化预算和提高公司的财务绩效。
通过这个案例题,可以让学生或者专业人士综合运用预算管理、会计知识和财务分析技能,全面考虑公司的财务和业务活动,从多
个角度进行预算制定和分析,以及提出改进建议。
企业全面预算案例在咱们这个城市的角落里,有一家叫“美味小馆”的餐馆,这小馆虽说不大,但要想经营得好,全面预算可少不了,今天就给大家讲讲它的预算故事。
一、收入预算。
这小馆的老板王哥,一到年初就得琢磨这一年能挣多少钱。
他先看了看过去几年的账本,发现每年来吃饭的客人数量都有点波动。
比如说,工作日的中午,附近写字楼的上班族是主要客源,大概能有50 80人来吃饭;晚上人会多一些,能有80 120人。
周末呢,家庭聚餐和朋友聚会的比较多,每天能接待150 200人。
王哥就根据这个情况,再考虑到周边新盖了几栋写字楼,可能会增加客源,他就大胆地预测了一下。
他估计今年工作日中午平均每天能有70人,晚上平均100人;周末每天180人。
然后他又算了算菜单上每个菜品的平均价格,定了个每客消费大概30元。
这样一来,收入预算就有了个大概。
工作日每天的收入就是:(70 + 100)× 30 = 5100元;周末每天收入是180 ×30 = 5400元。
一个月按四周算,工作日20天,周末8天,一个月的收入预算就是(5100 × 20 + 5400 × 8)= 102000 + 43200 = 145200元。
一年的收入预算就是145200 × 12 = 1742400元。
二、成本预算。
1. 食材成本。
食材可是餐馆的大头啊。
王哥把菜单上的菜品列出来,一个个算成本。
像店里的招牌菜红烧肉,一份得用一斤猪肉,现在猪肉价格大概15元一斤,再加上配菜、调料啥的,一份成本就得20元。
他按照每个月预计卖出的菜品数量,算出每个月食材成本大概是80000元,一年就是960000元。
2. 人工成本。
小馆里有厨师、服务员和收银员。
厨师工资一个月8000元,服务员一个月4000元,有3个服务员,收银员一个月4500元。
这人工成本一个月就是8000 + 4000 ×3 + 4500 = 24500元,一年就是24500 × 12 = 294000元。
全面预算管理案例案例一:公司全面预算管理提升效益背景:公司是一家生产制造型企业,主要生产市场需求量大的机械设备。
由于市场竞争激烈,成本不断上升,公司决定进行全面预算管理,以提升企业效益。
目标:1.控制成本,提高利润率。
2.提高资金利用效率,降低资金占用成本。
3.加强对各项经营活动的监控,及时发现问题并采取措施。
措施:1.制定预算制度:公司成立预算管理小组,负责制定年度预算和季度预算。
预算包括收入预算、成本预算、投资预算和现金流量预算等。
2.预算编制:根据市场需求和公司发展策略,制定销售预算和生产预算,并将其分解为各个部门和岗位的细化预算。
3.预算执行:制定有效的绩效目标,并将其与员工的奖励和惩罚机制相结合,激励员工达成目标。
4.预算控制:对实际的经营活动进行监控,并与预算进行比对,及时发现偏差并采取措施进行调整。
5.预算审计:对预算执行情况进行定期审计,发现问题并提出改进意见。
效益:1.成本控制:通过预算管理,公司能够及时掌握成本情况,制定合理的成本控制措施,从而降低成本,提高利润率。
2.资金利用效率提升:预算管理通过对资金的计划和预测,能够有效降低资金占用成本,提高资金利用效率。
3.经营活动监控:通过预算管理,公司能够对各项经营活动进行有效的监控,及早发现问题并采取措施加以解决,从而提升经营效益。
4.绩效评估:通过预算管理,能够建立有效的绩效评估机制,激励员工积极工作,为公司的目标达成做出贡献。
案例二:农村全面预算管理促进乡村振兴背景:村位于农村地区,资源丰富,但发展落后。
为了推动乡村振兴,村委会决定引入全面预算管理机制,提高资金使用效益。
目标:1.制定合理的发展规划,提升村落经济发展水平。
2.加强对各项公共服务项目的管理,提升居民生活质量。
3.提高财务透明度,增强村民对村委会的信任感。
措施:1.制定村庄发展规划:根据村落资源和市场需求,制定村庄发展规划,确定重点发展项目和投资计划。
2.预算编制:根据发展规划,制定年度预算和季度预算,分解为各个项目和部门的细化预算。
全面预算案例案例:个人全面预算假设小明是一名在城市工作的年轻人,他想要制定一个全面的预算,以管理他的收入和开支,达到财务稳定的目标。
1. 收入:小明每月的工资为5000元,他还有一份兼职工作,每月收入为2000元。
2. 固定开支:房租:小明租房住,每月房租为1500元。
水电费:每月水电费用约200元。
交通费:小明每天乘坐公交车上班,每月交通费用为100元。
电话费:小明的手机套餐费用为50元。
健身房会员费:小明每月去健身房锻炼,会员费用为200元。
3. 变动开支:食品和日常生活用品:小明每月大约花费1000元。
交际费用:小明每月和朋友出去吃饭或娱乐,大约花费500元。
娱乐活动:小明每月参加一次电影或其他娱乐活动,大约花费200元。
医疗保险:小明为自己购买了医疗保险,每月保费为200元。
4. 储蓄目标:小明希望每个月能够储蓄500元作为紧急备用金。
基于以上信息,我们可以综合小明的收入和开支,制定一个全面的预算:收入:工资收入:5000元兼职收入:2000元总收入:7000元开支:固定开支:房租:1500元水电费:200元交通费:100元电话费:50元健身房会员费:200元固定开支总计:2050元变动开支:食品和日常生活用品:1000元交际费用:500元娱乐活动:200元医疗保险:200元变动开支总计:1900元储蓄目标:500元总开支:2050元(固定开支) + 1900元(变动开支) = 3950元总结:小明的收入为7000元,总开支为3950元,储蓄目标为500元。
在制定预算时,小明要确保他的开支不超过收入,并且能够实现预期的储蓄目标。
如果有剩余收入,他可以考虑增加储蓄金额或者用于投资或消费上。
如果开支超出收入,他可能需要重新评估他的预算,并寻找节省开支的方法。
全面预算案例
某公司为一般纳税人, 计划年度销售A产品, 有关资料如下:
1、本年末的简明资产负债表:
其中, 一件库存商品承担了20元的固定制造费用。
2、计划年度销售及结余情况如下:
A单价130元, 每季的商品销售在当季收到货款的占70%, 其余在下季收讫, 甲材料买价5.6元/千克, 乙材料买价10元/千克, 每季的购料款当季支付60%, 其余在下季支付。
3、费用情况: 生产一件产品需要耗用甲材料6千克, 乙材料4.2千克, 人工工作2小时。
另外, ( 1) 直接人工工资率5元/小时, 工人工资当季支付; ( 2) 车间全年预计折旧费120 000元( 直线法折旧) , 全年预计管理、保险、维护等其它付现固定制造费用116 700元, 变动制造费用分配率1.3元/小时。
( 3) 全年预计固定期间费用84 700元, 其中折旧费8000元, 摊销费2 000元, 单位变动期间费用1元/件。
4、公司其它现金收支情况
( 1) 一季度末支付上年应付所得税26 900元, 计划年度各季度末15日内预付当季所得税35 000元;
( 2) 年末资产负债表上的银行借款50 000元, 期限为6个月, 于计划年度的第一季度末到期, 利率5%, 本息一次性偿付。
( 3) 公司第二季度发放现金股利50000元, 对外投资40000元, 第三季度购买设备价款60000元。
5、公司要求的现金最低存量为10 000元, 不足能够1000元为单位向银行借款, 利率5%, 还款时付息( 假定所有借款季初发生, 所有还款季末发生) , 多余现金以1000元为单位购买有价证券, 年利率8%。
要求: ( 1) 根据上述资料, 编制销售预算、销售现金收入预算、生产预算、直接材料预算、直接人工预算、制造费用预算、产品成本预算、销售及管理费用预算、应交税金及附加预算
( 2) 编制专门决策预算、按季编制现金预算、预计年度利润表( 贡献式、传统式) 、预计年度资产负债表。
( 3) 解释传统式预计利润表与贡献式预计利润表之间的利润差额, 写出计算过程。
说明传统式预计利润表与预计年度资产负债表数据之间的勾稽关系
一、销售及销售现金收入预算
单位: 元
二、生产预算
单位: 件
三、直接材料用量预算
四、直接人工成本预算
五、采购现金支出预算
六、制造费用及制造费用现金支出预算
七、 A产品成本预算(完全成本法)。