2020年施工项目部标准化表格
- 格式:doc
- 大小:1.93 MB
- 文档页数:137
附件:
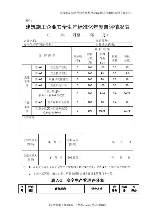
建筑施工企业安全生产标准化年度自评情况表(年月至年月)
企业名称:资质等级:
注:1、本表按《施工企业安全生产评价标准》JGJ/T77要求,把表A-1~5作为本表的附件。
2、本表一式两份,施工企业、所属市州住房城乡建设主管部门各一份。
表A-1 安全生产管理评分表
表A-2 安全技术管理评分表
评分员:年月日表A-3 设备和设施管理评分表
表A-4企业市场行为评分表
评分员:年月日表A-5施工现场安全管理评分表
评分员:年月日附录B 施工企业安全生产评价汇总表
评价类型:□市场准入□发生事故□不良业绩□资质评价□日常管理□年终评价□其他
企业名称:经济类型:。
建筑施工标准化项目部检查评分表表1建设项目:标段:项目部:
页脚内容
页脚内容
标准化项目部检查评分表表2
页脚内容
标准化项目部检查评分表表3
页脚内容
标准化项目部检查评分表表4
页脚内容
页脚内容
标准化项目部检查评分表
表
5
页脚内容
标准化项目部检查评分表
表
6
标准化项目部检查评分表表7
页脚内容
页脚内容
标准化项目部检查评分表表8
页脚内容
标准化项目部检查评分表表9
页脚内容
标准化项目部检查评分表表10
页脚内容
项目部负责人:检查组:检查日期:
页脚内容。
附件 1项目部驻地建设标准化评分表分部名称:年月日页脚内容页脚内容页脚内容页脚内容页脚内容页脚内容页脚内容页脚内容页脚内容考核单位:评价人:页脚内容页脚内容水泥混凝土拌合站标准化评分表分部名称:年月日页脚内容序号标准化分项标准化具体内容评分标准得分备注站内应设置工地试验室。
(3分)2 场地选址与布置(10分)2、拌和站大门位置必须布置绘制详细的现场布置图。
站内醒目位置应设置工程公示牌、施工平面布置图、安全生产牌、消防保卫牌、管理人员名单及监督电话牌、文明施工牌、7S宣传标识牌等明示标志。
拌和站出入口、拌和楼控制室应设置禁止、警告、指令标志。
(2分)未按要求设置现场布置图、工程公示牌、施工平面布置图、安全生产牌、消防保卫牌、管理人员名单及监督电话牌、文明施工牌、7S宣传标识牌等明示标志和出入口、拌和楼控制室禁止、警告、指令标志扣0.2分/处。
3、拌和站面积根据其规模确定,且必须满足材料存放和节间备料的需要,具体不小于下表。
(3分)4、合理布置拌和站搅拌机组、砂石料场、水泥库房、试验室(含标养室)、办公室以及职工宿舍等的平面位置。
拌和楼的办公区及生活区应同其他区用砖墙等隔离开。
拌和站必须设避雷针,数量满足覆盖整个搅拌站;同时设置不少于1处的安全标语,搅拌主机立柱粘贴反光纸。
(2分)拌和楼的办公区及生活区应同其他区未用砖墙等隔离开扣0.5分,未按要求设避雷针扣0.5分,未按要求设置安全标语、反光纸扣0.5分/处。
页脚内容页脚内容页脚内容页脚内容页脚内容页脚内容页脚内容页脚内容考核单位:评价人:页脚内容钢筋加工场标准化评分表分部名称:年月日序号标准化分项标准化具体内容评分标准得分备注1 布置原则(20分)1、每标段原则上设1个标准化钢筋加工厂,厂房高度不低于12m。
承包人钢筋加工厂厂房高度、面积达不到要求必须充分对本标段的钢筋需要作出准确预计,计算出本标段的钢筋加工棚面积,所有钢筋原材料、半成品、成品必须存放于加工厂内。
工程施工标准化评审表格是用来评估和监督工程施工过程中标准化实施情况的工具。
以下是一份工程施工标准化评审表格的示例,包括五个方面的评估内容:组织管理、工艺流程、质量控制、安全文明和环境保护。
一、组织管理1.1 项目管理组织机构设置是否完善,职责分工是否明确?1.2 工程进度计划是否合理,进度控制措施是否有效?1.3 人员培训和考核是否到位,施工队伍素质是否满足工程需求?1.4 工程质量管理体系是否健全,质量控制措施是否落实?1.5 施工现场管理是否有序,施工环境是否良好?二、工艺流程2.1 施工工艺是否符合设计和规范要求?2.2 施工操作是否规范,施工过程是否得到有效控制?2.3 施工过程中的各个环节是否衔接顺畅,是否存在窝工现象?2.4 施工设备是否合理配置,使用是否正常?2.5 施工材料是否合格,进场验收和质量检测是否到位?三、质量控制3.1 工程质量检测设备是否齐全,检测手段是否可靠?3.2 工程质量检测是否按照规定进行,检测结果是否真实有效?3.3 工程质量问题是否及时发现并得到妥善处理?3.4 工程质量验收是否严格,验收程序是否规范?3.5 工程质量记录是否完整,是否能够反映施工过程和质量状况?四、安全文明4.1 施工现场安全防护设施是否到位,安全隐患是否及时消除?4.2 施工人员是否佩戴安全帽、安全带等个人防护用品?4.3 施工现场是否实行封闭管理,无关人员是否严禁进入施工现场?4.4 施工现场卫生是否达标,生活设施是否齐全?4.5 文明施工措施是否落实,施工现场是否整洁有序?五、环境保护5.1 施工现场是否设置排水系统,防止水土流失措施是否有效?5.2 施工过程中是否采取降噪、防尘、防毒等措施,防止对周围环境造成污染?5.3 施工垃圾是否按照规定进行分类处理,是否做到日产日清?5.4 施工现场是否合理使用水资源,是否存在浪费现象?5.5 施工过程中是否遵守相关法律法规,是否存在违法行为?通过以上五个方面的评估,可以对工程施工标准化实施情况进行全面了解。
附件3:
标准化项目部检查评分表表1建设项目:标段:项目部:
标准化项目部检查评分表表2
2文档收集于互联网,已整理,word版本可编辑.
标准化项目部检查评分表表3
标准化项目部检查评分表表4 3文档收集于互联网,已整理,word版本可编辑.
标准化项目部检查评分表表5
4文档收集于互联网,已整理,word版本可编辑.
标准化项目部检查评分表表6
标准化项目部检查评分表表7
6文档收集于互联网,已整理,word版本可编辑.
标准化项目部检查评分表表8
7文档收集于互联网,已整理,word版本可编辑.
标准化项目部检查评分表表9
8文档收集于互联网,已整理,word版本可编辑.
标准化项目部检查评分表
表10
9文档收集于互联网,已整理,word版本可编辑.
项目部负责人:检查组:检查日期:
10文档收集于互联网,已整理,word版本可编辑.。
此表格汇总为参考性材料,各单位应结合本单位实际来调整,以达到实用性、针对性的目的。
标注为黄色的可供申请二级标准化的企业参考。
前言为了使《安全标准化制度汇编》在生产运行中得到有效落实,根据管理职能和制度要求,对现有标准化系统的记录表格及台账进行了归纳整理,规范了标准化支撑材料体系中的表格记录格式及台账,形成了《安全标准化记录表格及台账汇编》。
各车间、科室均可根据管理情况选用相对应的记录材料,为能够准确指导我公司实际工作,对在使用过程中的问题,各车间、科室应及时反馈,并作为下一步更新和修订时的依据。
该安全标准化记录仅为样式,各车间、科室在填写时可根据填写内容多少设置版面。
填写要求:1)填写人必须按照表格各栏规定的要求填写内容;2)打印时采用A4纸面,手写时采用碳素笔填写,保证字迹清晰,成册的记录禁止撕页、随意涂改,并保持记录本整洁;3)部门和人员签字处必须盖本部门印章和本人签字。
安全标准化记录由我公司安全科负责组织编制,公司属各科室、车间根据管理职能和制度要求,对现有系统的记录进行了归纳整理和补充完善,由安全标准化系统管理者代表审核,最后由法人批准发布。
标准化记录的管理工作参照《安全文件与资料的识别与控制制度》。
安全标准化记录的解释权归公司安全科。
更改记录编号:BZH-REF-01-01 安全生产方针征集表司安全生产方针的征集;3.要求:公司根据每年调查结果调整的方针内容,各车间、科室按照要求和时限填写完成后,报安全科存档;4.保存期限一年。
安全标准化办公室编号:BZH-REF-01-02 安全生产目标与指标讨论调查表*****公司安全生产目标和指标的制定和分配;3.要求:各车间、科室按照要求和时限填写完成后,报安全科存档;4.保存期限一年。
安全标准化办公室编号:BZH-REF-01-03安全生产目标和指标自评表说明1.支撑对象:*****公司《安全生产目标管理制度》;2.适用范围:*****公司各车间、科室安全生产目标的自评;3.要求:各车间、科室根据分配的各项安全生产目标与指标进行自评,每月26日前将自评结果报安全科;4.保存期限一年。
工地标准化建设常用记录表格1.1 《监理驻地建设检查表》1.2 《项目经理部驻地建设检查表》1.3《试验室建设检查表》1.4 《钢筋加工场建设检查表》1.5 《拌合站建设检查表》1.6 《预制场建设检查表》1.7 《小型构件预制场建设检查表》1.8 《库房建设检查表》1.9 《施工便道便桥建设检查表》监理驻地建设检查表安徽省项目监理单位:编号:监理驻地建设检查表序号检查项目检查内容监理单位自检情况项目办检查情况1机构设置1 按照规定设置相应的监理机构;2 总监办设置相应职能部门;3 总监办和监理组独立设置。
2 驻地建设1 驻地建设满足程序要求;2 监理驻地选址符合要求;3 监理驻地用房及用房面积满足要求;4区内场地合理规划,并做硬化处理、整平;5 办公条件满足办公规范化、信息化的要求,具备网络通信条件;6 生活饮用水符合生活饮用水卫生标准;7 生活污水排放符合要求,生活垃圾有专人处理;8 消防设施、消防器材的配置及管理符合要求。
3 资质持证1参与建设施工的监理人员符合合同文件的要求;2 监理人员具有相应的资格证书。
4 标识标牌1 办公区醒目位置处标识标牌建设满足要求;2 会议室内标识标牌建设满足要求;3 各职能部门办公室内标识标牌建设满足要求。
监理单位意见:年月日(盖章)项目办意见:年月日(盖章)项目经理部驻地建设检查表安徽省项目施工单位:合同段:监理单位:编号:项目经理部驻地建设检查表序号检查项目检查内容施工单位自检情况监理单位初检情况项目办检查情况1 机构设置项目经理部设置相应的职能部门。
2 驻地建设1 驻地建设满足程序要求;2 项目经理部驻地选址符合要求;3 项目经理部驻地用房采用封闭式、独立管理,办公、生活区设施及用房面积满足要求;4区内场地合理规划,并做整平、硬化处理;5 办公条件满足办公规范化、信息化的要求,具备网络通信条件;6生活饮用水符合生活饮用水卫生标准;7生活、生产污水排放符合要求,生活、生产垃圾有专人处理;8消防设施,消防器材的设置及管理符合要求;9项目经理部区域内排水、绿化符合要求。
(建筑工程管理)施工表格规范施工阶段监理工作用表A类表(工程监理单位用表)A.0.1总监理工程师任命书A.0.2工程开工令A.0.3监理通知A.0.4监理报告A.0.5工程暂停令A.0.6旁站记录A.0.7工程复工令A.0.8工程支付证书B类表(施工单位报审、报验用表)B.0.1施工组织设计/(专项)施工方案报审表B.0.2工程开工报审表B.0.3工程复工报审表B.0.4分包单位资格报审表B.0.5施工控制测量成果报验表B.0.6工程材料、构配件、设备报审表B.0.7 _____报审、报验表B.0.8 分部工程报验表B.0.9监理通知回复单B.0.10单位工程竣工验收报验表B.0.11工程款支付报审表B.0.12施工进度计划报审表B.0.13费用索赔报审表表B.0.14工程临时/最终延期报审表C类表(通用表)C.0.1工作联系单C.0.2工程变更单C.0.3索赔意向通知书D类表(其他用表)D.0.1第一次工地会议纪要D.0.2工地例会D.0.3专题会议D.0.4监理建议D.0.5监理日志GB/T50319-2013总监理工程师任命书A.0.1工程名称:编号:GB/T50319-2013 工程开工令A.0.2工程名称:编号:GB/T50319-2013 监理通知单A.0.3工程名称:编号:GB/T50319-2013 监理报告A.0.4工程名称:编号:GB/T50319-2013 工程暂停令A.0.5工程名称:编号:GB/T50319-2013 旁站记录A.0.6工程名称:编号:GB/T50319-2013 工程复工令A.0.7工程名称:编号:GB/T50319-2013 工程款支付证书A.0.8工程名称:编号:道路封闭施工及交通绕行方案报审表B.0.1工程名称:庐江县军二东路拓宽改造工程编号:01GB/T50319-2013 工程开工报审表B.0.2工程名称:编号:GB/T50319-2013 工程复工报审表B.0.3工程名称:编号:GB/T50319-2013 分包单位资格报审表B.0.4工程名称:编号:注:本表一式三份,项目监理机构、建设单位、施工单位各一份。
附录C标准化管理模板C.1 施工项目部设置部分SSZB1:施工项目部组织机构成立通知关于成立工程施工项目部的通知各有关单位、部门:为确保工程的顺利完成,按照基建标准化管理的相关要求,成立工程施工项目部,履行项目管理职责。
其人员组成如下:项目经理:项目副经理:项目总工:项目安全员:项目质检员:项目技术员:项目造价员:项目部资料信息员:材料员:综合管理员:特此通知施工单位(章):年月日注施工项目部组织结构应发文以文件形式成立,本模板为推荐格式。
C.2 项目管理部分SXMB1:施工项目部主要管理人员资格报审表施工项目部主要管理人员资格报审表工程名称:编号:SXMB1-SG××-×××注本表一式份,由施工项目部填报,业主项目部、监理项目部各一份,施工项目部存份。
填写、使用说明(1)主要施工管理人员包括:项目经理、总工、专职质检员、专职安全员等。
(2)按有关规定,项目经理、项目总工、专职质检员、专职安全员必须经过相关培训,持证上岗。
(3)施工项目部应对其报审的复印件进行确认,并注明原件存放处。
(4)监理项目部审查要点:1)主要施工管理人员是否与投标文件一致。
2)人员数量是否满足工程施工管理需要。
3)更换项目经理是否经建设管理单位书面同意。
4)应持证上岗的人员所持证件是否有效。
SXMB2*:项目管理实施规划报审表项目管理实施规划报审表工程名称:编号:SXMB2-SG××-×××注本表一式份,由施工项目部填报,业主项目部、监理项目部各一份,施工项目部存份。
填写、使用说明(1)项目管理实施规划(施工组织设计)应由项目经理组织编制,施工单位相关职能管理部门审核,施工企业技术负责人批准。
文件封面的落款为施工单位名称,并加盖施工单位章。
(2)监理项目部应从文件的内容是否完整,施工进度计划是否满足合同工期,是否能够保证施工的连续性、紧凑性、均衡性;总体施工方案在技术上是否可行,经济上是否合理,施工工艺是否先进,能否满足施工进度计划要求,安全文明施工、环保措施是否得当;施工现场平面布置是否合理,是否符合工程安全文明施工总体策划,是否与施工进度计划相适应、是否考虑了施工机具、材料、设备之间在空间和时间上的协调;资源供应计划是否与施工进度计划和施工方案相一致等方面进行审查,提出监理意见。
(3)该报审资料上传基建管理信息系统。
附件:工程项目管理实施规划/施工组织设计施工单位(章)年月日批准:(企业技术负责人)年月日审核:(企业安全管理部门)年月日(企业质量管理部门)年月日(企业技术管理部门)年月日编写:(项目经理)年月日(主要编写人员)年月日目次(不限于)1编制依据2工程概况与工程实施条件分析2.1工程概述(工程量、建设单位、设计单位、监理单位和工期要求等)2.2工程设计特点、工程量2.3施工实施条件及自然环境分析3项目施工管理组织结构3.1项目管理组织结构3.2项目管理职责3.3工程主要负责人简介4工期目标和施工进度计划4.1工期目标及分解4.2施工进度计划及编制说明4.3进度计划图表4.4进度计划风险分析及控制措施5质量管理体系5.1质量目标及分解5.2质量管理组织机构5.3质量管理主要职责5.4质量控制措施5.5质量薄弱环节及预防措施6安全管理体系6.1安全目标及分解6.2安全管理组织机构6.3安全管理主要职责6.4安全控制措施6.5危险点、薄弱环节分析预测及预防措施7环境保护与文明施工体系7.1施工引起的环保问题及保护措施7.2文明施工的目标、组织结构和实施方案8工地管理和施工平面布置8.1 施工现场总体平面布置8.2 施工现场临时用电、临时用水总体布置8.3 施工现场消防总体布置8.4工地管理方案与制度9施工方法与资源需求计划9.1劳动力需求计划及计划投入的施工队伍9.2施工方法及主施工机具选择9.3施工机具需求计划9.4材料、消耗材料需求计划9.5资金需求计划10施工管理与协调10.1技术管理及要求10.2物资管理及要求10.3资金管理及要求10.4作业队伍及管理人员管理及要求10.5协调工作(参建方、外部)10.6分包计划与分包管理10.7计划、统计和信息管理10.8资料管理11标准工艺施工11.1标准工艺实施目标及要求11.2标准工艺及技术控制措施11.3工艺标准、施工要点及实施效果11.4标准工艺成品保护措施12创优策划12.1施工创优目标12.2施工创优管理措施13施工新技术应用13.1采用新设备13.2采用新工艺13.3采用新材料14主要技术经济指标14.1项目技术经济指标14.2降低成本计划与措施SXMB3*:施工强制性条文执行计划报审表施工强制性条文执行计划报审表工程名称:编号:SXMB3-SG××-×××注本表一式份,由施工项目部填报,业主项目部、监理项目部各一份,施工项目部存份。
填写、使用说明(1)强制性条文实施计划应由施工项目部组织编制,施工单位管理部门审核,施工单位分管领导批准。
文件的编审批程序应符合施工单位的体系文件规定,文件封面的落款为施工单位名称,并加盖施工单位章。
(2)监理项目部、业主项目部应从文件的内容是否完整等方面进行审查,提出意见。
(3)该报审资料上传基建管理信息系统。
附件:工程施工强制性条文执行计划施工单位(章)年月日批准:(企业分管领导)年月日审核:(企业安全管理部门)年月日(企业质量管理部门)年月日(企业技术管理部门)年月日编写:(项目总工)年月日年月日为贯彻落实《国家电网公司基建质量管理规定》的要求,强化电力建设贯彻执行国家质量安全法律法规和强制性技术标准力度,确保电力建设工程质量安全,编制强制性条文实施计划应包括如下部分:1工程概况2编制目的3编制依据4强制性条文实施组织机构5强制性条文实施措施附表:A施工强制性条文执行计划表B施工强制性条文执行记录表SXMB4:施工进度计划报审表施工进度计划报审表工程名称:编号:SXMB4-SG××-×××注本表一式份,由施工项目部填报,业主项目部、监理项目部各一份,施工项目部存份。
SXMB5:施工进度调整计划报审表施工进度调整计划报审表工程名称:编号:SXMB5-SG××-×××注本表一式份,由施工项目部填报,业主项目部、监理项目部各一份,施工项目部存份。
SXMB6*:施工月报施工月报工程名称________ 月次________ 月报开始时间________ 结束时间________ 施工单位________ 工程基本信息工程各阶段工作重心比例本月工程进度情况下月工程进度情况本月安全情况及其下月重点工作计划风险作业列表本月质量情况及其下月重点工作计划物资管理情况遗留的困难和问题及其相应对策注 1. 本报表在每月23日前报送监理项目部和业主项目部。
2. 该报审资料上传基建管理信息系统。
SXMB7*:工程开工报审表工程开工报审表(220千伏及以上工程)工程名称:编号:SXMB7-SG××-×××注本表一式份,由施工项目部填报,业主项目部、监理项目部各一份,施工项目部份。
填写、使用说明(1)监理部审查确认后在框内打“√”。
(2)业主项目部审查确认后在“□工程已经核准”打“√”。
监理项目部审查要点:1)工程各项开工准备是否充分。
2)相关的报审是否已全部完成,未核准项目原则上不允许开工。
3)是否具备开工条件。
(3)该报审资料上传基建管理信息系统。
工程开工报审表(110kV及以下工程)工程名称:编号:SXMB7-SG××-×××注本表一式份,由施工项目部填报,业主项目部、监理项目部各一份,施工项目部份。
填写、使用说明(1)监理部审查确认后在框内打“√”。
(2)业主项目部审查确认后在“□工程已经核准”打“√”。
监理项目部审查要点:1)工程各项开工准备是否充分。
2)相关的报审是否已全部完成,未核准项目原则上不允许开工。
3)是否具备开工条件。
(3)该报审资料上传基建管理信息系统。
SXMB8*:单位(分部)工程开工报审表单位(分部)工程开工报审表工程名称:编号:SXMB8-SG××-×××注本表一式份,由施工项目部填报,业主项目部、监理项目部各一份、施工项目部存份。
填写、使用说明(1)实际使用时,应根据分部(单位)工程的特点,对开工条件的内容进行增删。
(2)专业监理工程师审查确认后在框内打“√”。
(3)专业监理工程师审查要点:1)该分部工程各项开工准备是否充分。
2)相关的报审是否已全部完成。
3)是否具备开工条件。
(4)总监理工程师填写审批意见。
(5)该报审资料上传基建管理信息系统。
SXMB9:工程复工申请表工程复工申请表工程名称:编号:SXMB9-SG××-×××注本表一式份,由施工项目部填报,业主项目部、监理项目部各一份,施工项目部存份。
填写、使用说明(1)施工项目部在接到《工程暂停令》后,针对监理部指出的问题,采用整改措施,整改完毕,就整改结果逐项进行自查,并应写出自查报告,报监理项目部。
(2)监理项目部审查要点:1)整改措施是否有效。
2)停工因素是否已全部消除。
3)是否具备复工条件。
(3)本文件必须由总监理工程师签字。
SXMB10:工作联系单工作联系单工程名称:编号:SXMB10-SG××-×××注本表一式份,由施工项目部填写,业主项目部、监理项目部各存一份,施工项目部存份。
SXMB11:会议纪要(附件:签到表)会议纪要编号:SXMB11-SG××-×××工程名称:签发:附件:会议签到表SXMB12:文件收发记录表文件收发记录表工程名称:编号:SXMB12-SG××-×××注本表一式一份,由文件发放部门保存。
SXMB13:通用报审表报审表工程名称:编号:SXMB13-SG××-×××注本表一式份,由施工项目部填报,业主项目部、监理项目部各一份,施工项目部存份。
填写、使用说明(1)此报验申请表为通用表,用于本模板中未包含的施工项目部其他工作的报审。
(2)使用过程中,表号不变(即使是不同性质工作的报验),同一施工项目部按使用次序统一编流水号。
(3)如果该项工作还需要报业主项目部审批,则参照其他表式增加“业主项目部审批意见”栏。