电脑主板上电子元器件基础知识大全
- 格式:docx
- 大小:17.65 KB
- 文档页数:3
电子元器件基本知识点总结一、电子元器件的基本分类电子元器件可以按照其功能和特点进行不同的分类。
一般来说,电子元器件主要分为被动元器件和主动元器件两类。
1. 被动元器件被动元器件是指不具有放大或控制功能的电子元器件,只能随着电路中电压和电流的变化而改变其自身特性。
被动元器件主要包括电阻、电容、电感、电子管、光电器件、磁性元器件等。
被动元器件在电路中主要用于调节电压、电流、频率等参数。
2. 主动元器件主动元器件是指具有放大或控制功能的电子元器件,能够对电路中的信号进行放大、调制或控制。
主动元器件主要包括晶体管、集成电路、光电器件、光电子器件、发光器件等。
主动元器件在电路中主要用于放大信号、控制电路、调制信号等功能。
二、常见电子元器件的特性和应用1. 电阻电阻是指在电路中对电流的阻碍作用,其单位是欧姆(Ω)。
电阻的主要作用是限制电路的电流,起到稳定电路、保护元器件的作用。
电阻的种类有固定电阻和可变电阻,常见的电阻有碳膜电阻、金属膜电阻、电位器等。
电阻在电子电路中广泛应用于电流限制、电压分压、信号调节等方面。
2. 电容电容是指具有存储电荷和存储能量的元器件,其单位是法拉(F)。
电容主要作用是存储电荷、稳压、滤波等。
电容的种类有电解电容、陶瓷电容、多层陶瓷电容等,常见的电容有贴片电容、铝电解电容、片式电容等。
电容在电子电路中广泛应用于信号耦合、滤波、稳压等方面。
3. 电感电感是指具有产生感应电动势和存储能量的元器件,其单位是亨利(H)。
电感主要作用是储能、滤波和谐振等。
电感的种类有铁芯电感、无铁芯电感、射频电感等,常见的电感有铁氧体电感、高频电感等。
电感在电子电路中广泛应用于滤波、谐振、储能等方面。
4. 晶体管晶体管是一种主动元器件,其主要作用是放大、开关和调制信号。
晶体管的种类有普通晶体管、场效应晶体管、双极型晶体管等,常见的晶体管有三极管、场效应晶体管等。
晶体管在电子电路中广泛应用于放大信号、开关控制等方面。
13.主板主要元器件详解电阻器电阻器是电路元器件中应用最广泛的一种.在主板电路中约占元器件总数的30%.其质量的好坏对电路的稳定性有极大影响要用来稳定和调节电路中的电流和电压,即起降压。
分压,限流.分流,隔离.过滤,与电容器配合,匹配和信号幅度调节等作用.电阻器用‘R’.’RN。
.‘PF’.‘FS。
等表示.如图2一15所示为主板中常见的电阻器.1.电阻器的分类若根据电阻船的工作特性及在电路中的作用来分.可分为固定电阻船和可变电阻器两大类。
阻值固定不变的电阻嚣称为固定电定电阻嚣的种类比较多.主要有碳质电阻器.碳虞电阻器.金属膜电阻器.线绕电艟器菩:阻值在一定范围内连续可调的电阻器变电阻酪一般为两端可调.电位器一般为三端可调.如盟2-16所乖为电阻器的符号.若按电阻器的外观形状来分.一般分为圆柱形电阻器,钮扣电阻器和贴片电阻器等,如图2-17所示为圆柱形电阻器和贴片电阻嚣的外形,若按电阻器的制作材料来分+可分为线绕电阻舞.膜式电阻器、碳质电阻器等.若按电阻器的-用途分.可分为精密电阻器.高频电阻器.高压电阻器.大功率电阻器.热敏电阻器.熔断电阻矗等.若按电阻嚣的引出线来分.可分为轴向引线电阻器.无引线电阻器.常见电阻器有以下几种.1 碳膜电阻器碳膜电阻器是使用最早.最广泛的电阻器.如图2-18所示.它由碳沉积在瓷质基体上制成.通过改变碳膜的厚度或长度.可以得到币同的阻值.其主要特点是耐高温.当环境温度升高后.与其他电阻器相比+其阻值变化很小.高频特性好,精度高.常在精密仪表等高档设备中使用.2 金属膜电阻器金属膜电阻器是在真空条件下.在瓷质基体上沉积一层台金粉制成.通过改壹金属腆的厚度或长度可得到不同的阻值.金属膜电阻器的主要特点是精度比较高.稳定1生好.噪声,温度系数小.但金属膜电阻器由于结构不均匀.因此脉冲负载能力差.3 线绕电阻器线绕电阻器是用康铜丝或锰铜丝缠绕在绝缘骨架上制成.它有很多优点.如耐高温.硝度高,功率太等.但其调频特性差.这主要是由于其分布电感较大.线绕电阻器在低频的精密仪表中应用广泛.4 保险电阻器保险电阻器具有双重功能.在正常情况下具有晋通电阻器的电气特性.一旦电路中电压升高.电流增大或幕个元矗件损坏.保险电阻嚣就会在规定的时间内培断.从而达到保护其他元器件的目的.保险电阻嚣用。
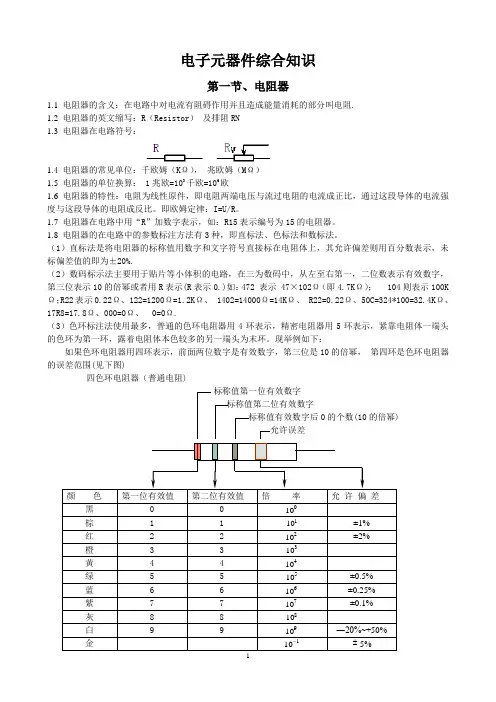
电子元器件综合知识第一节、电阻器1.1电阻器的含义:在电路中对电流有阻碍作用并且造成能量消耗的部分叫电阻.1.2电阻器的英文缩写:R(Resistor)及排阻RN1.3电阻器在电路符号:1.4 电阻器的常见单位:千欧姆(KΩ),兆欧姆(MΩ)1.5电阻器的单位换算: 1兆欧=103千欧=106欧1.6电阻器的特性:电阻为线性原件,即电阻两端电压与流过电阻的电流成正比,通过这段导体的电流强度与这段导体的电阻成反比。
即欧姆定律:I=U/R。
1.7电阻器在电路中用“R”加数字表示,如:R15表示编号为15的电阻器。
1.8电阻器的在电路中的参数标注方法有3种,即直标法、色标法和数标法。
(1)直标法是将电阻器的标称值用数字和文字符号直接标在电阻体上,其允许偏差则用百分数表示,未标偏差值的即为±20%.(2)数码标示法主要用于贴片等小体积的电路,在三为数码中,从左至右第一,二位数表示有效数字,第三位表示10的倍幂或者用R表示(R表示0.)如:472 表示 47×102Ω(即4.7KΩ); 104则表示100K Ω;R22表示0.22Ω、 122=1200Ω=1.2KΩ、 1402=14000Ω=14KΩ、 R22=0.22Ω、 50C=324*100=32.4KΩ、17R8=17.8Ω、000=0Ω、 0=0Ω.(3)色环标注法使用最多,普通的色环电阻器用4环表示,精密电阻器用5环表示,紧靠电阻体一端头的色环为第一环,露着电阻体本色较多的另一端头为末环。
现举例如下:如果色环电阻器用四环表示,前面两位数字是有效数字,第三位是10的倍幂,第四环是色环电阻器的误差范围(见下图)四色环电阻器(普通电阻)标称值第一位有效数字标称值第二位有效数字标称值有效数字后0的个数(10的倍幂)允许误差差范围。
(见下图)五色环电阻器(精密电阻)(4)SMT精密电阻的表示法,通常也是用3位标示。
一般是2位数字和1位字母表示,两个数字是有效数1.9 SMT电阻的尺寸表示:用长和宽表示(如0201,0603,0805,1206等,具体如02表示长为0.02英寸宽为0.01英寸)。
1讲电脑主板电子原件介绍电脑主板是电子设备中最重要的一个部件,它起着连接各个硬件设备和提供电源与信号传输的作用。
它由多个电子原件组成,这些原件共同协调运作,使电脑系统能够正常工作。
接下来,我将介绍一些常见的电脑主板电子原件。
1.CPU插槽:CPU插槽是主板上用于安装CPU的接口,不同的主板会有不同的插槽类型,以适应不同类型的CPU。
这个插槽通常由针脚和卡槽组成,确保CPU与主板之间的稳定连接。
CPU插槽还负责传输电源和数据信号。
2.内存插槽:内存插槽是主板上用于安装内存条的接口。
它通常有多个插槽,以支持多条内存的安装。
内存插槽可以是DIMM(双列接插模块)或者是SODIMM(小型双列接插型模块)类型。
内存插槽也负责传输电源和数据信号。
3.显卡插槽:显卡插槽被用来插入显卡,用于处理图形和视频信号。
显卡插槽通常是PCI Express x16插槽,可以传输高速数据和电源供应。
它们还可以支持多个显卡进行交叉配置,以提供更好的图形性能。
4.扩展插槽:扩展插槽用于安装其他扩展卡,如声卡、网卡、USB插槽等。
常见的扩展插槽类型有PCI、PCI Express和AGP。
这些插槽提供了额外的接口和功能,以满足用户个性化需求。
5.BIOS芯片:BIOS芯片是一块存储芯片,主板上的BIOS程序存储在其中。
BIOS (基本输入输出系统)是用于启动计算机和初始化硬件的固件。
当计算机启动时,BIOS芯片将读取并执行存储在其中的代码,以确保计算机的正常运行。
近代的主板上也有UEFI固件取代传统的BIOS。
6.南北桥芯片:南北桥芯片是主板上的两个重要芯片组,分别用于处理不同的功能。
北桥芯片负责与CPU和内存进行通信,而南桥芯片则负责与其他硬件设备进行通信,例如USB接口、SATA接口、以太网接口等。
这些芯片组起到了桥梁的作用,协调数据传输和控制信号流动。
7.电源插口:电源插口用于连接电源线,向主板和其他硬件组件提供电力所需。
电脑元件知识点总结大全作为现代人日常生活中必不可少的工具,电脑在信息传递、娱乐媒体、办公处理等各个领域都扮演着重要的角色。
电脑的核心部件就是各种电脑元件,这些元件通常由硬件和软件两部分组成,包括了 CPU、内存、主板、硬盘、显卡、声卡、显示器等。
下面我们就来详细了解一下这些电脑元件的知识点。
一、CPUCPU,即中央处理器,是电脑的核心部件之一,类似于人的大脑,起着指挥和控制整个系统运转的作用。
CPU 的主要性能指标包括核心数、频率、缓存和制作工艺。
不同的CPU可以根据需求选择不同的处理器,从而满足不同的使用需求。
目前市场上比较主流的CPU有Intel和AMD,分别对应不同的处理器架构和性能。
二、内存内存是电脑用来存储和读取数据的临时存储器,也被称为RAM。
内存的大小决定了电脑能够同时运行的程序数量和数据处理能力。
目前常见的内存种类包括 DDR3、DDR4 等,它们的频率和延迟也是影响内存性能的重要指标。
在选择内存时需要考虑电脑主板的兼容性以及自己的使用需求,比如是专业的图形处理还是日常办公。
三、主板主板是电脑中最关键的一块电路板,它连接了各种硬件设备和电脑元件,起到了电气信号传输的作用。
主板的性能和稳定性对电脑整体性能有着直接的影响,因此在选择主板时需要考虑芯片组、插槽数量、扩展性以及接口类型等方面的因素。
四、显卡显卡是电脑中用来处理图像和视频的特定硬件设备,它可以加速图形处理和视频渲染的速度,提高游戏和视频编辑的效率。
显卡的性能主要取决于显存大小、核心频率和显存频率,而不同的显卡适用于不同类型的电脑用户,如专业游戏玩家、影视制作人员等。
五、硬盘硬盘是用来存储电脑系统和数据的设备,目前常见的硬盘类型包括固态硬盘和机械硬盘。
固态硬盘因为其读写速度快和稳定性高,已经成为了大部分电脑用户的首选。
在选择硬盘时需要考虑容量、读写速度、接口类型等因素,并根据不同的使用需求做出合适选择。
六、声卡声卡是电脑中用来处理声音的重要设备,它通过音频输入和输出,可以实现音乐、视频和游戏的声音效果。
电脑主板基本元器件的介绍主板基本元器件的介绍摘要本着大家共同提高看电路图的基本知识,现将电路中常见的原器件的原理并结合实际的电路图加以解释,达到理论结合实际的目的。
该文没有涉及到复杂的计算公式,详细的理论,只是一些基本知识的总结和概述。
关键词,电阻,电容,电感,二极管,三极管,MOS管第一章,电阻概述,电阻总体可以分做两类,线性电阻和非线性电阻。
该片文章中所提到的电阻均是贴片电阻。
1:线性电阻部分,1.1:定义:电阻两端的电压与通过它的电流成正比,其伏安特性曲线为直线这类电阻,称为线性电阻1.2:线性电阻(单个电阻)的种类:1. 5%精度的命名:RS-05K102JT2.1,精度的命名:RS-05K1002FTR----代表电阻S----代表功率05---代表英寸,05 ,表示尺寸(英寸):02表示0402、03表示0603、05表示0805、06表示1206、1210表示1210、1812表示1812、10表示1210、12表示2512。
K---表示温度系数为100PPM102,5,精度阻值表示法:前两位表示有效数字,第三位表示有多少个零,基本单位是Ω,102,10000Ω,1KΩ。
1002是1,阻值表示法:前三位表示有效数字,第四位表示有多少个零,基本单位是Ω,1002,100000Ω,10KΩ。
J---表示精度为5,、F,表示精度为1,。
T---表示编带包装常见的贴片电阻有,以下是按贴片电阻的大小划分)0402,0603,0805,1206,1210,1812,2010,25121.3:线性电阻(排阻)种类:一般有2两种A型排阻的引脚总是奇数的,它的左端有一个公共端(用白色的圆点表示) B型排阻的引脚总是偶数的。
它没有公共端实际在电路中用到的基本上是B型排阻。
RN(resistor network)的测量方法:如下图所示,只要测量pin1 and pin2的阻值即可怎么看排阻的大小:前2位是有效数字,后面一位是10的几次幂比如:102=1000ohm,822=8200ohm1.4:线性电阻的作用:线性电阻的总体作用可以概述为:限流与降压具体在电路中的应用有:1. 在集成电路应用中有许多输入脚没有用到,需要预置一个电平值,使其稳定工作,值1就用一个电阻接高电平,叫做上拉电阻;值0就用一个电阻接地,叫下拉电阻.上拉电阻:上拉就是将不确定的信号通过一个电阻嵌位在高电平~电阻同时起限流作用~下拉电阻:上拉就是将不确定的信号通过一个电阻嵌位在低电平~电阻同时起限流作用~2.在clock信号中增加电阻的作用:这个电阻的作用是减少信号的震荡,提高噪声裕量,但不用这个电阻一般也能工作.3.普通的分压作用4.普通的限流作用5.0ohm电阻的作用:5.1:跳线使用,美观整洁5.2:数字和模拟混合电路,要求2个地分开,有利于大面积铺铜。
主板基本元器件的介绍关键词:电阻,电容,电感,二极管,三极管,MOS管第一章:电阻概述:电阻总体可以分做两类:线性电阻和非线性电阻。
该片文章中所提到的电阻均是贴片电阻。
线性电阻部分:1:1:线性电阻部分:1.1:定义:电阻两端的电压与通过它的电流成正比,其伏安特性曲线为直线这类电阻,称为线性电阻1.2:线性电阻(单个电阻)的种类:1.5%精度的命名:RS-05K102JT2.1%精度的命名:RS-05K1002FTR----代表电阻S----代表功率05---代表英寸,05-表示尺寸(英寸):02表示0402、03表示0603、05表示0805、06表示1206、1210表示1210、1812表示1812、10表示1210、12表示2512。
K---表示温度系数为100PPM102-5%精度阻值表示法:前两位表示有效数字,第三位表示有多少个零,基本单位是Ω,102=10000Ω=1KΩ。
1002是1%阻值表示法:前三位表示有效数字,第四位表示有多少个零,基本单位是Ω,1002=100000Ω=10KΩ。
J---表示精度为5%、F-表示精度为1%。
T---表示编带包装常见的贴片电阻有(以下是按贴片电阻的大小划分)0402,0603,0805,1206,1210,1812,2010,2512 1.3:线性电阻(排阻)种类:一般有2两种A型排阻的引脚总是奇数的,它的左端有一个公共端(用白色的圆点表示)B型排阻的引脚总是偶数的。
它没有公共端实际在电路中用到的基本上是B型排阻。
RN(resistor network)的测量方法:如下图所示,只要测量pin1and pin2的阻值即可怎么看排阻的大小:前2位是有效数字,后面一位是10的几次幂比如:102=1000ohm,822=8200ohm1.4:线性电阻的作用:线性电阻的总体作用可以概述为:限流与降压具体在电路中的应用有:1.在集成电路应用中有许多输入脚没有用到,需要预置一个电平值,使其稳定工作,值1就用一个电阻接高电平,叫做上拉电阻;值0就用一个电阻接地,叫下拉电阻.上拉电阻:上拉就是将不确定的信号通过一个电阻嵌位在高电平!电阻同时起限流作用!下拉电阻:上拉就是将不确定的信号通过一个电阻嵌位在低电平!电阻同时起限流作用!2.在clock信号中增加电阻的作用:这个电阻的作用是减少信号的震荡,提高噪声裕量,但不用这个电阻一般也能工作.3.普通的分压作用4.普通的限流作用5.0ohm电阻的作用:5.1:跳线使用,美观整洁5.2:数字和模拟混合电路,要求2个地分开,有利于大面积铺铜。
电子元器件基础知识电子元器件基础知识(1)——电阻导电体对电流的阻碍作用称为电阻,用符号R表示,单位为欧姆、千欧、兆欧,分别用Ω、KΩ、MΩ表示。
一、电阻的型号命名方法:国产电阻器的型号由四部分组成(不适用敏感电阻)第一部分:主称,用字母表示,表示产品的名字。
如R表示电阻,W表示电位器。
第二部分:材料,用字母表示,表示电阻体用什么材料组成,T-碳膜、H-合成碳膜、S-有机实心、N-无机实心、J-金属膜、Y-氮化膜、C-沉积膜、I-玻璃釉膜、X-线绕。
第三部分:分类,一般用数字表示,个别类型用字母表示,表示产品属于什么类型。
1-普通、2-普通、3-超高频、4-高阻、5-高温、6-精密、7-精密、8-高压、9-特殊、G-高功率、T-可调。
第四部分:序号,用数字表示,表示同类产品中不同品种,以区分产品的外型尺寸和性能指标等例如:R T 1 1 型普通碳膜电阻二、电阻器的分类1、线绕电阻器:通用线绕电阻器、精密线绕电阻器、大功率线绕电阻器、高频线绕电阻器。
2、薄膜电阻器:碳膜电阻器、合成碳膜电阻器、金属膜电阻器、金属氧化膜电阻器、化学沉积膜电阻器、玻璃釉膜电阻器、金属氮化膜电阻器。
3、实心电阻器:无机合成实心碳质电阻器、有机合成实心碳质电阻器。
4、敏感电阻器:压敏电阻器、热敏电阻器、光敏电阻器、力敏电阻器、气敏电阻器、湿敏电阻器。
三、主要特性参数1、标称阻值:电阻器上面所标示的阻值。
2、允许误差:标称阻值与实际阻值的差值跟标称阻值之比的百分数称阻值偏差,它表示电阻器的精度。
允许误差与精度等级对应关系如下:±0.5%-0.05、±1%-0.1(或00)、±2%-0.2(或0)、±5%-Ⅰ级、±10%-Ⅱ级、±20%-Ⅲ级3、额定功率:在正常的大气压力90-106.6KPa及环境温度为-55℃~+70℃的条件下,电阻器长期工作所允许耗散的最大功率。
1.主板上的英文字母都代表什么1.L----电感.电感线圈2.C----电容.3.BC---贴片电容4.R----电阻5.9231 芯片-----脉宽6.74 门电路-----它在主板南桥旁边7.PQ----场效应管8.VT 、Q、V----三级管9.VD 、D---二级管10.RN----排阻11. ZD----稳压二极管12.W-----电位器13.IC---稳压块14.IC 、N、U----集成电路15.X 、Y、G、Z----晶振16.S-----开关17.CM----频率发生器(一般在晶振14.31818 旁边)2. 计算机开机原理开机原理:插上ATX 电源后,有一个静态5V 电压送到南桥,为南桥里面的ATX 开机电路提供工作条件(ATX 电源的开机电路是集成南桥里面的),南桥里面的ATX 开机电路将开始工作,会送一个电压给晶体,晶体起振工作,产生振荡,发出波形。
同时ATX 开机电路会送出一个开机电压到主板的开机针帽的一个脚,针帽的另一个脚接地。
当打开开机开关时,开机针帽的两个脚接通,而使南桥送出开机电压对地短路,拉低南桥送出的开机电压,而使南桥里的开机电路导通,拉低静态5V 电压,使其变为0 电位。
使电源开始工作,从而达到开机目的。
(ATX 电源里还有一个稳压部分,它需要静态5V 变为0 电位才能工作)。
3. 主板时钟电路工作原理时钟电路工作原理:3.5 电源经过二极管和电感进入分频器后,分频器开始工作,和晶体一起产生振荡,在晶体的两脚均可以看到波形。
晶体的两脚之间的阻值在450---700 欧之间。
在它的两脚各有1V 左右的电压,由分频器提供。
晶体两脚常生的频率总和是14.318M 。
总频(OSC )在分频器出来后送到PCI 槽的B16 脚和ISA 的B30 脚。
这两脚叫OSC 测试脚。
也有的还送到南桥,目的是使南桥的频率更加稳定。
在总频OSC 线上还电容。
总频线的对地阻值在450---700 欧之间,总频时钟波形幅度一定要大于2V 电平。
主板常用元器件知識一:電阻1,什麽是電阻:定義:阻止电流通过,同时使电能转换为热能2,電阻的特性參數:阻值,誤差值,尺寸二:電容1,什麽是電容:电容就是容纳和释放电荷的电子元器件,电容的基本工作原理就是充电放电,当然还有整流、振荡以及其它的作用。
2,電容的用途:隔直流:作用是阻止直流通过而让交流通过旁路(去耦):为交流电路中某些并联的元件提供低阻抗通路耦合:作为两个电路之间的连接,允许交流信号通过并传输到下一级电路滤波:这个对DIY而言很重要,显卡上的电容基本都是这个作用。
整流:在预定的时间开或者关半闭导体开关元件储能:储存电能3:分類:MLCC類:NPO,X7R,X5R ,Y5V。
電解電容類:液態電解電容,固態電解電容4:電容特性參數MLCC類:容值,誤差值,尺寸,耐壓值,種類電解電容類:容量,誤差,耐壓值,耐溫值,ESR,波紋電流(Ripple Current),泄漏電流(leakage current),損失角三:繞線電感1,繞線電感的作用:基本作用:通直流電,阻交流電电感在整个CPU供电系统的作用主要有:一方面是过滤高频信号,二是与MOSFET管、电容等组成直流电转换电路。
电感性能的好坏,与它所采用的铜线粗细、绕线方式、有无磁芯有关系2,電感的性能參數电感量(H),感抗XL(即电感线圈对交流电流阻碍作用的大小),线圈的Q值四:二極管1,什麽是二極管:用P型半導體和N型半導體組成的器件2,二極管作用:單向導電,有開關,保險,穩壓,整流,交流電變直流電等作用。
3,三極管的參數:最大整流電流If,反向擊穿電壓Vbr,反向電流Ir4,三極管的分類:整流二极管(如1N4004)、隔离二极管(如1N4148)、肖特基二极管(如BAT54)、发光二极管、稳压二极管等五:三極管1,什麽是三極管:三极管是在一块半导体基片上制作两个相距很近的PN结,两个PN结把正块半导体分成三部分,中间部分是基区,两侧部分是发射区和集电区,排列方式有PNP和NPN两种。
第一:基本元件第一节电阻器电阻,英文名resistance,通常缩写为R,它是导体的一种基本性质,与导体的尺寸、材料、温度有关。
欧姆定律说,I=U/R,那么R=U/I,电阻的基本单位是欧姆,用希腊字母“Ω”表示,有这样的定义:导体上加上一伏特电压时,产生一安培电流所对应的阻值。
电阻的主要职能就是阻碍电流流过。
事实上,“电阻”说的是一种性质,而通常在电子产品中所指的电阻,是指电阻器这样一种元件。
师傅对徒弟说:“找一个100欧的电阻来!”,指的就是一个“电阻值”为100欧姆的电阻器,欧姆常简称为欧。
表示电阻阻值的常用单位还有千欧(kΩ),兆欧(MΩ)。
一、电阻器的种类电阻器的种类有很多,通常分为三大类:固定电阻,可变电阻,特种电阻。
在电子产品中,以固定电阻应用最多。
而固定电阻以其制造材料又可分为好多类,但常用、常见的有RT型碳膜电阻、RJ型金属膜电阻、RX型线绕电阻,还有近年来开始广泛应用的片状电阻。
型号命名很有规律,R代表电阻,T-碳膜,J-金属,X-线绕,是拼音的第一个字母。
在国产老式的电子产品中,常可以看到外表涂覆绿漆的电阻,那就是RT型的。
而红颜色的电阻,是RJ型的。
一般老式电子产品中,以绿色的电阻居多。
为什么呢?这涉及到产品成本的问题,因为金属膜电阻虽然精度高、温度特性好,但制造成本也高,而碳膜电阻特别价廉,而且能满足民用产品要求。
电阻器当然也有功率之分。
常见的是1/8瓦的“色环碳膜电阻”,它是电子产品和电子制作中用的最多的。
当然在一些微型产品中,会用到1/16瓦的电阻,它的个头小多了。
再者就是微型片状电阻,它是贴片元件家族的一员,以前多见于进口微型产品中,现在电子爱好者也可以买到了(做无线窃听器?)二、电阻器的标识这些直接标注的电阻,在新买来的时候,很容易识别规格。
可是在装配电子产品的时候,必须考虑到为以后检修的方便,把标注面朝向易于看到的地方。
所以在弯脚的时候,要特别注意。
在手工装配时,多这一道工序,不是什么大问题,但是自动生产线上的机器没有那么聪明。
电脑主板上电子元器件基础知识大全
打开机箱盖一看,主板上布满了密密麻麻的全是一些电子员器件,有电阻、电容、晶体管等等很多,在电脑工作中这些小元器件可是起着非常重要的作用,一个不能少一个也不能坏。
哎,这个时候才想起上大学的时候学的数字电路、物理电路来,模拟电路来,可惜那个时候从来没一个老师说过这些东西有些什么应用领域的作用,想一想觉得那些老师业太缺乏应用能力了,气愤,这就是中国教育的弊端,与应用严重脱节!没办法,这里总结起来温习温习吧!
一、电阻电阻在电路中用“R”加数字表示,如:R1表示编号为1的电阻。
电阻在电路中的主要作用为:分流、限流、分压、偏置等。
1、参数识别:电阻的单位为欧姆(Ω),倍率单位有:千欧(KΩ),兆欧(MΩ)等。
换算方法是:1兆欧=1000千欧=1000000欧电阻的参数标注方法有3种,即直标法、色标法和数标法。
a、数标法主要用于贴片等小体积的电路,如:472 表示47×100Ω(即4.7K);104则表示100K b、色环标注法使用最多,现举例如下:四色环电阻五色环电阻(精密电阻)2、电阻的色标位置和倍率关系如下表所示:颜色有效数字倍率允许偏差(%)银色/ x0.01 ±10 金色/ x0.1 ±5 黑色0 +0 / 棕色1 x10 ±1 红色2 x100 ±2 橙色 3 x1000 /
黄色4 x10000 / 绿色5 x100000 ±0.5 蓝色6 x1000000 ±0.2 紫色7 x10000000 ±0.1 灰色8 x100000000 / 白色9 x1000000000 /
二、电容1、电容在电路中一般用“C”加数字表示(如C13表示编号为13的电容)。
电容是由两片金属膜紧靠,中间用绝缘材料隔开而组成的元件。
电容的特性主要是隔直流通交流。
电容容量的大小就是表示能贮存电能的大小,电容对交流信号的阻碍作用称为容抗,它与交流信号的频率和电容量有关。
容抗XC=1/2πf c (f表示交流信号的频率,C表示电容容量)电话机中常用电容的种类有电解电容、瓷片电容、贴片电容、独石电容、钽电容和涤纶电容等。
2、识别方法:电容的识别方法与电阻的识别方法基本相同,分直标法、色标法和数标法3种。
电容的基本单位用法拉(F)表示,其它单位还有:毫法(mF)、微法(uF)、纳法(nF)、皮法(pF)。
其中:1 法拉=103毫法=106微法=109纳法=1012皮法容量大的电容其容量值在电容上直接标明,如10 uF/16V 容量小的电容其容量值在电容上用字母表示或数字表示字母表示法:1m=1000 uF 1P2=1.2PF 1n=1000PF 数字表示法:一般用三位数字表示容量大小,前两位表示有效数字,第三位数字是倍率。
如:102表示10×102PF=1000PF 224表示22×104PF=0.22 uF 3、电容容量误差表符号F G J K L M 允许误差±1% ±2% ±5% ±10% ±15% ±20% 如:一瓷片电容为104J表示容量为0. 1 uF、误差为±5%。
三、晶体二极管晶体二极管在电路中常用“D”加数字表示,如:D5表示编号为5的二极管。
1、作用:二极管的主要特性是单向导电性,也就是在正向电压的作用下,导通电阻很小;而在反向电压作用下导通电阻极大或无穷大。
正因为二极管具有上述特性,无绳电话机中常把它用在整流、隔离、稳压、极性保护、编码控制、调频调制和静噪等电路中。
电话机里使用的晶体二极管按作用可分为:整流二极管(如1N4004)、隔离二极管(如1N4148)、肖特基二极管(如BAT85)、发光二极管、稳压二极管等。
2、识别方法:二极管的识别很简单,小功率二极管的N极(负极),在二极管外表大多采用一种色圈标出来,有些二极管也用二极管专用符号来表示P极(正极)或N极(负极),也有采用符号标志为“P”、“N”来确定二极管极性的。
发光二极管的正负极可从引脚长短来识别,长脚为正,短脚为负。
3、测试注意事项:用数字式万用表去测二极管时,红表笔接二极管的正极,黑表笔接二极管的负极,此时测得的阻值才是二极管的正向导通阻值,这与指针式万用表的表笔接法刚好相反。
4、常用的1N4000系列二极管耐压比较如下:型号1N4001 1N4002 1N4003 1N4004 1N4005 1N4006 1N4007 耐压(V)50 100 200 400 600 800 1000 电流(A)均为1
四、稳压二极管稳压二极管在电路中常用“ZD”加数字表示,如:ZD5表示编号为5的稳压管。
1、稳压二极管的稳压原理:稳压二极管的特点就是击穿后,其两端的电压基本保持不变。
这样,当把稳压管接入电路以后,若由于电源电压发生波动,或其它原因造成电路中各点电压变动时,负载两端的电压将基本保持不变。
2、故障特点:稳压二极管的故障主要表现在开路、短路和稳压值不稳定。
在这3种故障中,前一种故障表现出电源电压升高;后2种故障表现为电源电压变低到零伏或输出不稳定。
常用稳压二极管的型号及稳压值如下表:型号1N4728 1N4729 1N4730 1N4732 1N4733 1N4734 1N4735 1N4744 1N4750 1N4751 1N4761 稳压值3.3V 3.6V 3.9V 4.7V 5.1V 5.6V 6.2V 15V 27V 30V 75V
五、电感
电感在电路中常用“L”加数字表示,如:L6表示编号为6的电感。
电感线圈是将绝缘的导线在绝缘的骨架上绕一定的圈数制成。
直流可通过线圈,直流电阻就是导线本身的电阻,压降很小;当交流信号通过线圈时,线圈两端将会产生自感电动势,自感电动势的方向与外加电压的方向相反,阻碍交流的通过,所以电感的特性是通直流阻交流,频率越高,线圈阻抗越大。
电感在电路中可与电容组成振荡电路。
电感一般有直标法和色标法,色标法与电阻类似。
如:棕、黑、金、金表示1uH(误差5%)的电感。
电感的基本单位为:亨(H)换算单位有:1H=103mH=106uH。
六、变容二极管变容二极管是根据普通二极管内部“PN结”的结电容能随外加反向电压的变化而变化这一原理专门设计出来的一种特殊二极管。
变容二极管在无绳电话机中主要用在手机或座机的高频调制电路上,实现低频信号调制到高频信号上,并发射出去。
在工作状态,变容二极管调制电压一般加到负极上,使变容二极管的内部结电容容量随调制电压的变化而变化。
变容二极管发生故障,主要表现为漏电或性能变差:(1)发生漏电现象时,高频调制电路将不工作或调制性能变差。
(2)变容性能变差时,高频调制电路的工作不稳定,使调制后的高频信号发送到对方被对方接收后产生失真。
出现上述情况之一时,就应该更换同型号的变容二极管。
七、晶体三极管晶体三极管在电路中常用“Q”加数字表示,如:Q17表示编号为17的三极管。
1、特点:晶体三极管(简称三极管)是内部含有2个PN结,并且具有放大能力的特殊器件。
它分NPN型和PNP型两种类型,这两种类型的三极管从工作特性上可互相弥补,所谓OTL电路中的对管就是由PNP型和NPN型配对使用。
电话机中常用的PNP型三极管有:A92、9015等型号;NPN型三极管有:A42、9014、9018、9013、9012等型号。
2、晶体三极管主要用于放大电路中起放大作用,在常见电路中有三种接法。
为了便于比较,将晶体管三种接法电路所具有的特点列于下表,供大家参考。
名称共发射极电路共集电极电路(射极输出器)共基极电路输入阻抗中(几百欧~几千欧)大(几十千欧以上)小(几欧~几十欧)输出阻抗中(几千欧~几十千欧)小(几欧~几十欧)大(几十千欧~几百千欧)电压放大倍数大小(小于1并接近于1)大电流放大倍数大(几十)大(几十)小(小于1并接近于1)
功率放大倍数大(约30~40分贝)小(约10分贝)中(约15~20分贝)频率特性高频差好好
八、场效应晶体管放大器1、场效应晶体管具有较高输入阻抗和低噪声等优点,因而也被广泛应用于各种电子设备中。
尤其用场效管做整个电子设备的输入级,可以获得一般晶体管很难达到的性能。
2、场
效应管分成结型和绝缘栅型两大类,其控制原理都是一样的。
3、场效应管与晶体管的比较(1)场效应管是电压控制元件,而晶体管是电流控制元件。
在只允许从信号源取较少电流的情况下,应选用场效应管;而在信号电压较低,又允许从信号源取较多电流的条件下,应选用晶体管。
(2)场效应管是利用多数载流子导电,所以称之为单极型器件,而晶体管是即有多数载流子,也利用少数载流子导电。
被称之为双极型器件。
(3)有些场效应管的源极和漏极可以互换使用,栅压也可正可负,灵活性比晶体管好。
(4)场效应管能在很小电流和很低电压的条件下工作,而且它的制造工艺可以很方便地把很多场效应管集成在一块硅片上,因此场效应管在大规模集成电路中得到了广泛的应用。