材料进厂检验记录表格格式
- 格式:doc
- 大小:12.64 KB
- 文档页数:2
资料进场查验记录编号: 002-01工程名称无锡新安花苑一期现代家苑工程查验日期年月日序规格型号进场生产厂家查验项目查验备名称mm号数目合格证号结果注查验结论:签施工单位:常州市第二园林绿化建设工程有限企业监理企业:字检查员栏质检员专业监理工程师注:本表由施工单位填写,施工单位、监理单位各保留一份。
工程物质进场报验表工程名称无锡新安花苑一期现代家苑编号地点日期现报上对于无锡新安花苑一期现代家苑景观绿化工程的物质进场查验记录,该批物质经我方查验切合设计、规范及合同要求,请予以赞同使用。
物质名称主要规格单位数目选样报审表编号使用部位附件:名称页数编号33.□出厂合格证页34.□厂家质量查验报告页35.□厂家质量保证书页36.□商考证页37.□进场检查记录页38.□进场复试报告页39.□存案状况页40.□申报单位名称 :申报人(署名):承包单位查验建议:报验的工程资料的质量证明文件齐备,赞同报项目监理部审批。
□有 / √无附页查收建议:鉴定结论:□赞同□补报资料□从头查验□散场监理单位名称:监理工程师(署名):查收日期:注:本表由承包单位填报、建设单位、监理单位、承包单位各存一份。
分部工程施工报检表工程名称无锡新安花苑一期现代家苑编号地点日期年月日现我方已达成无锡新安花苑一期现代家苑景观绿化工程部位的工程,经我方查验符合设计、规范要求,请予以查收。
附件:名称页数编号1□质量控制资料汇总表(合用于分部工程)页2□隐蔽工程检查记录表页3□预检工程检查记录表页4□施工记录页5□施工试验记录页6□分项工程质量查验评定记录页7□分部工程质量查验评定记录页8□查验批质量查收评定记录页承包单位名称 : 申报人(署名):质量检查员(署名):技术负责人(署名):审察建议:审察结论:□合格□不合格监理单位:(总)监理工程师(署名):审察日期:注:本表由承包单位填报、建设单位、监理单位、承包单位各存一份。
灰土基层工程查验批质量查收记录表工程名称无锡新安花苑一期现代家苑景观绿化工程分部工程名称查收部位施工单位常州市第二园林项目经理周晨芳施工履行标准名称及编号GB50209-2002 建筑地面工程施工质量查收标准分包单位分包项目经理质量查收规范的规定主1灰土资料质量切合要求控2配合比项目3压实度1灰土应拌合平均2平坦度一3允般许标高项4偏坡度(广场)施工单位检查评定记录监理(建设)单位查收记录切合规定切合要求设计要求切合要求切合要求≥ 95%切合要求切合规定切合要求≤10mm切合要求≤10mm切合要求≤30mm切合要求切合要求目差≤H/105厚度不小于设计值切合要求6宽度+10cm专业工长(施工员)施工班组长施工单位检查评定结果主控项目合格,一般项目切合设计及施工规格要求项目专业质量检查员:年月日赞同查收监理(建设)单位查收结论专业监理工程师:(建设单位项目专业负责人):年月日砖面层工程查验批质量查收记录表工程名称无锡新安花苑一期现代家苑景观绿化工程分部工程名称查收部位施工单位常州市第二园林项目经理周晨芳施工履行标准名称及编号GB50209-2002 建筑地面工程施工质量查收标准分包单位分包项目经理质量查收规范的规定施工单位检查评定记录监理(建设)单位查收记录主1资料质量第切合要求控切合要求项2表面质量第切合要求目1毗邻外镶边用料第切合要求2面层表面坡度第切合要求一3表面平坦度 5.0 mm切合要求般允切合要求项4缝格平直 5.0 mm切合要求许目5偏接缝高低差 1.0mm6差2.0mm切合要求砖缝空隙宽度专业工长(施工员)施工班组长施工单位检查评定结果主控项目合格,一般项目切合设计及施工规格要求项目专业质量检查员:赞同查收年月日监理(建设)单位查收结论专业监理工程师:(建设单位项目专业负责人):年月日路缘石匠程查验批质量查收记录表工程名称无锡新安花苑一期现代家苑景观绿化工程分部工程名称查收部位施工单位常州市第二园林项目经理周晨芳施工履行标准名称及编号GB50209-2002 建筑地面工程施工质量查收标准分包单位分包项目经理质量查收规范的规定施工单位检查评定记录主 1路缘石品种、质量 切合设计 切合要求 控 2 路缘石安置牢固切合设计切合要求 项目3 立缘石背后一定回填密实 切合设计 切合要求1 路缘石线段直顺, 曲线圆顺 切合设计 切合要求 一 2直顺度10mm 切合要求般 3允 3.0 mm相邻块高差切合要求项 许目4 偏缝宽 ± 3mm切合要求5 差顶面标高±10mm专业工长(施工员)施工班组长施工单位检查评定结果监理(建设)单位查收记录切合要求切合要求项目专业质量检查员:年 月 日监理(建设)单位查收结论 专业监理工程师:(建设单位项目专业负责人) : 年 月 日隐蔽工程检查记录编号: 003-1-01工程名称无锡新安花苑一期现代家苑景观绿化工程隐检项目3:7 灰土基层隐检日期隐检部位隐检依照:施工图,设计更改/洽谈(编号)及有关国家现行标准等。
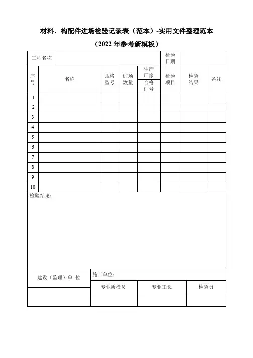
材料、构配件进场检验记录表(范本)-实用文件整理范本(2022年参考新模板)工程名称检验日期序号名称规格型号进场数量生产厂家检验项目检验结果备注合格证号12345678910检验结论:建设(监理)单位施工单位:专业质检员专业工长检验员合格证贴纸材料名称合格证编号合格证代表数量进货数量工程总需要量材料验收单编号抽样试验委托单编号抽样试验结论供货单位到货日期查对标牌验收情况合格证收到日期(合格证粘贴处)混凝土试块强度统计评定记录工程名称强度等级施工单位养护方法统计期结构部位试块组数n 强度标准值kcuf,(MPa)平均值mcuf,(MPa)标准差fcuS(MPa)最小值min,cuf(MPa)合格判定系数1λ2λ每组强度值MPa评定界限□统计方法(二)□非统计方法0.90kcuf,mcuf,~1λ×fcuS2λ×kcuf, 1.15kcuf,0.95kcuf,判定式mcuf,~1λ×fcuS≥0.90kcuf,min,cuf≥×kcuf,mcuf,≥1.15kcuf,min,cuf≥0.95kcuf,结果结论:批准审核统计报告日期砌筑砂浆试块强度统计评定记录工程名称强度等级施工单位养护方法统计期结构部位试块组数n强度标准值2f (MPa )平均值m f 2(MPa )最小值min ,2f (MPa )0.752f 每组强度值MPa判定式f 2,m ≥2f min ,2f ≥0.752f 结果结论:批准审核统计报告日期工程名称:序号钢筋型号规格连接方式代表部位代表接头数量取样日期试验报告编号报告日期试验结论试件性质1234567891011121314151617181920212223注:机械连接接头、焊接接头应按规范要求进行工艺检验和施工检验。
项目(专业)技术负责人:质量检查员:日期:。