排水管道及配件安装检验批质量验收记录
- 格式:docx
- 大小:22.88 KB
- 文档页数:2
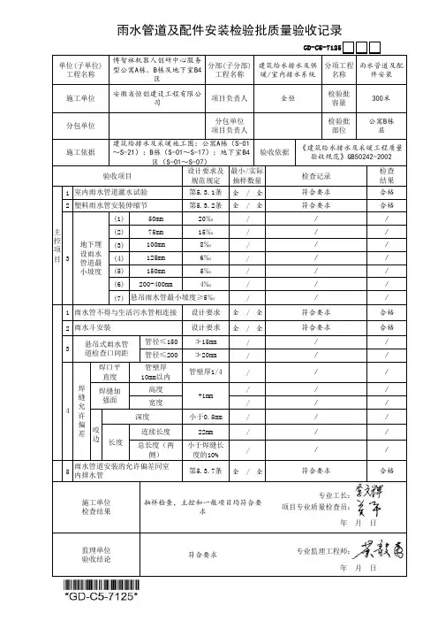
1全/全2全/全(1)/(2)/(3)/(4)/(5)/(6)/(7)/1全/全2全/全////////5全/全焊缝加强面+1mm 长度施工单位 检查结果 抽样检查,主控和一般项目均符合要求监理单位 验收结论符合要求施工单位300米安徽省恒创建设工程有限公司项目负责人全恒检验批容量专业监理工程师:年 月 日主控项目334焊缝允许偏差专业工长:项目专业质量检查员:年 月 日总长度(两侧)小于焊缝长度的10%//雨水管道安装的允许偏差同室内排水管第5.3.7条符合要求合格咬边深度小于0.5mm //连续长度22mm //高度//宽度//管径≤200≯20mm //焊口平直度管壁厚10mm以内管壁厚1/4//悬吊式雨水管道检查口间距雨水斗安装设计要求符合要求合格管径≤150≯15mm //悬吊雨水管最小坡度≥5‰//雨水管不得与生活污水管相连接设计要求符合要求合格地下埋设雨水管道最小坡度150mm 5‰//200-400mm4‰//100mm 8‰//125mm 6‰//50mm 20‰//75mm 15‰//室内雨水管道灌水试验第5.3.1条符合要求合格塑料雨水管安装伸缩节第5.3.2条符合要求合格施工依据建筑给排水及采暖施工图:公寓A栋(S-01~S-21);B栋(S-01~S-17);地下室B4区(S-01~S-07)验收依据《建筑给水排水及采暖工程质量验收规范》GB50242-2002验收项目设计要求及规范规定最小/实际抽样数量检查记录检查 结果 分包单位分包单位 项目负责人检验批部位公寓B栋层雨水管道及配件安装检验批质量验收记录GD-C5-7125单位(子单位)工程名称博智林机器人创研中心服务型公寓A栋、B栋及地下室B4区分部(子分部)工程名称建筑给水排水及供暖/室内排水系统分项工程名称雨水管道及配件安装。
管道及配件安装分项工程质量验收记录验收日期:xxxx年xx月xx日验收单位:xxxx公司一、项目概况本次验收的是管道及配件安装分项工程,工程包括xxx米管道的安装、配件的选择和安装等相关工作。
二、验收内容1.工程质量验收(1)管道安装的质量:检查管道的连接是否牢固、无渗漏情况,管道弯曲是否符合设计要求,管道安装是否符合工程规范;(2)配件的选择和安装:检查配件的材质质量是否符合要求,检查配件的安装是否牢固、无裂缝等质量问题。
2.工程文件验收(1)设计文件:验收设计文件内容是否齐全、准确,符合工程规范和要求;(2)验收报告:验收报告是否符合实际工程情况,提供的数据是否真实可靠;(3)备品备件清单:检查备品备件清单的准确性和完整性。
三、验收结果1.工程质量验收(1)管道安装的质量:经验收,管道连接牢固,无渗漏情况,弯曲符合设计要求,安装符合工程规范;(2)配件的选择和安装:配件的材质质量符合要求,安装牢固,无裂缝等质量问题。
2.工程文件验收(1)设计文件:设计文件内容齐全、准确,符合工程规范和要求;(2)验收报告:验收报告符合实际工程情况,提供的数据真实可靠;(3)备品备件清单:备品备件清单准确、完整。
四、存在问题及处理意见1.问题描述:部分管道连接处存在松动现象。
处理意见:责令施工单位进行紧固处理,确保管道连接牢固。
2.问题描述:部分配件接口出现小裂缝。
处理意见:要求施工单位更换质量合格的配件,确保安装质量。
五、下一步工作要求1.处理好存在的问题,并重新进行验收。
2.验收合格后,出具工程质量验收报告和竣工验收报告。
六、负责人意见本次管道及配件安装分项工程质量验收内容齐全,工程质量符合要求,可以进行下一步的工程验收。
排水管道及配件安装检验批质量验收记录项目名称:排水管道及配件安装施工单位:XXX公司监理单位:XXX公司验收日期:XXXX年XX月XX日一、工程概况本次安装的排水管道及配件工程位于建筑物的地下室和各楼层,主要包括排水管道系统、排水设备及附件的安装。
二、工程质量验收内容1.排水管道材料的验收(1)PVC排水管道:按照设计要求,检查管道的外观质量,无明显变形、开裂、气泡等缺陷。
(2)铸铁管道:检查管道的外观质量,无明显锈蚀、裂纹等缺陷。
(3)排水管道附件:包括接头、弯头、三通等,检查其外观质量,无明显变形、开裂、气泡等缺陷。
2.排水管道安装质量验收(1)排水管道的安装位置、倾斜度、连接方式等是否符合设计要求。
(2)管道连接处是否采用适当的密封材料,连接是否紧固牢固。
(3)管道的固定方式是否牢固可靠,支撑件是否符合规范要求。
3.排水设备安装质量验收(1)排水设备的外观质量是否符合设计要求,无明显损伤。
(2)排水设备的安装位置、高度等是否符合设计要求。
(3)排水设备的接口连接是否紧固牢固,无渗漏现象。
4.排水管道系统的试验(1)进行水压试验,检查管道系统是否有渗漏现象。
(2)进行冲洗试验,检查管道系统是否通畅。
三、工程质量验收结果根据对排水管道及配件的质量验收,结论如下:1.排水管道材料的质量良好,无明显缺陷,符合设计要求。
2.排水管道安装质量较好,位置、倾斜度、连接等均符合设计要求。
3.排水设备的安装质量良好,位置、高度等符合设计要求,连接紧固牢固。
4.排水管道系统的试验结果良好,无渗漏现象,通畅。
四、存在的问题及整改措施1.部分排水管道安装处存在焊接不牢固的情况,需重新焊接。
2.部分排水设备的外观存在划痕等损伤,需更换。
整改措施:将焊接不牢固的部分重新焊接,更换损坏的排水设备。
五、质量验收结论经过质量验收,本次排水管道及配件安装符合设计要求,工程质量合格。
六、工程质量验收意见本次排水管道及配件安装质量较好,施工单位在材料选择、施工工艺等方面做了较好的把控,质量验收结果符合预期。
室内排水管道及配件安装工程检验批质量验收记录项目名称:室内排水管道及配件安装工程检验批次:第一批日期:XXXX年X月X日一、工程概况1.1工程名称:室内排水管道及配件安装工程1.2工程位置:XXX楼XXX室内1.3工程单位:XXX公司1.4工程施工时间:XXXX年X月X日至XXXX年X月X日二、质量验收内容2.1检验项目1)管道及配件安装是否牢固、符合规范要求2)管道连接是否严密,无渗漏3)管道走向是否符合设计要求4)管道支架是否牢固、稳定5)排水设备是否正常运行2.2检验依据三、质量验收结果3.1管道及配件安装是否牢固、符合规范要求经检验,管道及配件安装牢固,符合《建筑给水排水工程设计规范》中规定的抗震要求,并满足正常使用的相关技术要求。
未发现明显质量问题。
3.2管道连接是否严密,无渗漏经过试验,各管道连接严密,无渗漏现象。
已通过压力测试,满足施工规范要求。
3.3管道走向是否符合设计要求经检验,管道走向符合设计要求,无明显偏差,保证了排水系统的正常运作。
3.4管道支架是否牢固、稳定对管道支架进行检验,发现支架安装稳定,未出现明显松动或倾斜现象,符合相关要求。
3.5排水设备是否正常运行对排水设备进行测试,经试运行,各设备正常工作,排水畅通,没有堵塞或积水现象。
四、质量整改意见根据本次检验结果,结合实际情况提出以下质量整改意见:4.1部分管道接口未涂抹密封胶,需要补充处理。
4.2一些管道支架安装固定不够牢固,需进行加固处理。
4.3部分排水设备的固定螺母有松动现象,需进行紧固处理。
五、质量验收结论根据以上检验结果和整改建议,经评审与讨论,结论如下:此次室内排水管道及配件安装工程质量合格,并予以验收通过。
同时对存在的质量问题提出整改要求,要求施工单位立即进行整改,并严格按照相关规范要求进行处理。
六、附件1.室内排水管道及配件安装工程设计图纸2.检验测试报告3.质量整改通知书以上为室内排水管道及配件安装工程质量验收记录,供参考。
SGA021卫生器具排水管安装工程检验批质量验收记录
一、检验项目:
1.排水管道的安装位置和规格是否符合设计要求;
2.排水管道的连接是否牢固,并且无渗漏;
3.排水管道的施工质量是否符合相关标准;
4.排水管道的防腐措施是否到位;
5.排水管道的安全防护措施是否齐全。
二、检验工具:
1.测量工具:卷尺、角尺;
2.检测工具:压力测试仪;
3.监测工具:红外线热成像仪、声纳检测仪。
三、检验人员:
1.质检员:XXX;
2.工程师:XXX;
3.施工人员:XXX。
四、检验过程:
1.观察排水管道的安装位置和规格,检查排水管道的连接情况,使用测量工具进行测量确认是否符合设计要求;
2.对排水管道进行压力测试,检验管道连接是否牢固并且无渗漏;
3.对排水管道的施工质量进行检查,包括管道的安装是否平整、连接处是否顺畅等;
4.对排水管道进行防腐措施的检测,确认是否到位并且有效;
5.对排水管道的安全防护措施进行监测,确保是否齐全且有效。
五、检验结果:
1.安装位置和规格方面,全部符合设计要求;
2.连接牢固且无渗漏;
3.施工质量良好,符合相关标准;
4.防腐措施到位,有效;
5.安全防护措施齐全、有效。
六、质量验收结论:
经过检查,SGA021卫生器具排水管安装工程的质量符合要求,达到验收标准,可以进行下一步的施工工作。
七、检验人员签名:
质检员:______________工程师:______________施工人员:
______________
八、审批单位:。
室内雨水管道及配件安装检验批质量验收记录项目名称:室内雨水管道及配件安装项目地点:xxxx日期:xxxx年xx月xx日一、工程概况本项目为室内雨水管道及配件的安装,旨在保障建筑物内部雨水排放的正常运行。
本次检验批质量验收旨在核实工程质量是否达到设计要求,以确保施工质量。
二、检验依据1.《建筑给排水工程施工及验收规范》2.《室内给水工程施工及验收规范》3.《建筑给排水工程质量验收标准》4.相关设计文件三、检验内容1. 垂直雨水管道的安装2. 排水立管的安装3. 雨水管道与排水管道的连接4. 雨水斜管的安装5. 雨水井、雨水口的安装6. 雨水泵站的安装7. 其他与室内雨水管道安装相关的工作四、检验方法1. 目视检查:对已安装的管道和配件进行目视检查,确认是否存在明显的缺陷和损坏。
2. 尺寸测量:测量管道和配件的尺寸,与设计要求进行对比,检查是否符合要求。
3. 试压检验:对安装完成的管道进行试压,确保密封性能良好,不发生漏水现象。
4. 强度检验:对管道和配件的强度进行检测,确认其承载能力符合设计要求。
5. 设备运行检验:对雨水泵站进行运行测试,检查其工作是否正常、稳定。
五、检验结果1. 垂直雨水管道的安装:检验结果:通过备注:垂直雨水管道的安装位置符合设计要求,与建筑结构连接牢固,无明显缺陷。
2. 排水立管的安装:检验结果:通过备注:排水立管的安装位置准确、稳固,与雨水下水道连接紧密,无渗漏现象。
3. 雨水管道与排水管道的连接:检验结果:通过备注:雨水管道与排水管道连接紧密,无明显缺陷,连接处无泄漏。
4. 雨水斜管的安装:检验结果:通过备注:雨水斜管的安装位置符合设计要求,斜度适合,无明显缺陷。
5. 雨水井、雨水口的安装:检验结果:通过备注:雨水井和雨水口的安装位置准确,井盖密封良好,无渗漏现象。
6. 雨水泵站的安装:检验结果:通过备注:雨水泵站的设备安装合理,运行正常,无异常噪音,各部件工作正常。
7. 其他相关工作:检验结果:通过备注:其他与室内雨水管道安装相关的工作符合设计要求,无明显缺陷。
建筑中水系统及雨水利用系统管道及配件安装检验批质量验收记录一、工程概况项目名称:xxxx建筑工程项目地点:xxxx施工单位:xxxx监理单位:xxxx施工日期:xxxx年xx月xx日-xxxx年xx月xx日二、检验依据1.《建筑给水排水设计规范》2.《建筑给水排水工程施工及验收规范》3.《建筑生活污水及雨水利用工程技术规范》4.《建筑雨水利用工程施工及验收规范》5.相关图纸、设计文件及合同约定三、检验基本原则1.符合设计要求2.合规施工3.材料符合要求4.安装质量符合标准5.提供合格的验收记录和文件四、检验内容及方法1.管道材料及配件的合格证明文件是否齐全2.管道材料及配件的型号、规格、质量是否符合设计要求3.管道安装位置是否符合设计要求4.管道安装是否符合相关标准5.管道连接是否紧固密实6.阀门、管件及附件的安装质量是否符合要求7.管道支架安装是否牢固稳定8.管道清洗、保温等工序是否符合规范要求9.雨水利用设备的安装是否符合要求10.雨水管道的布置是否合理11.雨水收集设备的功能是否良好12.其他相关检验内容五、检验结果及处理意见1.管道材料及配件的合格证明文件齐全,型号、规格、质量均符合设计要求。
2.管道安装位置符合设计要求,安装质量符合标准,连接紧固密实。
3.阀门、管件及附件的安装质量符合要求,管道支架安装牢固稳定。
4.管道清洗、保温等工序符合规范要求。
5.雨水利用设备安装符合要求,雨水管道布置合理,雨水收集设备功能良好。
六、存在问题及整改措施1.标出存在的问题及整改措施2.确保问题整改到位七、质量验收结论依据以上检验结果及整改措施,经过施工单位整改后,建筑中水系统及雨水利用系统管道及配件安装质量符合要求,达到设计及验收标准。
八、备注1.若有其他需要备注的内容,需在此处明确说明。
2.附上相关的图片、纸质资料等。
以上为建筑中水系统及雨水利用系统管道及配件安装检验批质量验收记录,检验记录应详尽、真实,是验收工作中的重要证据之一、相关项目应按照验收结果及整改措施进行后续工作,确保施工质量符合要求和标准。