表242-4 室内排水管道及配件安装检验批质量验收记录
- 格式:doc
- 大小:553.00 KB
- 文档页数:31
室内排水管道及配件安装工程检验批质量验收记录项目名称:室内排水管道及配件安装工程检验批次:第一批日期:XXXX年X月X日一、工程概况1.1工程名称:室内排水管道及配件安装工程1.2工程位置:XXX楼XXX室内1.3工程单位:XXX公司1.4工程施工时间:XXXX年X月X日至XXXX年X月X日二、质量验收内容2.1检验项目1)管道及配件安装是否牢固、符合规范要求2)管道连接是否严密,无渗漏3)管道走向是否符合设计要求4)管道支架是否牢固、稳定5)排水设备是否正常运行2.2检验依据三、质量验收结果3.1管道及配件安装是否牢固、符合规范要求经检验,管道及配件安装牢固,符合《建筑给水排水工程设计规范》中规定的抗震要求,并满足正常使用的相关技术要求。
未发现明显质量问题。
3.2管道连接是否严密,无渗漏经过试验,各管道连接严密,无渗漏现象。
已通过压力测试,满足施工规范要求。
3.3管道走向是否符合设计要求经检验,管道走向符合设计要求,无明显偏差,保证了排水系统的正常运作。
3.4管道支架是否牢固、稳定对管道支架进行检验,发现支架安装稳定,未出现明显松动或倾斜现象,符合相关要求。
3.5排水设备是否正常运行对排水设备进行测试,经试运行,各设备正常工作,排水畅通,没有堵塞或积水现象。
四、质量整改意见根据本次检验结果,结合实际情况提出以下质量整改意见:4.1部分管道接口未涂抹密封胶,需要补充处理。
4.2一些管道支架安装固定不够牢固,需进行加固处理。
4.3部分排水设备的固定螺母有松动现象,需进行紧固处理。
五、质量验收结论根据以上检验结果和整改建议,经评审与讨论,结论如下:此次室内排水管道及配件安装工程质量合格,并予以验收通过。
同时对存在的质量问题提出整改要求,要求施工单位立即进行整改,并严格按照相关规范要求进行处理。
六、附件1.室内排水管道及配件安装工程设计图纸2.检验测试报告3.质量整改通知书以上为室内排水管道及配件安装工程质量验收记录,供参考。
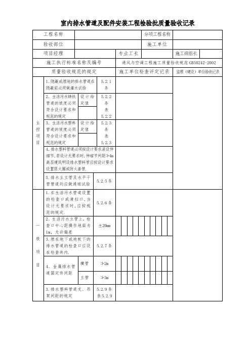
全长25m以上水纵横目6管安弯曲允偏≯25mm 管径≤100mm管径>100mm≯38mm1.5mm室内排水管道及配件安装工程检验批质量验收记录表GB50242-2002GD240500404单位(子单位)工程名称子分部(系统)工程名称验收部位、区、段安装单位施工执行标准名称及编号给排水安装工程四层项目经理(负责人)《建筑给水排水及采暖工程施工质量验收规范》G B50242-2002施工质量验收规范的规定施工单位检查评定记录监理(建设)单位验收记录1排水管道灌水试验第5.2.1条按要求做了灌水试验,结果合格。
主控2生活污水铸铁管,塑料管坡度第5.2.2条第5.2.3条排水管坡向的坡度符合要求。
项3排水塑料管安装伸缩节目4排水立管及水平干管通球试验1生活污水管道上设检查口和清扫口2金属和塑料管支、吊架安装3排水通气管安装4医院污水和饮食业工艺排水第5.2.4条第5.2.5条第5.2.6条第5.2.7条第5.2.8条第5.2.9条第5.2.10条第5.2.11条第5.2.12条排水塑料管已安装伸缩节。
排水立管及水平干管已做了通球试验,结果合格。
生活污水管道上已设检查口和清扫口。
支、吊架安装平整牢固,其间距符合质量验收规范。
符合质量验收规范要求。
/一5室内排水管道安装第5.2.13条第5.2.14条第5.2.15条符合质量验收规范要求。
般坐标标高15mm±15mm1199-12547-106-51010591054-44-10铸铁每米管≯1mm≯25mm项排横管每米管径≤100mm1mm管径>100mm 1.5mm装许钢管方向塑料管钢筋混凝土管铸铁管立管垂直钢管全长25m以上每米1.00.5 1.3 1.10.50.4 1.2 1.0 1.0 1.1全长25m以上≯38mm2215115302414133014每米3mm全长25m以上≯75mm每m3mm全长5m以上≯15mm每米3mm全长5m以上≯10mm度塑料管每米全长5m以上3mm≯15mm2.0 2.00.5 1.0 1.70.60.40.30.50.776495945129专业工长(施工员)施工班组长安装单位检查评定结果监理(建设)单位验收结论主控项目全部合格,一般项目满足规范规定要求项目专业质量检查员:2008年月日专业监理工程师(建设单位项目专业技术负责人):2008年月日。
室内排水管道及配件安装工程检验批质量验收记录表1室内排水管道及配件安装工程检验批质量验收记录表GB50242—2002说明050201 主控项目1、隐蔽或埋地的排水管道在隐蔽前必须做灌水试验,其灌水高度应不低于底层卫生器具的上边缘或底层地面高度。
满水15min水面下降后,再灌满观察5min,液面不降,管道及接口无渗漏为合格。
全部系统或区(段)。
观察检查。
2、管道坡度。
(1)生活污水铸铁管道的坡度必须符合设计或规范表5.2.2的规定。
(2)生活污水塑料管道的坡度必须符合设计或规范表5.2.3的规定。
水平尺、拉线尺量检查。
3、水塑料管必须按设计要求及位置装设伸缩节。
如设计无要求时,伸缩节间距不得大于4m。
高层建筑中明设排水塑料管道应按设计要求设置阻火圈或防火套管。
观察检查。
4、排水主立管及水平干管应做通球试验,通球球径不小于排水管道管径的2/3,通球率100%,通球检查。
一般项目1、检查口、清扫口(1)在生活污水管道上设置的检查口或清扫口,当设计无要求时应符合规范第5.2.6条的规定。
(2)埋在地下或地板下的排水管道的检查口,应设在检查井内。
井底表面标高与检查口的法兰相平,井底表面应有5%坡度,坡向检查口。
尺量检查。
2、支架。
(1)金属排水管道上的吊钩或卡箍应固定在承重结构上。
固定件间距:横管不大于2m;立管不大于3m。
楼层高度小于或等于4m,立管可安装1个固定件。
立管底部的弯管处应设支墩或采取固定措施。
(2)排水塑料管道支、吊架最大间距应符合下麦的规定。
观察和尺量检查。
3、排水通气管道不得与风道或烟道连接,且应符合下列规定:(1)通气管道应高出屋面300mm,但必须大于最大积雪厚度。
(2)在通气管出口4m以内有门、窗时,通气管应高出门、窗顶600mm或引向无门、窗一侧。
(3)在经常有人停留的平屋顶上,通气管应高出屋面2m,并应根据防雷要求设置防雷装置。
(4)屋顶有隔热层应从隔热层板面算起。
观察和尺量检查。
表B1-- 7 ±0.00以下室内排水管道安装工程报验单工程名称:东泰和苑小区10号楼编号:
表242-4室内排水管道及配件安装检验批质量验收记录
续表242-4室内排水管道及配件安装检验批质量验收记录
表C2-17-2排水管道灌水试验记录
表C2-17-2排水管道灌水试验记录
表B1-- 7 室内排水管道安装分项工程报验单工程名称:东泰和苑小区10号楼编号:
表242-4室内排水管道及配件安装检验批质量验收记录
续表242-4室内排水管道及配件安装检验批质量验收记录
表C2-17-2排水管道灌水试验记录
续表242-4室内排水管道及配件安装检验批质量验收记录
表C2-17-2给排水管道灌水试验记录
续表242-4室内排水管道及配件安装检验批质量验收记录
表C2-17-2排水管道灌水试验记录
续表242-4室内排水管道及配件安装检验批质量验收记录
表C2-17-2排水管道灌水试验记录
续表242-4室内排水管道及配件安装检验批质量验收记录
表C2-17-2排水管道灌水试验记录
表C2-17-3室内排水管道通球试验记录
表C2-17-3室内排水管道通球试验记录
表C2-17-3室内排水管道通球试验记录
表C2-17-3室内排水管道通球试验记录
表C2-17-3室内排水管道通球试验记录
表C2——11排水管道及配件安装分项工程质量验收记录。
表242-4 室内排水管道及配件安装检验批质量验收记录表B1-- 7 ±0.00以下室内排水管道安装工程报验单工程名称:东泰和苑小区10号楼编号:致:河北顺诚工程建设项目管理有限公司(监理单位)我单位已完成了±0.000以下室内排水管道安装质量验收工程,按设计文件及有关规范进行了自检,质量合格,请予审查和验收。
附件:1、工程质量控制资料2、安全和功能检验(检测)报告3、观感质量验收记录4、隐蔽工程验收记录5、排水管道安装质量验收记录承包单位(章) :项目经理:日期:2011年4月4日审查意见:☐所报隐蔽工程的技术资料齐全/ 不齐全,且符合/ 不符合要求,经现场检测、核查合格/ 不合格,同意/ 不同意隐蔽。
☐所报检验批的技术资料齐全/ 不齐全,且符合/ 不符合要求,经现场检测、核查合格/ 不合格,同意/ 不同意进行下道工序。
☐所报检验批的技术资料基本齐全,且基本符合要求,因砂浆/ 混凝土试块强度试验报告未出具,暂同意进行下道工序施工,待砂浆/混凝土试块强度试验报告补后,予以认定。
☐所报分项工程的各验收批的验收资料完整不完整,且全部/ 未全部达到合格要求,所以核查为合格/ 不合格。
☐所报分部(子分部)工程的技术资料齐全,且符合/ 不符合要求,经现场检测、核查合格/ 不合格。
项目监理机构(章) :总/专业监理工程师:日期:表242-4室内排水管道及配件安装检验批质量验收记录工程名称东泰和苑小区10号楼分项工程名称排水管道及配件安装验收部位±0.000以下施工单位邢台宏发建筑工程有限公司项目经理郑艳增施工执行标准名称及编号建筑给水排水及采暖工程施工质量验收规范(GB50242-2002)专业工长白振华分包单位分包项目经理吴青山施工班组长吴青山检控项目序号质量验收规范的规定施工单位检查评定记录监理(建设)单位验收记录主控项目1 排水管道的灌水试验 5.2.1条符合规范规定符合要求2 生活污水铸铁管道坡度 5.2.2条3 生活污水塑料管道坡度 5.2.3条符合规范规定4 排水塑料管装设伸缩节 5.2.4条5 排水管道的通球试验 5.2.5条一般项1 检查口或清扫口设置 5.2.6条符合2 排水管道检查口设置原则 5.2.7条3 吊钩或卡箍固定与设置 5.2.8条续表242-4 室内排水管道及配件安装检验批质量验收记录目4 塑料管道的支、吊架间距 5.2.9条 要 求5 排水通气管连接规定 5.2.10条6 医院含菌污水管道 5.2.11条7 饮食业的排水管、溢流管 5.2.12条8 通向室外排水管的连接 5.2.13条 符合规范规定 9 通向室外排水检查井的排水管 5.2.14条 符合规范规定 10 室内排水管道的连接要求 5.2.15条符合规范规定工程名称 东泰和苑小区10号楼分项工程名称 排水管道及配件安装 验收部位±0.000以下施工单位邢台宏发建筑工程有限公司项目经理郑艳增施工执行标准名称及编号建筑给水排水及采暖工程施工质量验收规范(GB50242-2002) 专业工长 白振华分包单位 分包项目经理吴青山 施工班组长 吴青山检控 项目 序 号 质量验收规范的规定 施工单位检查评定记录监理(建设)单位验收记录一般 项 目11 室内排水管道安装 允许偏差(mm) 量 测 值(mm ) 符 合 要 求1)坐 标 15 3 53 5 6 3 0 7 8 102) 标 高±15 3 -3 -5 ○16 -6 5 -6 8 -3 0 3) 横管纵横方向弯曲铸铁管每1m≯1全长(25m 以上) ≯25 钢管每1m管径小于 或100mm1 管径大于 或100mm 1.5 全长(25m以上) 管径小于或100mm ≯25 管径大于或100mm≯38表C2-17-2排水管道灌水试验记录工程名称东泰和苑小区10号楼试验日期2011年4月4日试验部位±0.00以下依据标准GB50242-2002编号规范或设计要求试验备注规格材质允许渗水量计量时间实际渗水量试验时间通水情况W1 110 PVC0 15min 0塑料管每1m 1.5全长(25m以上)≯38钢筋混凝土、混凝土管每1m 3 全长(25m以上)≯754) 立管垂直度铸铁管每1m 3全长(5m以上)≯15钢管每1m 3全长(5m以上)≯10塑料管每1m 3 2 2 1 0 2 0 1 0 2 3 全长(5m以上)≯15施工单位检查评定结果主控项目合格,一般项目符合规范和设计要求项目专业质量员:2011年4月4日监理(建设)单位验收结论监理工程师(建设单位项目专业技术负责人):年月日W2 110 PVC0 15min 0W3 110 PVC0 15min 0W4 110 PVC0 15min 0W5 110 PVC0 15min 0W6 110 PVC0 15min 0W7 110 PVC0 15min 0W8 110 PVC0 15min 0W9 110 PVC0 15min 0W1 0 11PVC0 15min 0W1 1 11PVC0 15min 0W1 2 11PVC0 15min 0W1 3 11PVC0 15min 0W1 4 11PVC0 15min 0W1 5 11PVC0 15min 0评定意见:灌水试验情况良好,符合标准要求2011年4月4日参加人监理(建设)施工单位专业技术负质检员试验员表C2-17-2排水管道灌水试验记录工程名称东泰和苑小区10号楼试验日期2011年4月4日试验部位±0.00以下依据标准GB50242-2002编号规范或设计要求试验备注规格材质允许渗水量计量时间实际渗水量试验时间通水情况W1 6 11PVC0 15min 0W1 7 11PVC0 15min 0W1 8 11PVC0 15min 0W1 9 11PVC0 15min 0W2 0 11PVC0 15min 0W2 1 11PVC0 15min 0W2 2 11PVC0 15min 0W2 3 11PVC0 15min 0W2 4 11PVC0 15min 0W2 5 11PVC0 15min 0W2 6 11PVC0 15min 0W2 7 11PVC0 15min 0W2 8 11PVC0 15min 0W2 9 11PVC0 15min 0W3 0 11PVC0 15min 0评定意见:灌水试验情况良好,符合标准要求2011年4月4日参加人监理(建设)施工单位专业技术负质检员试验员表B1-- 7 室内排水管道安装分项工程报验单工程名称:东泰和苑小区10号楼编号:致:河北顺诚工程建设项目管理有限公司(监理单位)我单位已完成了室内排水管道安装分项质量验收工程,按设计文件及有关规范进行了自检,质量合格,请予审查和验收。
附件:1、工程质量控制资料2、安全和功能检验(检测)报告3、观感质量验收记录4、隐蔽工程验收记录5、排水管道安装分项质量验收记录承包单位(章) :项目经理:日期:2011年4月14日审查意见:☐所报隐蔽工程的技术资料齐全/ 不齐全,且符合/ 不符合要求,经现场检测、核查合格/ 不合格,同意/ 不同意隐蔽。
☐所报检验批的技术资料齐全/ 不齐全,且符合/ 不符合要求,经现场检测、核查合格/ 不合格,同意/ 不同意进行下道工序。
☐所报检验批的技术资料基本齐全,且基本符合要求,因砂浆/ 混凝土试块强度试验报告未出具,暂同意进行下道工序施工,待砂浆/混凝土试块强度试验报告补后,予以认定。
☐所报分项工程的各验收批的验收资料完整不完整,且全部/ 未全部达到合格要求,所以核查为合格/ 不合格。
☐所报分部(子分部)工程的技术资料齐全,且符合/ 不符合要求,经现场检测、核查合格/ 不合格。
项目监理机构(章) :总/专业监理工程师:日期:表242-4室内排水管道及配件安装检验批质量验收记录工程名称东泰和苑小区10号楼分项工程名称排水管道及配件安装验收部位一单元±0.000以上施工单位邢台宏发建筑工程有限公司项目经理郑艳增施工执行标准名称及编号建筑给水排水及采暖工程施工质量验收规范(GB50242-2002)专业工长白振华分包单位分包项目经理吴青山施工班组长吴青山检控项目序号质量验收规范的规定施工单位检查评定记录监理(建设)单位验收记录主控项目1 排水管道的灌水试验 5.2.1条符合规范规定符合要求2 生活污水铸铁管道坡度 5.2.2条3 生活污水塑料管道坡度 5.2.3条符合规范规定4 排水塑料管装设伸缩节 5.2.4条符合规范规定5 排水管道的通球试验 5.2.5条符合规范规定一般1 检查口或清扫口设置 5.2.6条符合规范规定符2 排水管道检查口设置原则 5.2.7条符合规范规定续表242-4 室内排水管道及配件安装检验批质量验收记录项 目3 吊钩或卡箍固定与设置 5.2.8条 符合规范规定 合 要 求4 塑料管道的支、吊架间距 5.2.9条 符合规范规定5 排水通气管连接规定 5.2.10条 符合规范规定6 医院含菌污水管道 5.2.11条7 饮食业的排水管、溢流管 5.2.12条8 通向室外排水管的连接 5.2.13条9 通向室外排水检查井的排水管 5.2.14条10 室内排水管道的连接要求 5.2.15条符合规范规定工程名称 东泰和苑小区10号楼分项工程名称 排水管道及配件安装 验收部位 一单元±0.000以上施工单位邢台宏发建筑工程有限公司项目经理郑艳增施工执行标准名称及编号建筑给水排水及采暖工程施工质量验收规范(GB50242-2002) 专业工长 白振华分包单位 分包项目经理施工班组长 吴青山检控 项目 序 号 质量验收规范的规定 施工单位检查评定记录监理(建设)单位验收记录一般项 目 11 室内排水管道安装 允许偏差(mm)量 测 值(mm ) 符合 要 求 1) 坐 标15 4 3 5 ○16 6 2 1 1 2 2 2) 标 高±15 3 -5 4 6 -2 -2 3 3 5 -5 3) 横管纵横方向弯曲 铸铁管 每1m ≯1 全长(25m 以上) ≯25 钢管 每1m 管径小于或100mm1 管径大于 或100mm1.5 全长(25m 管径小于或100mm≯25表C2-17-2排水管道灌水试验记录工程名称大良村新社区1#楼试验日期2013年9月24日试验部位一单元排水系统依据标准GB50242-2002编号规范或设计要求试验备注规格材质允许渗水量计量时间实际渗水量试验时间通水情况以上) 管径大于或100mm≯38塑料管每1m 1.5 0.6 0.5 1 0.2 0.1 0.3 0.8 0.6 1.6 0.5全长(25m以上)≯38钢筋混凝土、混凝土管每1m 3全长(25m以上)≯754) 立管垂直度铸铁管每1m 3全长(5m以上)≯15钢管每1m 3全长(5m以上)≯10塑料管每1m 3 1 2 2 1 1 1 2 ○4 1 1 全长(5m以上)≯15施工单位检查评定结果主控项目合格,一般项目符合规范和设计要求项目专业质量员:2011年4月6日监理(建设)单位验收结论监理工程师(建设单位项目专业技术负责人):年月日11 0 PVC0 15min 020min 良好11 0 PVC0 15min 020min 良好11 0 PVC0 15min 020min良好11 0 PVC0 15min 020min 良好11 0 PVC0 15min 020min 良好11 0 PVC0 15min 020min良好评定意见:灌水试验情况良好,符合标准要求2013年9月24日参加人员监理(建设)施工单位专业技术负质检员试验员续表242-4室内排水管道及配件安装检验批质量验收记录工程名称东泰和苑小区10号楼分项工程名称排水管道及配件安装验收部位二单元±0.000以上施工单位邢台宏发建筑工程有限公司项目经理郑艳增施工执行标准名称及编号建筑给水排水及采暖工程施工质量验收规范(GB50242-2002)专业工长白振华分包单位分包项目经理施工班组长吴青山表C2-17-2给排水管道灌水试验记录工程名称大良村新社区1#楼试验日期2013年9月24日检控项目序号质量验收规范的规定施工单位检查评定记录监理(建设)单位验收记录一般项目11 室内排水管道安装允许偏差(mm)量测值(mm)符合要求1) 坐标15 5 6 9 8 5 3 ○16 2 5 62) 标高±15 -5 9 8 6 -3 3 -2 3 5 -33)横管纵横方向弯曲铸铁管每1m ≯1全长(25m以上)≯25钢管每1m管径小于或100mm1管径大于或100mm1.5全长(25m以上)管径小于或100mm≯25管径大于或100mm≯38塑料管每1m 1.5 1 0.6 .0.5 0.5 0.6 0.2 0.1 1 0.9 1.5全长(25m以上)≯38钢筋混凝土、混凝土管每1m 3全长(25m以上)≯754)立管垂直度铸铁管每1m 3全长(5m以上)≯15钢管每1m 3全长(5m以上)≯10塑料管每1m 3 1 1 2 3 1 2 3 2 2 1全长(5m以上)≯15施工单位检查评定结果主控项目合格,一般项目符合规范和设计要求项目专业质量员:2011年4月8日监理(建设)单位验收结论监理工程师(建设单位项目专业技术负责人):年月日试验部位二单元排水系统依据标准GB50242-2002编号规范或设计要求试验备注规格材质允许渗水量计量时间实际渗水量试验时间通水情况11PVC0 15min 020min 良好11PVC0 15min 020min 良好11PVC0 15min 020min良好11PVC0 15min 020min良好11PVC0 15min 020min良好11PVC0 15min 020min良好评定意见:通水试验情况良好,符合标准要求2013年9月24日参监理(建设)施工单位专业技术负质检员试验员加人续表242-4室内排水管道及配件安装检验批质量验收记录工程名称东泰和苑小区10号楼分项工程名称排水管道及配件安装验收部位三单元±0.00以上施工单位邢台宏发建筑工程有限公司项目经理郑艳增施工执行标准名称及编号建筑给水排水及采暖工程施工质量验收规范(GB50242-2002)专业工长白振华分包单位分包项目经理施工班组长吴青山检控项目序号质量验收规范的规定施工单位检查评定记录监理(建设)单位验收记录一般项目11 室内排水管道安装允许偏差(mm)量测值(mm)符合要求1) 坐标15 3 4 5 3 9 6 10 8 4 12) 标高±15 1 6 7 9 2 3 5 7 10 153)横管纵横方向弯曲铸铁管每1m ≯1全长(25m以上)≯25钢管每1m管径小于或100mm1管径大于或100mm1.5全长(25m以上)管径小于或100mm≯25管径大于或100mm≯38塑料管每1m 1.5 1 0.5 0.6 0.2 0.3 0.5 1.2 0.1 0.2 0.4全长(25m以上)≯38钢筋混凝土、混凝土管每1m 3全长(25m以上)≯754)立管垂直度铸铁管每1m 3全长(5m以上)≯15钢管每1m 3全长(5m以上)≯10塑料管每1m 3 ○4 1 2 2 3 2 2 1 1 3全长(5m以上)≯15施工单位检查评定结果主控项目合格,一般项目符合规范和设计要求项目专业质量员:2011年4月10日表C2-17-2排水管道灌水试验记录工程名称大良村新社区1#楼试验日期2013年9月27日试验部位三单元排水系统依据标准GB50242-2002编号规范或设计要求试验备注规格材质允许渗水量计量时间实际渗水量试验时间通水情况11PVC0 15min 020min 良好11PVC0 15min 020min 良好11PVC0 15min 020min良好11PVC0 15min 020min良好11PVC0 15min 020min良好11PVC0 15min 020min良好监理(建设)单位验收结论监理工程师(建设单位项目专业技术负责人):年月日评定意见:通水试验情况良好,符合标准要求。