弱电工程符号大全
- 格式:doc
- 大小:1.72 MB
- 文档页数:14
13.1常用图例符号表13.1.1~表13.1.3所列为弱电工程常用图例符号表13.1.1建筑弱电工程常用图例符号一一火灾自动报警防烟防火阀(24V 控制,70 C 熔断关闭)45. GB/T 、ISO 应急疏散指示标志灯 (向右)46. GB/T 、ISO应急疏散指示标志灯(向左)49. GB/T 、ISO 配电箱(切断非消防电源用)注:K 空调机电控箱P 一排烟或排风机电控箱J ――正压送风机或进风机 电控箱XFB ――消防泵电控箱 PLB ――喷淋泵电控箱38.39.防火阀(280 C 熔断关闭) 28040.防烟防火阀(24V 控制,280 C熔断关闭)41. 排烟防火阀42. 增压送风口43. 排烟口44. GB/T 、ISO 应急疏散指示标志灯 EEL50.电控箱(电梯迫降)LT52. 紧急启、停按钮EEL ----- >EEL47. GB/T 、ISO 应急疏散照明灯 EL48. GB/T 、ISO消火栓51.电控箱24.25.26.27.28.29.30.31.32.33.34.35.36.37.38.带火灾事故广播的分路广播控制盘火灾事故广播切换器火灾事故广播联动控制信号源蓄电池直流配电盘直流稳压电源广播分线箱端子箱端子板继电器线圈匹配电阻、匹配负载仲.方理保安器广播线路调频调幅DCGV1234567FMAM表13.1.3建筑弱电工程常用图例符号一一电视系统2 a5678910 11 12d B1314dH15序号 名称 信号分支一般符号天线一般符号 般符号图形符号 备注1. GB/T 、IEC带矩形波导馈线的抛物面天线 3. GB/T 、IEC4. GB/T 、IEC混合网络系统出现端可变均衡器放大器一般符号 二路分配器三路分配器四路分配器定向耦合器均衡器衰减器可变衰减器高通滤波器中断器,16. 低通滤波器17. 带通滤波器18. 带阻滤波器19. 陷波器20. 调制器、调节器或鉴别器般付号21. 匹配终端22. 彩色电视接收机23. 卫星电视接收机24. 线路供电器(示出交流型)25. 供电阻断器(示在一条分配馈线上)26. 有限电视接收天线27. 高频避雷器28. 视频通路(电视)29. 光纤或光缆一般符号30. 光发射机-- *31. 光接收机32.GB 光电转换器33.GB 电光转换器表13.1.4建筑弱电工程常用图例符号一一电话通信系统图形符号备注1. 建筑群配线架CD2. 主配线架3. 楼层配线架4. 程控交换机HUB5. 集线器6. 光缆配线设备7. 信息插座8. 综合布线接口9. 架空交接箱10. 落地交接箱11. 壁龛交接箱LIUA B>< A :编号B :容量A :编号B :容量A :编号B :容量。
13.1常用图例符号表13.1.1~表13.1.3所列为弱电工程常用图例符号表13.1.1 建筑弱电工程常用图例符号——火灾自动报警表13.1.2 建筑弱电工程常用图例符号——公共广播表13.1.3建筑弱电工程常用图例符号——电视系统序号名称图形符号备注1. GB/T、IEC 天线一般符号2. 带矩形波导馈线的抛物面天线3. GB/T、IEC 放大器一般符号中断器一般符号4. GB/T、IEC 混合网络5. 二路分配器6. 三路分配器7. 四路分配器8. 定向耦合器9. 信号分支一般符号10. 系统出现端11. 均衡器12. 可变均衡器13. 衰减器14. 可变衰减器15. 高通滤波器16. 低通滤波器17. 带通滤波器18. 带阻滤波器19. 陷波器20. 调制器、调节器或鉴别器一般符号21. 匹配终端22. 彩色电视接收机23. 卫星电视接收机s24. 线路供电器(示出交流型)25. 供电阻断器(示在一条分配馈线上)26. 有限电视接收天线27. 高频避雷器28. 视频通路(电视)V29. 光纤或光缆一般符号30. 光发射机31. 光接收机32.GB 光电转换器33.GB 电光转换器表13.1.4建筑弱电工程常用图例符号——电话通信系统序号名称图形符号备注1. 建筑群配线架2. 主配线架3. 楼层配线架4. 程控交换机5. 集线器6. 光缆配线设备7. 信息插座8. 综合布线接口9. 架空交接箱A:编号B:容量10. 落地交接箱A:编号B:容量11. 壁龛交接箱A:编号B:容量12. 挂墙交接箱A:编号B:容量13. 电信插座一般符号14. 电话出线盒15. 电话机一般符号16. 按键式电话机17. 传真机一般符号。
弱电工程图例符号大全弱电一般是指直流电路或音频、视频线路、网络线路、电话线路,直流电压一般在36V以内。
家用电器中的电话、电脑、电视机的信号输入(有线电视线路)、音响设备(输出端线路)等用电器均为弱电电气设备。
符号是指具有某种代表意义或性质的标识。
来源于规定或者约定俗成,其形式简单,种类繁多,用途广泛,具有很强的艺术魅力。
而弱电符号则为弱电工程术语的简洁表达方式,为日常表达图纸的设计提供标准支持。
1.RVS(2*1.0)+UTP-5 RVB 平行多股软线,两根芯线是平行包在护套中的;RVS 对绞多股软线,就是将RVB的软芯撕开,对绞,一般用为电话线、音响线(扩音线);(2*1.0) 成品外径(宽度×厚度)/mm ;UTP-5 五类(非屏蔽-两对)网络线; 2.SYWV-75-5-SC15:根据字面的意思可理解成型号为sywv-75-5电视线穿钢管,15应该是钢管的直径。
3.UTP-6+HPV-2*2*0.5-SC20;理解成六类网线和电话线穿钢管。
2*2*0.5应该是两根两芯0.5平方毫米的电话线,20应该是钢管的直径。
4.ZR-RVS-2*1.5;在计算工程量时一根管对应一根线,2X1.5是两芯截面1.5的,是一根。
5.ZBN-RVS-4*1.5;在计算工程量时是按几根算, 管线是1m, 这个是信号线,双铰线。
按一根计算就是1m. 6.消防里的ZR-RVS 2×1.5 的RNS的含义是:ZR 阻燃;RVS 全称为:铜芯聚氯乙烯绝缘绞型连接用软电线、对绞多股软线,简称双绞线,俗称麻花线。
字母S代表双绞线;字母R代表软线;字母V代表聚氯乙烯(绝缘体);这种线多用于消防火灾自动报警系统的探测器线路 7.智能弱电中RVVP 4×16/0.15 (4×0.30mm?)四芯圆形护套屏蔽电线。
适用12-125 RVV2×16/0.15(2×0.3 mm?)扁型电源线适用2-1877;RVS2*1.5是背景音乐广播线适用2-1877 8.RVVP4*16/0.15 即“4(芯)乘0.3(平方毫米)屏蔽(聚氯乙烯)护套软线,其中每个字母的含义如下: 多线芯软线(型号中第1位字母,R),聚氯乙烯绝缘(型号中第2位字母,V),聚氯乙烯护套(型号中第3位字母,V),铜软线或镀锡软铜线编织屏蔽(型号中第4位字母,P),带绝缘层的线芯数4芯(型号中第5位字母,4),缘层内的导体线芯数16芯(型号中第7、8位字母,16),缘层内的导体线芯直径0.15mm(型号中第10~13位字母,0.15)。
弱电工程图例符号大全弱电一般是指直流电路或音频、视频线路、网络线路、电话线路,直流电压一般在36V以内。
家用电器中的电话、电脑、电视机的信号输入(有线电视线路)、音响设备(输出端线路)等用电器均为弱电电气设备。
符号是指具有某种代表意义或性质的标识。
来源于规定或者约定俗成,其形式简单,种类繁多,用途广泛,具有很强的艺术魅力。
而弱电符号则为弱电工程术语的简洁表达方式,为日常表达图纸的设计提供标准支持。
1.RVS(2*1.0)+UTP-5 RVB 平行多股软线,两根芯线是平行包在护套中的;RVS 对绞多股软线,就是将RVB的软芯撕开,对绞,一般用为电话线、音响线(扩音线);(2*1.0) 成品外径(宽度×厚度)/mm ;UTP-5 五类(非屏蔽-两对)网络线; 2.SYWV-75-5-SC15:根据字面的意思可理解成型号为sywv-75-5电视线穿钢管,15应该是钢管的直径。
3.UTP-6+HPV-2*2*0.5-SC20;理解成六类网线和电话线穿钢管。
2*2*0.5应该是两根两芯0.5平方毫米的电话线,20应该是钢管的直径。
4.ZR-RVS-2*1.5;在计算工程量时一根管对应一根线,2X1.5是两芯截面1.5的,是一根。
5.ZBN-RVS-4*1.5;在计算工程量时是按几根算, 管线是1m, 这个是信号线,双铰线。
按一根计算就是1m. 6.消防里的ZR-RVS 2×1.5 的RNS的含义是:ZR 阻燃;RVS 全称为:铜芯聚氯乙烯绝缘绞型连接用软电线、对绞多股软线,简称双绞线,俗称麻花线。
字母S代表双绞线;字母R代表软线;字母V代表聚氯乙烯(绝缘体);这种线多用于消防火灾自动报警系统的探测器线路 7.智能弱电中RVVP 4×16/0.15 (4×0.30mm?)四芯圆形护套屏蔽电线。
适用12-125 RVV2×16/0.15(2×0.3 mm?)扁型电源线适用2-1877;RVS2*1.5是背景音乐广播线适用2-1877 8.RVVP4*16/0.15 即“4(芯)乘0.3(平方毫米)屏蔽(聚氯乙烯)护套软线,其中每个字母的含义如下: 多线芯软线(型号中第1位字母,R),聚氯乙烯绝缘(型号中第2位字母,V),聚氯乙烯护套(型号中第3位字母,V),铜软线或镀锡软铜线编织屏蔽(型号中第4位字母,P),带绝缘层的线芯数4芯(型号中第5位字母,4),缘层内的导体线芯数16芯(型号中第7、8位字母,16),缘层内的导体线芯直径0.15mm(型号中第10~13位字母,0.15)。
一,导线穿管表示SC-焊接钢管MT-电线管PC-PVC塑料硬管FPC-阻燃塑料硬管CT-桥架MR-金属线槽M-钢索CP-金属软管PR-塑料线槽RC-镀锌钢管二,导线敷设方式的表示DB-直埋TC-电缆沟BC-暗敷在梁内CLC-暗敷在柱内WC-暗敷在墙内CE-沿天棚顶敷设CC-暗敷在天棚顶内SCE-吊顶内敷设F-地板及地坪下SR-沿钢索BE-沿屋架,梁SR:沿钢线槽敷设BE:沿屋架或跨屋架敷设CLE:沿柱或跨柱敷设WE:沿墙面敷设CE:沿天棚面或顶棚面敷设ACE:在能进入人的吊顶内敷设BC:暗敷设在梁内CLC:暗敷设在柱内WC:暗敷设在墙内CC:暗敷设在顶棚内ACC:暗敷设在不能进入的顶棚内FC:暗敷设在地面内SCE:吊顶内敷设,要穿金属管WE-沿墙明敷沿屋架或跨屋架:BE沿柱或跨柱:CLE穿焊接钢管敷设:SC穿电线管敷设:MT穿硬塑料管敷设:PC穿阻燃半硬聚氯乙烯管敷设:FPC电缆桥架敷设:CT金属线槽敷设:MR塑料线槽敷设:PR用钢索敷设:M穿聚氯乙烯塑料波纹电线管敷设:KPC穿金属软管敷设:CP直接埋设:DB电缆沟敷设:TC导线敷设部位的标注沿或跨梁(屋架)敷设:AB暗敷在梁内:BC沿或跨柱敷设:AC暗敷设在柱内:CLC沿墙面敷设:WS暗敷设在墙内:WC沿天棚或顶板面敷设:CE暗敷设在屋面或顶板内:CC吊顶内敷设:SCE地板或地面下敷设:FC三,灯具安装方式的表示CS-链吊DS-管吊W-墙壁安装C-吸顶R-嵌入S-支架CL-柱上四、电气设备HSM8-63C/3PDTQ30-32/2P 这两个应该是两种塑壳断路器的型号,HSM8-63C/3P 适用于照明回路中,为3极开关,额定电流为63A(3联开关)DTQ30-32/2P 也是塑壳断路器的一种,额定电流32A,2极开关五、电缆电线型号含义:R-连接用软电缆(电线),软结构。
V-绝缘聚氯乙烯。
V-聚氯乙烯绝缘V-聚氯乙烯护套B-平型(扁形)。
S-双绞型。
最全弱电图纸中敷设方式符号表示大全经常有弱电朋友在后台给我们留言,发送一个弱电符号问我们是什么意思,其实一些电气符号需要大家平时记一下,我们经常看到一些用英文符号表示的线管敷设方式,下面我们就给大家总结了一些常用的符号表示含义,希望能对大家有所帮助。
一、导线穿管表示SC-焊接钢管MT-电线管PC-PVC塑料硬管FPC-阻燃塑料硬管CT-桥架MR-金属线槽M-钢索CP-金属软管PR-塑料线槽RC-镀锌钢管二、导线敷设方式表示DB-直埋TC-电缆沟BC-暗敷在梁内CLC-暗敷在柱内WC-暗敷在墙内CE-沿天棚顶敷设CC-暗敷在天棚顶内SCE-吊顶内敷设F-地板及地坪下SR-沿钢索BE-沿屋架,梁WE-沿墙明敷三、灯具安装方式的表示CS-链吊DS-管吊W-墙壁安装C-吸顶R-嵌入S-支架CL-柱上沿钢线槽:SR沿屋架或跨屋架:BE沿柱或跨柱:CLE穿焊接钢管敷设:SC穿电线管敷设:MT穿硬塑料管敷设:PC穿阻燃半硬聚氯乙烯管敷设:FPC电缆桥架敷设:CT金属线槽敷设:MR塑料线槽敷设:PR用钢索敷设:M穿聚氯乙烯塑料波纹电线管敷设:KPC 穿金属软管敷设:CP直接埋设:DB电缆沟敷设:TC四、导线敷设部位的标注沿或跨梁(屋架)敷设:AB暗敷在梁内:BC沿或跨柱敷设:AC暗敷设在柱内:CLC沿墙面敷设:WS暗敷设在墙内:WC沿天棚或顶板面敷设:CE暗敷设在屋面或顶板内:CC吊顶内敷设:SCE地板或地面下敷设:FCHSM8-63C/3PDTQ30-32/2P 这两个应该是两种塑壳断路器的型号,HSM8-63C/3P 适用于照明回路中,为3极开关,额定电流为63A (3联开关)DTQ30-32/2P 也是塑壳断路器的一种,额定电流32A,2极开关其他那些符号都是关于导线穿管和敷设方式的一些表示方法,你对照着查一下。
五、导线型号的含义R-连接用软电缆(电线),软结构。
V-绝缘聚氯乙烯。
V-聚氯乙烯绝缘V-聚氯乙烯护套B-平型(扁形)。
弱电工程符号大全SR:沿钢线槽敷设BE:沿屋架或跨屋架敷设CLE:沿柱或跨柱敷设WE:沿墙面敷设CE:沿天棚面或顶棚面敷设ACE:在能进入人的吊顶内敷设BC:暗敷设在梁内CLC:暗敷设在柱内WC:暗敷设在墙内CC:暗敷设在顶棚内ACC:暗敷设在不能进入的顶棚内FC:暗敷设在地面内SCE:吊顶内敷设,要穿金属管一、导线穿管表示SC-焊接钢管MT-电线管PC-PVC塑料硬管FPC-阻燃塑料硬管CT-桥架MR-金属线槽M-钢索CP-金属软管PR-塑料线槽RC-镀锌钢管二、导线敷设方式的表示DB-直埋TC-电缆沟BC-暗敷在梁内CLC-暗敷在柱内WC-暗敷在墙内CE-沿天棚顶敷设CC-暗敷在天棚顶内SCE-吊顶内敷设F-地板及地坪下SR-沿钢索BE-沿屋架,梁WE-沿墙明敷三、灯具安装方式的表示CS-链吊DS-管吊W-墙壁安装C-吸顶R-嵌入S-支架CL-柱上沿钢线槽:SR沿屋架或跨屋架:BE沿柱或跨柱:CLE穿焊接钢管敷设:SC穿电线管敷设:MT穿硬塑料管敷设:PC穿阻燃半硬聚氯乙烯管敷设:FPC电缆桥架敷设:CT金属线槽敷设:MR塑料线槽敷设:PR用钢索敷设:M穿聚氯乙烯塑料波纹电线管敷设:KPC穿金属软管敷设:CP直接埋设:DB电缆沟敷设:TC导线敷设部位的标注沿或跨梁(屋架)敷设:AB暗敷在梁内:BC沿或跨柱敷设:AC暗敷设在柱内:CLC沿墙面敷设:WS暗敷设在墙内:WC沿天棚或顶板面敷设:CE暗敷设在屋面或顶板内:CC吊顶内敷设:SCE地板或地面下敷设:FC矿用铠装控制电缆;MKVV22,MKVV32 2*0.5,3*0.75,4*4,------37*1.5mm 铠装控制电缆;KVV22,KVV32,KVVR22 2*0.5,3*0.75,4*4,------37*1.5mm 铠装屏蔽控制电缆KVVP-22,RVVP-22,KVVRP-22,KVVP2-22,KVVRP2-222*0.5,3*0.75,4*4,------37*1.5mm铠装阻燃控制电缆;ZR-KVV22,ZR-KVV32,ZR-KVVR222*0.5,3*0.75,4*4,------37*1.5mm铠装阻燃屏蔽控制电缆;ZR-KVVP22,ZR-KVVRP22,ZR-KVVP2-22,ZR-KVVRP2-222*0.5,3*0.75,4*4,------37*1.5mm铠装通信电缆;HYA22,HYA23,HYA53,HYV22,HYV23 5对,10对------2400对,0.4-0.5-0.6-0.7-0.8-0.9线径铠装充油通信电缆;HYAT22,HYAT23,NYAT53 5对,10对------800对0.4-0.5-0.6-0.7-0.8-0.9线径铠装阻燃通信电缆;ZR-HYA22,ZR-HYA23,ZR-HYA53,WDZ-HYA23,WDZ-HYA535对,10对------2400对,0.4-0.5-0.6-0.7-0.8-0.9线径矿用铠装阻燃通信电缆;MHYA22,MHYV22,MHYA32,MHYV325对,10对------200对,0.5-0.6-0.7-0.8-0.9-1.0线径铠装计算机电缆;DJYVP22,ZR-DJYVP22,DJYVRP22,DJYPV22,ZR-DJYPV22DJYPVR22DJYPVP22,DJYPVRP22,ZR-DJYPVP22,ZR-DJYPVPR221*2*0.75 2*2*1.0 3*2*1.5 ------30*2*1.5mm铠装铁路信号电缆;PZY23,PTY23,PZY22,PTY22,PZYH23,PTYH23PZYA23,PZYA22,PZYAH22,PTYAH22,PTYAH32,PZY324芯-6芯-8芯-9芯------6线缆型号含义:R-连接用软电缆(电线),软结构。
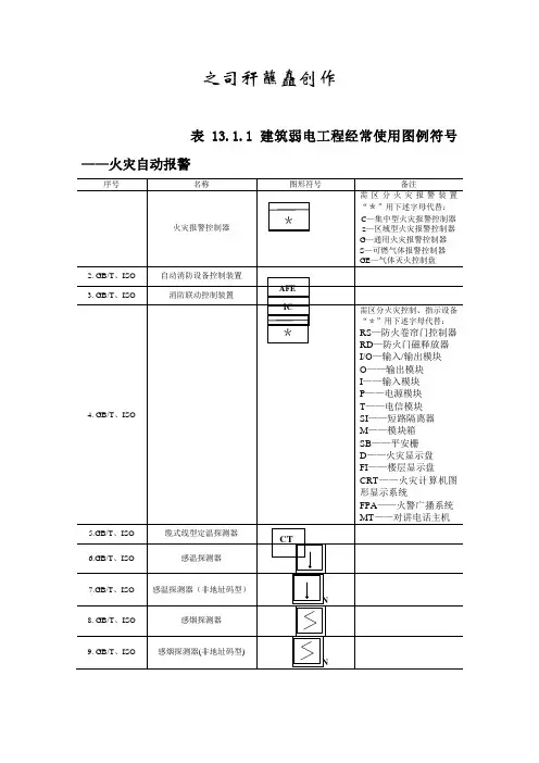
之司秆蘸矗创作表13.1.1 建筑弱电工程经常使用图例符号——火灾自动报警——公共广播31. 端子箱XT32. 端子板1 2 3 4 5 6 733. 继电器线圈34. 匹配电阻、匹配负载35. 保安器36. 广播线路B37. 调频FM38. 调幅AM——电视系统序号名称图形符号备注1. GB/T、IEC 天线一般符号2. 带矩形波导馈线的抛物面天线3. GB/T、IEC 放大器一般符号中断器一般符号4. GB/T、IEC 混合网络5. 二路分配器6. 三路分配器7. 四路分配器8. 定向耦合器9. 信号分支一般符号10. 系统出现端11. 均衡器12. 可变均衡器13. 衰减器14. 可变衰减器15. 高通滤波器16. 低通滤波器17. 带通滤波器18. 带阻滤波器19. 陷波器20. 调制器、调节器或鉴别器一般符号21. 匹配终端22. 黑色电视接收机23. 卫星电视接收机s24. 线路供电器(示出交流型)25. 供电阻断器(示在一条分配馈线上)26. 有限电视接收天线27. 高频避雷器28. 视频通路(电视)V29. 光纤或光缆一般符号30. 光发射机31. 光接收机光电转换器电光转换器——电话通信系统序号名称图形符号备注1. 建筑群配线架2. 主配线架3. 楼层配线架4. 程控交换机5. 集线器6. 光缆配线设备7. 信息插座8. 综合布线接口9. 架空交接箱A:编号B:容量10. 落地交接箱A:编号B:容量11. 壁龛交接箱A:编号B:容量12. 挂墙交接箱A:编号B:容量13. 电信插座一般符号14. 电话出线盒15. 电话机一般符号16. 按键式电话机17. 传真机一般符号。
常见弱电符号大全弱电一般就是指直流电路或音频、视频线路、网络线路、电话线路,直流电压一般在36V以内。
家用电器中得电话、电脑、电视机得信号输入(有线电视线路)、音响设备(输出端线路)等用电器均为弱电电气设备。
符号就是指具有某种代表意义或性质得标识。
来源于规定或者约定俗成,其形式简单,种类繁多,用途广泛,具有很强得艺术魅力。
而弱电符号则为弱电工程术语得简洁表达方式,为日常表达图纸得设计提供标准支持。
1、RVS(2*1、0)+UTP-5RVB 平行多股软线,两根芯线就是平行包在护套中得;RVS 对绞多股软线,就就是将RVB得软芯撕开,对绞,一般用为电话线、音响线(扩音线);(2*1、0) 成品外径(宽度×厚度)/mm ;UTP-5 五类(非屏蔽-两对)网络线;2、SYWV-75-5-SC15:根据字面得意思可理解成型号为sywv-75-5电视线穿钢管,15应该就是钢管得直径。
3、UTP-6+HPV-2*2*0、5-SC20;理解成六类网线与电话线穿钢管。
2*2*0、5应该就是两根两芯0、5平方毫米得电话线,20应该就是钢管得直径。
4、ZR-RVS-2*1、5;在计算工程量时一根管对应一根线,2X1、5就是两芯截面1、5得,就是一根。
5 ZBN-RVS-4*1、5;在计算工程量时就是按几根算, 管线就是1m, 这个就是信号线,双铰线。
按一根计算就就是1m、6 消防里得 ZR-RVS 2×1、5 得RNS得含义就是:ZR 阻燃;RVS 全称为:铜芯聚氯乙烯绝缘绞型连接用软电线、对绞多股软线,简称双绞线,俗称麻花线。
字母S代表双绞线;字母R代表软线;字母V代表聚氯乙烯(绝缘体);这种线多用于消防火灾自动报警系统得探测器线路7、智能弱电中RVVP 4×16/0、15 (4×0、30mm?)四芯圆形护套屏蔽电线。
适用12-125RVV2×16/0、15(2×0、3 mm?)扁型电源线适用2-1877;RVS2*1、5就是背景音乐广播线适用2-18778、RVVP4*16/0、15 即“4(芯)乘0、3(平方毫米)屏蔽(聚氯乙烯)护套软线,其中每个字母得含义如下:多线芯软线(型号中第1位字母,R),聚氯乙烯绝缘(型号中第2位字母,V),聚氯乙烯护套(型号中第3位字母,V),铜软线或镀锡软铜线编织屏蔽(型号中第4位字母,P),带绝缘层得线芯数4芯(型号中第5位字母,4),缘层内得导体线芯数16芯(型号中第7、8位字母,16),缘层内得导体线芯直径0、15mm(型号中第10~13位字母,0、15)。
弱电图纸符号大全概述在弱电工程设计中,图纸是非常重要的工具。
通过图纸,工程师可以清晰地了解弱电系统的布置和连接方式。
为了统一符号的使用,各个行业相关组织制定了相应的弱电图纸符号标准。
本文将介绍弱电工程设计中常用的符号,帮助读者更好地理解和使用弱电图纸符号。
1. 通用符号在弱电工程设计中,有一些通用的符号被广泛使用。
下面是一些常见的通用符号及其意义:•电源符号电源符号用来表示弱电系统的电源装置。
通常使用简单的线段和加号来表示,代表正极、负极以及电源之间的连接。
示例:+-------|--------•开关符号开关符号用来表示弱电系统中的开关装置,用于控制电路的通断。
通常使用一个实心的圆圈来表示。
示例:O•灯和指示符号灯和指示符号用来表示弱电系统中的灯和指示装置,用于显示电路的状态。
通常使用一个实心的圆圈加上特定的标识来表示。
示例:○•传感器符号传感器符号用来表示弱电系统中的各种传感器设备,如温度传感器、湿度传感器等。
不同类型的传感器使用不同的标识来表示。
示例:T2. 数据通信符号在弱电工程设计中,数据通信是一个重要的部分。
下面是一些常见的数据通信符号及其意义:•网络符号网络符号用来表示弱电系统中的网络设备,如交换机、路由器等。
不同类型的网络设备使用不同的标识来表示。
示例:S•数据线符号数据线符号用来表示弱电系统中的数据传输线路。
使用一条直线来表示数据线,可以根据需要添加不同的标识来表示数据传输的类型。
示例:-----•光纤符号光纤符号用来表示弱电系统中的光纤传输线路。
使用一条波浪线来表示光纤,可以根据需要添加不同的标识来表示不同的光纤类型。
示例:~~~~~3. 安防系统符号安防系统是弱电系统的一个重要应用领域,有着独特的符号标准。
下面是一些常见的安防系统符号及其意义:•摄像头符号摄像头符号用来表示弱电系统中的摄像头设备,用于监控和录像。
通常使用一个小圆圈和一个房子标识来表示。
示例:○/ \\•报警器符号报警器符号用来表示弱电系统中的报警器设备。
强弱电符号大全很多朋友经常问到,sc、DB、DC等符号是什么意思,其实这些都是弱电和强电常用符号,那么我们今天来一起了解下。
一,导线穿管表示SC-焊接钢管MT-电线管PC-PVC塑料硬管FPC-阻燃塑料硬管CT-桥架MR-金属线槽M-钢索CP-金属软管PR-塑料线槽RC-镀锌钢管二、导线敷设方式的表示DB-直埋TC-电缆沟BC-暗敷在梁内CLC-暗敷在柱内WC-暗敷在墙内CE-沿天棚顶敷设CC-暗敷在天棚顶内SCE-吊顶内敷设F-地板及地坪下SR-沿钢索BE-沿屋架,梁WE-沿墙明敷三、灯具安装方式的表示CS-链吊DS-管吊W-墙壁安装C-吸顶R-嵌入S-支架CL-柱上沿钢线槽:SR沿屋架或跨屋架:BE沿柱或跨柱:CLE穿焊接钢管敷设:SC穿电线管敷设:MT穿硬塑料管敷设:PC穿阻燃半硬聚氯乙烯管敷设:FPC电缆桥架敷设:CT金属线槽敷设:MR塑料线槽敷设:PR用钢索敷设:M穿聚氯乙烯塑料波纹电线管敷设:KPC 穿金属软管敷设:CP直接埋设:DB电缆沟敷设:TC导线敷设部位的标注沿或跨梁(屋架)敷设:AB暗敷在梁内:BC沿或跨柱敷设:AC暗敷设在柱内:CLC沿墙面敷设:WS暗敷设在墙内:WC沿天棚或顶板面敷设:CE暗敷设在屋面或顶板内:CC吊顶内敷设:SCE地板或地面下敷设:FC四、字符电路图符号大全:AAT 电源自动投入装置AC 交流电DC 直流电FU 熔断器G 发电机M 电动机HG 绿灯HR 红灯HW 白灯HP 光字牌K 继电器KA(NZ) 电流继电器(负序零序) KD 差动继电器KF 闪光继电器KH 热继电器KM 中间继电器KOF 出口中间继电器KS 信号继电器KT 时间继电器KV(NZ) 电压继电器(负序零序) KP 极化继电器KR 干簧继电器KI 阻抗继电器KW(NZ) 功率方向继电器(负序零序)KM 接触器KA 瞬时继电器;瞬时有或无继电器;交流继电器KV电压继电器L 线路QF 断路器QS 隔离开关T 变压器TA 电流互感器TV 电压互感器W 直流母线YC 合闸线圈YT 跳闸线圈PQS 有功无功视在功率EUI 电动势电压电流SE 实验按钮SR 复归按钮f 频率Q——电路的开关器件FU——熔断器FR——热继电器KM——接触器KA——1、瞬时接触继电器2、瞬时有或无继电器3、交流继电器KT——延时有或无继电器SB——按钮开关 Q——电路的开关器件FU——熔断器KM——接触器KA——1、瞬时接触继电器2、瞬时有或无继电器3、交流继电器KT——延时有或无继电器SB——按钮开关SA 转换开关电流表 PA电压表 PV有功电度表 PJ无功电度表 PJR频率表 PF相位表 PPA最大需量表(负荷监控仪) PM功率因数表 PPF有功功率表 PW无功功率表 PR无功电流表 PAR声信号 HA光信号 HS指示灯 HL红色灯 HR绿色灯 HG黄色灯 HY蓝色灯 HB白色灯 HW连接片 XB插头 XP插座 XS端子板 XT电线电缆母线 W直流母线 WB插接式(馈电)母线 WIB 电力分支线 WP照明分支线 WL应急照明分支线 WE电力干线 WPM照明干线 WLM应急照明干线 WEM滑触线 WT合闸小母线 WCL控制小母线 WC信号小母线 WS闪光小母线 WF事故音响小母线 WFS 预报音响小母线 WPS 电压小母线 WV事故照明小母线 WELM 避雷器 F熔断器 FU快速熔断器 FTF跌落式熔断器 FF限压保护器件 FV电容器 C电力电容器 CE正转按钮 SBF反转按钮 SBR停止按钮 SBS紧急按钮 SBE试验按钮 SBT复位按钮 SR限位开关 SQ接近开关 SQP手动控制开关 SH时间控制开关 SK液位控制开关 SL湿度控制开关 SM压力控制开关 SP速度控制开关 SS温度控制开关辅助开关 ST 电压表切换开关 SV电流表切换开关 SA整流器 U可控硅整流器 UR控制电路有电源的整流器 VC 变频器 UF变流器 UC逆变器 UI电动机 M异步电动机 MA同步电动机 MS直流电动机 MD绕线转子感应电动机 MW 鼠笼型电动机 MC电动阀 YM电磁阀 YV防火阀 YF排烟阀 YS电磁锁 YL跳闸线圈 YT合闸线圈 YC气动执行器 YPAYA电动执行器 YE发热器件(电加热) FH 照明灯(发光器件) EL 空气调节器 EV电加热器加热元件 EE 感应线圈电抗器 L励磁线圈 LF消弧线圈 LA滤波电容器 LL电阻器变阻器 R电位器 RP热敏电阻 RT光敏电阻 RL压敏电阻 RPS接地电阻 RG放电电阻 RD启动变阻器 RS频敏变阻器 RF限流电阻器 RC光电池热电传感器 B压力变换器 BP温度变换器 BT速度变换器 BV时间测量传感器 BT1BK 液位测量传感器 BL温度测量传感器 BHBM配电房电工符号大全:常用电气符号大全电流表 PA电压表 PV有功电度表 PJ无功电度表 PJR频率表 PF相位表 PPA最大需量表(负荷监控仪) PM 功率因数表 PPF有功功率表 PW无功功率表 PR无功电流表 PAR声信号 HA光信号 HS指示灯 HL红色灯 HR绿色灯 HG黄色灯 HY蓝色灯 HB白色灯 HW连接片 XB插头 XP插座 XS端子板 XT电线,电缆,母线 W直流母线 WB插接式(馈电)母线 WIB电力分支线 WP照明分支线 WL应急照明分支线 WE电力干线 WPM照明干线 WLM应急照明干线 WEM滑触线 WT合闸小母线 WCL控制小母线 WC信号小母线 WS闪光小母线 WF事故音响小母线 WFS 预告音响小母线 WPS 电压小母线 WV事故照明小母线 WELM 避雷器 F熔断器 FU快速熔断器 FTF跌落式熔断器 FF限压保护器件 FV电容器 C电力电容器 CE正转按钮 SBF反转按钮 SBR停止按钮 SBS紧急按钮 SBE试验按钮 SBT复位按钮 SR限位开关 SQ接近开关 SQP手动控制开关 SH时间控制开关 SK液位控制开关 SL湿度控制开关 SM压力控制开关 SP速度控制开关 SS温度控制开关,辅助开关 ST 电压表切换开关 SV电流表切换开关 SA整流器 U可控硅整流器 UR控制电路有电源的整流器 VC 变频器 UF变流器 UC逆变器 UI电动机 M异步电动机 MA同步电动机 MS直流电动机 MD绕线转子感应电动机 MW 鼠笼型电动机 MC电动阀 YM电磁阀 YV防火阀 YF排烟阀 YS电磁锁 YL跳闸线圈 YT合闸线圈 YC气动执行器 YPA,YA电动执行器 YE发热器件(电加热) FH 照明灯(发光器件) EL空气调节器 EV电加热器加热元件 EE 感应线圈,电抗器 L励磁线圈 LF消弧线圈 LA滤波电容器 LL电阻器,变阻器 R电位器 RP热敏电阻 RT光敏电阻 RL压敏电阻 RPS接地电阻 RG放电电阻 RD启动变阻器 RS频敏变阻器 RF限流电阻器 RC光电池,热电传感器 B压力变换器 BP温度变换器 BT速度变换器 BV时间测量传感器 BT1,BK 液位测量传感器 BL温度测量传感器 BH,BM最新弱电资料更新—H3C交换机配置视频教程60节详解(12月28日)。
强弱电符号大全很多朋友经常问到,SC、DB、DC等符号是什么意思,其实这些都是弱电和强电常用符号,那么我们今天来一起了解下。
一,导线穿管表示SC-焊接钢管MT-电线管PC-PVC塑料硬管FPC-阻燃塑料硬管CT-桥架MR-金属线槽M-钢索CP-金属软管PR-塑料线槽RC-镀锌钢管二、导线敷设方式的表示DB-直埋TC-电缆沟BC-暗敷在梁内CLC-暗敷在柱内WC-暗敷在墙内CE-沿天棚顶敷设CC-暗敷在天棚顶内SCE-吊顶内敷设F-地板及地坪下SR-沿钢索BE-沿屋架,梁WE-沿墙明敷三、灯具安装方式的表示CS-链吊DS-管吊W-墙壁安装C-吸顶R-嵌入S-支架CL-柱上沿钢线槽:SR沿屋架或跨屋架:BE沿柱或跨柱:CLE穿焊接钢管敷设:SC穿电线管敷设:MT穿硬塑料管敷设:PC穿阻燃半硬聚氯乙烯管敷设:FPC电缆桥架敷设:CT金属线槽敷设:MR塑料线槽敷设:PR用钢索敷设:M穿聚氯乙烯塑料波纹电线管敷设:KPC 穿金属软管敷设:CP直接埋设:DB电缆沟敷设:TC导线敷设部位的标注沿或跨梁(屋架)敷设:AB暗敷在梁内:BC沿或跨柱敷设:AC暗敷设在柱内:CLC沿墙面敷设:WS暗敷设在墙内:WC沿天棚或顶板面敷设:CE暗敷设在屋面或顶板内:CC吊顶内敷设:SCE地板或地面下敷设:FC四、字符电路图符号大全:AAT 电源自动投入装置AC 交流电DC 直流电FU 熔断器G 发电机M 电动机HG 绿灯HR 红灯HW 白灯HP 光字牌K 继电器KA(NZ) 电流继电器(负序零序)KD 差动继电器KF 闪光继电器KH 热继电器KM 中间继电器KOF 出口中间继电器KS 信号继电器KT 时间继电器KV(NZ) 电压继电器(负序零序)KP 极化继电器KR 干簧继电器KI 阻抗继电器KW(NZ) 功率方向继电器(负序零序)KM 接触器KA 瞬时继电器;瞬时有或无继电器;交流继电器KV电压继电器L 线路QF 断路器QS 隔离开关T 变压器TA 电流互感器TV 电压互感器W 直流母线YC 合闸线圈YT 跳闸线圈PQS 有功无功视在功率EUI 电动势电压电流SE 实验按钮SR 复归按钮f 频率Q——电路的开关器件FU——熔断器FR——热继电器KM——接触器KA——1、瞬时接触继电器2、瞬时有或无继电器3、交流继电器KT——延时有或无继电器SB——按钮开关 Q——电路的开关器件FU——熔断器KM——接触器KA——1、瞬时接触继电器2、瞬时有或无继电器3、交流继电器KT——延时有或无继电器SB——按钮开关SA 转换开关电流表 PA电压表 PV有功电度表 PJ无功电度表 PJR频率表 PF相位表 PPA最大需量表(负荷监控仪) PM 功率因数表 PPF有功功率表 PW无功功率表 PR无功电流表 PAR声信号 HA光信号 HS指示灯 HL红色灯 HR绿色灯 HG黄色灯 HY蓝色灯 HB白色灯 HW连接片 XB插头 XP插座 XS端子板 XT电线电缆母线 W直流母线 WB插接式(馈电)母线 WIB电力分支线 WP照明分支线 WL应急照明分支线 WE电力干线 WPM照明干线 WLM应急照明干线 WEM滑触线 WT合闸小母线 WCL控制小母线 WC信号小母线 WS闪光小母线 WF事故音响小母线 WFS 预报音响小母线 WPS 电压小母线 WV事故照明小母线 WELM 避雷器 F熔断器 FU快速熔断器 FTF跌落式熔断器 FF限压保护器件 FV电容器 C电力电容器 CE正转按钮 SBF反转按钮 SBR停止按钮 SBS紧急按钮 SBE试验按钮 SBT复位按钮 SR限位开关 SQ接近开关 SQP手动控制开关 SH时间控制开关 SK液位控制开关 SL湿度控制开关 SM压力控制开关 SP速度控制开关 SS温度控制开关辅助开关 ST 电压表切换开关 SV电流表切换开关 SA整流器 U可控硅整流器 UR控制电路有电源的整流器 VC 变频器 UF变流器 UC逆变器 UI电动机 M异步电动机 MA同步电动机 MS直流电动机 MD绕线转子感应电动机 MW 鼠笼型电动机 MC电动阀 YM电磁阀 YV防火阀 YF排烟阀 YS电磁锁 YL跳闸线圈 YT合闸线圈 YC气动执行器 YPAYA电动执行器 YE发热器件(电加热) FH照明灯(发光器件) EL空气调节器 EV电加热器加热元件 EE感应线圈电抗器 L励磁线圈 LF消弧线圈 LA滤波电容器 LL电阻器变阻器 R电位器 RP热敏电阻 RT光敏电阻 RL压敏电阻 RPS接地电阻 RG放电电阻 RD启动变阻器 RS频敏变阻器 RF限流电阻器 RC光电池热电传感器 B压力变换器 BP温度变换器 BT速度变换器 BV时间测量传感器 BT1BK液位测量传感器 BL温度测量传感器 BHBM配电房电工符号大全:常用电气符号大全电流表 PA电压表 PV有功电度表 PJ无功电度表 PJR频率表 PF相位表 PPA最大需量表(负荷监控仪) PM 功率因数表 PPF有功功率表 PW无功功率表 PR无功电流表 PAR声信号 HA光信号 HS指示灯 HL红色灯 HR绿色灯 HG黄色灯 HY蓝色灯 HB白色灯 HW连接片 XB插头 XP插座 XS端子板 XT电线,电缆,母线 W直流母线 WB插接式(馈电)母线 WIB 电力分支线 WP照明分支线 WL应急照明分支线 WE 电力干线 WPM照明干线 WLM应急照明干线 WEM 滑触线 WT合闸小母线 WCL控制小母线 WC信号小母线 WS闪光小母线 WF事故音响小母线 WFS预告音响小母线 WPS电压小母线 WV事故照明小母线 WELM避雷器 F熔断器 FU快速熔断器 FTF跌落式熔断器 FF限压保护器件 FV电容器 C电力电容器 CE正转按钮 SBF反转按钮 SBR停止按钮 SBS紧急按钮 SBE试验按钮 SBT复位按钮 SR限位开关 SQ接近开关 SQP手动控制开关 SH时间控制开关 SK液位控制开关 SL湿度控制开关 SM压力控制开关 SP速度控制开关 SS温度控制开关,辅助开关 ST 电压表切换开关 SV电流表切换开关 SA整流器 U可控硅整流器 UR控制电路有电源的整流器 VC变频器 UF变流器 UC逆变器 UI电动机 M异步电动机 MA同步电动机 MS直流电动机 MD绕线转子感应电动机 MW 鼠笼型电动机 MC电动阀 YM电磁阀 YV防火阀 YF排烟阀 YS电磁锁 YL跳闸线圈 YT合闸线圈 YC气动执行器 YPA,YA电动执行器 YE发热器件(电加热) FH照明灯(发光器件) EL空气调节器 EV电加热器加热元件 EE感应线圈,电抗器 L励磁线圈 LF消弧线圈 LA滤波电容器 LL电阻器,变阻器 R电位器 RP热敏电阻 RT光敏电阻 RL压敏电阻 RPS接地电阻 RG放电电阻 RD启动变阻器 RS频敏变阻器 RF限流电阻器 RC光电池,热电传感器 B 压力变换器 BP温度变换器 BT速度变换器 BV时间测量传感器 BT1,BK 液位测量传感器 BL温度测量传感器 BH,BM。
弱电工程符号大全
弱电工程符号大全
SR:沿钢线槽敷设
BE:沿屋架或跨屋架敷设CLE:沿柱或跨柱敷设
WE:沿墙面敷设
CE:沿天棚面或顶棚面敷设ACE:在能进入人的吊顶内敷设BC:暗敷设在梁内
CLC:暗敷设在柱内
WC:暗敷设在墙内
CC:暗敷设在顶棚内
ACC:暗敷设在不能进入的顶棚内FC:暗敷设在地面内
SCE:吊顶内敷设,要穿金属管
一、导线穿管表示
SC-焊接钢管
MT-电线管
PC-PVC塑料硬管
FPC-阻燃塑料硬管
CT-桥架
MR-金属线槽
M-钢索
CP-金属软管
PR-塑料线槽
RC-镀锌钢管
二、导线敷设方式的表示DB-直埋
TC-电缆沟
BC-暗敷在梁内
CLC-暗敷在柱内
WC-暗敷在墙内
CE-沿天棚顶敷设
CC-暗敷在天棚顶内SCE-吊顶内敷设
F-地板及地坪下
SR-沿钢索
BE-沿屋架,梁
WE-沿墙明敷
三、灯具安装方式的表示CS-链吊
沿或跨梁(屋架)敷设:AB
暗敷在梁内:BC
沿或跨柱敷设:AC
暗敷设在柱内:CLC
沿墙面敷设:WS
暗敷设在墙内:WC
沿天棚或顶板面敷设:CE
暗敷设在屋面或顶板内:CC
吊顶内敷设:SCE
地板或地面下敷设:FC
矿用铠装控制电缆;
MKVV22,MKVV32 2*0.5,3*0.75,4*4,------37*1.5mm
铠装控制电缆;
KVV22,KVV32,KVVR22 2*0.5,3*0.75,4* 4,------37*1.5mm
铠装屏蔽控制电缆
KVVP-22,RVVP-22,KVVRP-22,KVVP2-22, KVVRP2-22
2*0.5,3*0.75,4*4,------37*1.5mm
铠装阻燃控制电
缆;ZR-KVV22,ZR-KVV32,ZR-KVVR22
2*0.5,3*0.75,4*4,------37*1.5mm
铠装阻燃屏蔽控制电缆;
ZR-KVVP22,ZR-KVVRP22,ZR-KVVP2-2 2,ZR-KVVRP2-22
2*0.5,3*0.75,4*4,------37*1.5mm
铠装通信电
缆;HYA22,HYA23,HYA53,HYV22,HYV23 5对,10对------2400
对,0.4-0.5-0.6-0.7-0.8-0.9线径
铠装充油通信电
缆;HYAT22,HYAT23,NYAT53 5对,10对------800对
0.4-0.5-0.6-0.7-0.8-0.9线径
铠装阻燃通信电缆;
ZR-HYA22,ZR-HYA23,ZR-HYA53,WDZ-HYA23,WDZ-HYA53
5对,10对------2400
对,0.4-0.5-0.6-0.7-0.8-0.9线径
矿用铠装阻燃通信电
缆;MHYA22,MHYV22,MHYA32,MHYV32
5对,10对------200
对,0.5-0.6-0.7-0.8-0.9-1.0线径
铠装计算机电缆;
DJYVP22,ZR-DJYVP22,DJYVRP22,DJY PV22,ZR-DJYPV22DJYPVR22
DJYPVP22,DJYPVRP22,ZR-DJYPVP22, ZR-DJYPVPR22
1*2*0.75 2*2*1.0 3*2*1.5 ------3 0*2*1.5mm
铠装铁路信号电缆;
PZY23,PTY23,PZY22,PTY22,PZYH23,PTY H23
PZYA23,PZYA22,PZYAH22,PTYAH22,P TYAH32,PZY32
4芯-6芯-8芯-9芯------6
线缆型号含义:
R-连接用软电缆(电线),软结构。
V-绝缘聚氯乙烯。
V-聚氯乙烯绝缘V -聚氯乙烯护套
B-平型(扁形)。
S-双绞型。
A-镀锡或镀银。
F-耐高温
P-编织屏蔽P2-铜带屏蔽P22-钢带铠装
Y—预制型、一般省略,或聚烯烃护套FD—产品类别代号,指分支电缆。
将要颁布的建设部标准用FZ表示,其实质相同
YJ—交联聚乙烯绝缘
V—聚氯乙烯绝缘或护套
ZR—阻燃型
NH—耐火型
WDZ—无卤低烟阻燃型
WDN—无卤低烟耐火型
例如:SYV 75-5-1(A、B、C)
S: 射频Y:聚乙烯绝缘V:聚氯乙烯护套A:64编B:96编C:128编
75:75欧姆5:线径为5MM 1:代表单芯SYWV 75-5-1
S: 射频Y:聚乙烯绝缘W:物理发泡V:聚氯乙烯护套
75:75欧姆5:线缆外径为5MM 1:代表单芯
例如:RVVP2*32/0.2 RVV2*1.0 BVR
R: 软线VV:双层护套线P屏蔽
2:2芯多股线32:每芯有32根铜丝0.2:每根铜丝直径为0.2MM
ZR-RVS2*24/0.12
ZR: 阻燃R: 软线S:双绞线
2:2芯多股线24:每芯有24根铜丝0.12:每根铜丝直径为0.12MM
型号、名称
RV 铜芯氯乙烯绝缘连接电缆(电线)
AVR 镀锡铜芯聚乙烯绝缘平型连接软电缆(电线)
RVB 铜芯聚氯乙烯平型连接电线
RVS 铜芯聚氯乙烯绞型连接电线
RVV 铜芯聚氯乙烯绝缘聚氯乙烯护套圆形
连接软电缆
ARVV 镀锡铜芯聚氯乙烯绝缘聚氯乙烯护套平形连接软电缆
RVVB 铜芯聚氯乙烯绝缘聚氯乙烯护套平形连接软电缆
RV-105 铜芯耐热105oC聚氯乙烯绝缘聚氯乙烯绝缘连接软电缆
AF-205AFS-250AFP-250 镀银聚氯乙氟塑料绝缘耐高温-60oC~250oC连接软电线2、规格表示法的含义
规格采用芯数、标称截面和电压等级表示
①单芯分支电缆规格表示法:同一回路电缆根数*(1*标称截面),0.6/1KV,
如:4*(1*185)+1*95 0.6/1KV
②多芯绞合型分支电缆规格表示法:同一回路电缆根数*标称截面,0.6/1KV,
如:4**185+1*95 0.6/1KV
③多芯同护套型分支电缆规格表示法:电缆芯数×标称截面-T,如:4×25-T。