弱电工程图纸的常用图标标识汇总
- 格式:docx
- 大小:51.49 KB
- 文档页数:8
弱电工程图例符号大全弱电一般是指直流电路或音频、视频线路、网络线路、电话线路,直流电压一般在36V以内。
家用电器中的电话、电脑、电视机的信号输入(有线电视线路)、音响设备(输出端线路)等用电器均为弱电电气设备。
符号是指具有某种代表意义或性质的标识。
来源于规定或者约定俗成,其形式简单,种类繁多,用途广泛,具有很强的艺术魅力。
而弱电符号则为弱电工程术语的简洁表达方式,为日常表达图纸的设计提供标准支持。
1.RVS(2*1.0)+UTP-5 RVB 平行多股软线,两根芯线是平行包在护套中的;RVS 对绞多股软线,就是将RVB的软芯撕开,对绞,一般用为电话线、音响线(扩音线);(2*1.0) 成品外径(宽度×厚度)/mm ;UTP-5 五类(非屏蔽-两对)网络线; 2.SYWV-75-5-SC15:根据字面的意思可理解成型号为sywv-75-5电视线穿钢管,15应该是钢管的直径。
3.UTP-6+HPV-2*2*0.5-SC20;理解成六类网线和电话线穿钢管。
2*2*0.5应该是两根两芯0.5平方毫米的电话线,20应该是钢管的直径。
4.ZR-RVS-2*1.5;在计算工程量时一根管对应一根线,2X1.5是两芯截面1.5的,是一根。
5.ZBN-RVS-4*1.5;在计算工程量时是按几根算, 管线是1m, 这个是信号线,双铰线。
按一根计算就是1m. 6.消防里的ZR-RVS 2×1.5 的RNS的含义是:ZR 阻燃;RVS 全称为:铜芯聚氯乙烯绝缘绞型连接用软电线、对绞多股软线,简称双绞线,俗称麻花线。
字母S代表双绞线;字母R代表软线;字母V代表聚氯乙烯(绝缘体);这种线多用于消防火灾自动报警系统的探测器线路 7.智能弱电中RVVP 4×16/0.15 (4×0.30mm?)四芯圆形护套屏蔽电线。
适用12-125 RVV2×16/0.15(2×0.3 mm?)扁型电源线适用2-1877;RVS2*1.5是背景音乐广播线适用2-1877 8.RVVP4*16/0.15 即“4(芯)乘0.3(平方毫米)屏蔽(聚氯乙烯)护套软线,其中每个字母的含义如下: 多线芯软线(型号中第1位字母,R),聚氯乙烯绝缘(型号中第2位字母,V),聚氯乙烯护套(型号中第3位字母,V),铜软线或镀锡软铜线编织屏蔽(型号中第4位字母,P),带绝缘层的线芯数4芯(型号中第5位字母,4),缘层内的导体线芯数16芯(型号中第7、8位字母,16),缘层内的导体线芯直径0.15mm(型号中第10~13位字母,0.15)。
弱电智能化工程图纸的图标标示SR:沿钢线槽敷设BE:沿屋架或跨屋架敷设CLE:沿柱或跨柱敷设WE:沿墙面敷设CE:沿天棚面或顶棚面敷设ACE:在能进入人的吊顶内敷设BC:暗敷设在梁内CLC:暗敷设在柱内WC:暗敷设在墙内CC:暗敷设在顶棚内ACC:暗敷设在不能进入的顶棚内FC:暗敷设在地面内SCE:吊顶内敷设,要穿金属管一、导线穿管表示SC-焊接钢管MT-电线管PC-PVC塑料硬管FPC-阻燃塑料硬管CT-桥架MR-金属线槽CP-金属软管PR-塑料线槽RC-镀锌钢管二、导线敷设方式的表示DB-直埋TC-电缆沟BC-暗敷在梁内CLC-暗敷在柱内WC-暗敷在墙内CE-沿天棚顶敷设CC-暗敷在天棚顶内SCE-吊顶内敷设F-地板及地坪下SR-沿钢索BE-沿屋架,梁WE-沿墙明敷三、灯具安装方式的表示CS-链吊DS-管吊W-墙壁安装R-嵌入S-支架CL-柱上沿钢线槽:SR沿屋架或跨屋架:BE沿柱或跨柱:CLE穿焊接钢管敷设:SC穿电线管敷设:MT穿硬塑料管敷设:PC穿阻燃半硬聚氯乙烯管敷设:FPC电缆桥架敷设:CT金属线槽敷设:MR塑料线槽敷设:PR用钢索敷设:M穿聚氯乙烯塑料波纹电线管敷设:KPC 穿金属软管敷设:CP直接埋设:DB电缆沟敷设:TC导线敷设部位的标注沿或跨梁(屋架)敷设:AB暗敷在梁内:BC沿或跨柱敷设:AC暗敷设在柱内:CLC沿墙面敷设:WS暗敷设在墙内:WC沿天棚或顶板面敷设:CE暗敷设在屋面或顶板内:CC吊顶内敷设:SCE地板或地面下敷设:FCHSM8-63C/3PDTQ30-32/2P 这两个应该是两种塑壳断路器的型号,HSM8-63C/3P 适用于照明回路中,为3极开关,额定电流为63A(3联开关)DTQ30-32/2P 也是塑壳断路器的一种,额定电流32A,2极开关四、另外还一部分安防产品图标。
也是图纸上经常看到的。
系统名称图标标记含义周界报警 ZJ-xx-T(R) xx代表第xx对主动红外探测器,T代表发射器,R代表接收器。
弱电智能化工程图纸的图标标示SR:沿钢线槽敷设BE:沿屋架或跨屋架敷设CLE:沿柱或跨柱敷设WE:沿墙面敷设CE:沿天棚面或顶棚面敷设ACE:在能进入人的吊顶内敷设BC:暗敷设在梁内CLC:暗敷设在柱内WC:暗敷设在墙内CC:暗敷设在顶棚内ACC:暗敷设在不能进入的顶棚内FC:暗敷设在地面内SCE:吊顶内敷设,要穿金属管一、导线穿管表示SC-焊接钢管MT-电线管PC-PVC塑料硬管FPC-阻燃塑料硬管CT-桥架MR-金属线槽M-钢索CP-金属软管PR-塑料线槽RC-镀锌钢管二、导线敷设方式的表示DB-直埋TC-电缆沟BC-暗敷在梁内CLC-暗敷在柱内WC-暗敷在墙内CE-沿天棚顶敷设CC-暗敷在天棚顶内SCE-吊顶内敷设F-地板及地坪下SR-沿钢索BE-沿屋架,梁WE-沿墙明敷三、灯具安装方式的表示CS-链吊DS-管吊W-墙壁安装C-吸顶R-嵌入S-支架CL-柱上沿钢线槽:SR沿屋架或跨屋架:BE沿柱或跨柱:CLE穿焊接钢管敷设:SC穿电线管敷设:MT穿硬塑料管敷设:PC穿阻燃半硬聚氯乙烯管敷设:FPC电缆桥架敷设:CT金属线槽敷设:MR塑料线槽敷设:PR用钢索敷设:M穿聚氯乙烯塑料波纹电线管敷设:KPC穿金属软管敷设:CP直接埋设:DB电缆沟敷设:TC导线敷设部位的标注沿或跨梁(屋架)敷设:AB暗敷在梁内:BC沿或跨柱敷设:AC暗敷设在柱内:CLC沿墙面敷设:WS暗敷设在墙内:WC沿天棚或顶板面敷设:CE暗敷设在屋面或顶板内:CC吊顶内敷设:SCE地板或地面下敷设:FCHSM8-63C/3PDTQ30-32/2P 这两个应该是两种塑壳断路器的型号,HSM8-63C/3P 适用于照明回路中,为3极开关,额定电流为63A(3联开关)DTQ30-32/2P 也是塑壳断路器的一种,额定电流32A,2极开关四、另外还一部分安防产品图标。
也是图纸上经常看到的。
系统名称图标标记含义周界报警 ZJ-xx-T(R) xx代表第xx对主动红外探测器,T代表发射器,R代表接收器。
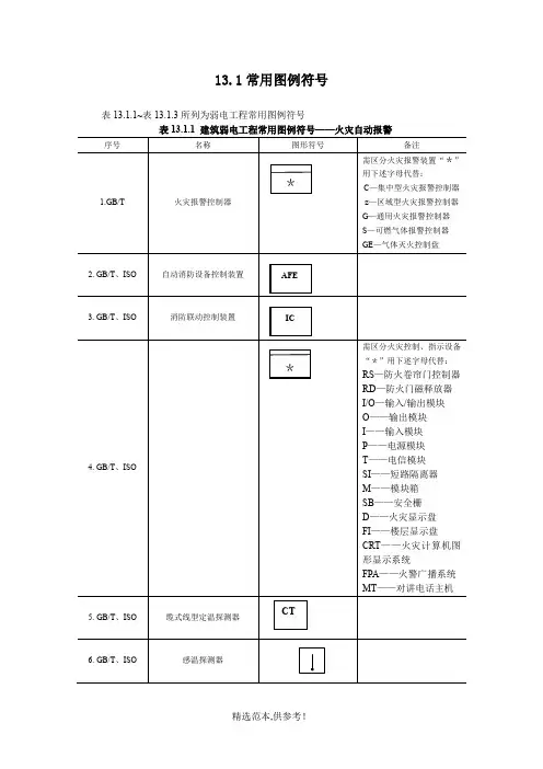
13.1常用图例符号表13.1.1~表13.1.3所列为弱电工程常用图例符号
表13.1.1 建筑弱电工程常用图例符号——火灾自动报警
页脚内容1
页脚内容2
页脚内容3
页脚内容4
页脚内容5
页脚内容6
页脚内容7
页脚内容8
页脚内容9
页脚内容10
表13.1.2 建筑弱电工程常用图例符号——公共广播
页脚内容11
页脚内容12
页脚内容13
页脚内容14
页脚内容15
表13.1.3建筑弱电工程常用图例符号——电视系统
页脚内容16
页脚内容17
页脚内容18
页脚内容19
页脚内容20
页脚内容21
页脚内容22
30.光发射机
31.光接收机
32.GB光电转换器
33.GB电光转换器
表13.1.4建筑弱电工程常用图例符号——电话通信系统
序号名称图形符号备注1.建筑群配线架
页脚内容23
页脚内容24
页脚内容25
页脚内容26
页脚内容27
页脚内容28
页脚内容29
页脚内容30
弱电布线施工方案
页脚内容31。
与弱电有关的建筑电气图例之迟辟智美创作序图形符号说明号设备监控、中高压监控接线相关1 开关(机械式).2 多级开关一般符号单线暗示.3 多级开关一般符号多线暗示.4 接触器(在非举措位置触点断开).5 接触器(在非举措位置触点闭合).6 负荷开关(负荷隔离开关)7 具有自动释放功能的负荷开关.8 熔断器式断路器.9 断路器10 隔离开关11 熔断器一般符号12 跌落式熔断器13 熔断器式开关14 熔断器式隔离开关15 熔断器式负荷开关16 当把持器件被吸合时延时闭合的动合触点.17 当把持器件被释放时延时闭合的动合触点.18 当把持器件被释放时延时闭合的动断触点.19 当把持器件被吸合时延时闭合的动断触点.20 当把持器件被吸合时延时闭合和释放时延时断开的动合触点.21 按钮开关(不闭锁).22 旋钮开关、旋转开关(闭锁).23 位置开关,动合触点限制开关,动合触点24 位置开关,动断触点限制开关,动断触点25 热敏开关,动合触点注:θ可用举措温度取代26 热敏自动开关,动断触点27 具有热元件的气体放电管荧光灯起动器28 动合(常开)触点注:本符号也可用作开关一般符号29 动断(常闭)触点30 先断后合的转换触点31 当把持器件被吸合或释放时,暂时闭合的过渡动合触点32 座(内孔的)或插座的一个极33 插头(凸头的)或插头的一个极34 插头和插座(凸头的和内孔的)35 接通的连接片36 换接片37 双绕组变压器38 三绕组变压器39 自耦变压器40 电抗器扼流图41 电流互感器脉冲变压器42 具有两个铁芯和两个二次绕组的电流互感器43 在一个铁芯上具有两个二次绕组的电流互感器44 具有有载分接开关的三相三绕组变压器,有中性点引出线的星形-三角形连接45 三相三绕组变压器,两个绕组为有中性点引出线的星形,中性点接地,第三绕组为开口三角形连接46 三相变压器星形-三角形连接47 具有有载分接开关的三相变压器星形-三角形连接48 三相变压器星形-曲折形连接49 把持器件一般符号50 具有两个绕组的把持器件组合暗示法51 热继电器的驱动器件52 气体继电器53 自动重闭合器件54 电阻器一般符号55 可变电阻器可调电阻器56 滑动触点电位器57 预调电位器58 电容器一般符号59 可变电容器可调电容器60 双联同调可变电容器61 指示仪表(星号必需按规定予以代表)62 电压表63 电流表64 无功电流表65 最年夜需量指示器(由一台积算仪表把持的)66 无功功率表67 功率因素表68 频率表69 温度计、高温计(θ可由t取代)70 转速表71 积算仪表、电能表(星号必需按规定予以取代)72 安培小时计73 电能表(瓦特小时表)74 无功电能表75 带发送器电能表76 由电能表把持的遥测仪表(转发器)77 由电能表把持的带有打印器材的遥测仪表(转发器)78 屏、盘、架一般符号注:可用文字符号或型号暗示设备名称79 列架一般符号80 人工交换台、中断台、丈量台、业务台等一般符号81 总配线架82 中间配线架83 走线架、电缆走道84 空中上明装走线槽85 空中下暗装走线槽86 交流母线87 直流母线88 装在支柱上的封闭式母线89 母线伸缩接头90 中性线91 呵护线92 呵护和中性共用线93 具有呵护和中性的三相配线94 滑触线95 地下线路96 架空线路97 管道线路98 多孔(如6孔)管道线路99 具有埋入地下连接点的线路100 水下线路101 沿建筑物明敷设通信线路102 沿建筑物暗敷设通信线路103 电气排流电缆104 挂在钢索上的线路105 用单线暗示的多回线路(或电缆管束)106 导线、导线组、电路线路、母线一般符号107 三根导线108 四根导线109 事故照明线110 50V及其以下电力及照明线路111 控制及信号线路(电力及照明用)112 原电池或蓄电池113 原电池组或蓄电池组114 带抽头的原电池组或蓄电池组115 接地一般符号116 接机壳或接底板117 无噪声接地118 呵护接地119 等电位120 电缆终端头消防相关123 控制和指示设备124 报警启动装置(点式-手动或自动) 125 线型探测器126 火灾报警装置127 热128 烟129 易爆气体130 手动启动131 电铃132 扬声器133 发声器134 德律风机135 照明信号136 手动报警器137 感烟火灾探测器138 感温火灾探测器139 气体火灾探测器140 火警德律风机141 报警发声器142 有视听信号的控制和显示设备143 在专用电路上的事故照明灯144 自带电源的事故照明灯装置(应急灯) 145 警卫信号探测器146 警卫信号区域报警器147 警卫信号总报警器148 逃生路线,逃生方向149 逃生路线,最终出品150 二氧化碳消防设备辅助符合152 氧化剂消防设备辅助符号153 卤代烷消防设备辅助符号导线的连接46 可装配的端子47 连接点交流器方框符号48 交换器一般符号转换器一般符号49 直流交流器50 整流器51 桥式全波整流器52 逆变器53 整流器/逆变器电力、照明和电信安插插座68 单相插座69 暗装单相插座70 密闭(防水)单相插座71 防爆单相插座72 带呵护触点插座带接地插孔的单相插座73 带接地插孔的暗装单相插座74 带接地插孔的密闭(防水)单相插座75 带接地插孔的防爆单相插座76 带接地插孔的三相插座77 带接地插孔的暗装三相插座78 带接地插孔的密闭(防水)三相插座79 带接地插孔的防爆三相插座80 插座箱(板)81 多个插座(示出3个)82 具有单极开关的插座83 具有隔离变压器的插座84 带熔断器的插座电力、照明和电信安插开关85 开关一般符号86 单极开关87 暗装单极开关88 密闭(防水)单极开关89 防爆单极开关90 双极开关91 暗装双极开关92 密闭(防水)双极开关93 防爆双极开关94 三极开关95 暗装三极开关96 密闭(防水)三极开关97 防爆三极开关98 单极拉线开关99 单极限时开关100 具有指示灯的开关101 双极开关(单极三线)102 调光器变电所室外箱式变电所杆上变电所屏、台、箱、柜的一般符号多种电源配电箱(盘)电力配电箱(盘)照明配电箱(盘)电源切换箱(盘)事故照明配电箱(盘)组合开关箱电铃把持盘吹风机把持盘交流电念头按钮盒立柱式按钮箱风扇一般符号暖风机或冷风机轴流风扇风扇开关电铃交流电钟各灯具一般符号花灯单管荧光灯双管荧光灯三管荧光灯荧光灯花灯组合防爆型光灯投光灯。
弱电常用图形符号
13.1常用图例符号
表13.1.1~表13.1.3所列为弱电工程常用图例符号
表13.1.1 建筑弱电工程常用图例符号——火灾自动报警
表13.1.2 建筑弱电工程常用图例符号——公共广播
表13.1.3建筑弱电工程常用图例符号——电视系统
19. 陷波器
20. 调制器、调节器或鉴别器一般符号
21. 匹配终端
22. 彩色电视接收机
23. 卫星电视
接收机
s
24. 线路供电器(示出交流型)
25. 供电阻断器(示在一条分配馈线上)
26. 有限电视接收天线
27. 高频避雷
器
28. 视频通路
(电视)
V
29. 光纤或光缆一般符
号
30. 光发射机
31. 光接收机
32.GB 光电转换
器
33.GB
电光转换
器
表13.1.4建筑弱电工程常用图例符号——电话通信系统
序号名称图形符号备注
1. 建筑群配线
架
2. 主配线架。
弱电工程图纸图标表示方法要看懂工程图纸都有图纸设计说明,各个字母代表什么意思都有,弱电标示大部分都有什么:首先图中的标识一般由线缆型号---管路规格---敷设方式(安装方式)组成,比如RVV2*1.5-SC20-WC,标识电源线2*1.5穿20钢管在墙内暗敷设。
一看弱电图纸的步骤1、看设计说明2、看图例3、看系统图4、看平面图5、看注释、说明6、不懂首先在网上查一下,再不懂,咨询老师傅,或者其他高手。
二弱电工程中常用的线缆线管敷设方式SR:沿钢线槽敷设BE:沿屋架或跨屋架敷设CLE:沿柱或跨柱敷设WE:沿墙面敷设CE:沿天棚面或顶棚面敷设ACE:在能进入人的吊顶内敷设BC:暗敷设在梁内CLC:暗敷设在柱内WC:暗敷设在墙内CC:暗敷设在顶棚内ACC:暗敷设在不能进入的顶棚内FC:暗敷设在地面内SCE:吊顶内敷设,要穿金属管1导线穿管表示SC-焊接钢管MT-电线管PC-PVC塑料硬管FPC-阻燃塑料硬管CT-桥架MR-金属线槽M-钢索CP-金属软管PR-塑料线槽RC-镀锌钢管2导线敷设方式的表示DB-直埋TC-电缆沟BC-暗敷在梁内CLC-暗敷在柱内WC-暗敷在墙内CE-沿天棚顶敷设CC-暗敷在天棚顶内SCE-吊顶内敷设F-地板及地坪下SR-沿钢索BE-沿屋架,梁WE-沿墙明敷3灯具安装方式的表示CS-链吊DS-管吊W-墙壁安装C-吸顶R-嵌入S-支架CL-柱上沿钢线槽:SR沿屋架或跨屋架:BE沿柱或跨柱:CLE穿焊接钢管敷设:SC穿电线管敷设:MT穿硬塑料管敷设:PC穿阻燃半硬聚氯乙烯管敷设:FPC电缆桥架敷设:CT金属线槽敷设:MR塑料线槽敷设:PR用钢索敷设:M穿聚氯乙烯塑料波纹电线管敷设:KPC 穿金属软管敷设:CP直接埋设:DB电缆沟敷设:TC导线敷设部位的标注沿或跨梁(屋架)敷设:AB暗敷在梁内:BC沿或跨柱敷设:AC暗敷设在柱内:CLC沿墙面敷设:WS暗敷设在墙内:WC沿天棚或顶板面敷设:CE暗敷设在屋面或顶板内:CC吊顶内敷设:SCE地板或地面下敷设:FCHSM8-63C/3PDTQ30-32/2P 这两个应该是两种塑壳断路器的型号,HSM8-63C/3P 适用于照明回路中,为3极开关,额定电流为63A(3联开关)DTQ30-32/2P 也是塑壳断路器的一种,额定电流32A,2极开关4安防产品图标表示系统名称图标标记含义周界报警 ZJ-xx-T(R) xx代表第xx对主动红外探测器,T代表发射器,R代表接收器。
弱电常用图形符号13.1常用图例符号表13.1.1~表13.1.3所列为弱电工程常用图例符号表13.1.1 建筑弱电工程常用图例符号——火灾自动报警序号名称图形符号备注1.GB/T 火灾报警控制器需区分火灾报警装置“*”用下述字母代替:C—集中型火灾报警控制器z—区域型火灾报警控制器G—通用火灾报警控制器S—可燃气体报警控制器GE—气体灭火控制盘2. GB/T、ISO 自动消防设备控制装置3. GB/T、ISO 消防联动控制装置4. GB/T、ISO需区分火灾控制、指示设备“*”用下述字母代替:RS—防火卷帘门控制器RD—防火门磁释放器I/O—输入/输出模块O——输出模块*AFEIC*I——输入模块P——电源模块T——电信模块SI——短路隔离器M——模块箱SB——安全栅D——火灾显示盘FI——楼层显示盘CRT——火灾计算机图形显示系统FPA——火警广播系统MT——对讲电话主机5.GB/T、ISO 缆式线型定温探测器6.GB/T、ISO 感温探测器7.GB/T、ISO 感温探测器(非地址码型)N8. GB/T、ISO 感烟探测器9. GB/T、ISO 感烟探测器(非地址码型)N10. GB/T、ISO 感烟探测器(防爆型)EX11. GB/T、ISO 感光火灾探测器12. GB/T、ISO 气体火灾探测器(点式)13. GA/T 复合式感烟感温火灾探测器14.GA/T 复合式感光感烟火灾探测器15 GA/T 点型复合式感光感温火灾探测器16. GA/T 线型差定温火灾探测器17. ZBC、GA/T 线型光束感烟火灾探测器(发射部分)18. ZBC、GA/T 线型光束感烟火灾探测器(接收部分)CT19. GA/T 线型光束感烟感温火灾探测器(发射部分)20. GA/T 线型光束感烟感温火灾探测器(接收部分)21. GA/T 线型可燃气体探测器22. GB/T 手动火灾报警按钮23. GB/T 消火栓起泵按钮24. GB/T、ISO 火灾报警电话机(对讲电话机)25. ZBC、GB/T 火灾电话插孔(对讲电话插孔) T26. GB/T、ISO 带手动报警按钮的火灾电话插孔)27. GB/T、ISO 火警电铃28. GB/T、ISO 警报发声器29. GA/T 火灾光警报器30. GA/T 火灾声、光警报器31. GA/T 火灾警报扬声器32. GA/T 水流指示器F 33. GB/T、ISO 压力开关P34. GB/T、ISO 带监视信号的检修阀35. 报警阀36. 防火阀(需表示风管的平面图用)37. 防火阀(70℃熔断关闭)38. 防烟防火阀(24V控制,70℃熔断关闭)E39. 防火阀(280℃熔断关闭)28040. 防烟防火阀(24V控制,280℃熔断关闭)280E41. 排烟防火阀42. 增压送风口43. 排烟口SE44. GB/T、ISO 应急疏散指示标志灯EEL45. GB/T、ISO 应急疏散指示标志灯(向右)EEL46. GB/T、ISO 应急疏散指示标志灯(向左) EEL47. GB/T、ISO 应急疏散照明灯EL48. GB/T、ISO 消火栓49. GB/T、ISO 配电箱(切断非消防电源用)50. 电控箱(电梯迫降)LT51. 电控箱注:K——空调机电控箱P一排烟或排风机电控箱J——正压送风机或进风机电控箱XFB——消防泵电控箱PLB——喷淋泵电控箱52. 紧急启、停按钮53. 启动钢瓶54. 放气指示灯55. 排风扇56. 煤气管道阀门执行器V表13.1.2 建筑弱电工程常用图例符号——公共广播序号名称图形符号备注1.GB 天线2. GB/T、IEC 调谐器、无线电接收机3. 调幅调频收音机AM/FM4.GB/T、放音机、唱IEC 机5.GB/T、IEC带录音机6. 双卡录放音机7. 自动放音机AT8. 自动录音机AR9. 激光唱机10.GB/T、IEC 光盘式播放机11. 传声器一般符号12. 呼叫站13.GB/T、IEC 需指出放大器设备的种类在符号处就近“﹡”用下述字母替代标注:A——扩大机PRA——前置放大器AP——功率放大器14. 需要注明扬声器的型式时在符号附近注“﹡”用下述文字标注:C——吸顶式安装型扬声器R——嵌入式安装型扬声器W——壁挂式安装型扬声器15. 吊顶内扬声器箱16.GB/T、IEC 扬声器箱、音箱、声柱17.GY/T 高音号筒式扬声器18. 客房床头控制柜19.GA/T 火灾警报扬声器20. 音频变压器21. GY/T 电平控制器22. 监听器23. 分路广播控制盘RS24. 带火灾事RFS故广播的分路广播控制盘25. 火灾事故广播切换器QT26. 火灾事故广播联动控制信号源FCS27. 蓄电池28. 直流配电盘29. 直流稳压电源DCGV30. 广播分线箱B31. 端子箱XT32. 端子板1 2 3 4 5 6 733. 继电器线圈34. 匹配电阻、匹配负载35. 保安器36. 广播线路B37. 调频FM38. 调幅AM表13.1.3建筑弱电工程常用图例符号——电视系统序号名称图形符号备注1. GB/T、IEC 天线一般符号2. 带矩形波导馈线的抛物面天线3. GB/T、IEC 放大器一般符号中断器一般符号4. GB/T、IEC混合网络5. 二路分配器6. 三路分配器7. 四路分配器8. 定向耦合器9. 信号分支一般符号10. 系统出现端11. 均衡器12. 可变均衡器13. 衰减器14. 可变衰减器15. 高通滤波器16. 低通滤波器17. 带通滤波器18. 带阻滤波器19. 陷波器20. 调制器、调节器或鉴别器一般符号21. 匹配终端22. 彩色电视接收机23. 卫星电视接收机s24. 线路供电器(示出交流型)25. 供电阻断器(示在一条分配馈线上)26. 有限电视接收天线27. 高频避雷器28. 视频通路(电视)V29. 光纤或光缆一般符号30. 光发射机31. 光接收机32.GB 光电转换器33.GB 电光转换器表13.1.4建筑弱电工程常用图例符号——电话通信系统序号名称图形符号备注1. 建筑群配线架2. 主配线架3. 楼层配线架4. 程控交换机5. 集线器6. 光缆配线设备7. 信息插座8. 综合布线接口9. 架空交接箱A:编号B:容量10. 落地交接箱A:编号B:容量11. 壁龛交接箱A:编号B:容量12. 挂墙交接箱A:编号B:容量13. 电信插座一般符号14. 电话出线盒15. 电话机一般符号16. 按键式电话机17. 传真机一般符号。
之司秆蘸矗创作表13.1.1 建筑弱电工程经常使用图例符号——火灾自动报警——公共广播31. 端子箱XT32. 端子板1 2 3 4 5 6 733. 继电器线圈34. 匹配电阻、匹配负载35. 保安器36. 广播线路B37. 调频FM38. 调幅AM——电视系统序号名称图形符号备注1. GB/T、IEC 天线一般符号2. 带矩形波导馈线的抛物面天线3. GB/T、IEC 放大器一般符号中断器一般符号4. GB/T、IEC 混合网络5. 二路分配器6. 三路分配器7. 四路分配器8. 定向耦合器9. 信号分支一般符号10. 系统出现端11. 均衡器12. 可变均衡器13. 衰减器14. 可变衰减器15. 高通滤波器16. 低通滤波器17. 带通滤波器18. 带阻滤波器19. 陷波器20. 调制器、调节器或鉴别器一般符号21. 匹配终端22. 黑色电视接收机23. 卫星电视接收机s24. 线路供电器(示出交流型)25. 供电阻断器(示在一条分配馈线上)26. 有限电视接收天线27. 高频避雷器28. 视频通路(电视)V29. 光纤或光缆一般符号30. 光发射机31. 光接收机光电转换器电光转换器——电话通信系统序号名称图形符号备注1. 建筑群配线架2. 主配线架3. 楼层配线架4. 程控交换机5. 集线器6. 光缆配线设备7. 信息插座8. 综合布线接口9. 架空交接箱A:编号B:容量10. 落地交接箱A:编号B:容量11. 壁龛交接箱A:编号B:容量12. 挂墙交接箱A:编号B:容量13. 电信插座一般符号14. 电话出线盒15. 电话机一般符号16. 按键式电话机17. 传真机一般符号。
弱电工程图纸的常用图标标识汇总
前言:
弱电智能化设计和施工,必定会涉及到图纸。
所以首先,了解弱电图纸的图标很重要。
标示的字符表示什么,还有图标表示那些,了解后,很容易看图纸了。
要看懂工程图纸都有图纸设计说明,各个字母代表什么意思都有,弱电标示大部分都有什么:
▪SR:沿钢线槽敷设
▪BE:沿屋架或跨屋架敷设
▪CLE:沿柱或跨柱敷设
▪WE:沿墙面敷设
▪CE:沿天棚面或顶棚面敷设
▪ACE:在能进入人的吊顶内敷设
▪BC:暗敷设在梁内
▪CLC:暗敷设在柱内
▪WC:暗敷设在墙内
▪CC:暗敷设在顶棚内
▪ACC:暗敷设在不能进入的顶棚内▪FC:暗敷设在地面内
▪SCE:吊顶内敷设,要穿金属管1一、导线穿管表示
▪SC-焊接钢管
▪MT-电线管
▪PC-PVC塑料硬管
▪FPC-阻燃塑料硬管
▪CT-桥架
▪MR-金属线槽
▪M-钢索
▪CP-金属软管
▪PR-塑料线槽
▪RC-镀锌钢管
2二、导线敷设方式的表示
▪DB-直埋
▪TC-电缆沟
▪BC-暗敷在梁内
▪CLC-暗敷在柱内
▪WC-暗敷在墙内
▪CE-沿天棚顶敷设
▪CC-暗敷在天棚顶内
▪SCE-吊顶内敷设
▪F-地板及地坪下
▪SR-沿钢索
▪BE-沿屋架,梁
▪WE-沿墙明敷
3三、灯具安装方式的表示
CS-链吊
DS-管吊
W-墙壁安装
C-吸顶
R-嵌入
S-支架
CL-柱上
沿钢线槽:SR
沿屋架或跨屋架:BE
沿柱或跨柱:CLE
穿焊接钢管敷设:SC
穿电线管敷设:MT
穿硬塑料管敷设:PC
穿阻燃半硬聚氯乙烯管敷设:FPC
电缆桥架敷设:CT
金属线槽敷设:MR
塑料线槽敷设:PR
用钢索敷设:M
穿聚氯乙烯塑料波纹电线管敷设:KPC 穿金属软管敷设:CP
直接埋设:DB
电缆沟敷设:TC
导线敷设部位的标注
沿或跨梁(屋架)敷设:AB
暗敷在梁内:BC
沿或跨柱敷设:AC
暗敷设在柱内:CLC
沿墙面敷设:WS
暗敷设在墙内:WC
沿天棚或顶板面敷设:CE
暗敷设在屋面或顶板内:CC
吊顶内敷设:SCE
地板或地面下敷设:FC
HSM8-63C/3P
DTQ30-32/2P 这两个应该是两种塑壳断路器的型号,
HSM8-63C/3P 适用于照明回路中,为3极开关,额定电流为63A(3联开关)
DTQ30-32/2P 也是塑壳断路器的一种,额定电流32A,2极开关
4四、另外还一部分安防产品图标。
也是图纸上经常看到的。
系统名称图标标记含义
周界报警ZJ-xx-T(R) xx代表第xx对主动红外探测器,T代表发射器,R代表接收器。
电视监控DS-xx xx代表第xx只摄像机。
楼宇对讲LM-xx LM代表门口机,xx代表第xx单元门口机。
LS-xx-yyyy LS代表室内机,xx代表第xx单元,yyyy代表该单元yy层yy门号。
LW-xx LW代表围墙机,xx代表第xx号围墙机。
LG-xx LG代表管理机,xx代表第xx号管理机。
家庭报警JJ-xx-yyyy JJ代表报警键盘,xx代表单元号,yyyy代表该单元yy 层yy
门号。
JT-xx-yyyy JT代表红外探测器,xx代表单元号,yyyy代表该单元yy层yy 门号。
JM-xx-yyyy JM代表门磁开关,xx代表单元号,yyyy代表该单元yy层yy门号。
JA-xx-yyyy JA代表紧急按钮,xx代表单元号,yyyy代表该单元yy层yy门号。
JQ-xx-yyyy JQ代表煤气探测器,xx代表单元号,yyyy代表该单元yy层yy 门号。
JY-xx-yyyy JY代表烟感探测器,xx代表单元号,yyyy代表该单元yy层yy 门号。
电子巡更DZ-xx-yy DZ代表巡更按钮,xx代表巡更路线,yy代表该路线第yy只巡
更按钮。
门禁管理MJ-xx-yy MJ代表读卡器,xx代表单元号,yy代表该单元第yy号读卡器。
公共广播GB-xx-yy GB代表音箱,xx代表分区号,yy代表该分区内音箱编号。
设备监控BA-DT-xx DT代表电梯监控,xx是单元楼编号。
BA-SX-xx SX代表水箱监控,xx是单元楼编号。
BA-SB-xx SB代表水泵监控,xx是水泵编号。
BA-ZM-xx ZM代表照明监控,xx是回路编号。
BA-HK-xx HK代表航空障碍灯监控,xx是航空障碍灯数量编号。
BA-ZS-xx ZS代表集水井监控,xx是集水井数量编号。
BA-DDC-xx DDC代表BA控制箱,xx是控制箱编号。
综合布线TD-xx-yy-zz TD代表数据信息点,xx代表单元楼号,yy代表楼层,zz代表房号。
TP- xx-yy-zz TP代表语音信息点,xx代表单元楼号,yy代表楼层,zz代表房号。
TV- xx-yy-zz TV代表电视插座,xx代表单元楼号,yy代表楼层,zz代表房号。
LAN-xx-yy LAN代表大对数电缆,xx是单元号,yy代表该单元大对数电缆数量编号。
FTTP-xx-yy FTTP代表光缆,xx是单元号,yy代表该单元光缆数量编号。