管道热补偿量计算
- 格式:doc
- 大小:25.00 KB
- 文档页数:3
热伸长量管材的线膨管道的计输送介质管道安装
蒸汽表压胀系数算长度温度时温度
△X(mm)(KPa)
α(mm/m.k)L(m)t2( ℃)t1( ℃)
27.300.01203560-5
65.100.012035150-5
说明:
1、热水采暖管道尽量利用本身的转角来自然补偿,在自然补偿不足而必须安装伸缩器时,一般尽量采用方形伸缩器。
2、室内采暖总立管直线长度大于20m时,应考虑热补偿。
3、管道的热伸长量△X=αL(t2-t1)
△X--- 管道的热伸长量 (mm)
α--- 管材的线胀系数 (mm/m.k)
L --- 计算管道长度 (m)
t2 --- 输送热媒的温度℃
t1 --- 管道安装时的温度℃
一般取 -5 ℃, 管道在地下室或室内时取 -0 ℃,室外架空安装时取采暖室外计算温度。
4、垂直双管系统、闭合管与立管同轴垂直单管系统的散热器立管,长度≤ 20m时,可在立管中间设固定卡。
固定卡以下长度 >10m时的立管,应以三个弯头与干管连接,弯头宜采用热煨制作。
5、方形补偿器宜布置在两固定支架的中点,偏离时,不得大于固定支架跨距的0.6 倍。
6、波纹管补偿器和套筒补偿器,应配置导向支架。
管材的线膨胀系数α(mm/m.k)
管道材料普通钢不锈钢铸铁碳素钢聚氯乙烯聚乙烯聚丙烯
管材线膨涨系
0.0120.01030.0110.0120.070.10.16
数。
采暖立管热补偿计算
热补偿是指补偿供热管道被加热引起的受热伸长量,从而减弱或消除因热胀冷缩力所产生的应力。
主要是利用管道弯曲管段的弹性变形或在管道上设置补偿器。
热力网管道的热补偿设计,应考虑如下各点:
(1)充分利用管道的转角等进行自然补偿。
(2)采用弯管补偿器或轴向波纹管补偿器时,应考虑安装时的冷紧。
(3)采用套筒补偿器时,应计算各种安装温度下的安装长度,保证管道在可能出现的最高和最低温度下,补偿器留有不小于20mm的补偿余量。
(4)采用波纹管轴向补偿器时,管道上安装防止波纹管失稳的导向支座,当采用套筒补偿器、球形补偿器、铰接波纹补偿器,补偿管段过长时,亦应在适当地点设导向支座。
(5)采用球形补偿器、铰接波纹补偿器,且补偿管段较长时,宜采取减小管道摩擦力的措施。
(6)当一条管道直接敷设于另一条管道上时,应考虑两管道在最不利运行状态下热位移不同的影响。
(7)直埋敷设管道,宜采用无补偿敷设方式。
计算方式:
1、高区立管管道顶端采用自然补偿,底端采用L型自然补偿。
中间分两段,两个固定支架间距离为24米,则热补偿量为:
ΔL=0.012∗24∗(50−0)=14.4
选用波纹补偿器,补偿量为14.4m。
2、低区立管管道顶端采用自然补偿,底端采用L型自然补偿。
设备管道保温工程量计算公式
一、热管保温工程量的计算方法
1、管道保温质量的计算
管道保温的质量主要由热损失和热补偿量决定,即:
Q=Q1+Q2
其中:Q1为热损失量,Q2为热补偿量;
Q1=S*∆T*L/K1
其中:S为保温管道的外表面积,m2;
∆T为管道外壁至环境温差;K1为热损失系数;
Q2=S*∆T*L/K2
其中:S为保温管道的外表面积,m2;K2为热补偿系数;
由此可得保温质量为:Q=S*∆T*L/K1+S*∆T*L/K2
2、热管保温材料量的计算
热管保温材料块由热损失和单位面积保温材料的重量决定,即:M=Q/(S*b)
其中:M为保温材料量,kg;
Q为热损失,kcal/h;
S为保温管道的外表面积,m2;
b为单位面积保温材料的重量,kg/m2
根据上述公式即可求出热管保温材料量。
3、管道保温技术参数的计算
(1)热补偿系数K2的计算
K2=Rc*Rp*M/Vc
其中:Rc为热补偿器容积,m3;
Rp为热补偿器的保温效率,%;
M为热补偿器装载量,kg;
Vc为热补偿器的容积,m3
(2)热损失系数K1的计算
K1=1/η/Lm
其中:η为施工层的保温效率,%;
Lm为施工层厚度,m。
根据上述公式可求出管道保温技术参数。
二、热管保温工程量的计算。
3.自然补偿3.1 利用管道自然弯曲形状(或设计成L或Z管道)所具有的柔性,补偿其管道自身的热胀和端点的位移称之为自然补偿。
蒸汽直埋管道正是在温度变化时,弯管部分塑性变形和一定量的弹性变形实现管道的自然补偿的。
热力管道热伸长量ΔL=a(t2-t1)L mma——管道在相应温度范围内的线胀系数 mm/m℃L——管道长度 mt1——管道安装温度℃t2——管道设计使用(介质)温度℃上式计算的管道伸长量ΔL是相对保守的,它没有考虑管道与其接触面(保温材料等)摩擦约束作用、相对位移影响等。
3.2 L型自然补偿文献[8]提出 L长≦0.85Lkp或(L长+L短)/2≦0.85LkpL kp ——极限臂长,是L弯管的臂长达到Lkp时热胀和内压作用弯头处引起综合应力达到安定性变形的极限值2σs。
通常Q235,σs取80MPa。
此与L=1.1x[(ΔLDw)/300]1/2计算结果基本一致。
对于绝大多数蒸汽直埋保温管多采用钢外套或玻璃钢/钢外套管形式,这不同于架空软质外套保温,要求工作管除自身应力满足安全需要外,外护管还必须有足够空间,保证工作管道的膨胀或位移不受外套管的阻碍、限制,同时保证绝热效果良好。
这就在某些工况下,要求设有补偿直管段(较通常管径扩大的直管段)或补偿弯头(偏心补偿驼背弯头)等。
3.3 Z型自然补偿文献[8]提出最小短臂长度Lmin概念Lmin=0.8x0.65(ΔLDw) 1/2 mL长≦0.85lkpL短≧1.15 Lmin同时满足上两式要求,才能保证管道塑性变形不超过安定范围。
即短臂不过短,刚度不过大,不引起强度破坏或疲劳破坏。
Z型也可按两个L型进行补偿计算。
3.4 图解L型补偿随着科技进步,蒸汽直埋保温管设计结构有新的发展,可位移固定墩问世应用(1998)。
文献[5]介绍了在不考虑弯管柔性系数和应力加强系数情况下,利用经验绘制的图表可迅速的对L管道进行柔性补偿判断,确定长、短臂尺寸。
此石化系统应用广泛,也满足热力无分支管道使用。
热水管道补偿量波纹补偿器在管道系统中起着举足轻重的作用,但如何计算补偿量,如何选型安装使用,也是一个重中之重的问题,以下介绍供大家参考。
计算公式:X=a•L•△T x 管道膨胀量a为线膨胀系数,取0.0133mm/m L补偿管线(所需补偿管道固定支座间的距离)长度△T为温差(介质温度-安装时环境温度)补偿器安装和使用要求:1、补偿器在安装前应先检查其型号、规格及管道配置情况,必须符合设计要求。
2、对带内套筒的补偿器应注意使内套筒子的方向与介质流动方向一致,铰链型补偿器的铰链转动平面应与位移转动平面一致。
3、需要进行“冷紧”的补偿器,预变形所用的辅助构件应在管路安装完毕后方可拆除。
4、严禁用波纹补偿器变形的方法来调整管道的安装超差,以免影响补偿器的正常功能、降低使用寿命及增加管系、设备、支承构件的载荷。
5、安装过程中,不允许焊渣飞溅到波壳表面,不允许波壳受到其它机械损伤。
6、管系安装完毕后,应尽快拆除波纹补偿器上用作安装运输的黄色辅助定位构件及紧固件,并按设计要求将限位装置调到规定位置,使管系在环境条件下有充分的补偿能力。
7、补偿器所有活动元件不得被外部构件卡死或限制其活动范围,应保证各活动部位的正常动作。
8、水压试验时,应对装有补偿器管路端部的次固定管架进行加固,使管路不发生移动或转动。
对用于气体介质的补偿器及其连接管路,要注意充水时是否需要增设临时支架。
水压试验用水清洗液的96氯离子含量不超过25PPM。
9、水压试验结束后,应尽快排波壳中的积水,并迅速将波壳内表面吹干。
10、与补偿器波纹管接触的保温材料应不含氯。
补偿器设置距离:热水供应管道应尽量利用自然弯补偿热伸缩,直线段过长则应设置补偿器。
补偿器型式、规格、位置应符合设计要求,并按有关规定进行预拉伸。
3.自然补偿3.1利用管道自然弯曲形状(或设计成L或Z管道)所具有的柔性,补偿其管道自身的热胀和端点的位移称之为自然补偿。
蒸汽直埋管道正是在温度变化时,弯管部分塑性变形和一定量的弹性变形实现管道的自然补偿的。
热力管道热伸长量ΔL=a(t2-t1)L ﻩmma——管道在相应温度范围内的线胀系数 mm/m℃L——管道长度 mt1——管道安装温度℃t2——管道设计使用(介质)温度℃上式计算的管道伸长量ΔL是相对保守的,它没有考虑管道与其接触面(保温材料等)摩擦约束作用、相对位移影响等。
3.2 L型自然补偿文献[8]提出L长≦0.85Lkp或(L长+L短)/2≦0.85LkpL kp ——极限臂长,是L弯管的臂长达到Lkp时热胀和内压作用弯头处引起综合应力达到安定性变形的极限值2σs。
通常Q235,σs取80MPa。
此与L=1.1x[(ΔLDw)/300]1/2计算结果基本一致。
对于绝大多数蒸汽直埋保温管多采用钢外套或玻璃钢/钢外套管形式,这不同于架空软质外套保温,要求工作管除自身应力满足安全需要外,外护管还必须有足够空间,保证工作管道的膨胀或位移不受外套管的阻碍、限制,同时保证绝热效果良好。
这就在某些工况下,要求设有补偿直管段(较通常管径扩大的直管段)或补偿弯头(偏心补偿驼背弯头)等。
3.3 Z型自然补偿文献[8]提出最小短臂长度Lmin概念Lmin=0.8x0.65(ΔLDw) 1/2 mﻩﻩL长≦0.85lkpﻩL短≧1.15 Lmin同时满足上两式要求,才能保证管道塑性变形不超过安定范围。
即短臂不过短,刚度不过大,不引起强度破坏或疲劳破坏。
Z型也可按两个L型进行补偿计算。
3.4 图解L型补偿随着科技进步,蒸汽直埋保温管设计结构有新的发展,可位移固定墩问世应用(1998)。
文献[5]介绍了在不考虑弯管柔性系数和应力加强系数情况下,利用经验绘制的图表可迅速的对L管道进行柔性补偿判断,确定长、短臂尺寸。
室外架空热力管道热补偿室外架空热力管道热补偿是指在管道运行过程中,由于温度变化导致管道发生热胀冷缩现象,为了避免对管道结构和支管设备造成不良影响,采取一系列的补偿措施以减小管道的热应力。
室外架空热力管道热补偿的主要目的是保证管道的正常运行和安全性,同时确保管道的稳定性和可靠性。
在室外环境中,管道受到太阳辐射和空气温度的影响较大,温度变化幅度也较大,因此需要对管道进行热补偿。
室外架空热力管道热补偿的主要方法有以下几种:1.弹簧支座弹簧支座是一种常用的热补偿装置,它可以通过调整支座的高度来实现管道的热补偿。
弹簧支座具有良好的弹性和稳定性,可以有效地吸收管道的热应力,减小管道的变形。
同时,弹簧支座还可以随着管道的变形自动调整,无需人工干预,操作简便。
2.管道伸缩节管道伸缩节是一种能够自由伸缩的管道连接件,其中内部设置有波纹管或球面接头,可以在管道受热胀冷缩时自由伸缩,减小管道的热应力。
管道伸缩节通常由不锈钢制成,具有良好的耐高温和耐腐蚀性能,可以在恶劣的室外环境下长期稳定工作。
3.可调支座可调支座是一种能够调节高度的管道支撑装置,通过调整支座的高度来实现管道的热补偿。
可调支座通常由钢制构件和螺杆组成,可以根据管道的热胀冷缩情况进行高度调整,保持管道的水平和垂直稳定。
4.轴向铰链支座轴向铰链支座是一种能够随着管道的轴向运动而旋转的支撑装置,它可以通过调整支座的角度来实现管道的热补偿。
轴向铰链支座具有良好的承载能力和稳定性,可以有效地吸收管道的热应力,减小管道的变形。
在室外架空热力管道的热补偿过程中,还应注意以下几个方面:1.管道材料的选择室外环境中,管道会受到太阳辐射和大气温度的影响,因此需要选择耐高温和耐腐蚀性能优良的管道材料,以确保管道的安全和可靠运行。
2.热补偿计算在进行室外架空热力管道热补偿设计之前,应进行详细的热补偿计算,确定管道的热胀冷缩量和所需的热补偿装置,以确保管道的稳定和安全性。
3.定期检查和维护对于室外架空热力管道的热补偿装置,应定期进行检查和维护,确保其正常运行和安全性。
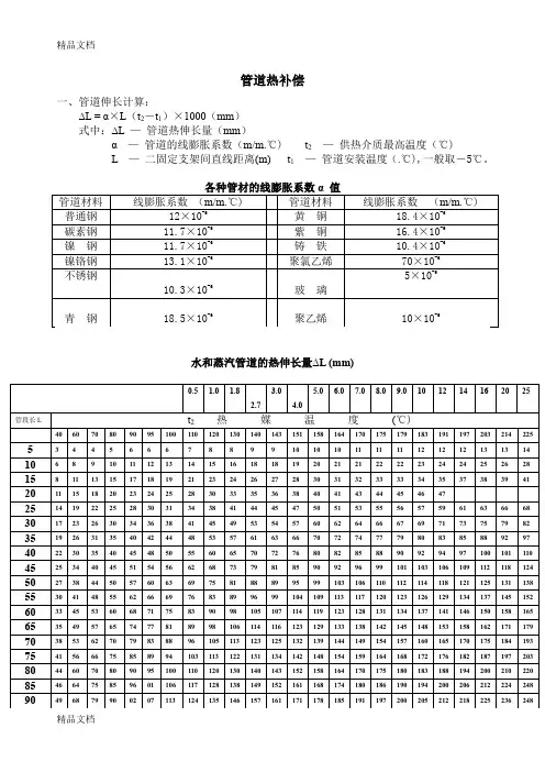
管道热补偿一、管道伸长计算:∆L = α×L(t2-t1)×1000(mm)式中:∆L —管道热伸长量(mm)α—管道的线膨胀系数(m/m.℃)t2 —供热介质最高温度(℃)L —二固定支架间直线距离(m) t1 —管道安装温度(.℃),一般取-5℃。
各种管材的线膨胀系数α值管道材料线膨胀系数(m/m.℃) 管道材料线膨胀系数(m/m.℃)普通钢12×10-6黄铜18.4×10-6碳素钢11.7×10-6紫铜16.4×10-6镍钢11.7×10-6铸铁10.4×10-6镍铬钢13.1×10-6聚氯乙烯70×10-6不锈钢10.3×10-6玻璃5×10-6青钢18.5×10-6聚乙烯10×10-6水和蒸汽管道的热伸长量∆L (mm)0.5 1.0 1.8 2.7 3.0 4.0 5.0 6.0 7.0 8.0 9.0 10 12 14 16 20 25管段长L t2 热媒温度(℃)40 60 70 80 90 95 100 110 120 130 140 143 151 158 164 170 175 179 183 191 197 203 214 2255 3 4 4 56 6 678 89 9 10 10 10 11 11 11 12 12 12 13 13 14 10 6 8 9 10 11 12 13 14 15 16 18 18 19 20 21 21 22 22 23 24 24 25 26 28 15 8 11 13 15 17 18 19 21 23 24 26 27 28 30 31 32 33 33 34 35 37 38 39 41 20 11 15 18 20 23 24 25 28 30 33 35 36 38 40 41 43 44 45 46 4725 14 19 22 25 28 30 31 34 38 41 44 45 47 50 51 53 55 56 57 59 61 63 66 68 30 17 23 26 30 34 36 38 41 45 49 53 54 57 60 62 64 66 67 69 71 73 75 79 82 35 19 26 31 35 40 42 44 48 53 57 61 63 66 70 72 74 77 79 80 83 85 88 92 97 40 22 30 35 40 45 48 50 55 60 65 70 72 76 80 82 85 88 90 92 94 97 100 101 110 45 25 34 40 45 51 54 56 62 68 73 79 81 85 90 92 96 99 101 103 106 109 112 118 124 50 27 38 44 50 57 60 63 69 75 81 88 89 95 99 103 106 110 112 114 118 121 125 131 138 55 30 41 48 55 62 66 69 76 83 89 96 99 104 109 113 117 120 123 126 129 134 137 145 152 60 33 45 53 60 68 71 75 83 90 98 105 107 114 119 123 128 131 134 137 141 146 150 158 165 65 35 49 57 65 74 77 81 89 98 106 114 116 123 129 133 138 142 145 148 153 158 162 171 179 70 38 53 62 70 79 83 88 96 105 113 123 125 132 139 144 149 154 157 160 165 170 175 184 193 75 41 56 66 75 85 89 94 103 113 122 131 134 142 148 154 159 164 168 172 176 182 187 197 203 80 44 60 70 80 90 95 100 110 120 130 140 143 152 158 164 170 175 180 183 188 194 200 210 220 85 46 64 75 85 96 01 106 117 128 138 149 152 161 168 174 180 186 190 194 200 206 212 224 248 90 49 68 79 90 02 07 113 124 135 146 157 161 171 178 185 191 197 200 205 212 218 225 236 248 95 52 71 83 95 07 13 119 130 143 154 166 170 180 188 195 202 208 212 217 223 230 237 250 262 100 54 75 88 00 13 19 125 137 150 163 175 179 190 198 205 212 219 224 229 235 243 250 263 276 105 57 79 92 05 19 23 131 144 158 170 184 188 199 208 215 223 230 235 240 247 255 262 276 290 110 60 83 96 10 24 31 138 151 165 180 194 197 288 218 226 234 240 246 252 259 267 274 290 304说明:上表是按公式:∆L = 0.012×L(t2-t1)(mm),安装温度-5℃时编制的。
管道热补偿一、管道伸长计算:∆L = α×L(t2-t1)×1000(mm)式中:∆L —管道热伸长量(mm)α—管道的线膨胀系数(m/m.℃)t2 —供热介质最高温度(℃)L —二固定支架间直线距离(m) t1 —管道安装温度(.℃),一般取-5℃。
各种管材的线膨胀系数α值管道材料线膨胀系数(m/m.℃) 管道材料线膨胀系数(m/m.℃) 普通钢12×10-6黄铜18.4×10-6碳素钢11.7×10-6紫铜16.4×10-6镍钢11.7×10-6铸铁10.4×10-6镍铬钢13.1×10-6聚氯乙烯70×10-6不锈钢10.3×10-6玻璃5×10-6青钢18.5×10-6聚乙烯10×10-6水和蒸汽管道的热伸长量∆L (mm)0.5 1.0 1.82.73.04.05.06.07.08.09.0 10 12 14 16 20 25管段长L t2 热媒温度(℃)40 60 70 80 90 95 100 110 120 130 140 143 151 158 164 170 175 179 183 191 197 203 214 2255 3 4 4 56 6 678 89 9 10 10 10 11 11 11 12 12 12 13 13 14 10 6 8 9 10 11 12 13 14 15 16 18 18 19 20 21 21 22 22 23 24 24 25 26 28 15 8 11 13 15 17 18 19 21 23 24 26 27 28 30 31 32 33 33 34 35 37 38 39 41 20 11 15 18 20 23 24 25 28 30 33 35 36 38 40 41 43 44 45 46 4725 14 19 22 25 28 30 31 34 38 41 44 45 47 50 51 53 55 56 57 59 61 63 66 68 30 17 23 26 30 34 36 38 41 45 49 53 54 57 60 62 64 66 67 69 71 73 75 79 82 35 19 26 31 35 40 42 44 48 53 57 61 63 66 70 72 74 77 79 80 83 85 88 92 97 40 22 30 35 40 45 48 50 55 60 65 70 72 76 80 82 85 88 90 92 94 97 100 101 110 45 25 34 40 45 51 54 56 62 68 73 79 81 85 90 92 96 99 101 103 106 109 112 118 124 50 27 38 44 50 57 60 63 69 75 81 88 89 95 99 103 106 110 112 114 118 121 125 131 138 55 30 41 48 55 62 66 69 76 83 89 96 99 104 109 113 117 120 123 126 129 134 137 145 152 60 33 45 53 60 68 71 75 83 90 98 105 107 114 119 123 128 131 134 137 141 146 150 158 165 65 35 49 57 65 74 77 81 89 98 106 114 116 123 129 133 138 142 145 148 153 158 162 171 179 70 38 53 62 70 79 83 88 96 105 113 123 125 132 139 144 149 154 157 160 165 170 175 184 193 75 41 56 66 75 85 89 94 103 113 122 131 134 142 148 154 159 164 168 172 176 182 187 197 203 80 44 60 70 80 90 95 100 110 120 130 140 143 152 158 164 170 175 180 183 188 194 200 210 220 85 46 64 75 85 96 01 106 117 128 138 149 152 161 168 174 180 186 190 194 200 206 212 224 248 90 49 68 79 90 02 07 113 124 135 146 157 161 171 178 185 191 197 200 205 212 218 225 236 24895 52 71 83 95 07 13 119 130 143 154 166 170 180 188 195 202 208 212 217 223 230 237 250 262 100 54 75 88 00 13 19 125 137 150 163 175 179 190 198 205 212 219 224 229 235 243 250 263 276 105 57 79 92 05 19 23 131 144 158 170 184 188 199 208 215 223 230 235 240 247 255 262 276 290 110 60 83 96 10 24 31 138 151 165 180 194 197 288 218 226 234 240 246 252 259 267 274 290 304 说明:上表是按公式:∆L = 0.012×L(t2-t1)(mm),安装温度-5℃时编制的。
1、管道的热补偿计算:系统最长管段受热的自由伸长量:Δx1=aL(t2-t1)*1000=0.012*27*(80+5)=27.5mm在供热管段中依靠波纹补偿器补偿,减弱或消除因热胀冷缩力所产生的应力。
2、通风计算配电间通风:排风量按4次/h计算排风量为34*2.9*4=394m3/h弱电间通风:排风量按4次/h计算排风量为15*2.9*4=174m3/h选用风机型号为No.2.5,风压54Pa 风量1000m3/h变电站通风:排风量按12次/h计算排风量为215*4*12=10320m3/h选用两台排风风机,风机型号为No.4.5,风压121Pa 风量5300m3/h 选用两台送风风机,风机型号为No.4,风压109Pa 风量4250m3/h 菜市场通风:排风量按4次/h计算排风量为420*4*5=8400m3/h选用两台排风风机,风机型号为No.4.5,风压121Pa 风量5300m3/h选用两台送风风机,风机型号为No.4,风压109Pa 风量4250m3/h 电梯机房通风:排风量按10次/h计算排风量为11*5.1*10=561m3/h选用风机型号为No.2.5,风压54Pa 风量1000m3/h3、防烟电梯前室正压送风系统:(一)地上楼梯间及合用前室加压送风量计算:按风速法计算(压差法风量小于风速法风量)地上楼梯间加压送风量计算:加压送风量:Lv=n*F*ν*(1+b)*3600/α=2*3.15*0.9*(1+0.1)*3600/0.9=24948 m3/h式中:n—同时开启门数量、F —每个门开启面积、ν—开启门洞处平均风速b—漏风附加率、α—背压系数选用混流风机一台(No.9 L=25000 m3/h. H=628Pa. N=11 KW)地上合用前室加压送风量计算:加压送风量:Lv=(n*F*ν*(1+b)*3600/α)*系数=2*3.3*0.7*(1+0.1)*3600/0.9=20328m3/h式中:n—同时开启门数量、F —每个门开启面积、ν—开启门洞处平均风速b—漏风附加率、α—背压系数选用混流风机一台(No.7 L=20000 m3/h. H=676Pa. N=7.5KW)(二)地下楼梯间加压送风量计算:按风速法计算(压差法风量小于风速法风量)地下楼梯间加压送风量计算:加压送风量:Lv=n*F*ν*(1+b)*3600/α=1*3.22*1.2*(1+0.1)*3600/0.9=17001.6 m3/h式中:n—同时开启门数量、F —每个门开启面积、ν—开启门洞处平均风速b—漏风附加率、α—背压系数选用混流风机一台(No.9 L=25000 m3/h. H=430Pa. N=5.5 KW)地下合用前室加压送风量计算:加压送风量:Lv=( n *F*ν*(1+b)*3600/α)*系数=2*3.15*0.7*(1+0.1)*3600/0.9=19404m3/h式中:n—同时开启门数量、F —每个门开启面积、ν—开启门洞处平均风速b—漏风附加率、α—背压系数选用混流风机一台(No.7 L=20000 m3/h. H=676Pa. N=7.5KW)。
热伸长量
△X(mm)管材的线膨胀系数α(mm/m.k)管道的计算长度L(m)输送介质温度t2(℃)管道安装时温度
t1(℃)
蒸汽表压(KPa)
27.300.01203560-5
65.100.012035150-5说明:
1、热水采暖管道尽量利用本身的转角来自然补偿,在自然补偿不足而必须安装伸缩器时,一般尽量采用方形伸缩器。
2、室内采暖总立管直线长度大于20m时,应考虑热补偿。
3、管道的热伸长量 △X=αL(t2-t1)
△X---管道的热伸长量(mm)
α ---管材的线胀系数(mm/m.k)
L ---计算管道长度 (m)
t2 ---输送热媒的温度 ℃
t1 ---管道安装时的温度 ℃
一般取-5℃,管道在地下室或室内时取-0℃,室外架空安装时取采暖室外计算温度。
4、垂直双管系统、闭合管与立管同轴垂直单管系统的散热器立管,长度≤20m时,可在立管中间设固定卡。
固定卡以下长度>10m时的立管,应以三个弯头与干管连接,弯头宜采用热煨制作。
5、方形补偿器宜布置在两固定支架的中点,偏离时,不得大于固定支架跨距的0.6倍。
6、波纹管补偿器和套筒补偿器,应配置导向支架。
三.管道的热变形计算:计算公式:X=a*L*△Tx 管道膨胀量a为线膨胀系数,取0.0133mm/mL补偿管线(所需补偿管道固定支座间的距离)长度△T为温差(介质温度-安装时环境温度)三.关于轴向型、横向型和角向型补偿器对管系及管架设计的要求(一)轴向型补偿器1、安装轴向型补偿器的管段,在管道的盲端、弯头、变截面处,装有截止阀或减压阀的部们及侧支管线进入主管线入口处,都要设置主固定管架。
主固定管架要考虑波纹管静压推力及变形弹性力的作用。
推力计算公式如下:Fp=100*P*AFp-补偿器轴向压力推(N),A-对应于波纹平均直径的有效面积(cm2),P-此管段管道最高压力(MPa)。
轴向弹性力的计算公式如下:Fx=f*Kx*XFX-补偿器轴向弹性力(N),KX-补偿器轴向刚度(N/mm);f-系数,当“预变形”(包括预变形量△X=0)时,f=1/2,否则f=1。
管道除上述部位外,可设置中间固定管架。
中间固定管架可不考虑压力推力的作用。
2、在管段的两个固定管架之间,仅能设置一个轴向型补偿器。
3、固定管架和导向管架的分布推荐按下图配置。
补偿器一端应靠近固定管架,若过长则要按第一导向架的设置要求设置导向架,其它导向架的最大间距可按下计算:LGmax-最大导向间距(m);E-管道材料弹性模量(N/cm2);i-tp 管道断面惯性矩(cm4);KX-补偿器轴向刚度(N/mm),X0-补偿额定位移量(mm)。
当补偿器压缩变形时,符号“+”,拉伸变形时,符合为“-”。
当管道壁厚按标准壁厚设计时,LGmax可按有关标准选取。
(二)横向型及角向型补偿器1、装在管道弯头附近的横向型补偿器,两端各高一导向支座,其中一个宜是平面导向管座,其上、下活动间隙按下式计算:ε-活动间隙(mm);L-补偿器有效长度(mm);△Y-管段热膨胀量(mm);△X-不包括L长度在内的垂直管段的热膨胀量(mm);2、角向型补偿器宜两个或三个为一组配套使用,用以吸收管道的横向位移,对Z形和L形管段两个固定管架之间,只允许安装一个横向型补偿器或一组角向型补偿器。
采暖抵偿器计算之宇文皓月创作该帖被浏览了4176次 | 回复了27次1引言固定支架是暖通空调中经经常使用到的一种支架,它在系统中起固定和支撑管道的作用,一般由设计人员根据需要设定具体位置,各种规范中规定较少,抵偿器用于吸收管道因温度增高引起膨胀造成的长度增大。
有“г”型、“Z”型的自然抵偿器和方形、套筒、波纹管抵偿器等多种形式,设计人设计时依据伸缩量、管径等条件选用。
可是现在许多设计人员对此不重视,或漏画,或胡乱对付,位置和数量都没有经过仔细推敲,不甚合理,本文根据笔者经验,总结了一套在室内95/70℃热水采暖系统设计中快速设置固定支架和抵偿器的方法,结合示例详述如下,望能起到抛砖引玉的作用。
由于成文比较仓促,文中定有许多缺乏之处,望各位指正。
2设计计算系统中固定支架的设置应在管径计算完毕之后,此时系统管道的安插已经完成,系统每一段的管径已经计算确定,固定支架可以开始安插。
2.1 计算管道热伸长量(1)△X——管道的热伸长量,mm;t1——热媒温度,℃,t2——管道装置时的温度, ℃,一般按-5℃计算.L——计算管道长度m;0.012——钢铁的线膨胀系数,mm/m·℃按t1=95℃简化得(2 )2.2确定可以不装抵偿器和应用“г”型、“Z”型管段自然抵偿的管段对于本文所述系统由固定点起,允许不装抵偿器的直管段最大长度民用建筑为33m,工业建筑为42m。
(管道伸长量分别为40mm和50mm)。
实际设计时一般每段臂长不大于20~30m,不小于2m。
在自然抵偿两臂顶端设置固定支架。
“г”型抵偿器一般用于DN150以下管道;最大允许距离与管径关系见表1。
“Z” 型抵偿器可以看做两个“г”型抵偿器。
表1 г”型抵偿器最大允许距离抵偿器形式敷设方式管径DN(mm)25 32 40 50 70 80 100 125 150г 型长边最大间距L2(m)15 18 20 24 24 30 30 30 30短边最小间距L1(m)2 2.5 3 3.5 4 5 5.5 6 62.3确定不克不及进行自然抵偿部分管道的热伸长量,并根据计算结果设置抵偿器能进行自然抵偿部分管道确定了,其余部分就是应该设置抵偿器的部分。
采暖补偿器计算
该帖被浏览了4176次 | 回复了27次1引言固定支架是暖通空调中经常用到的一种支架,它在系统中起固定和支撑管道的作用,一般由设计人员根据需要设定具体位置,各种规范中规定较少,补偿器用于吸收管道因温度增高引起膨胀造成的长度增大。
有“г”型、“Z”型的自然补偿器和方形、套筒、波纹管补偿器等多种形式,设计人设计时依据伸缩量、管径等条件选用。
可是现在许多设计人员对此不重视,或漏画,或胡乱对付,位置和数量都没有经过仔细推敲,不甚合理,本文根据笔者经验,总结了一套在室内95/70℃热水采暖系统设计中快速设置固定支架和补偿器的方法,结合示例详述如下,望能起到抛砖引玉的作用。
由于成文比较仓促,文中定有许多不足之处,望各位指正。
2设计计算系统中固定支架的设置应在管径计算完毕之后,此时系统管道的布置已经完成,系统每一段的管径已经计算确定,固定支架可以开始布置。
计算管道热伸长量
(1)
△ X——管道的热伸长量,mm;
t1——热媒温度,℃,
t2——管道安装时的温度, ℃,一般按-5℃计算.
L——计算管道长度m;
——钢铁的线膨胀系数,mm/m·℃
按t1=95℃简化得
(2 )
确定可以不装补偿器和应用“г”型、“Z”型管段自然补偿的管段
对于本文所述系统由固定点起,允许不装补偿器的直管段最大长度民用建筑为33m,工业建筑为42m。
(管道伸长量分别为40mm和50mm)。
实际设计时一般每段臂长不大于20~30m,不小于2m。
在自然补偿两臂顶端设置固定支架。
“г”型补偿器一般用于DN150以下管道;最大允许距离与管径关系见表1。
“Z”型补偿器可以看做两个“г”型补偿器。
表1 г”型补偿器最大允许距离
补偿器形式敷设方式
管径DN(mm)
25 32 40 50 70 80 100 125 150
г 型
长边最大间距L2(m)15 18 20 24 24 30 30 30 30
短边最小间距L1(m)2 3 4 5 6 6
确定不能进行自然补偿部分管道的热伸长量,并根据计算结果设置补偿器
能进行自然补偿部分管道确定了,其余部分就是应该设置补偿器的部分。
计算这部分伸长量,
如果较长要设置多个补偿器,应注意均匀设置;并在两个补偿器中间设置固定支架。
选择时注意套筒补偿器容易漏水漏气,适合安装在地沟内,不适宜安装在建筑物上部;波纹管补偿器能力大耐腐蚀,但造价高并且需要设置导向支架;方形补偿器需要的安装空间较大,但运行可靠应用广泛。
设计时可以根据工程具体情况选用。
3例题[已知] 如图1所示,某民用建筑95/70℃热媒供热管道a-b段长度为32m,b-c段长度为24m,c-d段长度为63m,d-e段长度为48m,管径如图所示。
[求] 计算管道热伸长量,设置补偿器和固定支架。
[解] 首先按照公式(2)计算可得
a-b段管道热伸长量=
b-c段管道热伸长量=
c-d段管道热伸长量=
d-e段管道热伸长量=
图1 供热干管示意图
由以上计算可知,
a-b段和b-c段伸长量不超过规定值,可不设补偿器,但应在管段中部(点f、g)设一固定支架,使管道可以有固定点向两侧自由伸缩。
d-e段可以从e点开始向d点量33m的p处设一固定支架。
p-d段长15m.。
c-d段上设h和k点,这样g-c和c-h形成“г”型补偿器, k-d和d-p形成另一“г”型补偿器。
根据管径查表1知c-h长度介于到18m之间,本系统定为15m; k-d长度介于3m到20m之间,本系统定为15m.。
h-k长度为33m设置一个方形补偿器,详见国标图N106,本不再赘述。
设定好固定支架和补偿器的系统如图2所示。
图2 供热干管补偿器和固定支架设置示意图
4结论固定支架和补偿器的设置应按照一定的步骤精心设计,并密切配合施工单位施工才能获得较好的效果。
对此我们应充分重视,不能草草了事。
参考文献[1] 陆耀庆. 供暖通风设计手册. 北京:中国建筑工业出版社,1987[Z]
[2] 陆耀庆. 暖通空调设计指南. 北京:中国建筑工业出版社,1996[Z]。