大六角高强度螺栓重量表
- 格式:doc
- 大小:149.50 KB
- 文档页数:2
[Word]螺栓、螺母和垫圈的理论重量参考表螺栓、螺母和垫圈的理论重量(参考件)A1 螺栓的理论重量按表Al。
表A1螺纹规格d,mm公称长度 M16 M20 M22 M24 l每1 000件钢螺栓的理论重量,kg?40 118.3445 126.66 219.6350 134.98 232.60 258.8755 143.30 245.57 301.49 372.4960 151.61 258.55 317.12 391.5065 157.78 271.52 332.75 410.5170 166.09 284.50 348.37 429.5375 174.41 294.11 364 448.5480 182.73 307.08 375.89 467.5585 191.05 320.06 391.52 481.4090 199.36 333.03 407.14 500.4295 207.68 346.01 422.77 519.43100 216 358.98 438.89 538.44110 232.63 384.93 469.65 576.46120 249.26 410.88 500.90 614.49130 436.82 532.15 652.51140 462.77 563.40 690.54150 549.65 728.56160 766.58170 804.61180 842.630 A2 螺母的理论重量按表A2。
表A2螺纹规格D,mm M16 M20 M22 M24每l000件钢螺母的理论重量,kg? 61.51 118.77 146.59 202.67A3垫圈的理论重量按表A3。
表A3规格,mm 16 20 22 24每1000件钢垫圈的理论重量,kg? 23.40 33.55 43.34 55.76附加说明:本标准由中华人民共和国机械工业部提出,由全国紧固件标准化技术委员会归口。
钢结构用大六角高强螺栓连接副价目表公称长度L螺纹规格dM16M20M22M24M27M30重量单价重量单价重量单价重量单价重量单价重量单价3540367.2 3.4945221.3 2.1750230 2.25393.2 3.7455236.2 2.31406.2 3.86502.6 4.7760244.5 2.40419.2 3.98518.17 4.92671.4 6.3865252.8 2.48429 4.08533.8 5.07689.9 6.55924.89.0670261.1 2.56442.4 4.20546.5 5.19708.4 6.73948.79.30113211.09 75269.5 2.64455.4 4.33562.2 5.34723.3 6.87972.69.53118311.59 80277.8 2.72468.4 4.45577.8 5.49742.87.06991.89.72124212.17 85286.1 2.80481.4 4.57593.4 5.64760.37.22105210.31126512.40 90294.7 2.89494.4 4.70609.1 5.79778.97.40103910.18129412.68 95302.7 2.97507.3 4.82624.7 5.93797.47.58106310.42132412.98 100311.1 3.05520.3 4.94640.3 6.08815.97.75108710.65135313.26 110327.7 3.21546.3 5.19671.6 6.388538.10113511.12141213.84 120344.1 3.37572.2 5.44702.9 6.688908.46118311.59147014.41 130361 3.54598.2 5.68734.1 6.979278.81123112.06152914.98 140624.2 5.93765.47.279649.16127812.52158815.56 1459839.340.00 150650.2 6.18796.77.5710019.51132612.99164616.13 160676.1 6.42827.97.8710389.86137413.47170516.71 170859.28.16107610.22142213.94176417.29 180890.58.46111310.57147014.41182217.86 190462 4.30921.78.76115010.93151714.87188118.43 2009539.05118711.28156515.34194019.01 2201015.59.65126111.98166116.28205720.16 240133512.68175617.21217421.31 260185218.15229122.45说明以上重量:按每1000套螺栓计算,单位:kg/千套以上价格:按每1000套螺栓计算,单位:元/套每一连接副包括一个高强度大六角螺栓,一个高强度螺母,二个高强度垫圈M169800元\t M209500元\t M229500元\t M249500元\t M279800元\t M309800元\t钢结构用扭剪型高强度螺栓连接副价目表公称长度L螺纹规格dM16M20M22M24重量单价重量单价重量单价重量单价40203.3 2.05359 3.6345211.6 2.14372 3.76406.24 4.1050219.9 2.22384.9 3.89448.8 4.5355228.2 2.30397.9 4.02491.4 4.9660236.5 2.39410.9 4.15507.1 5.12649.9 6.56 65242.7 2.45423.8 4.28522.7 5.28668.9 6.76 70251 2.54436.8 4.41538.3 5.44688 6.95 75259.3 2.62446.4 4.51553.9 5.597077.14 80267.6 2.70459.4 4.64565.8 5.717267.33 85276 2.79472.4 4.77581.5 5.87739.87.47 90284.3 2.87485.4 4.90597.1 6.03758.97.66 95292.6 2.96498.3 5.03612.7 6.19777.97.86 100300.9 3.04511.3 5.16628.8 6.35796.98.05 105524.3 5.30644.2 6.51815.98.24 110537.3 5.43659.6 6.66834.98.43 115550.2 5.56675.2 6.82853.98.62 120563.2 5.69690.8 6.98872.98.82 130722.17.29910.99.20 140753.37.619499.58 150784.67.929879.97 160170180说明:以上重量:按每1000套螺栓计算,单位:kg/千套以上价格:按每1000套螺栓计算,单位:元/套每一连接副包括一个扭剪型高强度螺栓,一个扭剪型高强度螺母,一个扭剪型高强度垫圈吨位价:10100元/t。
六角螺栓重量表六角螺栓重量表六角头螺栓理论重量表六角头螺栓重量表规格(直径×长度) M10×30 M10×40 M10×50 M10×60 M12×30M12×40 M12×50 M12×60 M12×70 M12×80 M14×40 M14×50 M14×60 M14×70 M20×100每千个螺栓重量(公斤) 不带螺母带螺母29 40 35 46 41 52 47 58 41 57 49 65 58 74 67 83 76 92 85 101 69 94 81 106 93 118 105 130 304 366规格(直径×长度) M14×80 M14×90 M16×40 M16×50 M16×60M16×70 M16×80 M16×90 M16×100 M20×50 M20×60 M20×70 M20×80 M20×90 M22×160每千个螺栓重量(公斤) 不带螺母117 129 92 106 122 138 154 170 185 183 205 230 255 279 548规格(直径×长度) M20×110 M20×120 M20×130 M22×60 M22×70M22×80 M22×90 M22×100 M22×110 M22×120 M22×130 M22×140M22×150 M27×120 M27×130 M27×140 M27×150 M27×160每千个螺栓重量(公斤) 不带螺母带螺母329 391 354 416 378 440 250 326 280 356 310 386 339 415 369 445 399 475 429 505 459 535 489 565 519 595 699 867 744 912 789 957 834 1002 879 1047规格(直径×长度) M24×80 M24×90 M24×100 M24×110 M24×120M24×130 M24×140 M24×150 M24×160 M27×80 M27×90 M27×100M27×110 M30×170 M30×180 M30×190 M30×200 M30×210每千个螺栓重量(公斤) 不带螺母388 424 459 495 531 566 602 637 673 519 564 609 654 ***** 1378六角头螺栓理论重量表六角头螺栓重量表六角螺栓重量表规格(直径×长度) M27×170 M27×180 M30×100 M30×110 M30×120 M30×130 M30×140 M30×150 M30×160 M36×190 M36×200 M36×210M36×220 M36×230 M36×240 M42×150 M42×160 M42×170 M42×180M42×190 M42×200 M42×210 M42×220 M48×260 M48×300每千个螺栓重量(公斤) 不带螺母带螺母924 1092 969 1137 765 999 820 1054 875 1109 931 1165 986 ***** ***** ***** ***** ***** ***** ********** ***** 6099规格(直径×长度) M30×220 M36×110 M36×120 M36×130 M36×140 M36×150 M36×160 M36×170 M36×180 M42×230 M42×240 M42×250M48×150 M48×160 M48×170 M48×180 M48×190 M48×200 M48×210M48×220 M48×230 M48×240 M48×250 M48×280每千个螺栓重量(公斤) 不带螺母***** ***** ***** ***** ***** *****六角螺栓重量表每千个螺栓重量(公斤) 带螺母142 154 126 140 156 172 188 204 219 245 267 292 317 341 624每千个螺栓重量(公斤) 带螺母500 536 571 607 643 678 714 749 785 687 732 777 822 ***** 1612六角螺栓重量表每千个螺栓重量(公斤) 带螺母***** ***** ***** ***** ***** *****。
大六角高强度螺栓连接工艺标准1范围本工艺标准适用于钢结构安装工程,大六角高强度螺栓连接的施工技术。
22施工准备2.1材料:2.1.1螺栓、螺母、垫圈均应附有质量证明书,并应符合设计要求和国家标准的规定。
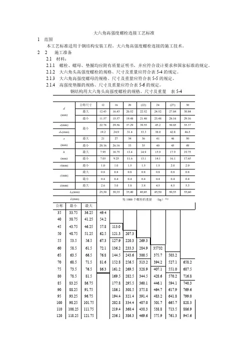
2.1.2大六角头高强度螺栓的规格、尺寸及重量应符合表5-4的规定。
2.1.3大六角高强度螺母的规格、尺寸及重量应符合表5-5的规定。
2.1.4高强度垫圈的规格、尺寸及重量应符合表5-6的规定。
钢结构用大六角头高强度螺栓的规格、尺寸及重量表5-4d (mm)公称尺寸121620(22)24(27)30最大12.4316.4320.5222.5224.5227.8430.84最小11.5715.5719.4821.4823.4826.1629.16e(mm)最小22.7829.5637.2939.5545.250.8555.37d w(mm)19.224.931.433.338.042.846.5s (mm)最大21273436414650最小20.1626.163335404549h (mm)最大7.9510.7513.414.915.917.919.75最小7.059.2511.613.114.116.117.65r(mm)最小 1.0 1.0 1.5 1.5 1.5 2.0 2.0c(mm)最大0.80.80.80.80.80.80.8最小0.40.40.40.40.40.40.4z(mm)最大 2.6 3.0 3.8 3.8 4.5 4.5 5.3 L0(mm)25;3030;3535;4040;4545;5050;5555;60L(mm)每1000个螺栓的重量(kg)≈公称最小最大35 4033.7538.7536.2541.2549.454.24543.7546.2557.8113.05048.7551.2562.5121.3207.35553.556.567.3127.9220.3269.36058.561.572.1136.2233.3284.9357326563.566.576.8144.5243.6300.5375.7503.2 7068.571.581.6152.8256.5313.2394.2527.1658.2 7573.576.586.3161.2269.5328.9407.1551.0687.5 8078.581.5169.5282.5344.5428.6570.2716.8 8583.2586.75177.8295.5360.1446.1594.1740.3 9088.2591.75186.1308.5375.8464.7617.9769.6 9593.2596.75194.4321.4391.4483.2641.8799.0 10098.25101.75202.8334.4407.0501.7665.7828.3 110108.25111.75219.4360.4438.3538.8713.5886.9 120118.25121.75236.1386.3469.6575.9761.3945.6130128132252.7412.3500.8612.9809.11004.2140138142438.3532.1650.0856.91062.8150148152464.2563.4687.1904.71121.5160156165490.2594.6724.2952.41180.1170166174625.9761.21000.21238.7180176184657.2798.31048.01297.4190186194688.4835.41095.81356.0200196204719.7872.41143.61414.7220216224782.2946.61239.21531.92402302441020.71334.71649.22602562641430.31766.5注:1.括号内的规格,尽可能不采用。
螺栓、螺母和垫圈的理论重量
(参考件)
A1 螺栓的理论重量按表Al。
表A1
A2 螺母的理论重量按表A2。
A3垫圈的理论重量按表A3。
附加说明:
本标准由中华人民共和国机械工业部提出,由全国紧固件标准化技术委员会归口。
本标准由冶金工业部建筑研究总院及机械工业部机械标准化研究所负责,上海标准件总公司和上
海长城高强度螺栓研究所参加起草。
本标准参照采用国际标准ISO 4775-1984《钢结构用高强度大六角螺母-8级和10级-B级》、
ISO 7416-1984《钢结构用倒角并淬火的平垫圈》及日本JSS II 09-1981《结构连接用扭剪型高强度螺栓、六角螺母、平垫圈连接副标准》。
六角头螺栓重量表规格 ( 直每千个螺栓重量 ( 公斤 ) 规格 ( 直径每千个螺栓重量 ( 公斤 )径×长度 )不带螺母带螺母×长度 )不带螺母带螺母M10×302940M14×80117142M10×403546M14×90129154M10×504152M16×4092126M10×604758M16×50106140M12×304157M16×60122156M12×404965M16×70138172M12×505874M16×80154188M12×606783M16×90170204M12×707692M16×100185219M12×8085101M20×50183245M14×406994M20×60205267M14×5081106M20×70230292M14×6093118M20×80255317M14×70105130M20×90279341M20×100304366M22×160548624规格 ( 直每千个螺栓重量 ( 公斤 ) 规格 ( 直径每千个螺栓重量 ( 公斤 )径×长度 )不带螺母带螺母×长度 )不带螺母带螺母M20×110329391M24×80388500M20×120354416M24×90424536M20×130378440M24×100459571M22×60250326M24×110495607M22×70280356M24×120531643M22×80310386M24×130566678M22×90339415M24×140602714M22×100369445M24×150637749M22×110399475M24×160673785M22×120429505M27×80519687M22×130459535M27×90564732M22×140489565M27×100609777M22×150519595M27×110654822M27×120699867M30×17011541388M27×130744912M30×180********M27×140789957M30×19012661500M27×1508341002M30×20013221556 M27×1608791047M30×21013781612规格 ( 直每千个螺栓重量 ( 公斤 ) 规格 ( 直径每千个螺栓重量 ( 公斤 )径×长度 )不带螺母带螺母×长度 )不带螺母带螺母M27×1709241092M30×22014341868 M27×1809691137M36×11012461617 M30×100765999M36×12013261697 M30×1108201054M36×130******** M30×1208751109M36×14014861857 M30×1309311165M36×150******** M30×1409861220M36×16016462017 M30×150********M36×17017262097 M30×16010981332M36×180******** M36×19018862257M42×23030953694 M36×20019662337M42×24032043803 M36×21020462417M42×25033133912 M36×22021262497M48×150******** M36×23022062577M48×16031474104 M36×24022862657M48×17032894246 M42×150********M48×180******** M42×16023322931M48×19035734530 M42×17024413040M48×20037154672 M42×180********M48×21038574814 M42× 19026593258M48×22039994956 M42×20027683367M48×23041415098 M42×21028773476M48×24042835240 M42×22029863585M48×25044325389 M48×26045745531M48×28048585815 M48×30051426099双头螺栓重量表A型( 双头B型( 全丝)A型( 双头B型( 全丝)丝)丝 )规格 ( 直径×长每千个螺栓每千个螺栓规格 ( 直径每千个螺栓每千个螺栓重度 )重量( 公斤 ) 重量( 公斤 ) ×长度 )重量 ( 公斤)量( 公斤)不带带螺不带带螺不带带螺不带带螺母螺母母螺母母螺母母螺母M10×4022442244M14×908413589140 M10×5028502850M14×1009214399150 M10×6033553355M16×607914780148 M10×7038603860M16×708915793161 M12×4029622962M16×8099167107175 M12×5035683669M16×90110178120188 M12×6041744477M16×100120188133201 M12×7047805784M16×110131199146214 M12×8052855891M16×120141209160228 M12×9058916699M20×70144268146270 M14×505210350101M20×80160284166290 M14×606011160111M20×90177301189313A型(双头B型(全丝)A型( 双头B型( 全丝)丝)丝)规格( 直规格 ( 直径×长每千个螺栓每千个螺栓每千个螺栓每千个螺栓重径×长度 )重量( 公斤)重量(公斤)重量(公斤)量(公斤)度)不带带螺不带带螺不带带螺不带带螺母螺母母螺母母螺母母螺母M14×706811970121M20×100193317208332 M14×807612779130M20×110209333229353 M20×120226350250374M22×180410562452614 M20×130243367270394M24×100289513297521 M20×140260384293417M24×110313537322546 M20×150276*********M24×120337561351575 M22×80200352205357M24×130360584380604 M22×90221373230382M24×140383607409633 M22×100242394256408M24×150407631449673 M22×110263415281433M24×160430654468692 M22×120284436307459M24×170454678497721M22×130304456333485M24×180477701526750 M22×140325477358570M27×100372708386722 M22×150346498384536M27×110403739425761 M22×160367519409561M27×120434770464800A型(双头B 型( 全丝)A型( 双头B型(全丝)丝 )丝)规格( 直规格(直每千个螺栓每千个螺栓每千个螺栓每千个螺栓径× 长径×长重量(公斤)重量( 公斤)重量( 公斤)重量(公斤)度 )度 )不带带螺不带带螺不带带螺不带带螺螺母母螺母母螺母母螺母母M22×170 389 541 437589 M27×130 465801503839 M27×140 497 833 541877 M30×200 84413129481416 M27×150 528 864 580916 M30×210 88213509951463 M27×160 559 895 619955 M30×220 919138710421510 M27×170 590 926 657993M30×230965143310901558 M27×180 621 957 6961032M30×240 1005147311391607 M27×190 653 989 7351071M30×250 1045151311871665 M27×200 684 1020 7721108M36×150965170710311773 M30×130 582 1050 6151083M36×160 1020176211001842 M30×140 616 1084 6621130M36×170 1075181711691911 M30×150 654 1122 7091177M36×180 1130187212381980 M30×160 692 1160 7571225M36×190 1185192713062048 M30×170 730 1198 8041272M36×200 1241198313752117 M30×180 768 1236 8531321M36×210 1296203814442186 M30×190 8061274 9001368M36×220 1351209315132255A型( 双头B型( 全丝 )A型(双头B型( 全丝 )丝)丝 )规格(直规格(直每千个螺栓每千个螺栓每千个螺栓每千个螺栓径×长径×长重量 ( 公斤)重量(公斤)重量(公斤)重量 ( 公斤)度 )度)不带带螺不带不带带螺不带带螺带螺螺母母螺母母螺母母螺母母M36×2301407214915812323 M42×280 2343354026363833 M36×2401461220316502392 M42×290 2420361727313928 M36×2501517225917192461 M42×300 2496369328244021 M36×2601571231317882530 M48×250 2817473230824997 M36×2701627236918572599 M48×260 2918483332095124 M36×2801683242519252667 M48×270 3019493433325247 M42×2001736293318833080 M48×280 3120503534555370 M42×2101811300819763173 M48×290 3222513735795494 M42×2201886308320703267 M48×300 3323523837005615 M42×2301962315921643361 M48×310 3424533938225737 M42×2402038323522583455 M48×320 3525544039495864M42×250 2115 3312 2352 3549 M48×340 3727 5642 4203 6118 M42×260 2191 3388 2446 3643 M48×360 39295844 4457 6372M42×270 2267 3464 2541 3738六角螺母及垫圈规格重量表六角螺母规格重量表SH每 1000允差个钢螺 d公称尺允差公称尺D母的近寸 寸粗制半精制似重(公斤)6 105 ±8 14 6 ±10 17 8 ±12 19 10 ±(14) 221116 24 13(18) 27 14 ±±20 30 16 (22) 3218 24 3619(27) 41 22±30 46 24 ±36 5528426532±48 7538 ±注: 1、括号内的尺寸,尽可能不采用。