基槽断面图-地基验槽记录
- 格式:doc
- 大小:569.00 KB
- 文档页数:3
基槽(坑)开挖验槽记录年月曰:后附隐蔽工程验收记录验收结论:基槽(坑)开挖验槽记录2009 年月日槽深度日=路基标咼-槽底标咼,其中H1为挖岩石深 度,H2为挖湿土深度,H3为挖干土深度。
Pb13#-Pb13#'处管沟槽长度为米, Pb4#'-Pb4#''处管沟槽长度为16米,沟槽边坡为1:。
岩石厚度平均分别为米、米。
大,分别在Pb4#'、Pb4#''处安装潜水泵进行抽水。
3、采用挖掘机及免爆机配合施工,淤泥由挖掘机挖除后置于槽边晾晒,然后由机械装车外运。
验收结论:基槽(坑)开挖验槽记录2009年 月 日污水管中心线路基开挖简图:iT-.地下水位说明:图示尺寸单位为毫米。
岩石层1、Pb13#-Pb13#',Pb4#'-Pb4#” 污水管沟槽槽底槽底宽度为米(岩石层两侧边坡允许超挖20cm ),沟2、施工排水:Pb13#-Pb13#'处管沟槽在Pb13#'处安装潜水泵进行抽水,Pb4#'-Pb4#” 处沟槽地下水较结构形式DN300HDPE 管Pc1#-Pc1#' (Pc0+000) 、Pb2#' -Pb2#' ' (Pb0+025')、Pb3#' -Pb3#' ' (Pb0+050')污水支管项次检验项目检验情况1 地基土质2 地基均匀密实度开挖未扰动原状土3 地下水情况地下水深度为槽底以上米4 几何尺寸符合设计及施工验收规范5 坑、穴、窑及其它无路基干土湿土开挖简图:说明:图示尺寸单位为毫米。
1、PcO+OOO、Pb0+025'、Pb0+050'三趟污水支管沟槽长度均为11米(井中心之间长度),沟槽底宽不小于2160mm沟槽开挖后,槽底有地下水,沟槽总深度日=路基标高-槽底标高,其中h1为挖干土深度,h2为挖湿土深度,沟槽边坡为1:,标高见测量复核记录。
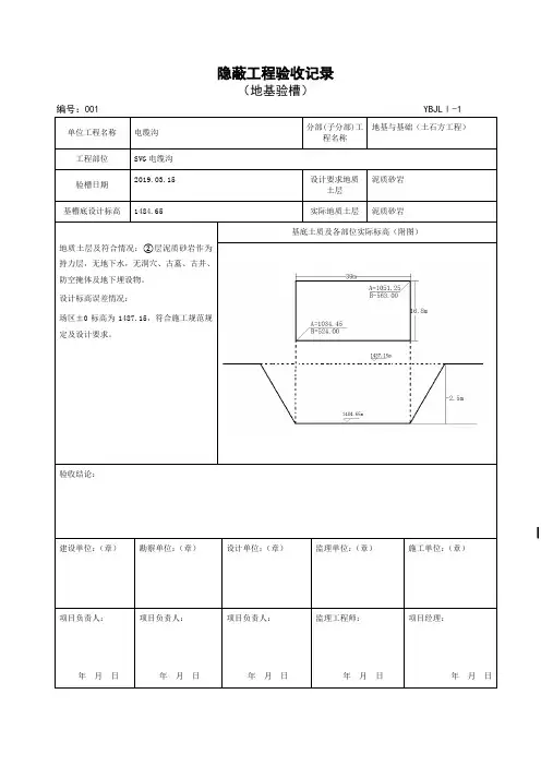
隐蔽工程验收记录(地基验槽)编号:001 YBJLⅠ-1单位工程名称电缆沟分部(子分部)工程名称地基与基础(土石方工程)工程部位SVG电缆沟验槽日期2019.03.15设计要求地质土层泥质砂岩基槽底设计标高1484.65实际地质土层泥质砂岩地质土层及符合情况:②层泥质砂岩作为持力层,无地下水,无洞穴、古墓、古井、防空掩体及地下埋设物。
设计标高误差情况:场区±0标高为1487.15,符合施工规范规定及设计要求。
基底土质及各部位实际标高(附图)验收结论:建设单位:(章)勘察单位:(章)设计单位:(章)监理单位:(章)施工单位:(章)项目负责人:年月日项目负责人:年月日项目负责人:年月日监理工程师:年月日项目经理:年月日隐蔽工程验收记录(地基验槽)编号:002 YBJLⅠ-1 单位工程名称辅助用房分部(子分部)工程名称地基与基础(土石方工程)工程部位辅助用房验槽日期2018.06.20设计要求地质土层泥质砂岩基槽底设计标高1484.5实际地质土层泥质砂岩轴线尺寸情况:地质土层及符合情况:②层泥质砂岩作为持力层,无地下水,无洞穴、古墓、古井、防空掩体及地下埋设物。
设计标高误差情况:场区±0标高为1487.00符合施工规范规定及设计要求。
基底土质及各部位实际标高(附图)验收结论:建设单位:(章)勘察单位:(章)设计单位:(章)监理单位:(章)施工单位:(章)项目负责人:年月日项目负责人:年月日项目负责人:年月日监理工程师:年月日项目经理:年月日(地基验槽)编号:003 YBJLⅠ-1 单位工程名称生活消防水泵房分部(子分部)工程名称地基与基础(土石方工程)工程部位生活消防水泵房验槽日期2018.06.20设计要求地质土层泥质砂岩基槽底设计标高1481.4实际地质土层泥质砂岩轴线尺寸情况:地质土层及符合情况:②层泥质砂岩作为持力层,无地下水,无洞穴、古墓、古井、防空掩体及地下埋设物。
设计标高误差情况:场区±0标高为1487.00,符合施工规范规定及设计要求。
工程地基验槽记录为了确保建筑物的安全和稳定,地基工程的验槽工作非常重要。
验槽过程中,需要仔细测量地基槽的尺寸和深度,以确保其符合设计要求。
以下是一份关于工程地基验槽的记录,详细描述了验槽过程中的各项工作和监测数据。
日期:2024年7月1日地点:工地天气:晴朗验槽人员:1.张师傅:验槽组长,负责测量和记录地基槽的尺寸和深度。
2.李工:助理验槽人员,协助张师傅进行测量工作。
3.王工:施工队负责人,负责监督验槽工作的进行。
验槽工作前,我们首先与施工队进行了沟通,了解了地基工程的设计图纸和要求。
根据设计要求,地基槽应为矩形形状,尺寸为10米x10米,深度为3米。
我们使用了钢尺、测量仪和土壤试验取样工具进行了验槽工作。
验槽步骤如下:1.标记地基槽的四个角点。
我们使用了红色喷漆标记出槽角点的位置。
2.使用钢尺测量地基槽的两个相对边长。
我们首先测量了东西方向的边长为10.20米,然后测量了南北方向的边长为10.15米。
这些尺寸与设计要求相比略大,但仍在允许范围内。
3.使用测量仪测量地基槽的深度。
我们随机选择了地基槽的两个点进行测量。
第一次测量点位于地基槽的西北角,深度为2.90米。
第二次测量点位于南侧,深度为2.95米。
两次测量结果非常接近,表明地基槽的深度符合设计要求。
4.进行土壤试验取样。
我们对地基槽的土壤进行了抽样分析,以评估其承载能力和稳定性。
取样点位于地基槽的四个角落和中心位置,共取样5个点位。
5.样本编号及记录。
我们对每个取样点的土壤样本进行了编号,并记录了取样深度和样本位置。
6.小结。
根据测量数据和土壤试验结果,地基槽的尺寸和深度符合设计要求。
土壤样本的测试结果表明,地基槽的土壤承载力良好,适合建造需要。
备注:1.记录中所涉及的测量和测试结果为实际数据,无人工篡改。
2.土壤样本测试结果将与设计师和工程师共享,以供工程设计进一步评估土壤的力学性质和负荷承受能力。
3.在进行后续施工工作之前,必须等待设计师和工程师对验槽结果的确认和批准。
地基验槽(坑)检查记录Q/CSG表BJ2-38-1号:MJKGZ-DTQ-001Q/CSG 表 BJ2-38-2号.编旦 TGY-DTQ-CD001附简图:挡墙顶设计高程:2028气基底高程:2025.165基底高程:2024.63+ 64基底高程:2022.68基底高程:2023.305•••••+ 52+ 37+ 10+ 22.7段挡土墙基槽剖面图------------------- 1 *------- r3644%----- » 、5+ 52 92£~字栏地基验槽(坑)检查记录-〜匚會:£$段挡土墙基槽平面图地基验槽(坑)检查记录Q/CSG表BJ2-38-1 编号TGY-DTQ-CD002检查意见:地基验槽(坑)检查记录Q/CSG表BJ2-38-2 编号TGY-DTQ-CD002+ 76附简图:挡墙顶设计高程:2028.4 自然地 面_____ . — — — _ _ _ _ _ 一一 L JT一一 -~^: 一 ----- - -- "• “基底高程:2025.69「、y—+ 64 I 二+3 £二+ / 1段挡土墙基槽剖面图+64' + 76:匸"~+7f 段挡土墙基槽平面图Q/CSG表编号:TGY-DTQ-CD003 BJ2-38-1编号:Q/CSG 表 BJ2-38-2TGY-DTQ-CD003附简图:挡墙顶设计高程:2025.4基底高程:2023.50 .基底高程:2021.63+ 14 基底高程:2019.685.8 + 20+ 26 + 36 + 486.2 10.6 12.45.86.2 10.6 12.4■〜段挡土墙基槽剖面图〜■段挡土墙基槽平面图TGY-DTQ-CD004 附简图:挡土墙顶高程:2028.4自然地基底高程:2026.35基底高程: +76 +88挡土墙顶高程:2028 4一面2026.59 |段挡土墙基槽剖面图+ 20L、1+8I:+ 768T"+ 88 :二+〜段挡土墙基槽平面图签字栏建设单位监理单位设计单位勘察单位施工单位地基验槽(坑)检查记录14+ 15131212_ +15+ 28+ 40+ 52地基验槽(坑)检查记录TGY-DTQ-CD005 附简图:挡墙顶设计高程:2033.4挡墙顶设计基底高程:2030.05 ]自设计高程:2033然M 〜2028.4-段挡土墙基槽剖面图段挡土墙基槽平面图+ 52基底高程:2028.89签施工单位地基验槽(坑)检查记录Q/CSG表编号:TGY-DTQ-AB001检查意见:地基验槽(坑)检查记录Q/CSG表BJ2-38-2 编号TGY-DTQ-AB001附简】+ 3 4 .8钢筋混凝土扶壁式挡土墙基Q/CSG 表 BJ2-38-1挡土墙顶设计高程:2 0 3 1 . 9 3自然地面基底高程 :2 0 1 3 . 86-+ 3 4 .诽冈筋混凝土扶壁式挡土墙基签字 栏建设单位监理单位设计单位勘察单位施工单位编号:TGY-DTQ-CD006编号:K ---------------- 1r th, ------------- ■ ---------- S Fk ----------- F+ 11+ 22+ 34+ 46+ 58-+70C J +1地基验槽(坑)检查记录Q/CSG 表 BJ2-38-2 TGY-DTQ-CD006 附简图:挡墙顶设计高程:2028.4自然地面—一 :::一―,1 '基底高程: 2031.5基底高程:2031.4基底高程:2031.2ri 基底高程:2031.3 |基底高程:2031.0r+ 34+ 46T + 22+ 58 + 70+ 11段挡土墙基槽剖面图'段挡土墙基槽平面图施工单位Q/CSG表BJ2-38-1地基验槽(坑)检查记录编号:TGY-DTQ-BC001地基验槽(坑)检查记录Q/CSG表BJ2-38-2 编号TGY-DTQ-BC001附简基底设计高程:2028.0 |基底设计高程:2028.28基底设计高程:2027.4- | ---------------------------------地面基底设计高程:2029.77基底设计高程:2030.03,“基底设计高程:2029.51---------------------------------|>1 ------1 +L4建设单位 监理单位 设计单位 勘察单位施工单位Q/CSG 表 BJ2-38-1挡土墙顶设计高程:2033.4_〜段挡土墙基槽剖面图编号:TGY-DTQ-HJK001基底设计高程:2031.4262 ,段挡土墙基槽平面图.]6编号:Q/CSG 表 BJ2-38-2TGY-DTQ-HJK001附简图:〜.段挡土墙基槽剖面图签字栏建设单位监理单位设计单位勘察单位施工单位挡土墙顶设计高程:2039.91I〜段挡土墙基槽平面图编号:地基验槽(坑)检查记录Q/CSG 表 BJ2-38-2 TGY-DTQ-MN001 附简图:建设单位 监理单位 设计单位 勘察单位 施工单位挡土墙顶标高:2033.4〜2034.67段挡土墙基槽剖面图段挡土墙基槽剖面图然地 面地基验槽(坑)检查记录Q/CSG表编号:TGY-DTQ-CD007地基验槽(坑)检查记录Q/CSG表BJ2-38-2 编号TGY-DTQ-CD007附简图:4 | 48段挡土墙基槽剖面图Q/CSG表BJ2-38-1 挡土墙顶标高:2028.4 ,作 C ote〜段挡土墙基槽剖面图编号:TGY-DTQ-MN002编号:建设单位监理单位 设计单位 勘察单位施工单位地基验槽(坑)检查记录Q/CSG 表 BJ2-38-2 TGY-DTQ-MN002 附简图:挡土墙顶标高:2034 66〜2035. 08_____ . 4 2基底高程:2030.9+巴〜・X 段挡土墙基槽剖面图kt\〜 段挡土墙基槽平面图自然地 面_ 一 ■一 ------------------- -------地基验槽(坑)检查记录Q/CSG表编号:TGY-DTQ-MN003地基验槽(坑)检查记录Q/CSG表BJ2-38-2 编号TGY-DTQ-MN003附简图:Q/CSG表BJ2-38-1 挡土墙顶标高:2°眨08〜2°3乩5自然地面基底高程2031.0-4-段挡土墙基槽剖面图+ 48〜|段挡土墙基槽平面图签字栏建设单位监理单位设计单位勘察单位施工单位编号:TGY-DTQ-KM001编号:建设单位 监理单位 设计单位 勘察单位施工单位地基验槽(坑)检查记录Q/CSG 表 BJ2-38-2 TGY-DTQ-KM001 附简图:扌当土墙顶标高:203& 635-2038. 823/-一 一 • -一 -一 -—r ——■—■—'自一然地面十……………二一”………■壬基底高程2031.1⑴\ /-------- ------------------------------------------------------------------------------- —7 + )< , V + / ^'/ n+ 58.3〜’+兀匚段挡土墙基槽剖面图158.3〜 段挡土墙基槽平面图地基验槽(坑)检查记录Q/CSG表编号:TGY-DTQ-MN004地基验槽(坑)检查记录Q/CSG表BJ2-38-2 编号TGY-DTQ-MN004附简图:自然地基底高程2031.0基底高程2031.1扌为土墙顶标高:2035. 5~2p36■輕- | \ + ./ HI + 60〜「点1段挡土墙基槽剖面图-60〜段挡土墙基槽平面图编号:TGY-DTQ-BC002 Q/CSG表BJ2-38-1地基验槽(坑)检查记录Q/CSG表BJ2-38-2TGY-DTQ-BC002编号:附简图:挡土墙顶高程:2033.4挡土墙顶高程:2032.491挡土墙顶高程:2032.185基底高程:2025.1挡土墙顶高程:2032.797挡土墙顶高程:2033.103基底高程:2025.9基底高程:2026.21-〜+40段挡土墙基槽剖面图-段挡土墙基槽平面图建设单位监理单位设计单位勘察单位施工单位地基验槽(坑)检查记录Q/CSG表编号:TGY-DTQ-KM002地基验槽(坑)检查记录Q/CSG表BJ2-38-2 编号TGY-DTQ-KM002Q/CSG 表BJ2-38-1附简图:拦土墙顶标高:2038. 275-2038. 635.X. / - ----- ・ ” ' ------ ■■— ----------------- ----- -自然地 面L ——―— — _基底高程2031.1i基底高程2031.1斗3 / , 2; V+ 34.25〜「+段挡土墙基槽剖面图hH 34.25〜忡心 段挡土墙基槽平面图签字 栏建设单位监理单位设计单位勘察单位施工单位编号:TGY-DTQ-KM003编号:70. 上段挡土墙基槽剖面图地基验槽(坑)检查记录Q/CSG 表 BJ2-38-2 TGY-DTQ-KM003 附简图:挡土墙顶标高:2°3& 823—2039. 003自然地 面~一一 ________________________________ __ — —- -■ _j-一一" 一 一—__斗 _基底高程2031.1「+ .870.8〜 段挡土墙基槽平面图施工单位建设单位监理单位设计单位勘察单位。
SG-T026
地 基 验 槽 记 录
施工单位: 工程名称及部位
验收日期
基壁土层分布情况及走向(附示意图)
21800
3200
320021800
综合用房基础开挖示意图
槽底土质、岩层或地基处理后的情况
该工程基础为筏板基础,基础持力层为粉质粘土层,地基承载力特征值为
200kpa ,基坑开挖时,先后穿过耕作土、素土层、粘土层到达粉质粘土层层,与地勘报告相符未发现异常现象。
基坑实际尺寸 长: m,宽: m,深: m,底标高: m
勘察单位
项目负责人:
设计单
位
项目结构设计负责人:
施工单位
监理单位
建设单位
(注册建造师(项目经理)签字) (项目总监理签字) (现场代表签字)
注:槽底土质或岩层情况由勘察单位填写,地基处理情况由专业施工单位填写,并附检测报告。
四川省建设厅监制。
编号:DJYC-010102XXX工程名称分部工程名称土石方工程分项工程名称普通基础分坑及开挖工程部位N1塔A、B、C、D腿验槽日期设计要求地质土层第1层:粉土混碎石,稍湿、稍密,底层深度2.5m;第2层:卵石土,稍湿、中密,底层深度6.8m;第3层:卵石土,稍湿、密实,底层深度13m。
基槽底设计标高A、B、C、D腿3965.9m 实际地质土层碎石土定位尺寸情况:中心桩定位坐标为555307.390,3223829.251,3973.409符合设计要求。
地质土层及符合情况:A、B、C、D腿土质均为碎石土。
设计标高误差情况:设计标高3973.4m,实测3973.409m,误差-0.009m,符合设计要求。
基底土质及各部位实际标高(附图)验收结论:建设单位:(章)勘察单位:(章)设计单位:(章)监理单位:(章)施工单位:(章)项目负责人:年月日项目负责人:年月日项目负责人:年月日监理工程师:年月日项目经理:年月日编号:DJYC-010102XXX工程名称分部工程名称土石方工程分项工程名称普通基础分坑及开挖工程部位N6塔A、B、C、D腿验槽日期设计要求地质土层第1层:粉土混碎石,稍湿、稍密,底层深度2.5m;第2层:卵石土,稍湿、中密,底层深度6.8m;第3层:卵石土,稍湿、密实,底层深度13m。
基槽底设计标高A、B、C、D腿3973.8m 实际地质土层碎石土定位尺寸情况:中心桩定位坐标为554475.906,3222915.154,3977.686符合设计要求。
地质土层及符合情况:A、B、C、D腿土质均为碎石土。
设计标高误差情况:设计标高3977.4m,实测3977.686m,误差-0.2860m,符合设计要求。
基底土质及各部位实际标高(附图)验收结论:建设单位:(章)勘察单位:(章)设计单位:(章)监理单位:(章)施工单位:(章)项目负责人:年月日项目负责人:年月日项目负责人:年月日监理工程师:年月日项目经理:年月日编号:DJYC-010102XXX工程名称分部工程名称土石方工程分项工程名称普通基础分坑及开挖工程部位N18塔A、B、C、D腿验槽日期设计要求地质土层第1层:卵石土,稍湿、中密,底层深度6.8m;第3层:卵石土,稍湿、密实,底层深度13m。