设备保养检查表
- 格式:doc
- 大小:255.00 KB
- 文档页数:3
设备检查表(每月)
设备检查表(每月)
设备信息
- 设备名称:
- 设备型号:
- 设备编号:
- 设备所属部门:
- 最后检查日期:
检查项目
请按照以下项目逐一检查设备的状况并填写结果。
1. 外观检查
- 设备外观是否完好无损?
- 设备表面是否有刮擦或磨损痕迹?
- 设备外壳是否存在松动现象?
- 设备连接线是否齐全并无断裂?
2. 功能检查
- 设备是否能正常启动和关闭?
- 设备的各项功能是否正常运行?
- 设备的显示屏是否显示正常?
- 设备的声音是否正常?
3. 清洁检查
- 设备表面是否清洁?
- 设备内部是否有灰尘或污垢?
- 设备的通风孔是否堵塞?
- 设备键盘或按钮是否有异物?
4. 电源检查
- 设备的电源供应是否稳定?
- 设备的电池是否需要更换?
5. 安全检查
- 设备的安全设施是否正常使用和完好无损?
- 设备的安全警告标志是否清晰可见?
结论
根据以上检查项目的结果,判断设备的整体状况并填写以下结论。
- 设备状况良好,无需维修。
- 设备存在少量问题,需进行维修或保养。
- 设备存在严重问题,需立即维修或更换。
备注
在此部分填写任何其他补充信息或特殊要求。
---
此设备检查表将被用于每月定期检查设备的状况。
请确保每个检查项目都仔细进行并记录结果。
如发现问题,请立即向上级汇报并采取相应措施以保证设备的正常运行。
感谢您的合作!。
查核大项机床外观主活动面设施养护润滑状况生产场所查核大项2013 年机械企业设施养护检查查核表检查时间:检查人:得分:查核内容钢构造机械厂电器厂铁塔厂机加工网具厂1、机床外观表面洁净无油污,配电箱无尘埃,机床表面面无破坏,各零零件无损且灵巧靠谱。
每发现一台扣分。
8 分1、机床导轨以及各个滑动面保持洁净,无锈迹,黑斑,无损伤。
每发现一台扣分。
4 分2、机床各个显示屏保持洁净,操控杆,工作手柄等洁净无油污。
每发现一台扣分。
4 分3、电机、链条护罩能否有损坏,安全、防备装置能否齐备。
1、操作人员使用的油壶油枪齐备,洁净完满。
2、每天准时按量加油润滑、油孔洁净无拥塞无破坏,油位是否正常。
3、供气各分支管路及各气阀接头做到无漏气,阀门无破坏。
4、设施平时保护养护实时适当,表面无锈蚀。
1、工具、量具、加工工件洁净无油污、摆放合理齐整,不得摆放在导轨上。
2、起重机遥控器放在规定地点,遥控器无损坏,乱丢乱放现象。
3、机床周围无积水,积油,聚积物和铁屑4、恪守设施安全操作规程,无违章作业、带病操作现象。
查核内容满分钢构造机械厂电器厂铁塔厂机加工网具厂1、在用设施的交接班记录,机械设施运行记录和保护养护记录及维修养护台账。
每缺一种扣 1 分,记录不全、不实扣分。
设施内页2、要求持证上岗的特种设施,每查出一人无证扣分。
资料3、各车间主要设施月检查记录齐备,发现突出问题应实时整改并有反应。
大型设施没发现一台一未巡检扣分,检查记录留存不齐每台次扣分。
1、成立健全设施台账,台账明细应齐备完好并实时更新新添减设施。
没成立台账或填写不实扣分,2、低于固定财产( 2000 元以下)标准的工机具应编号建账管设施理,账目应规范完好,账目涵盖不全的每台次扣分。
台账3、设施出门应成立出门登记台账,送还实时通知设施科,各管理车间每季度与设施科对账,做到账账符合。
设施在外转工地应实时通知设施科。
没发现一台次与账面不符扣分。
1、大中型设施寄存应有设施现场平面部署图,设施摆放齐整有序,妥当保存保证完满。
设备维护保养检查记录表格
该表格包含了设备编号、设备名称、检查日期、维护保养项目、检查结果和备注等列。
你可以根据实际情况自定义列的内容和格式。
在每次进行设备维护保养检查时,填写相应的设备编号、设备名称和检查日期。
然后,在维护保养项目中列出具体的检查和维护项目,例如清洁过滤器、检查制冷剂压力等。
在检查结果列中,记录每个项目的检查结果,可以使用正常或异常等标识来表示。
如果有需要,可以在备注列中添加额外的说明或注释。
这样的表格可以帮助你记录设备的维护保养情况,及时发现问题并采取相应的措施。
同时,也可以作为历史记录,供以后参考和分析。
设备周、月、季检查表概述设备的周、月、季检查是确保设备正常运行和安全性的重要措施。
本检查表旨在帮助记录设备每个周期的检查情况,以便及时发现和解决问题,提高设备的可靠性和维护效率。
周检查项目1. 设备外观检查- 检查设备外观是否完整,无破损或腐蚀等问题。
- 检查设备是否有杂物堆积或存放不当现象。
2. 设备运行状态检查- 检查设备是否正常运行,发现异常现象要及时记录。
- 检查设备是否有异常噪音、振动、漏液等情况。
3. 设备保护装置检查- 检查设备的保护装置是否完好,如温度、压力、液位等传感器。
- 检查设备的报警装置是否正常,能否及时发出警报。
4. 设备润滑与清洁检查- 检查设备的润滑情况,是否需要添加润滑剂或更换。
- 清洁设备表面和附属设备,保持设备整洁。
月检查项目1. 设备性能检查- 检查设备的性能参数是否正常,如能耗、产量等。
- 检查设备的控制系统是否正常,能否实现预设的操作要求。
2. 设备零部件检查- 检查设备的各个零部件是否运行良好,无磨损、松动或破损现象。
- 检查设备的密封件是否完好,有无泄漏现象。
3. 设备清洗与消毒检查- 检查设备的清洁情况,如有需要应进行清洗和消毒。
- 检查设备的排污系统是否正常工作,有无堵塞或漏水问题。
4. 设备故障记录与分析- 记录设备在本月内发生的故障情况。
- 分析故障原因,并采取相应的措施进行修复和改进。
季检查项目1. 设备性能评估- 进行设备的性能评估,包括产能、能耗等指标。
- 根据评估结果,制定相应的维护和改进计划。
2. 设备安全检查- 检查设备的安全装置是否正常,能否有效地保护操作人员和设备。
- 检查设备的电气设施是否存在安全隐患,如漏电现象。
3. 设备维护与保养计划- 制定设备的维护与保养计划,包括定期更换零部件、校准仪器等。
- 定期对设备进行清洁、润滑等常规维护。
4. 设备操作人员培训- 进行设备操作人员的培训,提高其对设备的理解和操作技能。
- 强调设备的操作规程和安全注意事项。
设备保养检查表
1. 设备信息
- 设备名称:
- 设备型号:
- 设备编号:
- 设备所属部门:
2. 保养计划
- 保养周期:每(天/周/月/季度/半年/年)进行一次保养。
- 上次保养日期:
- 下次保养日期:
3. 保养内容
请按照以下项目逐一检查并记录保养情况:
- [ ] 清洁设备表面,除去尘土和污垢。
- [ ] 检查设备上的故障指示灯,确保其正常工作。
- [ ] 检查设备电源线和插头,确保没有损坏。
- [ ] 检查设备的移动部件(如轮子、滑轨等)是否顺畅运行,如有异常及时修复。
- [ ] 保养设备润滑部件,如轴承、链条等,使用适当的润滑剂。
- [ ] 检查设备的传感器和控制器,确保其正常工作。
- [ ] 检查设备的安全装置,如警示标识、安全开关等,确保其
有效性。
- [ ] 检查设备电池或电源的电量,如低电量及时更换或充电。
4. 保养记录
请在下面的表格中记录每次保养的具体情况:
日期 | 保养内容 | 保养人员 | 备注
---- | -------- | -------- | ----
5. 备件更换记录
请在下面的表格中记录每次更换备件的具体情况:
日期 | 更换备件 | 更换人员 | 备注
---- | -------- | -------- | ----
6. 备注
在此处记录任何特殊情况、设备异常或其他需要注意的事项。
以上为设备保养检查表的范例,根据实际情况,可适当修改和补充表格内容。
检查表格应存档并定期更新,以确保设备保养工作的有效性和及时性。
空分设备日常检查表一、设备基本信息设备名称:____________________设备型号:____________________设备位置:____________________主要负责人员:________________二、设备运行状态1. 设备当前是否处于运行状态:是/否2. 设备运行声音是否正常:是/否3. 设备是否有异常振动:是/否4. 设备温升是否正常:是/否5. 设备是否有异常气味:是/否6. 设备界面显示是否正常:是/否7. 设备是否有报警提示:是/否三、设备参数检查1. 进口压力:____MPa2. 出口压力:____MPa3. 氧气纯度:____%4. 氮气纯度:____%5. 氩气纯度:____%6. 设备运行电流:____A7. 设备运行电压:____V四、设备清洁度检查1. 设备外观是否清洁:是/否2. 设备内部是否清洁:是/否3. 设备过滤器是否堵塞:是/否4. 设备冷却系统是否清洁:是/否五、设备安全检查1. 设备安全阀是否正常开启:是/否2. 设备是否有泄漏现象:是/否3. 设备接地是否良好:是/否4. 设备防护罩是否完好:是/否5. 设备紧急停车按钮是否正常:是/否六、设备维护与保养1. 最近一次设备保养时间:____年__月__日2. 下次设备保养计划时间:____年__月__日3. 目前设备使用时长:____小时4. 设备累计运行时长:____小时5. 设备保养记录:________________________七、设备运行日志1. 设备运行时长:____小时2. 设备停机时长:____小时3. 设备运行过程中是否出现异常:是/否4. 异常情况描述:________________________5. 处理措施:________________________八、负责人签字负责人签字:____________________签字日期:____年__月__日九、备注1. 设备近期改动情况:________________________2. 设备运行过程中存在的问题:________________________3. 设备运行改进建议:________________________4. 其他需要说明的事项:________________________。
设备维护周检查表
设备信息
设备名称:
设备型号:
设备序列号:
设备所在地点:
设备使用人:
检查内容
1. 外观检查外观检查
- 检查设备外壳是否完好,无明显损坏、碰撞或污垢- 检查设备插头、电线是否正常连接
2. 电源检查电源检查
- 检查电源是否接通,并且电源指示灯是否亮起
- 检查电压是否稳定,符合设备要求
3. 设备功能设备功能
- 检查设备开关是否正常,能否启动和关闭
- 检查设备各个功能是否正常,如有异常需记录并报告维修部门
- 检查设备传感器是否灵敏,如有需要,进行校准或更换
4. 设备维护设备维护
- 检查设备是否需要进行定期维护,并按照维护计划执行
- 检查设备的润滑、清洁和保养情况,确保设备正常运行
5. 设备安全设备安全
- 检查设备周围是否有明火、易燃物品或其他危险物品
- 检查设备是否设置了必要的防护措施,如安全网、警示标识等
结论
根据本次检查,设备维护状况良好,并且没有发现任何异常情况。
如有需要,请及时联系维修部门进行维护和处理。
注意:本周检查表仅供参考,具体的检查内容和频率应根据实际设备情况和要求进行调整。
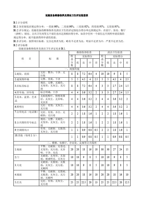
设施设备维修保养及清洁卫生评定检查表
B.1计分说明
B1.1各星级饭店规定得分率:一星级90%、二星级90%、三星级92%、四星级95%、五星级95%。
B1.2评分规定:设施设备的维修保养及清洁卫生的评定除综合得分率达到规定外,在前厅、客房、餐厅(酒吧)、厨房、公共卫生间等五个部位也应达到相应得分率,如其中任何一个部位达不到所申请星级的规定得分率,就不能获得所申请的星级。
B1.3评分时,按照项目标准,完全达到者为优,略有不足者为良,明显不足者为中,严重不足者为差。
B.2评分标准
设施设备维修保养及清洁卫生评定见表B.1。