给水管道施工图设计说明复习过程
- 格式:doc
- 大小:25.00 KB
- 文档页数:6
给排水工程施工图的识读排水工程施工图主要包括工程的平面布置图、剖面图、构筑物图等内容。
对这些图纸进行识读,需要具备一定的技术知识和经验。
下面将从几个方面介绍排水工程施工图的识读方法。
一、平面布置图的识读1.了解工程的总体布局:从平面布置图中可以看出工程的总体布局,包括道路、建筑物、管道等的位置和布置情况。
了解工程的总体布局可以帮助施工单位明确工程范围和施工任务,做好施工准备工作。
2.理解排水系统的布置:平面布置图上会标注排水管道、井口、沟槽等相关信息,施工单位需要根据这些信息了解排水系统的布置情况,确保施工过程中不会影响排水系统的正常运行。
3.注意设计标高和坡度:在平面布置图中会标注管道和构筑物的设计标高和坡度,这些信息对于排水系统的排水效果至关重要。
施工单位需要仔细查看这些数据,确保施工过程中按照设计要求施工。
二、剖面图的识读1.理解交叉剖面和纵断面:剖面图中通常包括交叉剖面和纵断面,通过这些图纸可以了解管道和构筑物的具体情况,包括尺寸、形状等。
施工单位需要根据这些信息确定施工方法和工艺。
2.注意排水管道的材质和连接方式:剖面图上会标注排水管道的材质和连接方式,施工单位需要根据这些信息选择合适的材料和连接方式进行施工,确保排水系统的稳定和可靠性。
3.关注管道的埋设深度和覆土厚度:剖面图上还会标注管道的埋设深度和覆土厚度,施工单位需要根据这些信息确定管道的埋设深度和覆土厚度,确保排水系统的安全和稳定。
三、构筑物图的识读1.了解构筑物的类型和功能:构筑物图上会标注排水井口、检查井、散水口等构筑物的类型和功能,施工单位需要根据这些信息确定构筑物的施工位置和布置方式。
2.注意构筑物的尺寸和形状:构筑物图上还会标注构筑物的尺寸和形状,施工单位需要根据这些信息确定构筑物的尺寸和形状,确保构筑物的功能和使用效果。
通过对排水工程施工图的认真识读和理解,施工单位可以准确把握工程的要求和设计要求,确保施工过程中按照设计要求进行施工,保证工程的质量和进度。
给水排水初步设计3.7.1 在初步设计阶段,建筑工程给水排水专业设计文件应包括设计说明书、设计图纸、主要设备器材表、计算书.3.7.2 设计说明书.1 设计依据。
1)摘录设计总说明所列批准文件和依据性资料中与本专业设计有关内容;2)本专业设计所执行的主要法规和所采用的主要标准(包括标准的名称,编号、年号和版本号);3)设计依据的市政条件;4)建筑和有关专业提供的条件图和有关资料。
2 工程概况:工程项目设置,建筑防火类别,建筑功能组成、建筑面积(或体积)、建筑层数、建筑高度以及能反映建筑规模的主要技术指标,如旅馆的床位数,剧院、体育馆等的座位数,医院的门诊人数和住院部的床位数等.3 设计范围,根据设计任务书和有关设汁资料,说明用地红线(或建筑红线)内本专业设计的内容和由本专业技术审定的分包专业公司的专项设计内容;当有其他单位共同设计时。
还应说明与本专业有关联的设计内容。
4 建筑室外给水设计.?)水源:由市政或小区管网供水时,应说明供水于管方位、接管管径及根数、能提供的水压;当建自备水源时,应说明水源的水质、水温、水文地质及供水能力,取水方式及净化处理:工艺;说明各构筑物的工艺设计参数、结构型式、基本尺于、设备选型、数量、主要性能参数、运行要求等;2)用水量:说明或用表格列出生活用水定额及用水量、生产用水水量、其他项目用水定额及用水量(含循环冷却水系统补水量、游泳池和中水系统补水量,洗衣房、锅炉房、水景用水,道路浇洒、汽车库和停车场地面冲洗、绿化浇洒和末预见用水量及管网漏失水量等)、消防用水量标准及一次灭火用水量、总用水量(最高日用水景、半均时用水量、最大时用水量);3)给水系统:说明给水系统的划分及组合情况、分质分压分区供水的情况及设备控制方法;当水量、水压不足时采取的措施,并说明调节设施的容量、材质、位置及加压设备选型;如系扩建工程,还应简介现有给水系统;4)消防系统:说明各类形式消防设施的设计依据、设计参数、供水方式、设备选型及控制方法等;5)中水系统:说明中水系统设计依据、水质要求、设计参数、工艺流程及处理设施、设备选型,并宜绘制水量平衡图;6)雨水利用系统:说明雨水用途、水质要求、设计重现期、日降雨量、日可回用雨水量、日用雨水量、系统选型、处理工艺及构筑物概况;7)循环冷却水系统:说明根据用水设备对水量和计量、水质、水温、水压的要求,以及当地的有关气象参数(如室外空气干、湿球温度和大气压力等)选择采取循环冷却水系统的组成、冷却构筑物和循环水泵的参数、稳定水质措施及设备控制方法等;8)当采用重复用水系统时,应概述系统流程、净化工艺并绘制水量平衡图;9)管材、接门及敷设方式。
给水管道平面及纵断面图设计流程天鸿市政设计培训文件(最后修订时间:2010.07)一、准备工作操作步骤:1、设置->设工程名【在HySzGxWork下创建本工程数据储备文件夹】2、设置->出图比例【施工图纵断面图出图比例为1:2000 实施方案纵断面图出图比例为1:2000】3、设置->文字大小【一般取3】4、设置->标注小数位【一般取3】5、设置->图框设置【A0~A4图框均不要“对中线、标尺线、会签栏”,全部不打勾,然后保存设置】6、设置->管道规格【这里我们主要调整给水硬聚氯乙烯管的相关数据即可(以1.0Mpa管道为准),确定保存后,需重启鸿业市政管线程序生效】7、设置->管线标注->管长管坡8、设置->纵断表头->给水->用户序号行间距栏类别栏名称备注实施方案施工图1 12 12 设计路面标高原地面标高(m) ①2 12 12 设计管中心标高设计管中心标高(m)3 12 12 管顶覆土管顶覆土(m)4 12 12 坡度及坡长坡度(%%145)及坡长(m) ②5 12 12 管径管径管材接口基础6 15 15 道理桩号管道桩号(m)7 12 12 井编号节点编号8 40 40 用户自加节点大样③9 70 70 管道小平面管道平面①这里选择设计路面标高类别是为了方便做纵断面设计时可以根据实际情况调整纵断面图上的地面标高②%%145在stedi字体中显示为千分号③节点大样及管道平面的行间距可以根据实际设计阶段做调整9、设置->纵断标注【施工图桩号间隔:50 实施方案桩号间隔:100】备注:其中步骤1、2、4、8、9在不同工程不同设计设计阶段中有不同设置,每次均需重新设置。
二、绘制平面及纵断面图操作步骤:1、布置管线采用pl命令布置管线,线段及小幅度曲线均可,尽量直线段越长越好,可减少节点量,减轻后续的工作量。
布置完管线后,利用x命令打散管线,给水->定给水管2、管道桩号平面->管线桩号->定义给水管线桩号平面->管线桩号->桩号标注设置【通常常用千米桩号、左侧标注->小桩号侧标注,施工图整桩间隔50,实施方案整桩间隔100】平面->管线桩号->自动标注管线桩号3、从图面提取地面标高平面->自然地形->自然离散点->文本定义/属性块转【如果自然地形标高数据为属性块,则采用属性块转】平面->自然标高文件->地图提标高整桩间隔(米)【一般情况下,施工图取25,实施方案取50】->生成列表->提取标高存入文件【在一个工程中如果有多条桩号线的时候,注意保存的文件名称应分别进行自定义以示区别】平面->自然转设计【将从图上读取的自然地形标高文件转换成本次工程的设计标高文件】4、布置管道阀门井及消火栓给水->布置井类->阀门井->按桩号布置/选择检查井布置点【一般情况下采用“按桩号布置”,阀门间距取600m,无消火栓时间距可取600~1000m。
设备专业施工图设计说明给排水专业施工图设计说明目录第一章总则1.1. 工程设计依据1.2. 工程概况1.3. 设计原则1.4. 设计范围1.5. 定义1.6. 设计协调1.7. 图纸标注单位说明第二章制图说明2.1. 建筑分区说明2.2. 图纸编号说明2.3. 图纸比例说明2.4. 设备编号说明2.5. 系统、立管、空调风口、电动风阀及自控阀等编号说明第三章初步设计说明3.1. 室外管线3.2. 给水排水3.2.1 给水3.2.1.1 生活给水3.2.1.2 消防给水3.2.1.3 生活饮用水系统3.2.1.4 其它给水3.2.2 中水3.2.3 排水3.3. 空调、采暖、通风3.3.1 设计参数及设计标准3.3.2 室内负荷计算总量3.3.3 空调采暖方案3.3.4 空调冷热源3.3.5 空调采暖冷热水系统3.3.6 室内气流组织3.3.7 通风系统3.4. 动力3.5. 自动监控要求3.6. 建筑能耗计量3.7. 消防设计专篇3.7.1 消防用水量3.7.2 消防储水池3.7.3 室外消火栓系统3.7.4 室内消火栓系统3.7.5 自动喷水灭火系统3.7.5.1 湿式系统及预作用式系统3.7.5.2 大空间智能型主动喷水灭火系统3.7.6 机械加压送风防烟系统3.7.7 机械排烟系统3.7.8 空调通风系统防火措施3.7.9 其他防火系统3.8 环保设计专篇3.8.1 噪声控制3.8.2 室内环境3.8.3 污水处理3.8.4 废气排放3.9 卫生防疫专篇3.10 节水设计专篇3.11 节能设计专篇第四章施工说明4.1. 管材及做法4.2. 保温材料及做法4.3. 阀门配件及做法4.4. 系统工作压力、试验压力4.5. 防腐、冲洗4.6. 支吊架4.7. 其它第一章总则1.1 工程设计依据:本工程设计执行国家现行建筑设计规范、规程、标准、通用图集及建设部、郑州市有关规定,主要包括(但不限于):设备专业施工图设计说明设备专业施工图设计说明工程设计依据-标准图、通用图集(一)设备专业施工图设计说明工程设计依据-标准图、通用图集(二)设备专业施工图设计说明1.2 工程概况―商业‖ 项目位于河南。
市政给水工程施工图设计说明给水工程施工图设计说明1工程设计内容本次设计范围为泉州台商投资区百崎湖湖区整治及防洪排涝系统二期工程惠经一路的给水管道设计。
惠经一路宽30m ,长968m 。
2工可审查及批复意见执行情况本次设计已按工可审查及批复意见进行了相应调整。
3给水现状及规划给水现状现状用地范围内已建成给水管有东西主干道现状DN600给水管、杏秀路现状DN600给水管及通港路现状DN800给水管,其余路段暂无给水管道。
给水工程规划规划区内用水由东西主干道现状DN600管、杏秀路现状DN600管及通港路现状DN800管接入,与周边道路规划的给水管形成环状管网。
3层及3层以下楼层利用市政管网压力供水,3层以上楼层根据开发时序及开发单位,可考虑小区域集中加压供水。
4主要设计依据、规范与图集《泉州台商投资区总体规划》、《泉州台商投资区市政工程规划》;《泉州台商投资区百崎湖东片生活服务配套区修建性详细规划》;20XX年6月泉州台商投资区百崎湖东片区市政配套及防洪排涝系统二期工程工程可行性研究报告评估意见及专家咨询意见;业主提供的1:1000地形图、勘察及测量资料;《泉州台商投资区东经二路南延伸段工程给水排水工程》施工图设计;《城市工程管线综合规划规范》;《室外给水设计规范》;《给水排水工程构筑物结构设计规范》;《给水排水管道工程施工及验收规范》;《工程建设标准强制性条文》;建设部及交通部颁布现行的有关“规范”、“标准”、“规程”;《国家建筑标准设计图集-市政给水管道工程及附属设施》;5场地工程地质条件地形地貌场区位于惠安县百崎镇、东园镇交界处,北侧临近东西主干线,南侧接通港路,西侧接东西主干道,东侧临近杏秀路。
道路沿线为过村庄、农田、鱼塘、厂区,局部穿越水渠、水沟,,地面标高-~,自然坡度小于5度。
属海岸地貌,以海积阶地为主,局部为残丘地貌或残坡积台地。
工程区主要道路设施为通港路及区间主干路,距沈海高速公路约15km ,交通条件便利。
建筑给水排水工程期末复习题(2013〜2014-1学期)模拟试卷一―、填空题(每空1分,共30分)1.建筑内部给水系统根据用途一般可分为()()()三类。
2.进水管一般由侧壁距箱顶()mm处接入水箱。
3.自动喷水灭火系统水力计算的方法有()和()两种。
4.热水供应系统可分为()、()和()三类。
5.室内给水施工图一般由设计施工说明、()、()、()等四部分组成。
6.给水引入管穿越()、墙体和楼板时,应及时配合土建做好孔洞及()。
7地下室或地下构筑物外墙有管道穿过时应采取防水措施。
对有要求的建筑物,必须采用()。
8、蹲式大便器分为()、()和()三种。
9、屋面雨水系统按设计流态可分为()、()、()。
10自动喷水灭火系统水平敷设的管道应有()坡度,坡向泄水点。
11、室外排水管道多采用()或(),其接口方式有()和()两种形式。
12.建筑物中水水源可取()和()。
四、多项选择题(每小题2分,共20分,将正确的答案的序号填入括号内)1.截止阀按连接方式分为()。
A.内(外)螺纹截止阀B.承插连接截止阀C法兰截止阀 D.卡套式截止阀2.( )为喷头常闭的自动喷水灭火系统。
A.湿式自动喷水灭火系统B.干式自动喷水灭火系统C预作用喷头灭火系统 D.雨淋灭火系统3.下列说法正确的是()。
A.半容积式水加热器的供热量按设计秒流量计算;B.容积式水加热器的供热量按设计小时耗热量与容积式水加热器的设计小时供热量之差计算;C.快速式水加热器的供热量按设计秒流量计算;D.半即热式水加热器的供热量按设计小时耗热量计算。
4.开水集中制备分散供应系统对管道材质要求较高,常用的管材有()。
A.薄壁不锈钢管B.塑料管C.薄壁钢管D.复合管5.建筑内部给水系统常用管材有()。
A.PVC系列(塑料管材)B.镀锌钢管C.钢筋混凝土管D.缸瓦管等管材6.对安装有方向要求的(),一定要使其安一定要使其安装方向与介质的流动方向一致。
A.疏水阀B.减压阀C.止回阀D.截止阀7.室外给水管道的埋设深度应考虑()阀门高度等因素。
给水工程施工图设计说明一、概述1.设计依据本项目1:500地形图(电子版);《XXX新城地下综合管廊专项规划(2021—2030)》-林同棪国际工程咨询(中国)有限公司,2021.08;《XXX市江津区XXX新城开发建设有限公司XXX新城核心区综合管线规划方案设计》(中机中联工程有限公司,2021.11)《XXX市江津区城乡总体规划》(XXX市规划设计研究院,2021.01);《XXX市江津区XXX新城规划区控制性详细规划修编》(机械工业第三设计研究院,2021.08);《江津区XXX新城双龙路道路工程(施设)》(南京市市政设计研究院有限责任公司,2021.10)。
2.工程简介2.1工程名称:江津区XXX新城荷花路二期、中渡路一期、朝门路二期以及珑湾路道路工程-珑湾路2.2工程地点:本工程位于XXX市江津区。
珑湾路起于双龙路,止于荷花路一期,道路等级为城市次干路,双向四车道,设计速度40km/h,标准路幅宽度24m。
2.3工程规模:设计给水管长度702m,管径DN200~DN300。
2.4工程主要建设内容:道路设计范围内市政给水系统设计。
3.上阶段审查意见的执行情况暂无。
4.采用的主要设计规范和标准《市政公用工程设计文件编制深度规定》(中华人民共和国建设部,2021年版);《XXX市市政工程施工图设计文件编制技术规定(2021年版)》;《城市给水工程规划规范》(GB 50282-2021);《室外给水设计规范》(GB 50013-2006);《城市工程管线综合规划规范》(GB 50289-2021);《给水排水管道工程施工及验收规范》(GB 50268-2021);《给水排水工程管道结构设计规范》(GB 50332-2002);《水及燃气管道用球墨铸铁管、管件和附件》(GB/T 13295-2021);《给水排水工程构筑物结构设计规范》(GB 50069-2002);《给水排水构筑物工程施工及验收规范》(GB 50141-2021);《生活饮用水卫生标准》(GB 5749-2006);《检查井盖》(GB/T 23858-2021);《市政给水管道工程及附属设施》(07MS101);《给水排水工程埋地钢管管道结构设计规范》(CECS141:2002);《现场设备、工业管道焊接工程施工及验收规范》(GB50236-2021);《城镇给水排水技术规范》(GB50788-2021)5.对规范强制性条文的执行情况本次设计不存在违反行业现行规范强制性条文。
《给排水工程制图》期末复习资料1. 城市给水系统:河流→一级泵站→输水管→水处理厂→二级泵站→输水管→城市管网2. 建筑给水系统城市管网→建筑外网给水管道→建筑室内给水引入管(入户管)→给水横干管→给水立管→给水支管→配水支管→用水设备二、室内给水系统分类1.下行上给式:给水横干管位于配水管网的下部,通过连接的立管向上给水的方式。
2.上行下给式:给水横干管位于配水管网的上部,通过连接的立管向下给水的方式。
3.中分式给水:给水横干管设在中间技术层内或中间某层吊顶内,由中间向上、下2个方向供水的方式。
一般在施工较为复杂、地下管道较多、地形变化较大或在已施工完毕的地下工程后新增加给排水管道时,多借用纵断面图以确定土方开挖方案和施工顺序,多在室外排水施工图中采用。
建筑内部给水系统按用途可分为生活给水系统、生产给水系统、消防给水系统。
1-阀门井 2-引入管 3-闸阀 4-水表 5-水泵 6-逆止阀 7-干管 8-支管 9-浴盆 10-立管 11-水龙头 12-淋浴器 13-洗脸盆 14-大便器 15-洗涤盆 16-水箱 17-进水管18-出水管 19-消水栓 A-入贮水池 B-来自贮水池1-排出管2-室外排水管3-检查井4-大便器5-立管6-检查口7-伸顶通气管8-铁丝网罩9-洗涤盆10-存水弯11-清扫口12-洗脸盆13-地漏14-器具排水管15-浴盆16-横支管2、室内工程应标注相对标高;室外工程宜标注绝对标高,当无绝对标高资料时,可标注相对标高,但应与总图专业一致。
3、压力管道应标注管中心标高;沟渠和重力流管道宜标注沟(管)内底标高。
4、在下列部位应标注标高:1)沟渠和重力流管道的起讫点、转角点、连接点、变坡点、变尺寸(管径)点及交叉点;2)压力流管道中的标高控制点;3)管道穿外墙、剪力墙和构筑物的壁及底板等处;4)不同水位线处;给排水施工图的识读阅读主要图纸之前,应当首先看设计说明和设备材料表,然后以系统图为线索深入阅读平面图和系统图及详图。
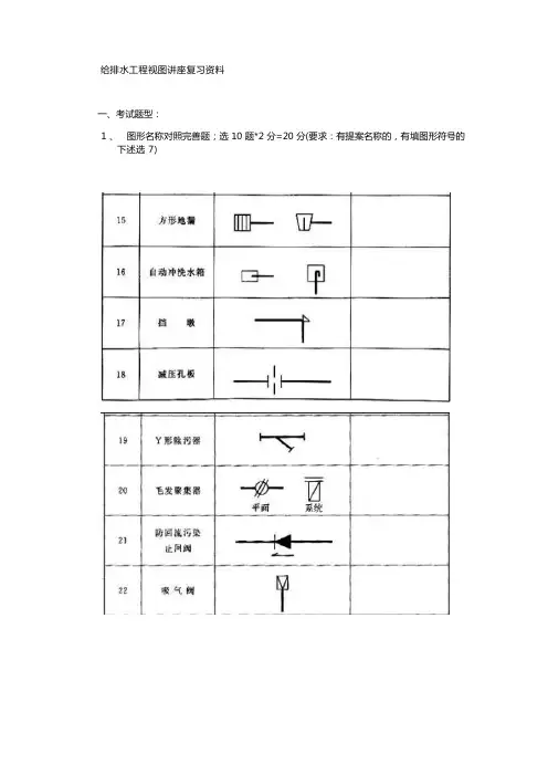
给排水工程视图讲座复习资料一、考试题型:1 、图形名称对照完善题;选 10 题*2 分=20 分(要求:有提案名称的,有填图形符号的下述选 7)下述对照题填空选 3;二、问答题(选 4*15 分=60 分)1 、室内给水系统的分类和组成?2 、室内排水系统的分类和组成?3 、拿到一份工程施工图,我们先看什么?在看什么?4 、看工程图纸的注意事项有哪些?5 、国家计划委颁布有关建筑制图的国家标准有哪些(6 项)?6 、中水的水源组成及主要用途?三、给排水系统设计说明(完善整体缺失配件并说明安装意图 20 分)四、卷面创新分 (对全面整洁,字迹工整,文字说明不循规蹈矩合理的予以 10 分奖励);2009.6.10 采购部:王方圆中水系统:水源(1) 冷却水(2)沐浴排水(3)盥洗排水(4)洗衣排水(5)厨房排水(6)厕所排水一、拿到一份图纸,我们先看什么?再看什么?1、先看设计总说明(至关重要) ,设计中涉及到的诸多问题,在施工总说明中有很好的体现,要看仔细总说明中的每个细节。
2、从大到小看(一套完整的图纸,是按图纸分类的顺序来向我们展现项目状况的,所以在看图时我们得有顺序。
先说建筑图:依次看总平面图,平面图,立面图,剖面图,详图。
做到对建筑项目大致了解。
其次是结构图:先看基础图,再看楼层屋顶层结构布置图,结构详图。
做到对建筑项目细部的认识。
) 3、结合想象看(看图的时候不论我们专不专业,在心里都要有一个三维的模型,通过想象在脑海中呈现出建筑物的整个外观,内部的各个布局的大致轮廓,做到心中有数按照从左至右,从下至上的方向看,图纸结合想象呈现建筑物的实际形状。
)4、其实识图很简单的 ,心里不要有恐惧感 ,你会很快入门的 !二、看图应该注意的事项有哪些?初学建工的同事 , 由于建工知识不全面在初看图纸的时候常常会遇到一些麻烦 ,致使无法准确了解并认识图纸要说明的建筑内容 ,归纳几点注意事项 ,希望能对大家有帮助 .拿到一份图纸,我们应该注意:1、首先要知道施工图的分类专业的分工不同,可分为建筑施工图、结构施工图和设备施工图。
给水工程施工图设计说明1.概述1.1 项目名称项目名称:成都金融创新中心项目--3#路配套道路工程1.2 项目位置项目位置:四川成都市东部新区三岔街道1.3 项目业主项目业主:成都东部集团有限公司1.4 工程概况1.4.1工程范围及规模本项目成都金融创新中心项目--3#路配套道路工程位于四川成都市东部新区三岔街道。
设计3#路路线呈南-北方向前进,道路起点接在建汇流南路,终点接已建公园大道。
设计路线全长341.826m,设计速度20km/h,城市支路,规划红线宽度宽12m,路基实施范围宽度15m,一块板双向两车道。
1.4.2 主要工程内容本次设计道路内容共一册,主要工程内容包括第一册:道路、交安、排水、给水、照明、电力通道工程。
本文件为第一册第一篇道路工程,道路工程设计内容为道路的平、纵、横及路基、路面结构及市政道路附属设施等设计。
1.4.3 文件组成及编制办法本次施工图设计按《市政公用工程设计文件编制深度规定》(2013年版)进行编制。
本项目文件共一册,按专业分篇章出图。
第一篇道路工程第二篇交安工程第三篇排水工程第四篇给水工程第五篇照明工程第六篇电力通道工程本文件为第一册第四篇道路工程。
工程地理位置示意图1.5 上阶段批复及主要审查意见执行情况2021年6月18日在成都东部新区市民中心1318 会议室召开本项目初步设计方案专家座谈会,经评审后形成审查意见如下:总体评价:初步设计文件内容基本齐全,设计深度基本满足初步设计编制深度规定的要求,调整完善后可作为下阶段设计依据。
1、应补充项目的“给水管道总体布置图”,明确片区给水管网系统,补充设计给水管道与汇流南路、公园大道的衔接关系。
回复:根据专家意见,已按要求补充项目的“给水管道总体布置图”。
2、给水工程“8.2.3 沟槽施工设计”中,给水管道的“中粗砂基础”回填密实度要求应符合《给水排水工程管道结构设计规范》(GB50332-2002)中“5.0.16”条的相关规定。
给水管道平面及纵断面图设计流程海南天鸿市政设计有限公司培训文件(最后修订时间:2010.07)一、准备工作操作步骤:1、设置->设工程名【在HySzGxWork下创建本工程数据储备文件夹】2、设置->出图比例【施工图纵断面图出图比例为1:2000 实施方案纵断面图出图比例为1:2000】3、设置->文字大小【一般取3】4、设置->标注小数位【一般取3】5、设置->图框设置【A0~A4图框均不要“对中线、标尺线、会签栏”,全部不打勾,然后保存设置】6、设置->管道规格【这里我们主要调整给水硬聚氯乙烯管的相关数据即可(以1.0Mpa管道为准),确定保存后,需重启鸿业市政管线程序生效】7、设置->管线标注->管长管坡8、设置->纵断表头->给水->用户①这里选择设计路面标高类别是为了方便做纵断面设计时可以根据实际情况调整纵断面图上的地面标高②%%145在stedi字体中显示为千分号③节点大样及管道平面的行间距可以根据实际设计阶段做调整9、设置->纵断标注【施工图桩号间隔:50 实施方案桩号间隔:100】备注:其中步骤1、2、4、8、9在不同工程不同设计设计阶段中有不同设置,每次均需重新设置。
二、绘制平面及纵断面图操作步骤:1、布置管线采用pl命令布置管线,线段及小幅度曲线均可,尽量直线段越长越好,可减少节点量,减轻后续的工作量。
布置完管线后,利用x命令打散管线,给水->定给水管2、管道桩号平面->管线桩号->定义给水管线桩号平面->管线桩号->桩号标注设置【通常常用千米桩号、左侧标注->小桩号侧标注,施工图整桩间隔50,实施方案整桩间隔100】平面->管线桩号->自动标注管线桩号3、从图面提取地面标高平面->自然地形->自然离散点->文本定义/属性块转【如果自然地形标高数据为属性块,则采用属性块转】平面->自然标高文件->地图提标高整桩间隔(米)【一般情况下,施工图取25,实施方案取50】->生成列表->提取标高存入文件【在一个工程中如果有多条桩号线的时候,注意保存的文件名称应分别进行自定义以示区别】平面->自然转设计【将从图上读取的自然地形标高文件转换成本次工程的设计标高文件】4、布置管道阀门井及消火栓给水->布置井类->阀门井->按桩号布置/选择检查井布置点【一般情况下采用“按桩号布置”,阀门间距取600m,无消火栓时间距可取600~1000m。
给水管道施工图设计说明一.图中高程采用1985年国家高程基准,坐标采用库尔勒城市坐标系统二.本施工图中单位除标高,管道里程以米计,其余均以毫米计。
图中所注设计路面高程为道路中心线处地面高程.三.本段管道为泰昌路给水管道,自北向南,起点为美克路与外环路交叉口,终点为泰昌路与小康路交叉口。
管线平面定位以道路中心线为基准,给水管道位于道路东侧人行道下。
四.对已建管道及构筑物等与本工程衔接部分的平面位置及高程在施工前应校测. 本项目翎翔路K0+100-K1+400段与排水管线同侧,施工时应注意处理好给水与排水管线的安全距离。
五、系统设计1、强度计算聚乙烯管道的工作压力可由下式计算 PN=2σse/(D -e)=22σs/(SDR -1) 其中σs=MRS/Fd 这里:PN=管材公称压力 σs=设计压力,Mpa D=平均外径,mm e=最小壁厚,mm SDR=标准尺寸比 MRS=最小要求强度(20℃,50年),Mpa Fd=设计系数破坏时间图另附 20℃时,MRS 、设计应力σs 和设计系数之间的对应关系如下:为供水用HDPE 管道系统,设计系数Fd 一般选择1.25,对于PE80级别的HDPE 管材,对应的设计应力σs 为6.3Mpa 。
例如-SDR13.6的PE80管道,由上式计算可知,该管道的公称压力为PN1.0。
此外,聚乙烯管道的耐压强度与温度有关,当管道的工作温度偏离20℃时,最大工作压力(Mop)应按下列公式计算:Mop=PN*Ft Ft 为温度折减系数2、水力计算 压力损失计算管道的压力可按照达西—威斯巴赫公式进行计算:hf=λ(L/d)(V2/2g)式中: hf=摩擦损失;L=管段长度;dj=管道计算内径g=重力加速度;V=平均流速;λ=摩阻系数紊流状态下,摩阻系数λ可由阿里特苏里公式计算:λ=0.11(K/dj+68/Re)0.25 式中: K=管内壁绝对粗糙度(mm),对于HDPE 管;K=0.01mm Re=雷诺数;dj=管道计算内径(mm)管件局部阻力水头损失按下式计算:h=KV2/2g 式中: h=局部水头损失:m V=水流速度,m/s g=重力加速度,m/S2 K=各种管件的摩阻系数常见管件摩阻系数K值如下:通常在设计过程中,为了简化设计,局部水头损失宜按下列管网没水头损失的百分数采用:*生活给水管网25-30%;*生产给水管网,生活、消防共用给水管网,生活、生产、消防共用给水管网均为20%;*消火栓系统消防给水管网为10%;*生产、消防共用给水管网为15%。
给水排水工程施工图设计一、引言给水排水工程施工图设计是给水排水工程的重要环节之一,它对工程质量和施工进度具有重要影响。
本文将详细介绍给水排水工程施工图设计的相关内容,包括设计内容、设计原则、设计过程等。
二、设计内容给水排水工程施工图设计的内容包括建筑物内外给水管网、排水管网、水泵房、水箱等。
具体设计内容如下:2.1 建筑物内外给水管网设计建筑物内外给水管网设计包括冷水管网和热水管网的设计。
其中,冷水管网设计需要确定主管道的走向、管径、管材等参数,以及室内用水设备的布置、分支管道的设计等。
热水管网设计需要考虑循环水系统的设计、热水供应设备的选择等。
2.2 排水管网设计排水管网设计需要确定排水系统的布置、管径、管材等参数。
在设计过程中需要考虑排水管的坡度、排水口的数量、位置和排水流量等。
此外,还需要设计雨水排水系统,包括雨水管、雨水收集设施等。
2.3 水泵房设计水泵房设计需要确定水泵房的布置、水泵的选择和数量等。
在设计过程中,需要考虑水泵的工作流量、扬程等参数,以及水泵房的通风、消防等设施的设计。
2.4 水箱设计水箱设计需要确定水箱的容积、高度等参数,以及水箱的布置和防腐措施。
在设计过程中需要考虑水箱的水位控制装置、进出水口的设计等。
三、设计原则给水排水工程施工图设计需要遵循以下原则:3.1 安全性原则设计过程中需要考虑到给水排水系统的安全性。
例如,在冷水管网设计中,要合理选择管材,确保管道的强度和耐腐蚀性;在水泵房设计中,要考虑到水泵的安全运行和维护。
3.2 经济性原则设计过程中需要考虑到给水排水系统的经济性。
例如,在管道的设计中,要合理选择管径,以减少材料的使用量和成本;在水泵的选择中,要综合考虑水泵的效率、运行成本等参数。
3.3 可行性原则设计过程中需要考虑给水排水系统的可行性。
例如,在建筑物内外给水管网设计中,要考虑到管道的布置是否符合实际施工条件,是否能够实现正常供水;在水泵房设计中,要考虑到水泵房的布置是否合理,是否方便维护和操作。
给水管道施工图设计说明一、设计依据1、业主的设计委托书和双方签署的设计合同;2、业主提供的地形图。
3、中国水电顾问集团华东设计院已完成的初步设计。
二、采用技术标准、规范1、《城市工程管线综合规划规范》(GB50289-98);2、《室外给水设计规范》(GB50013-2006);3、《给水排水管道工程施工及验收规范》(GB50268-2008);4、《给水排水构筑物施工及验收规范》(GBJ141-90);5、国家现行有关标准、规范和法规。
三、工程设计概况八一路给水管管径为DN600,北接门背街已建DN600给水管,南接西环路,沿西侧人行道敷设。
西环路给水管管径为DN600,北接八一路DN600给水管,南接南环路DN200给水管,沿西环路东侧敷设。
民主路给水管管径为DN200和DN100,北接门背街已建DN600给水管,沿民主路路边敷设。
龙山路给水管管径为DN300,北接西环路DN600给水管,南接龙都路DN300给水管,沿东侧人行道敷设。
龙都路给水管管径为DN300,西接西环路DN600给水管,东接马家湾至龙门街DN400给水管,沿北侧人行道敷设。
建设南路给水管管径为DN200,北接马家湾至龙门街DN400给水管,南接龙都路DN300给水管,沿东侧人行道敷设。
铁石路给水管管径为DN200,北接龙都路DN300给水管,南接西环路DN600给水管,沿西侧人行道敷设。
丝绸路给水管管径为DN200,北接龙都路DN300给水管,南接中兴路DN200给水管,沿西侧人行道敷设。
中兴路给水管管径为DN200,东接西环路DN600给水管,西接中南路已建DN600给水管,其中节点J-1~J-22沿北侧人行道敷设,J-23~J-37沿南侧人行道敷设。
南环路给水管管径为DN200,东接西环路DN600给水管,西接龙门街DN400给水管和白龙大道DN250给水管,沿北侧人行道敷设。
四、管材、接口形式、管道基础及管道防腐1、管材本工程采用球墨铸铁管;过桥、过街、穿越地下障碍等采用钢管。
2、管道接口钢管采用焊接接口;球墨铸铁管采用T型橡胶圈柔性接口。
3、管道基础在管基土质情况较好,地下水位低于管底的地段钢管及铸铁管采用素土基础,管道铺设在未经扰动的原土上,铸铁管采用砂基础,砂垫层厚200mm。
管基在岩石地段采用砂基础,砂垫层厚200mm。
管基在回填土地段,超挖500mm,管基的密实度要求达到路基密实度后(95%),垫砂200mm厚。
当位于淤泥或地下水位多且地下水位高的地段时,应换填300mm碎石,再铺200mm厚砂敷管。
4、管道防腐球墨铸铁管内外部均需防腐,其内部防腐采用水泥砂浆防腐,并已在制造厂内完成。
埋地钢管及管件内防腐采用IPN8710-2B防腐底漆一道, IPN8710-2B防腐面漆二道,其干膜厚度应130um,钢管及管件外防腐采用IPN8710-1防腐底漆两道,脱脂玻璃布两层,IPN8710-3厚浆型面漆三道,漆干膜厚度500um, 防腐漆操作程序及注意事项应按厂家要求。
五、附属构件1、给水管道上的分支管道上设控制阀门,直管段上每隔一定距离设置控制阀门。
管线最高点设排气阀,最低点设排泥阀,具体位置详见平面图。
2、给水管道上的控制阀门、排气及排泥阀等均作检查井及井盖,控制蝶阀检查井作法详见标准图集07MS101-2/24,控制闸阀检查井作法详见标准图集07MS101-2/14。
3、给水管道上每隔100m左右设置室外消火栓,具体位置详见平面图。
4、管道在转角处应设置支墩,其具体作法详见标准图集03SS505。
六、管道施工1、管道放线本工程给水管道放线均按转角点坐标放线,转角点坐标点为主线管道轴线投影转折点。
2、现场复核本工程设计要求在施工放线时复核管廊位置地形状况、接水点的位置、断面尺寸等,若与设计有不符之处,必须立即通知设计单位研究处理。
3、沟槽开挖:(1)沟槽槽底最小宽度应根据土质条件、沟槽断面形式及深度确定。
(2)当沟槽挖深较大时,应合理分层开挖。
人工开挖,槽深超过3米放坡开槽时,层间留台宽度不应小于0.8m,直槽时不应小于0.5m;机械挖槽时,按机械性能确定。
(3)人工挖槽时,堆土高度不宜超过1.5米,且距槽口边缘不宜小于0.8m。
(4)开挖沟槽时发现已建的地下各类设施或文物时,应采取保护措施,并及时通知有关单位处理。
(5)沟槽开挖质量应符合下列规定:a、不扰动天然地基或地基处理符合设计要求;b、沟槽开挖槽壁平整,沟槽开挖边坡应有一定的坡度以保证施工安全。
沟槽开挖边坡最陡值根据不同土质按1:0.1~1.5控制(放坡系数按《给排水管道工程施工及验收规范》GB 50268相关内容执行),如果现场条件不允许,必须采取加支撑等措施。
c、沟槽中心线每侧的净宽不应小于管道沟槽底部开挖宽度的一半;(6)对于填方地段,须在填方进行至管顶标高1.0m之上后方可开挖管道沟槽,填方应按道路路基要求进行。
4、沟槽回填:(1)管道施工完毕经检验合格后,沟槽应及时回填。
回填要求分层压实、对称均匀回填。
回填材料及压实度必须符合《给水排水管道工程施工及验收规范》(GB50268-97)相关规定。
管区(沟槽底至管顶以上1.0m范围内)禁止采用推土机等大型机械进行回填。
管顶严禁使用重锤夯实。
(2)水压试验前,除接口外,管道两侧及管顶以上回填高度不应小于0.5米;试验合格后,应及时回填其余部分;(3)沟槽底至管顶以上50cm范围内,不得含有有机物、冻土及大于50mm的砖、石等硬块;严禁石块等硬物直接接触管道。
(4)回填土的每层虚铺厚度、压实遍数,应按采用的压实工具、含水量和要求的压实度,经现场试验确定;(5)当采用重型压实机械压实或较重车辆在回填土上行驶时,管顶以上应有一定厚度的压实回填土,其最小厚度应按压实机械的规格和管道的设计承载力,经计算确定。
(6)管道两侧和管顶以上50cm范围内的回填材料,应由沟槽两侧对称运入槽内;其它部位回填应均匀运入槽内,不得集中推入。
(7)沟槽回填土的压实应符合以下规定:a、回填压实应逐层进行,且不得损伤管道;b、管道两侧及管顶以上50cm范围内,应采用轻夯压实,管道两侧压实面的高差不应超过30cm;c、压实时,管道与基础间三角区应填实。
压实时,管道两侧应对称进行,不得使管道位移或损伤。
d、分段回填压实时,相邻段的接茬应呈接梯形,且不得漏夯。
e、采用木夯、蛙式夯时应夯夯相连;采用压路机时,其行驶速度不得超过2km/h,碾压重叠宽度不得小于20cm。
f、管道沟槽位于路基范围内时,管顶以上25cm范围内回填土表层压实度不应小于87%;对铸铁圆形管道,其它部位压实度不应小于90%,对钢制管道其它部位压实度不应小于95%。
g、管道覆土较浅时,管道的承载力较低,压实工具的荷载较大,或回填达不到要求的压实度时,应与设计单位协商,采取加固管道的措施。
5、试压消毒施工完毕后必须严格按照规范对管道进行水压试验及冲洗消毒。
严禁用阀门作试压件。
管道试压前应充分浸泡,有水泥砂浆衬里不少于48小时,无水泥砂浆衬里不少于24小时。
水压试验长度不宜大于1000米,水压试验压力应符合《给水排水管道工程施工及验收规范》(GB50268-97)表10.2.10之规定。
管材种类工作压力P(MP)实验压力(MP)钢管PP+0.5且不应小于0.9球墨铸铁管≤0.52P >0.5P+0.5管道分段试压合格后应对整条管道进行冲洗消毒。
冲洗水应清洁,冲洗流速应大于1m/s,直至冲洗排放水与进水浊度一致。
管道冲洗后应进行含氯水浸泡消毒,用有效氯浓度不低于20mg/l的清洁水浸泡24小时后,水质化验合格为止。
6、验收工程中间验收和竣工验收必须严格按照国家工程管理相关法规、规定程序进行。
需要设计单位参加验收的分部工程,应在该分部工程按设计要求完成后,下道工序未进行之前及时通知设计单位。
验收前施工单位应事先准备好必须的相关图表等技术资料,并有业主代表、监理、质监及相关部门共同参与进行。
七、施工注意事项1、施工单位应遵守有关环境保护法律、法规的规定。
在城市市区内的建设工程,施工单位应当对施工现场实行封闭围挡,防止或减少粉尘、废气、废水、固体废物、噪声、振动和施工照明对人和环境的危害和污染。
2、施工单位对因建设工程施工可能造成损害的毗邻建筑物、构筑物和地下管线等,应及时采取防护措施,确保其不受损伤且不影响其正常使用,并及时通知有关单位,进一步落实保护和处理措施。
3、施工单位在进行土石方工程时,应注意按规范要求进行合理支护、分层开挖。
对于需设支撑的工程,应精心设计、精心施工,以免槽壁失稳出现塌方,影响施工,甚至造成人身安全事故。
4、管道水压试验管段内不得采用阀门做堵板,不得有消火栓等附件;水压试验过程中,后背顶撑、管道两端严禁站人;管道升压时,管段内气体应排除,升高过程中发现弹簧压力表摆动不稳且升压较慢时,应重新排气后再升压。
5、管道冲洗时应保证排水管路畅通安全。
6、管道施工如遇地下水时应作好排水措施,当管道未具备抗渗条件时,严禁停止排水。
7、钢管上严禁开方孔,焊缝及零件处严禁开孔。
8、本工程为管网改造工程,管网施工过程中应注意保护周边现状管网,必要时需对现状管网采取必要的保护措施,不能对现状管网造成破坏。
八、其它1、本图中除管径以毫米计外,其它均以米计。
2、本说明及设计图说未特别予以说明的内容,均应遵照相关施工规范及各种专业、行业技术规范、标准进行。
3、施工中发现问题,或设计资料之间、设计与现场情况之间有不符之处,应及时通知设计单位,以会同建设单位、监理单位及质监等部门共同研究处理,以确保工程质量。
施工单位不得擅自进行处理。