货币资金业务流程图
- 格式:doc
- 大小:31.50 KB
- 文档页数:2
货仓存货管理评分表-------收货组
版本1:此表每月评比一次,发现的问题点限一周内改善。
并存档在处。
评分日期:年月日
精品文档可编辑的精品文档
货仓存货管理评分表-------成品&废料
版本1:此表每月评比一次,发现的问题点限一周内改善。
并存档在处评分日期:年月日
精品文档可编辑的精品文档
货仓存货管理评分表-------超市
版本1:此表每月评比一次,发现的问题点限一周内改善。
并存档在处评分日期:年月日
精品文档可编辑的精品文档
货仓存货管理评分表-------账数处理(收货/超市/拆料)
版本1:此表每月评比一次,发现的问题点限一周内改善。
并存档在处评分日期:年月日
精品文档可编辑的精品文档。
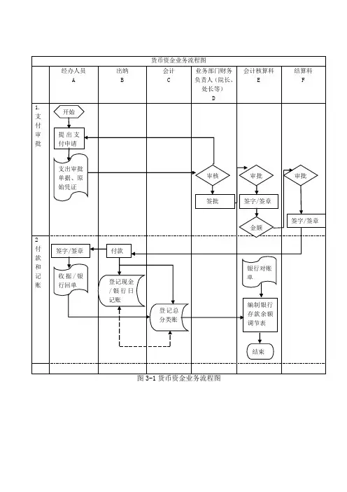
钱币资本业务流程图
经办人员
A 出纳
B
会计
C
业务部门财务
负责人(院长、
处长等)
会计核算科
E
结算科
F
D
1.
开始
支
付
审提出支
批付申请
支出审批
票据、原审查审批审批
始凭据
签批署名/签章
署名/ 签章
金额
2
付署名/签章付款
款
和银行对账
记收条/ 银单
账行回单
登记现金
/银行日
记账
登记总编制银行存款余额
分类账
调理表
结束图 3-1 钱币资本业务流程图
表 3-1 钱币资本流程节点简要说明
节点流程简要说明
A1业务部门经办人员将《经费报销审批单》或《借钱单》连同原始票据提交业务部门财务负责人,提出资本支付申请
D1业务部门财务负责人审查资本支付申请,署名确认
E1会计核算科对资本支付申请进行审批并署名或签章确认
F1结算科负责人对资本支付申请进行审批
B2出纳岗收取已执行各项审批手续的资本支付申请,按规定方式支付资本
A2经办人员署名或签章确认已收到款项
C2会计岗依据出纳转来的资本支付申请有关凭据、收条和银行回单登记账务
D2出纳人员领取“银行对账单” ,编制“银行存款余额调理表”,并由专人进行审查。
4.2货币资金管理业务流程一、业务目标经营目标11.1 保证资金安全,提高资金利用效率。
财务目标22.1 保证货币资金核算真实、准确、完整。
合规目标33.1 符合国家货币资金管理的有关规定和公司内部规章制度。
二、业务风险经营风险11.1 资金被非法挪用。
1.2 资金存放分散,不能统一集中使用,增加资金冗余风险。
财务风险22.1 货币资金账实不符和存在账外货币资金风险。
合规风险33.1 违反国家货币资金管理规定和公司内部规章制度,受到处罚。
①本流程所称货币资金为现金、银行存款和其他货币资金三、业务流程步骤与控制点开设账户11.1 按照分级管理的原则,公司开立账户必须报股份公司财务部审批;下属单位开立账户必须报公司财务部门审批;经批准后严格按照中国人民银行《支付结算办法》和有关规定在银行和/或中国石化集团财务有限公司开设账户。
公司在股份公司和石化集团内部的主要收入/支出,通过中国石化集团财务有限公司账户结算。
现金和银行存款的日常管理22.1 公司及下属单位的财务部门必须根据《现金管理暂行条例》的规定,结合本单位的实际情况,确定本单位现金的开支范围和库存限额,并报公司总会计师或分管经理审批。
库存限额须经银行核定,超过库存限额的现金必须当日送存银行,由财务部门负责人不定期抽查。
2.2 现金收入必须及时存入银行,不得坐支、不得白条抵库,由公司及下属单位的财务部门负责人不定期抽查并签字。
2.3 财务部门出纳人员定期和不定期地进行现金盘点,做到日清月结;每月末,财务部门应由出纳进行盘点,并由管理(或登记)现金日记账和银行日记账以外的不相容岗位人员签字,报财务部门负责人。
每次盘点结果必须备案,作为会计档案保存。
盘点发现不符,应及时查明原因,作出处理。
2.4 财务部门每月应核对银行账户,并编制银行存款余额调节表,核实未达账项,由不相容岗位人员签字。
银行存款余额调节表必须由财务部门负责人审核,对未达账项应跟踪核实,发现数月未对上的未达账项应查明原因,并追查责任。
货币资金审计流程图大全
本章属于比较重要的内容。
在审计实务的'考查中经常涉及货币资金的内部控制、现金和银行存款的实质性程序。
考生应把握好货币资金的内部控制;现金的监盘;银行存款余额调节表的审查;银行存款函证等实质性程序。
(一)货币资金的内部控制及其测试
(二)现金的审计
1.监盘库存现金
注意:
第一,盘点的范围
第二,盘点的主体
第三,盘点的方式
第四,盘点的时间
第五,监盘过程
第六,编制“库存现金监盘表”。
第七,资产负债表日后进行盘点时,应调整至资产负债表日的金额。
2.抽查大额现金收支
(三)银行存款的审计
1.取得并检查银行存款余额调节表
2.函证银行存款余额
3.检查银行存单
s("content_relate");。
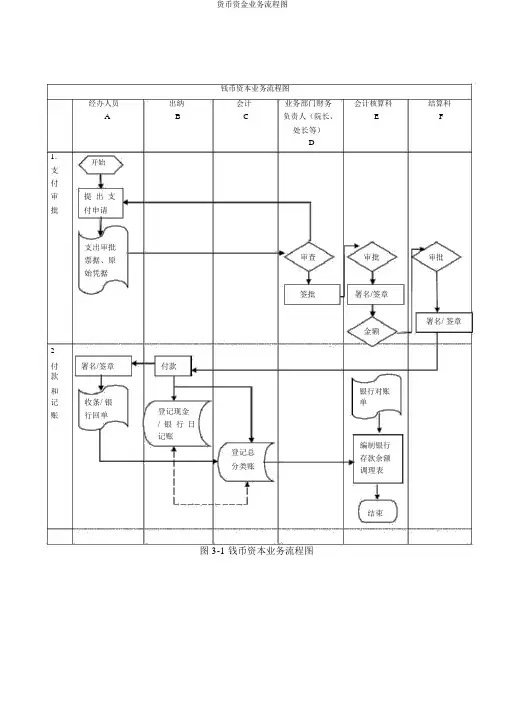
货币资金业务流程图
经办人员
A 出纳
B
会计
C
业务部门财务
负责人(院长、
处长等)
会计核算科
E
结算科
F
D
1.
开始
支
付
审提出支
批付申请
支出审批
单据、原审核审批审批
始凭证
签批签字/签章
签字/ 签章
金额
2
付签字/签章付款
款
和银行对账
记收据/ 银单
账行回单
登记现金
/银行日
记账
登记总
编制银行
存款余额
分类账
调节表
结束
图 3-1 货币资金业务流程图
表 3-1 货币资金流程节点简要说明
节点流程简要说明
A1 业务部门经办人员将《经费报销审批单》或《借款单》连同原始单据提交业务部门
财务负责人,提出资金支付申请
D1 业务部门财务负责人审核资金支付申请,签字确认
E1 会计核算科对资金支付申请进行审批并签字或签章确认
F1 结算科负责人对资金支付申请进行审批
B2 出纳岗收取已履行各项审批手续的资金支付申请,按规定方式支付资金
A2 经办人员签字或签章确认已收到款项
C2 会计岗根据出纳转来的资金支付申请相关凭证、收据和银行回单登记账务
D2 出纳人员领取“银行对账单” ,编制“银行存款余额调节表”,并由专人进行审核。
资产管理制度1.单位对资产实行分类管理。
2.单位资产分为货币资金、应收款项、实物资产、无形资产、对外投资五类。
3.货币资金的管理(1)不得由一人办理货币资金业务的全过程,确保不相容岗位相分离。
(2)货币资金支付的审批和执行,货币资金的保管和收支账目的会计核算,货币资金的保管和盘点清查,货币资金的会计记录和审计监督岗位不得由同一个人担任。
(3)出纳不得兼管稽核、会计档案保管和收入、支出、债权、债务账目的登记工作。
出纳岗位不得由临时人员担任。
(4)严禁一人保管收付款项所需的全部印章。
财务专用章应当由专人保管,个人名章应当由本人或其授权人员保管。
负责保管印章的人员要配置单独的保管设备,并做到人走柜锁(5)按照规定应当由有关负责人签字或盖章的,应当严格履行签字或盖章手续。
(6)银行账户的开立应符合国家有关规定的要求,不得随意开立,不得违反规定开立和使用银行账户。
(7)财务科应当对已开立未使用或长期不使用的账户及时做出销户处理,银行账户销户按规定操作,经过适当授权并正确反映在会计记录中。
对已销户的银行账户,应在办理销户后一个月再由经办人员以外的会计人员向银行核实销户情况,确保销户已得到执行。
(8)财务科应当做好银行账户开户、销户情况的记录。
每月与银行核对,确保所记录的银行账户与实际相符。
(9)银行预留印鉴应当分开由不同人员保管,严禁一人保管所有支付预留印鉴,网上银行的管理员U盾和操作员U盾由不同人员保管,防范网上银行支付风险。
(10)出纳人员应当每天清点库存现金,登记库存现金日记账,做到账实相符,账账相符。
(11)指定不办理货币资金业务的会计人员定期和不定期对库存现金进行抽查盘点。
(12)不办理货币资金业务的会计人员定期和不定期对库存现金进行抽查盘点时,重点关注:账款是否相符、有无白条抵库、有无私借挪用公款、有无帐外资金。
(13)不办理货币资金业务的会计人员定期和不定期对库存现金进行抽查盘点时,发现账款不符,应当及时查明原因,做出相应处理:由于一般工作失误造成的,可由财务科负责人按照规定做出处理;如果属于违法行为,应当向单位负责人报告,并按照规定依法移交相关部门处理。