信息管理控制程序(报批)
- 格式:doc
- 大小:99.50 KB
- 文档页数:4
成文信息控制程序本程序的目的是确保质量管理体系所需的成文信息在需要的场合和时机均可获得有效版本,避免误用和保护信息安全。
适用于本公司质量、环境、职业健康安全管理体系要求的成文信息的控制,以及工厂质量保证能力要求(CCC)中规定的成文信息的控制。
术语方面,成文作息指公司需要控制和保持的信息及其载体,文件包括记录、规范、程序文件、图样、报告、标准等,载体可以是纸张、磁性的、电子的、光学的计算机盘片、照片或标准样品,或它们的组合。
一级文件指质量手册,二级文件指程序文件,如成文信息控制程序、内部审核控制程序等,三级文件包括管理标准(制度、办法)、技术标准(技术法规、标准)、工作标准(规范、规程、规定、流程),四级文件指质量、环境、职业健康安全管理体系记录。
外来文件指公司应识别的与产品和质量管理体系的策划和运行有关的全部来自公司以外的文件,包括与产品有关的法律法规、顾客提供的图样、产品标准等。
文件控制是对指对文件的编制、评审、批准、标识、检索、发放、使用、贮存、保护、更改和再批准、作废、回收等全过程所用活动的管理工作。
同一文件的不同文本称为不同版本,首次批准发布的文件称初版,更改或换版重新批准发布的称第二版,以此类推。
公司规定以大写英文字母A、B、C……分别表示有版本控制文件的初版、第二版、第三版……若修改超过第5次或修改内容超过1/3需要更新版本。
在职责方面,质量部负责一级文件的控制工作,各部门内审员和各部门主管领导负责本部门的二级文件的控制工作,质量部协助各部门对二级文件进行有效控制,研究院负责三、四级技术文件的控制,各部负责本部门三、四级文件的控制。
最后,各部门资料管理人员应接受本程序的培训,方可从事文件和资料的管理工作。
文件的编号和标识应按公司规定进行。
为了确保文件的标识清晰且具有唯一性,各类文件采用以下编号规则:1.一级文件和二级文件统一采用以下编号结构:Q/ZT×××××-××××,其中包括发布年号、顺序号、体系代码、公司代码和企业标准代码。
信息资源控制程序文件编号:1. 目的为了推进信息资源的标准化管理,采集两化融合过程中可靠和有用的数据,将其转化为企业所需的信息以提炼为企业的知识资产,建设数据开发利用机制,促进公司两化融合活动健康有序规范地发展,提升企业核心竞争力,将信息资源作为本公司的战略性基础资源予以管理,确保数据的准确性、时效性,特制定本文件。
2. 范围适用于公司信息资源的管理,包括信息资源标准化、信息资源的采集、获取、存储、传递和共享、数据的开发利用,挖掘提炼信息和知识等。
3. 术语和定义信息资源:在业务活动和过程中所产生、采集、处理、存储、传输和使用的数据、信息、知识等的总和。
4. 4职责4.1 信息管理人员在公司信息化管理工作方面的主要职责包括:a) 负责制订公司信息化管理的政策和信息化标准建设并落实执行;b) 负责信息资源的存储整合;c) 负责制定数据开发利用的计划及目标;d) 负责数据应用模型的建立及部署。
4.2 使用部门:a) 负责信息资源的采集需求及数据开发需求的识别及反馈;b) 负责信息资源的采集及数据分析利用。
5. 工作程序5.1信息化标准建设5.1.1信息标准编码是规范信息项的填写内容,为应用系统便于数据录入和查询统计而设计的,信息管理人员应在信息资源平台建立统一编码规则,编制形成《信息资源编码规范》来统一信息标准、消除信息孤岛;5.1.2 编码设计应符合唯一性、可扩性、简单性、规范性、适用性、合理性等原则,信息标准编码不会一成不变,编码种类及数据内容将随着业务的发展变迁、基础数据内容的增加而需逐步拓展。
5.1.3信息管理人员编制《数据交换和接口规范》规范信息交换与接口转换活动。
5.1.4信息管理人员制定信息资源操作权限管理数据信息标准。
公司信息系统中的信息、数据按级别划分,员工可根据其账号的权限进行阅读、使用;企业信息系统中的信息与数据根据其重要性程度与泄密风险损失划分为五级。
——绝密级:总经理、董事长可以阅读、使用;——机密级:副总级别、总监级别可以阅读、使用;——秘密级:部门经理级别可以阅读、使用;——重要级:部门主管级别可以阅读、使用;——普通级:普通员工可以阅读、使用。
信息上报量化管理制度一、概述信息上报在现代企业管理中扮演着重要的角色,它是企业内部沟通与协调机制的重要环节,能够有效提高信息传递的效率和准确性,保证企业的决策科学有效。
因此,建立科学规范的信息上报量化管理制度对于企业的稳定发展具有重要意义。
本制度旨在规范企业内部各级管理人员的信息上报行为,建立一套完善的信息上报流程和机制,提高信息上报的准确性和时效性,为企业管理决策提供科学依据。
二、信息上报的定义及意义信息上报是指管理人员将各级部门产生的重要信息、数据及问题通过一定渠道及时、准确地向上级主管领导报告,以便上级领导可以及时了解到部门的运作情况、工作进展和存在的问题,做出正确决策。
信息上报的意义在于:1. 提高管理效率:信息上报是企业内部沟通沟通与协调机制的重要环节,能够及时传递各级管理人员所需的信息,提高管理决策的效率,帮助企业更好地应对市场竞争。
2. 保证企业稳健发展:通过信息上报,可以及时发现和解决问题,避免问题扩大化,保证企业的稳健发展。
3. 规范企业管理行为:建立科学规范的信息上报制度,能够规范各级管理人员的行为,提高管理水平,保障企业的长期发展。
三、信息上报的原则1. 及时性:信息上报要及时准确,确保上级领导能够了解最新的情况。
2. 准确性:信息上报要准确真实,不能虚报夸大,以免导致管理决策失误。
3. 完整性:信息上报要全面完整,不能遗漏重要信息,以免影响管理决策。
4. 安全性:信息上报要保密安全,不能泄露企业机密信息,以免损害企业利益。
四、信息上报的内容信息上报内容应包括但不限于以下几个方面:1. 经营情况:包括企业的生产经营情况、销售情况、财务情况等。
2. 人事情况:包括企业员工的招聘情况、培训情况、绩效考核情况等。
3. 技术研发情况:包括企业的技术研发成果、技术创新情况等。
4. 市场竞争情况:包括企业的市场竞争情况、市场份额情况等。
5. 风险管理情况:包括企业面临的风险、应对策略等。
文件制修订记录1.0目的:为保证实验室采用计算机化和非计算机化检测校准工作的数据收集、处理、记录、报告、存储、检索、传输的准确、可靠、有效和保密,特制定本程序。
2.0适用范围本程序适用于计算机化和非计算机化进行检测校准过程的数据收集、处理、记录、报告、存储、检索、传输的控制与管理。
3.0引用文件3.1 CNAS-CL01:2018《检测和校准实验室能力认可准则》(ISO/IEC17025:2017)3.2 CL01-G001:2018《检测和校准实验室能力认可准则》应用说明4.0职责4.1检测校准人员准确采集和记录原始数据和结果,按规范和技术要求计算和处理数据。
4.2管理部专人负责检测校准原始记录、数据的统一保存管理。
5.0程序5.1用于数据和信息收集、处理、记录、报告、存储、检索、传输的信息管理系统,在投入使用前按新到测量设备进行验收,包括清点资料、附件、测量软件等,对其功能和技术性能进行有效确认,完成《设备(软件)验收确认记录》。
5.2对管理系统的变更、修改等,需重新进行验收确认。
5.3信息管理系统由专人负责(设备负责人)管理使用,设置密码(口令),确保测量控制软件的正确、有效、安全运行,以及系统突然失效的紧急措施办法。
5.4工作人员在使用信息管理系统时,包括实施操作使用测量控制软件前,应详细阅读有关说明文件(包括说明书、手册和参考数据等),充分了解测量过程和原理,以及有关使用注意事项。
5.5工作人员按照说明文件或软件提示执行测量程序。
如果测量过程中出现不正常现象,应立即停止测量工作。
同时报告管理层人员,组织分析根本原因,排除故障因素后再继续进行,需要记录详细情况。
5.6检测校准工作完成后,测量数据和结果应实时打印、或书面记录、或电子媒体(光盘、U盘、磁盘等)形式保存。
5.7工作人员对数据在转移过程中严格进行符合规定和要求的修约、计算、变更处理,并在原始记录上详细记录。
5.8原始记录中发生记录错误需要进行更正时,当事人员在错误数据上划二条横杠后,然后在旁边填写正确数据,并签名和时间。
内部控制流程手册第十七章信息系统管理第二节不兼容岗位职责表及岗位职责分配表第三节业务流程及控制说明INF001. 信息系统的开发INF002. 信息系统的运行INF003. 信息系统的维护第四节相关制度索引INF001. 信息系统的开发主要描述了公司信息系统开发流程和控制,主要包括制定和审批项目建设方案,明确企业信息系统归口部门以及各职能部门的职责,跟踪督促系统上线运行进度,验收测试信息系统完成情况,制定数据迁移计划,培训业务操作及管理人员等内容。
INF002. 信息系统的运行主要描述了公司信息系统的运行流程和控制,主要包括制定信息系统工作流程及操作规范,用户授权使用制度,信息系统变更流程的建立。
INF003. 信息系统的维护主要描述了公司信息系统的维护的流程和控制,主要包括制定信息系统维护操作规范,系统数据的监控,以及日常维护等内容。
第二节不兼容岗位职责表及岗位职责分配表X:表示相互冲突的职责附注:角色1.信息化建设发展规划的编制角色2.信息化建设发展规划的审批角色3.项目立项申请角色4.项目立项审批角色5.项目合同签订角色6.项目合同审核角色7.项目实施过程中的管理角色8.项目评审角色9.项目竣工验收第三节业务流程及控制说明INF001. 信息系统的开发1.0适用范围本流程及控制适用于XXXX公司(“公司”)。
2.0控制目标和关键控制活动3.03.0 业务流程说明3.1各部门信息系统管理的职责在信息系统建设中,公司各职能部门在本部门职责范围和权限内,职责如下:1>行政办公室主要职责:a)归口管理公司的信息系统工作;b)负责公司的信息系统的硬件及软件安全工作;c)参与并指导信息系统项目开发工作,参与系统的评估工作;d)督促、协助系统正常运行;e)协助承办部门修订相关规章和制度。
2>承办部门主要职责:a) 技术项目的立项、评估工作,进行可行性分析;b) 对项目进行阶段性测试,确保系统正常、有序运行;c) 草拟信息技术项目的合同;d) 制定规章和制度;e) 组织对员工的培训和考核工作;f) 负责对承办的信息技术项目进行维护(含安全)工作;g) 确保信息系统项目数据得到及时更新。
信息交流控制程序企业信息交流控制程序:1.目的:建立有效的信息利用管理系统,使信息得以充分运用及共享,保证质量管理体系的有效运行。
2.范围:适用于质量管理体系系统运作下相关的信息利用与管理,即公司内部信息传递与处理,及与外部各方的信息交流。
3.职责:3.1管理部3.1.1主导人力资源、行政、后勤管理方面以及周边社区相关信息的收集与分析利用;3.1.2负责紧行政事务信息的收集与分析处理。
3.2品管部主导产品质量信息的收集与分析利用;3.3物供部主导供方及合作者相关信息的收集与分析利用;3.4技术工程部:3.4.1主导设备运行管理相关信息的收集与分析利用;3.4.2主导生产单位与市场回馈的品质资讯,新产品和新材料相关信息的收集与分析利用。
3.5制造部门主导生产运作绩效指标相关信息的收集与分析利用;3.6营销中心管理部:3.6.1主导顾客的满意相关信息之收集与分析利用;3.6.2主导竞争对手、行业市场相关信息的收集与分析利用。
3.7高级管理层根据各类信息分析利用的结果,综合、客观地作出战略规划及各项决策。
3.8资料室负责建立信息库、保存和质量管理相关的信息。
3.9管理者代表负责统筹公司对内/对外产品质量信息的传递与处理。
4.相关文件:4.1《文件控制程序》4.2《纠正及预防措施控制程序》4.3《记录控制程序》5.工作程序5.1信息管理系统5.1.1运行模式:5.1.2公司应建立并保持收集、分析、维护、应用的有效的信息管理系统,并使建立的信息管理系统适应质量管理体系运行的要求。
5.2信息分类公司应适时、全面、准确、及时地收集和识别内部和外部信息来源,特别关注来自顾客户的信息,以确保公司的绩效测量系统完善,不断改进顾客需求。
5.2.1外部信息5.2.1.1法律、法规及其他要求A、质量技术监督局、认证机构等监测或检查的结果及反馈的信息;B、政策法规标准类信息,如质量法、计量法、条例及产品标准等;C、其有关质量技术、质量管理等方面信息。
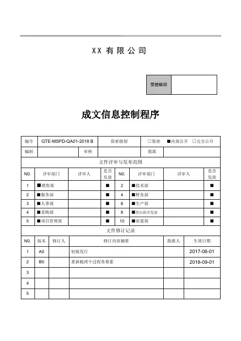
X X有限公司
成文信息控制程序
5过程乌龟图
2018—08—30批准 2018—09—01实施第 3 页共 22 页
4 质量计划GTE-MSQP-
01-2018 GTE-公司
代号
MSQP-管理体系
质量计划
01-第1份质量计
划
2018-发
行年号
5 技术文件2UBD100444
GTE C01技术文件范围:工程文档、图纸、BOM及相关技术资料,技术文件的编号具体执行2UBD100444 GTE C01《技术文件管理规定》要求
6 作业文件
或制度
-- 作业文件或制度由归口部门负责编号
7 外来文件-- 外来文件由归口部门负责编号
7.1.3.3 程序文件、管理规章按下述规定进行类别划分:
序号部门英文/简称部门代号
1 技术部Technology TE
2 销售部Sales SA
3 服务部Service SE
4 人事部HR HR
5 供应商/采购部SCM SC
6 项目管理部PM PM
7 生产部Production PD
8 质量部Quality QA
9 运营部Operation OP
10 财务部Financial FM
7.1.3.4程序文件、管理规章的通用格式:。
信息化工作管理程序1 目的和范围为加强公司信息化管理,根据《中国石油天然气集团公司信息化管理办法》,结合公司实际,制定本程序。
本程序涵盖信息化规划计划管理、信息化项目建设管理、数据管理、信息安全管理等方面。
2 术语和定义2.1 信息化本程序所称信息化是指通过先进管理理念与信息技术融合,简化、优化、标准化业务流程,搭建生产经营管理信息系统平台,扩大信息资源共享,促进转变发展方式、提升管理水平和效率效益的过程。
2.2 信息技术本程序所称信息技术是指应用计算机硬件、软件和通信技术及其搭建的网络,实现数据的采集、传输、存储和分析应用的技术。
2.3信息系统本程序所称信息系统是公司应用系统和基础设施的总称;其中应用系统是指公司各类业务管理系统和办公管理系统,基础设施是指对公司信息化办公和各信息系统起支持性作用的网络及硬件设备设施。
3 职责3.1 信息化工作领导小组3.1.1 负责制定公司信息化发展战略,对重大信息化工作进行决策;3.1.2 负责审议公司信息化管理制度和业务流程;3.1.3 负责审批公司信息化建设规划报告;3.1.4 负责审批公司年度新建信息化项目的立项、重大变更申请;2018-07-30发布 2018-07-30实施3.1.5 负责审批公司数据架构和数据管理标准;3.1.6 负责应急处置公司信息系统的重大突发事件和信息安全事件;3.1.7 负责审批信息化工作考核、评优与表彰事项。
3.2科技信息处3.2.1 负责管理信息化工作领导小组办公室日常事务;3.2.2 负责组织制修订信息化体系文件,建立健全管理组织机构;3.2.3 负责组织公司信息化建设规划报告的编制、报批和发布实施;3.2.4 负责组织公司信息化年度工作计划的编制、实施和执行情况的监督检查;3.2.5 负责组织审核信息化项目立项申请报告、组织初步设计(设计方案)审查、重大变更申请;3.2.6 负责监督管理公司信息化项目实施、验收等过程;3.2.7 负责审核发布公司网络、数据中心等信息化基础资源管理的标准和规范;3.2.8 负责公司信息安全工作的监督和检查;3.2.9 负责公司信息系统运行维护工作的指导、监督和检查;3.2.10 负责信息化工作考核与表彰。
企业内部信息沟通控制程序(doc 5页)信息沟通控制程序1、目的为了及时、准确地收集、传递及反馈有关信息,作好信息的收集、管理,特制定本程序。
2、适用范围适用于公司内部信息的沟通与处理,以及与外部各方的信息交流。
3、职责3.1质管部负责统筹公司对内、对外、与质量有关信息的编制、传递与处理;负责建立信息库,保存和管理相关信息。
3.2销售总部营销负责营销、市场、媒体等相关信息的收集、处理、保存和管理。
3.3供应部、检验部、法务部、总裁办等部门负责对应相关方信息的收集。
3.4 各部门负责工作范围内信息的传递与沟通。
3.5总务部、检验部、销售总部负责紧急信息的处理4、工作程序4.1 信息的分类4.1.1外部信息包括:a.质量技术监督局、商检局、卫生防疫站、公证行、认证机构等检测或检查的结果及反馈的信息。
b.政策法规标准类信息,如质量法律、法规、条例、产品标准等;c.相关方(顾客、供方、计量单位、媒体等)反馈的信息及其投诉等;d.其他外部信息(包括科研机构、大专院校等),如各部程序》。
4.2.1.4供应部(国际业务部)负责与原辅材料供应商进行信息沟通控制程序信息沟通,对其提供的产品质量施加影响;4.2.1.5研发中心、总裁办负责与上级主管部门沟通;4.2.1.6销售服务中心负责顾客的信息沟通,以满足顾客各方面的要求,提供改进产品建议;4.2.1.7法务部负责与相关法律部门沟通信息;4.2.1.8市场部负责与媒体的信息沟通,了解行业、市场及广告等相关信息。
4.2.1.9营销信息处理中心负责收集、处理销售、市场信息,包括行业动态、竞品动态等,组织调查各区域的销售市场状况,并收集整理归档;对于上述各部门相关的投诉处理详见《纠正和预防措施控制程序》。
对方有要求时,应在五个工作日内给予解决或答复;上述相关部门反馈的其他信息,可由对应部门以“信息联络处理单”的形式传递给质管部组织处理。
4.2.1.10各部门直接从外部直接获取的其它类信息,如质量改进技术,质量管理信息等,在五个工作日之内以“信息联络处理单”反馈到质管部,由其负责分类、整理,根据需要传递到相关部门。
信息管理规章制度
第一条为了规范信息管理工作,保护信息安全,提高信息利用效率,制定本规章制度。
第二条信息管理工作范围包括但不限于,信息采集、存储、传输、处理、利用和销毁等环节。
第三条信息管理工作必须遵循以下原则,合法、合规、安全、保密、高效。
第四条信息管理工作应当建立健全信息安全保障体系,包括信息安全政策、信息安全管理制度、信息安全技术措施等。
第五条信息管理工作应当建立健全信息使用管理制度,包括信息使用权限管理、信息使用审批流程、信息使用记录管理等。
第六条信息管理工作应当建立健全信息保密管理制度,包括信息保密等级划分、信息保密措施、信息保密责任等。
第七条信息管理工作应当建立健全信息备份和恢复制度,确保
信息安全和完整性。
第八条信息管理工作应当建立健全信息销毁制度,包括信息销毁审批、信息销毁方式、信息销毁记录等。
第九条信息管理工作应当建立健全信息安全意识培训制度,提高全员信息安全意识和保密意识。
第十条信息管理工作应当建立健全信息管理责任制度,明确信息管理工作的责任主体和责任范围。
第十一条信息管理工作应当建立健全信息管理监督检查制度,加强对信息管理工作的监督和检查。
第十二条违反本规章制度的,将依据公司相关规定给予相应的处罚。
第十三条本规章制度自发布之日起生效。
信息管理控制程序(QC080000:2012 & ISO9001:2015)1.0 目的确保将客户提供有关产品环境品质方面的信息传达到公司内部的各个阶层。
2.0 适用范围本公司有关产品环境品质要求的客户的信息的传达。
3.0 职责3.1 销售部负责收集客户提供的产品环境品质方面的相关资料;3.2 行政人事部负责整理、发放、传达相关环境品质资料;3.3 各相关部门负责存档、执行确保环境品质的各项任务。
4.0 程序4.1 销售部将客户提供的产品环境保证方面的相关资料整理、收集交品管部存档。
4.2 品管部将销售部提供的产品环境资料依《外来文件管理规定》做记录保存。
并根据需分发执行部门做好外来文件的发放记录。
确保使用部门文件为最新适用之版本,并将作废文件回收。
4.3 相关文件的各部门经理须熟悉文件并将文件的执行要点给相应的操作员工作好培训(依照《能力、培训、意识控制程序》执行)。
4.4 当进料发现产品环境品质不合格时,IQC需依照《不合格品处理程序》执行,品质部经理需上报总经理及采购部对不合格来料做退货处理。
4.5 当生产过程中因混料和其它原因导致产品的环境品质不合格时,操作工需将产品隔离摆放、做好标识,并及时报告部门经理,部门经理将信息汇报总经理,总经理第一时间召集相关部门经理讨论问题发生的原因,并制定相应的改善对策,由品管部对改善对策的效果进行跟踪,并将根据结果汇报总经理。
4.6 销售部将产品的问题及时反馈给客户,说明原因,重新补货送给客户。
4.7 当原材料和辅料在生产使用中发现不符合产品环境品质,生产部经理需上报总经理,总经理召集相关部门经理商讨处理对策,储运部需将不合格的材料做好标识隔离存放,采购部通知供应商处理。
并做改善措施。
4.8 品管部会同生产部追溯不合格材料投入生产的客户的产品,对于已交付客户使用的产品将问题及时反馈给销售部人员,由销售部人员开出《异常情况联络书》通知客户停止使用,与客户协商解决办法,已做出未交付的在库产品需做好标识并隔离存放。
信息系统权限管理制度为了医院信息管理系统数据的安全管理,避免操作权限失控,并防止一些用户利用取得的权限进行不正确的操作,特制定医院信息管理系统权限管理制度,对各科室工作人员操作医院信息管理系统进行严格的管理,并按照各用户的身份对用户的访问权限进行严格的控制,保证我院信息管理系统的正常运转,特制定本管理制度。
一、总则1.1用户帐号:登录信息系统需要有用户帐号,相当于身份标识,用户帐号采用人员工号的编排,规则如下:(1)采用员工工号编排。
工号以人事部按顺序规定往后编排提供信息科。
1.2密码:为保护信息安全而对用户帐号进行验证的唯一口令。
1.3权限:指在信息系统中某一用户的访问级别和权利,包括所能够执行的操作及所能访问的数据。
二、职责与分工2.1职能部门:(1)权限所有部门:负责某一个模块的权限管理和该模块的数据安全;a.财务处负责财务收费系统和部分资产系统权限;b.护理部负责病区护士管理系统权限;c.医务部负责医生工作站管理系统的权限;(2)负责指定一个部门权限负责人(建议为科室负责人),对涉及本部门负责权限的新增,变更,注销进行签字审批;(3)本部门人员申请本部门负责权限,需要部门权限负责人签批,签批后由系统管理员设置;2.2单位权限负责人(1)负责签批部门间的权限的授予;(2)负责对信息系统用户帐号及密码安全进行不定期抽查;2.3系统管理员(1)负责根据信息系统用户新增\异动\离职记录表在系统中设置用户权限;(2)负责维护本单位用户和权限清单;(3)遵守职业道德,接受部门权限负责人和单位权限负责人的抽查。
三、用户帐号及密码管理3.1密码设置及更改:(1)第一次登录信息系统时,用户必须更改信息系统密码;(2)为避免帐号被盗用,密码长度不小于六位,建议数字与字母结合使用;(3)建议每____天或更短时间内需要重新设定密码;(4)对于用户忘记密码的情况,需要按照新用户申请流程处理。
3.2帐号与密码保管:(1)密码不可告知他人,用户帐号不可转借他人使用;(2)信息系统用户因离岗或转岗,所拥有的系统用户权限需相应变更时,需在将有本部门权限负责人签字确认并到信息部办理手续;系统管理员对离岗或异动的帐号进行注销并签字;人事科在见到系统管理员签字后方可办理离岗或异动手续。
安全信息管理程序1目的为了满足CCAR-121、CCAR-145、CCAR-396等规章以及安全管理体系(SMS)标准的要求,加强和规范公司安全信息的管理,保证公司及时掌握安全生产运行动态,以评估风险控制措施的有效性、质量安全管理体系的有效性,充分利用安全信息以预防、控制和消除安全隐患。
2适用范围本程序适用于公司安全信息的收集、分析、处理和利用及通报。
3 术语和定义3.1安全信息:指与飞行事故、航空地面事故、飞行事故征候和其他不安全事件有关的信息,以及飞行运行、运行控制、维修、客舱、地面服务、货运、培训等安全过程中存在或面临的与安全相关的差错、漏洞或隐患信息。
4职责4.1安运部:负责建立和完善安全信息管理制度,并对收集到的各类安全信息进行整理、分析、处理、发布、利用和归档。
4.1安全总监:负责审批公司需要发布和上报的安全信息。
4.2各相关单位/员工:负责收集和上报生产运行过程中的安全信息,协助、参与或组织各类安全信息的调查、分析和处理,并利用安全信息开展新危险源识别、纠正预防措施制定、安全宣传教育等工作,持续改进安全管理工作。
5工作程序5.1安全信息的收集1)安全信息的种类:a)内部:各部门在按照公司质量安全体系管理手册和相关要求开展业务工作过程中收集到的安全信息,分为:不安全事件报告、不安全事件举报、员工安全报告、运行过程(飞行运行、运行控制、维修、客舱、地面服务、货运、培训等)中存在或面临的与安全相关的差错、漏洞或隐患信息;公司内部审核评估与安全监察、部门内部审核/监察中发现的安全问题等。
b)外部:局方、政府、飞机制造商、协议代理人、客户、供应商和其他航空公司发布的与安全有关的信息等。
2)安全信息获取和方式:安运部负责安全信息的收集、整理和评估,包括但不限于以下程序和方式:《安全信息上报与通报程序》、《航空不安全事件举报处理程序》、《员工安全报告和反馈管理程序》、《飞行品质监控管理程序》、《危险品安全运行管理程序》、《安全检查工作程序》、《运行合格审定程序》、《运行监督检查工作程序》、《内部质量审核控制程序》、《运行质量管理协调会组织程序》、《安委会月度例会组织程序》等程序,以及接收内外部各类安全信息文件、持续收集并整理局方和总部发布的各类安全经验教训,及国内外各航空公司发生的典型不安全事件等方式。
信息发布审批管理制度第一章总则第一条为规范和统一信息发布审批管理工作,保障信息发布工作的科学性、及时性和准确性,提高信息发布质量和效率,便于各单位和人员进行信息传达与沟通,根据法律法规和相关规定,制定本制度。
第二条本制度适用于所有单位和人员在工作中的信息发布审批管理工作。
第三条信息发布审批管理是指单位和人员在进行信息发布前,需要经过审批程序,确保信息的真实性、有效性和合法性。
第四条信息发布审批管理应当坚持依法、科学、规范、及时的原则,加强信息发布工作的组织、协调和监督。
第五条信息发布审批管理应当加强信息发布工作的科学研究和调查研究,提高信息发布工作的质量和效率。
第六条信息发布审批管理应当建立健全信息发布工作的质量评估机制,完善信息发布工作的监督和反馈机制。
第七条信息发布审批管理应当加强信息发布工作的培训和教育,提高信息发布工作的专业水平和业务水平。
第八条本制度由单位负责信息发布审批管理工作负责人负责执行,相关责任人负责具体实施。
第二章信息发布审批管理程序第九条信息发布审批程序分为常规审批和特殊审批两种。
第十条常规审批是指单位和人员进行信息发布前,需要按照规定的程序进行审批。
第十一条常规审批程序包括信息发布申请、审批提交、审批审核、审批批准、信息发布等环节。
第十二条信息发布申请人应当按照规定的要求填写信息发布申请表,并提交相关资料。
第十三条信息发布审批人应当对信息发布申请进行审核,确保其符合法律法规和相关规定。
第十四条信息发布审批人应当在规定的时间内对信息发布申请进行批准或者驳回,并将结果通知申请人。
第十五条特殊审批是指在紧急情况下,需要进行特殊审批的情况。
第十六条特殊审批程序包括信息发布紧急报批、特殊审批、信息发布等环节。
第十七条信息发布紧急报批应当由信息发布负责人提出,经过信息发布审批人审核后,进行特殊审批。
第十八条特殊审批应当在规定的时间内完成,并将结果通知相关单位和人员。
第十九条信息发布审批结果应当及时记录并归档,备查查阅。
信息管理控制程序(IATF16949-2016、ISO9001-2015、ISO14001-2015)1.目的1.1本程序确定公司信息的范围、来源并通过分析使用公司信息,为公司短期和长期决策提供依据,规定了公司日常运行中产生的内部和外部质量/环境/职业健康安全信息的交流渠道和处理程序,保持质量/环境/职业健康安全信息交流畅通。
2.范围2.1本规定适用于DXC所有信息的管理。
3.定义3.1质量信息:反映公司质量趋势和运行能力的(包括竞争对手的)有关指标、数值和资料。
3.2内部环境/职业健康安全信息:指本公司环境/职业健康安全管理体系运行过程中各层次与职能部门之间的信息。
部门间的日常联络、指令、常规报表,各种信息通报、各部门间的行文、工作进展及完成情况等。
3.3 外部环境/职业健康安全信息:指各类相关方的信息,相关方包括有关政府机构、供应商、采购方、社会公众等。
4.职责4.1总经理室是公司信息分析、使用的主要部门。
4.2各部门负责相应业务范围内的内部和外部信息交流,相关数据和资料的收集、提供、分析和使用。
负责并配合质量部做好环境/职业健康安全信息的处理工作。
4.3质量部:负责本公司内部以及顾客质量、环境/职业健康安全信息的接受、记录、传递、交流与管理。
4.4制造部:负责外部相关方环境信息的接受、记录、传递与管理。
4.5人事部:负责员工职业健康安全信息的处理。
4.6管理者代表:负责会同相关部门处理相关方的投诉。
4.7员工代表:负责了解、收集一线员工关于职业健康安全方面的建议、要求及其他信息,并与管理层沟通,及时反馈给员工;另外,还参加有关职业健康安全方面的会议及讨论,参加事故调查。
5.内容5.1公司信息种类和内容:公司信息包括内部质量信息、外部质量信息、内部环境/职业健康安全信息和外部环境/职业健康安全信息。
5.1.1内部质量信息包括:(1)公司质量方针、质量目标;(2)公司的各项质量指标(具体参见《MEQ指导书》);(3)项目开发进展情况;(4)业务计划的达成情况;(5)供应商业绩监控;(6)各项审核信息(内部过程/项目/体系审核、管理评审、供应商审核、第二方/第三方审核);(7)纠正与预防、持续改进信息;(8)制造能力、量具能力、设备能力、资源需求等。
(完整版)信息技术控制程序(质量体系文件)1. 引言该文档旨在规定公司的信息技术控制程序,以确保信息系统的安全和质量。
本控制程序是公司质量体系文件的一部分,适用于所有与信息技术相关的活动。
2. 范围本控制程序适用于公司内所有的信息技术系统和数据管理活动。
包括但不限于:硬件设备管理、软件开发和维护、数据备份和恢复、网络安全等方面。
3. 目标本控制程序的目标如下:- 确保信息技术的安全、可靠和可用性。
- 防止未经授权的访问、使用或披露公司的敏感信息。
- 保护公司的信息资产免受恶意软件、病毒或其他威胁的侵害。
- 确保信息技术系统和数据的完整性和准确性。
- 遵守相关法律法规和合同义务。
4. 责任和职责4.1 高级管理层高级管理层应确保资源充足,支持和推动信息技术控制程序的实施和执行。
他们应对信息技术风险进行评估,并定期审查信息技术控制程序的有效性。
4.2 信息技术部门信息技术部门应负责实施和维护信息技术控制程序。
他们应进行必要的系统和网络保护措施,包括但不限于:访问控制、身份验证、加密和审计等。
4.3 所有员工所有员工应遵守公司的信息保护政策和规定。
他们应妥善使用和保护信息系统,避免泄露敏感信息,并及时报告任何安全事件或漏洞。
5. 实施和执行5.1 审查和改进定期对信息技术控制程序进行评估和审查,并根据评估结果进行改进。
确保控制程序与最新的技术和安全标准保持一致。
5.2 培训和意识提升为所有员工提供相关的信息安全培训和意识提升活动。
帮助员工了解信息技术控制的重要性,增强他们的安全意识和行为准则。
5.3 事件响应建立适当的事件响应机制,包括预案制定、演练和响应流程等。
在出现安全事件或漏洞时,及时采取措施进行处置和修复。
6. 监督和检查定期进行内部和外部的信息技术控制审计。
确保控制程序的有效性和合规性,并及时纠正发现的问题和不合规行为。
7. 文档控制本控制程序的修改和更新应在公司的质量体系文件管理程序下进行,并确保控制程序的版本控制和备份。
1 目的
为了及时、准确地收集、传递和反馈公司有关QHSE管理体系方面的内外部
信息,规范信息管理工作,确保体系的有效运行,特制定本程序。
2 范围
本程序规定了公司内外部信息的收集、传递、处理和交流方式等。
本程序适用于公司相关职能部门、分公司及事业部。
3 职责与权限
3.1公司质量安全部
负责本程序的归口管理,负责公司质量、健康、安全和环保信息的收集、传
递与处理。
3.2公司其他职能部门
行政管理部、市场营销部、物资装备部等有关部门负责与本部门业务相关的
涉及QHSE活动相关的内、外部信息的收集、传递和处理。
3.3分公司
各分公司负责工作范围内与QHSE活动相关的信息的收集、传递和处理。
3.4事业部
负责建立本事业部的《信息管理办法》,进行与QHSE活动相关的信息的收
集、传递、和处理。
4 管理程序
4.1 信息的种类
4.1.1 内部信息
公司内部QHSE信息包括:
1)公司的理念,QHSE方针、目标(包括事业部的目标);
2)公司QHSE管理体系、服务过程和产品方面的信息,包括人员状况方面的信息,风险管理和环境管理方面的信息,设备和工作环境方面的信息;
3)内部员工的经验交流和合理化建议等;
4)各种证据性和结论性信息,包括监视和测量记录、内审报告、管理评审报告、风险和环境评估报告、目标完成情况报告、顾客满意度测量报告
等;
5)事故、事件和不符合方面的信息(包括纠正预防措施信息)。
4.1.2 外部信息
外部信息可包括:
1)政府部门、上级主管部门发布的有关质量、健康安全和环保的政策法规、标准、规范和指导性技术文件;
2)国家和地方质量、健康安全和环保管理部门、认证审核机构等监测或检查的结果及反馈的信息;
3)来自外部相关方反馈的QHSE信息及其投诉意见等,包括顾客、供方、合作方、以及与健康安全环保有关的社会各界。
4.2 信息的收集、传递和处理
各事业部根据本程序的要求建立并实施《信息管理办法》,对QHSE信息的收
集、传递和处理进行控制。
公司市场方面的信息按《市场信息管理规定》进
行收集和处理。
公司及分公司其他方面的信息的收集、传递和处理按如下程
序进行。
4.2.1 内部信息
4.2.1.1 公司质量安全部按照相应程序文件的规定收集来自各部门、分公司和事业部
的QHSE信息,对得到的信息进行分析并及时传递,对于需要纳入公司QHSE
体系的信息,按照《文件资料及记录控制程序》执行。
质量安全部向各部门、
分公司和事业部传递公司QHSE文件资料、相关记录和报告等。
如QHSE方
针、安全目标和指标、内审和管理评审结果。
4.2.1.2各部门收集来自公司质量安全部、分公司和事业部的相关信息,对信息进行
分析并及时传递,对于需要纳入公司QHSE体系的信息,按照《文件资料及
记录控制程序》执行。
4.2.1.3事业部按照本事业部的《信息管理办法》收集、分析和处理相关的QHSE信
息。
4.2.1.4 有关重大事故、事件或紧急情况的信息按照公司《应急手册》执行。
4.2.2 外部信息
4.2.2.1 公司质量安全部负责收集政府部门、上级主管部门发布的有关质量、健康安
全和环保的政策法规、标准、规范和指导性技术文件,公司质量安全部对得
到的上述信息进行分析,对于适合我公司的信息,按照公司有关文件发放规
定发放至各相关部门、分公司和事业部,并对下发文件的落实和执行情况进
行跟踪。
质量安全部应随时跟踪上述法规标准等的变化,及时更新,以保证
其有效性。
4.2.2.2 公司质量安全部负责收集国家、地方质量、健康安全和环保监督/管理部门、
认证审核机构等监测或检查的结果和反馈的信息,汇总整理后发放至公司相
关部门、分公司和事业部。
4.2.2.3 公司市场营销部、物资装备部和人力资源部分别负责与上级主管机关和与顾
客、分承包方、装备供应方、材料供方、合同方、合作方、运输方、人员市
场和劳务方等进行联络沟通,随时获取有关公司产品质量、服务质量、合同
管理、装备管理、人员管理、健康管理及安全环保方面的信息和反馈意见。
4.2.2.4 应特别关注顾客投诉和抱怨,公司市场营销部、分公司和事业部应建立有关
投诉和抱怨处理的控制机制。
4.3 信息的交流方式
公司内、外部信息的交流方式可采用以下途径:
1)书面文字资料、报表和记录,电话和传真;
2)会议讨论和研究、例会、提案等;
3)利用内部刊物、宣传栏、网络和声像设备;
4)拜访作业者(顾客)的方式。
4.4 信息的保护、利用和更新
4.4.1 各部门、分公司和事业部应采取措施,对具有保密要求的信息进行加密或分
级审查,以确保信息的保密性和安全性。
4.4.2 公司各部门、分公司和事业部应健全收发文制度,对接受和传递的信息应在
《信息传递记录表》中予以记录或在《文件资料发放表》中记录。
4.4.3 各部门、分公司和事业部应有效地利用所收集的信息,从信息中提取必要的
数据加以分析和使用。
4.4.4 各部门、分公司和事业部应定期更新所收集的数据和信息。
4.4.5 公司将结合内审对信息的管理情况进行检查。
5 相关文件和记录
《文件资料及记录控制程序》(公司文件)
《信息传递记录表》
《文件资料发放表》
《市场信息管理规定》(公司文件)
《信息管理办法》(事业部文件)
________________________。