甲醇制氢装置工艺流程图副本
- 格式:xls
- 大小:543.00 KB
- 文档页数:24
山东海科瑞林化工有限公司3000Nm3/h甲醇转化-PSA制氢装置操作规程山东海科瑞琳化工有限公司2010年12月甲醇裂解转化部分目录1.0前言-----------------------------------------------------22.0料及产品的性格和规格-------------------------------------33.0工艺过程说明---------------------------------------------53.1 工艺过程--------------------------------------------- 53.2 化学反应原理----------------------------------------- 54.0工艺流程叙述--------------------------------------------- 65.0工艺过程主要控制指标------------------------------------- 76.0开车前期工作--------------------------------------------- 97.0操作程序------------------------------------------------- 127.1开车前的准备工作-------------------------------------- 127.2开车操作程序------------------------------------------ 127.3正常操作---------------------------------------------- 147.4催化剂的使用和保护------------------------------------ 168.0环保和安全要点-------------------------------------------- 219.0分析规程-------------------------------------------------- 2210.0安全规程-------------------------------------------------- 301.0 前言氢气广泛用于国民经济各工业部门,特别是近几年来,氢气用户急速增多,传统制氢工艺已不能满足要求。
400Nm3/h甲醇制氢操作规程目录目录 (I)操作规程 (1)一岗位管辖及任务 (1)1.1岗位管辖围 (1)1.2岗位任务: (1)二、工艺说明及流程示意图: (1)2.1工艺说明 (1)2.2流程示意图 (4)三岗位工艺指标: (5)3.1温度指标: (5)3.2流量指标: (5)3.3压力指标:MPa (5)3.4液位: (6)3.5分析指标 (6)四:装置启动初次开车及停车后的再启动 (6)4.1管道的试漏、保压 (6)4.2催化剂的装填 (6)4.3设备、仪表的调校 (9)4.6投料启动 (10)4.7停车后再启动 (10)4.8催化剂的卸出 (12)五正常停车步骤和紧急停车: (12)5.1正常停车 (12)5.2紧急停车 (14)5.3临时停车 (14)六常见故障及处理方法: (14)6.1外界供给条件失常 (14)6.2操作失调 (15)6.3 PLC故障 (16)5.4操作注意事项 (17)七巡回检查制度: (17)八岗位责任制: (17)九设备维护保养制度: (18)十设备润滑管理制度: (19)十一安全注意事项: (19)操作规程一岗位管辖及任务1.1岗位管辖围界区所有管道、设备、阀门、电气及仪表等均属于岗位管辖围。
1.2岗位任务:利用甲醇和水的重整反应制氢,重整气组成为氢气约75%,二氧化碳约25%,还有微量的甲烷,二乙醚的等杂质,之后在通过变压吸附分离提氢,改变变压吸附(PSA)操作条件可生产不同纯度的氢气,氢气纯度最好可达99.999%以上。
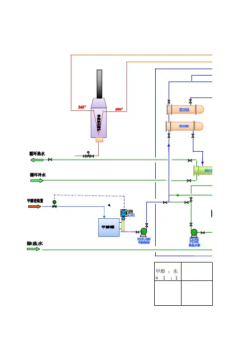
二、工艺说明及流程示意图:2.1工艺说明2.1.1重整工段甲醇进入界区后直接进入混配罐中,通过液位控制甲醇进料量,无离子水进入界区后直接进入混配罐中,通过控制液位控制无离子水进料量,两台混配罐一台陪料,一台使用。
混配罐甲醇、水混合液体能维持一个班八小时的工作用量。
混配罐中的混合液经计量泵输送到换热器中。
本工艺现场配备三台计量泵,其中一台输送混合液体,一台给水洗塔输送无离子水,另一台备用,三台泵型号、结构完全相同,开二备一。
甲醇工艺流程本装置是以焦炉气为原料,低压合成甲醇的工业装置。
主工艺路线包括焦炉气气柜、焦炉气粗脱硫、焦炉气精脱硫、纯氧转化、压缩、甲醇合成、甲醇精馏、甲醇罐区等。
工艺流程简述如下:1、气柜、焦炉气压缩首先来自焦化系统压力~7kPa的焦炉气进入脱油脱萘器,除去焦炉气中含的焦油和萘等后送入气柜缓冲后,压力~0.7kPa、温度40℃,进入焦炉气压缩机,经四级压缩压力升至2.3MPa送至精脱硫系统。
2、精脱硫、转化经综合加热炉加热至250℃进入一级加氢预转化器(一开一备)、一级加氢转化器,气体中97%的有机硫在此转化成无机硫,不饱和烃加氢成为饱和烃。
进入中温氧化锌脱硫槽(两开一备),脱去绝大部分的无机硫。
再经二级加氢转化器将残余的有机硫进行转化,最后经过中温氧化锌脱硫槽(两台)把关,使气体中的总硫达到0.1ppm以下。
出氧化锌脱硫槽的气体压力约为 2.3Mpa,温度约为380℃送往转化。
与转化余热锅炉出来的部分饱和蒸汽混合,进入综合加热炉的蒸焦预热段和蒸焦加热段加热至~650℃,然后进入纯氧转化炉上部。
来自空分的氧气温度约为100℃,压力为2.5mpa与余热锅炉过热后420℃蒸汽混合,再进入蒸氧加热段加热~300℃,最后经纯氧转化炉上部中心管烧嘴进入纯氧转化炉内与蒸焦混合气发生燃烧反应,约1400℃的高温气体进入催化剂床层进行烃类的催化蒸汽转化反应,生成主要含CO、CO2、H2的转化气。
纯氧转化炉出来的转化气温度~980℃,经转化余热锅炉产生3.9MPa中压蒸汽回收主要热量,降温至~360℃进入中压锅炉给水加热器回收热量。
然后送至甲醇精馏工序作为甲醇精馏的热源,进一步回收热量后转化气温度降至~120℃,再由脱盐水加热器回收其低位热能,最后由空冷器冷却到40℃以下,经气液分离器进一步分离冷凝液后经常温氧化锌脱硫槽脱除气体中残余的硫,为甲醇合成作最后把关。
出脱硫槽的转化气温度40℃,压力约 2.0Mpa的转化气送往合成气压缩工段。
生产能力为2800 m3/h 甲醇制氢生产装置设计、八氢气是一种重要的工业用品,它广泛用于石油、化工、建材、冶金、电子、医药、电力、轻工、气象、交通等工业部门和服务部门,由于使用要求的不同,这些部门对氢气的纯度、对所含杂质的种类和含量也有着不同的要求。
近年来随着中国改革开放的进程,随着大量高精产品的投产,对高纯氢气的需求量正在逐渐扩大。
烃类水蒸气转化制氢气是目前世界上应用最普遍的制氢方法,是由巴登苯胺公司发明并加以利用,英国ICI 公司首先实现工业化。
这种制氢方法工作压力为2.0-4.0MPa, 原料适用范围为天然气至干点小于215.6 C的石脑油。
近年来,由于转化制氢炉型的不断改进。
转化气提纯工艺的不断更新,烃类水蒸气转化制氢工艺成为目前生产氢气最经济可靠的途径。
甲醇蒸气转化制氢技术表现出很好的技术经济指标,受到许多国家的重视。
它具有以下的特点:1 、与大规模天然气、轻油蒸气转化制氢或水煤气制氢比较,投资省,能耗低。
2、与电解水制氢相比,单位氢气成本较低。
3、所用原料甲醇易得,运输储存方便。
而且由于所用的原料甲醇纯度高,不需要在净化处理,反应条件温和,流程简单,故易于操作。
4、可以做成组装式或可移动式的装置,操作方便,搬运灵活。
目录前言--------------------------------- 2目录--------------------------------- 3摘要--------------------------------- 3设计任务书----------------------------- 4第一章工艺设计--------------------------- 51.1.甲醇制氢物料衡算--------------------------------1.2.热量恒算------------------------------------第二章设备设计计算和选型:塔、换热设备、反应器--------- 82.1.解析塔的选择---------------------------------2.2.换热设备的计算与选型-----------------------------2.3.反应器的设计与选型------------------------------第三章机器选型--------------------------- 133.1.计量泵的选择--------------------------------- 153.2.离心泵的选型第四章设备布置图设计------------------------ 154.1.管子选型------------------------------------ 174.2.主要管道工艺参数汇总一览表-------------------------- 84.3.各部件的选择及管道图-----------------------------第五章管道布置设计------------------------- 165.1.选择一个单参数自动控制方案-------------------------- 215.2.换热器温度控制系统及方块图课设总结------------------------------- 28摘要本次课程设计是设计生产能力为2800m3/h 甲醇制氢生产装置。
甲醇裂解制氢含甲醇蒸汽转化和变压吸附制氢两部分甲醇、脱盐水混合后经加热汽化、过热后进入转化炉,甲醇、水蒸气在催化剂的作用下,在转化炉中完成甲醇裂解、一氧化碳变换二氧化碳二步化学反应,反应产物经换热、冷却、冷凝和水洗分离,得到含氢73%、含二氧化碳25%的转化气,甲醇单程转化率90%以上,未反应部分循环使用,转化气进入变压吸附,过程为吸附、逐级降压解吸、逐级升压、吸附,循环进行。
吸附塔数越多,氢气回收率越高。
本系统还需要一个导热油加热系统,可根据厂家不同采用不同的加热办法。
本系统为自动控制系统,在操作室内就可操作。
系统所用原料、消耗及动力、消耗情况:(以1000立方米氢气计)甲醇(0.56t)、脱盐水(0.32t)、柴油(加热导热油)(0.125t)、循环水(40t)、仪表空气(100立方米)、电(90kwh)、蒸汽(0.02t)、专用催化剂(0.2kg)、开车用氮气、开车用氢气。
主要设备有:汽化塔、过热器、转化炉、换热器、冷却器、水洗塔、循环液贮罐、甲醇中间罐、脱盐水中间罐、转化气缓冲罐、过滤器、吸附器、氢气缓冲罐、鼓风机、真空泵、进料泵、缓冲气囊、导热油加热炉。
一、氢气的物化性质••1.氢的存在••••氢是自然界分布最广的一种元素。
它在地球上主要以化合态存在于化合物中,如:水、石油、煤、天然气以及各种生物的组成中。
自然界中,水含有11%重量的氢,泥土中约含1.5%,100公里高空主要成分也是氢。
在地球表面大气中很低,约1PPM。
••2.氢气的物化性质••••1)物理参数:••••分子量:2.02;密度:0.08988克/升(0℃,1大气压);熔点:-259.19℃;沸点:-252.71℃;比热容=14.30焦/度•克;溶解度(毫升/100毫升水)=2.15(0℃),1.95(10℃),1.85(20℃),1.75(25℃),1.70(30℃),1.64(40℃),1.61(50℃),1.60(60℃);溶于乙醇:6.925毫升/100毫升。
合成甲醇工艺流程图二、气柜2、物料平衡表三、焦炉气压缩1、系统图0。
3172Mpa 140℃40℃2、物料平衡表注意: 停车时造成煤气放散30000Nm3/h2、物料平衡表原材料消耗定额及消耗量表(生产甲醇耗煤气2176 Nm3/吨)催化剂、化学品消耗定额及消耗量表三废排放量表四、转化在转化炉中焦炉气发生如下反应:2H2+O2=H2O+115。
48kcal (1) 2CH4+O2=2CO+4H2+17。
0kcal (2)CH4+H2O=CO+3H2—49。
3kcal (3)CH4+CO2=2CO+2H2—59.1kcal (4) CO+H2O=CO2+H2+9。
8kcal (5)反应最终按(5)达到平衡。
2、物料平衡表(2)危险物料特性装置危险性物料主要物性表(3)催化剂技术规格催化剂技术规格(4)物料消耗(消耗定额以吨甲醇产品计)原材料消耗定额及消耗量表动力(水、电、汽、气)消耗定额及消耗量表催化剂、吸附剂、化学品消耗定额及消耗量表三废排放量表主要节能措施:燃料气使用甲醇合成工段的弛放气,合理利用了废气。
利用转化气副产中压蒸汽,可回收热量13.85x103kw,并利用转化气预热锅炉给水和脱盐水,可回收热量12。
1x103kw,充分回收了反应热。
五、合成气压缩(汽轮机轴功率3750kw,额定功率4538kw)2、物料平衡(1)本装置(630#)为10万吨/年甲醇合成装置的合成气压缩机组,处理新鲜气量46951Nm3/h(干),循环气量259592Nm3/h,合成气出口压力为6。
0MPa(A)。
除部分接管外,整个装置由压缩机厂成套供应.合成气压缩机为离心式二合一机组,由汽轮机驱动,汽轮机为抽汽凝汽式.正常操作时无三废排放,压缩机运转产生的噪声经消音、隔离处理后可降至85dBA以下。
(2)装置危险性物料主要物性表(3)动力消耗动力(水、电、汽、气)消耗定额及消耗量主要节能措施:1、压缩机采用汽轮机驱动,减少了电力消耗.2、二级射汽抽气器用凝汽器冷凝下来的冷凝液作冷却介质,节省了循环水用量。
工艺流程简述一、总述本装置采用的是甲醇水蒸汽转化制氢技术,通过变压吸附分离(PSA )的工艺方法生产纯氢,产品氢气的含量可达到99.99%。
流程主要分为甲醇蒸汽裂解转化和变压吸附分离两部分。
二、甲醇水蒸汽转化甲醇水蒸气转化过程分为配料、汽化、反应、脱酸、水冷以及水洗等过程组成,分述如下:1.配料甲醇经流量计输送到配料罐(V01)中层容器中(配料罐由上,中,下层三个不同的容器组成),去离子水经流量计输送到去离子水罐(V02)中,配料由来自配料罐(V01)上层容器的洗涤液(来自水洗塔)和纯甲醇在配料罐(V01)的中层容器中进行,为保证反应的顺利进行,配料罐中层容器的甲醇质量浓度必须保持在50%左右。
配好的甲醇溶液由配料罐(V01)中层容器自流进入配料罐(V01)的下层容器中(使甲醇与去离子水能混合均匀)。
2.汽化原料液由配料罐(V01)下层容器经隔膜计量泵(P01)加压至约 1.1MPa(g)输送到螺旋板式换热器(E02)用脱酸反应器(R02)出口气体热量对其预热。
预热后的原料进入螺旋板式汽化器(E01)汽化成反应所需的原料气体(质量浓度为50%的甲醇-水蒸汽)。
汽化所需的热量由1.0MPa(g)的饱和蒸汽提供。
3.反应由汽化器(E01)汽化产生的原料气体进入反应器(R01),反应器中填装有双功能催化剂,甲醇-水蒸汽通过催化剂在约230℃-280℃下一次完成裂解和转化二个反应,生成氢气和二氧化碳。
反应方程式如下:()()2/5.431/8.90222223mol KJ H CO O H CO mol KJ H CO OH CH ++→+-+→ 总的反应式为:mol KJ H CO O H OH CH /3.4732223-+→+整个反应过程是吸热的。
反应器(R01)催化裂解所需的热量由导热油提供。
4.脱酸及水冷从反应器(R01)出来的反应产物进入脱酸罐(R02)。
脱酸罐中的填料可脱除裂解气中的腐蚀性物质(主要为甲酸)。
甲醇制氢工艺简介1前言氢气在工业上有着广泛的用途。
近年来,由于精细化工、蒽醌法制双氧水、粉末冶金、油脂加氢、林业品和农业品加氢、生物工程、石油炼制加氢及氢燃料清洁汽车等的迅速发展,对纯氢需求量急速增加。
对没有方便氢源的地区,如果采用传统的以石油类、天然气或煤为原料造气来分离制氢需庞大投资,“相当于半个合成氨”,只适用于大规模用户。
对中小用户电解水可方便制得氢气,但能耗很大,每立方米氢气耗电达~6度,且氢纯度不理想,杂质多,同时规模也受到限制,因此近年来许多原用电解水制氢的厂家纷纷进行技术改造,改用甲醇蒸汽转化制氢新的工艺路线。
西南化工研究设计院研究开发的甲醇蒸汽转化配变压吸附分离制氢技术为中小用户提供了一条经济实用的新工艺路线。
第一套600Nm3/h制氢装置于1993年7月在广州金珠江化学有限公司首先投产开车,在得到纯度99.99%氢气同时还得到食品级二氧化碳,该技术属国内首创,取得良好的经济效益。
此项目于93年获得化工部优秀设计二等奖、94年获广东省科技进步二等奖。
2工艺原理及其特点本工艺以来源方便的甲醇和脱盐水为原料,在220~280℃下,专用催化剂上催化转化为组成为主要含氢和二氧化碳转化气,其原理如下:主反应: CH3OH=CO+2H2 +90.7 KJ/molCO+H2O=CO2+H2 -41.2 KJ/mol总反应: CH3OH+H2O=CO2+3H2 +49.5 KJ/mol副反应: 2CH3OH=CH3OCH3+H2O -24.9 KJ/molCO+3H2=CH4+H2O -+206.3KJ/mol上述反应生成的转化气经冷却、冷凝后其组成为H2 73~74%CO2 23~24.5%CO ~1.0%CH3OH 300ppmH2O 饱和该转化气很容易用变压吸附等技术分离提取纯氢。
广州金珠江化学有限公司600Nm3/h制氢装置自93年7月投产后,因后续用户双氧水的扩产,于97年4月扩产1000Nm3/h制氢装置投产,后又扩产至1800Nm3/h,于2000年3月投产。
甲醇制氢工艺简介1前言氢气在工业上有着广泛的用途。
近年来,由于精细化工、蒽醌法制双氧水、粉末冶金、油脂加氢、林业品和农业品加氢、生物工程、石油炼制加氢及氢燃料清洁汽车等的迅速发展,对纯氢需求量急速增加。
对没有方便氢源的地区,如果采用传统的以石油类、天然气或煤为原料造气来分离制氢需庞大投资,“相当于半个合成氨”,只适用于大规模用户。
对中小用户电解水可方便制得氢气,但能耗很大,每立方米氢气耗电达~6度,且氢纯度不理想,杂质多,同时规模也受到限制,因此近年来许多原用电解水制氢的厂家纷纷进行技术改造,改用甲醇蒸汽转化制氢新的工艺路线。
西南化工研究设计院研究开发的甲醇蒸汽转化配变压吸附分离制氢技术为中小用户提供了一条经济实用的新工艺路线。
第一套600Nm3/h制氢装置于1993年7月在广州金珠江化学有限公司首先投产开车,在得到纯度99.99%氢气同时还得到食品级二氧化碳,该技术属国内首创,取得良好的经济效益。
此项目于93年获得化工部优秀设计二等奖、94年获广东省科技进步二等奖。
2工艺原理及其特点本工艺以来源方便的甲醇和脱盐水为原料,在220~280℃下,专用催化剂上催化转化为组成为主要含氢和二氧化碳转化气,其原理如下:主反应: CH3OH=CO+2H2 +90.7 KJ/molCO+H2O=CO2+H2 -41.2 KJ/mol总反应: CH3OH+H2O=CO2+3H2 +49.5 KJ/mol副反应: 2CH3OH=CH3OCH3+H2O -24.9 KJ/molCO+3H2=CH4+H2O -+206.3KJ/mol上述反应生成的转化气经冷却、冷凝后其组成为H2 73~74%CO2 23~24.5%CO ~1.0%CH3OH 300ppmH2O 饱和该转化气很容易用变压吸附等技术分离提取纯氢。
广州金珠江化学有限公司600Nm3/h制氢装置自93年7月投产后,因后续用户双氧水的扩产,于97年4月扩产1000Nm3/h制氢装置投产,后又扩产至1800Nm3/h,于2000年3月投产。
甲醇裂解—变压吸附制氢培训教材............................................................................................. ①第一章概论............................................................................................................................... ②甲醇裂解法制氢气. (12)甲醇裂解制氢含甲醇蒸汽转化和变压吸附制氢两部分 (13)甲醇裂解—变压吸附制氢培训教材目录:第一章概论第二章化石燃料制氢第一节天然气或裂解石油气制氢第三章甲醇制氢第四章变压吸附法提纯氢气第五章甲醇制氢装置介绍第一章概论氢是自然界里最轻的元素,其分子量为2.016。
在一个大气压和20℃下的密度为83.764g/m3,其液化温度大约为-253℃。
由于这种特性,如按它的能量密度算,氢是难于以适当的形式来贮存的,而且有时还要消耗很多的能量。
自然界中的氢决大多数是不以游离状态存在的,而是以化合物的形态存在,其中最为常见的是水和化石类化合物。
在工业中利用水制取氢气需要消耗大量的电能,而利用化石燃料制取氢气又会加剧自然环境的恶化。
能源与环境是人类社会可持续发展涉及的最主要问题。
地球上的化石燃料储量有限,并且其使用会造成自然环境急剧恶化,从化石燃料逐步转而利用可持续发展、无污染的非化石能源是关键所在。
氢能是理想的清洁能源之一,已引起极大重视并广泛使用。
如将氢气直接用于内燃机的燃料,可获得比一般碳氢化合物燃料更高的效率,而且还具有零污染排放的优异性能;将氢气用于氢氧燃料电池则可得到高达45%~60%的化学能-电能转化效率,而一般的内燃机的热机效率仅为15%。
由于质子交换膜燃料电池技术的突破,高效燃料电池动力车样车已陆续出现。