箱式变电站质量检验规章材料
- 格式:doc
- 大小:100.02 KB
- 文档页数:10
分部工程质量报验申请单工程名称:大唐云南恩兆山风电场工程编号:GZB-FJ23-006致北京中唐电工程咨询有限公司恩兆山项目监理部:根据施工承包合同的规定,风力发电机组安装工程FJ23-箱式变电站分部工程现已施工完毕,经项目部自检,质量符合国家标准和技术规范以及本工程设计的要求,请审查和验收。
附件:风力发电机组安装工程FJ23-箱式变电站分部工程质量验收记录施工单位(章):项目经理:日期:专业监理工程师审查意见:专业监理工程师:日期:总监理工程师意见:项目监理部(章):总监理工程师:日期:本表一式份,由承包单位填报,建设管理单位、项目监理部各一份,承包单位存份。
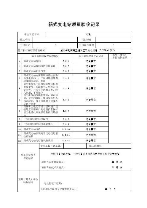
箱式变电站分部工程质量验收记录编号:GZB-FJ23-006 单位工程名称风力发电机组安装工程-FJ23施工单位葛洲坝集团第五工程有限公司大唐云南恩兆山风电场项目部技术部门负责人柳军质量部门负责人郑会勇分包单位/ 分包单位负责人/ 分包技术负责人/序号分项工程名称检验批数施工单位检查结果监理单位验收意见1 箱变、电缆分接箱测量放样 22 箱变、电缆分接箱土石方开挖 23 箱变、电缆分接箱垫层 64 箱变、电缆分接箱钢筋 45 箱变、电缆分接箱模板 66 箱变、电缆分接箱基础混凝土 67 箱变安装 28 箱变试运行 19 箱变、电缆分接箱保护810 箱变、电缆分接箱操作平台 4质量控制资料安全和功能检验(检测)报告/ / 观感质量验收(综合评价)验收结论监理(建设)单位年月日设计单位年月日勘察单位年月日施工单位年月日分包单位/年月日注1:除地基基础分部外,勘察单位可不参加;注2:“混凝土结构实体检验”一栏非混凝土结构不填。
工程名称:大唐云南恩兆山风电场工程编号:GZB-FJ23-006-001致北京中唐电工程咨询有限公司恩兆山项目监理部:根据施工承包合同的规定,箱变基础测量放样分项工程现已施工完毕,经项目部自检,质量符合国家标准和技术规范以及本工程设计的要求,请审查和验收。
验)高/低压预装式变电站(欧式箱变)技术规范箱变试3.1 技术参数3.1.1 系统额定电压: 10kV ,最高电压: 12 kV ;3.1.2 变压器高压侧额定电压:城市变或靠近电源侧宜选 10.5 土 5%kV ,远离电源侧或农村变宜选 10 土 5%kV ;低压侧额定电压: 0.4 kV 。
3.1.3 额定频率: 50Hz3.1.4 额定热稳定电流及时间( kA/s ):高压回路 20kA/3 低压回路 30kA/1 ;接地回路20kA/3 。
3.1.5 额定动稳定电流及时间(峰值, kA ):高压回路 50 ;低压回路 63 ;接地回路 36 ;3.1.6 工频耐压 (kV) :高压回路 42 ;高压断口 48 ;低压回路 2.5 ;变压器 35 ;控制与辅助回路: 2.0 。
3.1.7 雷电冲击耐压 (kV) :高压回路 75 ;高压断口 85 ;低压回路 6 。
3.1.8 噪音水平:变压器容量 1250kVA 以内不大于 50dB 。
(除特别注明外)3.1 . 9 箱壳防护等级:不低于 IP3X ;箱体颜色军绿(除特别注明外)。
3.10 允许温升高压设备的允许温升值见 GB/T11022-1999 规定;变压器的允许温升值见 GB1094 或 GB6450 规定;低压设备的允许温升值见 GB7251 规定;3.11 1000kVA 及以下变压器采用高压负荷开关 - 熔丝保护, 1250kVA 及以上变压器采用高压断路器保护。
3.12 最大允许尺寸(深×宽×高: mm ): 630kVA 及以下变压器终端型3200 × 2000 × 2500 ,环网型3200 × 2500 × 2500 ; 1250 - 8000kVA 变压器终端型 3400 × 2300 × 2600 ,环网型3400 × 2700 × 2600 。
预装式箱式变电站检验规程箱式变电站外形检查4.1 箱体成型后,应符合图纸要求,几何误差见下表。
表1对角线误差(单位:mm)表2外形尺寸及允许偏差(单位:mm)4.2 箱式变电站的所有开孔应按图纸要求和《冷加工通用工艺规程》(编号:DY-01-GY )进行并满足箱式变电站自身结构及使用要求。
4.3 箱式变电站的骨架应按《焊接通用规程》(编号:DY-02-GY )进行,框架焊接要牢固,不得漏焊,焊缝平整光洁、没有焊穿裂缝、溅渣气孔4.3.1 吊柱是箱式变电站工艺重点,必须焊接牢固,焊口要有一定深度焊口焊满突出、不得有溅渣,以防在起吊过程中脱落。
4.4 箱式变电站的箱体、柜体及其零部件的金属表面的涂覆加工工艺应按《喷涂工艺规程》进行,在柜体和箱体一米处观察不应有明显的色差和反光。
4.5 组装式箱式变电站,对接处的立缝,水平公差值应一致,连接孔偏差应不大于1mm,对接处应能保持整体性能。
4.6 变压器室内应对母线、电缆连接洞口进行封堵,达到防误入、防鼠、防火的要求。
5 高、低压配电装置的检查5.1 一般检查5.1.1 箱式变电站的供配电系统应正确并符合设计要求,图纸产品保持一致。
5.1.2 所有电器设备及部件、元器件要符合图纸及相关技术要求的规定。
5.1.3 箱式变电站的供配电系统应正确并符合设计要求,图纸产品保持一致。
5.1.4 高、低压成套开关柜、低压成套无功功率补偿装置的导线截面和颜色、母线的制作应符合《大线制作通用工艺规程》(编号:DY-05-GY )、《二次线配置通用工艺规程》(编号:DY-07-GY )和《母线制作通用工艺规程》(编号: DY-06-GY )的要求。
5.1.5各电路导线端头的标识应与提供的原理图、接线图相一致5.1.6 计量柜的计量互感器、电度表等必须按供电部门的验收要求备案,同时计量柜的铅封或明挂锁扣必须安全可靠。
5.1.7 所用变压器规格、型号符合设计要求,安装符合规范及制造厂要求;油浸式变压器附件完好无损,变压器无渗漏油、油位正常,无锈蚀,油漆完好,相位标志正确;手动调压装置正常;所有密封良好,瓷件无损伤、裂纹。
产品出厂检验1.目的本办法规定了产品出厂的检验办法,为产品质量提供保证。
2.适用范围本规定适用于公司高低压开关柜及箱式变电站等产品的出厂检验。
3.职责本办法质检部监督、实施,各有关部门配合。
4.注意事项4.1 测试前,测试人员应熟悉被检产品的技术条件,各测试项目的具体要求及测试方法;4.2 检查所需测试设备是否完好(应有合格证),确认其在使用期限方可使用。
4.3 检测时应有两人在场,一人操作,另一人监护,防止意外发生。
4.4 应做好测试记录。
5.工作程序5.1 一般检查开关柜的一般检查,内容主要是检查开关柜所安装的测量仪表及电器设备等,是否符合设计图样要求,是否有出厂检验合格证或相应的标记,检查安装质量检查联锁装置,母线连接,二次配线等是否符合要求,根据成品的复杂程度,可能必要的检查接线,必要时进行通电操作试验。
5.2 机械和电气操作试验5.2.1装置在出厂时都要进行机械操作试验,以保证装置的装配质量和电气元件动作的正确性和接线的可靠性。
5.2.2机械操作试验装置中所有手动操作部件,如主要开关隔离开关等的操作手柄,都应操作5次,而无异常现象出现。
具体规定如下表:5.2.3电气操作试验按装置的电气原理图要求,应进行模似动作试验,试验结果应符合设计要求。
所有二次回路接线应准确,连接可靠,操作机构及传动装置应操作灵活,机械或电气安全联锁装置动作应正确、可靠。
5.3 介电强度试验5.3.1介电强度试验是验证装置各部分的绝缘性是否满足装置所绘出的额定绝缘等级的要求,应根据各电路的额定绝缘电压分别进行试验。
5.3.2 试验时应将那些不能耐受这种试验电压的电器元件(如电子设备、电容器等)从电路中拆除。
5.3.3各等级试验电压如下:低压柜耐压检验:A,主回路2.5KV, 1Min 无闪络B,辅助回路0.5KV, 1Min 无闪络35KV高压柜耐压试验:主回路工频耐压试验:95kV/1min(相间、对地)118kV/1min(断口)无击穿、闪络现象.辅助回路工频耐压试验: 2.5 kV /1s无击穿、闪络现象。
编号:Q/×××箱式变电站检验作业指导书编写:年月日审核:年月日批准:年月日试验负责人:试验日期年月日时至年月日时湖北同益电力科技有限公司品质管理部1适用范围本作业指导书适用于本公司生产的ZBW-12/0.4型箱式变电站的出厂检验和试验。
2规范性引用文件下列标准及技术资料所包含的条文,通过在本作业指导书中引用,而构成为本作业指导书的条文。
本作业指导书出版时,所有版本均为有效。
所有标准及技术资料都会被修订,使用本作业指导书的各方应探讨使用下列标准及技术资料最新版本的可能性。
2.0 湖北同益电力科技有限公司品质管理部安全生产实施细则-2010.52.1 GB/T17467 高压/低压预装式变电站2.2 GB3906-2006、GB7251.1-2005以及本公司高、低压成套开关设备工艺指导书进行2.3 变压器的各项试验按照GB1094-1996、2003、2008,GB6451-2008,GB1094.11-2007进行3试验前准备工作安排3.1准备工作√序号内容标准责任人备注1 确定试验项目,由工作负责人组织检验人员学习作业指导书试验项目符合相关规程、规定、规范、标准、技术协议2 准备试验用仪器、仪表、工器具及材料仪器、仪表经过校验,在校验有效期内,具有校验报告,状况良好3.2人员要求√序号内容责任人备注1 作业人员应身体健康、精神状态良好2 作业人员必须经过专业及安全培训,并经测试合格3 作业人员要求穿工作服、绝缘鞋,戴安全帽3.3仪器仪表和工具√序号名称型号及编号单位数量备注1 温湿度计只 1 误差±0.1℃、1%HR2 兆欧表台 1 2500V高低压开关柜综合试3武汉得威套 1 精度:电压0.5.电流0.5 验台4 数字万用表FLUKE 块 1 美国原装进口5 耐压仪ZC2670C 台 1 0-5kV6 接地电阻测试仪CC2520 台 1 10A7 高压验电器个 1 10 kV8 试验导线根若干 2.5mm29 导、地线根若干 6.0 mm210 安全帽个 1 吊装时11 放电棒根 1 充分放电12 直尺把 1 0.8米13 钢卷尺把 1 0-5米14 塞尺套10.1毫米15 试指套 116 角尺把 1 0.5米17 力矩扳手把 1 0-150N.M18 卡尺把 1 0-200毫米19 交流耐压设备套 1 0-50kV,油浸式3.4危险点分析√序号内容1 作业人员进入试验区不戴安全帽,不穿绝缘鞋可能会发生人员伤害事故2 作业人员可能会发生和带电设备保持距离不够情况3 试验区不设安全围栏,会使非试验人员进入试验场地,造成触电4 进行绝缘电阻测量后不对试品充分放电,会发生电击5 加压时无人监护,可能会造成误加压或非试验人员误入试验场地,造成触电6 升压过程不实行呼唱制度,会造成人员触电7 吊装作业可能会发生高空坠物或瓷件损坏或人员伤害事故8 试验设备接地不好,可能会对试验人员造成伤害9 变更试验接线,不断开电源,可能会对试验人员造成伤害。
验)高/低压预装式变电站(欧式箱变)技术规范箱变试3.1 技术参数3.1.1 系统额定电压: 10kV ,最高电压: 12 kV ;3.1.2 变压器高压侧额定电压:城市变或靠近电源侧宜选 10.5 土 5%kV ,远离电源侧或农村变宜选 10 土 5%kV ;低压侧额定电压: 0.4 kV 。
3.1.3 额定频率: 50Hz3.1.4 额定热稳定电流及时间( kA/s ):高压回路 20kA/3 低压回路 30kA/1 ;接地回路20kA/3 。
3.1.5 额定动稳定电流及时间(峰值, kA ):高压回路 50 ;低压回路 63 ;接地回路 36 ;3.1.6 工频耐压 (kV) :高压回路 42 ;高压断口 48 ;低压回路 2.5 ;变压器 35 ;控制与辅助回路: 2.0 。
3.1.7 雷电冲击耐压 (kV) :高压回路 75 ;高压断口 85 ;低压回路 6 。
3.1.8 噪音水平:变压器容量 1250kVA 以内不大于 50dB 。
(除特别注明外)3.1 . 9 箱壳防护等级:不低于 IP3X ;箱体颜色军绿(除特别注明外)。
3.10 允许温升高压设备的允许温升值见 GB/T11022-1999 规定;变压器的允许温升值见 GB1094 或 GB6450 规定;低压设备的允许温升值见 GB7251 规定;3.11 1000kVA 及以下变压器采用高压负荷开关 - 熔丝保护, 1250kVA 及以上变压器采用高压断路器保护。
3.12 最大允许尺寸(深×宽×高: mm ): 630kVA 及以下变压器终端型3200 × 2000 × 2500 ,环网型3200 × 2500 × 2500 ; 1250 - 8000kVA 变压器终端型 3400 × 2300 × 2600 ,环网型3400 × 2700 × 2600 。
箱变检修作业指导书
箱变检修作业指导书
1. 箱变外观检查:对箱变进行外观检查,检查铭牌、附件是否齐全,绝缘件是否有缺损、裂纹,充油部分是否不渗漏,充气高压设备是否气压指示正常,涂层是否完整。
2. 箱变基础验收:检查箱式变电所的基础是否符合要求,对埋入基础的线、缆导管和进、出线预留孔及相关预埋件进行检查,确保基础验收合格。
3. 箱变交接试验:箱变及接地装置进行交接试验,试验报告合格后才能通电。
4. 资料和文件准备:在验收时应提交产品合格证、产品出厂技术文件、出厂试验报告单、安装使用说明书、设备、材料进货检查记录、交接试验报告单、安装自互检记录、设计变更洽商记录试运行记录等资料和文件。
5. 箱变维修:箱变进行维修时,应根据设备故障情况进行分析,制定维修方案,对维修后进行测试,确保设备正常运行。
6. 箱变保养:定期进行箱变保养,检查设备运行情况,清洁设备表面,确保设备外观整洁,运行正常。
7. 安全注意事项:在箱变检修过程中,应注意安全,佩戴个人防护装备,遵守现场安全操作规程,确保检修过程安全顺利进行。
箱变生产检验一、总则:1.1箱变依据下列标准进行设计与制造GB17467-2010《高压/低压预装式变电站》的标准。
SD320-1992《箱式变电站技术条件》1.2使用环境条件:1.2.1海拔高度不超过1000m。
1.2.2环境温度-25~+40℃。
1.2.3风速不大于35m/s。
1.2.4在安装地点没有对设备导体和绝缘有严重影响的气体、蒸汽或其他化学腐蚀物质存在,地面倾斜度不超过5°。
1.3组合式箱式变电站中的各种电器设备应分别符合相应的国家(或部)标准二、额定参数2.1额定电压应符合GB156-80“电气设备额定电压”的规定。
2.1.1高压侧额定电压和最高工作电压:10kv 11.5kV。
2.1.2低压侧额定电压(v)∶4002.1.3 10千伏配电网中性点经小电阻接地。
2.2额定电流2.2.1高压配电装置额定电流(A):630A2.2.2低压配电装置总母线、总开关额定电流(A)∶3200A(2000KVA)、2.2.3低压分支额定电流(A)∶依据具体设计图纸2.2.4高压配电装置动、热稳定电流(kA)∶252.3变压器额定容量∶见设计图纸。
三、箱变主要技术条件箱变安装在室外场所。
高压室、低压室内有操作走廊,宽度应分别大于1.0m、0.8m,变压器室内各侧检修距离大于0.3m,各操作检修走廊均铺设10mm厚橡胶绝缘踏步。
箱变尺寸不能小于规定尺寸。
箱变基础底板采用槽钢构成主结构,其它部分也应采用不同标号的槽钢,同时对基础底板的荷载进行计算。
3.1变压器3.1.1设备名称:10千伏三相油浸式全密封无励磁配电变压器。
3.1.2型号:S11-M3.1.3额定容量按设计、招标书要求执行。
3.1.4额定电压:依据供电公司标准。
3.1.5联结组标号: D,ynll3.1.6变压器高压端头采用肘型绝缘头。
变压器与真空断路器之间的电缆采用截面积不低于120平方毫米的高压铜芯交联聚乙烯电缆,变压器低压端头至低压母线之间的导体须进行绝缘处理。
箱变巡检的规章制度第一章总则第一条为了保障电力设备的安全运行,确保供电可靠,提高电力设备的使用寿命,按照国家有关规定,结合本单位特点,制定本规章制度。
第二条本规章制度适用于本单位所有的箱变设备巡检工作,所有相关人员必须严格遵守。
第三条管理有权对本规章制度进行解释,并根据实际情况不时修订。
未经批准,任何单位或个人不得擅自修改。
第二章巡检内容第四条箱变设备巡检内容包括但不限于以下几项:1.箱变外观及周围环境的观察:检查箱变外观是否有异常变化,检查周围环境是否清洁整洁。
2.箱变内部连接线路的检查:检查箱变内部的接线是否牢固,是否有松动现象。
3.箱变冷却系统的检查:检查箱变的冷却系统是否正常运行,冷却油是否充足。
4.箱变绝缘系统的检查:检查箱变绝缘系统是否完好,是否有漏电现象。
5.箱变运行参数的监测:检查箱变的运行参数是否稳定,是否符合要求。
第五条巡检人员应认真核实每一项内容,对于发现的问题及时报告并协助进行处理。
第三章巡检频率第六条箱变设备的巡检频率应按照以下要求执行:1.常规巡检:每月进行一次常规巡检,全面检查所有的巡检内容。
2.特殊巡检:按照箱变设备的实际情况,定期进行特殊巡检,如季度性、半年度性等。
3.异常巡检:发现异常情况或接到用户报修时,应立即进行异常巡检,并及时处理问题。
第七条巡检人员应严格按照巡检频率执行,不得因故障疏忽巡检。
第四章巡检记录第八条巡检人员应对每次巡检的情况进行详细记录,并填写巡检记录表。
记录内容包括但不限于巡检时间、巡检内容、发现问题、处理情况等。
第九条巡检记录表应保存至少一年以上,以备查阅。
第十条巡检记录由巡检人员及主管签字确认,如发现问题,应及时报告并协助进行处理。
第五章巡检安全第十一条巡检人员在进行巡检过程中应严格遵守安全操作规程,不得擅自操作或接近高压设备。
第十二条巡检人员应按照统一要求着装,佩戴必要的安全防护用品,并保持清醒状态,不得饮酒或嗜好。
第十三条巡检人员应保持与他人的通讯畅通,如遇紧急情况应及时报告并采取必要措施。
户内交流金属铠装移开式开关设备
出厂检验规范
WI-03
一、适用范围
本规范是依据GB 3906-2006《 3.6KV-40.5KV交流金属封闭开关设备和控制设备》而编制的。
本规范适用于本公司生产箱式变电站的出厂试验。
本规范是检验该系列产品是否符合成品出厂(入库)要求的检验依据,每批产品均需按本规范对产品进行出厂检验。
二、引用标准
GB 3906-2006《交流金属封闭开关设备和控制设备》
GB/T2828.1—2003 《计数抽样检验程序第1部分:按接收质量限(AQL)检索
的逐批检验抽样计划》
三、出厂试验
出厂试验包括例行检验和确认检验两种。
1.例行检验
例行检验作为生产过程的后续工序,其目的是检验材料、工艺和安装上有无缺陷,是否符合标准要求,所以必须对每台产品进行试验。
全检试验不合格的产品必须予以剔除,并允许进行返工后再次送检,若无法返工的则予以报废。
2.确认试验
确认检验的项目是从按GB 3906-2006所规定的项目进行随机抽样。
2.1 抽样方案
抽样试验的抽样方案按GB/T2828.1-2003《计数抽样检验程序第1部分:按接收质量限(AQL)检索的逐批检验抽样计划》的标准规定,采用一般检查水平Ⅱ级,合格质量水平AQL = 1.5 的一次正常抽样方案,并按GB/T2828.1中规定的规则进行转移。
预装式箱式变电站检验规程箱式变电站外形检查4.1箱体成型后,应符合图纸要求,几何误差见下表。
表1对角线误差(单位:mm)表2外形尺寸及允许偏差(单位:mm)4.2箱式变电站的所有开孔应按图纸要求和《冷加工通用工艺规程》(编号:DY-01-GY)进行并满足箱式变电站自身结构及使用要求。
4.3箱式变电站的骨架应按《焊接通用规程》(编号:DY-02-GY)进行,框架焊接要牢固,不得漏焊,焊缝平整光洁、没有焊穿裂缝、溅渣气孔。
4.3.1吊柱是箱式变电站工艺重点,必须焊接牢固,焊口要有一定深度焊口焊满突出、不得有溅渣,以防在起吊过程中脱落。
4.4箱式变电站的箱体、柜体及其零部件的金属表面的涂覆加工工艺应按《喷涂工艺规程》进行,在柜体和箱体一米处观察不应有明显的色差和反光。
4.5组装式箱式变电站,对接处的立缝,水平公差值应一致,连接孔偏差应不大于1mm,对接处应能保持整体性能。
4.6变压器室内应对母线、电缆连接洞口进行封堵,达到防误入、防鼠、防火的要求。
5 高、低压配电装置的检查5.1一般检查5.1.1箱式变电站的供配电系统应正确并符合设计要求,图纸产品保持一致。
5.1.2所有电器设备及部件、元器件要符合图纸及相关技术要求的规定。
5.1.3箱式变电站的供配电系统应正确并符合设计要求,图纸产品保持一致。
5.1.4高、低压成套开关柜、低压成套无功功率补偿装置的导线截面和颜色、母线的制作应符合《大线制作通用工艺规程》(编号:DY-05-GY)、《二次线配置通用工艺规程》(编号:DY-07-GY)和《母线制作通用工艺规程》(编号:DY-06-GY)的要求。
5.1.5各电路导线端头的标识应与提供的原理图、接线图相一致。
5.1.6计量柜的计量互感器、电度表等必须按供电部门的验收要求备案,同时计量柜的铅封或明挂锁扣必须安全可靠。
5.1.7所用变压器规格、型号符合设计要求,安装符合规范及制造厂要求;油浸式变压器附件完好无损,变压器无渗漏油、油位正常,无锈蚀,油漆完好,相位标志正确;手动调压装置正常;所有密封良好,瓷件无损伤、裂纹。
箱式变电站检验规程 HEN system office room 【HEN16H-HENS2AHENS8Q8-HENH1688】预装式箱式变电站检验规程箱式变电站外形检查箱体成型后,应符合图纸要求,几何误差见下表。
表1对角线误差(单位:mm)表2外形尺寸及允许偏差(单位:mm)箱式变电站的所有开孔应按图纸要求和《冷加工通用工艺规程》(编号:DY-01-GY)进行并满足箱式变电站自身结构及使用要求。
箱式变电站的骨架应按《焊接通用规程》(编号:DY-02-GY)进行,框架焊接要牢固,不得漏焊,焊缝平整光洁、没有焊穿裂缝、溅渣气孔。
吊柱是箱式变电站工艺重点,必须焊接牢固,焊口要有一定深度焊口焊满突出、不得有溅渣,以防在起吊过程中脱落。
箱式变电站的箱体、柜体及其零部件的金属表面的涂覆加工工艺应按《喷涂工艺规程》进行,在柜体和箱体一米处观察不应有明显的色差和反光。
组装式箱式变电站,对接处的立缝,水平公差值应一致,连接孔偏差应不大于1mm,对接处应能保持整体性能。
变压器室内应对母线、电缆连接洞口进行封堵,达到防误入、防鼠、防火的要求。
5 高、低压配电装置的检查一般检查箱式变电站的供配电系统应正确并符合设计要求,图纸产品保持一致。
所有电器设备及部件、元器件要符合图纸及相关技术要求的规定。
箱式变电站的供配电系统应正确并符合设计要求,图纸产品保持一致。
高、低压成套开关柜、低压成套无功功率补偿装置的导线截面和颜色、母线的制作应符合《大线制作通用工艺规程》(编号:DY-05-GY)、《二次线配置通用工艺规程》(编号:DY-07-GY)和《母线制作通用工艺规程》(编号:DY-06-GY)的要求。
各电路导线端头的标识应与提供的原理图、接线图相一致。
计量柜的计量互感器、电度表等必须按供电部门的验收要求备案,同时计量柜的铅封或明挂锁扣必须安全可靠。
所用变压器规格、型号符合设计要求,安装符合规范及制造厂要求;油浸式变压器附件完好无损,变压器无渗漏油、油位正常,无锈蚀,油漆完好,相位标志正确;手动调压装置正常;所有密封良好,瓷件无损伤、裂纹。
变压器、箱式变电所安装质量验收规范主控项目:一、 5.1。
1变压器安装应位置正确,附件齐全,油浸变压器油位正常.无渗油现象.二、5。
1.2接地装置引出的接地干线与变压器的低压侧中性点直接连接;接地干线与箱式变电所的N母线和PE母线直接连接;变压器箱体、干式变压器的支架或外壳应接地(PE)。
所有连接应可靠,紧固件及防松零件齐全。
三、5。
1.3变压器必须按本规范第3.1.8条的规定交接试验合格。
四、5。
1.4箱式变电所及落地式配电箱的基础应高于室外地坪,周围排水通畅。
用地脚螺栓固定的螺帽齐全,拧紧牢固;自己安防的应垫平放正。
金属箱式变电所及落地式配电箱,箱体应接地(PE)或接零(PEN)可靠,且有标识。
五、5。
1。
5箱式变电所的交接试验,必须符合下列规定:1、由高压成套开关柜、低压成套开关柜和变压器三个独立单元组合成的箱式变电所高压电气设备部分,按本规范3。
1。
8的规定交接试验合格。
2、高压开关,熔断器等与变压器组合在同一密闭油箱内的箱式变电所,交接试验按产品提供的技术文件要求执行;3、低压成套配电柜交接试验符合本规范第4。
1。
5条的规定。
一般项目:一、5.2.1有载调压开关的传动部分润滑应良好,动作灵活,电动给定位置与开关实际位置一致,自动调节符合产品的技术文件要求。
二、5.2。
2绝缘件应无裂纹、缺损和瓷件磁釉损坏等缺陷,外表清洁,测温仪表指示正确.三、5。
2。
3装有滚轮的变压器就位后,应将滚轮用能拆卸的制动部件固定。
四、5.2.4变压器应按产品技术文件要求进行检查器身,当满足下列条件之一时,克不检查器身。
1、制造厂规定不检查器身者;2、就地生产仅做短途运输的变压器,且在运输过程中有效监督,无紧急制动、剧烈振动、冲撞或严重颠簸等异常情况者。
五、5。
2.5箱式变电所内外涂层完整、无损伤,有通风口的风口楼防护网完好。
六、5.2。
6箱式变电所的高低压柜内部接线完整、低压每个输出回路标记清晰,回路名称准确。
箱式变电站产品检验记录本报告依据标准: GB/T17467、GB/T3906、GB/T11022、DL/T404、GB/T7251.12产品编号:QR2017-2共2页第1页模块化集成智能变电站产品检验记录本报告依据标准: GB/T17467、GB/T3906、GB/T11022、DL/T404、GB/T7251.12产品编号:QR2017-2共2页第2页序号检查项目检查结果2.5 辅助回路耐压:2.5 kV /1min无击穿及闪络现象2.6 按电气原理图进行通电试验合格2.7 手车式开关柜同规格手车应能互换/ 3、低压设备电气性能检查3.1电气间隙检查:一次回路≥10mm二次回路≥8mm16 mm10 mm 3.2爬电距离检查:一次回路≥12.5mm二次回路≥10mm28 mm15 mm 3.3 手动操作部件检查:操作五次以上灵活可靠合格3.4工频耐压试验:一次回路:2500V/min二次回路:2500V/min无击穿及闪络现象3.5保护电路连续性检查:接地电阻≤100mΩ29.5mΩ3.6 抽出式开关柜中同规格的抽屉应能互换/ 3.7 按电气原理图进行通电操作试验合格检验结论:该产品经检验符合标准,准予出厂。
检验员:检验日期:2017.12.19备注:产品检验报告产品型号NXB-12/0.4-200产品编号QR2017-2试验日期2019.12.19检验员审核宁格朗电气股份有限公司NXB-12/0.4-箱式变电站一、变压器试验1、铭牌摘抄型 号:SCB13-200/10 额定容量:200kVA 额定频率:50Hz 三相 电压组合:10±2×2.5﹪/0.4kV 额定电流:11.55/288.7A 联结组标号:Dyn11冷却方式: AN/AF 短路阻抗:3.63﹪ 绝缘水平:LI75AC35/AC5kV出厂序号: 1801007 制造日期:2018.01 制造厂:江苏蜀铭电气设备有限公司 2、变压比测量:使用仪器:TE2020全自动变比组别测试仪 分 接 位 置实 测 变 化 高压侧 (kV )低压侧 (kV )标准要求AB/abBC/bcCA/ca1 0.09 0.06 -0.02 10.50 0.4允许误差±0.5%2 0.12 0.10 0.00 10.253 0.14 0.13 0.03 10.00 4 0.17 0.12 0.09 9.75 5 0.14 0.11 0.06 9.503、绕组直流电阻测量(单位:Ω)档位 AB BC CA 不平衡率% 标准要求15.026 5.028 5.020 0.16 不平衡率≤2%2 4.903 4.907 4.899 0.16 3 4.770 4.775 4.766 0.194 4.648 4.651 4.644 0.15 54.5264.5304.5220.18 低压侧aoboco不平衡率≤4%0.001310 0.0011273 0.0012762.884、接线组别测量。
箱式变电站验收标准
箱式变电站验收标准,也称为箱式变电站验收规程,是指在箱式变电站建设完成后,对其进行验收的标准和规程。
一、验收内容
1. 设备完好性检查:对箱式变电站内所有设备进行检查,保证设备完好无损。
2. 设备性能检测:对箱式变电站内各设备的性能进行测试和检测,确保其能够正常运行。
3. 安全性评估:对箱式变电站的安全性进行评估,包括防雷、防火、防爆等方面的安全措施是否符合要求。
4. 运行试验:对箱式变电站进行运行试验,检验其运行性能和稳定性。
5. 环境保护评估:评估箱式变电站对周围环境的影响,确保其符合环境保护要求。
6. 培训和文档交接:对箱式变电站使用人员进行培训,并进行相关文档的交接。
7. 箱式变电站的外观检查:对箱式变电站外观进行检查,包括外观饰面、防腐等方面的检查。
二、验收标准
1. 设备完好性:所有设备在验收时应保证完好无损,无明显缺陷和故障。
2. 设备性能:所有设备的各项性能指标应符合设计要求。
3. 安全性:箱式变电站的各项安全措施应符合国家相关标准和规定。
4. 运行试验:箱式变电站经过试验应能够正常运行并具有稳定性。
5. 环境保护:箱式变电站的环境影响应符合国家相关环保要求。
6. 培训和文档交接:箱式变电站使用人员经过培训后应能熟练操作变电站,相关文档应完整齐全。
7. 外观检查:箱式变电站外观应符合设计要求,外观饰面完好,无明显防腐问题。
以上就是箱式变电站验收标准的一些内容,具体标准和规定可以根据不同情况进行调整和制定。
箱式变电站验收标准(一)箱式变电站验收标准引言箱式变电站是一种重要的电力设备,用于电力输配和变电的关键节点。
为确保箱式变电站的质量和安全性能,需要严格遵守相应的验收标准。
验收标准的分类1.总则–对箱式变电站的通用要求进行规定,包括设计、制造、安装等环节。
–对材料、构造、电器设备、外观质量、环境适应能力等方面进行具体要求。
2.设计与制造–要求设计符合国家相关规范和标准,满足电力系统运行要求。
–制造要求符合设计图纸要求,材料和附件符合相关标准。
3.安装与调试–箱式变电站的安装应满足工程施工和安全规范。
–调试要确保各项功能正常运行,保证安全可靠。
验收流程1.材料验收–检查箱式变电站主要构件材料是否符合技术要求。
–检查材料质量证明文件和检验报告。
2.施工验收–检查箱式变电站施工质量,包括基础、设备安装、线缆敷设等。
–检查施工图纸和设计文件是否符合要求。
3.设备验收–对箱式变电站设备进行功能性能测试,确保各项指标符合设计要求。
–根据设备出厂检验报告进行核查。
4.安全验收–检查箱式变电站的安全设施是否完善、是否符合安全要求。
–检查箱式变电站的接地、绝缘、短路等安全保护措施。
5.工程验收–对箱式变电站整体工程进行验收,评估工程质量和合规性。
–检查相关技术文件和验收记录。
验收依据1.国家标准–根据国家《箱式变电站设计规范》和《箱式变电站制造与验收规范》进行验收。
–参考国家电力公司相关标准和规范。
2.技术文件–参考箱式变电站的设计文件、施工图纸和设备出厂检验报告。
–参考箱式变电站的工程验收规范和技术要求。
总结合格的箱式变电站是保障电力系统稳定运行的重要装备,严格执行验收标准是确保箱式变电站质量和安全性能的关键。
只有通过严格的验收过程,才能确保箱式变电站的可靠性和稳定性,保障电力供应的安全。
预装式箱式变电站检验规程(编号:GL/DY-QES-C51-2015)
宁夏大有电器有限公司
二零一五年
预装式箱式变电站检验规程
1适用范围
本规程适用于本公司生产的预装式箱式变电站出厂检验标准。
2执行标准
GB/7251.1-2013 《低压成套开关设备》
GB/15576- 2008 《低压成套无功功率补偿装置》
GB/17467- 2010 《高压/低压预制式变电站》
3引用标准
GB/10233- 2005 《低压成套开关设备基本调试方法》
GB/3906- 2006 《3.6-40.5KV交流金属封闭开关设备和控制设备》GB/11022- 2011 《高压开关设备和控制设备标准》
GB/700- 2006 《碳素结构钢》
GB/4208- 2008 《外壳防护等级的分类》
《本地供电部门验收规范》
4箱式变电站外形检查
4.1箱体成型后,应符合图纸要求,几何误差见下表。
表1
对角线误差(单位:mm)
表2
外形尺寸及允许偏差(单位:mm)
4.2箱式变电站的所有开孔应按图纸要求和《冷加工通用工艺规程》(编号:DY-01-GY)进行并满足箱式变电站自身结构及使用要求。
4.3箱式变电站的骨架应按《焊接通用规程》(编号:DY-02-GY)进行,框架焊接要牢固,不得漏焊,焊缝平整光洁、没有焊穿裂缝、溅渣气孔。
4.3.1吊柱是箱式变电站工艺重点,必须焊接牢固,焊口要有一定深度焊口焊满突出、不得有溅渣,以防在起吊过程中脱落。
4.4箱式变电站的箱体、柜体及其零部件的金属表面的涂覆加工工艺应按《喷涂工艺规程》(编号:DY-03-GY)进行,在柜体和箱体一米处观察不应有明显的色差和反光。
4.5组装式箱式变电站,对接处的立缝,水平公差值应一致,连接孔偏差应不大于1mm,对接处应能保持整体性能。
4.6变压器室内应对母线、电缆连接洞口进行封堵,达到防误入、防鼠、防火的要求。
5 高、低压配电装置的检查
5.1一般检查
5.1.1所有电器设备及部件、元器件要符合图纸及相关技术要求的规定。
高压成套开关设备符合GB/3906-2006,低压成套开关设备符合GB/7251.1-2005,低压成套无功功率补偿装置符合GB/15576-2008。
5.1.2箱式变电站的供配电系统应正确并符合设计要求,图纸产品保持一致。
5.1.3高、低压成套开关柜、低压成套无功功率补偿装置的导线截面和颜色、母线的制作应符合《大线制作通用工艺规程》(编号:DY-05-GY)、《二次线配置通用工艺规程》(编号:DY-07-GY)和《母线制作通用工艺规程》(编号:DY-06-GY)的要求。
5.1.4各电路导线端头的标识应与提供的原理图、接线图相一致。
5.1.5计量柜的计量互感器、电度表等必须按供电部门的验收要求备案,同时计量柜的铅封或明挂锁扣必须安全可靠。
5.1.6所用变压器规格、型号符合设计要求,安装符合规范及制造厂要求;油浸式变压器附件完好无损,变压器无渗漏油、油位正常,无锈蚀,油漆完好,相位标志正确;手动调压装置正常;所有密封良好,瓷件无损伤、裂纹。
5.1.7箱式变电站的铭牌符号及吊装接地等标志要正确、牢固、清晰、齐全。
5.1.8箱式变电站的箱体外部表面应美观、平整、光洁和防止磕碰损伤导致喷涂层脱落,影响整体防雨、防腐的性能。
5.2功能检查
5.2.1箱式变电站变所有门应向外开,并具有防水防雨功能、门锁为暗锁,确保开关门轻松自如,低压室检修通道应不小于600mm。
5.2.2箱式变电站的箱体及柜体内的行程开关和照明装置应安装牢固并正常运行,系统闭锁功能完整,且便于维修更换。
5.2.3箱式变电站的箱体及柜体需有足够的自然通风或强制通风措施,换气扇、百叶窗的安装要牢固并正常运行,确保设备运行温升不超标。
5.2.4箱式变电站变压器室内的温度控制器应装设在调控方便、不影响正常运行的地方且安装牢固。
5.2.5变压器室内变压器必须固定牢靠;安全防护网应具有防误入功能,带电标识应醒目、清晰,便于装卸。
5.2.6变压器接地必须是硬连接,而且连接牢靠。
5.2.7箱式变电站的箱体及柜体的过门接地应牢固并留有一定余量。
5.2.8高压柜的微机型继电保护额定值的出厂估算值设置见附录1。
6出厂试验项目
6.1箱变中高压、低压电器设备和变压器的工频耐压试验值、电气间隙、爬电距离试验值分别见下表。
表1
高压开关设备工频耐压试验值
表2:
低压开关设备的工频耐压试验值
表3:
变压器工频耐压试验值
表4
高压裸露带电体电气间隙及爬电距离
表5
低压裸露带电体电气间隙及爬电距离
注:此表括号内数据为低压成套无功功率补偿装置的要求。
6.2机械特性试验及机械操作
高、低压开关设备机械操作和机械特性试验分别按《3.6-40.5KV交流金属封闭开关设备和控制设备》GB/3906-2006中的6.102、7.102、《低压成套开关设备和控制设备》GB/7251-2013细则进行。
6.3仪表、继电器及指示元件检查
所有测量仪表、继电器均应经过单个元件的检验并有明显的标志,结合机械操作试验进行通电操作试验,以验证内部接线,动作元件和仪表指示等均符合技术要求。
6.4. 铭牌
6.4.1 每台箱变的箱体应装有符合标准要求的铭牌,内容包括:
a)产品名称和型号
b)变压器额定容量(KVA)
c)额定频率
d)出厂编号
e)外形尺寸
f)设备重量
g)额定电压
h)出厂日期
J)制造厂名
5.4.2 各附件准备齐全。
包括电缆、灭弧罩、机构操作把手、钥匙、等。
5.4.3箱变出厂时应将各元器件的合格证、使用说明书、成套开关柜的图纸及附件清单等资料准备齐全,装入资料袋中,放置于规定位置。
5.5 以上检验试验项目全部合格才允许发合格证。
编制:王超审核:曹玉柱批准:曹玉柱
二零一五年六月
附录1
电力系统微机型继电保护额定值。