简支梁桥下部结构计算书
- 格式:doc
- 大小:170.50 KB
- 文档页数:10
装配式钢筋混凝土简支T型梁桥计算书第Ⅰ部分装配式钢筋混凝土简支T型梁桥的计算资料一、设计资料1、桥面净空净—6+2×人行道2、主梁跨径和全长标准跨径:la =20.00m(墩中心距离)计算跨径:l=(支座中心距离)l=(主梁预制长度)主梁全长: 全3、设计荷载汽-20、挂-100和人群荷载3KN/㎡4、材料钢筋:主筋用Ⅱ级钢,其他用Ⅰ级钢,混凝土用25号5、计算方法:极限状态法6、结构尺寸。
如图下:7、设计依据(1)《混凝土简支梁(板)桥》人民交通出版社(第二版)(2)《公路桥涵设计通用规范》(JTJ021-85),简称“桥规”( 3)《公路桥涵地基与基础设计规范》(JDJ024-85)(4) 《公路桥涵设计手册梁》二、主梁的计算(一)主梁的荷载横向分布系数1、跨中荷载矩横向分布系数(按G-M法)(1)主梁的抗弯及抗扭惯矩Ix和Itx求主梁截面的重心位置如图下:平均板厚1h =1/2(8+14)=11cmax=()1813011)18160(2130181302111118160⨯+⨯-⨯⨯+⨯⨯-cm 2.41=)2/112.41(111421114212/13-⨯⨯+⨯⨯=x I23)19.422/130(130181301812/1-⨯⨯+⨯⨯+444823.66482252m cm ==T 形截面抗拒惯扭近似等于各个矩形截面的抗扭截面的抗扭惯矩之和,即:Tx I =3i i i t b c ∑3/1,069.060.1/11.0/111===c b t 301.0,151.0)11.03.1/(18.0/222==-=c b t故: 4333331080.21009.21071.019.1301.011.06.13/1m I Tx ---⨯=⨯+⨯=⨯+⨯⨯= 单位抗弯及抗扭惯矩:cm m b I J x x /10142.46.1/104823.6/442--⨯=⨯==cm m b I J Tx Tx /1075.16.1/1076.2/453--⨯=⨯==(2)横梁抗弯及抗扭惯矩 翼板有效宽度λ计算如图下:横梁长度取为两边主梁的轴线间距,即:m b l 4.66.144=⨯==367.04.6/35.2/1515.0,10035.2)15.085.4(2/1===='='=-=l c cm m b m h m c 根据l c /比值可查附表 求得:548.0/=c λ m c 29.135.2548.0548.0=⨯==λ 求横梁截面重心位置y ab h h b h h a y ''++=11212122/2/2λλm 21.00.115.011.029.120.115.02/12/11.029.1222=⨯+⨯⨯⨯⨯+⨯⨯= 横梁的抗弯和扭惯矩y I 和Ty I :2321131)2/(12/1)2/(2212/1y y y a h h b h b h a h h I -'''+''+-+⨯=λλ 2323)21.02/0.1(0.115.00.115.012/1)2/11.021.0(11.029.1211.029.1212/1-⨯⨯+⨯⨯+-⨯⨯⨯+⨯⨯⨯=421022.3m -⨯= 32223111h b c h b c I Ty +=1.0031.085.4/11.0/11 ==b h 查表得3/11=c , 但由于连续桥面板的单宽抗扭惯矩只有独立宽扁板者的一半,可取6/11=c 1705.0)11.000.1(15.0/22-=b h b 查表得:298.02=c43333310971.110895.010076.115.089.0298.085.411.06/1m I Ty ---⨯=⨯+⨯=⨯⨯+⨯⨯=单位抗弯及抗扭惯y J 和Ty J :cm m b I J y y /10664.010085.4/1022.3/4421--⨯=⨯⨯== cm m b I J Ty Ty /10406.010085.4/10971.1/4531--⨯=⨯⨯== (3)计算抗弯参数θ和抗弯参数∂324.010664.010142.45.190.44444=⨯⨯='=-y x p J J l b θ b '—桥宽的一半 p l —计算跨径y x Ty Tx J J E J J G a 2/)(+= 按《公预规》取E G 43.0=,028.010664.010142.4210)406.075.1(43.0445=⨯⨯⨯⨯+⨯=---a167.0028.0==a(4)计算荷载弯矩横向分布影响线坐标 已知307.0=θ, 查M G -图表,可得表中值:表1用内插法求各梁位处值如图下:1号、5号梁2号、4号梁424114.06.04.0)(b b b bbK K K K K K +⨯=⨯--='3号梁:0K K ='(0K 系梁位在0点的K 值) 列表计算各梁的横向分布影响线坐标η值表2各梁的横向分布系数:汽—20: 401.0)047.0127.0260.0462.0(2/11=-++⨯=汽η 405.0)072.0173.0240.0324.0(2/12=+++⨯=汽η 409.0)192.0218.0217.0191.0(2/13=+++⨯=汽η 挂—100: 257.0)117.0206.0303.0402.0(4/11=+++=挂η 235.0)168.0213.0260.0300.0(4/12=+++=挂η 214.0)208.0219.0219.0208.0(4/13=+++=挂η 人群荷载: 628.01=人η391.02=人η348.02174.03=⨯=人η人行道板: 440.0188.0628.01=-=板η 378.0017.0395.02=-=板η340.0170.023=⨯=板η2.梁端剪力横向分布系数计算(按杠杆法)汽—20: 282.0563.02/11=⨯='汽η500.0000.12/12=⨯='汽η 594.0)250.0938.0(2/13=+⨯='汽η挂—100:469.0)437.021(4/12=⨯+⨯='挂η 469.0)437.021(4/13=⨯+⨯='挂η 人群荷载: 343.11='人η 343.02-='人η 03='人η(二)内力计算 1、恒载内力(1)恒载:假定桥面构造各部分重量平均分配给各主梁承担,计算见表3 钢筋混凝土T 形梁的恒载计算 表3一侧人行道部分每2.5m 长时重,1.0m 长时重=m 。
13米空心板梁桥下部结构计算书分目录1工程说明.................................................. 错误!未定义书签。
2 设计标准 ................................................. 错误!未定义书签。
2.1设计标准.............................................. 错误!未定义书签。
2.2设计规范.............................................. 错误!未定义书签。
3 设计参数 ................................................. 错误!未定义书签。
3.1混凝土各项力学指标见表................................ 错误!未定义书签。
3.2普通钢筋.............................................. 错误!未定义书签。
4 上部结构荷载计算 (2)4.1单孔恒载 (2)4.2汽车活载 (3)4.3单位M宽人行道人群荷载产生的最大支反力 (4)5 计算假定 (5)6 中间桥墩盖梁、立柱荷载及效应计算 (5)6.1永久恒载 (5)6.2汽车荷载效应 (6)7效应组合 (8)7.1承载能力极限状态 (8)7.2正常使用极限状态短期组合 (9)7.3承台底荷载组合 (9)8 截面验算 (10)8.1盖梁验算 (10)8.2立柱验算 (11)9 承台计算 (12)9.1撑杆抗压验算 (12)9.2系杆抗拉验算 (13)9.3斜截面抗剪验算 (13)9.4桩抗冲切验算 (13)10 桩基础计算 (14)10.1承台底顶荷载 (14)10.2桩身内力计算 (14)10.3截面配筋计算 (15)10.4桩长及承载力计算 (15)10.5桩基沉降计算 (15)11 桥台验算 (16)11.1台后土压力计算....................................... 错误!未定义书签。
目录第一部分项目概况及基本设计资料 (1)1.1 项目概况 (1)1.2 技术标准与设计规范 (1)2.2.3 罗望线T梁构造配筋与部颁图比较 (6)2.3 结构分析计算 (6)2.3.1 活载横向分布系数与汽车冲击系数 (6)2.3.2 预应力筋计算参数 (6)2.3.3 温度效应及支座沉降 (7)2.3.4 有限元软件建立模型计算分析 (7)第三部分桥梁墩柱设计及计算 (8)3.1 计算模型的拟定 (8)8891011121313 3.3.1 计算模型的选取13 3.3.2 15米墩高计算 (14)3.3.3 30米墩高计算 (23)3.4 30米T梁墩柱计算 (33)3.4.2 15米墩高计算 (34)3.4.3 30米墩高计算 (44)3.4.4 40米墩高计算 (53)4.2.2 动力特性特征值计算结果4.2.3 E1地震作用验算结果 (87)4.2.4 E2地震作用验算结果 (87)4.2.5 延性构造细节设计 (88)第一部分项目概况及基本设计资料1.1 项目概况贵州省余庆至安龙高速公路罗甸至望谟段,主线全长77.4公里,项目地形起伏大,山高坡陡,地质、水文条件复杂,桥梁工程规模大,高墩大跨径桥梁较多,通过综合比选,考虑技术、经济、结构耐久、施工方便、维修便利及施工标准化等因素。
主线)(3)中华人民共和国交通部标准《公路钢筋混凝土及预应力混凝土桥涵设计规范》(JTG D62-2004),以下简称《规范》(4)中华人民共和国交通部标准《公路桥涵地基与基础设计规范》(JTG D63-2007)(5)中华人民共和国交通部标准《公路坞工桥涵设计规范》(JTG D61-2005)(6)中华人民共和国交通部标准《公路工程抗震规范》(JTG B02-2013)(7)中华人民共和国交通部标准《公路桥梁抗震设计细则》(JTG/T B02-01-2008)1.3 基本计算资料(1)桥面净空:2x净-11.0米、净11.25米C50;根据贵州高速公路集团有限公司2013年6月3日下发的《黔高速专议【2013】44号》会议纪要,热轧光圆钢筋采用HPB300,直径小于22mm的热轧带肋钢筋采用HRB400,直径大于等于22mm的热轧带肋钢筋采用HRB500。
桥梁下部结构计算书一、水平荷载确定由上部结构分析结果可知,主跨支墩x 号桥墩为固定墩,受力最大,因此,取X 号桥墩进行结构计算。
本墩柱为双柱式(直径1.5m ,C30),采用多排桩承台基础,桩径1.2m 。
标1.地震力按7度考虑,计算如下:X 号桥墩(两个墩柱)受到的地震力为:htp E SM =,max 2.25i s d S C C C A = 重要性修正系数13=.,i C 场地系数10s C .=,阻尼调整系数 1.0d C =, 地震动加速度A=0.15g (7度设防),因此,max 2.25 2.25 1.3 1.0 1.00.15g 0.43875i s d S C C C A g ==⨯⨯⨯⨯=桥墩基本周期:1T 2= t G 11020=2200KN =⨯ (从使用阶段结构重力支承反力求和)33δ=l EI , (l=9.0m )44431415024846464d I m π⨯===...7272083102410=⨯⨯=⨯././E KN m KN m 659610.EI kN m =⨯⋅由于是两个柱,则:1T 220.421s Tg=0.4s ππ>===,查抗震规范得,max 1Tg/T )=0.43875g .S S =⨯((04/0.421)=0.4166g0416*******htp E SM g KN .==⨯=2.汽车制动力按汽车活载的0.1计算,则每个墩柱受到的汽车制动力为:050122010519240.2kN ⨯⨯⨯⨯+=..(.)<165KN ,每个墩柱受到的汽车制动力应取165KN因此,取每个墩柱受到的水平力为:917/2=458.5kN 。
由于地震水平力远大于汽车制动力,故本计算不考虑汽车制动力参与计算,仅考虑地震效应组合。
桥面做成简支连续,每座桥墩顶面布置两排共24个d =20cm 的普通板式橡胶支座,每个桥台各设置12个d =20cm 的普通板式橡胶支座, 橡胶支座 4, 1.1t cm G MPa ==∑ (1)支座刚度计算 每个墩支座抗推刚度21100240.2420734.50.04erAG K KN m tπ⨯⨯⨯===∑∑桥台支座抗推刚度 20734.5210367.25r K KN m ==(2)墩柱抗推刚度该桥为一墩两柱式,采用C30混凝土,弹性模量43.010k E MPa =⨯,44320.497I d m π==,129h h m ==。
目录第一局部工程概况及根本设计资料1 1.1 工程概况11.2 技术标准与设计规11.3 根本计算资料1第二局部上部构造设计依据3 2.1 概况及根本数据32.1.1 技术标准与设计规32.1.2 技术指标32.1.3 设计要点42.2 T梁构造尺寸及预应力配筋42.2.1 T梁横断面42.2.2 T梁预应力束52.2.3 罗望线T梁构造配筋与部颁图比拟52.3 构造分析计算52.3.1 活载横向分布系数与汽车冲击系数52.3.2 预应力筋计算参数52.3.3 温度效应及支座沉降62.3.4 有限元软件建立模型计算分析6第三局部桥梁墩柱设计及计算73.1 计算模型的拟定73.2 桥墩计算分析73.2.1 纵向水平力的计算73.2.2 竖直力的计算83.2.3 纵、横向风力93.2.4 桥墩计算偏心距的增大系数 103.2.5 墩柱正截面抗压承载力计算113.2.6 裂缝宽度验算123.3 20米T梁墩柱计算123.3.1 计算模型的选取123.3.2 15米墩高计算133.3.3 30米墩高计算173.4 30米T梁墩柱计算223.4.1 计算模型的选取223.4.2 15米墩高计算223.4.3 30米墩高计算273.4.4 40米墩高计算313.5 40米T梁墩柱计算353.5.1 计算模型的选取353.5.2 15米墩高计算363.5.3 30米墩高计算40第四局部桥梁抗震设计464.1 主要计算参数取值464.2 计算分析464.2.1 抗震计算模型464.2.2 动力特性特征值计算结果47 4.2.3 E1地震作用验算结果49 4.2.4 E2地震作用验算结果49 4.2.5 延性构造细节设计504.3 抗震构造措施53第一局部工程概况及根本设计资料1.1 工程概况省余庆至安龙高速公路罗甸至望谟段,主线全长77.4公里,工程地形起伏大,山高坡陡,地质、水文条件复杂,桥梁工程规模大,高墩大跨径桥梁较多,通过综合比选,考虑技术、经济、构造耐久、施工方便、维修便利及施工标准化等因素。
第九章 下部结构计算9.1基本资料上部结构——本桥为净跨径30.22m 等截面悬链线空腹式圬工拱桥。
下部结构——20C 小石子混凝土砌片石,重力密度为324/kN m ,砌体轴心抗压强度设计值为 2.91cd f MPa =。
地基——弱风化石英岩,容许承载力为10002000kPa 。
路面重力密度——223/kN m 。
9.2桥台设计几何尺寸9.2.1桥墩墩身自重及其顶上的汽车荷载墩身自重及其对墩身底A 点的弯矩标准值见表14.1。
表14.1对表14.1计算说明:1)腹孔墩及腹孔墩以上部分自重11234()8.5(6.508864.052223.53691.008)8.51573.418p m m m m kN=+++⨯=+++⨯= 1m ——墩帽自重2m ——墩帽以上部分自重(除腹拱) 3m ——腹拱圈自重5m ——腹孔墩墩身自重(以上均以每米宽计算)5 4.740.8 1.02491.008m kN =⨯⨯⨯=自重1p 对A 点的力臂:1 5.00 2.240.82 2.36x m =--÷=这部分对A 点的力矩:1111573.418 2.363713.266M p x kN m =⨯=⨯=⋅2)图14.1中2p 部分的自重2(3.50 3.50)0.58.524(3.500.568 3.50)0.5640.58.524370.020p y x kN=-+⨯⨯⨯⨯=-+⨯⨯⨯⨯= 上式中的,x y 为台口尺寸,0.8cos 0.80.70440.564s x m ϕ=⨯=⨯= 0.8sin 0.80.70980.568s y m ϕ=⨯=⨯= 2p 部分对A 点的力臂:20.564 3.500.5682 3.50[]3(3.500.568)20.5680.188 1.5440.290x m -+⨯=⨯-⨯+=⨯= 2p 部分对A 点的弯矩:222370.0200.290107.406M p x kN m =⨯=⨯=⋅3)图14.1中3p 部分的结构自重3 3.50(5.0)8.5243167.304p x kN =⨯-⨯⨯=3p 部分对A 点的力臂3(5.0)2 2.782.x x x =-÷+= 3p 部分对A 点的弯矩 3333167.3042.7828811.440M p x k N m =⨯=⨯=⋅ 4)以上三部分自重及对A 点的弯矩合计1231573.418370.0203167.3045110.742p p p p kN=++=++=1233713.266107.4068811.44012632.112M M M M kN m=++=++=⋅5)全部自重作用点至A 点的距离12632.1122.4725110.742m =6)全部自重对台身底截面重心的偏心距5.02 2.4720.028e =÷-= (正值表示在界面重心以右) 7)全部自重对台身底截面偏心矩'5110.7420.028143.101M kN m =⨯=⋅8)桥墩上路面有效长度内汽车荷载对台身底的压力及偏心矩桥墩上有效桥面长度为 2.80m ,汽车荷载为双车道,其均布荷载为210.50.75 2.8044.10kN ⨯⨯⨯=;其作用点离A 点的距离为1 2.36x m =。
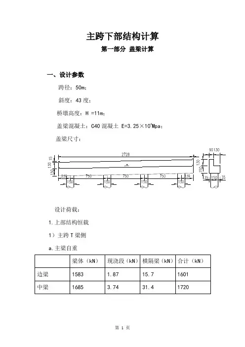
主跨下部结构计算第一部分盖梁计算一、设计参数跨径:50m;斜度:43度;桥墩高度:H =11m;盖梁混凝土:C40混凝土 E=3.25×104Mpa;盖梁尺寸:设计荷载:1.上部结构恒载1)主跨T梁侧a.主梁自重b.其他恒载栏杆:1.5kN/m人行道:0.475m2*25=11.9kN/m铺装层:20*0.08*25+15*0.08*24=68.8kN/m绿化带:0.25*2*24+1.5*0.45*20=25.5kN/m合计:1.5+11.9+68.8+25.5=107.7kN/m近似按平均分布于各片梁计算:每片梁分担:107.7*50/8=673.1kNa,b合计主跨侧每个支座上部恒载引起的反力为:边梁:(1601+673.1)/2=1137kN中梁:(1720+673.1)/2=1197kN2)板梁侧a板梁自重边板:(0.874*22.8+0.4*1.115-0.1*16.8)*26=486kN 中板:(0.834*22.8+0.4*1.115-0.1*16.8)*26=462.3kN b其它恒载近似按平均分布于各片板梁计算:每片梁分担:107.7*22.8/13=188.9kNa,b合计板梁侧每对支座上部恒载引起的反力为:边梁:(486+188.9)/2=337.5kN中梁:(462.3+188.9)/2=325.6kN因板梁侧支座较多,反力分布较均匀,且盖梁内力计算时,恒载所占比重不大,故近似把板梁侧恒载引起的支反力按均布荷载作用于盖梁上,均布荷载集度为:q=(337.5*2+325.6*11)/27.28=156kN/m2.汽车活载一列汽车产生的支反力为Fs=300*1.25+(22.8+50)*15/2=921kN二、盖梁内力计算1.盖梁计算模型计算模型三维图形上部结构产生恒载图形2.桥博盖梁内力计算结果102-978-23713-22374-2855267764582784750932871016-266911-2541-19612-197251013250914396415430416396925151725141819-173-2590-267720-221285642982242972350604978244979311025311126332-228227-23712829-97832173017631136321023334128227111573511836803743383976218192694018641103422543443562722045137465747-164849-5013承载能力极限状态基本组合最大正弯矩图10-118123-306645-1058616799257-23948-5174910-26351168071112-277513-53251415-2547167101516-12101718-37611920-150703-13821-7222-72348242551-88-27226-18327-9328-1629303-54133132333435183637383940承载能力极限状态基本组合最大负弯矩图10-02-17451970-2102237633557206745330418388110886-82-13757-23222614-4176479284599223491040431945177119311211-123512-19662261-40684584134915260914440023211515087910931638017-18272055-3735447718319519701920292517450333-33-20202133-33-20202233-33-20202333-33-2020242533-33-2020844-44-19192644-44-19192744-44-19192844-44-1919293044-44-1919133132333435183637383940承载能力极限状态基本组合剪力包络图三、盖梁配筋计算1.持久状况承载能力极限状态抗弯承载力计算 1)跨中截面抗弯承载力计算由内力计算之承载能力极限状态基本组合最大正弯矩图知,跨中节点23组合正弯矩最大,控制设计,γ0M d =1.1*5060=5566kN*m钢筋采用As=30 28=18474mm 2,X =f sd *A s /(f cd *b)=280*18474/(18.4*2200) =127.8mmL 形盖梁受正弯矩作用时,偏安全地仅考虑较低侧高度的矩形截面,将凸起部分截面作为垫石考虑,即2200*1500矩形截面。
第一章 方案比选桥址位于某高速公路K1486+313处。
路线跨越河谷,沟宽24m 。
该谷内有一条深10的沟,平时干涸,雨季又山洪流过,设计流量3Q%=106m /s 。
设计流速5。
34m/s.该地区属于黄土高原地区,地质条件较为简单。
上部覆盖8m 的一般新黄土,下部为一般半坚硬新黄土.地质承载力较低。
根据地质情况提出三种比选方案:一.6×40m 连续梁方案(推荐方案)上部采用预应力混凝土连续箱梁,等跨布置,梁高2m 。
下部采用桩柱式桥墩,轻型桥台。
整孔架设,简支转连续体系,梁体通过预制厂预制。
先期主梁自重内力即为简支梁内力21118g M q l ,当全部结构连成连续体系后,再施工桥面铺装,则2g M 按最终的连续梁体系进行计算。
连续梁在恒载作用下,由于支点负弯矩的卸载作用,跨中正弯矩显著减小,其弯矩图形与同跨悬臂梁相差不大,但连续梁在活载作用下,因主梁连续产生支点负弯矩,对跨中正弯矩仍又卸载作用,其弯矩分布要比悬臂梁合理。
由于采用的是等跨布置,则边跨内力控制全桥的设计。
此外边跨过长,削弱了边跨的刚度将增大活载在中跨跨中截面处的弯矩变化幅值,增加预应力束筋数量。
但是由于该桥长度较长而且采用先简支后连续的施工方法,则等跨结构受力性能差的缺点完全可以从施工经济效益提高得到补偿。
连续梁在恒载活载作用下,支点截面将出现较大的负弯矩,从绝对值来看,支点截面的负弯矩往往大于跨中截面的正弯矩,因此采用变高度梁能较好的符合梁的内力分布规律。
另外,变高度梁使梁体外形和谐节省材料并增大桥下净空。
等高连续梁的缺点是,梁在支点上不能利用增加梁高而只能增加预应力束筋来抵抗较大的弯矩,材料用量大,但其优点是结构构造简单.则综合采用箱梁外轮廓等高,内轮廓变高度的方式.预应力混凝土连续梁设计中的一个特点是,必须以各个截面的最大正、负弯矩的绝对值之和,也即按弯矩变化幅值布置预应力束筋.在公路桥中,因为恒载弯矩占总弯的比例较大,实际上支点控制设计的负弯矩,跨中控制设计的是正弯矩。
一、计算资料1.设计荷载汽车荷载:城—A级人群荷载:按《城市桥梁设计规范》(CJJ 11-2011)10.0.5条取用。
2.桥梁跨径及横断面布置跨径组合:3×13m简支梁桥,单孔计算跨径:l0 =12.60 m;桥梁横断面:4.5m(人行道)+15m(混行车道)+ 4.5m(人行道)=24m。
3.桥梁主要构造上部结构采用3跨13m装配式先张法预应力空心板梁(使用《中华人民共和国交通行业公路桥梁通用图》板梁系列,编号36-2分册,交通部专家委员会等编制)。
下部结构采用桩柱式桥墩、桥台。
墩台基础采用φ120cm钻孔灌注桩。
4.桥梁主要材料(1)、混凝土空心板梁:采用C50砼预制,C40砼封端,板梁铰缝采用C50砼浇注;桥面铺装:10cm厚C50砼现浇层+4cm细粒式沥青砼(AC-13C)+6cm中粒式沥青砼(AC-20C);墩台盖梁:C30砼;墩台桩基础:C30水下砼。
(2)、钢筋普通钢筋采用HPB300和HRB400钢筋,板梁预应力钢筋为Φs15.2高强度低松弛预应力钢绞线。
5.计算依据《城市桥梁设计规范》(CJJ11-2011)《公路桥涵设计通用规范》(JTG D60-2004)《公路钢筋混凝土及预应力混凝土桥涵设计规范》(JTG D60-2004)《公路桥涵地基与基础设计规范》(JTG D60-2004)6.计算内容由于设计周期较短,设计时桥梁上部结构套用《中华人民共和国交通行业公路桥梁通用图》(板梁系列,编号36-2分册,交通部专家委员会等编制)图纸,不再进行验算,本计算书主要对桥梁墩台、桩基等下部结构进行计算。
二、桥梁纵向荷载计算1.永久作用(1)、单片板梁自重(含封端砼):中板:4.93×26+0.24×25=134.18kN边板:6.61×26+0.24×25=177.86kN(2)、二期恒载①、单条铰缝:1.029×25=25.72kN②、防水砼铺装(单片板梁宽度):0.1×1×13×25=32.5 kN③、沥青砼铺装(单片板梁宽度):0.1×1×13×24=31.2kN④、单侧单孔栏杆自重:8×13=104 kN⑤、单侧单孔人行道(枕梁+人行道板+铺装)自重:(5.73+3.94+3.04)×25=317.75kN 2.可变作用(1)、汽车荷载:城—A级,q=10.5kN/m,P=212kN/m(2)、汽车冲击荷载:冲击系数u=0.368(3)、人群荷载:3.5kPa三、桥墩、桥台盖梁抗弯、抗剪承载力计算及裂缝宽度计算桥墩、桥台盖梁采用桥梁通V7.78计算,盖梁按照连续梁模式分别计算其抗弯、抗剪和裂缝宽度验算。
一、设计资料1)结构形式及基本尺寸某公路装配式简支梁桥,双车道,桥面宽度为净- 9.5+2x0.75m,主梁为装配式钢筋混凝土简支T 梁,桥面由五片T梁组成,主梁之间的桥面板为铰接,沿梁长设置5道横隔梁,桥梁横截面布置、主梁细部尺寸见下图。
主梁横隔梁位置及尺寸2)桥面布置桥梁位于直线上,两侧设人行道,宽度为1米,桥面铺装为6cm厚的沥青混凝土,其下为平均厚度8cm的C25混凝土垫层,设双面横坡,坡度为1.5% ,桥面横坡由混凝土垫层实现变厚度。
其中,两侧人行道外侧桥面铺装厚度为8cm(2cm厚沥青混凝土和6cm混凝土垫层)。
3)主梁装配式钢筋混凝土T形梁桥总体特征设计跨径 (m) 计算跨径 (m) 梁长 (m) 梁高 (m)支点肋宽 (cm)跨中肋宽 (cm)h (cm)2h (cm)梁肋变化处横隔梁数2524.524.961.60 35 18 12 20L/4处 54)材料 1)主梁:混凝土:C30(容重为25kN/m 3)钢筋:主筋、弯起钢筋、架立钢筋为HRB335,其余为R2352)桥面铺装:沥青混凝土(容重为23kN/m 3 );混凝土垫层C25(容重为24kN/m 3 ) 3)人行道:单侧人行道包括栏杆荷载集度为6kN/m 5)设计荷载汽车荷载:公路-Ⅱ级荷载; 人群荷载:3.0kN/m 26)设计规范及参考书目1)《公路桥涵设计通用规范》(JTG D60-2004)2)《公路钢筋混凝土及预应力混凝土桥涵设计规范》(JTG D62-2004) 3)《桥梁工程》4)《混凝土结构设计原理》 5)《桥梁通用构造及简支梁桥》 6)《混凝土简支梁(板)桥》二、作用效应计算 (一)主梁内力计算 1.恒载内力计算(1)计算各主梁的恒载集度 主梁:kN/m 4.21256.135.0235.02.2)2.012.0(=⨯⎥⎦⎤⎢⎣⎡⨯+⎪⎭⎫ ⎝⎛-+='g kN/m 28.15256.18.0218.02.2)2.012.0(=⨯⎥⎦⎤⎢⎣⎡⨯+⎪⎭⎫ ⎝⎛-+=''g横隔梁: 对于边主梁kN/m 73.03218.02.22235.02.225216.015.0220.012.01.1g 2=⎥⎦⎤⎢⎣⎡⨯-+⨯-⨯⨯+⨯⎪⎭⎫ ⎝⎛+-=' 对于中主梁(kN/m)46.173.02g 2=⨯=''桥面铺装层()kN/m 27.65/245.908.0235.906.0g 3=⨯⨯+⨯⨯=栏杆和人行道kN/m 4.2/526g 4=⨯= 作用于边主梁的恒载集度为kN/m 8.304.227.673.04.21g 1=+++=' kN/m 68.244.227.673.028.15g 1=+++='' 作用于中主梁的恒载为kN/m 53.314.227.646.14.21g 1=+++=' kN/m 41.254.227.646.128.15g 1=+++='' (2)荷载内力计算各主梁距离支座为x 的横截面弯矩和剪力:30.824.6831.5325.41边(中)主梁的恒载内力2.活载内力计算 (1)a.荷载位于支座处时,应按杠杆原理法计算荷载横向分布系数首先绘制1/2和三号梁的荷载横向影响线如图2 ①②③所示根据《桥规》(JPG D60)的规定,在横向影响线上确定荷载沿横向最不利的布置位置。
目录第一部分项目概况及基本设计资料 (1)1.1 项目概况 (1)1.2 技术标准与设计规范 (1)1.3 基本计算资料 (1)第二部分上部结构设计依据 (3)2.1 概况及基本数据 (3)2.1.1 技术标准与设计规范 (3)2.1.2 技术指标 (3)2.1.3 设计要点 (3)2.2 T梁构造尺寸及预应力配筋 (4)2.2.1 T梁横断面 (4)2.2.2 T梁预应力束 (5)2.2.3 罗望线T梁构造配筋与部颁图比较 (6)2.3 结构分析计算 (6)2.3.1 活载横向分布系数与汽车冲击系数 (6)2.3.2 预应力筋计算参数 (6)2.3.3 温度效应及支座沉降 (7)2.3.4 有限元软件建立模型计算分析 (7)第三部分桥梁墩柱设计及计算 (8)3.1 计算模型的拟定 (8)3.2.1 纵向水平力的计算 (8)3.2.2 竖直力的计算 (9)3.2.3 纵、横向风力 (10)3.2.4 桥墩计算偏心距的增大系数 (11)3.2.5 墩柱正截面抗压承载力计算 (12)3.2.6 裂缝宽度验算 (13)3.3 20米T梁墩柱计算 (13)3.3.1 计算模型的选取 (13)3.3.2 15米墩高计算 (14)3.3.3 30米墩高计算 (18)3.4 30米T梁墩柱计算 (22)3.4.1 计算模型的选取 (22)3.4.2 15米墩高计算 (23)3.4.3 30米墩高计算 (27)3.4.4 40米墩高计算 (32)3.5 40米T梁墩柱计算 (36)3.5.1 计算模型的选取 (36)3.5.2 15米墩高计算 (37)3.5.3 30米墩高计算 (41)第四部分桥梁抗震设计 (47)4.1 主要计算参数取值 (47)4.2.1 抗震计算模型 (47)4.2.2 动力特性特征值计算结果 (48)4.2.3 E1地震作用验算结果 (49)4.2.4 E2地震作用验算结果 (49)4.2.5 延性构造细节设计 (51)4.3 抗震构造措施 (53)第一部分项目概况及基本设计资料1.1 项目概况贵州省余庆至安龙高速公路罗甸至望谟段,主线全长77.4公里,项目地形起伏大,山高坡陡,地质、水文条件复杂,桥梁工程规模大,高墩大跨径桥梁较多,通过综合比选,考虑技术、经济、结构耐久、施工方便、维修便利及施工标准化等因素。
目录第一部分项目概况及基本设计资料1 1.1 项目概况11.2 技术标准及设计规范11.3 基本计算资料2第二部分上部结构设计依据3 2.1 概况及基本数据32.1.1 技术标准及设计规范32.1.2 技术指标32.1.3 设计要点42.2 T梁构造尺寸及预应力配筋42.2.1 T梁横断面42.2.2 T梁预应力束52.2.3 罗望线T梁构造配筋及部颁图比较72.3 结构分析计算72.3.1 活载横向分布系数及汽车冲击系数72.3.2 预应力筋计算参数72.3.3 温度效应及支座沉降82.3.4 有限元软件建立模型计算分析8第三部分桥梁墩柱设计及计算9 3.1 计算模型的拟定93.2 桥墩计算分析93.2.1 纵向水平力的计算93.2.2 竖直力的计算113.2.3 纵、横向风力113.2.4 桥墩计算偏心距的增大系数 133.2.5 墩柱正截面抗压承载力计算153.2.6 裂缝宽度验算153.3 20米T梁墩柱计算153.3.1 计算模型的选取153.3.2 15米墩高计算173.3.3 30米墩高计算263.4 30米T梁墩柱计算353.4.1 计算模型的选取353.4.2 15米墩高计算363.4.3 30米墩高计算453.4.4 40米墩高计算533.5 40米T梁墩柱计算633.5.1 计算模型的选取633.5.2 15米墩高计算643.5.3 30米墩高计算73第四部分桥梁抗震设计83 4.1 主要计算参数取值834.2 计算分析834.2.1 抗震计算模型834.2.2 动力特性特征值计算结果85 4.2.3 E1地震作用验算结果884.2.4 E2地震作用验算结果884.2.5 延性构造细节设计904.3 抗震构造措施92第一部分项目概况及基本设计资料1.1 项目概况贵州省余庆至安龙高速公路罗甸至望谟段,主线全长77.4公里,项目地形起伏大,山高坡陡,地质、水文条件复杂,桥梁工程规模大,高墩大跨径桥梁较多,通过综合比选,考虑技术、经济、结构耐久、施工方便、维修便利及施工标准化等因素。
目录第一部分项目概况及基本设计资料 (1)1.1 项目概况 (1)1.2 技术标准与设计规范 (1)1.3 基本计算资料 (1)第二部分上部结构设计依据 (3)2.1 概况及基本数据 (3)2.1.1 技术标准与设计规范 (3)2.1.2 技术指标 (3)2.1.3 设计要点 (3)2.2 T梁构造尺寸及预应力配筋 (4)2.2.1 T梁横断面 (4)2.2.2 T梁预应力束 (5)2.2.3 罗望线T梁构造配筋与部颁图比较 (6)2.3 结构分析计算 (6)2.3.1 活载横向分布系数与汽车冲击系数 (6)2.3.2 预应力筋计算参数 (6)2.3.3 温度效应及支座沉降 (7)2.3.4 有限元软件建立模型计算分析 (7)第三部分桥梁墩柱设计及计算 (8)3.1 计算模型的拟定 (8)3.2 桥墩计算分析 (8)3.2.1 纵向水平力的计算 (8)3.2.2 竖直力的计算 (9)3.2.3 纵、横向风力 (10)3.2.4 桥墩计算偏心距的增大系数 (11)3.2.5 墩柱正截面抗压承载力计算 (12)3.2.6 裂缝宽度验算 (13)3.3 20米T梁墩柱计算 (13)3.3.1 计算模型的选取 (13)3.3.2 15米墩高计算 (14)3.3.3 30米墩高计算 (18)3.4 30米T梁墩柱计算 (22)3.4.1 计算模型的选取 (22)3.4.2 15米墩高计算 (23)3.4.3 30米墩高计算 (27)3.4.4 40米墩高计算 (32)3.5 40米T梁墩柱计算 (36)3.5.1 计算模型的选取 (36)3.5.2 15米墩高计算 (37)3.5.3 30米墩高计算 (41)第四部分桥梁抗震设计 (47)4.1 主要计算参数取值 (47)4.2 计算分析 (47)4.2.1 抗震计算模型 (47)4.2.2 动力特性特征值计算结果 (48)4.2.3 E1地震作用验算结果 (49)4.2.4 E2地震作用验算结果 (49)4.2.5 延性构造细节设计 (51)4.3 抗震构造措施 (53)第一部分项目概况及基本设计资料1.1 项目概况贵州省余庆至安龙高速公路罗甸至望谟段,主线全长77.4公里,项目地形起伏大,山高坡陡,地质、水文条件复杂,桥梁工程规模大,高墩大跨径桥梁较多,通过综合比选,考虑技术、经济、结构耐久、施工方便、维修便利及施工标准化等因素。
XXX 大桥下部结构检算计算书一、基本资料见设计图纸二、参考规范及书籍1、《桥梁工程》(上册)范立础 人民交通出版社2、《公路桥涵设计通用规范》(JTG D60—2004)3、《公路钢筋混凝土及预应力混凝土桥涵设计规范》(JTG D62—2004)4、《公路桥涵地基与基础设计规范》(JTJ 024—85)三、计算书由于该桥为两联对称结构,所以取一联进行上部结构计算。
一)、荷载横向分布系数计算 (一)跨中及1/4l 处按铰接板法利用等代刚度法将连续梁等代为简支梁,计算其荷载横向分布系数。
经计算,其边跨、次边跨、中跨的刚度提高系数分别为 1.49、2.08、2.05。
三跨的刚度系数计算得0122.01=γ 0171.02=γ 0169.03=γ 根据γ查铰接板荷载横向分布影响线竖标表,绘制荷载横向分布影响线,计算各跨各板的荷载横向分布系数(粗体)和横向影响系数,列表如下:(根据《公路桥涵设计通用规范》(JTG D60—2004) 4.3.1进行布载)1、边跨2、次边跨3、中跨(二)支座处按杠杆原理法计算,计算各跨各板的荷载横向分布系数(粗体)和横向影响系数,列表如下:(根据《公路桥涵设计通用规范》(JTG D60—2004) 4.3.1进行布载)(三)各板荷载横向分布系数汇总取三跨中最大的荷载横向分布系数来统一计算各跨荷载,列表如下:(四)防撞护栏横向分布系数防撞护栏自重作为均布荷载作用于边梁,其集度为m KN q /7.720/154==。
其横向分布系数列于下表(跨中用铰接板法,支座用杠杆原理法)二)、上部结构恒载计算 (一)、端跨1、一期恒载根据设计图纸工程数量表得:桥面板自重(1g ):1号、9号 KN 3.2741043.27=⨯ 2号~8号 KN 5.2281085.22=⨯ 2、二期恒载根据设计图纸工程数量表得:(二)、中跨1、一期恒载根据设计图纸工程数量表得:桥面板自重(1g ):1号、9号 KN 2.2721022.27=⨯ 2号~8号 KN 7.2261067.22=⨯ 2、二期恒载根据设计图纸工程数量表得:(三)简支体系上支座恒载反力(空心板+铰缝 ,每片梁一端视为一个支座)(四)连续体系上二期恒载引起支座反力1、防水混凝土+沥青铺装+封头+接缝按均布荷载计算作用于五跨连续体系上KN q 28.44)6.2851.4522.2725.450(201=+⨯+⨯+⨯=引起的支座反力为:2、防撞护栏引起的支座反力表—11(五)恒载引起的支座反力汇总(简支体系恒载支座反力+连续体系恒载支座反力)三)上部结构汽车活载引起支座反力计算根据《公路桥涵设计通用规范》(JTG D60—2004) 4.3.1 计算得车道荷载为:m KN q K /875.7= KN P K 72.177=根据《公路桥涵设计通用规范》(JTG D60—2004) 4.3.2 计算得汽车荷载冲击系数为:43.0=μ(结构基频为f 1=c Cm EI l 22616.13π0157.01767.0-=Inf μ)然后根据《公路桥涵设计通用规范》(JTG D60—2004) 4.3.1进行布载计算(一)按0号台最不利布载(一、三、五跨布均布荷载,0号台支座处布集中荷载)支座反力列于下表(已计入冲击力,单位:KN)(二)按1号墩最不利布载(一、二、四跨布均布荷载,1号墩支座处布集中荷载)支座反力列于下表(已计入冲击力,单位:KN)(三)按2号墩最不利布载(二、三、五跨布均布荷载,2号墩支座处布集中荷载)支座反力列于下表(已计入冲击力,单位:KN)四)各墩台支座反力汇总(一)0号台(二)1号墩(单位:KN)(三)2号墩注:3号墩支座反力同2号墩,4号同1号,5号墩全部支座反力为0号台的二倍二)、盖梁计算(1、5号墩)(一)、荷载计算1、上部结构恒载计算如上表2、盖梁自重及内力计算见表—19盖梁自重及产生的弯矩、剪力计算表3、活载计算见上表 (二)、内力计算1、恒载加活载作用下各截面内力考虑盖梁与墩柱线刚度比为555.2<,盖梁按8.2.1规定刚构计算如下: (1)弯矩计算M1-1=0 M2-2=01.11⨯-R M3-3=1201.21⨯-⨯-R RM4-4=132201.31⨯-⨯-⨯-R R R M5-5=14233201.41⨯-⨯-⨯-⨯-R R R R M6-6=45.0445.1345.2246.31⨯-⨯-⨯-⨯-R R R R1号墩各种荷载作用下各截面弯矩计算如下表-20(1)表-20(1)考虑墩柱支承对盖梁内力消减作用,取控制截面6-6M6-6=45.0445.1345.2246.31⨯-⨯-⨯-⨯-R R R R5号墩各种荷载作用下各截面弯矩计算如下表-20(2)表-20(2)(单位:KN •m )(2)1号墩盖梁内力汇总计算见表-211号墩盖梁内力汇总表表-215号墩盖梁内力汇总计算见表-225号墩盖梁内力汇总表以上二表盖梁内力为设计值,均采用《公路桥涵设计通用规范》(JTG D60—2004)4.1.6规定的基本组合,恒载分项系数为1.2,活载分项系数为1.4。
计算书工程名称:设计编号:计算内容:桥梁计算书共页计算年月日校核年月日审核年月日专业负责年月日目录一、计算资料.......................................... 错误!未定义书签。
二、桥梁纵向荷载计算.................................. 错误!未定义书签。
1.永久作用........................................... 错误!未定义书签。
2.可变作用........................................... 错误!未定义书签。
三、桥墩、桥台盖梁抗弯、抗剪承载力计算及裂缝宽度计算.. 错误!未定义书签。
四、墩台桩基竖向承载力计算............................ 错误!未定义书签。
五、桥台桩身内力计算.................................. 错误!未定义书签。
1、桥台桩顶荷载计算................................... 错误!未定义书签。
2、桥台桩基变形系数计算............................... 错误!未定义书签。
3、m法计算桥台桩身内力............................... 错误!未定义书签。
六、桥墩桩身内力计算.................................. 错误!未定义书签。
1、桥墩墩柱顶荷载计算................................. 错误!未定义书签。
2、桥墩桩基变形系数计算............................... 错误!未定义书签。
3、m法计算桥墩桩身内力............................... 错误!未定义书签。
七、桥台、桥墩桩基桩身强度校核........................ 错误!未定义书签。
1、桥台桩基桩身强度校核............................... 错误!未定义书签。
2、桥墩桩基桩身强度校核............................... 错误!未定义书签。
一、计算资料汽车荷载:城—A级人群荷载:按《城市桥梁设计规范》(CJJ 11-2011)10.0.5条取用。
2.桥梁跨径及横断面布置=12.60 m;跨径组合:3×13m简支梁桥,单孔计算跨径:l桥梁横断面:4.5m(人行道)+15m(混行车道)+ 4.5m(人行道)=24m。
3.桥梁主要构造上部结构采用3跨13m装配式先张法预应力空心板梁(使用《中华人民共和国交通行业公路桥梁通用图》板梁系列,编号36-2分册,交通部专家委员会等编制)。
下部结构采用桩柱式桥墩、桥台。
墩台基础采用φ120cm钻孔灌注桩。
4.桥梁主要材料(1)、混凝土空心板梁:采用C50砼预制,C40砼封端,板梁铰缝采用C50砼浇注;桥面铺装:10cm厚C50砼现浇层+4cm细粒式沥青砼(AC-13C)+6cm中粒式沥青砼(AC-20C);墩台盖梁:C30砼;墩台桩基础:C30水下砼。
(2)、钢筋普通钢筋采用HPB300和HRB400钢筋,板梁预应力钢筋为Φ高强度低松弛预应力钢绞线。
5.计算依据《城市桥梁设计规范》(CJJ11-2011)《公路桥涵设计通用规范》(JTG D60-2004)《公路钢筋混凝土及预应力混凝土桥涵设计规范》(JTG D60-2004)《公路桥涵地基与基础设计规范》(JTG D60-2004)6.计算内容由于设计周期较短,设计时桥梁上部结构套用《中华人民共和国交通行业公路桥梁通用图》(板梁系列,编号36-2分册,交通部专家委员会等编制)图纸,不再进行验算,本计算书主要对桥梁墩台、桩基等下部结构进行计算。
二、桥梁纵向荷载计算1.永久作用(1)、单片板梁自重(含封端砼):中板:×26+×25=边板:×26+×25=①、单条铰缝:×25=②、防水砼铺装(单片板梁宽度):×1×13×25= kN③、沥青砼铺装(单片板梁宽度):×1×13×24=④、单侧单孔栏杆自重:8×13=104 kN⑤、单侧单孔人行道(枕梁+人行道板+铺装)自重:++×25=2.可变作用(1)、汽车荷载:城—A级,q=m,P=212kN/m(2)、汽车冲击荷载:冲击系数u=(3)、人群荷载:三、桥墩、桥台盖梁抗弯、抗剪承载力计算及裂缝宽度计算桥墩、桥台盖梁采用桥梁通计算,盖梁按照连续梁模式分别计算其抗弯、抗剪和裂缝宽度验算。
计算时程序自动对汽车荷载和人群荷载进行最不利加载,并计入纵横向折减,永久作用为计算者手动输入到程序中。
计算结果:桥墩、桥台盖梁弯矩包络图、剪力包络图和裂缝配筋图详见“附图1桥墩盖梁弯矩包络图、剪力包络图和裂缝配筋图”、“附图2桥台盖梁弯矩包络图、剪力包络图和裂缝配筋图”。
根据包络图可见,桥墩、桥台盖梁纵向配筋基本由裂缝验算控制。
盖梁抗剪验算按照已知箍筋间距计算斜筋根数的方法计算,盖梁配置四肢C14箍筋,计算其在盖梁桩顶截面需要配置的斜筋根数,具体根数详见剪力包络图。
四、墩台桩基竖向承载力计算由桥梁通对桥墩、桥台盖梁的计算可知,桥墩桩基墩柱顶竖向荷载Nmax=,桥台桩基桩顶竖向荷载Nmax=。
在桥台桩长计算时,由于场地赋存较厚软弱土层,应考虑桩基负摩阻力的不利作用。
其中0#桥台桩基负摩阻力Nq=371kN,3#桥台桩基负摩阻力Nq=410kN,负摩阻力作为外荷载加在桩顶。
五、桥台桩身内力计算1、桥台桩顶荷载计算桥台荷载计算时,一般考虑以下三种工况:(一)桥上有活载,台后无活载;(二)桥上无活载,台后有活载;(三)桥上有活载,台后有活载。
由于在前述桥梁通计算桩顶竖向荷载时,为考虑了桥跨与搭板上均分布有汽车荷载所得到的结果,同时本桥跨径小,为计算简便,故盖梁底水平荷载与弯矩按第三种工况计算,其他两种工况不再计算。
此时需计算的荷载包括:恒载(上部结构自重、桥台自重)、桥上汽车、人群荷载、台后有车辆荷载等时产生的土压力,同时考虑制动力的不利影响。
桥台盖梁底水平力与弯矩计算结果(弯矩以主动土压力方向为正)则桥台单桩桩顶水平力H=734/5=,弯矩M=5=m。
2、桥台桩基变形系数计算桩基直径d=1.2m,kf=,k=桩台桩基计算宽度b1=kk(d+1)=1.98mf桩惯性矩I=1/64××=0.1018m4桩抗弯刚度EI==×3×107×=2442902kN.㎡地基土水平抗力系数的比例系数m=4000kN/m4桩台桩基变形系数α===m桥台桩长h=31m,αh=×31=>,故桥台桩基可按弹性桩计算。
3、m法计算桥台桩身内力桥台桩基内力采用m法计算,利用桥梁博士基础模块输出计算结果如下:单桩内力和位移效应输出六、桥墩桩身内力计算1、桥墩墩柱顶荷载计算由桥梁通对桥墩盖梁的计算可知,桥墩墩柱顶竖向荷载Nmax=,此时考虑制动力分配作用于墩柱顶。
单个墩柱承担的制动力F=165/5=33 kNbk制动力在墩柱顶产生的弯矩M=165×5=2、桥墩桩基变形系数计算桩墩桩基计算宽度b1=kk(d+1)=1.98mf桩惯性矩I=1/64××=0.1018m4桩抗弯刚度EI==×3×107×=2442902kN.㎡地基土水平抗力系数的比例系数m=4000kN/m4桩墩桩基变形系数α===m桥墩位于冲刷线以下的桩长h=29.9m,位于冲刷线以上的墩柱长l=2.1m,αh=×=>,故桥墩桩基可按弹性桩计算。
3、m法计算桥墩桩身内力桥墩桩基内力采用m法计算,利用桥梁博士基础模块输出计算结果如下:冲刷线以下单桩内力和位移效应输出七、桥台、桥墩桩基桩身强度校核 1、桥台桩基桩身强度校核由前述桥台桩身内力计算可知,桥台桩基受力控制截面位于桩顶,该截面弯矩Md=,竖向力max 2014.3d N N kN ==。
由于在前述单桩竖向反力及m 法计算桩身内力时,各荷载组合均未计入荷载组合系数,计算桩基配筋时近似取最大弯矩乘以组合系数作为桩身弯矩进行配筋验算,即Md=。
桥台桩基延桩周对称布置20C22钢筋,桩身强度按圆形截面偏心受压构件计算,桩的计算长度 0440.70.700.318l l α⎛⎫⎛⎫=+=⨯+= ⎪ ⎪⎝⎭⎝⎭8.8m 。
计算过程详见下表:2、桥墩桩基桩身强度校核由前述桥墩桩身内力计算可知,桥墩桩基受力控制截面位于冲刷线以下2.99m 处,该截面弯矩Md=,竖向力()22max 2236.8 1.2 2.1 2.99252380.744d c N N d l kN ππγ=+=+⨯⨯+⨯=由于在前述单桩竖向反力及m 法计算桩身内力时,各荷载组合均未计入荷载组合系数,计算桩基配筋时近似取最大弯矩乘以组合系数作为桩身弯矩进行配筋验算,即Md=。
桥墩桩基延桩周对称布置20C22钢筋,桩身强度按圆形截面偏心受压构件计算,桩的计算长度 0440.70.7 2.10.318l l α⎛⎫⎛⎫=+=⨯+= ⎪ ⎪⎝⎭⎝⎭10.28m 。
计算过程详见下表:。