安全检查隐患整改单6.1.810535
- 格式:doc
- 大小:116.50 KB
- 文档页数:17
徐州珍宝岛.熙悦府北地块《安全检查隐患通知单》公司名称:通州建总集团有限公司工程名称:徐州珍宝岛.熙悦府负责人:彭金刚、张云、高星时间:2018年5月1日通州建总集团有限公司表6.1.8 安全检查隐患通知单检查部门:徐州珍宝岛.熙悦府项目部检查日期:2018.5.6存在问题经检查现场存在以下安全隐患:一、6#西侧现场材料堆放混乱,必须分类码放整齐二、1#二级配电箱、三级配电箱无安全防护措施,基础不牢,必须用砖砌或混泥土浇筑放平固定完好三、所有配电箱内要有定期检查记录四、现场施工机械接地部分不到位,必须立即整改五、木工班组临时用电严禁使用花线、拖线板,必须使用三级配电箱六、现场机械级木工圆盘据严禁使用倒顺开关整改计划整改措施完成时间责任人一、材料分类码放,不能用的材料堆放在不妨碍施工地方,以备以后处理二、配电箱搭设防护鹏要两层一层防雨、一层防砸、配电箱基础用C10混泥土浇筑固定三、所有电箱要有专人管理,定期检查、并填写好记录四、现场临时用电采用三项四线及活动配电箱五、木工圆盘据上倒顺开关、必须立即更换2018.5.8复查情况复查人:日期:安全员(签字)整改责任人(签字)注:本单一式两份,由现场专职安全员及整改责任人各执一份。
表6.1.8 安全检查隐患通知单检查部门:徐州珍宝岛.熙悦府项目部检查日期:2018.5.13存在问题检查内容及存在的安全隐患:一、12#楼外脚手架部分缺少横杆二、脚手架上堆放材料没有及时清理三、1#上人楼梯部分缺少扶手四、9#外架安全网没有挂好、有的被拆除五,12#楼南侧脚手架悬空,立杆不到底整改计划整改措施完成时间责任人1、脚手架横杆,必须立即加上2、脚手架上材料立即清理,必须做到工完场清3、上人楼梯扶手、安全网立即整改4、12#楼南侧脚手架必须采取加固,或用钢丝绳拉牢2018.5.15复查情况复查人:日期:安全员(签字)整改责任人(签字)注:本单一式两份,由现场专职安全员及整改责任人各执一份。
徐州珍宝岛•熙悦府项目安全隐患通知单记录人:施工单位:通州建总集团有限公司时间:二○一七年九月表6.1.8 安全隐患通知单检查部门:通州建总珍宝岛项目部检查日期:经检查现场存在以下安全隐患:存在问题整改措施完成时间责任人整改计划复查情况复查人:日期:安全员(签字)整改责任人(签字)注:本单一式两份,由现场专职安全员及整改责任人各执一份。
检查部门:通州建总珍宝岛项目部检查日期:经检查现场存在以下安全隐患:存在问题整改措施完成时间责任人整改计划复查情况复查人:日期:安全员(签字)整改责任人(签字)注:本单一式两份,由现场专职安全员及整改责任人各执一份。
检查部门:通州建总珍宝岛项目部检查日期:经检查现场存在以下安全隐患:存在问题整改措施完成时间责任人整改计划复查情况复查人:日期:安全员(签字)整改责任人(签字)注:本单一式两份,由现场专职安全员及整改责任人各执一份。
检查部门:通州建总珍宝岛项目部检查日期:经检查现场存在以下安全隐患:存在问题整改措施完成时间责任人整改计划复查情况复查人:日期:安全员(签字)整改责任人(签字)注:本单一式两份,由现场专职安全员及整改责任人各执一份。
检查部门:通州建总珍宝岛项目部检查日期:经检查现场存在以下安全隐患:存在问题整改措施完成时间责任人整改计划复查情况复查人:日期:安全员(签字)整改责任人(签字)注:本单一式两份,由现场专职安全员及整改责任人各执一份。
检查部门:通州建总珍宝岛项目部检查日期:经检查现场存在以下安全隐患:存在问题整改措施完成时间责任人整改计划复查情况复查人:日期:安全员(签字)整改责任人(签字)注:本单一式两份,由现场专职安全员及整改责任人各执一份。
检查部门:通州建总珍宝岛项目部检查日期:经检查现场存在以下安全隐患:存在问题整改措施完成时间责任人整改计划复查情况复查人:日期:安全员(签字)整改责任人(签字)注:本单一式两份,由现场专职安全员及整改责任人各执一份。
表6.1.8 安全检查隐患整改单检查部门:项目管理部检查日期:2013.11.12注:本单一式两份,由现场专职安全员及整改责任人各执一份。
表6.1.8 安全检查隐患整改单检查部门:项目管理部检查日期:2013.11.19表6.1.8 安全检查隐患整改单检查部门:项目管理部检查日期:2013.11.26表6.1.8 安全检查隐患整改单检查部门:项目管理部检查日期:2013.12.3表6.1.8 安全检查隐患整改单检查部门:项目管理部检查日期:2013.12.17表6.1.8 安全检查隐患整改单检查部门:项目管理部检查日期:2013.12.24表6.1.8 安全检查隐患整改单检查部门:项目管理部检查日期:2014.1.7注:本单一式两份,由现场专职安全员及整改责任人各执一份。
表6.1.8 安全检查隐患整改单检查部门:项目管理部检查日期:2014.1.14注:本单一式两份,由现场专职安全员及整改责任人各执一份。
表6.1.8 安全检查隐患整改单检查部门:项目管理部检查日期:2014.3.4表6.1.8 安全检查隐患整改单检查部门:项目管理部检查日期:2014.3.11注:本单一式两份,由现场专职安全员及整改责任人各执一份。
表6.1.8 安全检查隐患整改单检查部门:项目管理部检查日期:2014.3.18注:本单一式两份,由现场专职安全员及整改责任人各执一份。
表6.1.8 安全检查隐患整改单检查部门:项目管理部检查日期:2014.3.25表6.1.8 安全检查隐患整改单检查部门:项目管理部检查日期:2014.4.1表6.1.8 安全检查隐患整改单检查部门:项目管理部检查日期:2014.4.15表6.1.8 安全检查隐患整改单检查部门:项目管理部检查日期:2014.4.25注:本单一式两份,由现场专职安全员及整改责任人各执一份。
表6.1.8 安全检查隐患整改单检查部门:项目管理部检查日期:2014. 5.2注:本单一式两份,由现场专职安全员及整改责任人各执一份。
检查部门:检查日期:存在问题及整改措施16、现场电工班组:我项目部全面、细致对你班组所管辖内临时用电进行检查后发现存在如下安全隐患1、施工现场各配电箱未上锁,施工人员“私拉乱接”严重。
整改要求:配电箱必须上锁,防止作业人员“私拉乱接”。
2、漏电保护器接线处安全防护罩部分破损、丢失,接线处裸露。
整改要求:漏电保护器等安全防护罩应接、拆线后及时进行恢复,严防触电事故。
3、钢筋料场部分电缆线未进行埋地敷设,随地拖动,且与钢筋材料混在一起。
整改要求:所以施工现场电缆线不得随地拖动,必须进行埋地、或者架空敷设。
令你班组必须将未进行埋地的电缆线进行埋地处理。
4、二级配电箱进线处电缆线未进行防触电措施,直接绑扎在钢筋棚钢管立柱上。
整改要求:任何电缆线不得直接绑、挂在防护棚、脚手架等钢管杆件上,必须进行必要的绝缘措施。
5、配电箱内布线混乱未进行标识。
整改要求:配电箱及箱内各类线路必须进行相关标识及走向标志。
以上问题限期你班组2天时间进行整改,望你班组引起足够重视。
后期复查时发现整改不到位我项目部将对你班组进行经济处罚,如果滞后一天罚款追加50% 。
另,10月12日—18日政府监管部门对新区施工现场进行检查,如因你临时用电安全方面存在问题而被相关部门提出批评及处罚,后果由你班组承担。
项目经理意见:复查结果复查人:日期:安全员:施工员:整改责任人:注:本单一式两份,由现场专职安全员及整改责任人各执一份。
检查部门:检查日期:存在问题及整改措施17、现场电工班组:我项目部全面、细致对你班组所管辖内临时用电进行检查后发现存在如下安全隐患1、施工现场各配电箱未上锁,施工人员“私拉乱接”严重。
整改要求:配电箱必须上锁,防止作业人员“私拉乱接”。
2、漏电保护器接线处安全防护罩部分破损、丢失,接线处裸露。
整改要求:漏电保护器等安全防护罩应接、拆线后及时进行恢复,严防触电事故。
3、钢筋料场部分电缆线未进行埋地敷设,随地拖动,且与钢筋材料混在一起。
徐州珍宝岛.熙悦府北地块《安全检查隐患通知单》公司名称:通州建总集团有限公司工程名称:徐州珍宝岛.熙悦府负责人:彭金刚、张云、高星时间:2018年5月1日通州建总集团有限公司表6.1.8 安全检查隐患通知单检查部门:徐州珍宝岛.熙悦府项目部检查日期:2018.5.6存在问题经检查现场存在以下安全隐患:一、6#西侧现场材料堆放混乱,必须分类码放整齐二、1#二级配电箱、三级配电箱无安全防护措施,基础不牢,必须用砖砌或混泥土浇筑放平固定完好三、所有配电箱内要有定期检查记录四、现场施工机械接地部分不到位,必须立即整改五、木工班组临时用电严禁使用花线、拖线板,必须使用三级配电箱六、现场机械级木工圆盘据严禁使用倒顺开关整改计划整改措施完成时间责任人一、材料分类码放,不能用的材料堆放在不妨碍施工地方,以备以后处理二、配电箱搭设防护鹏要两层一层防雨、一层防砸、配电箱基础用C10混泥土浇筑固定三、所有电箱要有专人管理,定期检查、并填写好记录四、现场临时用电采用三项四线及活动配电箱五、木工圆盘据上倒顺开关、必须立即更换2018.5.8复查情况复查人:日期:安全员(签字)整改责任人(签字)注:本单一式两份,由现场专职安全员及整改责任人各执一份。
表6.1.8 安全检查隐患通知单检查部门:徐州珍宝岛.熙悦府项目部检查日期:2018.5.13存在问题检查内容及存在的安全隐患:一、12#楼外脚手架部分缺少横杆二、脚手架上堆放材料没有及时清理三、1#上人楼梯部分缺少扶手四、9#外架安全网没有挂好、有的被拆除五,12#楼南侧脚手架悬空,立杆不到底整改计划整改措施完成时间责任人1、脚手架横杆,必须立即加上2、脚手架上材料立即清理,必须做到工完场清3、上人楼梯扶手、安全网立即整改4、12#楼南侧脚手架必须采取加固,或用钢丝绳拉牢2018.5.15复查情况复查人:日期:安全员(签字)整改责任人(签字)注:本单一式两份,由现场专职安全员及整改责任人各执一份。
徐州珍宝岛.熙悦府北地块《安全检查隐患通知单》公司名称:通州建总集团有限公司工程名称:徐州珍宝岛.熙悦府负责人:彭金刚、张云、高星时间:2018年5月1日通州建总集团有限公司表6.1.8 安全检查隐患通知单检查部门:徐州珍宝岛.熙悦府项目部检查日期:2018.5.6存在问题经检查现场存在以下安全隐患:一、6#西侧现场材料堆放混乱,必须分类码放整齐二、1#二级配电箱、三级配电箱无安全防护措施,基础不牢,必须用砖砌或混泥土浇筑放平固定完好三、所有配电箱内要有定期检查记录四、现场施工机械接地部分不到位,必须立即整改五、木工班组临时用电严禁使用花线、拖线板,必须使用三级配电箱六、现场机械级木工圆盘据严禁使用倒顺开关整改计划整改措施完成时间责任人一、材料分类码放,不能用的材料堆放在不妨碍施工地方,以备以后处理二、配电箱搭设防护鹏要两层一层防雨、一层防砸、配电箱基础用C10混泥土浇筑固定三、所有电箱要有专人管理,定期检查、并填写好记录四、现场临时用电采用三项四线及活动配电箱五、木工圆盘据上倒顺开关、必须立即更换2018.5.8复查情况复查人:日期:安全员(签字)整改责任人(签字)注:本单一式两份,由现场专职安全员及整改责任人各执一份。
表6.1.8 安全检查隐患通知单检查部门:徐州珍宝岛.熙悦府项目部检查日期:2018.5.13存在问题检查内容及存在的安全隐患:一、12#楼外脚手架部分缺少横杆二、脚手架上堆放材料没有及时清理三、1#上人楼梯部分缺少扶手四、9#外架安全网没有挂好、有的被拆除五,12#楼南侧脚手架悬空,立杆不到底整改计划整改措施完成时间责任人1、脚手架横杆,必须立即加上2、脚手架上材料立即清理,必须做到工完场清3、上人楼梯扶手、安全网立即整改4、12#楼南侧脚手架必须采取加固,或用钢丝绳拉牢2018.5.15复查情况复查人:日期:安全员(签字)整改责任人(签字)注:本单一式两份,由现场专职安全员及整改责任人各执一份。
第1篇一、基本信息1. 单位名称:____________________2. 单位地址:____________________3. 排查人:____________________4. 排查时间:____________________5. 整改责任人:____________________二、排查范围1. 人员:对全体员工进行安全教育培训,确保员工具备基本的安全意识和操作技能。
2. 设备:对生产设备、安全防护设施、应急救援设施等进行全面检查。
3. 环境:对生产场所、作业现场、办公区域等进行环境安全检查。
4. 管理制度:对安全管理制度、操作规程、应急预案等进行审查。
三、排查内容1. 人员安全意识(1)员工是否熟悉岗位安全操作规程;(2)员工是否掌握应急处置措施;(3)员工是否具备安全防护意识。
2. 设备安全(1)生产设备是否定期进行维护保养;(2)安全防护设施是否完好;(3)应急救援设施是否齐全有效。
3. 环境安全(1)生产场所是否存在安全隐患;(2)作业现场是否规范操作;(3)办公区域是否存在火灾、触电等安全隐患。
4. 管理制度(1)安全管理制度是否完善;(2)操作规程是否明确;(3)应急预案是否可行。
四、排查结果1. 人员安全意识(1)存在问题:部分员工对安全操作规程掌握不熟练;(2)整改措施:加强安全教育培训,提高员工安全意识。
2. 设备安全(1)存在问题:部分设备存在安全隐患,如:防护装置损坏、应急救援设施不足;(2)整改措施:立即更换损坏的防护装置,补充应急救援设施。
3. 环境安全(1)存在问题:生产场所存在安全隐患,如:通道不畅、照明不足;(2)整改措施:清理通道,确保畅通;加强照明设施维修,确保照明充足。
4. 管理制度(1)存在问题:安全管理制度不够完善,部分操作规程模糊;(2)整改措施:完善安全管理制度,明确操作规程。
五、整改落实1. 人员安全意识(1)责任人:安全教育培训负责人;(2)整改措施:加强安全教育培训,提高员工安全意识。
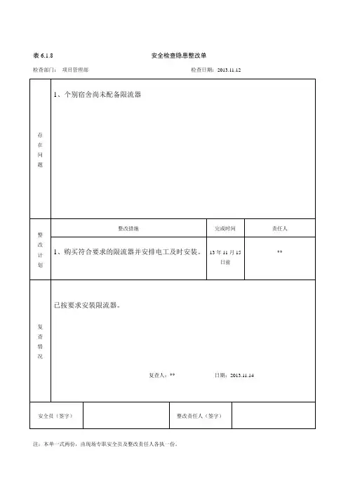
表6.1.8安全检查隐患整改单检查部门:项目管理部检查日期:存在问题1、个别宿舍尚未配备限流器整改计划整改措施完成时间责任人1、购买符合要求的限流器并安排电工及时安装。
13年11月15日前**复查情况已按要求安装限流器。
复查人:**日期:安全员(签字)整改责任人(签字)注:本单一式两份,由现场专职安全员及整改责任人各执一份。
表6.1.8安全检查隐患整改单检查部门:项目管理部检查日期:存在问题1、工人未按要求佩戴安全帽整改计划整改措施完成时间责任人1、对当时人罚款50元并进行批评教育,同时要求相关班组长做好班前的安全技术交底工作。
13年11月20日前**复查情况已按要求佩戴安全帽等其他防护用品。
复查人:**日期:安全员(签字)整改责任人(签字)注:本单一式两份,由现场专职安全员及整改责任人各执一份。
表6.1.8安全检查隐患整改单检查部门:项目管理部检查日期:存在问题安全台账与稍有滞后整改计划整改措施完成时间责任人1、立即对部分台账进行完善。
13年11月29日前**复查情况已按要求整改。
复查人:**日期:安全员(签字)整改责任人(签字)注:本单一式两份,由现场专职安全员及整改责任人各执一份。
表6.1.8安全检查隐患整改单检查部门:项目管理部检查日期:2013.12.3存在问题1、宿舍区垃圾须及时清理整改计划整改措施完成时间责任人1、安排工人立即清理,并对责任班组长进行教育批评,加强其安全卫生意识。
13年12月4日前**复查情况1、已清理完毕。
复查人:**日期:2013.12.4安全员(签字)整改责任人(签字)注:本单一式两份,由现场专职安全员及整改责任人各执一份。
表6.1.8安全检查隐患整改单检查部门:项目管理部检查日期:存在问题1、基坑边安全网存在破损整改计划整改措施完成时间责任人1、立即安排工人对破损处进行修复。
13年11月20日前**复查情况整改完毕,已更换。
复查人:**日期:安全员(签字)整改责任人(签字)注:本单一式两份,由现场专职安全员及整改责任人各执一份。
徐州珍宝岛•熙悦府项目安全隐患通知单记录人:施工单位:通州建总集团有限公司时间:二○一七年九月表6.1.8 安全隐患通知单检查部门:通州建总珍宝岛项目部检查日期:经检查现场存在以下安全隐患:存在问题整改措施完成时间责任人整改计划复查情况复查人:日期:安全员(签字)整改责任人(签字)注:本单一式两份,由现场专职安全员及整改责任人各执一份。
检查部门:通州建总珍宝岛项目部检查日期:经检查现场存在以下安全隐患:存在问题整改措施完成时间责任人整改计划复查情况复查人:日期:安全员(签字)整改责任人(签字)注:本单一式两份,由现场专职安全员及整改责任人各执一份。
检查部门:通州建总珍宝岛项目部检查日期:经检查现场存在以下安全隐患:存在问题整改措施完成时间责任人整改计划复查情况复查人:日期:安全员(签字)整改责任人(签字)注:本单一式两份,由现场专职安全员及整改责任人各执一份。
检查部门:通州建总珍宝岛项目部检查日期:经检查现场存在以下安全隐患:存在问题整改措施完成时间责任人整改计划复查情况复查人:日期:安全员(签字)整改责任人(签字)注:本单一式两份,由现场专职安全员及整改责任人各执一份。
检查部门:通州建总珍宝岛项目部检查日期:经检查现场存在以下安全隐患:存在问题整改措施完成时间责任人整改计划复查情况复查人:日期:安全员(签字)整改责任人(签字)注:本单一式两份,由现场专职安全员及整改责任人各执一份。
检查部门:通州建总珍宝岛项目部检查日期:经检查现场存在以下安全隐患:存在问题整改措施完成时间责任人整改计划复查情况复查人:日期:安全员(签字)整改责任人(签字)注:本单一式两份,由现场专职安全员及整改责任人各执一份。
检查部门:通州建总珍宝岛项目部检查日期:经检查现场存在以下安全隐患:存在问题整改措施完成时间责任人整改计划复查情况复查人:日期:安全员(签字)整改责任人(签字)注:本单一式两份,由现场专职安全员及整改责任人各执一份。
表安全检查隐患整改单
检查部门:苏州城市公共配送枢纽三期工程项目部检查日期:
注:本单一式两份,由现场专职安全员及整改责任人各执一份。
表安全检查隐患整改单
检查部门:苏州城市公共配送枢纽三期工程项目部检查日期:
注:本单一式两份,由现场专职安全员及整改责任人各执一份。
表安全检查隐患整改单
检查部门:苏州城市公共配送枢纽三期工程项目部检查日期:
注:本单一式两份,由现场专职安全员及整改责任人各执一份。
表安全检查隐患整改单
检查部门:苏州城市公共配送枢纽三期工程项目部检查日期:
注:本单一式两份,由现场专职安全员及整改责任人各执一份。
检查部门:苏州城市公共配送枢纽三期工程项目部检查日期:
注:本单一式两份,由现场专职安全员及整改责任人各执一份。
检查部门:苏州城市公共配送枢纽三期工程项目部检查日期:
注:本单一式两份,由现场专职安全员及整改责任人各执一份。
检查部门:苏州城市公共配送枢纽三期工程项目部检查日期:
注:本单一式两份,由现场专职安全员及整改责任人各执一份。
检查部门:苏州城市公共配送枢纽三期工程项目部检查日期:
注:本单一式两份,由现场专职安全员及整改责任人各执一份。
检查部门:苏州城市公共配送枢纽三期工程项目部检查日期:
注:本单一式两份,由现场专职安全员及整改责任人各执一份。
检查部门:苏州城市公共配送枢纽三期工程项目部检查日期:
注:本单一式两份,由现场专职安全员及整改责任人各执一份。
表安全检查隐患整改单
检查部门:苏州城市公共配送枢纽三期工程项目部检查日期:
注:本单一式两份,由现场专职安全员及整改责任人各执一份。
表6.1.8 安全检查隐患整改单检查部门:项目管理部检查日期:2013.11.12注:本单一式两份,由现场专职安全员及整改责任人各执一份。
表6.1.8 安全检查隐患整改单检查部门:项目管理部检查日期:2013.11.19注:本单一式两份,由现场专职安全员及整改责任人各执一份。
表6.1.8 安全检查隐患整改单检查部门:项目管理部检查日期:2013.11.26注:本单一式两份,由现场专职安全员及整改责任人各执一份。
表6.1.8 安全检查隐患整改单检查部门:项目管理部检查日期:2013.12.3注:本单一式两份,由现场专职安全员及整改责任人各执一份。
表6.1.8 安全检查隐患整改单检查部门:项目管理部检查日期:2013.12.17注:本单一式两份,由现场专职安全员及整改责任人各执一份。
表6.1.8 安全检查隐患整改单检查部门:项目管理部检查日期:2013.12.24注:本单一式两份,由现场专职安全员及整改责任人各执一份。
表6.1.8安全检查隐患整改单检查部门: 项目管理部 检查日期:2014.1.7注:本单一式两份,由现场专职安全员及整改责任人各执一份。
表6.1.8 安全检查隐患整改单检查部门:项目管理部检查日期:2014.1.14注:本单一式两份,由现场专职安全员及整改责任人各执一份。
表6.1.8 安全检查隐患整改单检查部门:项目管理部检查日期:2014.3.4注:本单一式两份,由现场专职安全员及整改责任人各执一份。
表6.1.8 安全检查隐患整改单检查部门:项目管理部检查日期:2014.3.11注:本单一式两份,由现场专职安全员及整改责任人各执一份。
表6.1.8 安全检查隐患整改单注:本单一式两份,由现场专职安全员及整改责任人各执一份。
检查部门:项目管理部检查日期:2014.3.25注:本单一式两份,由现场专职安全员及整改责任人各执一份。
表6.1.8 安全检查隐患整改单检查部门:项目管理部检查日期:2014.4.1注:本单一式两份,由现场专职安全员及整改责任人各执一份。
表6.1.8 安全检查隐患整改单检查部门:项目管理部检查日期:存在问题1、个别宿舍尚未配备限流器整改计划整改措施完成时间责任人1、购买符合要求的限流器并安排电工及时安装。
13年11月15日前**复查情况已按要求安装限流器。
复查人:** 日期:安全员(签字)整改责任人(签字)注:本单一式两份,由现场专职安全员及整改责任人各执一份。
表6.1.8 安全检查隐患整改单检查部门:项目管理部检查日期:存在问题1、工人未按要求佩戴安全帽整改计划整改措施完成时间责任人1、对当时人罚款50元并进行批评教育,同时要求相关班组长做好班前的安全技术交底工作。
13年11月20日前**复查情况已按要求佩戴安全帽等其他防护用品。
复查人:** 日期:安全员(签字)整改责任人(签字)注:本单一式两份,由现场专职安全员及整改责任人各执一份。
表6.1.8 安全检查隐患整改单检查部门:项目管理部检查日期:存在问题安全台账与稍有滞后整改计划整改措施完成时间责任人1、立即对部分台账进行完善。
13年11月29日前**复查情况已按要求整改。
复查人:** 日期:安全员(签字)整改责任人(签字)注:本单一式两份,由现场专职安全员及整改责任人各执一份。
表6.1.8 安全检查隐患整改单检查部门:项目管理部检查日期:2013.12.3存在问题1、宿舍区垃圾须及时清理整改计划整改措施完成时间责任人1、安排工人立即清理,并对责任班组长进行教育批评,加强其安全卫生意识。
13年12月4日前**复查情况1、已清理完毕。
复查人:** 日期:2013.12.4安全员(签字)整改责任人(签字)注:本单一式两份,由现场专职安全员及整改责任人各执一份。
表6.1.8 安全检查隐患整改单检查部门:项目管理部检查日期:存在问题1、基坑边安全网存在破损整改计划整改措施完成时间责任人1、立即安排工人对破损处进行修复。
13年11月20日前**复查情况整改完毕,已更换。
复查人:** 日期:安全员(签字)整改责任人(签字)注:本单一式两份,由现场专职安全员及整改责任人各执一份。
检查部门:通州建总珍宝岛项目部检查日期:2017.11.27存在问题经检查现场存在以下安全隐患:一、临时用电严禁使用花线、拖线板。
二、现场三级配电箱存在一闸多用,必须一机一闸一漏一保护。
三、现场施工活动脚手架上面没有安全防护,必须安装1.2M高防护栏杆。
四、S1地下室严禁人员入内,因为地下室是密封状态,我方已经安排洞口封堵完毕。
S1装修队伍因存放工具破开洞口,现S1装修队伍立即把工具搬离,严禁人员入内,否则出安全事故自负。
整改计划整改措施完成时间责任人复查情况复查人:日期:安全员(签字)整改责任人(签字)注:本单一式两份,由现场专职安全员及整改责任人各执一份。
检查部门:通州建总珍宝岛项目部检查日期:2017.11.22存在问题检查内容及存在的安全隐患:一、2#—7#楼外脚手架部分缺少扫地杆、立杆二、脚手架上堆放材料没有及时清理三、上人楼梯部分缺少扶手四、外架安全网没有挂好、有的被拆除五,2#楼南侧脚手架悬空,有点向外斜整改计划整改措施完成时间责任人1、脚手架立杆,扫地杆,必须立即加上2、脚手架上材料立即清理,必须做到工完场清3、上人楼梯扶手、安全网立即整改4、2#楼南侧脚手架必须采取加固,或用钢丝绳拉牢2017.11.23复查情况复查人:日期:安全员(签字)整改责任人(签字)注:本单一式两份,由现场专职安全员及整改责任人各执一份。
表6.1.8 安全检查隐患整改单检查部门:通州建总珍宝岛项目部检查日期:2017.11.26存在问题经检查发现现场脚手架及施工存在安全隐患:一、5#、6#脚手架目前以低于施工作业面而、各楼层四口、五临边安全防护要及时跟上三,脚手架上竹笆有部分被拆除掉四、脚手架上安全网张挂不到位五、架子工有部分施工人员未佩戴好安全带整改计划整改措施完成时间责任人1、7#8#楼脚手架必须增加施工人员必须把架子搭设超出施工作业面1.5米2、楼层四口、五临边防护要派专人检查发现不到位立即整改3、脚手架上竹笆、安全网立即安排人员整改完好4、架子施工人员必须立即佩戴好安全带,方可施工2013.3.28复查情况复查人:日期:安全员(签字)整改责任人(签字)注:本单一式两份,由现场专职安全员及整改责任人各执一份。
表6.1.8 安全检查隐患整改单检查部门:通州建总珍宝岛项目部检查日期:2017.11..2存在问题经检查发现现场存在安全隐患:一、7#、8#脚手架目前以低于施工作业面,施工人员少而、2#上人楼梯边安全防护缺少三,2#外脚手架上有部分缺少立杆或被拆除掉必须四、脚手架上安全网张挂不到位五、7#架子工有部分施工人员未佩戴好安全带整改计划整改措施完成时间责任人脚手架施工人员增加,加快速度,楼梯边安全防护、安全网必须立即安排人员整改,施工人员未佩戴安全带,加强安全教育提高对安全知识,重视个人安全2017.11..4复查情况复查人:日期:安全员(签字)整改责任人(签字)注:本单一式两份,由现场专职安全员及整改责任人各执一份。
表6.1.8 安全检查隐患整改单检查部门:通州建总珍宝岛项目部检查日期:2017.11..3存在问题经现场检查6#二层支撑存在安全隐患:二层模板支撑严重存在安全隐患,布料机浇筑之前底下必须要加固牢,现检查发现缺少5根支撑立杆,无一处有扫地杆、剪刀撑,大梁底部必须加双扣件等,加固完成后经验收合格方可进行浇筑,或则不得浇筑施工,望各班组对安全引起重视。
整改计划整改措施完成时间责任人立即进行加固、整改,待验收合格方可施工2017.11..3复查情况复查人:日期:安全员(签字)整改责任人(签字)注:本单一式两份,由现场专职安全员及整改责任人各执一份。
表6.1.8 安全检查隐患整改单检查部门:通州建总珍宝岛项目部检查日期:2017.11..8存在问题经现场检查发现存在严重安全隐患:1、44#外脚手架现场施工人员不佩戴安全带;2、悬挑脚手架底部槽钢有部分不牢;3、槽钢尾部必须预埋件焊接在一起,使整体稳定不得有松动;4、有部分已焊接处被破坏必须立即加固;5、部分外架立杆已搭设,尾部没有焊接和加固;6、悬挑底部高低差太大,另外拐角处仍缺少立杆;以上存在问题必须立即进行整改,或则将给予一千元(1000元)罚款处理整改计划整改措施完成时间责任人2017.11..8复查情况复查人:日期:安全员(签字)整改责任人(签字)注:本单一式两份,由现场专职安全员及整改责任人各执一份。
表6.1.8 安全检查隐患整改单检查部门:通州建总珍宝岛项目部检查日期:2017.11..12存在问题经现场检查发现存在严重安全隐患:1、44#南侧阳台处离柱子太近(只有10公分左右)给造成木工无法施工,必须立即进行整改;2、所有楼层临边洞口、电梯井安全防护不到位的,必须立即安排人员搭设;3、脚手架距离剪力墙、柱子、阳台等临边洞口超出30公分,必须搭设防护并用竹笆或模板满铺;4、脚手架上竹笆片有损坏立即更换,每一片竹笆必须用铁丝绑扎不少于4处;5、安全网张挂不到位、破损的,立即整改好;6、脚手架连墙件必须按照规定放置预埋;以上存在问题限2日内整改完成,或则将给与重罚整改计划整改措施完成时间责任人2017.11..14复查情况复查人:日期:安全员(签字)整改责任人(签字)注:本单一式两份,由现场专职安全员及整改责任人各执一份。
表6.1.8 安全检查隐患整改单检查部门:通州建总珍宝岛项目部检查日期:2017.11..13存在问题经现场检查发现存在严重安全隐患:43#二层脚手架连墙件被拆除6处、三层脚手架连墙件被拆除4处,你班组接到整改通知单必须立即整改加固或则给予罚款处理;以上存在问题限1日内整改完成整改计划整改措施完成时间责任人2017.11..14复查情况复查人:日期:安全员(签字)整改责任人(签字)注:本单一式两份,由现场专职安全员及整改责任人各执一份。
表6.1.8 安全检查隐患整改单检查部门:通州建总珍宝岛项目部检查日期:2017.11..20存在问题现场巡查发现存在安全隐患:1.电梯井口安全防护不到位;2.采光井位置脚手架未满铺脚手板;3.沉降缝处未用脚手板铺设;4.临边洞口安全防护搭设不到位;5.施工临时用电电线、电缆混乱;6.塔吊基础内积水,未安排排出;7.楼梯口安全防护不到位;以上问题必须立即整改;整改计划整改措施完成时间责任人2017.11..23复查情况复查人:日期:安全员(签字)整改责任人(签字)注:本单一式两份,由现场专职安全员及整改责任人各执一份。
表6.1.8 安全检查隐患整改单检查部门:通州建总珍宝岛项目部检查日期:2017.12..6存在问题现场存在安全隐患:1、44#南侧阳台处缺少立杆,必须立即进行整改;2、所有楼层临边洞口、必须立即安排人员搭设;3、脚手架距离剪力墙、柱子、阳台等临边洞口超出30公分,必须搭设防护并用竹笆或模板满铺;4、脚手架上竹笆片有损坏立即更换,每一片竹笆必须用铁丝绑扎不少于4处;5、安全网张挂不到位、破损的,立即整改好;6、电梯井口安全防护门安装跟不上,必须立即进行安装。
7、所有洞口要铺盖严实,不得有松动现象;8、脚手架上钢管、扣件等材料,必须立即清理干净。
以上问题限2日内整改完成,或则将给于经济处罚。
整改计划整改措施完成时间责任人2017.12..8 杨国军复查情况复查人:日期:安全员(签字)整改责任人(签字)注:本单一式两份,由现场专职安全员及整改责任人各执一份。
表6.1.8 安全检查隐患整改单检查部门:通州建总珍宝岛项目部检查日期:2017.7.14存在问题现场巡查发现存在安全隐患:1、各栋楼层内临边洞口安全防护跟不上,必须立即进行整改;2、所有楼层预留洞口铺盖不牢、必须立即安排人员使用钢钉订牢固,不得有松动现象;3、45#楼梯口脚手架距离墙、柱子、超出30公分,没有悬挑出去上下贯通;4、脚手架上竹笆片有损坏立即更换,安全网张挂不到位、破损的,立即整改好;5、电梯井口安全防护门有的安装跟不上,必须立即进行安装。
6、脚手架上钢管、扣件等材料,必须立即清理干净。
7、43#、48#在施工升降机没有安装到位,洞口安全防护及安全网必须按安全规程要求整改好。
以上问题限2日内整改完成,或则将给于经济处罚。
整改计划整改措施完成时间责任人2017.7.16 杨国军复查情况复查人:日期:安全员(签字)整改责任人(签字)注:本单一式两份,由现场专职安全员及整改责任人各执一份。
检查部门:通州建总珍宝岛项目部检查日期:2017.7.17存在问题现场巡查发现存在安全隐患:1、今天上午43#、48#楼,你班组在楼层内电焊工作业火花掉落到外架安全网上,引起外架悬挑网起火险些造成火灾,我项目部给予警告一次,如再次发生类似事件将给予重罚;2、起火烧毁悬挑网更换的不合格,必须要有双层安全网,立即进行整改;3、各栋楼卸料平台已经超过外悬挑网后还有空隙的,必须连接成整体;4、44#楼南面一处悬挑网脱落,必须整改完好;以上问题限2日内整改完成,或则将给于经济处罚。
整改计划整改措施完成时间责任人2017.7.19 杨国军复查情况复查人:日期:安全员(签字)整改责任人(签字)注:本单一式两份,由现场专职安全员及整改责任人各执一份。
检查部门:通州建总珍宝岛项目部检查日期:2017.7.27存在问题现场巡查发现存在安全隐患:1、各栋楼外脚手架拉节点大部分没有按施工方案要求进行预埋,存在重大安全隐患;2、楼层内预留洞口铺盖不严实,存在严重安全隐患;3、外脚手架离墙柱超出30公分必须进行整改;4、楼梯临边防护没有按照规范要求搭设,防护栏杆不得少于两根钢管;以上问题限在2日内整改完成,或则将给于重罚。
整改计划整改措施完成时间责任人复查情况复查人:日期:安全员(签字)整改责任人(签字)注:本单一式两份,由现场专职安全员及整改责任人各执一份。
检查部门:通州建总珍宝岛项目部检查日期:2017.7.27存在问题现场巡查发现存在安全隐患:1、各栋楼外脚手架拉节点大部分被二次结构施工拆除掉,存在重大安全隐患;2、楼层内预留洞口铺盖被清理及二次结构防线拆除掉,没有铺盖好存在严重安全隐患;3、外脚手架上钢筋、模板、木方等材料仍有堆放,悬挑网内混凝土到现在还是无人清理;以上问题望各栋号长及班组加强管理,安全是靠大家共同来管理,限在2日内整改完成,或则将给于重罚。
整改计划整改措施完成时间责任人复查情况复查人:日期:安全员(签字)整改责任人(签字)注:本单一式两份,由现场专职安全员及整改责任人各执一份。
表6.1.8检查部门:通州建总珍宝岛项目部检查日期:2017.9.9存在问题现场存在安全隐患:1、各栋楼外脚手架拉节点大部分没有按照施工方案内(两步两跨)要求布置,存在重大安全隐患;2、楼层内有临边防护、电梯井门安装跟不上、预留洞口铺盖不严实及不牢固,存在严重安全隐患;3、各栋楼外脚手架存在安全隐患在8月份放假之前就安排整改,至今仍未整改到位,给施工人员带来严重安全隐患;4、卸料平台安装多次不合格,尾部工字钢必须插入预埋卡环内压牢,并且四根钢丝绳要同时受力。