雨季三防验收情况评定表
- 格式:doc
- 大小:47.50 KB
- 文档页数:1
雨季三防整改措施及自查结果一、背景介绍:雨季是我国常见的气象现象之一,降雨量大、持续时间长,容易引起洪涝灾害。
为了保障人民群众的生命财产安全,确保社会稳定和经济发展,我们制定了雨季三防整改措施,并进行了自查,以确保整改工作的有效性和可持续性。
二、整改措施:1. 加强排水系统建设:- 对城市排水管网进行全面检查和清理,确保通畅;- 完善雨水采集系统,增加雨水采集容量;- 增设泵站和调蓄池,提高排水能力。
2. 加强防洪工程建设:- 对河道进行疏浚和加固,确保水流畅通;- 增加堤坝高度和宽度,提高防洪能力;- 完善防洪预警系统,及时发布预警信息。
3. 加强灾害防范意识:- 加强宣传教育,提高公众的防灾意识和自救能力;- 组织开展防灾演练,提高应急处置能力;- 加强与相关部门的合作,共同应对灾害。
三、自查结果:1. 排水系统自查结果:- 对城市排水管网进行了全面检查和清理,发现并清除了多处阻塞点;- 雨水采集系统进行了改造,增加了雨水采集容量;- 泵站和调蓄池的运行情况良好,排水能力得到提升。
2. 防洪工程自查结果:- 对河道进行了疏浚和加固工作,确保水流畅通;- 增加了堤坝的高度和宽度,提高了防洪能力;- 防洪预警系统正常运行,预警信息及时发布。
3. 灾害防范意识自查结果:- 加强了宣传教育工作,提高了公众的防灾意识和自救能力;- 组织了防灾演练活动,提高了应急处置能力;- 与相关部门加强合作,形成为了联防联控的工作机制。
四、整改效果评估:经过雨季三防整改措施的实施和自查结果的评估,我们取得了以下成效:1. 排水系统的畅通程度明显提高,城市内涝现象减少;2. 防洪工程的完善使得河道水流顺畅,降低了洪水威胁;3. 公众的防灾意识和自救能力得到提高,灾害发生后的伤亡和损失减少;4. 与相关部门的合作机制建立,提高了应对灾害的整体效能。
五、下一步工作:为了进一步提高雨季三防工作的效果,我们将继续做好以下工作:1. 加强排水系统的日常维护和管理,确保畅通;2. 持续加强防洪工程的建设和维护,提高防洪能力;3. 继续加强灾害防范宣传教育,提高公众的防灾意识;4. 加强与相关部门的合作,建立更加密切的联防联控机制。
雨季三防检查雨季三防检查是为了确保在雨季来临时,各种设施和系统能够正常运行,降低因雨水造成的损失和危害。
本文将详细介绍雨季三防检查的标准格式,包括检查内容、方法和要求。
一、检查内容:1. 雨水排放系统:检查雨水排水沟、雨水管道、雨水收集池等设施是否畅通,有无堵塞或破损情况。
2. 雨水收集设施:检查雨水收集设施的容量是否足够,有无渗漏或漏水现象。
3. 防汛设施:检查防汛墙、防汛闸门、抽水泵站等设施是否完好,有无损坏或漏水情况。
4. 防洪设施:检查堤坝、水库、河道等防洪设施的完整性和稳定性,有无滑坡、决口等情况。
5. 防雷设施:检查建筑物、电线杆等防雷设施的接地情况,有无松动或腐蚀现象。
二、检查方法:1. 实地检查:对各项设施和系统进行实地检查,包括目视检查、触摸检查和测量检查等。
2. 抽样检测:对一部分设施和系统进行抽样检测,如使用水泵测试雨水排水系统的排水能力。
3. 检测仪器:使用相应的检测仪器,如水位计、水质分析仪等,对设施和系统进行定量分析和评估。
三、检查要求:1. 安全第一:在进行检查时,要确保自身安全,注意防范雷击、坍塌等危险。
2. 全面细致:对每个检查项目都要进行全面细致的检查,确保没有遗漏。
3. 及时整改:对发现的问题和隐患要及时整改,确保设施和系统在雨季到来前能够正常运行。
4. 记录报告:对检查过程和结果进行记录和报告,包括问题描述、整改措施和完成时间等。
四、检查结果:1. 合格:若各项设施和系统均符合要求,且未发现问题和隐患,则判定为合格。
2. 不合格:若发现设施和系统存在问题和隐患,或者未能满足要求,则判定为不合格。
3. 整改措施:针对不合格的项目,制定相应的整改措施和时间计划,确保问题得到解决。
4. 复检验收:在整改完成后,进行复检验收,确保问题得到有效解决,设施和系统能够正常运行。
综上所述,雨季三防检查是确保设施和系统在雨季来临时能够正常运行的重要工作。
通过实地检查、抽样检测和使用检测仪器等方法,对雨水排放系统、雨水收集设施、防汛设施、防洪设施和防雷设施进行全面细致的检查。
雨季三防专项风险辨识评估 (2)的危害:老空水含有高浓度的甲烷和二氧化碳,易引发瓦斯爆炸和窒息事故。
3.2.2.2地表水的危害:地表水可能引发地面塌陷和井下涌水事故。
3.2.2.3水泵、排水管路、水仓等设备设施的故障可能导致井下排水不畅,引发涌水事故。
3.2.2.4暴雨、雷电、洪水等自然灾害可能引发地面塌陷、洪水淹没和雷电事故。
3.2.2.5排洪沟、护坡等设备设施的损坏或未及时清理可能导致地面排水不畅,引发洪水淹没事故。
3.2.2.6地面值班人员、地面各厂所工作人员和井下作业人员的安全意识不强,可能导致安全事故发生。
第五部分风险评估5.1风险等级评估根据危险有害因素分析,对风险等级进行评估:老空水、地表水、水泵、排水管路、水仓等危险源属于高风险等级;暴雨、雷电、洪水、排洪沟、护坡等危险源属于中风险等级;地面值班人员、地面各厂所工作人员和井下作业人员的安全意识属于低风险等级。
5.2风险控制措施针对高风险等级的危险源,应加强设备设施的维护保养,定期检查排水管路和水泵的运行情况,确保井下排水畅通;加强安全教育培训,提高作业人员的安全意识;加强监测,及时发现和处理老空水和地表水涌出情况。
针对中风险等级的危险源,应加强设备设施的维护保养,定期清理排洪沟和护坡,确保地面排水畅通;加强安全教育培训,提高地面值班人员和地面各厂所工作人员的安全意识;加强监测,及时发现和处理自然灾害引发的风险。
针对低风险等级的危险源,应加强安全教育培训,提高作业人员的安全意识,确保安全生产。
目前4205工作面内不存在未封闭的不良钻孔,地质构造简单,无断层水和断层导水性影响。
但工作面上部存在3-1煤3107、3106工作面采空区,这些区域为房柱式回采,工作面垮落不充分,上覆3-1煤层采空区可能存在大面积水,对工作面生产构成威胁。
现已对上部3-1煤采空区进行了物探及钻探,并定期对上覆3-1煤采空区进行钻孔检查和疏放水,根据成果分析已基本不存在大面积积水区域。
2010年雨季三防工作完成明细表
四、相关要求
1、各单位要认真组织学习和贯彻《实施意见》,广泛宣传、大造声势,强化抗洪安全意识,做好抗大洪、防大汛的准备,按照文件要求各负其则、按部就班、超前做好各项准备工作。
2、各单位根据责任分工要求,立即制定各自的落实计划,明确专人负责雨季“三防”工作,组建本单位防洪抢险队伍,分工要具体、职责要明确、责任要到人,并把本单位“三防”工作计划及人员组成情况报“三防办”,各项“三防”工作做到早准备、早落实、早动
手、早完成。
3、“三防办”要定期召开会议,协调解决存在的问题,及时排查隐患,并掌握问题整改进度及工程进度的质量情况。
4、加强雨季期间的调度值班管理工作,严格24小时值班制度。
各单位也要明确专人24小时值班,一旦发现险情,及时汇报,及时处理。
6、综合办公室要抓好防暑、防中毒工作。
要加强居住区和工广区的卫生管理,坚持定期清扫、及时喷药,做好蚊蝇的消杀工作,给职工营造一个良好的生活和工作环境;食堂要认真学习贯彻《食品卫生法》,确保饭菜卫生,防止病从口入和食物中毒。
7、发生险情时,由领导小组统一组织各队进行抢险工作,同时向上级有关部门汇报。
雨季“三防”工作开展的好与坏,直接影响矿井的安全生产和土建、安装等工程的顺利进展,各单位必须按照防大洪,防大灾的要求,做到超前准备、统筹兼顾,对人、财、物的协调和储备要合理、充分,各项工作要早准备、早落实、早安排,克服麻痹思想和侥幸心理,确保安全渡汛。
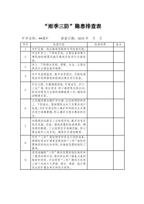
附件 1:受检单位序号检查项目1部署安排2安全教育3安全检查防火4防爆5防冻伤6防坍毁7防雷击8防触电9防淹溺防中暑防10中毒防高空坠11落12防交通事雨季安全检查参照检查表检查内容存在问题或隐患1、雨季安全生产举措拟订状况,事故应急方案拟订及操练状况;2、安全教育、安全检查部署状况。
1、编制以“防火灾爆炸、防冻伤、防坍毁、防雷击、防触电、防淹溺、防中暑、防中毒、防高空坠落、防交通事故”为主要内容的雨季安全教育资料;2、展开以操作规程、应急方案、事故事例、危害要素辨别与控制举措、雨季“十防”为主要内容的安全教育培训、查核情况。
1、所属加气站自检自查状况;2、基层单位检查状况。
1、准时进行巡检,安全警告标记齐备、正确穿着劳保和使用防爆工具;2、动火作业严格执行审批程序,现场安全举措落实;3、电气设备、设备达到防爆要求,易燃易爆地区使用工具一定防爆;4、可燃气体报警器和火警报警器敏捷靠谱,特种设备安全附件齐备完满、按规定校验,禁止超压运转;5、消防设备器械齐备有效,消防通道通畅。
1、加注地区内一定戴防备面罩和防备手套;2、备用防备用品齐备;3、职工进行生产操作时严格恪守防冻伤等注意事项。
1、现场围墙、放散管、电线杆、避雷针、场所照明灯柱、房屋及高大建筑和设备能否倾斜、断裂和基础下沉、开焊开裂等隐患;2、绷绳齐备坚固。
1、雨季前防雷防静电接地装置完满靠谱、检测合格;2、阻火器齐备完满,雨季前检测合格;3、职工防雷知识掌握及自救状况。
1、电器设备完满,用电线路敷设切合要求,无老化、损坏,禁止裸露,接地接零规范且坚固靠谱;2、电工作业仔细执行作业票制度,佩带使用防备用品、器具;3、湿润地带电器设备、移着手持电动工具装备漏电保护器;4、室外配电箱采纳防雨举措;5、检查各样高压电器设备、线路能否完满,安全防备设备能否齐备。
1、汛期救生装备装备齐备,完满靠谱;2、禁止职工野浴。
1、进入有限空间作业严格执行作业票制度,仔细检测、监测含氧量和有毒有害气体浓度,安全监护到位;2、有毒有害作业场所气体检测及排风装置齐备完满;3、仔细拟订防暑降温工作举措落实到位。
雨季施工专项检查表格范本下面是雨季施工专项检查表格的范本:项目名称:___________________________日期:___________________________施工单位:___________________________监理单位:___________________________序号 | 检查内容 | 检查结果 | 备注1 | 施工场地排水设备是否完好有效 | 通过/不通过 |___________________________2 | 施工工程各方是否按照雨季施工方案执行 | 通过/不通过 | ___________________________3 | 施工现场防雨设施是否完善 | 通过/不通过 |___________________________4 | 施工区域是否存在积水 | 通过/不通过 |___________________________5 | 施工区域是否存在松软地基 | 通过/不通过 |___________________________6 | 施工现场是否存在防雷措施 | 通过/不通过 |___________________________7 | 施工现场是否存在滑坡、塌方等地质灾害隐患 | 通过/不通过 | ___________________________8 | 各种材料存放是否妥善,避免受雨水浸泡 | 通过/不通过 | ___________________________9 | 施工期间是否按照相关安全操作规程执行 | 通过/不通过 | ___________________________10 | 临时搭建设施是否经过合理设计和稳固加固 | 通过/不通过 | ___________________________检查人员签名:___________________________检查结果确认:___________________________请根据具体的施工要求和项目需求,对上述范本进行适当的修改和完善。
煤矿“雨季三防”事故应急演练记录及效果评价2013煤矿“雨季三防”事故应急演练记录及效果评价机电科二〇一三年五月二十三日2013煤矿“雨季三防”事故应急演练记录及效果评价一、演练时间:2013年05月30日二、演练地点:煤矿矿区内。
三、事故假想:矿井突遇暴风雷雨恶劣天气影响四、参加演练人员:矿值班领导、各业务科室相关人员及各救援小组成员共计610人参加演练。
五、演练经过:1、9:00演练领导小组指挥长宣布:演习开始。
2、9:00在接到指挥长下达演习指令后~调度员韦战旗、李俊光分别通知当日矿值班矿长叶鹤山和在矿领导王天禄、王永法、付合生、罗友德、刘士喜、程闻及开拓科尚爱国、机电科仝国彬、保卫科张红星、通防科肖绪宁、安检科王俊杰、供应科李合成、信息中心张正国、生产科陈立军、地测科唐振伟、医院郭伟、行政科许军利、机二队常正先、运一队温铁生、机一队宋友林、通风区郝国军、机修队司长治~明确告知其矿工业广场内因暴雨恶劣天气影响~矿内出现大面积积水现象~部分排水沟排水不畅~需各相关科室人员抓紧时间到调度室集合~组织抢险救灾工作。
3、9:08矿领导和各业务科室、区队值班人员在接到调度室紧急通知后~相继到达调度室待命。
4、9:10总指挥长矿长张志林下达启动“煤矿雨季三防”应急救援预案命令。
总指挥长矿长张志林根据各业务科室职责~进行了抢险组织分工~要求各科室、相关区队留守专职人员在调度室协助配合指挥抢险救灾工作。
主要工作职责如下:,1,地测科负责观察地面降雨量和矿井涌水量变化情况。
,2,调度室负责随时掌握抢险救灾工作的进展情况~并做好记录。
,3,机电科负责组织抢险所需的设备、收集各类供电、排水系统运行状况信息。
,4,安检科负责现场救灾人员组织工作~协调各类突发事故等。
,5,供应科负责调集救灾所需的设备、材料、工具。
,6,保卫科人员负责现场警戒及矿区内保安工作。
,7,矿医院人员到达现场~准备医疗器具、抢救伤员。
,8,其他人员在调度待命。
雨季三防专项风险辨识评估(2)随着雨季的到来,很多地区都会面临诸如暴雨洪水、山体滑坡、水库溃坝等自然灾害的威胁,因此在雨季到来之前,必须对风险进行专项评估,以确保人民生命财产安全。
下面就来分析一下雨季三防专项风险辨识评估。
首先,对于暴雨洪水来说,我们必须关注的是那些洪涝严重的区域。
我们需要在事先了解当地自然环境、地形、降雨量等的基础上,建立相应的灾害地图,及时掌握洪涝区域的分布情况。
同时,也要时刻关注天气预警和水文预测,及时调度抢险力量,进行防汛和排涝工作,确保人员的生命财产安全。
其次,山体滑坡也是雨季中的重要灾害之一。
为了避免山体滑坡的发生,我们可以从土地利用方式、防护工程设计等多个方面进行预防。
首先,我们需要对山体进行良好的规划,明确各自负责的地块以及设计出最有效的防护措施。
其次,我们要对山体进行质量检测,发现存在隐藏的质量问题及时进行修补、加固,确保山体的可持续性地开发和利用。
最后,水库溃坝是另外一个需要重点关注的问题。
在防止水库溃坝的过程中,我们需要从水库的建设和管理两个方面着手。
在水库建设方面,我们需要采取高起点、高标准、高质量等原则,确保水库的稳定性和安全性。
在水库管理方面,我们需要不断进行水文法规的修订和完善,积极与周围区域的管理部门打好沟通协调。
总而言之,进行雨季三防专项风险辨识评估是非常重要的工作,社会中各项单位也需要在这方面做出相应的贡献,以确保人民的生命财产安全。
除上述三种灾害外,雨季还可能伴随着雷电、强风等灾害。
在这种情况下,我们需要采取相应的对策来预防和应对这些灾害。
对于雷电灾害,我们要做好防护措施,以减少人们在室外被雷电击中的风险。
在雷电天气来临时,人们必须远离一些金属构造及水利设施,如杆塔、高大建筑、桥梁、水塔、水管、水库、水泵站等。
除此之外,我们还可以采取一些技术手段来提高电流的流动路径,例如在建筑物的外墙上安装避雷装置、为水管加装隔离阀,提高人们的安全系数。
此外,强风也是雨季中的一种重要灾害。
雨季三防专项风险辨识评估(2)第一部分评估时间、地点2019年6月3日,矿长孟振国组织各分管负责人和相关业务科室、区队(名单详见签字表)召开了雨季三防专项安全风险辨识会议。
第二部分评估内容为认真做好我矿关于雨季“三防”有关工作,有效预防暴雨、大风、雷电等自然灾害引发事故,做好我矿的防洪、防排水、防雷电等工作,根据榆林市、神木市能源局印发的《关于认真做好煤炭企业雨季“三防”有关工作的通知》(榆政能发[2019] 94号)(神能局发[2019] 246号)文件,我矿开展了一次有关雨季“三防”专项辨识工作。
第三部分现状分析神木市创威煤业有限责任公司设计生产能力为60万吨/年,采用斜井开拓,布置有主斜井、副斜井、回风斜井三条井筒;目前正在回采4-2煤层,平均煤厚 2.6米,布置由1个综采工作面(4205工作面),全部垮落法管理顶板,采用条带式回采方法;4-3煤布置2个掘进工作面。
水文地质:中等水文地质条件,矿井最大涌水量为5-50m3/h地表:地表为黄土,4-2煤煤层埋深90〜202m。
地面建筑:地面建筑主要有10kV变电所、办公楼、宿舍楼、洗煤厂、风机房、压风机房、污水处理站等建筑。
第四部分危险源辨识3.1风险点划分1.1.1风险源划分根据雨季“三防”的主要工作,将防洪、防排水、防雷电作为主要辨识内容。
3.1.2风险点排查根据主要辨识内容,将划分为地面、井下两个风险点进行排查。
地面将防洪、防排水、防雷电作为主要辨识内容。
井下将防排水作为主要内容。
4.2危险源辨识5.2.1危险源辨识对井下风险点危险源辨识如下:环境因素:老空水、地表水。
物的因素(设备设施):水泵、排水管路、水仓。
人的因素(作业活动):4205综采工作面作业人员、其他井下作业人员。
对地面风险点危险源辨识如下:环境因素:暴雨、雷电、洪水。
物的因素(设备设施):排洪沟、护坡。
人的因素(作业活动):地面值班人员、地面各厂所工作人员。
危险有害因素分析3.2. 2. 1老空水目前回采4205工作面内无封闭不良钻孔,地质构造简单,无断层水和断层导水性影响。