塔式起重机顶升加节实时告知表
- 格式:doc
- 大小:49.00 KB
- 文档页数:2
杭建监总[2010]33号各有关单位:为了进一步加强建筑起重机械的安全管理,规范建筑起重机械的租赁、安拆和使用单位的主体行为,杜绝因起重机械倒塌等原因引起的较大以上安全事故,确保现场务工人员生命和财产安全,现就建筑起重机械的规范管理提下意见:一、规范建筑起重机械租赁管理1、建筑起重机械租赁单位(以下简称租赁单位)出租的建筑起重机械必须持有特种设备制造许可证、产品合格证造监督检验证明、产权备案证明,产权备案地必须与产权单位工商注册地一致。
2、租赁单位应与使用单位签订规范的租赁合同,合同主体应符合法律规定,合同中必须注明起重机械型号、厂家、出厂编号、产权备案登记号、工程地点、具体工程名称,并有约定各方安全生产责任的相关内容。
3、租赁单位应具备法人资格。
有下列情形之一的建筑起重机械,不得出租、使用:(1)属国家明令淘汰或者禁止使用的;(2)超过安全技术标准或者制造厂家规定的使用年限的;(3)经检验达不到安全技术标准规定的;(4)没有完整安全技术档案的;(5)没有齐全有效的安全保护装置的。
4、建筑起重机械有上述第3条(1)、(2)、(3)项情形之一的,租赁单位或者自购建筑起重机械的使位应当予以报废,并向原备案机关办理注销手续。
5、建筑起重机械的租赁单位与其产权备案证明上的单位必须为同一单位。
6、租赁单位、使用单位与安装单位签订的起重机械安装拆卸合同中应包括起重机械维修保养和定期专项检查容。
二、规范建筑起重机械安装管理1、租赁单位或使用单位必须委托具有专业承包资质的安装单位进行起重机械安装或拆卸,并在起重机械安装拆签订委托装拆合同。
2、签订设备委托装拆合同前,应审查安装单位专业承包资质,安全生产许可证、安装拆卸人员上岗证原件。
3、未取得专业承包资质的单位严禁进行起重机械的安装拆卸。
起重机械安装拆卸工作必须由安装单位派专业人员来组织、实施,包括安装拆卸方案、安全技术措施的制定和交底。
4、起重机械安装拆卸登记备案资料应当是原件,复印件无效。
关于加强建筑起重机械顶升加节及附着安装管理的通知通建安监[2012]19号各施工、监理单位,各建筑起重机械安装及检测单位:为进一步加强市区建筑起重机械安全管理,落实各方责任主体履行建筑起重机械安全管理职责,规范相关作业行为,有效防止和减少机械安全事故,根据《建设工程安全生产管理条例》、《建筑起重机械安全监督管理规定》、《建筑施工塔式起重机安装、使用、拆卸安全技术规程》、《建筑施工升降机安装、使用、拆卸安全技术规程》、《建筑机械使用安全技术规程》等有关规定,现就加强市区建筑起重机械顶升加节及附着安装管理的有关要求通知如下:1、建筑起重机械安装单位应在顶升加节及附着安装等作业前2个工作日,向施工总承包单位和监理单位提交《建筑起重机械顶升加节及附着安装审批表》,办理顶升加节、附着安装作业审核审批手续,经施工总承包单位和监理单位同意后,方可进行顶升加节和附着安装作业。
2、同一项目的同一建筑起重机械的顶升加节及附着安装等作业应由原安装单位完成,不得随意更换安装单位。
安装单位在建筑起重机械顶升加节及附着安装(包括建筑起重机械安装、拆卸)作业时,不得使用非本单位的管理人员、装拆作业人员及辅助作业人员,否则所引发的一切后果(含工伤事故等)由安装单位负全责。
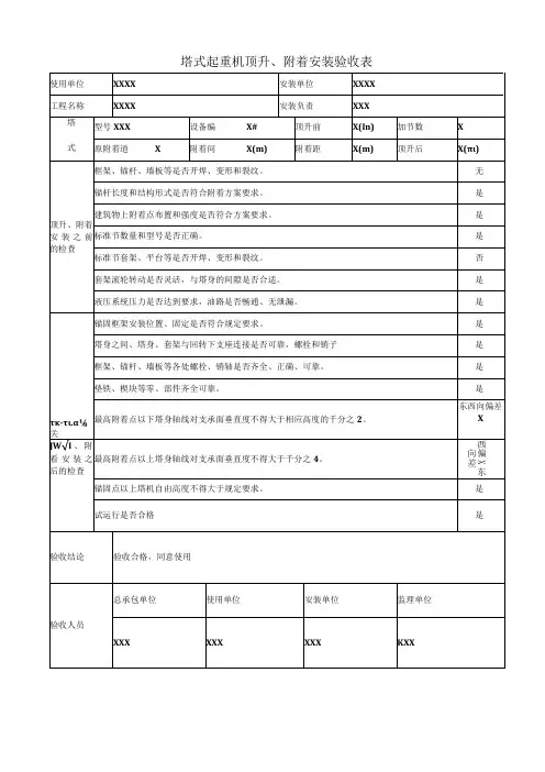
3、建筑起重机械附着装置的结构形式、附着间距、附着面倾斜角度和自由端高度等必须符合说明书规定,同时附着装置安装前后起重机械垂直度应符合规范要求。
当建筑起重机械附着水平距离、附着点间距不能满足使用要求时,应对附墙杆进行专项设计,绘制制作图并编写相关说明,其附墙杆设计计算书、制作图必须经原制造厂家确认或按通建安监[2012]3号文件要求进行技术方案论证,同时履行安装单位技术负责人审批,施工总承包单位技术负责人、项目总监理工程师审核手续。
附墙杆和预埋件应由原制造厂家或具有相应能力的企业制作,严禁附墙杆随意接长,严禁使用非原厂提供的附着框架。
4、建筑起重机械顶升加节及附着安装作业前,安装单位应对设备进行全面安全检查。
塔式起重机附墙、顶升、加节方案分包单位:项目技术负责人:项目经理:公司安全管理部:公司技术中心:审核:xxxxxxxxx有限公司xxxx年xx月目录1编制依据 (2)2工程及设备概况 (2)3施工计划 (7)4施工工艺技术 (8)5施工安全保障措施 (20)1编制依据1《中华人民共和国安全生产法》2《建设工程安全生产管理条例》3住房和城乡建设部《危险性较大的分部分项工程安全管理办法》(建质[2009]87号)。
4《建筑起重机械安全监督管理规定》(建设部令第166号)5中华人民共和国国家标准《塔式起重机安全规程》GB 5144—20066中华人民共和国国家标准《塔式起重机》GB/T 5031—20087中华人民共和国行业标准《建筑施工安全检查标准》JGJ 59—20118中华人民共和国行业标准《建筑施工高处作业安全技术规范》JGJ 80—919中华人民共和国行业标准《施工现场临时用电安全技术规范》JGJ 46—200510中华人民共和国行业标准《建筑机械使用安全技术规程》JGJ 33—201211中华人民共和国行业标准《施工现场机械设备检查技术规程》JGJ 160—2008 12中华人民共和国行业标准《建筑施工塔式起重机安装、使用、拆卸安全技术规程》(JGJ196-2010)13《建筑安装工人安全技术操作规程》(80建工劳字第24号)14《TC5610塔式起重机使用说明书》15XXXXXX图纸、施工组织设计和基础施工方案2工程及设备概况2.1建设概况工程名称:建设地点:工程造价:建设单位:设计单位:勘察单位:监理单位:施工单位:质监单位:安监单位:安全文明施工要求:工期:开工日期:xxxxxx计划开工日期,具体以甲方要求为准)合同承包范围为:工程质量目标:合格。
本工程采用钻孔灌注桩,带承台的筏板基础,基坑深度为5.00m,拟建场地表层为素填土(局部为淤泥),下部为新近沉积的粉土夹粉质粘土、淤泥质粉质粘土。
上海市塔吊安拆及顶升加节前施工单位需提供的资料一、塔吊安装1、前申报安装告知所需资料:2.下列情况塔吊需进行专家认证2.1超过独立高度要论证,独立高度一般QTZ63机型为40米左右,QTZ80为46米左右,QTZ250为60米左右。
2.2塔吊的基础为格构柱钢平台形式,该类型的基础就必须进行专家论证。
2.3格构柱塔吊基础是必须要专家论证。
2.4塔吊基础需要检测局检测的情况下,建设行政主管部门认为有必要的情况就得专家论证。
二、塔吊顶升加节1、申报资料1.1安装单位特种作业人员操作证(安装人员至少三人)。
1.2安装单位顶升加节工作技术交底。
2、顶升加节注意事项塔吊试运转个机构运转正常,启、制动性能良好,各限位装置正确、灵敏、可靠,各安全装置有效、可靠,全部符合要求,方可进行顶升加节。
塔吊顶升加节之前一定要试运转、调试。
接通电源,进行试运水平变幅塔吊多为后侧顶升式,顶升套架上的导向滚轮共16个,上下8层各8个,在顶升过程中起到支承和导向作用。
导向滚轮与标准节的间隙应保证在2-5米之间。
1)在顶升加节过程中,塔身的垂直度应用经纬仪双向测量,塔身垂直度应始终控制在4/1000以内。
2)顶升前,必须对液压系统、顶升套架、挂靴爬爪、防脱装置、导向装置、电缆等部件进行认真细致的检查。
3)升降作业过程,必须有专人指挥,专人照看电源,专人操作液压系统,专人装拆螺栓,专人负责安全监护,非作业人员不得登上顶升套架的操作平台。
4)塔吊在顶升前,必须将上部结构自重产生的力矩调整平衡,其方法是调节变幅小车在吊臂上的位置或者吊载配重物,使顶升或拆卸时上部结构的重心处于油缸支承部位。
同时仔细检查塔吊的技术状况,尤其是吊臂、平衡臂、拉杆、回转支承的连接更值得注意,要事先消除隐患,堵塞漏洞。
5)顶升过程中,司机要严谨随意操作,防止臂架回转。
6)顶升作业时,要特别注意锁紧防脱销轴,对新就位的标准节,与下部标准节和上部下支座的连接要及时,并连接牢固。
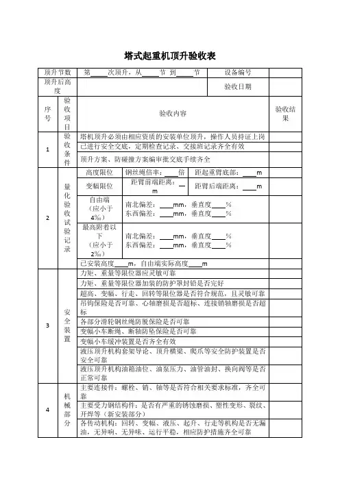
塔吊安装、顶升标准节验收记录表工程名称竹溪县2013年保障性住房1#楼设备型号规格湖北华建QTZ63 施工单位保定建业集团有限公司施工单位负责人张艳峰安装单位湖北华建机械设备安装有限公司安装单位负责人张涛
原高度(m)40m 顶升后高度(m)
顶升标准节验收项目
序号检查项目
1 标准节数量和型号是否正确
2 标准节、套架、平台等是否开焊、变形和裂纹
3 新接高的标准节之间的螺栓紧固度,是否达到规定的紧固力矩要求
4 套架液压轮转动是否灵活,与塔身的间隙是否适合
5 液压系统压力是否达到要求,油路是否畅通无泄漏
6 连接销轴的止动销是否齐全
7 下支座与塔身之间的连接检查是否满足要求
8 塔身与回转平台连接是否可靠、螺栓拧紧力矩是否达标
9 塔身垂直度是否可靠,螺栓和销子是否齐全
10 套架是否降低到规定位置,电源线是否接好
11 油泵液压系统电源是否切断
12 顶升套架平台零星螺栓或螺帽及工具是否收拾干净,防止坠落伤人
验收
结论
塔吊安装单位签名
安装单位技术负责人:年月日
总包单位签名
项目技术负责人:安全员:年月日
监理单位签名
安全监理工程师:年月日
塔吊安装、顶升标准节验收记录表工程名称竹溪县2013年保障性住房2#楼设备型号规格湖南韦风QTZ63 施工单位保定建业集团有限公司施工单位负责人张艳峰
安装单位湖北华建机械设备安装有限公司安装单位负责人张涛
原高度(m)40m 顶升后高度(m)
顶升标准节验收项目
序号检查项目
1 标准节数量和型号是否正确。
杭建监总[2010]33号各有关单位:为了进一步加强建筑起重机械的安全管理,规范建筑起重机械的租赁、安拆和使用单位的主体行为,杜绝因起重机械倒塌等原因引起的较大以上安全事故,确保现场务工人员生命和财产安全,现就建筑起重机械的规范管理提下意见:一、规范建筑起重机械租赁管理1、建筑起重机械租赁单位(以下简称租赁单位)出租的建筑起重机械必须持有特种设备制造许可证、产品合格证造监督检验证明、产权备案证明,产权备案地必须与产权单位工商注册地一致。
2、租赁单位应与使用单位签订规范的租赁合同,合同主体应符合法律规定,合同中必须注明起重机械型号、厂家、出厂编号、产权备案登记号、工程地点、具体工程名称,并有约定各方安全生产责任的相关内容。
3、租赁单位应具备法人资格。
有下列情形之一的建筑起重机械,不得出租、使用:(1)属国家明令淘汰或者禁止使用的;(2)超过安全技术标准或者制造厂家规定的使用年限的;(3)经检验达不到安全技术标准规定的;(4)没有完整安全技术档案的;(5)没有齐全有效的安全保护装置的。
4、建筑起重机械有上述第3条(1)、(2)、(3)项情形之一的,租赁单位或者自购建筑起重机械的使位应当予以报废,并向原备案机关办理注销手续。
5、建筑起重机械的租赁单位与其产权备案证明上的单位必须为同一单位。
6、租赁单位、使用单位与安装单位签订的起重机械安装拆卸合同中应包括起重机械维修保养和定期专项检查容。
二、规范建筑起重机械安装管理1、租赁单位或使用单位必须委托具有专业承包资质的安装单位进行起重机械安装或拆卸,并在起重机械安装拆签订委托装拆合同。
2、签订设备委托装拆合同前,应审查安装单位专业承包资质,安全生产许可证、安装拆卸人员上岗证原件。
3、未取得专业承包资质的单位严禁进行起重机械的安装拆卸。
起重机械安装拆卸工作必须由安装单位派专业人员来组织、实施,包括安装拆卸方案、安全技术措施的制定和交底。
4、起重机械安装拆卸登记备案资料应当是原件,复印件无效。
塔机顶升及接头安全技术交底披露内容一、工作准备1、操作员必须配备完整的个人防护装备(含安全帽、安全带、安全绳等)。
2、操作人员不得有不适合操作的疾病,精神状态良好。
3、作业单位必须具有相应的资质,操作人员必须持有有效且合格的资格证书才能上岗。
二、顶升作业1、顶升前,必须检查液压顶升系统所有部件的连接,并调整好顶升套架导向滚轮与塔身的间隙,然后放松电缆,其长度略大于顶升高度,并紧固好电缆卷筒。
2、顶升作业,必须在专人指挥下操作,非操作人员不得顶起导管架的操作平台,操作室内只准1人操作,严格听从信号指挥。
3、风力在四级以上时,不得进行顶升作业.如果在运行期间风力突然增加,必须立即停止作业,并使上下塔身连接牢固。
4、顶升时,动臂和平衡必须平衡,并将回转部分制动住.严禁回转起重臂及其他作业.顶升中如发现故障,必须立即停止顶升进行检查,待故障排除后方可继续顶升.如短时间内不能排除故障,应将顶升套架降到原位,并及时将各连接螺栓紧固。
5、拆卸转盘与风塔标准段之间的连接螺栓(销子)时,如出现最后一处螺栓拆装困难,应将其对角方向的螺栓重新插入,在采取其他措施.不得以旋转起重臂动作来松动螺栓(销子)。
6、顶升时,必须确认千斤顶支撑脚牢固就位,方可继续下一动作。
7、顶升工作中随时注意液压系统压力变化,如有异常,应及时检查调整.还应有专人用经纬仪测量杆塔的垂直度,并做好记录。
8、顶升到规定高度后,塔必须首先连接到建筑物上,方可继续顶升。
9、拆卸过程顶升时,其注意事项同上,但是,不得提前拆卸锚固装置,只有降到附着节时方可拆除。
10、安装和拆卸工作的顶升完毕后,各连接螺栓应按规定的预紧力紧固,顶升套架导向滚轮与塔身吻合良好,液压系统的左右操纵杆应处于中间位置,并切断液压顶升机构的电源。