边坡挂网喷锚技术交底
- 格式:doc
- 大小:67.00 KB
- 文档页数:1
交底部门安全质量部编号工程名称高边坡、挂网喷锚日期一、安全技术交底内容:1、所有作业人员必须穿防滑鞋,戴安全帽,必要时系安全带。
2、路堑高边坡开挖前应先施工截水沟,完善排水系统,保证边坡稳定。
边坡开挖中必须严格遵守从上至下,水平分层开挖,开挖一级防护一级的施工措施,严禁掏洞取土。
3、边坡开挖中如遇地下水涌出,应先排水,后开挖。
4、开挖工作应与装运作业面相互错开,严禁上、下双重作业。
5、弃土下方和有滚石危及范围内的道路,应设警告标志,作业时坡下严禁通行;在必须通行地段必须设置专职安全员现场指挥,保证通行安全。
6、坡面上的操作人员对松动的土、石块必须及时清除,严禁在危石下方作业、休息和存放机具。
配合拉铲的清坡、清底工人,不准在机械回转半径内工作。
7、路堤填筑时,施工机械应特别注意临边段行驶,倒车时要有专人指挥,驾驶员看清后视镜。
压路机不能紧靠边坡进行强振作业。
8、高边坡施工便道必须满足运输安全需要,坡度不宜过陡,宜控制在10%以内,路面宽度不小于5m,并在有利错车位置设置会车点。
所有运输车辆必须遵守行车安全规定,不开快车,不挂空档溜车。
9、在每班开始作业前,机械操作人员(司机)必须仔细检查机械状况,特别是转向装置、制动装置等,避免在重车陡坡时发生行车事故。
10、操作机械时,操作人员必须精神集中,不得抽烟、打电话等,启动机械时必须鸣笛警告,确实需要休息或是做其他工作时,必须将机械停稳制动、熄火后进行。
11、在高边坡需进行机具、材料运输时,应仔细查看运输道路,并有专人负责协调指挥,不得从上往下抛掷物品。
12、挖土时要注意土壁的稳定性,发现有裂缝及倾覆、坍塌可能时,人员要立即离开并及时处理。
13、每日或雨后必须检查土壁及支撑稳定情况,在确保安全的情况下继续工作,并且不得将土和其他物体堆在支撑上,不得在支撑下行走或站立。
14、机械应停在坚实的地基上,如基础过差,应采取走道板等加固措施,不得将挖土机履带与挖空的基坑平行2米停、驶。
边坡喷锚技术交底技术交底记录工程名称:XX轨道交通Ⅳ-TS-13标土建工程交底部位:笠泽西路站围护结构工序名称边坡喷锚交底提要:本次交底主要是关于边坡喷锚施工的流程和参数。
一、施工工艺流程:1.基坑放坡开挖2.土钉孔校位、成孔3.按放土钉钢筋、注浆4.初喷混凝土5.钢筋网片制作、安装6.安装水平、竖向加强筋及锁定筋7.复喷射混凝土8.混凝土养护二、主要设计参数:1.土钉:倾角为10°,植入螺纹钢筋沿全长注浆。
2.坡面钢筋网:Ф8@200×200,土钉为B22长度2米螺纹钢,间距1500mm×1500mm。
3.井字型压头筋:B20㎜螺纹钢。
4.喷射混凝土:强度等级C20早强,厚度100mm。
C20喷射混凝土配合比为水泥:中粗砂:瓜米石(粒径5-10mm):水:外加剂=422:811:811:226:17.7.三、施工注意事项:1.在进行土钉施工前需对已挖坡面进行处理,如果需修理量较大,考虑用机械修理,量小时,直接用人工进行修理,保证坡顶与坡脚的垂直度,处理完后要报监理进行验收。
2.同时要对坡顶进行压实,材料进场后,需对材料进行送检,合格后方可进行施工。
3.土钉钻孔的向下倾角为10°,应根据设计要求定出孔位并作出标记及编号。
4.土钉钢筋选用B22螺纹钢长度2米,要先在钢筋上安装对中定位支架,保证钢筋处于孔位中心且注浆后其有保护层。
5.按要求修整坡面,在边坡和坡度平台挂Ф8@200×200钢筋网片,面层内的钢筋网片应牢固固定在坡顶边壁上。
钢筋网片用插入土中的钢筋固定,但在喷射混凝土时不应出现振动。
钢筋网片用扎丝绑扎而成,网格允许偏差为+10㎜,铺设钢筋网时每边的搭接长度不应小于200㎜,网片与坡面间隙不小于20㎜。
加强筋使用。
每根土钉与4根B20螺纹钢水平加强井字型焊接牢固。
6.喷射前应先做好喷层厚度标志点,喷射混凝土作业应分段分片依次进行,同一分段内喷射顺序应自下而上。
一、交底目的为确保边坡挂网喷锚施工过程中的安全,提高施工质量,防止安全事故的发生,特进行本次安全技术交底。
二、工程概况1. 工程名称:[工程名称]2. 工程地点:[工程地点]3. 施工单位:[施工单位]4. 施工内容:边坡挂网喷锚施工三、安全技术措施1. 施工前准备(1)组织施工人员学习安全技术交底内容,明确施工过程中的安全注意事项。
(2)检查施工机械设备,确保其完好、安全。
(3)检查施工现场,消除安全隐患。
2. 施工过程中安全技术措施(1)施工人员必须佩戴安全帽、安全带等个人防护用品。
(2)施工人员应熟悉施工工艺流程,掌握安全操作规程。
(3)施工前,对施工人员进行安全教育,提高安全意识。
(4)施工过程中,加强现场巡查,发现问题及时整改。
(5)施工过程中,严禁酒后作业、疲劳作业。
3. 施工安全操作规程(1)钻孔施工:钻孔前,检查钻机及钻具是否完好,确认钻孔方向、深度、孔径符合设计要求。
钻孔过程中,注意观察钻头及钻杆状态,发现异常情况立即停止钻孔,排除故障。
(2)锚杆安装:安装锚杆时,确保锚杆垂直于岩面,锚杆长度、间距、锚固力等符合设计要求。
锚杆安装后,进行锚杆张拉,确保锚杆受力均匀。
(3)挂网喷浆:挂网前,清除岩面松散物质,确保岩面平整。
喷浆过程中,注意喷头高度、喷浆压力,防止喷浆流淌、喷浆不均匀。
4. 施工结束后的安全措施(1)施工结束后,对施工现场进行全面清理,消除安全隐患。
(2)对施工人员进行总结,总结施工过程中的经验教训。
四、应急措施1. 事故发生后,立即启动应急预案,组织人员迅速进行救援。
2. 采取有效措施,防止事故扩大。
3. 对事故原因进行调查,查明责任,依法进行处理。
五、交底要求1. 施工单位应将本次安全技术交底内容纳入施工组织设计。
2. 施工单位应将安全技术交底内容书面通知施工人员。
3. 施工单位应定期对施工人员进行安全技术培训,提高施工人员的安全意识。
4. 施工单位应加强施工现场安全管理,确保施工安全。
网喷锚护坡技术交底技术交底内容:1、技术交底范围:本交底适用于柳州环江滨水大道项目A标自行车道工程梁场边坡挂网喷锚防护。
2、设计情况:边坡坡顶为预制梁场边坡,坡底为施工便道。
整个坡长约60m,平均高度约8m。
边坡土体为回填土,土质疏松。
为确保边坡的安全稳定性,目前,边坡采用网喷细石混凝土处理。
坡面经挖机和人工配合修坡夯实后,插打钢筋,在斜坡上挂带刺铁丝网并干喷C15细骨料混凝土防护。
3、开工条件和施工准备:①施工前清除边坡浮土、嵌补凹坑,使坡面平顺。
②土壤表面应平整、密实、湿润。
③施工用电严格按三级配电和二级保护进行分配,一机一闸一漏一箱安装后方可工作。
④所有设备在运行前应保持良好状态,保证正常运转,并符合安全要求规定。
⑤做好安全防护工作,施工人员必须戴安全帽。
4、施工技术:4.1边坡刷涂和压实(1)根据现场设置的坡脚线,进行刷坡。
(2)采用挖机为主,人工配合刷坡,清除坡面危石、松土、填补坑凹等。
(3)刷坡刷出的土要及时运走,注意避免影响斜坡底部的通路。
(4)斜坡必须平坦、密实、稳定。
(5)边坡采用挖掘机或人工夯实。
4.2螺栓插入锚杆采用C12mm螺纹钢筋,钢筋长35cm,插打入坡面30cm,外露5cm以便挂网。
锚杆间距为1m,采用梅花形布局。
4.3在斜坡上挂带刺铁丝网铁丝网类型为:35丝径,12x12cm网格。
施工期间运输至工作面铺设,与锚杆头绑接牢固。
铁丝网铺设搭接长度为10cm,铁丝网铺设完成后喷射C15细骨料混凝土。
4.4喷射C15细骨料混凝土喷射砼采用专业机械,砼强度等级为C15,喷射厚度为5cm;喷射作业应自上而下喷射,不得出现漏喷、脱层、锚杆露头等现象;铁丝网与锚杆应牢固连接,砂浆达到初凝后立即浇水养护,持续7至10天。
喷射速度要适当,以利于砼的压实。
风压过大,喷射速度增大,回弹增加;风压过小,喷射速度过小,压实力小,影响强度。
因此,启动机器后,注意观察风压,起始风压达到0.5MPa后,才能开始操作,并据喷嘴出料情况调整风压。
边坡支护锚杆挂网喷浆施工方案交底1.项目背景本项目是为了对边坡进行支护工程,采用锚杆和挂网喷浆的方式进行施工。
这种支护方式可以有效地增强边坡的稳定性,防止边坡的坍塌和滑动。
2.目标通过本次施工,达到以下目标:-提供边坡的稳定性,防止边坡的坍塌和滑动;-提高边坡的荷载能力;-减少边坡的水土流失。
3.施工原理本次施工采用锚杆和挂网喷浆的方式。
首先,在边坡上进行钻孔,然后将锚杆安装到孔中,并用喷浆将其固定。
接下来,将挂网固定在锚杆上,并用喷浆将其加固。
最后,对整个边坡进行检查和清理,确保施工质量。
4.施工步骤(1)钻孔:根据设计要求,在边坡上进行钻孔,钻孔深度应达到设计要求的锚杆长度加上埋入土壤的深度。
(2)安装锚杆:将锚杆插入钻孔中,确保锚杆与钻孔之间的间隙均匀,并用喷浆将其固定。
(3)固定挂网:将挂网固定在锚杆上,确保挂网与锚杆之间的连接紧密,并用喷浆将其加固。
(4)喷浆加固:用喷浆对整个边坡进行加固,确保喷浆覆盖面积均匀,浆液均匀渗透,喷浆强度符合设计要求。
(5)检查和清理:对整个施工过程进行检查和清理,确保施工质量。
5.施工要点(1)施工过程中,要注意安全。
施工人员必须戴好安全帽、安全绳,并进行合理的防护措施。
(2)施工前,要对边坡进行勘察和测试,确保设计方案的可行性和合理性。
(3)施工时,要根据实际情况进行调整和改进,确保施工效果达到设计要求。
(4)施工结束后,要对施工过程进行验收,确保施工质量符合要求。
6.安全措施(1)在施工过程中,要严格按照相关的安全操作规程进行施工,切勿违反规定操作。
(2)施工现场应设置警示标志,保证施工区域的安全。
(3)施工人员应进行相关的安全培训,并配备必要的个人防护装备。
(4)随时检查施工设备的安全性能,确保施工过程中的设备安全。
7.施工计划本次施工计划为期15天。
具体的施工时间和进度将根据实际情况进行调整。
8.监督和验收项目的监督和验收将由专业的监督机构进行。
边坡喷锚支护施工技术交底3篇第1篇边坡喷锚支护施工:平安技术交底第2篇边坡支护工程路堑边坡喷锚支护施工平安技术交底第3篇边坡喷锚支护施工平安技术交底【第1篇】边坡支护工程路堑边坡喷锚支护施工平安技术交底1.喷锚机具应完好,管路接口应严密,防护装置必需齐全有效,电气接线应符合施工用电平安技术交底的详细要求。
使用前应检查、试运行,确认正常。
2.边坡喷锚支护应依据设计规定自上而下分段、分层进行。
3.喷射混凝土应采纳混凝土喷射机,并符合下列要求:(1)作业时,操作人员应按规定佩戴防护用品,禁止暴露身体作业。
(2)作业后应卸下喷嘴清理洁净,并将喷射机外粘附的混凝土清除洁净。
(3)喷射手和机械操作工应有联系信号,送风、加料、停料、停风和发生堵塞时,应准时联系,亲密协作。
(4)喷嘴前方严禁站人,喷嘴不得对向人和设备。
(5)作业中暂停时间超过1h和作业后,必需将仓内和输料管内的干混合料全部喷出。
(6)喷射机手必需经平安技术培训,经考核合格方可上岗。
4.支护作业应由作业组长指挥。
采纳空气压缩机时,其操作工应听从钻孔、注浆操作工的指令;机具发生障碍,必需停机、断电、卸压后方可处理。
5.在边坡支护施工过程中,道路上的车辆应限速行驶,并清除路面上的坚硬物;边坡支护的泄水通道结构和泄水孔位置应符合设计规定。
6.上层支护后,应待混凝土强度达到设计规定,方可开挖下层土方;有爆破作业时,喷射混凝土终凝距下次爆破间隔时间不得小于3h。
7.施工中,作业面下方不得有人;边坡采纳圬工砌体支护时,应符合下列要求:(1)砂浆拌和、运输和砌体养护应符合相关平安技术交底的详细要求。
(2)砌筑施工过程应符合相应平安技术交底的详细要求。
(3)砌体材质、厚度、砂浆标号、砌体养护应符合相关的平安技术交底的详细要求。
(4)原材料、砂浆等不得堆放在作业区外。
8.安设钢筋(或型钢)骨架与挂网前应清理作业面松土和危石,确认土壁稳定;安骨架应与挖掘土方紧密结合,挖完一层土方后应准时安装骨架,每层骨架应准时形成闭合框架;挂网应准时,并与骨架连接坚固。
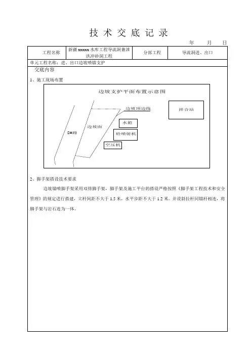
安全技术交底书
单位/单体工程名称:XXXXXXXXXXXX项目共5页
挂网喷浆位置大样图
钢筋平面布置图
钢筋侧面布置图
(5)设置泄水孔:
钢筋铺设完成后,在坡面坡中的位置,每隔2.0m设置一个泄水孔,泄水孔用Ф75PVC塑料管制成。
泄水孔设置完成后用专业胶带对孔口进行包裹保护。
(6)喷射混凝土:
喷射砼强度为C20,设计厚度为60㎜,混凝土配合比为水泥:砂:石粉:水=1:2:2:0.45(重量比),水灰比不宜大于0.45。
碎石最大粒径不超过15mm,砂为中粗黄砂。
插筋外露60mm同为设计边坡喷射混凝土的厚度,可以用来控制喷浆厚度。
喷射混凝土作业应采用分段,分层依次进行。
喷射时先将低洼处大致喷平,在往复喷射;混凝土分段施工时,上次喷混凝土应预留斜面,斜面宽度为200mm~300mm,斜面上需用压力水冲洗润湿后再行喷射混凝土。
喷射速度要适当,以便于混凝土的压实。
喷射时使喷头与受喷面间保持适当距离,间距宜为0.6~1.0m,喷头与受喷面应保持垂直,以便获得最大压实和最小回弹,确保喷射混凝土的质量。
喷射混凝土完成后如遇阴雨天气,则用彩条布覆盖进行防雨。
(7)养护:喷射混凝土终凝2h后,应及时喷水养护。
4、质量控制要点
接受人:。
边坡喷锚安全技术交底1. 前言随着人们对交通和建筑安全要求的不断提高,边坡喷锚作为一项重要的施工技术在建筑工程和交通工程中得到了广泛应用。
而随之而来的是对边坡喷锚安全的要求越来越高,如何做好边坡喷锚安全技术交底显得尤为重要。
本文将从边坡喷锚的定义、喷锚的意义、喷锚技术的分类、喷锚安全技术的重要性以及喷锚安全技术交底等方面进行探讨,希望对相关从业人员提供一些帮助。
2. 边坡喷锚的定义边坡喷锚是一种常用的边坡支护技术,具有支护力强、施工方便、经济实用等特点。
一般来说,边坡指山体斜坡,喷锚则是一种以钢筋混凝土材料为主体,引进压力机将钢筋混凝土喷涂于坡面上,结合山体,以增强土体或岩体的稳定性。
3. 喷锚的意义由于地形、地质等原因,在拓宽公路、铁路、建设隧道时,经常会遇到边坡不平整、坡面倾斜以及地下问题,这时,边坡喷锚就能为我们提供帮助。
使用边坡喷锚技术可以使边坡得到有效的支撑和加固,防止山体滑坡或飞石滚落等灾害事故的发生,从而保障交通运输的安全。
4. 喷锚技术的分类边坡喷锚技术按结构可分为钻孔喷锚和锚索喷锚。
钻孔喷锚是指在边坡上钻孔,填灌混凝土,然后将钢筋塞入孔内,通过钢筋和混凝土的相互作用,使边坡得到加固支撑。
锚索喷锚是指通过索锚(类似于钢丝绳)将边坡钩住,然后将钢筋混凝土喷涂于边坡上,使其得到加固。
这种技术适用于斜率过大或边坡高度较高的情况。
5. 喷锚安全技术的重要性尽管边坡喷锚技术具有优越的支护效果和经济实用价值,但如果不严格掌握喷锚安全技术,将会给施工过程中带来很多隐患。
一旦在喷锚过程中出现问题,不仅会对施工进度造成影响,还会可能引起人员伤亡和环境破坏等事故,这时候维护喷锚安全就显得尤为重要。
6. 喷锚安全技术交底因此,提高喷锚安全技术交底的可操作性是非常重要的。
在喷锚安全技术交底中,主要包括以下几个方面:6.1 喷锚方案的交底喷锚方案是实施喷锚工程的详细说明。
在喷锚施工之前,要充分考虑现场环境和风险隐患,进行复杂安全性评估,并详细评估工程方案。