国际经济学重点整理
- 格式:doc
- 大小:836.50 KB
- 文档页数:16
亚当.斯密绝对优势:认为贸易之所以发生,其基础在于各国生产成本上存在绝对差异。
李嘉图比较优势:决定国际贸易的因素是两个国家商品的相对劳动成本,而不是生产这些商品所需要的绝对劳动成本。
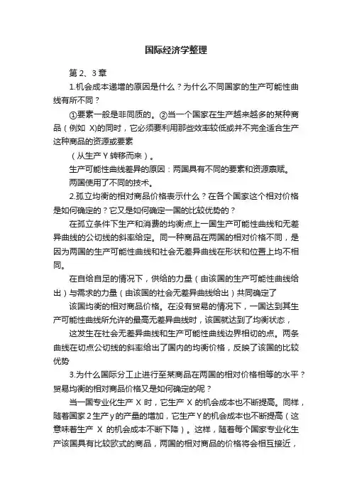
国际分工后生产变化的净效果三、要素禀赋定义:指一国所拥有的两种生产要素的相对比例。
K代表资本,L代表劳动(K/L)要素禀赋要素密集度定义:指生产某产品所投入的两种生产要素的比例。
斯托珀-萨缪尔森定理:某一商品相对价格的上升,将导致该商品密集使用的生产要素的实际价格或报酬提高,而另一种生产要素的实际价格或报酬则下降。
罗伯津斯基定理:在商品相对价格不变的前提下,某一要素的增加会导致密集使用该要素部门的生产增加,而另一部门的生产则下降。
昂惕夫之谜:美国出口劳动密集型商品,进口资本密集型商品,这一结果与H-O理论恰恰相反。
需求逆转:当某一国对于某一商品享有生产上的比较优势,但因其国民在消费上又特别地偏好该商品时,将会使得原来依据H-O定理所决定的进口方向发生改变。
重叠需求定义:两国之间贸易关系的密切程度是由两国的需求结构与收入水平决定的。
重叠需求结论:当两国的人均收入水平越接近时,则重叠需求的范围就越大,两国重复需要的商品都有可能成为贸易品,所以,收入水平相似的国家,互相间的贸易关系也就可能越密切。
重叠需求运用范围:发生在发达国家之间的产业内贸易,即制造业内部的一种水平式贸易。
产品周期、初始期:产品的初始期是指产品的研制与开发阶段。
贸易主要发生在少数先进国家与其他发达国家之间,因为这些国家的收入水平相对较高且比较接近。
产品周期、成长期:产品进入大量生产与销售阶段。
在生产上从研究与开发密集型转化为资本(物质资本+管理、营销所需的人力资本)密集型。
根据要素禀赋理论,发达国家在这一产品阶段拥有比较优势,产品将主要由发达国家输出到发展中国家。
产品周期、成熟期:产品已实现了标准化,并普及到广大的市场中,厂商的生产基本达到了最佳规模点。
国际经济学知识点整理一、国际贸易理论国际贸易理论是国际经济学的重要组成部分。
它旨在解释国家之间为什么进行贸易以及贸易如何影响各国的经济。
(一)绝对优势理论绝对优势理论由亚当·斯密提出。
该理论认为,各国应专门生产并出口其具有绝对生产优势的产品,进口其具有绝对生产劣势的产品。
例如,如果 A 国生产一单位的商品 X 所需的劳动投入少于 B 国,那么 A 国在商品 X 的生产上具有绝对优势,应该专注于生产和出口商品 X。
(二)比较优势理论大卫·李嘉图的比较优势理论则更加具有普遍意义。
即使一国在两种商品的生产上都处于劣势,但只要在两种商品生产上劣势的程度不同,该国仍可以通过生产并出口其劣势相对较小的商品,进口劣势相对较大的商品来获得贸易利益。
(三)要素禀赋理论赫克歇尔和俄林提出的要素禀赋理论认为,各国在生产要素的禀赋方面存在差异,这导致了各国在不同商品的生产上具有不同的成本。
比如,劳动力丰富的国家在劳动密集型产品的生产上具有成本优势,应出口劳动密集型产品;资本丰富的国家在资本密集型产品的生产上具有成本优势,应出口资本密集型产品。
二、国际贸易政策(一)关税关税是一国政府对进出本国关境的商品所征收的税收。
征收关税可以增加政府的财政收入,同时保护本国的产业。
但过高的关税可能会引发贸易伙伴的报复,导致贸易战。
(二)非关税壁垒非关税壁垒的形式多样,包括进口配额、自愿出口限制、技术性贸易壁垒、绿色贸易壁垒等。
这些措施往往比关税更加隐蔽和灵活,但也可能对国际贸易造成更大的扭曲。
(三)贸易保护主义贸易保护主义的兴起往往是由于国内经济面临困境、就业压力增大等原因。
然而,长期的贸易保护主义不利于全球资源的有效配置和经济的发展。
三、汇率与国际收支(一)汇率的决定汇率是一种货币兑换另一种货币的比率。
汇率的决定因素包括购买力平价、利率平价、国际收支状况等。
(二)汇率制度固定汇率制度下,货币的汇率被固定在一定的水平上;浮动汇率制度下,汇率由市场供求决定。
国际经济学知识点归纳1.比较优势理论:由经济学家大卫·里卡多提出,指出每个国家应该专注于本国具有相对优势的产业,通过贸易实现资源的最优配置。
2.绝对优势理论:由亚当·斯密提出,认为一些国家在其中一领域中生产其中一种商品比其他国家更高效率。
根据绝对优势原则,国家间可以通过贸易实现互利共赢。
3.国际收支平衡:国际收支是指国家和其他国家之间的资金流动情况。
国际收支平衡意味着一个国家的贸易出口和进口之间的价值差为零。
如果贸易出口多于进口,就会出现顺差;如果贸易进口多于出口,就会出现逆差。
4.汇率:汇率是一种货币兑换成另一种货币的比率。
汇率受到供求关系、利率水平、政府政策等多种因素的影响。
在浮动汇率制度下,汇率由市场力量决定;在固定汇率制度下,汇率由政府或中央银行决定。
5.贸易保护主义和自由贸易:贸易保护主义是指一国政府通过关税、配额等手段限制进口,以保护本国产业免受外国竞争。
自由贸易则是指国家直接或间接消除贸易壁垒,促使商品和服务在全球范围内自由流动。
6.跨国公司:跨国公司是指在多个国家开展经营活动的大型企业。
它们通过外国直接投资、建立生产基地和分销网络来实现国际市场的开拓。
7.国际货币体系:国际货币体系是指一套规则和约定,用于处理不同国家之间货币交换的方式。
目前,国际货币体系以美元为主导,但也存在其他国际货币如欧元、日元等。
8.金融全球化:金融全球化指在国际金融市场上,资本和金融工具的自由流动。
金融全球化的发展促进了国际投资、公司融资和国际经济一体化。
9.全球经济不平衡:全球经济不平衡是指不同国家之间经济发展水平、贸易差额、外债等方面的差异。
全球经济不平衡可能导致贸易保护主义、金融危机等问题。
10.国际发展援助:国际发展援助是发达国家向发展中国家提供的经济和技术援助。
它旨在促进发展中国家的经济增长、减少贫困和推动可持续发展。
这些是国际经济学的一些重要知识点。
通过研究这些知识点,我们可以更好地理解国际经济关系,为国际产业结构的调整和全球经济的发展提供理论依据。
国际经济学重点------------------------------------------作者xxxx------------------------------------------日期xxxx1、单位产品劳动投入(机会成本)当Pc/Pw=2 或1/2是什么情况?如何生产?(1)当Pc/Pw=1/2时,在本国用葡萄酒衡量的奶酪的机会成本是aLC/aLW =1/2=PC/PW,即PC/ aLC=PW/ aLW。
因而,本国工人在生产葡萄酒和生产奶酪上所获得报酬是一样的,因此本国可以任意选择两种产品的相对供给量。
供给曲线RS在aLC/aLW上出现水平段。
在外国,a*LC/a*LW=2> PC/PW=1/2,即PW / a*LW >PC/ a*LC,外国将专门生产葡萄酒。
(2)当Pc/Pw=2时,在本国,奶酪的机会成本为aLC/aLW =1/2<PC/PW=2,即PW/ aLW< PC/ aLC。
则本国将专门生产奶酪。
而在外国,a*LC/a*LW= PC/PW=2,此时外国工人在生产奶酪和生产葡萄酒时所获得的报酬是一样的,外国可以任意选择两种产品的相对供给量,因而供给曲线RS在a*LC/a*LW上出现水平段。
(3)若aLC/aLW< PC/PW< a*LC/a*LW,即1/2<Pc/Pw<2,要专门分工:本国将专门生产奶酪,外国将专门生产葡萄酒,奶酪的相对供给是(L/aLC)/(L*/a*LW)。
补充:(理解)图 2-3: 世界相对供给和相对需求首先, RS 曲线表明如果奶酪的相对价格PC/PW<aLC/aLW 时,世界的奶酪供给将为零。
其次,当奶酪的相对价格等于本国生产奶酪的机会成本时,即PC/PW=aLC/aLW ,本国工人在生产葡萄酒和生产奶酪上所获得报酬是一样的,因此本国可以任意选择两种产品的相对供给量。
供给曲线RS在aLC/aLW上出现水平段。
国际经济学期末复习知识点考点整理大全一、国际经济学基本概念和原理1.国际贸易与国际经济学的基本概念2.比较优势理论和绝对优势理论3.消费的替代品和互补品4.关税、配额和非关税壁垒5.自由贸易和保护主义政策的影响6.汇率和汇率制度7.国际货币基金组织(IMF)的职能和作用二、国际贸易政策1.关税和贸易自由化2.配额的效果和操作方式3.非关税壁垒的种类和对国际贸易的影响4.出口补贴和国际补贴政策的影响5.关税、配额和非关税壁垒的经济福利效果比较三、国际货币体系1.固定汇率制度和浮动汇率制度的区别和优劣势2.金本位制度、布雷顿森林体系和现代国际货币体系的发展历程3.汇率的决定因素和影响力4.汇率政策和汇率管理工具5.地区经济一体化和货币联盟的发展模式和目标四、国际资本流动1.国际资本流动的形式和原因2.直接投资和证券投资的区别和特点3.跨国公司(MNCs)的发展和作用4.资本流动的利益和风险5.国际资本流动的监管和控制措施五、国际贸易和经济增长1.国际贸易对经济增长的影响2.新贸易理论和国际生产要素流动的效果3.创新和技术发展对国际贸易的影响4.跨国公司和全球价值链对经济增长的贡献5.经济增长对国际贸易的影响六、国际贸易与发展经济学1.发展经济学的基本概念和研究对象2.发展战略和发展模式的比较和选择3.资源禀赋理论和比较优势理论在发展经济学中的应用4.贫穷陷阱的原因和克服方式5.经济增长和贸易自由化对发展经济的影响以上是一些国际经济学的期末复习知识点的整理,希望可以对你的复习有所帮助。
此外,国际经济学还涉及到国际经济合作、国际金融市场、国际劳动力流动等方面的内容,建议你在复习过程中对这些方面的知识也进行深入了解。
祝你取得好成绩!。
国际经济学重点总结◆国际收支平衡:全面理解国际收支的内涵理解国际收支平衡表的含义及基本编写原则掌握国际收支平衡表的组成内容掌握国际收支失衡的基本含义、判断、原因及调节◆汇率和外汇市场:理解汇率的含义及标价方式全面理解汇率变动对国际贸易的影响掌握外汇资产收益的决定因素(公式)掌握外汇市场均衡的利率平价条件(公式)掌握利率和预期对当前汇率的影响(结合图形掌握)◆货币、利率与汇率:理解个人货币需求、货币总需求和货币市场均衡的条件掌握短期货币供给对一国汇率的影响机制(含图形)掌握长期货币供给对一国汇率的影响机制(含图形)了解汇率超调的基本内涵◆长期价格水平和汇率:全面掌握购买力平价理论的基本内容(含一价定律)掌握建立在购买力平价上的长期汇率决定模型(含费雪效应)了解购买力平价出现的问题掌握超越购买力平价的长期汇率一般模型(含实际汇率的含义及影响因素;决定长期名义汇率的影响因素)了解国际利差的决定和实际利率平价条件◆产出与短期汇率:掌握短期产品市场均衡的条件(DD曲线的内涵及移动因素)掌握短期资产市场均衡的条件(AA曲线的内涵及移动因素)掌握开放经济下的短期经济均衡决定掌握货币和财政政策的暂时变动和永久性变动与经济均衡的关系理解宏观经济政策与经济项目的关系(XX曲线)◆汇率制度的选择:理解汇率制度的基本内涵掌握固定汇率制和浮动汇率制的含义理解现行汇率制度的不同类型理解各国选择不同汇率制度安排的影响因素◆国际货币体系:了解不同阶段国际货币体系的变化历程掌握国际金本位制的作用机制、对一国内外均衡实现的影响掌握布雷顿森林体系的建立、政策选择及崩溃了解各国汇率制度从固定汇率制向更灵活汇率制的变化趋势◆最优货币区实践及理论:全面了解欧洲单一货币的演化历程(建立、执行和未来发展)掌握最优货币区理论的核心内容。
国际经济学重点总结1.国际贸易理论:国际贸易理论是国际经济学的基础,它研究国际贸易的原因、影响和模式。
其中最著名的理论包括比较优势理论、绝对优势理论和产品寻租理论等。
2.贸易保护主义和自由贸易:国际贸易中存在着贸易保护主义和自由贸易两种力量。
贸易保护主义指的是国家实施贸易限制措施,以保护本国产业免受外国竞争的影响。
自由贸易则主张取消贸易限制,鼓励各国自由贸易。
研究这两种力量之间的冲突和平衡是国际经济学的关键问题之一3.汇率和国际货币体系:汇率是不同货币之间的兑换比率,而国际货币体系是管理全球货币关系的制度。
国际经济学研究汇率的形成和波动原因,以及国际货币体系的演变和作用。
4.国际资本流动:国际经济学关注国际间的资本流动,包括跨国直接投资和国际金融市场上的资本流动。
研究资本流动对国际经济稳定和发展的影响,并研究政策如何影响资本流动。
5.国际组织和协议:国际经济学研究国际组织和协议在促进国际贸易和合作方面的作用。
例如,世界贸易组织和国际货币基金组织是两个重要的国际经济组织,它们在推动全球贸易和金融合作方面发挥了重要作用。
6.发展经济学:发展经济学是国际经济学中的一个重要分支,研究发展中国家的经济增长和发展问题。
它探讨了贫困、不平等、技术转移、外国援助等与发展经济有关的课题。
7.国际经济政策:国际经济学也涉及到研究和制定国际经济政策。
政府可以通过贸易政策、汇率政策和国际金融政策来影响国际经济。
国际经济学研究这些政策的效果和可行性。
总之,国际经济学是一门研究全球经济关系的学科,它包括国际贸易、国际投资、汇率和国际货币体系等核心内容。
通过研究这些问题,国际经济学可以帮助我们更好地理解全球经济的运行规律,并为国际经济政策的制定提供理论和实证支持。
国际经济学知识点整理1.国际贸易理论国际贸易理论主要研究贸易的原因和影响。
其中最主要的理论包括比较优势理论、绝对优势理论、要素禀赋理论以及新贸易理论。
比较优势理论指出,贸易可以使各国依据其相对成本优势进行专业化生产,从而提高效率。
绝对优势理论则认为,贸易可以基于生产者的绝对成本优势,提高国家的福利水平。
要素禀赋理论则关注生产要素(如土地、劳动力、资本等)在国际贸易中的作用。
新贸易理论则针对特定产品的不同,解释贸易的模式和动因。
2.国际金融理论国际金融理论主要研究国际金融市场的运作和金融决策对经济的影响。
其中最重要的理论包括国际货币体系、国际资本流动、外汇市场和利率平价理论等。
国际货币体系研究全球货币体系的组织和运行机制,如金本位制、固定汇率制、浮动汇率制等。
国际资本流动理论研究国际资本流动的原因和影响,如资本的跨国流动和国际投资。
外汇市场研究不同国家货币之间的汇率变动和影响。
利率平价理论则解释不同国家的利率差异和利率的平衡。
3.国际经济政策国际经济政策是指各国为了达到经济目标而制定的政策。
常见的国际经济政策包括贸易政策、外汇政策、投资政策和产业政策等。
贸易政策是国家对进出口商品征收的关税和非关税壁垒的政策。
外汇政策涉及国家对外汇市场的干预和管理。
投资政策则指国家对外国直接投资和外国间接投资进行的限制和管理。
产业政策则是国家针对特定产业或产业部门进行的政策干预。
4.国际经济关系国际经济关系指的是各国之间在经济领域的相互依存关系和合作关系。
国际经济关系的主要内容包括贸易关系、金融关系、投资关系和政策协调等。
贸易关系涉及各国之间的贸易规模和贸易结构,包括贸易顺差和贸易逆差。
金融关系则包括各国之间的资本流动、国际支付和汇率的管理。
投资关系涉及各国间直接投资和间接投资的规模和结构。
政策协调是指各国之间为了达成共同目标,对经济政策进行协调和合作。
国际经济学的知识点非常广泛,上述仅列举了其中的一些重要内容。
从整体上看,国际经济学的研究包括三个层面:理论层面、政策层面和实证层面。
国际经济学知识点总结1.国际贸易理论:国际贸易理论是国际经济学的基础,主要包括比较优势理论、绝对优势理论、因素比较理论、产品寿命周期理论等。
其中,比较优势理论是由亚当·斯密提出的,它解释了各国之间进行贸易的原因和利益。
2.国际贸易政策:国际贸易政策主要包括关税政策、非关税壁垒政策、贸易协定等。
关税政策是指国家对进口商品征收的税费,非关税壁垒政策包括配额、进口限制、补贴等。
贸易协定是两个或多个国家之间签订的贸易合作协议,如自由贸易区、关税同盟等。
3.国际经济均衡:国际经济均衡描述了国际贸易中的供求关系和价格变动。
国际经济均衡模型包括货币市场均衡模型、物价调整模型等。
4.国际汇率:国际汇率是国际经济交往中最重要的价格之一、国际汇率决定了货币的相对价值,受到多种因素的影响,如经济增长、利率、通胀等。
5.国际投资:国际投资包括直接投资和间接投资两种形式。
直接投资是指在国外直接投资企业或项目,间接投资则是通过购买外国股票、债券等金融资产进行的投资。
6.跨国公司:跨国公司是指在多个国家开展经营活动的公司。
跨国公司在国际经济中起到重要作用,它们通过跨国生产和国际分工,推动了全球贸易和资金流动。
7.国际金融:国际金融涉及到国际货币体系、国际支付和国际资本流动等方面的问题。
国际货币体系是指各国货币之间的兑换关系和支付方式。
国际资本流动是资金在不同国家之间的流动,包括直接投资、债券和股票等。
9.发展经济学:发展经济学是国际经济学的一个分支领域,主要研究发展中国家的经济增长和发展问题。
发展经济学关注贫穷和不平等问题,提出了一系列促进发展的理论和政策建议。
10.国际经济危机:国际经济危机是指全球范围内发生的严重经济衰退和金融风险。
国际经济危机对国际经济秩序和国家经济都会带来巨大影响,需要采取适当的应对措施。
以上是国际经济学的一些重要知识点的总结。
国际经济学是一个广阔复杂的领域,涵盖了许多理论和实践问题。
了解和掌握国际经济学的基本知识对于理解国际经济现象和参与国际经济活动都非常重要。
国际经济学整理第2、3章1.机会成本递增的原因是什么?为什么不同国家的生产可能性曲线有所不同?①要素一般是非同质的。
②当一个国家在生产越来越多的某种商品(例如X)的同时,它必须要利用那些效率较低或并不完全适合生产这种商品的资源或要素(从生产Y转移而来)。
生产可能性曲线差异的原因:两国具有不同的要素和资源禀赋。
两国使用了不同的技术。
2.孤立均衡的相对商品价格表示什么?在各个国家这个相对价格是如何确定的?它又是如何确定一国的比较优势的?在孤立条件下生产和消费的均衡点上一国生产可能性曲线和无差异曲线的公切线的斜率给定。
同一种商品在两国的相对价格不同,是因为两国的生产可能性曲线和社会无差异曲线在形状和位置上均不相同。
在自给自足的情况下,供给的力量(由该国的生产可能性曲线给出)与需求的力量(由该国的社会无差异曲线给出)共同确定了该国均衡的相对商品价格。
在没有贸易的情况下,一国达到其生产可能性曲线所允许的最高无差异曲线时,该国就达到了均衡状态,这发生在社会无差异曲线和生产可能性曲线边界相切的点。
两条曲线在切点公切线的斜率给出了国内的均衡价格,反映了该国的比较优势3.为什么国际分工止进行至某商品在两国的相对价格相等的水平?贸易均衡的相对商品价格又是如何确定的呢?当一国专业化生产X时,它生产X的机会成本也不断提高。
同样,随着国家2生产y的产量的增加,它生产Y的机会成本也不断提高(这意味着生产X的机会成本不断下降)。
这样,随着每个国家专业化生产该国具有比较欧式的商品,两国的相对商品的价格将会相互接近,直到该价格在两国相等。
是通过试错法确定的。
也就是说,不同的相对价格都被尝试过,直到找到使贸易平衡的那个相对价格。
有一套严格的理论方法能去定贸易中的均衡相对价格,这要用到每个国家每种商品的总供给和总需求曲线。
4.孤立均衡在孤立情况下,国家1在A点进行生产和消费时达到均衡,即实现福利最大化,国家1的生产可能性曲线与其能达到的最高无差异曲线I在该点相切。
第一章绪论(一)识记国际经济学的研究对象,重商主义。
(二)领会国际经济学的特征,国际经济学理论发展的阶段。
1.国际经济学是研究稀缺资源在世界范围内的有效分配,以及在此过程中发生的经济活动和经济关系的科学;2.国际经济学作为经济学的分支科学,是建立在微观经济学和宏观经济学基础上的;3.国际经济学经历了重商主义、自由贸易和现代国际经济理论多层面发展三个阶段。
它是伴随着国际经济活动的不断增加而逐渐完善起来的;4.在国际经济理论发展中,马克思主义理论的发展对我们特别具有指导意义;5.学习国际经济学应该有良好的方法。
扎实的知识准备、注意问题的论述方法,以及理论联系实际都是特别需要的。
1.国际经济学的研究对象是什么?2.重商主义的理论有哪些是合理的?3.重商主义的致命弱点是什么?4.从国际经济学理论的发展中你能得到哪些结论?5.谈谈学习国际经济学的意义。
第二章古典的国际贸易理论(一)绝对技术差异与相对技术差异1.识记:绝对技术差异,相对技术差异,贸易三角。
2.领会:绝对技术差异论的内容,相对技术差异论的内容。
3.理解:绝对技术差异论和相对技术差异论的特点和局限性。
(二)生产要素禀赋论1.识记:生产要素禀赋论,里昂惕失之谜。
2.领会:生产要素禀赋论的内容。
3.简单应用:生产要素禀赋论与一国的进出口结构。
(三)机会成本变动下的比较利益1.识记:机会成本递增。
2.领会:机会成本变动下的贸易结构。
3.理解:贸易与生产不完全专业化,贸易条件与供求均衡。
1.技术的绝对差异会导致各国之间的相互贸易。
2.技术的相对差异是各国形成比较成本优势的基础。
绝对技术差异是相对技术差异的特例,或特殊形式。
3.生产要素禀赋理论用各国生产要素禀赋的差异解释国际贸易的原因。
4.无论是技术差异,还是生产要素禀赋差异,它们都是以两国之间同一产品的价格存在差异为前提的。
因此只要存在价格差,各国之间就有开展贸易的动力。
5.机会成本的递增使比较利益理论的适用范围进一步扩大。
国际经济学重点总结第二章比较优势原理1、重商主义:认为使国家富强的方法应该是尽量使出口大于进口。
2、绝对优势:如果一国相对于另一国在某种商品的生产上有绝对优势,但在另一种商品上有绝对劣势,那么两个国就可以就可以通过专门生产自己有绝对优势的产品并用其中一部分交换其有绝对劣势的产品。
3、比较优势原理:如果一国生产一种产品的机会成本低于其他国家生产该种产品的机会成本,这个国家在该种产品上拥有比较优势。
如果每个国家都出口本国具有比较优势的商品,则两国间的贸易能使两国都受益。
4、劳动价值论:商品的价值和价格只取决于投入商品生产中的劳动量5、生产可能性曲线:指一国采用其所能获得的最佳技术,充分利用其所有资源生产的两种商品的各种组合。
4、(1)机会成本理论:一种商品的成本就是为了有足够的资源多生产1个单位该商品(X)所必须放弃的另一种商品总量(Y)。
(2)根据机遇成本理论比较较上风原理的理解:一国生产两种商品,机遇成本较低的那种商品具有比较上风;而另一种商品具有比较上风).→又称“比较成本原理”(左边是美国,右边是英国)第三章国际商业标准理论1、机会成本递增:一国多生产一种商品必须放弃越来越多的另一种商品以释放刚好足够的资源。
机遇成本递增使得生产可能曲线成为一条凹向远点的曲线,而不是一条直线。
成本递增条件下国家1和国际2成产可能性曲线2、边际转换率:指一国每多生产一单位X必须放弃生产Y的数量3、机会成本递增的是由于生产所需的要素或资源:(1)不是同质的(2)在所以商品的生产中,生产要素的比例或密集度不是固定不变的。
4、社会无差异曲线:反映了能使社会或国家获得同等满足程度的两种商品的不同组合。
5、边际替代率:一国为保持在原来的无差异曲线上,多消费一单位X而必须放弃的Y的数目6、孤立均衡:在不发生对外商业的情况下,当一国达到其生产可能性曲线所允许的最高的社会无差异曲线时,该国就达到了均衡状态,这发生在社会无差异曲线和生产可能性曲线的相切点。
第一章封闭条件下的一般均衡条件①使厂商实现利润最大的同时也使社会资源得到最有效率配置;条件②使消费者实现效用最大的同时也使整个社会福利达到最大(完全竞争条件下,二者利益一致);条件③保证生产和消费均衡同时达到。
结论:——在封闭条件下,生产均衡点与消费均衡点是重合的(市场出清)。
结论:在完全竞争的假设前提下,封闭条件下的相对价格差异是国际贸易产生的基础.开放条件下的一般均衡结论:开放条件下,生产均衡点与消费均衡点不再重合。
第二章古典贸易理论绝对优势论<基本观点〉:在两国生产两种商品的情况下,其中一国在一种商品的生产中具有较高效率,另一国在另一商品的生产中具有较高效率,则两国在不同商品的生产上分别拥有绝对优势,此时如果两国根据各自的绝对优势进行专业化分工,并相互进行交换,双方均能从中获益.贸易基础:各国生产成本/劳动生产率上的绝对差异贸易模式:一国应专业化生产并出口具有绝对优势的比较优势论<基本观点>:在两国生产两种商品的情况下,其中一国在两种商品的生产上均处于绝对优势,另一国在两种商品的生产上均处于绝对劣势,则优势国可专门生产其优势较大的那种商品,劣势国可专门生产其劣势较小的商品,然后进行国际交换,双方仍能从中获益。
--“两利相权取其重,两弊相权取其轻”贸易起因:生产成本/劳动生产率的相对差异李嘉图比较优势理论的现代分析封闭条件下的均衡封闭下的相对价格:封闭下的相对价格等于PPF的斜率。
即,pA=ay/ax ,贸易模式:一国应该出口具有比较优势(相对价格低或相对劳动生产率高)的产品,进口比较劣势的产品。
国际均衡价格的决定:-—A、B两国过剩供求给曲线交点贸易利益:贸易后社会无差异曲线均向上移动,因此,贸易改善了两国各自的福利水平;第三章要素禀赋理论赫克歇尔-俄林理论H-O定理主要观点:认为,一国应当分工生产并出口密集使用其相对丰裕要素所生产的商品,进口密集使用其相对稀缺要素所生产的商品。
国际经济学要点总结
1.国际贸易:国际贸易是国家之间的货物和服务的交换。
其中的要点包括绝对优势理论、比较优势理论、国际贸易的利益和影响、关税和贸易壁垒、贸易政策的工具和影响。
2.国际投资:国际投资是跨国企业在不同国家进行的资本投资活动。
其中的要点包括国际直接投资和国际间接投资、国际投资的形式和动因、国际投资的利益和影响、国际投资的法律和政策框架。
3.外汇市场:外汇市场是不同国家货币之间的交易市场。
其中的要点包括汇率的定义和决定因素、固定汇率制和浮动汇率制、外汇市场的参与者和交易方式、外汇市场的利益和影响、汇率政策的工具和影响。
4.国际金融:国际金融是国际间货币和资本市场之间的交流和融资活动。
其中的要点包括国际支付和清算、国际债务和外债管理、国际金融市场和金融机构、国际金融风险和金融危机、国际金融监管和合作。
5.全球经济问题:全球经济问题指的是影响全球经济稳定和发展的重大问题。
其中的要点包括全球贫富差距和发展问题、全球气候变化和环境问题、全球金融危机和经济周期、全球贸易摩擦和保护主义、全球经济治理和合作。
国际经济学一、名词解释为该国在该产品生产上具有绝对优势。
绝对优势主张以各国生产成本的绝对差异为基础进行国际专业化分工,并通过国际贸易获得利益的一种国际贸易理论。
2、比较优势:指以各国生产成本和相对差异为基础进行国际专业化分工,并通过自由贸易获得利益的一种国际贸易理论。
在两个生产两种商品的情形下,其中一国在两种商品生产上均占绝对优势,另一国在两个商品的生产上出于绝对劣势,则优势国可以专门生产优势较大的那种商品,劣势国可以专门生产劣势较小的那种商品,通过专业化分工的国际交换,双方仍能从总获益。
如果一个国家在本国生产一种产品的机会成本(用其他产品来衡量)低于在其他国家生产该产品的机会成本的话,则这个国家在生产该种产品上就拥有比较优势3、派生需求:又称引致需求,指由于生产某种产品的需求而引起的对其中某种生产要素的需求。
4、机会成本:指在一国资源达到充分利用时,要增加某一产品的生产,必须放弃另一种产品生产的数量。
一般情况下,生产中的机会成本包括:机会成本递增,机会成本不变和机会成本递减三种情况。
5、一般均衡分析:指在充分考虑所有经济变量之间关系的情况下,考察整个经济系统完全达到均衡状态时的状况,和达到均衡的条件。
一般均衡分析是指(与局部均衡分析相反)把各种市场和价格的相互作用都考虑进去的分析。
6、局部均衡分析:局部均衡分析主要是分析一种商品或一种要素市场上供求变动或政府政策对本产品价格、产量以及直接涉及到的消费者和生产者的影响。
在局部均衡分析中所用的是供给曲线和需求曲线7、生产可能性边界:用来表示经济社会在既定资源和技术条件下所能生产的各种商品最大数量的组合8、相对工资:该国工人每小时的工资与外国工人每小时的工资的比值。
个单位某种产品所使用的生产要素的组合比例。
在资本与劳动两种生产要素的情形下,要素的密集度就是指生产一单位该产品所使用的资本-劳动比率。
11、充裕要素:一个国家供给相对多的要素,称为这个国家的充裕要素12、稀缺要素;一个国家供给相对少的要素,称为这个国家的稀缺要素国际经济学家把锁定在产业中的要素称为特定要素14、要素价格:指生产要素的使用费用或要素的报酬。
国际经济学复习重点单选15*1分 多选5*3分 判断说明5*2分 简答5*6分 论述2*15分一、二、三、五章1.代表性人物及理论★(1)亚当·斯密的绝对优势理论P1内容:如果一个国家生产某一商品的单位成本比其他国家生产该商品的单位成本绝对地低,则该国在该商品的生产中具有绝对优势。
各国专业化生产和出口具有绝对优势的商品,进口具有绝对劣势的商品,参加贸易的各国都会从中受益。
假设条件:生产要素只有一种,劳动力;生产要素在一国之内是完全同质的;世界由两个国家构成(英国和葡萄牙),每个国家生产两种产品(酒和布);规模收益不变;要素在一国内自由流动,在两国之间不能流动;商品和劳动市场完全竞争;没有运输成本和其他交易费用;以劳动价值论为基础,价值由劳动时间决定;两国生产相同商品的劳动生产率不同。
★(2)大卫·李嘉图的比较优势理论P5内容:一国生产不同产品的劳动成本可能比其他国家都要高,因而具有绝对成本优势,但只要成本差异的程度不同,各国即可找到本国的比较优势。
假设条件:生产要素只有一种,劳动力;任何一国都有一个固定的资源禀赋水平,并且生产要素在一国之内是完全同质的;世界由两个国家构成(英国和葡萄牙),每个国家生产两种产品(酒和布);生产成本不变,规模收益不变;要素在一国内自由流动,在两国之间不能流动;商品和劳动市场完全竞争;没有运输成本和其他交易费用;经济在充分就业状态下运行;以劳动价值论为基础,价值由劳动时间决定;虽然不同国家之间存在着技术水平的差异,但各国的技术水平都是既定的;政府对于经济活动不施加任何干预。
(3)约翰·穆勒的相互需求理论P11内容:国际交换比例以贸易前两国国内交换比例为限,国际交换比例由相互需求强度决定★(4)埃利·赫克歇尔和伯蒂尔·俄林的要素禀赋论(H —O 理论)P14内容:如果一国资本相对丰富、价格便宜,劳动相对稀缺、昂贵,该国适宜生产并出口资本密集型产品,进口劳动密集型产品;另一国劳动相对丰富、价格便宜,资本相对稀缺、昂贵,则该国适宜生产并出口劳动密集型产品,进口资本密集型产品。
国际经济学知识点总结1.绝对优势理论:该理论由亚当·斯密提出,指出不同国家在生产不同商品上有绝对优势,通过国际贸易可以实现利益最大化。
2.比较优势理论:该理论由大卫·李嘉图提出,认为国家应该专注于其相对优势商品的生产和出口,通过国际贸易互利共赢。
4.贸易壁垒:包括关税和非关税壁垒。
关税是国家对进口商品征收的税费,非关税壁垒包括配额、进口许可证和技术标准等。
5.汇率:是货币之间的比率,决定了国际贸易的相对价格和竞争力。
汇率受到市场供求关系和货币政策的影响。
6.汇率制度:包括固定汇率制和浮动汇率制。
固定汇率制是国家将本国货币与其他货币维持一定汇率,浮动汇率制则由市场供求决定。
7.贸易平衡:指一个国家进口和出口之间的差额。
贸易平衡包括贸易逆差和贸易顺差两种情况。
8.汇率政策:政府通过干预汇率市场来影响本国货币的相对价值。
汇率政策可以是直接干预(如买卖外汇)或间接干预(如调整货币政策)。
9.国际金融市场:包括外汇市场、国际债券市场、股票市场等。
国际金融市场提供了资金并帮助调整国际收支。
10.国际投资:包括直接投资和证券投资。
直接投资是指一个国家在其他国家建立生产设施或购买企业股权,证券投资是指购买其他国家的股票和债券。
11.跨国公司(MNC):指在不同国家拥有子公司或分支机构的公司。
跨国公司可以通过直接投资实现在不同国家间的资源配置和市场进入。
12.国际收支:指一个国家与其他国家之间经济交流的总和。
国际收支包括货物贸易、服务贸易、资本流动等。
13.汇率风险管理:企业和投资者通过套期保值等方式来降低外汇波动对收益的影响。
14.发展经济体和发达经济体之间的差距及原因:发展经济体通常具有劳动力成本低、资源丰富等优势,但面临技术落后、市场准入困难等挑战。
15.国际贸易政策工具:包括关税、配额、补贴、反倾销等。
国家通过这些工具来保护本国产业和调整国际贸易关系。
这些知识点是国际经济学中的重要内容,了解这些知识可以帮助我们更好地理解国际贸易和金融活动的规律和影响因素。
第二章古典国际贸易理论一、斯密的绝对优势理论的基本概念与内容1.绝对优势是指一国如果在某种产品上具有比别国高的劳动生产率,该国在这一产品上就具有绝对优势;相反,劳动生产率低的产品,就不具有绝对优势,即具有绝对劣势。
各国间的贸易基于绝对优势,各国应该将其资源集中生产并出口其具有“绝对优势”的产品,进口其具有“绝对劣势”的产品;国际贸易的利益是“非零和”。
因此,主张实行自由贸易政策,反对国家对外贸的干预。
2.绝对利益学说的基本含义:在某一种类商品的生产上,一个经济体在劳动生产率上占有绝对优势,或其生产所耗费的劳动成本绝对低于另一经济体,若各个经济体都从事自己占有绝对优势的商品的生产,继而进行交换,那么双方都可以通过交换得到绝对利益,从而整个世界也可以获得分工的好处。
3.绝对优势贸易理论的意义:1)它揭示了国际分工和专业化生产能使资源得到更有效地利用,从而提高劳动生产率的规律;2)它首次论证了贸易双方都能从国际分工与国际贸易中获利的思想,即国际贸易可以是一个“双赢游戏”,而不是一个“零和游戏”,从而部分地解释了国际贸易产生的原因。
4.绝对优势贸易理论的局限性:1)绝对优势说存在这一个必要的假设:一国要参加国际贸易,就必然要有至少一种产品在生产上与交易伙伴相比处于劳动生产率绝对高,否则该国便不具有实际参加国际分工的条件,或者在国际贸易中没有任何的利益而只有伤害,这在理论上过于绝对,在实践中也不符合实际的情况;2)在劳动价值论坚持方面,无法说明X、Y两种商品进行国际交换的内在等价要求是什么、在国际间进行交换的价值基础是什么。
5.绝对优势学说的图形说明结论:在加入国际贸易后,A国和B国的生产点和消费点都出现了分离,且消费点明显提升。
说明国际贸易扩大了A国和B国的消费选择范围,提高了各国居民的福利水平。
二、李嘉图比较优势理论的基本观点1.比较优势是指即使一国在所有商品上的劳动生产率都要低于另一国,即所有商品的生产均处于绝对劣势,但是相对劣势较小的商品较之那些相对劣势较大的商品而言,则具有比较优势。
2.每个国家应该集中生产并出口其具有“比较优势”的产品,进口其具有“比较劣势”的产品。
通过自由交换,参与交换的各个国家可以节约社会劳动,增加产品的消费,世界也因为自由交换而增加产量,提高资源利用的效率。
3.李嘉图比较优势学说的核心思想是:“两利相权取其重,两弊相权取其轻”4.比较利益就是相对优势,是本身各种优势之间的比较,国际分工和国际交换应该遵循从事优势生产、放弃劣势生产的原则。
5.机会成本:经济决策过程中,因选取某一方案而放弃另一方案所付出的代价或丧失的潜在利益。
6.比较优势学说的理论模型前提条件:1)采用2*2*1的模式,两个国家、两种产品,一个要素;2)要素市场和商品市场是完全竞争型的,两国均实行自由贸易政策,无任何贸易限制;3)劳动在一国国内完全自由流动,在两国之间完全不能流动;4)以劳动价值论为基础,劳动时间决定商品的价值,劳动充分就业,劳动的报酬是一样的;5)交易双方生产成本不变,无规模收益,不考虑运输、保险等因素;6)收入分配不受贸易的影响,也不影响贸易的进行;比较优势学说的图形说明其中,图a代表A过的基本情况,图b代表B国的情况。
从图中可以看出,同样的资源,A国的优势在于生产Y产品,B国的优势在于生产X产品,分工前国内生产组合、消费组合垫分别为A、B,按照比较优势进行专业化分工,A国表现为从A点上移至A’点,放弃部分的X产品生产而增加Y产品的生产,B国表现为从B点下移至B’点,放弃部分的Y产品而增加X产品的生产。
7.世界生产可能性曲线假设有两个规模相近的国家A和B,B生产商品X有比较利益,A 生产商品Y有比较利益➢当生产在C点进行的时候,表示两国进行了完全的分工➢当生产点在AC上的时候,B国实现专业化生产,专门生产X;而A国则同时生产X和Y➢当生产点落在BC上的时候,A国实现专业化生产,专门生产Y;而B国则同时生产X和Y➢A、B两国只要至少有一个国家处于完全分工状态,世界的产出就会增加,福利就会提高8.对李嘉图比较优势学说的评价(一)从国际贸易实际出发的评价1)比较优势学说揭示了国际贸易因比较优势而发生并具有互利性,证明了各国通过出口相对成本较低的产品,进口相对成本较高的产品就可以实现贸易互利,这是该学说的主要贡献2)该学说的假设前提过于苛刻,并不符合国际贸易的实际情况3)按照该学说,在自由贸易条件下,参加贸易的双方都可获得利益。
为获得此利益,所有贸易参加国都应该积极实行自由贸易而非保护主义,但在实际中,各国都在不同程度实行保护主义4)按照该学说差异决定贸易的核心,当今的贸易应该主要在发达国家与发展中国家间展开,但事实是今天的国际贸易主要发生在发达国家之间5)李嘉图的理论有一条重要的结论是:各国根据比较优势原则,将进行完全的专业化生产,但这一点与现实有较大的出入(二)从劳动价值论出发的评价1)出现了同一商品国内价值和国际价值差异,即两个价格现象,违背了劳动价值论2)该理论并未从根本上揭示出贸易发生的原因第三章国际贸易价格的确定1.提供曲线也称相互需求曲线,它是表明一个国家想要交换的进口商品数量与愿意出口的商品数量之间的函数关系的一条曲线。
正如其定义所指出的,提供曲线包括了供给和需求两方面因素。
从另一个角度,我们也可以认为提供曲线反映了一个国家在不同的相对价格水平下所愿意进口和出口的商品数量。
对提供曲线的评价:1提供曲线理论的三个条件:(1)国际贸易价格总是在提供曲线的交点上,而该点需要满足国际收支平衡,即参与贸易国家的进出口价格相等(2)要求各国商品需求平衡,即一国生产的商品是另一国需要的,相互需求的数量应该正好相等(3)生产必须在生产可能性曲线上和实现最大的福利水平2 提供曲线提供了价格的自动恢复机制分析:如果不能满足上述三个条件,则会有自动调节机制使之恢复均衡。
3 提供曲线的理论基础是一般均衡理论相互需求以及提供曲线的理论核心是由供求的变化决定价格和价格变化,是建立在边际想用理论基础之上的,从本质上将是价格决定而非价值决定。
2.贸易条件是用来衡量在一定时期内一个国家出口相对于进口的盈利能力和贸易利益的指标,反映该国的对外贸易状况,一般以贸易条件指数表示,在双边贸易中尤其重要。
3.出口的贫困增长指在一定条件下,一国生产规模的扩大,即生产可能性曲线向外推移,沿着原有优势推进,即如果该国原有优势在于生产某种产品,现在进一步扩大该种产品的生产,但由于原有的贸易比较优势不变,贸易出口的扩大不仅没有使得该国的福利有所提高,反而因为出口增加而有所下降。
经济中存在着出口的贫困增长,这一现象的主要根源在于贸易条件的恶化,由于贸易条件恶化,出口数量的增长,导致了出口收入的下降,从而造成了福利的降低。
出口贫困增长的条件:1. 出口过大多处于一定发展阶段的发展中国家,经济是典型的单一经济,离开单一产品的生产与出口,该国经济便会陷入困境2. 该国属于国际市场中的大国,生产的产品为初级产品或劳动密集型且出口量占据世界销售量的很大份额,任何增量的出口都会造成供大于求,价格的波动。
3. 该国生产、出口的这种产品弹性小,不会因价格变化而影响销量,价格的下降并不以为着销售量的大幅度上升。
4. 该国国民经济的发展高度依赖出口,属于很强的出口导向型经济,经济高度依赖出口。
出口贫困增长的政策含义和评价1.产业结果转化的重要性:尽早从初级产品的加工出口向制成品出口的转化2.平衡出口量与出口价格:发展中国家主要依赖于劳动力密集型产品的出口来促进经济发展,当这些产品在世界市场中占据相当的份额之后,继续扩大出口该类产品的努力便会造成出口贫困增长的现象。
因此这些国家在发展的一定阶段应该特别主义避免这种现象发生,并考虑价格与出口数量之间的平衡,利用市场的力量减少不应该有的损失。
3.贸易条件:当商品的相对价格不变时,如果经济增长使贸易数量增加,贸易条件就会恶化;反之,经济增长使贸易数量减少,贸易条件就会改善,这就是经济增长的贸易条件效应。
第四章国际贸易的现代与当代理论(1)1.H-O模型假设前提和基本内容提出背景:1919年,赫克歇尔发表了题为《国际贸易对收入分配的影响》的论文,对要素禀赋理论的核心思想——要素禀赋差异是国际贸易产生的基本原因作出了初步的分析。
1933年,俄林出版了著名的《区域贸易与国际贸易》一书,书中对其老师的思想做了清晰而全面的解释,提出了有关要素禀赋学说的完整理论体系。
由于其贡献,俄林与詹姆斯·米德分享了1977年度的诺贝尔经济学奖。
假设前提:1.只有两个国家,两种商品,两种生产要素——2*2*2模型;2.两国在生产中使用相同的技术;3.X、Y的生产技术不同,其中X假设为资本密集型产品,Y假设为劳动密集型产品;4.A国为资本丰富的国家,B国为劳动丰富的国家;5.两国的商品和要素市场都是完全竞争的。
在一国内,生产要素可以自由流动,但在国与国之间不能流动;;6.两国消费者的需求偏好相同;7.没有运输成本和交易成本,也没有任何限制贸易的关税和非关税壁垒核心思想:在国际贸易中,一国的比较优势是由其要素丰裕度决定的。
一国应生产和出口较密集使用其较丰裕的生产要素的产品,进口较密集使用其较稀缺的生产要素的产品。
在H-O模型看来,生产商品的成本绝对差异是由生产时使用的要素的价格之间的差别决定的;要素价格绝对差异是由要素存量比率决定的;要素存量比率差异又是由要素供求决定的;要素的供给则是由要素禀赋决定的。
图形分析:A、B国封闭条件下的相对价格pa<pbA国在X商品上具有比较优势B国则在Y商品上具有比较优势A国和B国的生产可能性曲线●X商品由A国输出B国的后果是A国X的相对价格将上升,B国X的相对价格将下降,最终两国价格趋于一致。
●消费点提高,两国福利水平提高。
评价:1)从一国基本经济资源优势届时国际贸易发生的原因,从实际优势出发决定贸易模式,从贸易对经济的影响分析国际贸易的作用在理论是有益的,且考虑了更多的影响国际贸易产生和利益分配的因素,更贴近事实,反映实际情况,更具有说服力2)自然禀赋是国际贸易发生的必要条件,并非贸易发生的充分条件。
因为社会因素在确定一国对外开放的战略中具有极其重要的地位,离开了社会因素,很多问题都无法得到有说服力的解释,同时H-O模型比较强调静态结果3)H-O模型在假设条件上排除了技术进步的因素以及许多实际存在的情况,在今天的国际贸易中是绝对违背世界经济发展的事实的,坚持这样的观点会使得世界经济结构凝固化,使得发展中国家在发挥所谓资源优势的同时,无法转换生产结构,从而阻碍其经济发展4)这一理论对需求因素并未予以充分的重视5)从经济学说史的角度来考察,H-O模型实际上是三要素说,即资本与利息、劳动与工资、土地与地租联系在一起论述,并不涉及经济关系的探讨,马克思主义经济学曾给予了彻底的批判1、要素丰裕度•要素丰裕度也称要素禀赋,是指一国所拥有的两种生产要素的相对比例。