水性纳米氟碳漆
- 格式:doc
- 大小:86.50 KB
- 文档页数:3
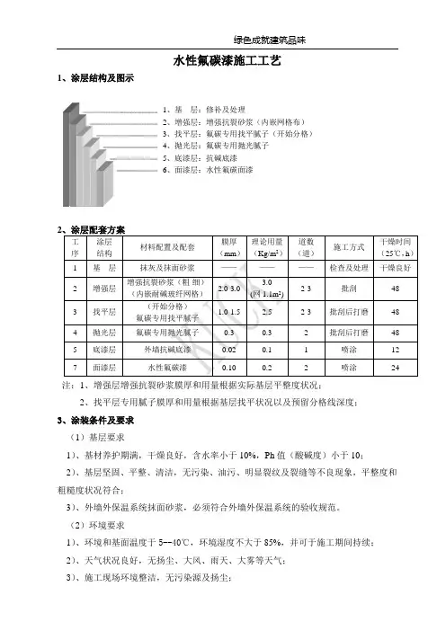
水性氟碳漆施工工艺1、涂层结构及图示2注:1、增强层增强抗裂砂浆膜厚和用量根据实际基层平整度状况;2、找平层专用腻子膜厚和用量根据基层找平状况以及预留分格线深度;3、涂装条件及要求(1)基层要求1)、基材养护期满,干燥良好,含水率小于10%,Ph值(酸碱度)小于10;2)、基层坚固、平整、清洁,无污染、油污、明显裂纹及裂缝等不良现象,平整度和粗糙度状况符合;3)、外墙外保温系统抹面砂浆,必须符合外墙外保温系统的验收规范。
(2)环境要求1)、环境和基面温度于5--40℃,环境湿度不大于85%,并可于施工期间持续;2)、天气状况良好,无扬尘、大风、雨天、大雾等天气;3)、施工现场环境整洁,无污染源及扬尘;4)、施工辅助设施及安全保证设施齐备;4、施工工艺工艺流程工艺表述(1)基层检查及处理1)基层存在孔洞、凹陷,应进行填充修补并找平;2)基层存在突起以及突出部位,应进行铲除并找平;3)基层存在表层浮灰及粘浮污染物,应进行清扫、打磨,保证表面清洁;4)基层存在油污,应采取清洗剂进行清洗,保证去除后表面清洁和干燥;5)基层存在空鼓,应叩开铲除,并进行密实修补;6)基层存在裂纹和裂缝,应对裂纹进行修补和抑裂增强处理;7)基层存在泛碱和严重盐析现象,应采用草酸或冰醋酸进行中和处理;8)基层平整度不够,应继续砂浆修补并找平;9)基层强度不足或不坚固起砂,严重时应打磨除掉起砂层重新抹灰,轻微状况可涂刷界面剂增强;(2)增强层及施工基层检查并处理合格后,对基层进行增强层的施工;1)材料配置:抗裂增强砂浆(粗—细)、耐碱玻纤网格布2)体系特征:抗裂增强砂浆为干粉状、密闭袋装、灰色;耐碱玻纤网格布:符合国家标准要求;3)砂浆配制:增强砂浆骨料(干粉)按包装物上规定比例兑水易和,充分易和呈均匀砂浆膏状后使用;4)施工方式:批刮,整体连续均匀批刮,批刮一道后嵌入耐碱玻纤网格布,然后再批刮二道、三道;5)施工工具:批刀或抹刀、刮板,腻子刀;6)施工道数: 2-3遍,具体根据基层实际平整度状况;7)施工操作(a)、合理分配一次性涂装区域,从上至下连续均匀批刮一道,紧跟铺设耐碱玻纤网格布,网布接头、接续部位相互搭接不小于10cm,并采用幔刀或抹刀将网布充分赶开和压紧密实,不允许存在虚粘和空鼓;(b)、一道基本干燥(初强)后即可批刮二道,要求从上至下连续均匀批刮,要求批刮细微、保持良好平整度;(c)、二道基本干燥(初强)后继续进行三道批刮,三道砂浆采取略细的增强砂浆为最宜(利于整体基面粗糙度控制),要求从上至下连续均匀批刮,要求批刮细微、保持良好平整度;(d)、上述增强砂浆干燥后进行整体打磨,保证整体平整度和粗糙度基本均一;8)、砂浆保养:打磨后及时清扫和擦拭表面粉尘及粉屑,高温、干燥天气可采用清水对干好的砂浆层进行适当保养加强;9)、强调和说明事项(a)、砂浆厚度并非越厚越好,原则上以良好找平基层为准;(b)、砂浆配制过程中,搅拌应均匀、细微,做到无粉团、无疙瘩、无过大颗粒;(c)、砂浆干燥后适当用水保养可有效增加强度;(d)、配制好的砂浆应于2小时内用完,做到现用现配;(3)找平层及施工增强层干燥及打磨合格后,于其上进行分格(如有分格需要)及找平层施工; 1)、分格及设置如按块分格设计,则首先于增强层基面上进行弹线分格,并于找平层施工前进行胶带粘贴分格(根据分格线宽度选择胶带);分格图示如下:2)3)4)5)6)、施工工具:批刀或抹刀、刮板,腻子刀;7)、施工道数: 2-3道,具体也据基层实际和分格线需求深度;8)、施工操作:(a)、粘贴胶带分格,合理分配一次性涂装区域,然后从上至下连续均匀批刮,批刮后及时揭去分格胶带预留出分格线;干燥后打磨刮痕后再批刮下道;(b)、对批刮后的整体基面随时进行外观缺陷及平整度状况的质量检查,针对缺陷及时作出加强性修补;(c)、过程中分格预留:单道批刮前均沿线粘贴胶带,待单道批刮后立即揭去胶带,多道批刮按单道做法重复即可,始终保持分格线预留;(d)、最后一道批刮完成及干燥后,对基面及分格缝隙进行整体细致打磨,保证总体基本平整光洁,分格槽线平直、整齐、深度一致;(9)、打磨要求:要求打磨细微和彻底,保证腻子基面总体平整度和光洁度良好;10)、腻子保养:打磨后及时清扫和擦拭表面粉尘及粉屑,高温、干燥天气可采用清水对干好腻子层进行适当保养加强;11)、强调和说明事项(a)、腻子厚度并非厚好,原则上以找平基层为准;(b)、腻子配制过程中,搅拌均匀、细微,做到无粉团、无疙瘩、无过大颗粒;(c)、腻子干燥后适当用水保养可有效增加强度;(d)、配制好的腻子应于2小时内用完,做到现用现配;(e)、分格线预留应随时检查和保持平直、整齐状况;(4)抛光层及施工上述找平层(腻子)干燥良好后,继续预留分格线(分格线粘贴胶带),于其上进行抛光层的施工;1)、抛光层材料配置:氟碳专用抛光腻子;2)、体系特征:乳液膏状、密闭桶装、白色略微黄;3)、腻子配制:开桶搅拌均匀后批刮使用;4)、施工方式:批刮,整体连续均匀批刮;5)、施工工具:批刀或抹刀、刮板,腻子刀;6)、施工道数: 2道,具体也据光洁度状况;7)、施工操作:(a)、合理分配一次性涂装区域,从上至下连续均匀批刮(批刮后揭去胶带继续预留出分格线);干燥后打磨消除刮痕并批刮下道;(b)、过程分格预留:单道批刮前均沿线粘贴胶带,待单道批刮后及时揭去胶带,多道批刮按单道做法重复即可,始终保持分格线预留;(c)、最后一道批刮完成及干燥后,对基面及分格缝隙进行整体细致打磨,保证总体基本平整光洁,分格槽线平直、整齐、深度一致;8)、干燥及养护:批刮后自然干燥,无需特殊养护,通常批刮12h后可实干;9)、打磨要求(a)、涂装面打磨:要求采用600目及以上目数砂质,打磨细微和彻底,保证腻子基面平整度和光洁度良好,打磨过程中发现缺陷应及时进行修补和加强;(b)、分格缝打磨:采用400目及以上砂质对预留的分格线(槽)进行细致打磨,打磨后保证分格线平直、平滑、深度宽度均一;10)、强调和说明事项(a)、抛光腻子批刮原则是单道薄批,批刮多道,保证整体细微、均匀、光洁;(b)、一次性批刮未用完的腻子应注意保存密封;(c)、分格线预留应随时检查和保持平直、整齐状况;(5)底漆层及施工上述腻子干燥彻底,并打磨平整清洁表面浮尘后进行底漆的涂装施工;1)、材料配置:KD20外墙抗碱底漆;2)、体系特征:水性、单组分液状,密闭桶装,白色可遮盖型;3)、底漆配制:开桶后采用清水稀释并充分搅拌均匀后使用,兑水量为15—30%,具体根据施工粘度需要;4)、施工方式:滚涂,整体连续均匀滚涂;5)、施工工具:外墙漆用涂装滚筒,建议选择优质中毛滚筒;6)、施工道数:1道;7)、膜厚及用量:平均膜厚为0.03mm,理论用量为0.1kg/m2,因腻子基面和吸收状况不同,底漆用量可能存在差异;8)、施工操作要求:合理分配一次性涂装区域,从上至下连续均匀滚涂,细致滚涂接茬和接续,要求滚涂均匀、连续、到位、无漏涂,难涂装部位建议采用羊毛刷辅助;9)、干燥及保养:底漆涂刷后应保证充分干燥,干燥后可轻微打磨和修补加强;10)、强调事项(a)、底漆兑水比例应保持基本相同,兑水后充分搅拌均匀;(b)、底漆开桶后应注意密封,未一次用完物料应及时归桶;(c)、涂刷间歇和结束,应及时浸泡和清洗工具;(d)、细微滚涂操作,避免沾污,不免沾污可及时用清水进行清洗;(6)面漆层及施工底漆层充分干燥(12—24h)后,可进行面漆的涂装施工;1)、材料配置:KF100水性氟碳漆2)、体系特征:水性、单组乳液膏状,密闭桶装;3)、面漆调兑:开桶后搅拌均匀直接使用或清水稀释搅拌均匀后使用,最大兑水率为漆量的15%(具体也需根据颜色和施工粘度);4)、施工方式:喷涂(空气喷涂)5)、施工工具:空气喷枪、空压机;6)、施工道数:2遍,;7)、施工操作:(a)、按分格线或块合理分配一次性涂装区域,由上至下、由左至右按块进行连续喷涂;(b)、标准喷涂一遍为两道,即横竖呈“十”字进行喷涂(横、竖均各为一道);(d)、一遍喷涂后严格检查外观质量情况,缺陷处一遍干燥后细致修补;(e)、单块或连块喷涂时,应做好周边格块部位的保护,避免沾污及污染;(f)、喷涂控制应细微准确,细致接茬和接续,做到整体均匀、连续、到位;(g)、两遍喷涂标准间隔时间为25℃下6h;8)、干燥及保养:面漆涂装前应预知和了解近日天气状况,喷涂完毕后应保证充分干燥,12小时内避免和预防雨水以及污染;(8)分格线上色及涂装1)、分格线上色:面漆喷涂基本后,为分格线统一上色描黑,描线用漆为KUCK 描线专用氟碳漆,描线通常为两道,采用合适宽度的描笔进行细致操作;2)、描线方法:面漆干燥24小时候,沿分格线两边粘帖胶带,细致涂刷描线漆两道,保证描线平直、整齐、一致,应谨慎操作,避免沾污及污染;3)、施工方式:刷涂(描涂)4)、施工工具:小毛刷、描笔;5)、施工道数:2遍,间隔时间6小时;6)、施工操作:(a)、施工者操作前应做好防护性的准备措施,避免因吊篮可能的晃动磕碰损坏面漆;(b)、沿分格线对边部面漆进行粘贴防护,即沿分格线两边粘贴上胶带,避免描线时沾污边部面漆,以及保证描线平直;(c)、沿分格线对线槽进行细致描黑操作,一道描线干燥后进行二道描线;(d)、描线操作要求细微谨慎,做到均匀、连续、到位,无透底、流坠等不良缺陷;(8)、干燥及保养:自然养护干燥和保养,12h内避免雨水及污染;5、质量检查和验收按照建筑工程施工及验收规程规范进行。
氟碳漆施工方法和步骤一、准备工作。
在进行氟碳漆施工之前,首先需要做好准备工作。
包括清洁表面,修补龟裂和孔洞,打磨表面,确保表面平整干净。
另外,还需要选择合适的喷涂设备和材料,保证施工的顺利进行。
二、底漆处理。
在进行氟碳漆施工之前,需要先进行底漆处理。
首先,选择适合的底漆,根据具体情况选择合适的底漆种类。
然后,进行底漆的喷涂,确保均匀覆盖整个表面。
底漆的选择和喷涂质量直接影响到氟碳漆的附着力和表面效果,因此底漆处理非常重要。
三、氟碳漆施工。
1. 涂刷。
氟碳漆可以使用刷涂的方式进行施工。
在进行刷涂时,需要选择合适的刷子,确保刷毛的质量和长度都符合要求。
在刷涂之前,需要将氟碳漆进行充分搅拌,确保漆料的均匀性。
然后,按照施工要求进行刷涂,注意涂刷的方向和厚度,确保涂层均匀、平整。
2. 喷涂。
氟碳漆也可以使用喷涂的方式进行施工。
在进行喷涂时,需要选择合适的喷涂设备,确保喷涂的压力和喷嘴的选择都符合要求。
在喷涂之前,同样需要将氟碳漆进行充分搅拌,确保漆料的均匀性。
然后,按照施工要求进行喷涂,注意喷涂的距离和速度,确保涂层均匀、无漏涂。
四、涂层处理。
在氟碳漆施工完成后,需要进行涂层处理。
包括涂层的干燥和固化,确保涂层的质量和耐久性。
在涂层处理过程中,需要注意环境温度和湿度,选择合适的干燥时间和固化条件,确保涂层的质量。
五、表面处理。
最后,在氟碳漆施工完成后,需要进行表面处理。
包括表面的打磨和抛光,确保表面的光洁度和平整度。
表面处理的质量直接影响到氟碳漆的表面效果和耐久性,因此表面处理非常重要。
总结。
氟碳漆施工方法和步骤包括准备工作、底漆处理、氟碳漆施工、涂层处理和表面处理。
在进行氟碳漆施工时,需要注意选择合适的材料和设备,确保施工质量。
同时,也需要注意施工过程中的细节,确保施工的顺利进行和涂层的质量。
希望以上内容对您有所帮助,谢谢阅读。
水性氟碳漆施工方案1. 引言水性氟碳漆是一种环保、高性能的涂料,广泛应用于建筑、家具、电子等领域。
本文档将介绍水性氟碳漆的施工方案,包括准备工作、施工步骤、注意事项等内容。
2. 准备工作在施工水性氟碳漆之前,需要进行以下准备工作: - 确定施工区域:根据实际需求确定要施工的区域。
- 清洁表面:确保施工表面干净,无灰尘、油脂等杂质。
- 遮盖周围物品:用塑料薄膜或纸板等材料遮盖周围物品,防止污染。
- 搬迁易燃品:将易燃品转移到安全区域,确保施工过程的安全性。
3. 施工步骤以下是水性氟碳漆的施工步骤:3.1 表面处理•检查表面:检查施工表面是否平整,如有凹陷或裂缝,应进行修补。
•打磨处理:使用打磨机或砂纸打磨表面,使其光滑均匀。
•清洁表面:使用清洁剂擦拭表面,确保无尘、无油脂。
3.2 底漆施工•涂刷底漆:使用刷子或滚筒均匀涂刷底漆,待干燥时间根据产品说明进行等待。
•打磨底漆:使用细砂纸打磨底漆,使表面更加光滑。
•清洁表面:再次使用清洁剂擦拭表面,确保无尘、无油脂。
3.3 水性氟碳漆施工•涂刷水性氟碳漆:使用刷子或滚筒均匀涂刷水性氟碳漆,每遍之间应等待干燥时间,并按需进行多遍施工。
•打磨表面:使用细砂纸打磨每一遍的涂层,使表面更加光滑。
•清洁表面:最后使用清洁剂擦拭表面,确保无尘、无油脂。
3.4 涂刷面漆(可选)•如果需要更高的光泽度和耐磨性,可以涂刷水性氟碳漆面漆。
•涂刷方式同水性氟碳漆施工相似,注意每层之间的干燥时间和表面打磨的光滑度。
4. 注意事项•施工环境温度应符合产品说明,避免过低或过高的温度影响施工质量。
•施工过程中要确保通风良好,避免吸入有害气体。
•每层涂料之间要有足够的干燥时间,以免影响涂层质量。
•施工结束后,保持施工区域清洁,及时清理工具。
•水性氟碳漆具有一定的腐蚀性,施工人员应戴好防护手套和护目镜,避免接触皮肤和眼睛。
5. 总结本文档介绍了水性氟碳漆施工方案,包括准备工作、施工步骤和注意事项等内容。
水性氟碳漆检验标准水性氟碳漆是一种新型环保涂料,具有优异的耐候性、耐化学性和耐磨性,被广泛应用于建筑、汽车、家具等领域。
然而,由于其特殊的性能和用途,水性氟碳漆的质量检验标准也显得尤为重要。
本文将介绍水性氟碳漆的检验标准,以帮助相关行业人士更好地了解和掌握这一领域的知识。
首先,水性氟碳漆的外观检验是至关重要的。
外观检验包括漆膜的平整度、光泽度、色泽和附着力等方面。
漆膜的平整度和光泽度直接影响着涂装效果的美观度,因此需要进行严格的检验。
同时,色泽的一致性也是外观检验的重点内容之一,不同批次的漆料在色彩上应保持一致,以确保整体涂装效果的一致性。
此外,漆膜与基材之间的附着力也是外观检验的关键指标,直接关系到涂层的使用寿命和性能表现。
其次,水性氟碳漆的物理性能检验也是必不可少的。
物理性能检验包括漆膜的硬度、耐磨性、耐候性和耐化学性等方面。
漆膜的硬度直接关系到其抗刮擦性能,而耐磨性则直接关系到漆膜的使用寿命。
耐候性和耐化学性则直接关系到漆膜在不同环境条件下的稳定性和耐久性。
因此,对这些物理性能指标的检验必须严格把关,以确保水性氟碳漆的质量和性能符合相关标准和要求。
此外,水性氟碳漆的环保性能也是需要重点关注的内容。
环保性能检验包括漆料中有害物质的含量、挥发性有机化合物(VOC)排放量等方面。
随着人们对环保要求的不断提高,水性氟碳漆作为一种环保涂料,其环保性能更是备受关注。
因此,对其环保性能的检验也显得尤为重要,以确保其符合相关的环保标准和法规要求。
综上所述,水性氟碳漆的检验标准涉及到外观检验、物理性能检验和环保性能检验等多个方面。
只有严格按照相关标准和要求进行检验,才能确保水性氟碳漆的质量和性能达到预期的要求,为其在各个领域的应用提供可靠的保障。
希望本文的介绍能够帮助相关行业人士更好地了解和掌握水性氟碳漆的检验标准,为其在实际工作中提供参考和指导。
氟碳漆技术的参数要求氟碳漆技术的参数要求1. 引言在建筑、家具、汽车等行业中,氟碳漆是一种常用的涂料,其具有优异的耐候性、耐腐蚀性和耐老化性能。
由于其特殊的化学结构,氟碳漆可以在恶劣环境下长时间维持高品质的外观,因此在室外使用广泛。
然而,为了确保氟碳漆达到预期的效果,一些关键的参数要求需要被满足。
2. 防护基面的参数要求在使用氟碳漆之前,必须确保基面达到一定的要求。
基面应该是干燥、平整和清洁的,没有油脂、灰尘和其他污染物。
基面的温度应适中,通常在5-40摄氏度之间。
如果基面温度过高或过低,将会影响氟碳漆的附着力和固化速度。
3. 喷涂设备的参数要求氟碳漆通常使用喷涂的方式施工,因此喷涂设备的参数要求至关重要。
喷枪应具备良好的喷涂性能,能够均匀地喷涂涂料,并且操作方便。
喷涂压力和喷涂速度需要适当调整,以确保涂膜的厚度和质量达到要求。
喷涂设备的清洁和维护工作也非常重要,以保证设备正常运行和延长使用寿命。
4. 涂料的参数要求氟碳漆的质量和效果主要取决于涂料本身的参数要求。
氟碳漆的粘度应适中,以便于施工并形成均匀的涂膜。
涂料的固含量需要根据实际需求进行调节,在固化过程中能够保持涂膜的耐候性和耐老化性能。
另外,涂料的颜色和光泽度也是需要考虑的因素,根据使用场景和要求选择合适的颜色和光泽度。
5. 固化条件的参数要求固化是氟碳漆形成耐候性的重要步骤,固化条件的参数要求直接影响涂膜的质量和性能。
固化温度应在制定范围内,通常在150-200摄氏度之间。
如果固化温度过低,涂膜固化不完全;如果固化温度过高,涂膜可能会出现破裂和起皮的问题。
固化时间也需要适当控制,以保证涂膜的固化程度和耐候性。
6. 结论通过对氟碳漆技术的参数要求进行探讨,可以明确了解在使用氟碳漆时需要注意的关键要点。
从防护基面的参数要求到固化条件的参数要求,每个环节的合理调节都对氟碳漆的质量和效果起到重要作用。
在使用氟碳漆时,需要仔细考虑这些参数要求,并且根据实际情况进行合理调整,以确保最终得到优质的涂膜效果。
水性氟碳漆涂装施工工艺一、适用范围:本工艺仅供外保温系统、新旧普通水泥外墙涂装水性氟碳漆时使用。
请仔细查阅以下工艺流程,施工条件和注意事项,按产品施工要求使用。
二、工艺流程:配套材料和主要工序:2腻子刮涂遍数视基层平整粗糙度而定。
3水性氟碳专用底漆颜色与后涂的水性氟碳面漆颜色相近。
具体操作和要求:〔一〕要求和处理1、预涂装基面要求干燥,含水率≤8%,PH<10。
2、新批荡的水泥建筑墙面不可立即涂装,应干燥3~4周。
使水泥完全硬化,水份蒸发,碱析出后方可施工。
3、旧建筑墙面要检查开裂,生霉和金属锈蚀的地方并进行清理、修补。
4、墙面空鼓、松动的地方要铲除,油污的地方用肥皂水和清水清除。
5、墙面平整度按高级抹灰要求小于3mm。
6、女儿墙、天沟、窗台等易于积水的地方应进行防水处理,防止渗漏雨水引起漆膜起泡。
脱落和变色。
7、可施工墙面最终要求无尘灰、无明水、无油污。
在温度低于5摄氏度和湿度超过85%时不可施工。
8、涂装水性氟碳漆或水性氟碳金属漆时必须对墙面进行分格线处理,增强整体的颜色一致的感官效果,每一小方格面积不大于1㎡效果更佳。
〔二〕批刮粗腻子功用:找平墙面。
工具:批刀、刮刀、套尺。
比例及要求:见产品手册相关内容。
〔注意:按比例加入专用添加剂,与粗腻子加水搅拌均匀。
逐渐调整适合施工粘度。
如温差较大的地方或地基不稳定,水泥批灰在两年内的较新墙面,可能会有墙体开裂的可能,可考虑适当增加添加剂比例;以增加弹性,但不能过量。
施工要求:1、通常需薄批两遍以上,每次批刮厚度小于7㎜,一般耗量粗腻子3~4kg/㎡。
2、先刮平凹陷较大部位,然后满批整墙。
3、每遍批刮要压实,厚薄适中,墙面凹凸差异较大的部位,应分次批刮找平。
4、用套尺辅助套平,基面平整度差小于1mm。
5、腻子干燥24小时后,用刮刀修整凸起、松脱部分,整理基面。
6、水养护2~3次,以增强硬度并减小收缩。
7、调配好的腻子必须在2小时内用完,否则不能继续使用。
水性氟碳漆检测标准水性氟碳漆是一种环保型涂料,具有优异的耐候性、耐化学性和耐腐蚀性能,广泛应用于建筑、家具、汽车等领域。
然而,由于水性氟碳漆的特殊性质,其检测标准也显得尤为重要。
本文将介绍水性氟碳漆的检测标准,以便相关行业从业人员了解并遵守相关规定。
首先,水性氟碳漆的检测标准主要包括以下几个方面,外观检测、物理性能检测、化学性能检测和环保性能检测。
外观检测是水性氟碳漆检测的首要内容之一。
外观检测主要包括漆膜的平整度、附着力、光泽度、颜色和色差等方面。
其中,漆膜的平整度和附着力是衡量水性氟碳漆质量的重要指标,直接影响到涂层的使用寿命和美观度。
光泽度、颜色和色差则直接关系到水性氟碳漆的装饰效果,对于不同的应用场景有着不同的要求。
物理性能检测是水性氟碳漆检测的关键内容之一。
物理性能检测主要包括漆膜的硬度、耐磨性、耐冲击性、柔韧性等方面。
这些物理性能直接关系到水性氟碳漆的使用寿命和耐久性,对于室外环境下的涂层尤为重要。
化学性能检测是水性氟碳漆检测的重要内容之一。
化学性能检测主要包括漆膜的耐酸碱性、耐溶剂性、耐盐雾性等方面。
这些化学性能直接关系到水性氟碳漆在不同化学环境下的稳定性和耐腐蚀性,对于特殊环境下的涂层尤为重要。
环保性能检测是水性氟碳漆检测的必备内容之一。
环保性能检测主要包括漆膜的挥发性有机物含量、重金属含量、有害物质含量等方面。
这些环保性能直接关系到水性氟碳漆对于环境和人体的安全性,是当前社会对于涂料产品的重点关注点。
综上所述,水性氟碳漆的检测标准是一个综合性的体系,涉及到外观、物理性能、化学性能和环保性能等多个方面。
相关行业从业人员应当严格按照相关标准进行检测,确保水性氟碳漆产品的质量和安全性。
同时,不断完善和更新水性氟碳漆的检测标准,以适应不断发展变化的市场需求和环境保护要求。
希望本文对水性氟碳漆的检测标准有所帮助,谢谢阅读!。
水性氟碳涂料参考配方
1.基础聚合物:水性氟碳涂料的基础聚合物可以选择聚偏氟乙烯(PVDF)或聚醯亚胺(PEI)。
PVDF和PEI具有耐候性和耐化学腐蚀性强的特点,可以保证涂料具有优异的性能。
2.助剂:为了提高涂料的流动性、增加涂料的附着力和耐磨性,可以添加一些助剂。
常用的助剂有流平剂、附着剂、消泡剂和抗磨剂等。
3.颜料:在水性氟碳涂料中,颜料可以提供颜色,并具有一定的保护功能。
根据需要,可以根据色号选择适当的颜料。
常用的颜料有钛白粉、碳黑、红、黄、蓝、绿等颜料。
4.溶剂:水性氟碳涂料是使用水作为溶剂的,因此不需要添加其他有机溶剂。
下面是一种水性氟碳涂料的具体配方示例:
基础聚合物:PVDF或PEI50%
流平剂:1%
附着剂:2%
消泡剂:0.5%
抗磨剂:1%
钛白粉:10%
碳黑:1%
颜料:根据需要调整比例
水:适量
以上只是一种参考配方,具体的配方还需要根据实际需求和性能要求
进行调整。
同时,根据配方比例以及具体条件,可以进行稀释或调整含量,以达到最佳的应用效果。
在配料过程中,需要仔细控制各个原材料的添加比例,并进行充分的
搅拌和混匀,以确保涂料的质量。
总结起来,水性氟碳涂料的配方需要基础聚合物、助剂、颜料和适量
的水。
根据实际需求和性能要求进行调整,确保涂料具有良好的耐候性、
耐化学腐蚀性和耐磨性等特点。
水性氟碳漆执行标准水性氟碳漆是一种环保型涂料,具有优异的耐候性、耐化学性和耐磨性,被广泛应用于建筑、汽车、家具等领域。
为了确保水性氟碳漆的质量和安全性,制定了一系列的执行标准,以规范生产和使用过程,保障产品质量和用户安全。
首先,水性氟碳漆的执行标准包括对原材料的要求。
涂料的质量直接关系到原材料的质量,因此对原材料的要求非常严格。
比如,对树脂的要求,需要具有良好的耐候性和耐化学性,以保证涂料在不同环境下都能保持稳定的性能。
另外,对颜料和助剂的要求也非常严格,需要符合相关的环保标准,以确保水性氟碳漆的环保性能。
其次,水性氟碳漆的执行标准还包括对生产工艺的要求。
生产工艺的好坏直接关系到产品的质量,因此需要严格控制生产工艺。
比如,在生产过程中需要进行严格的质量控制,确保每一批产品的质量稳定可靠。
另外,还需要对生产设备进行定期维护和检修,以确保生产设备的正常运行,保证产品质量。
再次,水性氟碳漆的执行标准还包括对成品涂料的要求。
成品涂料需要符合相关的质量标准,比如需要具有良好的耐候性、耐化学性和耐磨性,以保证产品在使用过程中能够保持稳定的性能。
另外,成品涂料还需要符合相关的环保标准,以保证产品的环保性能。
最后,水性氟碳漆的执行标准还包括对使用过程的要求。
使用过程中需要严格按照产品说明书进行操作,避免出现错误使用导致的质量问题。
另外,在使用过程中需要注意安全防护措施,以确保用户的安全。
总之,水性氟碳漆的执行标准涵盖了原材料、生产工艺、成品涂料和使用过程等多个方面,以确保产品质量和用户安全。
只有严格执行执行标准,才能保证水性氟碳漆的质量和安全性,推动环保型涂料的发展。
水性氟碳漆施工工艺及流程一、概述水性氟碳漆是一种环保型涂料,具有耐候性好、耐腐蚀性强、色彩鲜艳、光泽度高等特点,使用范围广泛,适用于建筑、家具、汽车等领域。
水性氟碳漆施工工艺及流程非常重要,直接关系到涂料的附着力和耐久性。
本文将介绍水性氟碳漆施工工艺及流程,并对每个环节进行详细解析。
二、准备工作1. 基材准备:水性氟碳漆适用于钢铝、镁铝合金、不锈钢等金属材料表面,也可以用于玻璃和陶瓷等非金属材料表面。
在施工前需要对基材进行打磨、清洁和防锈处理,确保基材表面光滑干净,无任何杂质。
2. 涂料准备:水性氟碳漆需要充分搅拌均匀后使用,搅拌时间一般为5-10分钟。
在搅拌前需要将漆桶密封好,防止漆面氧化脱水。
3. 辅材准备:包括滚筒、刷子、喷枪等施工工具,以及防护用具如口罩、手套等。
三、施工工艺1. 喷涂工艺(1)底漆施工:首先在基材表面喷涂一层底漆,用来增强水性氟碳漆的附着力。
底漆选择要与水性氟碳漆配套使用,施工时要根据厂家要求进行稀释和干燥时间控制。
(2)中涂施工:将水性氟碳漆均匀喷涂在底漆表面,要保持喷液均匀和厚度一致,利用干燥箱或自然风干,控制干燥时间。
中涂的质量直接影响到最终涂层的光泽和平整度。
(3)面漆施工:在中涂干燥后,再喷涂一层水性氟碳漆面漆,同样要均匀喷涂并保持一致的厚度。
面漆干燥后可以进行局部修补和打磨,以保证涂层的质量。
2. 刷涂工艺刷涂工艺通常用于小面积或不规则形状的构件,施工流程包括底漆、中涂、面漆,每一道工序都要求均匀涂布,避免出现刷痕、浮料、气泡等缺陷。
刷涂过程中要注意调整刷涂速度和刷涂厚度,确保隔离和涂布效果。
3. 辅助工艺除了喷涂和刷涂之外,还有一些辅助工艺需要注意,如局部修补、去除杂质、打磨、干燥等。
这些工艺对于最终涂层的质量也起到了至关重要的作用。
四、施工流程1. 检查基材表面:确保基材表面没有油污、尘埃、锈斑等杂质。
2. 底漆施工:按照水性氟碳漆和底漆厂家的要求进行配比和稀释,使用喷涂或刷涂工艺进行施工。
水性氟碳漆国家标准水性氟碳漆是一种环保型涂料,具有耐候性强、色彩丰富、光泽度高等优点,因此在建筑、汽车、家具等领域得到了广泛应用。
为了规范水性氟碳漆的生产和使用,国家相关部门制定了一系列的标准,以确保产品质量和使用安全。
本文将对水性氟碳漆国家标准进行详细介绍。
首先,水性氟碳漆国家标准主要包括产品分类、技术要求、检验方法、标志、包装、运输和贮存等方面的内容。
其中,产品分类是根据不同用途和性能特点将水性氟碳漆分为不同等级,以便用户根据实际需求选择合适的产品。
技术要求则包括漆膜性能、耐候性、附着力、耐化学品性能等指标,这些指标直接影响着水性氟碳漆的使用效果和持久性。
检验方法是用于检测水性氟碳漆各项指标是否符合标准要求的具体操作方法,确保产品质量可控。
标志、包装、运输和贮存等方面的规定则是为了保障产品的正常交付和使用过程中的安全。
其次,水性氟碳漆国家标准的制定是为了保护消费者的权益,提高产品质量,促进行业健康发展。
通过严格的产品分类和技术要求,可以有效避免低质量产品的流入市场,保障用户的使用体验。
同时,标准化的检验方法和标志规定也为监管部门提供了可操作的依据,有利于加强对产品质量的监督和管理。
此外,水性氟碳漆国家标准的制定还有利于推动行业技术进步和产品创新,促进企业间的公平竞争,推动整个行业的健康发展。
最后,作为水性氟碳漆生产和使用的参考依据,水性氟碳漆国家标准的贯彻执行对于提高产品质量、保障消费者权益、促进行业健康发展具有重要意义。
各相关企业和机构应当严格遵守相关标准要求,不断提升产品质量和技术水平,为用户提供更加优质的水性氟碳漆产品。
同时,监管部门也应加强对标准执行情况的监督检查,确保市场上的水性氟碳漆产品符合国家标准,为用户和行业发展营造良好的环境。
总之,水性氟碳漆国家标准的制定和执行对于推动行业健康发展、提高产品质量、保障消费者权益具有重要意义。
各相关方应当共同努力,全面贯彻执行相关标准要求,为水性氟碳漆行业的可持续发展做出积极贡献。
水性纳米氟碳漆
产品简介:
氟是已知元素中电负性最大、原子半径除氢原子外最小的元素,因此,氟与碳的结合键能大、间距小,所形成的有机高分子化合物稳定、耐化学品腐蚀、不易分解。
利用这些优异的性能就能将其制高耐候性、高装饰性、防化学品腐蚀性、良好的自洁性能涂料。
用高档环保型FEVE氟碳树脂(乳液)和纳米材料制成了高性能环保涂料——水性纳米氟碳漆。
氟碳漆的发展:
²由PTFE (四氟乙烯聚合物)制成了用于“不粘锅”和复印机的滚轴等的“特氟龙”耐热不粘涂料(高温烘烤);
²由PVDF(聚偏氟乙烯)制成了主要应用于铝塑幕墙板的涂料(高温烘烤);
²以FEVE(三氟氯乙烯为主体的乙烯基醚四元共聚物)树脂制成了溶剂型常温固化氟碳漆;
²用高档环保型FEVE氟碳树脂(乳液)和纳米材料制成了高性能环保涂料——水性纳米氟碳漆。
特性:
Ú 耐候性:耐人工老化在1500小时以上,是国家外墙乳胶漆优等品的2.5倍。
Ú 防腐蚀性:耐多种化学药品,耐酸碱,防腐蚀。
Ú 自洁性:涂层表面能低、摩擦系数小、抗静电、耐洗刷和不粘的特点,因此灰尘和污物很难附着,非常容易清洗,甚至在雨水清洗下即可整洁如新。
Ú 透气性(从里往外):对基体的含水率要求低;对于一些潮湿的地方会产生毛细渗水,如采用溶剂型则易产生起泡现象,而采用水性纳米氟碳漆则不易产生起泡现象。
Ú 施工性:使用方便、安全;没有兑料调漆的麻烦,也没有可使用时间的限制,采用普通的滚涂法既可大面积施工;无溶剂挥发,消防安全等级低。
Ú 环保性:VOC含量低,远远低于国家GB18582环保标准,达到欧洲标准。
有利于环保健康,是目前全球最先进的内外墙环保涂料之一。
性能对比:
对比项目优等品乳胶
漆
溶剂型氟碳漆水性氟碳漆
水性纳米氟碳涂
漆
环保性
符合国家环
保质量标准
含易燃、易爆等有
害气体
符合国家环保质
量标准
符合国家环保质
量标准
对墙体要求
对墙体含水
率要求低
对墙体含水率要
求很高,涂层极易起泡
对墙体含水率要
求低,涂层不易起泡
对墙体含水率要
求低,涂层不易起泡
与墙体结合
为水性漆,墙
体亦为水性材料,
结合良好
墙体为水性材料,
与结合差,漆膜易脱离
为水性漆,为水
性墙体材料结合良好
为水性漆,与墙
体水性材料结合良好
施工性 水为分散剂,
采用普通刷涂辊涂
方式均可
有毒易燃,施工安全等级高,喷涂施工
水为分散剂,喷
涂、刷涂、滚涂方式均可 水为分散剂,喷
涂、刷涂、滚涂方式均
可 涂膜装饰性/透气性
涂膜透气性
好,装饰性一般 漆膜光泽高,丰满
度高,效果优,不透气
漆膜透气性好,装饰性好 漆膜透气性好,装饰性好 涂膜耐 化学品
防水、耐酸碱,耐化学品性能
差 防水、耐酸碱及化学品性能优良 防水、耐酸碱及化学品性能良好
防水、耐酸碱及化学品性能良好
涂膜耐 洗刷性 2000次 大于10000次
10000次
10000次
涂膜 自洁性能 反射系数下降率小于15%,自
洁性差 反射系数下降率小于5%,自洁性极好
反射系数下降小于10%,自洁性好 反射系数下降率
小于5.8%,自洁性优
涂膜
耐 人工老化
600H 不起泡、不脱落、无裂纹
5000H 不起泡、不脱落、无裂纹
1500H 无变化
1500H 无变化
分 类:
基层要求:
b 干燥:水泥墙面保养至少1个月(冬季7周)以上,含水率低于8%,木材表面含水率低于10%;墙面无渗水、无裂缝等结构问题。
b 坚固:没有粉化松脱物,旧墙面没有松动、空鼓等现象。
b 清洁:没有油、脂、霉、藻和其他灰尘等粘附物。
b 底材不符合要求将严重影响漆膜性能。
墙面湿度大可能会造成漆膜起泡、起皮、剥落以及墙面渗碱、漆膜失光甚至长霉;底材松动有污物粘附会影响漆膜附着力,导致起皮剥落等现象发生,如有霉菌滋生,更会造成漆膜长霉。
施工环境:
b 施工温度为5℃—35℃,最佳涂装温度在15℃—25℃。
b 环境相对湿度小于85%。
环境湿度大会使漆膜长时间不干,成膜不好,与基层分离起泡等问题。
b 外墙施工必须考虑天气因素,保证底材干燥,避免在雨、雪、雾、大风、阳光直射等天气中施工。
作业标准:
b 墙面基层处理应符合设计工艺要求,按抹灰面标准验收。
b 施工面与非施工面要求严格遮挡隔开,以防被污染非施工面。
b 双排架子或活动吊蓝,要符合国家安全规范要求,施工按规范操作。
涂装流程:
成品保护:
在施工前,必须先将门窗及不施工部位严密遮挡保护;应按顺序从上至下施工,严禁从下往上逆向施工而造成污染;已施工完的成品,严禁蹬踩,落吊蓝时,严禁碰损墙面涂层。
注意事项:
对装饰性要求高的墙面,最好采用喷涂的方式。
接茬现象:主要原因是由于涂层重叠,面漆厚度不均匀所造成。
因此,在施工中要一次成活,尽量避免中途停顿,如需中途停顿,应尽可能在阴阳角或分隔线处。