西华大学实验报告(理工类).docx
- 格式:docx
- 大小:36.94 KB
- 文档页数:4
试验报告-西华高校西华高校试验报告(理工类)开课学院及试验室:机械学院机械工程专业试验中心试验时间: 2009 年11月23日一、试验目的了解光电开关的原理和应用。
二、试验原理光电开关由红外放射、接收及整形电路组成,为遮断式工作方式。
三、试验设备、仪器及材料光电传感器;光电变换器;测速电机及转盘;电压/频率表2KHz 档;示波器。
四、试验步骤1、光电传感器“光电”端接光电变换器端, Vo 端接示波器和电压/频率表2KHz 档。
2、安装好光电传感器位置,勿与转盘盘面相擦。
3、开启电源,打开电机开关,调整电机转速。
用示波器观看光电转换器VF 端,并读出波形频率,与频率表所示频率比较。
4、电机转速=方波频率/25、将一较强光源照耀仪器转盘上方,观看测试方波是否正常。
西华高校试验报告6、假如测试方波波形不变,可以认为光电开关受外界影响较小,工作牢靠性较高。
五、试验过程记录(画出当电机转速为30转/秒时示波器显示的波形图)六、试验结果分析及问题争论1、在该试验中为什么电机转速=方波频率/2?2、用简图说明光电传感器测转速的原理。
西华高校试验报告(理工类)开课学院及试验室:机械学院机械工程专业试验中心试验时间: 2009 年 11 月 23 日一、试验目的1、观看了解箔式应变片的结构及粘贴方式。
2、测试应变梁变形的应变输出。
3、比较各桥路间的输出关系。
二、试验原理依据电阻应变效应,具有规章形状的金属导体或半导体材料在外力作用下产生应变的同时其电阻值也会产生相应地转变。
试验时把应变片粘贴在机械的弹性体上,当外力作用到弹性体元件上时,弹性体被压缩或拉伸,即产生微小的机械变形,粘贴在弹性体上的应变片感受到应力盯的作用,依据材料力学中的虎克定律可知:应变ε与应力σ成正比,即:E εσ=。
又由应变效应可知应变片的应变ε与其电阻值的相对变化率dR /R 成正比,以此实现对微小的机械变量的检测。
三、试验设备、仪器及材料直流稳压电源(士4V 档)、电桥、差动放大器、箔式应变片、测微头、电压表。
实验报告(理工类)课程名称: 机器人创新实验课程代码: 6003199学院(直属系): 机械学院机械设计制造系年级/专业/班: 2010级机制3班学生姓名:学号:实验总成绩:任课教师: 李炜开课学院: 机械工程与自动化学院实验中心名称: 机械工程基础实验中心一、设计题目工业机器人设计及仿真分析二、成员分工:(5分)三、设计方案:(整个系统工作原理和设计)(20分)1、功能分析工业机器人由操作机(机械本体)、控制器、伺服驱动系统和检测传感装置构成,是一种仿人操作、自动控制、可重复编程、能在三维空间完成各种作业的机电一体化自动化生产设备。
特别适合于多品种、变批量的柔性生产。
它对稳定、提高产品质量,提高生产效率,改善劳动条件和产品的快速更新换代起着十分重要的作用。
机器人技术是综合了计算机、控制论、机构学、信息和传感技术、人工智能、仿生学等多学科而形成的高新技术,是当代研究十分活跃,应用日益广泛的领域。
机器人应用情况,是一个国家工业自动化水平的重要标志。
机器人并不是在简单意义上代替人工的劳动,而是综合了人的特长和机器特长的一种拟人的电子机械装置,既有人对环境状态的快速反应和分析判断能力,又有机器可长时间持续工作、精确度高、抗恶劣环境的能力,从某种意义上说它也是机器的进化过程产物,它是工业以及非产业界的重要生产和服务性设备,也是先进制造技术领域不可缺少的自动化设备。
本次我们小组所设计的工业机器人主要用来完成以下任务:(1)、完成工业生产上主要焊接任务;(2)、能够在上产中完成油漆、染料等喷涂工作;(3)、完成加工工件的夹持、送料与转位任务;(5)、对复杂的曲线曲面类零件加工;(机械手式数控加工机床,如英国DELCAM公司所提供的风力发电机叶片加工方案,起辅助软体为powermill,本身为DELCAM公司出品)2、总体方案设计按机械手手臂的不同形式及组合情况其活动范围也是不同的,基本上可以分为四种运动形式:直角坐标式、圆柱坐标式、球坐标式、关节坐标式。
西华大学实验报告(理工类)开课学院及实验室: 电气与电子信息学院 6A203 实验时间 :2016年 6月 21日一、实验目的1、 了解光端机的工作原理2、 掌握数字光发送机的功率测量方法3、 理解平均光功率的含义二、实验原理光端机的平均发送光功率是指在正常工作条件下光端机输出的平均光功率,即光源尾纤输出的平均光功率。
平均发送光功率指标与实际的光纤线路有关,在长距离光纤数字通信系统中,要求有较大的平均发送功率;在短距离的光纤数字通信系统中,要求较小的平均发送光功率。
设计人员应根据整个光纤通信系统的经济性、稳定性和可维护性全面考虑该指标,提出合适的数值要求,而不是越大越好。
平均发送光功率测试框图如图一所示。
图一 光发送端光功率测试框图说明:1)平均光功率与PCM信号的码型有关,NRZ码与50%占空比的RZ码相比,其平均光功率要大3dB。
2)光源的平均输出光功率与注入它的电流大小有关,测试应在正常工作的注入电流条件下进行。
实验平台中,可以选择系统自身产生的2M伪随机序列来测试平均光功率,系统中PN序列的长度只有24-1,即15位。
三、实验设备、仪器及材料光功率计、HD-GX-Ⅲ型光纤通信实验箱、光纤跳线四、实验步骤(按照实际操作过程)1、用短接帽将跳线XP401的1、2两脚连接,这样选择传输的是系统内部产生的2M伪随机序列。
如果将2、3两脚连接,则传输的将是外部输入的2M数据。
2、选择光发模块甲。
用短接帽将跳线XP500的1、2脚相连,开关KS501选择传输数字信号。
3、从发送模块甲的光源组件连接器S中取出保护塑料套,用光纤跳线分别插入发送端连接器S与光功率计的输入连接器插头,连接光发送端的光输出与光功率计。
4、测试系统建立后,给实验平台加电,按复位键后,从键盘输入PN,以控制系统产生2M信号。
从光功率计上读出平均光功率值。
5、从键盘输入方波或CMI码,测试不同的数字信号驱动光源时,所产生的平均光功率。
西华大学实验报告西华大学实验报告(理工类)开课学院及实验室:电气与电子信息学院专业实验中心 实验时间 : 年 月 日学 生 姓 名学 号成 绩学生所在学院 电气与电子信息学院 年级/专业/班 课 程 名 称 单片机系统设计技术 课 程 代 码 106001389实验项目名称 IO 控制LED 流水灯实验项 目 代 码 指 导 教 师王孝平、余建华项 目 学 分一、实验目的1、熟悉KEIL 编程环境和调试环境。
2、掌握单片机汇编语言和指令的用法。
3、理解简单的IO 控制程序,延迟子程序,并对其修改,使其功能改变。
二、实验原理 实验原理图图1 P0 口连接的8 盏LED 灯第 组从图1中可以看出:如果需要把LED点亮有两个条件,其一是需要用短接帽把J1的2脚和3脚短接,在PCB上就是将电路板左上角LED和VCC短接起来;其二是P0.X口给出低电平让电流从VCC开始流经限流电阻、LED后进入单片机的P0.X口,最后到单片机内部的地线上。
因此,简单地说就是在短接帽接好的前提下,向P0.X口写0则LED将点亮,写1则LED将熄灭。
图中网络标识PORT0_0、PORT0_1……PORT0_7和单片机P0.0、P0.1……P0.7连接,可观察原理图上单片机P0口的网络标识也是PORT0_0、PORT0_1……PORT0_7。
三、实验设备、仪器及材料硬件: PC 机,单片机教学实验开发平台;软件: KEIL集成开发环境、STC ISP程序下载软件。
四、实验步骤(按照实际操作过程)1、启动KEIL集成开发环境,按照《KEIL使用方法》中描述步骤进行工程建立、汇编源程序文件添加。
2、参考提供的源程序,仔细检查编写好的汇编语言源程序,参考《KEIL使用方法》完成编译和调试工作。
3、参考《STC单片机程序下载方法》下载编译完毕的HEX文件。
五、实验过程记录(数据、图表、计算等)六、实验结果分析及问题讨论西华大学实验报告西华大学实验报告(理工类)开课学院及实验室:电气与电子信息学院专业实验中心 实验时间 : 年 月 日学 生 姓 名学 号成 绩学生所在学院 电气与电子信息学院 年级/专业/班 课 程 名 称 单片机系统设计技术 课 程 代 码 106001389实验项目名称 IO 控制数码管动态扫描实验项 目 代 码 指 导 教 师王孝平、余建华项 目 学 分一、实验目的1、熟悉KEIL 编程环境和调试环境。
西华大学实验报告(理工类)开课学院及实验室: 实验时间 : 年 月 日一、实验目的1)了解电磁式电流、电压保护的组成。
2)学习电力系统电流及电压保护中的电流、电压、时间整定值的调整方法。
3)研究电力系统中运行方式变化对保护灵敏度的影响。
4)分析三段式电流、电压保护动作配合的正确性。
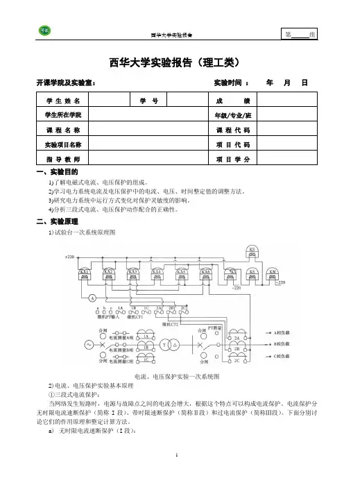
二、实验原理1)试验台一次系统原理图电流、电压保护实验一次系统图2)电流、电压保护实验基本原理 ①三段式电流保护:当网络发生短路时,电源与故障点之间的电流会增大,根据这个特点可以构成电流保护。
电流保护分无时限电流速断保护(简称I 段)、带时限速断保护(简称Ⅱ段)和过电流保护(简称Ⅲ段)。
下面分别讨论它们的作用原理和整定计算方法。
a) 无时限电流速断保护(I 段):单侧电源线路上无时限电流速断保护的作用原理可用下图来说明。
短路电流的大小k I 和短路点至电源间的总电阻R ∑及短路类型有关。
三相短路和两相短路时,短路电流k I 与R ∑的关系可分别表示如下:(3)0s sk s E E I R R R l∑==+(2)0k s I =式中s E ——电源的等值计算相电势;s R ——归算到保护安装处网络电压的系统等值电阻; 0R ——线路单位长度的正序电阻;l ——短路点至保护安装处的距离。
由上两式可以看到,短路点距电源愈远(l 愈长)短路电流k I 愈小;系统运行方式小(s R 愈大的运行方式)k I 亦小。
k I 与l 的关系如上图曲线1和2所示。
曲线l 为最大运行方式(s R 最小的运行方式)下的()k I f l =曲线,曲线2为最小运行方式(s R 最大的运行方式)下的()k I f l =曲线。
线路AB 和BC 上均装有仅反应电流增大而瞬时动作的电流速断保护,则当线路AB 上发生故障时,希望保护KA 2能瞬时动作;而当线路BC 上故障时,希望保护KA 1,能瞬时动作,它们的保护范围最好能达到本路线全长的100%。
西华大学实验报告(理工类)开课学院及实验室: 实验时间 : 年 月 日一、实验目的1)熟悉阻抗继电器原理、特性及调整整定值的方法。
2)掌握阻抗继电器在线路距离保护中的应用和实现方法,以及与重合闸继电器的配合方式。
3)了解不同的运行方式对距离保护的影响。
4)了解同一变电站阻抗保护各段之间配合的动作过程。
二、实验原理随着电力系统的发展,出现了容量大、电压高或结构复杂的网络,这时简单的电流、电压保护难于满足电网对保护的要求。
例如,对于高压、长距离、重负荷线路,由于负荷电流大,线路末端短路时,短路电流的数值与负荷电流相差不大,故电流保护往往不能满足灵敏度的要求;对于电流速断保护,其保护范围随电网运行方式的变化而改变,保护范围不稳定,某些情况下甚至无保护区。
所以,如何使继电保护的灵敏度不受(或少受)系统运行方式的影响,这就是系统发展对继电保护提出的新要求。
阻抗保护就是适应此要求的一种保护。
1) 阻抗保护的基本原理所谓阻抗保护,就是指反映保护安装处至短路故障点的距离,并根据这一距离的远近而确定是否动作的一种保护装置,其基本原理图右图所示。
系统正常工作时,保护安装处测量到的电压为w U ,它接近于额定电压。
保护安装处测量到的电流为负荷电流L I ,则比值wm L U Z I =,基本上是负荷阻抗L Z ,其值较大,负荷阻抗角1k ϕ较小(一般为30°~40°)。
当右图所示k1点短路时,保护安装处测量到的电压为k1点短路时的残压111k k k U Z I =,测量到的电流为1k I ,则比值111k k k U Z I =。
当k2点短路时,则有222222()k k AB k AB k k k U I Z Z Z Z I I +==+ 后两种状态下的阻抗值均较小,而阻抗角为k ϕ其值较大。
显然利用电压和电流的比值,不但能清楚地判断系统的正常工作状态和短路状态,还能反映短路点到保护安装处的电气距离。
西华大学实习报告模板篇一:西华大学食品工程实习报告样板实习报告(理工类)题目: 成都市大王酿造食品有限公司生产实习报告学院:班级:食品科学与工程2班学生姓名:赵丽杰学号:XX05010207指导教师: 徐坤开始时间:月完成时间: XX 8 月 9 日实习地点:成都市大王酿造食品有限公司目录0前言 ................................................ ................... - 2 - 实习目标及性质 ................................................ ...... - 2 - 公司简介 ............................................................ - 2 - 公司概况 ................................................ ....... - 2 - 企业文化 ................................................ ....... - 3 - 产品介绍 ................................................ ....... - 3 - 公司组织机构图 ................................................. - 4 - 1 酱油生产工艺 ................................................ .......... - 7 -该厂现有生产工艺及详解 .............................................. - 7 -原料种类 ................................................ ....... - 8 -蒸煮(原料处理) ................................................. - 9 -大曲的制作方法及质量要求: ..................................... - 9 -拌曲 ................................................ .......... - 11 -发酵 ................................................ .......... - 11 -酱油淋油 ................................................ ...... - 12 -后处理 ................................................ ........ - 12 -成品感官指标 ................................................ ....... - 12 -酱油生产使用的米曲霉( ASPERGILLUS ORYZAE )菌种 ....................... - 12 -酱油种类及特点 ................................................ ..... - 13 -酱油生产工艺流程中的设备简图 ....................................... - 14 - 2腐乳生产工艺 ................................................ ......... - 15 -腐乳生产工艺流程 ................................................ ... - 15 -腐乳生产过程中的注意事项 ........................................... - 17 -浸泡 ................................................ .......... - 17 -磨浆 ................................................ .......... - 18 -滤浆 ................................................ .......... - 18 -煮浆 ................................................ .......... - 19 -点浆 .......................................................... - 20 -压榨 ................................................ .......... - 20 -发酵 ................................................ .......... - 21 -腐乳厂的质量目标及关键控制点 ....................................... - 22 - 3中国调味品发展动态 ................................................ .... - 22 - 4实习体会 ................................................ .............. - 24 -实习感受 ................................................ ........... - 24 -对工厂的建议 ................................................ ....... - 24 - 5 致谢 ................................................ ................. - 25 -0前言实习目标及性质生产实习是教学计划中一个十分重要的实践性教学环节,是大学四年学习中最重要的一次实习,学生在掌握了一定的专业基础知识,尚未学习专业课之前,对本专业的任务、作用、涉及范围等最直接的一次感性认识。
西华大学实验报告(理工类)开课学院及实验室: 实验时间 : 年 月 日一、实验目的1)初步掌握电力系统物理模拟实验的基本方法。
2)加深理解功率极限的概念,在实验中体会各种提高功率极限措施的作用。
3)通过对实验中各种现象的观察,结合所学的理论知识,培养理论结合实际及分析问题的能力。
二、实验原理所谓简单电力系统,一般是指发电机通过变压器、输电线路与无限大容量母线联接而且不计各元件的电阻和导纳的输电系统。
对于简单系统,如发电机至系统d 轴和g 轴总电抗分别为d X ∑和q X ∑,则发电机的功率特性为2()sin sin 2q d q Eq d d q E UX X U P X X X δδ∑∑∑∑∑-=+⨯⨯当发电机装有励磁调节器时,发电机电势q E 随运行情况而变化,根据一般励磁调节器的性能,可认为保持发电机'q E (或'E )恒定。
这时发电机的功率特性可表示成''2'''''()sin sin 2Eq q d q d d q E UX X U P X X X δδ∑∑∑∑∑-=+⨯⨯ 或''''sin E q d E UP Xδ∑=这时功率极限为'''Em q d E UP X∑=随着电力系统的发展和扩大,电力系统的稳定性问题更加突出,而提高电力系统稳定性和输送能力的最重要手段之一,就是尽可能提高电力系统的功率极限。
从简单电力系统功率极限的表达式看,要提高功率极限,可以通过发电机装设性能良好的励磁调节器,以提高发电机电势、增加并联运行线路回路数;或通过串联电容补偿等手段,以减少系统电抗,使受端系统维持较高的运行电压水平;或输电线采用中继同步调相机、中继电力系统等手段以稳定系统中继点电压。
(3)实验内容1)无调节励磁时,功率特性和功率极隈的测定 ①网络结构变化对系统静态稳定的影响(改变戈):在相同的运行条件下(即系统电压U-、发电机电势E 。
第 页
西华大学实验报告(理工类)
开课学院及实验室:交通与汽车工程学院 交通工程实验室 实验时间: 年 月 日
1、实验目的
2、实验设备、仪器及材料
3、实验内容
3.1实验方案设计与选择
3.2实验原理及实验步骤(实验工作原理、实验的主要操作过程或流程)
3.3实验记录(主要操作步骤的结果)
注解:理工科实验需记录实验过程中的数据、图表、计算、现象观察等,实验过程中出现的问题及解决方法;记录程序执行的结果。
4、实验总结
4.1实验结果分析及问题讨论
4.2实验总结心得体会
4.3附录
注解:实验总结的内容根据不同学科和类型实验要求不一样,一般理工科类的实验需要对实验结果进行分析,并且对实验过程中问题进行讨论;在计算机上进行的编程、仿真性或模拟性实验需要对上机实践结果进行分析,上机的心得体会及改进意见。
其它实验应总结实验过程写出心得体会及改进意见。
2、实习任务及要求本次实习我们分为两个阶段。
第一个阶段,我们选择了位于“水电城”——宜昌的葛洲坝水利枢纽工程,实习主要包括参观、听讲座、答辩等形式;第二个阶段,我们选择的是位于成都金堂的国电金堂火电厂。
这次实习,要求我们:(1)、全面了解发电厂主设备及生产流程,全面了解变电站主设备及操作规程;(2)、了解并学习一定得现场实操技能;(3)、利用专业知识分析生产实际中的相关技术问题;(4)、学习实践工作中的团队协作精神,树立正确劳动观。
3、实习时间及地点2012年12月14日~21日,葛洲坝水力发电厂;2013年3月12日,中国国电金堂火力发电厂。
4、实习情况及完成情况2012年12月14日下午,我们登上了去宜昌实习的旅途,老式的绿皮列车载着青春的我们,旅途的奔波与艰苦没有怎么影响到我们快乐的心情,实习就真的要去学点东西,大家都在心里暗暗地捏了把劲,原来学的东西都是书本上的东西,这次能有这么好的机会,一定要学到实际的东西。
终于来到江滨城市--宜昌。
然后我们被安排到在葛洲坝附近的一个饭店,--梦圆大酒店住下。
当天晚上就开始上课了,虽然大家刚下火车都非常的疲惫,本来还在抱怨不让大家好好休息,但是电站工程师精彩的一课就像是一剂兴奋剂给大家注入了活力,大家听得津津有味,自从大学之后这样的景象已经很少见了,老师上课诙谐幽默,时而引经据典,有时也把葛洲坝里一些不好的现象拿出来抨击,讽刺。
老师给我们上了重要的一课,不论是专业上的还是人生上的,成为我们值得用一生去珍藏的宝藏。
根据葛洲坝工人师傅时间安排,虽然只有短短的一个星期,但紧凑、充实的安排,仍让我们大开眼界、受益匪浅。
整个葛洲坝工程体系包括大江电厂、二江电厂、二江电厂200kV开关站、葛洲坝500kV开关站、换流站等工程组成,本次的实习亦主要围绕这些工程展开。
本次实际实习安排如表4-1:4.1安全教育及葛洲坝、三峡水利枢纽工程介绍4.1.1 实习的安全与纪律1、电力生产企业在安全上遵循的原则:1)、安全第一、预防为主。
一、实习概述在2023年的暑期,我有幸参加了西华大学机械工程学院组织的实习活动,地点位于湖北十堰。
此次实习为期两个月,让我深入了解了机械工程行业的实际工作环境,提升了专业技能,也让我对未来的职业生涯有了更清晰的认识。
二、实习单位及环境实习单位为湖北十堰某知名机械制造企业,该企业主要从事汽车零部件的研发、生产和销售。
实习期间,我主要在公司的研发部门工作,与同事们一起参与新产品的研发和现有产品的改进。
实习单位的环境整洁,设施齐全。
公司拥有现代化的生产线、先进的检测设备和完善的研发体系,为实习生提供了良好的学习和工作条件。
三、实习内容1. 产品研发- 参与新产品的研发项目,负责部分零件的设计和仿真分析。
- 与团队成员讨论设计方案,提出改进意见,确保产品性能满足要求。
- 跟进项目进度,及时调整设计,确保项目按期完成。
2. 生产过程- 参观生产车间,了解生产工艺流程。
- 与生产一线员工交流,了解生产过程中的问题和改进措施。
- 参与生产线的调试和优化,提高生产效率。
3. 质量管理- 学习质量管理知识,了解ISO9001质量管理体系。
- 参与产品质量检验,确保产品符合国家标准。
- 分析质量问题,提出改进措施,降低不良品率。
4. 团队协作- 参与团队会议,分享工作经验,共同解决工作中遇到的问题。
- 与同事建立良好的沟通和合作关系,共同推进项目进展。
四、实习收获1. 专业技能提升- 通过实际操作,掌握了CAD、CAE等设计软件的使用方法。
- 了解了机械制造工艺、质量管理体系等方面的知识。
2. 职业素养培养- 学会了如何与同事、上级和客户沟通,提高了人际交往能力。
- 培养了团队协作精神,学会了在团队中发挥自己的优势。
3. 实践经验积累- 通过参与实际项目,了解了机械工程行业的运作模式和发展趋势。
- 提升了问题解决能力,学会了如何在实际工作中分析问题、解决问题。
五、实习感悟1. 理论知识与实践相结合- 实习让我深刻体会到理论知识与实践相结合的重要性。
实习报告(理工类)课程名称:工程地质实习课程代码: 6009689 题目:工程地质实习报告学生姓名:干亚飞学号: 312010********* 年级/专业/班: 2010级水利水电1班学院:能源与环境学院指导教师:徐良芳实习地点:都江堰紫坪铺、虹口乡、沙湾、白沙河等地区目录1.实习目的 (1)2.实习任务 (1)3.实习地点和过程 (1)4.实习总结. (8)一、实习目的1、通过现场的对各种地质现象的认识和了解,合理的将课本中的知识加以运用,结合实地的观察对课本知识有一个系统的深刻的理解。
2、学会用肉眼认识页岩。
学会判断坡积物,堆积物,洪积物等。
认识二王庙中山体沉积岩的岩石组成及其基本特征。
二、实习任务在老师的带领和引导下,完成对龙门山脉一系列地质现象的认识观察,并且结合课本知识对这一系列现象作出一定深度的探讨解释。
三、实习地点和过程时间:2013年3月2日天气:晴(一)龙门山脉与成都平原交接山系(二王庙)此处属于前山断层,而且有大量滑坡变形存在,在此地共进行了两项地质观测:一为此地断层处的岩石类型;二为此地的生物风化。
1、此地具有两类具代表性的岩石,此处岩层属于白垩系灌口组岩层★一为砾岩,大小在2-5cm左右,其所含成分有岩浆岩、砂岩和灰岩,由于水流的冲刷和搬运作用使得其磨圆度较好,在对该类型岩石进行观察时发现部分已经风化,而且有灰化现象,呈现红色的为含铁质(Fe2O3)岩石,灰色的为含泥质、钙质岩石,交接形式以接触式居多。
★二为砂岩,在对其物理性质进行观察时发现砂岩细,用手揉戳成粉末状,在未风化时,坚硬之至,但是此处的砂岩已经发生了强风化,甚至部分已经全风化。
2、生物风化此地有严重的生物风化,因为有大量的树根长入岩石,将岩石分裂破坏,遇雨天岩石容易发生解体滑移。
(二)二王庙宾馆外坡、道旁山坡在此地的观察中我们对岩石、层面、断层以及对工程的影响等等进行了探讨。
1、此处有两种岩石,一为砂岩,呈现灰色;另一种为泥岩(泥化岩石),褐红色。
实习报告理学专业姓名:巴菲特学号:20170921009 专业:理学班级:理学01班指导老师:巴菲特实习时间:XXXX-XX-XX—XXXX-XX-XX 20XX年XX月XX日目录目录 (2)前言 (3)一、实习目的及任务 (3)1.1实习目的 (3)1.2实习任务要求 (3)二、实习单位(岗位)简介 (4)2.1实习时间 (4)2.2实习单位(岗位)简介 (4)三、实习内容 (5)3.1熟悉工作流程与工作程序 (5)3.2培养工作实践能力和基本人际关系处理能力 (6)3.3强化岗位专业知识的理解与运用能力 (6)四、实习心得体会 (7)4.1人生角色的转变 (7)4.2个人能力的提高 (7)4.3人际关系的拓展 (7)五、实习总结 (8)5.1实践是检验真理的标准 (8)5.2团队,个人成长的催化剂 (8)5.3良好的心态是学习工作中的基石 (9)5.4学无止境,贵在坚持 (9)前言毕业实习是大学教育最后一个极为重要的实践性教学环节。
通过实习,一方面,使自己接触实际,了解社会,增强劳动观点和事业心、责任感;第二方面,使自己在社会实践中接触与本专业相关的实际工作,增强感性认识,培养和锻炼综合运用所学的基础理论、基本技能和专业知识,提高独立分析和解决实际问题的能力,把理论和实践结合起来,提高实践动手能力,为自己毕业后走上工作岗位打下一定的基础;第三方面,通过实习还可以检验学习效果,为进一步提高教育学习质量,培养个人能力积累经验。
一、实习目的及任务1.1实习目的通过实习实践,能系统运用所掌握的经济、管理、法规等知识,在实习单位的生产、经营、管理和商贸等实践活动中,通过不断学习与训练,掌握一定的实践知识与技能,并对生产、经营及人际沟通有一定的切身体验,以期培养独立思考、工作的能力,使自己成为适应社会需要的合格的理学专业人才。
1.2实习任务要求1.2.1 巩固和掌握运用理学基本理论、基本方法和基本技能;1.2.2熟悉所在实习单位的工作流程与工作程序;。
西华大学实验报告(理工类)开课学院及实验室:自动检测及自动化仪表实验室实验时间: 2013年9月17日一、实验目的1.观察了解箔式应变片的结构及粘贴方式;2.测试应变梁变形的应变输出;3.比较各桥路间的输出关系;4.比较金属应变片与半导体应变片的各种的特点。
二、实验原理应变片是最常用的测力传感元件。
当用应变片测试时,应变片要牢固地粘贴在测试体表面,当测件受力发生形变,应变片的敏感栅随同变形,其电阻值也随之发生相应的变化。
通过测量电路,转换成电信号输出显示。
三、实验设备、仪器及材料直流稳压电源(±4V档)、电桥、差动放大器、箔式应变片、测微头、(或双孔悬臂梁、称重砝码)、电压表。
四、实验步骤(按照实际操作过程)1.调零。
开启仪器电源,差动放大器增益置100倍(顺时针方向旋到底),“+、-”输入端用实验线对地短路。
输出端接数字电压表,用“调零”电位器调整差动放大器输出电压为零,然后拔掉实验线。
调零后电位器位置不要变化,调零后关闭仪器电源。
2.按图1.1将实验部件用实验线连接成测试桥路。
桥路中R1、R2、R3、和W D为电桥中的固定电阻和直流调平衡电位器,R为金属箔式应变片(可任选上、下梁中的一片工作片)。
直流激励电源为±4V。
3.确认接线无误后开启仪器电源,并预热数分钟。
测微头装于悬臂梁前端的永久磁钢上,并调节使应变梁处于基本水平状态。
调整电桥W D电位器,使测试系统输出为零。
4.旋动测微头,带动悬臂梁分别作向上和向下的运动,以悬臂梁水平状态下电路输出电压为零为起点,向上和向下移动各5mm,测微头每移动0.5mm记录一个差动放大器输出电压值,并列表。
5.直流半桥:保持差动放大器增益不变,将R2换成与应变片R工作状态相反的另一金属箔式应变片,(若R拉伸,换上去的应为压缩片)形成半桥。
重复单臂电桥的步骤;6.直流全桥:保持差动放大器增益不变,将R1换成与应变片R工作状态相反的另一金属箔式应变片,(若R拉伸,换上去的应为压缩片),将R3换成与应变片R工作状态相同的另一金属箔式应变片,形成全桥。
西华大学毕业实习报告3.2 洗衣机的工作过程控制洗衣机机械运动传递示意图如图1所示,洗涤水流的正转、反转由洗涤电动机驱动波轮的正反转来实现,此时内桶(脱水桶)并不旋转。
脱水时,由洗涤电动机带动内桶正转进行甩干。
这两种运动的转换通过控制电磁离合器A、B实现,其工作状态如下:1)洗涤工作状态。
离合器A制动,离合器B放开,此时运动经电动机、传送带、中心齿轮、行星轮、行星架,传送至波轮,实现波轮的正转或反转,内桶被制止处于静止状态。
2)脱水工作状态。
脱水工作状态时,离合器B制动,离合器A放开,运动经电动机、传送带、内齿圈(脱水桶)、中心齿轮、行星架,传送至波轮和脱水桶,波轮和脱水桶同步等速旋转。
图1 洗涤及脱水机械运动传递图3.3 工业洗衣机介绍在毕业实习过程中,了解到工业洗衣机按容量分为15kg、30kg、50kg、70kg、100kg、150kg、200kg等系列,均是采用滚筒式。
由内筒、外筒、电机、支撑总成、传动总成、电器总成组成。
洗衣机内、外壳采用了优质不锈钢制作而成,具有平整光滑、耐腐蚀、不损伤织物等特点。
其工作过程是由顶置电机、三角胶带、带动传动总成,使内筒作正反转运转,通过织物与织物、织物与内筒壁的相互摩擦,达到洗涤效果。
机器内置过热、过载装置、定时装置、正反转控制装置。
同时外筒门还设有安全装置,若运行中门被打开,机器立即停止运转,确保机器、操作人员的安全。
图2为工业洗衣机外观示意图。
图2 工业洗衣机外观示意图3.4 全自动工业洗衣机特点与用途工业洗衣机具有以下特点:1) 采用卧式滚筒型,内外筒均采用优质不锈钢板精制而成,平整光亮、耐腐蚀,对织物的磨损小且无损伤,机器使用寿命长;2) 内筒门盖均装有不锈钢安全锁紧机构,外筒门盖上没有电气互锁装置,运转安全可靠;3) 采用三角胶带传动,振动小、运转平稳、经久耐用。
全自动工业洗衣机主要用于宾馆、饭店、医院及洗染等行业,是洗涤棉、毛、麻、化纤等织物的理想设备。
装订线西华大学实验报告(理工类)开课学院及实验室:实验时间:年月日实验线路如图2.1所示。
主电路由三相全控整流电路组成,触发电路为DJK02中的集成触发电路,由KC04、KC4l、KC42等集成芯片组成,可输出经高频调制后的双窄脉冲链。
图2.1中的R用DK04滑线变阻器,接成并联形式;电感Ld在DJK02面板上,选用700mH,直流电压、电流表由DJK02获得。
图2.1 三相桥式全控整流电路实验原理图四、实验步骤(按照实际操作过程)1、DJK02上的“触发电路”调试(1)打开DJK01总电源开关,操作“电源控制屏”上的“三相电网电压指示”开关,观察输入的三相电网电压是否平衡。
(2)将DJK01“电源控制屏”上“调速电源选择开关”拨至“直流调速”侧。
(3)打开DJK02电源开关,拨动“触发脉冲指示”钮子开关,使“窄”的发光管亮。
(4)观察A、B、C三相的锯齿波,并调节A、B、C三相锯齿波斜率调节电位器(在各观测孔左侧),使三相锯齿波斜率尽可能一致。
(5)将DJK06上的“给定”输出Ug直接与DJK02上的移相控制电压Uct相连,将给定开关S2拨到接地位置(即Uct=0时),调节DJK02上的偏移电压电位器,用双踪示波器观察A相锯齿波和“双脉冲观察孔”VT1的输出波形,使α=1500,如图2.2所示。
图2.2 触发脉冲与锯齿的相位关系(6)适当增加给定Ug的正电压输出,观测DJK02上“触发脉冲观察孔”的波形,此时应观测到双窄脉冲。
(7)将DJK02面板上的U1f端接地,将“正桥触发脉冲”的六个开关拨至“通”,观察正桥VT1~VT6晶闸管门极和阴极之间的触发脉冲是否正常。
2、三相桥式全控整流电路按图2.1接线,将DJK06上的“给定”输出调到零(逆时针旋到底),使滑线变阻器放在最大阻值处,按下“启动”按钮,调节给定电位器,增加移相电压,使α角在300~1500范围内调节,同时,根据需要不断调整负载电阻R,使得负载电流I d保持在0.6A左右(注意I d不得超过0.65A)。
西华大学实验报告(理工类)
装
订
线
1、控制与驱动电路的测试
(1)启动实验装置电源,开启DJK20控制电路电源开关。
(2)调节PWM脉宽调节电位器改变Ur,用双踪示波器分别观测SG3525的第11脚与第14脚的波形,
观测输出PWM信号的变化情况,并填入下表。
(3)用示波器分别观测A、B和PWM信号的波形,记录其波形、频率和幅值,并填入下表。
(4)用双踪示波器的两个探头同时观测11脚和14脚的输出波形,调节PWM脉宽调节电位器,观测
两路输出的PWM信号,测出两路信号的相位差,并测出两路PWM信号之间最小的“死区”时间。
2、直流斩波器的测试(使用一个探头观测波形)
斩波电路的输入直流电压U i由三相调压器输出的单相交流电经DJK20挂箱上的单相桥式整流及电容滤波后得到。
接通交流电源,观测U i波形,记录其平均值(注:本装置限定直流输出最大值为50V,输入交流电压的大小由调压器调节输出)。
(1)切断电源,根据DJK20上的主电路图,利用面板上的元器件连接好相应的斩波实验线路,并接
上电阻负载,负载电流最大值限制在200mA以内。
将控制与驱动电路的输出“V-G”、“V-E”分别接至V的G和E端。
(2)检查接线正确后,接通主电路和控制电路的电源。
(3)用示波器观测PWM信号的波形、U GE的电压波形、U CE的电压波形及输出电压Uo和二极管两
端电压U D的波形,注意各波形间的相位关系。
(4)调节PWM脉宽调节电位器改变Ur,观测在不同占空比(α)时,记录U i、U O和α的数值于下表
中,从而画出U O=f(α)的关系曲线。
五、实验过程记录(数据、图表、计算等)
六、实验结果分析及问题讨论。