六相微机继电保护测试仪试验步骤
- 格式:docx
- 大小:12.78 KB
- 文档页数:2
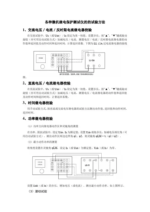
各种微机继电保护测试仪的的试验方法1、交流电压/电流/反时限电流继电器校验在交流试验中,Ua(或Uab)/Ia设定为某一初值,设置步长,按“▲”、“▼”键或旋动旋钮(亦可用自动试验方式)加减电压/电流,测量电压/电流/反时限电流继电器的动作值和返回值及动作时间和返回时间,计算返回系数。
下图为LL-12A过电流继电器的接线图。
2、直流电压/电流继电器校验在直流试验中,Ua(或Uab)/Ia设定为某一初值,设置步长,按“▲”、“▼”键或旋动旋钮(亦可用自动试验方式)加减电压/电流,测量电压/电流继电器的动作值和返回值及动作时间和返回时间,计算返回系数。
3、时间继电器校验用手动试验方式,按直流或交流电压继电器的试验方法测出动作值、返回值和动作时间、返回时间。
4、功率继电器校验(1)功率方向继电器动作区和灵敏角的测量在功率、阻抗试验中,设定Uab、Ia为额定值,设置Uab相角步长,加减电压相位角(可用自动试验方式),测出动作区两边边界角φ1、φ2,则灵敏角φLM=½(φ1+φ2)。
(2)最小动作功率的测量将角度设置在灵敏角φLM,设定Ia(或Uab)为额定值、Uab(或Ia)为零。
设置Uab(或Ia)的步长,增加电压(或电流)。
测出最小动作功率。
如上图所示。
(3)潜动试验电流回路开路,设置Uab初值为零、步长为额定电压,突然加上或切除电压,继电器触点不应有瞬间接通现象。
电压回路经20欧电阻短路,设置Ia初值为零、步长为数倍额定电流,突然加上或切除电流,继电器触点不应有瞬间接通现象。
(4)记忆作用检验在灵敏角下设置Ia为0.5倍和数倍额定电流时,Uab由100V突降至零,继电器应可靠动作,说明记忆作用良好。
5、阻抗继电器校验(1)阻抗继电器灵敏角和整定阻抗的测量在功率、阻抗试验中,设定Ia为5A(或1A),Uab为0.7倍整定阻抗对应的电压,加减电压相位角(可用自动试验方式),测出动作区两边的边界角φ1、φ2,则灵敏角φLM=½(φ1+φ2)。
微机继电保护测试仪怎么使用微机继电保护测试仪怎么使用呢?微机继电保护测试仪主要用来进行高压电器设备的试验工作,具有测试速度快,精度高,方便灵活等特点,但是由于是高精度仪器,因此使用也不是特别方便,本文就以YTC1000微机继电保护测试仪为例,来给大家简单讲解微机继电保护测试仪怎么使用。
一、设置开入量和开出量试验步骤2:在界面左部选择当前通道输出的谐波类型直流:幅值(可“+”可“-”)。
基波:50.0Hz,幅值、相角。
2次谐波:100.0Hz,幅值、相角。
3次谐波:150.0Hz,幅值、相角。
4次谐波:200.0Hz,幅值、相角。
5次谐波:250.0Hz,幅值、相角。
6次谐波:300.0Hz,幅值、相角。
7次谐波:350.0Hz,幅值、相角。
8次谐波:400.0Hz,幅值、相角。
9次谐波:450.0Hz,幅值、相角。
10次谐波:500.0Hz,幅值、相角。
11次谐波:550.0Hz,幅值、相角。
12次谐波:600.0Hz,幅值、相角。
13次谐波:650.0Hz,幅值、相角。
14次谐波:700.0Hz,幅值、相角。
15次谐波:750.0Hz,幅值、相角。
16次谐波:800.0Hz,幅值、相角。
17次谐波:850.0Hz,幅值、相角。
18次谐波:900.0Hz,幅值、相角。
19次谐波:950.0Hz,幅值、相角。
20次谐波:1000.0Hz,幅值、相角。
各电压、电流的各次谐波幅值在界面上以“伏特”或“安培”为单位显示其值,测试仪输出的值为界面上实际显示的电压电流大小。
变量的变化步长应根据测试的要求选择合适的大小,一般地,步长越小,测试精度越高。
试验步骤3:设置谐波计算方式在“参数设置”属性页中可以选择谐波计算的方式。
幅值计算:各电压、电流的各次谐波在界面上以“伏特”或“安培”为单位显示其值,测试仪输出的值为界面上实际显示的电压电流大小。
基波百分比计算:各电压、电流的各次谐波在界面上的“输出幅值”和“幅值步长”等于该相谐波值相对于该相基波值的百分数。
目录第一部分 (5继保使用说明 (5第一章装置特点与技术参数 (6 第二章装置硬件结构 (8第三章使用前请阅读 (10第二部分 (12继保软件操作说明 (12第四章软件操作方法简介 (13 第五章交流试验 (16第六章直流试验 (24第七章状态系列Ⅰ和Ⅱ (26第八章谐波叠加试验 (30第九章频率及高低周试验 (33 第十章功率方向及阻抗试验 (37 第十一章同期试验 (41第十二章整组试验Ⅰ和Ⅱ (46 第十三章距离和零序保护 (51 第十四章线路保护 (56第十五章阻抗特性 (62第十六章差动保护 (65第十七章差动定值 (73第十八章差动谐波 (79第十九章6-35KV微机线路保护综合测试 (82第二十章故障再现 (87附录1:线路保护试验接线方法示例 (88附录2:差动保护试验接线方法示例 (91附录3:各种继电器的试验方法 (93附录4:继电保护调试经验参考 (97继电保护试验项目索引本索引旨在引导试验人员:各种继保装置的试验可以通过―继保‖系列软件的哪些模块完成。
继电器试验:继电保护类型测试项目建议试验的模块备注信号继电器相应的测试项目直流试验交直流试验若是要求交、直流混合输入的中间继电器,请在―交直流试验‖模块中测试额定电流太小的信号继电器,可用测试仪的电压回路输出测试时间继电器中间继电器重合闸继电器其它直流电压、电流继电器电流继电器相应的测试项目交流试验可在―交流试验‖专门的序分量模块中测试序分量继电器也可在―I-t特性‖模块中测试反时限继电器过(欠电压继电器序分量继电器同步检查(或相位比较继电器反时限电流继电器差动继电器直流助磁特性差动继电器、差动谐波、交直流试验、谐波试验试验时请参考说明书中的―附录5‖正确接线谐波制动特性比例制动特性差动继电器、交流试验功率(方向继电器相应的测试项目功率方向及阻抗、交流试验测试功率(方向继电器前,应预先确定接线类型,和保护大致的动作边界阻抗继电器同期继电器相应的测试项目同期试验、交流试验―同期试验‖模块固定由测试仪的UA、UC分别作为系统侧和待并侧电压输出频率继电器相应的测试项目频率及高低周单机试验选择―自动变频‖方式时,能测试频率滑差定值微机保护试验:继电保护类型测试项目建议试验的模块备注线路保护多段过流相应的测试项目交流试验只要方法得当,用―交流试验‖模块能进行大部分继电器和微机保护的试验,应重点学习该模块过(欠电压序分量电压电流频率装置功率方向保护重合闸及转换性故障相应的测试项目整组试验、线路保护、状态系列、6-35KV线路保护综合测试要求测试检同期和检无压,用Ux作为待并侧电压输出,1200测试仪是用Ua代替Ux进行试验距离和零序距离和零序定值校验距离和零序、线路保护、整组试验、交流试验―距离和零序‖和―线路保护‖均能一次性自动测试多段、各种故障类型、各种相别的距离和零序定值阻抗特性阻抗特性工频变化量距离定值校验距离和零序、线路保护应设置故障电流足够大,比如10~15A(当为5A制CT时复合电压闭锁(方向过流过流、低压、负序电压、灵敏角等交流试验、6-35KV线路保护综合测试有的保护的―低电压‖和―负序电压‖由不同的端子输入,试验时需更换接线低周、低压减载装置相应的测试项目频率及高低周、6-35KV线路保护综合测试若其它条件都满足,装置却不能动作,请确认装置是否还需要同时输入电流和开关接点发变组保护差动保护比例制动特性差动保护、差动定值、交流试验发电机差动保护,用―差动保护‖进行试验时,可看作接线类型为Y/Y,高、低压侧平衡系数均为1的变压器保护―差动保护‖注重曲线特性搜索,而―差动定值‖模块注重差动定值测试,二者结合,能全面测试差动保护谐波制动特性差动保护、差动定值、谐波试验失磁保护相应的测试项目交流试验试验时应注意输出的电压电流的夹角励磁保护复合电压闭锁(方向过流(后备相应的测试项目请参见上文―线路保护‖部分请参见上文―线路保护‖部分其它保护自动准同期装置相应的测试项目同期试验做自动调整试验时,测试各开入量必须按说明书要求接线母线差动保护相应的测试项目交流试验请参见附录6中―南瑞部分保护‖有关BP-2B和RCS-915的说明光纤线路差动保护试验前先确定装置是否形成―自环‖,若是,则保护的动作值应等于其整定值的一半第一部分继保使用说明第一章装置特点与技术参数第一节主要特点◆电压电流输出灵活组合输出达6相电压6相电流,可任意组合实现常规4相电压3相电流型、6相电压型、6相电流型,以及12相型输出模式,既可兼容传统的各种试验方式,也可方便地进行三相变压器差动试验和厂用电快切和备自投试验。
继电保护测试仪操作规程一、前言二、测试仪器准备1.首先仔细阅读继电保护测试仪的使用说明书,熟悉测试仪器的使用方法和注意事项。
2.查看测试仪器的外观,检查是否有松动、破损或者漏电等问题。
如果有问题,应及时通知维修人员进行维修。
3.检查测试仪器的电源线是否连接稳定,确保电源线与插座接触良好,并且电源线应与其他线路分开,避免干扰。
4.检查测试仪器的接地线是否良好连接,确保测试仪器的安全使用。
三、测试前准备1.打开测试仪器,并按照使用说明书进行一系列的设定,包括测试对象、测试方法、测试参数等。
2.确保测试仪器的内部保存的测试数据已经清零,以防止前一次测试的数据对本次测试结果的影响。
3.根据测试仪器的标准曲线或者测量值,校准测试仪器,确保测试的准确性。
4.检查测试仪器的连接线是否正常、接触良好,确保信号传递畅通。
四、测试操作步骤1.将测试仪器的输出信号连接至待测试的继电保护装置,确保连接正确,并注意信号阻抗匹配,避免信号损失。
2.进行第一次测试前,应先进行一个零漂测试,以保证测试仪器的零点是正确的。
对于模拟量输入测试仪器,可以将输入信号置零,然后记录零点的读数;对于数字量输入测试仪器,可以检查输入端口是否接收到正确的信号。
3.根据测试要求,进行具体的测试,包括动作测试、接触压降测试、动态稳定性测试等。
根据测试仪器的设定,记录测试结果,并进行分析。
4.在测试过程中,应及时关注测试仪器的指示灯和显示屏,如有异常情况(如报警、故障等),应及时停止测试,并排除故障。
5.完成测试后,应将测试仪器的数据保存,并进行分析。
在需要校准测试仪器时,应进行相应的校准操作。
五、测试后操作1.测试完成后,及时关闭测试仪器,将测试仪器的电源线拔下,避免浪费电能和人为损坏。
2.清理测试现场,将测试仪器和相关工具归位,并保持测试仪器的清洁,防止灰尘等杂物进入仪器内部。
3.定期对测试仪器进行维护和保养,保持其正常使用。
如有故障或者异常情况,应及时通知维修人员进行处理。
微机保护测试仪试验使用方法
微机保护测试仪是一种非常重要的工具,它可以用来测试电力系统中的各种保护装置。
本文将介绍微机保护测试仪的使用方法,以帮助读者更好地了解和掌握这一工具。
1. 准备工作:在使用微机保护测试仪之前,需要先将仪器连接到电力系统中。
同时,还需要确保仪器的电源充足,以及使用正确的测试参数和配置。
2. 选择测试项目:根据实际需要,选择相应的测试项目。
微机保护测试仪可以测试各种保护装置,如过流保护、距离保护、差动保护等,根据不同的保护装置选择相应的测试项目。
3. 设置测试参数:在选择了测试项目后,需要设置相应的测试参数。
包括测试电流、测试电压、测试频率等,这些参数需要根据保护装置的要求进行设置。
4. 进行测试:设置好测试参数后,即可进行测试。
在进行测试时,需要仔细观察仪器显示的测试结果,并记录下测试数据。
如果测试结果出现问题,需要及时排查问题所在。
5. 分析测试结果:在测试完成后,需要对测试结果进行分析。
根据测试结果来判断保护装置是否正常工作,并对测试数据进行处理和记录。
6. 关闭仪器:测试完成后,需要将微机保护测试仪安全地关闭。
先停止测试,然后关闭电源,并拔下连接电路。
通过以上步骤,使用微机保护测试仪可以有效地测试电力系统中
的保护装置,并对测试结果进行分析和处理。
在使用微机保护测试仪时需要注意安全,遵守操作规程,确保测试的准确性和可靠性。
HT-1200微机继电保护仪HT-1200微机继电保护测试仪差动试验基本概述第七节差动试验本程序用于试验微机型差动保护装置的比例制动特性和谐波制动特性。
本仪器可做六相电流差动试验。
一、三相差动(六相差动)试验1、电流定义IA为高压侧电流输入,IB为低压侧电流输入,IC可选择等于IA或等于IB,用于施加补偿电流用,至于加到哪一侧补偿,要视变压器的接线方式来决定,后面的接线方式会阐述这个问题。
IA和IB的相位差一般为0度或180度。
六相差动采 HT-1200微机继电保护仪用IA、IB、IC和IN接入高压侧A、B、C和N相,将Ia、Ib、Ic和In接入低(中)压侧的A、B、C和N相。
2、【试验参数】2.1、【差动电流门槛值】:根据保护定值输入,一般为1A—2A。
2.2、【差动电流速断值】:根据保护定值输入,一般为8A—10A。
2.3、【比例制动系数】:根据保护定值输入,一般为0.2—0.9。
2.4、【谐波制动系数】:根据保护定值输入,一般为0.1—0.9。
2.5、【拐点定值】:根据保护定值输入,一般为2A—6A。
2.6、【斜率】:即比例制动系数。
根据保护定值输入。
2.7、【输出最长时间】:为有电流输出的时间。
一般为0.5秒—1秒。
2.8、【输出间断时间】:为无电流输出的时间。
一般为0.5秒—1秒。
由于微机保护采用突变量启动原理,所以电流输出采用间断式输出方式。
2.9、【计算公式】根据保护生产厂家提供的计算公式进行选择,其中,I1(IA)为高压侧电流,I2(IB)为低(中)压侧电流,K1为高压侧平衡系数,K2为低(中)压侧平衡系数。
K3为一常数。
3、【试验设备】3.1、变压器圈数:两绕组或三绕组。
3.2、接线方法:【Y/Y-12】:程序自动设置I1和I2的相位差为180度。
【Y/Δ-1】:程序自动设置I1和I2的相位差为150度。
【Y/Δ-11】:程序自动设置I1和I2的相位差为210度。
3.3、【平衡系数设置】有三种设置方式: HT-1200微机继电保护仪1、直接设置平衡系数:根据保护定值,直接设置平衡系数。
第一章装置特点与技术参数第一节主要特点1、满足现场所有试验要求。
具有标准的六相电流,六相电压同时输出,电流30A/相,电压120V/相。
六相电流并联可达150A。
既可对传统的各种继电器及保护装置进行试验,也可对现代各种微机保护进行各种试验,特别是对变压器差动保护和备自投装置,试验更加方便和完美。
2、各种技术指标完全达到电力部颁发的DL/T624-1997《继电保护微机型试验装置技术条件》的标准。
3、经典的Windows XP操作界面,人机界面友好,操作简便快捷;高性能的嵌入式工业控制计算机和8.4寸分辨率为800×600的TFT真彩显示屏,可以提供丰富直观的信息,包括设备当前的工作状态及各种帮助信息等。
4、本机Windows XP系统自带恢复功能,避免因非法关机或误操作等引起的系统崩溃。
5、配备有超薄型工业键盘和光电鼠标,可以象操作普通PC机一样通过键盘或鼠标完成各种操作。
6、主控板采用DSP+FPGA结构,16位DAC输出,对基波可产生每周2000点的高密度正弦波,大大改善了波形的质量,提高了测试仪的精度。
7、功放采用高保真线性功放,既保证了小电流的精度,又保证了大电流的稳定。
8、采用USB接口直接和PC机通讯,无须任何转接线,方便使用。
9、可连接笔记本电脑(选配)运行。
笔记本电脑与工控机使用同一套软件,无须重新学习操作方法。
10、具备GPS同步试验功能。
装置可内置GPS同步卡(选配)通过RS232口与PC机相连,实现两台测试仪异地进行同步对调试验。
11、配有独立专用直流辅助电压源输出,输出电压分别为110V(1A),220V(0.6A)。
以提供给需要直流工作电源的继电器或保护装置使用。
12、具有软件自较准功能,避免了要打开机箱通过调整电位器来校准精度,从而大大提高了精度的稳定性。
第二节技术参数1、交流电流源幅值范围:6×(0-30A)/相精度:0.5%六相电流并联输出最大值:150A相电流长期允许工作值:10A功率:300V A/相六相并联最大功率:900V A六相并联最大输出时允许工作时间:10s频率范围:0--400Hz;精度:0.002Hz谐波次数:2--20次;相位:0--360°;精度:0.5°2、直流电流源幅值:20A/相;功率:300V A/相;精度:0.5%3、交流电压源幅值范围:6 ×(0--120V);精度:0.5%线电压范围:0--240V相电压/线电压输出功率:70V A/100V A频率范围:0--400Hz;精度:0.002Hz谐波次数:2--20次;相位:0--360°;精度:0.5°4、直流电压源相电压输出幅值:0--±150V;精度:0.5%线电压输出幅值:0--±300V;相电压/线电压输出功率:90V A/180V A5、开关量端子开关量输入端子:8对空接点:1--20mA,24V装置内部有源电位翻转:0--6VDC为低电平15--250VDC为高电平开关量输出端子:4对,空接点,遮断容量:110V/2A,220V/1A。
如何正确操作微机继电保护测试仪微机继电保护测试仪如何操作微机继电保护测试仪是继电保护通用测试装置,紧要用于各电压等级的电磁型,集成电路型及微机型各类保护继电器及保护系统的测试和讨论,可实现电压电流幅值,相位频微机继电保护测试仪是继电保护通用测试装置,紧要用于各电压等级的电磁型,集成电路型及微机型各类保护继电器及保护系统的测试和讨论,可实现电压电流幅值,相位频率的快捷掌控,并具备各种继电器和保护的专用测试模块。
是电力基层单位保护装置投运前调试和定期检验的必备工具。
为了更好的使用微机继电保护测试仪,在使用前,我们确定要把握如何正确操作它。
第一、关闭测试仪电源开关。
将测试导线分别从面板上的电压输出插孔和电流输出插孔接至被测试屏或保护装置上。
将保护动作接点用测试导线引至测试仪开入端子(面板左上部N1~N5)。
如用外接PC机掌控,需用打印电缆把PC机并口和仪器背板上的PC机接口连接,并把旁边的选择开关置“外”位置。
第二、确认接线正确无误后,连接测试仪电源线(AC220V)、PS2鼠标(或键盘),需在线打印试验结果可连接打印机至仪器背板并口,合上测试仪交流电源开关。
面板电源指示灯发绿光(如用外接PC机掌控,开启PC机),测试仪自动进入主菜单。
第三、按下面板上的功放电源开关。
第四、选择相应功能应用程序,自动打开软件功放开关,电源指示灯发红光,操作程序,开始试验。
第五、试验完毕后,存储、打印结果,退出应用程序,先关测试仪功放开关、交流开关,然后拆除测试线、电源线、打印电缆。
第六、用通讯线通过并口与其它PC机连接,两边运行随机通迅程序,可把试验结果上传,也可用U盘把试验结果传至PC机,再在PC机上或U盘上运行随机打印系统程序,可在WindowsExcel下处理试验报表。
依照以上步骤来操作微机继电保护测试仪,就能帮忙我们得到精准的测量数据,让我们的检验工作更加便利。
—专业分析仪器服务平台,试验室仪器设备交易网,仪器行业专业网络宣扬媒体。
目录1 概述 (1)1.1 试验主要依据 (1)1.2 试验使用设备及仪器 (1)2 检验项目 (1)2.1 一般项目检查 (1)2.2 模拟量参数 (1)2.3 交流电流源的检查 (2)2.3.1 交流电流源输出的幅值准确度 (2)2.3.2 交流电流源的幅频特性 (2)2.3.3 输出电流叠加谐波测量 (3)2.3.4 输出电流的带负载能力 (3)2.3.5 输出残余电流测量 (4)2.3.6 交流电流源的输出时间 (4)2.4 交流电压源的检查 (4)2.4.1 交流电压源输出的幅值准确度 (4)2.5 交流电流源与交流电压源相位控制 (7)2.6 直流电流源 (8)2.7 直流电压源 (9)2.8 自检及异常工况报警功能检查 (10)2.9 试验装置的功能性检查 (11)附录: (11)1 概述1.1 试验主要依据1.2 试验使用设备及仪器2 检验项目2.1 一般项目检查2.2 模拟量参数2.3 交流电流源的检查2.3.1 交流电流源输出的幅值准确度2.3.2 交流电流源的幅频特性2.3.3 输出电流叠加谐波测量2.3.4 输出电流的带负载能力2.3.5 输出残余电流测量2.3.6 交流电流源的输出时间2.4 交流电压源的检查2.4.1 交流电压源输出的幅值准确度2.4.2 交流电压源的幅频特性2.4.3 输出电压叠加谐波测量2.4.4 输出电压的带负载能力2.4.5 输出残余电压测量2.4.6 交流电压源的输出时间2.4.7 交流电压源与交流电流源的同步性2.5 交流电流源与交流电压源相位控制2.6 直流电流源2.6.1 直流电流源输出的幅值准确度2.6.2 输出电流的响应速度2.7 直流电压源2.7.1 直流电压源输出的幅值准确度2.7.2 输出电压的响应速度2.7.3 输出电压的带负载能力2.8 自检及异常工况报警功能检查2.9 试验装置的功能性检查附录:示波记录仪横河DL750使用方法简介1 常用按键及旋钮功能介绍1.1 按键MEASURE:执行波形参数自动测量的菜单。
如何操作使用微机继电保护测试仪
一、接线说明。
微机继电保护测试仪的面板上的黄绿红黑接线端子是连接仪器的电压输出端,面板的背面有直流输出和电源连接,电源插孔旁边有一个接地插孔,方便测试者将设备进行接地。
演示:
接通仪器的电源后、开机。
根据线圈的颜色不同,连接对应颜色的接线端子。
比如,黑色线圈插入仪器电流输出黑色插孔,另一头连接继电器。
其它颜色同样的方式按照对应的参数和颜色做好相应的接线操作。
接着用万用表对接线进行测试是否接线成功。
二、操作演示。
根据自己接线端的电流相来调节电流幅值、幅值步长,单相测试不用设置相位,其它相位测试则需要调节相位,之后设定好相位步长。
将试验类型调整至自己的试验类型(手动或自动)开始试验。
试验中当听到“铃~”则将按钮旋转至“停”,然后得出测试动作时间。
如果需要将测试时间增加,调整幅值步长即可。
三、交流电压和交流电流的输出检测。
最后,拆除测试线用万用表检测电流电压的输出,将界面回到交流试验的参数设定界面,同样先设定电压幅值、幅值步长等参数,然后用万用表表头测试操作面板上的电压输出。
随即将电流幅值、幅值步长等设定调整好,万用表打到交流档,用万用表表头插到面板的电流输出,旋转仪器面板上的按钮开始测试,观察万用表是否和仪器上
的电流一致,完成测试。
微机继电保护测试仪的试验测试(时间,继电器,差动)时间测试(断路器多触头动作时间测量)■界面说明本试验中装置监视7路开关量输入的变化,记录各开关量相继动作的时间顺序。
其工作过程类似一个7路数字毫秒计或开关量时间顺序记录仪。
常用于测量断路器多个触头的动作过程,可用于三相开关6个触头的动作时间及动作同期的测量。
其接线方法如下图:试验时需外加一双刀双掷开关,一个刀用于通断跳合闸电流,另一个刀及6路开关触头的辅助接点接入开入端进行时间测量。
试验时按下“开始”键,两路开出接点闭合,装置等待开关量输入。
合上双刀双掷开关,启动跳/合闸,同时启动开入R开始计时,然后各相开关各触头相继动作。
从开入R到A~c动作的时间间隔即为开关动作时间,开入A~c先后动作的时间间隔即为动作时间差。
注意:第一个开关(任意哪一个)动作的时刻为计时起始时刻(起表),然后每一个开关的动作(合上或打开)均有时间记录,该时间均以起表时刻为时间原点。
第七节功率方向、阻抗继电器试验■界面说明本试验主要用于功率方向、阻抗继电器校验。
在功率方向继电器中常用一路线电压及一相电流作90°接线;在阻抗继电器中常用一路相电压或线电压及一相或两相电流的接线方式,并需引入第3相电压(常固定为57.7V,超前线电压90°)。
试验中装置可任意指定某一路相电压或线电压、某一相电流或相间电流,该电压、电流值均可任意变化,其相角也可任意调整,用于做功率方向或阻抗继电器的动作返回角、动作功率、动作阻抗等试验。
该试验中未参与调整的相其电压固定为为57.7V。
需要输入的各种设定量:电压相别(Ua/Ub/Uc/Uab/Ubc/Uca);电压初值、变化步长、变化标志;电压相位、变化步长、变化标志。
电流相别(Ia/Ib/Ic/Iab/Ibc/Ica);电流初值、变化步长、变化标志;电流相位、变化步长、变化标志。
自动试验/ 手动试验试验中可变化的量有:电压、电流的幅值与相位。
注意事项1、为防止仪器运行中机身感应静电,试验之前先通过接地端将主机可靠接地.2、工作电源为AC220V,禁止接入AC380V或其他工作电源。
3、为保证测试的准确性应将保护装置的外回路断开,且将电压的N与电流的N在同一点共地,试验时应注意安全,防止触电事故的发生。
4、电压测试通道严禁短路,电流测试通道严禁开路,严禁将外部的交直流电源引入到仪器的电压源、电流源、开出量输出插孔,否则将损坏仪器.5、仪器配备的计算机安装有系统保护软件,该软件对C盘做了保护,每次重启后,对C盘做的任何改动都会消失,请勿在C盘保存任何个人文件。
6、在单相或并联输出大电流后,应保证仪器至少有60秒钟的散热,再进行下一次试验,注意保持机箱通风口的空气流动畅通,请不要遮挡通风口,以免影响散热。
7、试验过程中,请不要频繁开关电源,以免对仪器造成损坏或测试精度降低。
8、试验过程中,如遇到异常情况,应立即切断电源.9、切勿将仪器露天放置而被雨水淋湿。
10、仪器工作异常时,请及时与厂家联系,请勿自行维修。
本公司保留对此说明书修改的权利,届时恕不另行通知。
产品与说明书不符之处,以实际产品为准.目录第一章仪器技术参数及特点 ----------------------- 41.1 面板说明---------------------------------- 41。
2 技术参数--------------------------------- 51.3 技术特点---------------------------------- 81.4 硬件结构---------------------------------- 91。
5 操作使用------------------------------- 101。
6 软件快捷键----------------------------- 11第二章软件使用方法 --------------------------- 122.1 递变试验-------------------------------- 122。
六相继电保护测试仪说明书由于输入输出端子、测试柱等均有可能带电压,在插拔测试线、电源插座时,会产生电火花,小心电击,避免触电危险,注意人身安全!安全要求请阅读下列安全注意事项,以免人身伤害,为了避免可能发生的危险,只可在规定的范围内使用。
只有合格的技术人员才可执行维修。
—防止火灾或人身伤害使用适当的电源线。
只可使用专用并且符合规格的电源线。
正确地连接和断开。
当测试导线与带电端子连接时,请勿随意连接或断开测试导线。
注意所有终端的额定值。
为了防止火灾或电击危险,请注意所有额定值和标记。
在进行连接之前,请阅读使用说明书,以便进一步了解有关额定值的信息。
使用适当的保险丝。
只可使用符合规定类型和额定值的保险丝。
避免接触裸露电路和带电金属。
有电时,请勿触摸裸露的接点和部位。
请勿在潮湿环境下操作。
请勿在易爆环境中操作。
-安全术语警告:警告字句指出可能造成人身伤亡的状况或做法。
目录目录 (4)继电保护试验项目索引 (5)第一部分 6600继电保护测试仪使用说明 (8)第一章装置特点与技术参数 (9)第二章装置硬件结构 (9)第三章单机操作模块功能说明 (14)第二部分继保软件操作说明 (16)第五章软件操作方法简介 (17)第六章交流试验 (19)继电保护试验项目索引本索引旨在引导试验人员:各种继保装置的试验可以通过“继保”系列软件的哪些模块完成。
继电器试验:微机保护试验:第一部分使用说明第一章装置特点与技术参数第一节主要特点◆电压电流输出灵活组合输出多达6相电压6相电流,可任意组合实现常规4相电压3相电流型、6相电压型、6相电流型,以及12相型输出模式,既可兼容传统的各种试验方式,也可方便地进行三相变压器差动试验和厂用电快切和备自投试验。
◆单机操作方便装置面板设有轨迹球鼠标、优化键盘以及大屏幕TFT液晶显示器,内置全中文Windows平台操作软件。
开机即可使用,操作方便快捷。
◆双操作方式除了单机操作外,装置还可以外接笔记本电脑或台式机进行操作,两种方式功能完全一致,真正完整的双操作模式。
微机继电保护测试仪使用方法
微机继电保护测试仪是一种用于测试电力系统中继电保护装置的设备。
使用该测试仪可以检测继电保护的动作时间、鉴别特性、动作精度等参数,以保证电力系统的安全和稳定运行。
使用方法如下:
1.检查测试仪的电源是否正常,接上电源线,打开电源开关。
2.将待测继电保护连接到测试仪上,接线应正确无误。
3.选择测试仪中相应的测试模式,如电流、电压等。
4.设置测试仪的参数,如测试电流/电压值、动作时间等。
5.开始测试,观察继电保护的动作表现并记录测试结果。
6.根据测试结果进行分析和判断,确定继电保护装置的性能是否符合要求。
7.测试结束后,关闭测试仪的电源开关,并拔下电源线。
注意事项:
1.测试时应注意安全,避免电击、触电等危险情况。
2.测试前应先了解待测继电保护的类型和特性,以便选择正确的测试模式和参数。
3.测试结果应准确无误,如有误差应及时进行重新测试。
4.测试仪的保养和维护应按照说明书的要求进行,以保证测试仪的正常使用和长期稳定性。
- 1 -。
如何正确操作微机继电保护测试仪进行测试?如何正确操作微机继电保护测试仪进行测试?是一种用于测试电力系统中的微机电保护装置的设备。
以下是操作微机电保护测试仪进行测试的基本步骤和注意事项:1、准备工作:确保测试仪器处于良好的工作状态,并经过校准。
熟悉被测保护装置的技术参数和操作手册。
2、连接测试仪器:将测试仪器的电源连接到可靠的电源插座,并确保电压稳定。
使用适当的连接线将测试仪器与被测保护装置相连。
3、配置测试仪器:打开测试仪器,按照其操作界面上的指示进行设置和配置。
输入被测保护装置的相关参数,例如额定电流、额定电压等信息。
进行测试:根据被测保护装置的类型,选择合适的测试模式和方法。
调整测试仪器的输出信号,如电流和电压,以符合被测保护装置的工作条件。
按下开始测试的按钮或命令,让测试仪器向被测保护装置发送相应的测试信号。
5、微机继电保护测试仪结果分析:观察测试仪器的显示界面,记录测试结果和反馈信息。
根据被测保护装置的规格和标准,评估测试结果的合格性。
分析测试结果,检查保护装置是否按照设计要求正确工作。
6、故障排除:如果测试结果不符合预期或出现异常情况,首先检查测试仪器的配置和连接。
确认被测保护装置的设置是否正确,并检查其电源和信号输入是否正常。
参考测试仪器和保护装置的用户手册,进行故障排除和维修。
7、安全注意事项:在操作测试仪器之前,确保了解相关的安全规范和操作要求。
使用绝缘手套和其他个人防护设备,以防止触电和其他意外事故。
注意避免与高电压部件直接接触,并确保正确地接地测试仪器和被测装置。
微机继电保护测试仪正确使用步骤和原理微机继电保护测试仪正确使用步骤和原理,前期已经为大家介绍过很多次,但是汇卓电力抱着认真负责的态度,还是在这里,为大家再次讲解微机继电保护测试仪正确使用步骤和原理。
使用方法一、正确步骤分为主回路和辅回路两个回路,主回路采用大旋钮调节,辅回路采用小旋钮调节,主回路通过面板上“输出选择“按键开关控制其输出的各种量,并且每切换一种输出的同时,仪器上的数字电压/电流表可自动监视其输出值。
辅回路通过输出开关控制直接调节输出,测量可外附万用表测量。
二、回路原理1、输入的AC220V电源经保险通过输出控制继电器K1进入双碳刷调压器T1输入端,通过T1大旋钮调节的电量进入隔离变压器T2(兼职升流器),升流器分三个抽头输出,一个抽头为AC0-250V输出,额定电流为3A;该抽头输出电压经整流滤波后可输出0-350V直流电压;第二个抽为15V(10A),该抽头一路经传感器通过继电器控制输出0-10A交流电流,一路经电阻输出0-500mA交流电流,一路经继电器转换可输出0-10A或0-500mA直流电流;第二个抽头为10V(100A)大电流端,该抽头穿过传感器一次侧直接输出100A电流,该回路带负载能力较强,但输出稍有过载,不能长时间处于大电流状态下。
热继电器校验仪继电保护测试仪器辅回路,继电保护测试仪器辅回路与主回路一样,AC220V电源经保险进入双碳刷调压器T1小旋钮调节的电压量,通过隔离变压器T4可直接调节输出0-20V或0-250V交流电压或0-350V直流电压,此回路额定电流为1A。
按下辅回路“输出控制”开关,调节小旋钮即可输出。
2、测量回路由大旋钮调节的主回路输出量交流“0-250V“、“0-500mA”、“0-10A“、“0-100A”,直流“0-350V“、“0-500mA”、“0-10A“通过设备内线路板上继电器转换,每切换一个档,便函可监视所对应的输出量。
其中“0-500mA”档包括在“0-10A“档中。
继电保护装置线路保护试验方法.docx和幻想的话,即使再大的才能也只是砂地或盐池,那上面连小草也长不出来的。
继电保护装置线路保护试验方法DEWJB-6H 六相微机继电保护测试仪装置有8 路开入和 4 路开出,六相微机继电保护测试仪开关量输入电路可兼容空接点和0~250V 电位接点,电位方式时,0~6V 为合,11~250V 为分,微机继电保护测试仪开关量可以方便地对各相开关触头的动作时间和动作时间差进行测量,六相微机继电保护测试仪是继保工作者得心应手的好工具。
线路保护这个测试模块汇聚了线路保护各个试验项目的定值校验。
进行某项目测试之前,要注意及时进行软压板的投退,以防试验受到其他因素影响。
该模块提供了阻抗定值、零序电流定值、负序电流定值的校验以及z/t 动作阶梯、自动重合闸及后加速、非全相零序保护定值校验、工频变化量阻抗元件定值校验、最大灵敏角测试等八个测试项目。
在一个测试模块中汇集了几乎所有的高、低压线路保护测试项目人生的磨难是很多的,所以我们不可对于每一件轻微的伤害都过于敏感。
在生活磨难面前,精神上的1坚强和无动于衷是我们抵抗罪恶和人生意外的最好武器。
和幻想的话,即使再大的才能也只是砂地或盐池,那上面连小草也长不出来的。
能校验检同期重合闸、非全相、工频变化量阻抗等复杂的保护功能第一节:界面说明测试项目先选中一个测试项目,然后点击“添加” 按钮,在打开的对话框中设置该测试项目的试验参数,选择“确认”后,试验数据将添加到下面的参数窗口。
然后可以再选中另外一个测试项目,进行同样的参数设置和添加操作。
一次试验可以添加多个测试项目,试验时按参数列表的顺序依次分别进行测试。
当需要删除参数列表中某一行的试验参数,可以先选中这一行,然后点击“删除选定行”按钮;若需要删除参数列表中全部的试验参数,可以直接点击“删除所有行”按钮。
通过点选“ R-X ”、“ Z-T ”来改变右图的坐标,实现不同的显示方式。
试验参数在试验参数页中设置各个测试项目的一些公共试验参数。
六相微机继电保护测试仪试验步骤
开机步骤
1、首先将测试仪电源线插入AC220V电源插座上,开启主机电源,工控机启动WindowsXP操作系统,启动完毕后,主机自动进入测试仪软件主界面。
2、然后开启功放电源开关,接好电流、电压回路,有必要也要接好开入量,选择相应软件模块进行试验。
注意事项:
①当连接电流回路时,可能会出现打火现象,这是正常的,不必担心。
电流回路有20V左右的直流电压。
当回路短接后,此电压自动消失。
如果想不出现打火现象,可关闭功放电源开关,再接电流回路的线,接好以后再开启功放电源开关,这样就可避免出现打火现象。
②检查接线是否正确。
当电流开路指示灯亮起红灯时,说明该相电流回路接线有误;当电压短路指示灯亮起红灯时,说明该相电压回路接线有误。
电压短路指示灯是不能自行恢复正常的。
当电压回路排除故障后,应关闭功放电源,暂停20秒后再开启功放电源,这时,电压短路灯没有亮起红灯,则说明接线正确。
关机步骤
1、首先关闭功放电源开关。
2、然后关闭测试软件菜单。
在【开始】栏里点击【关机】,当Windows操作系统提示【可以安全关机了后,再关闭主机电源,并拨下相关测试连接线,最后将仪器装入包装箱。
键盘功能及使用方法:
BS880型装置的键盘和鼠标如所示:
键盘按键的红色字体为*功能,黑色字体为第二功能。
*功能以输入阿拉伯数字为主,第二功能以输入26个英文字母为主。
【Fn】为功能切换键,当【Fn】按下一次,Fn指示灯发亮,表示目前使用第二功能,当再按下一次【Fn】时,Fn指示灯灭,表示目前使用*功能,默认状态是*功能状态。