隐患排查治理档案表
- 格式:doc
- 大小:145.50 KB
- 文档页数:7
收费站安全生产隐患排查表1、安全生产事故隐患排查治理登记表如何填写?安全隐患治理规定安全生产隐患排查报告治理登记表填表单位(盖章):单位名称主要负责人安全管理部门经济类型自定整改期限单位地址联系电话负责人电话从业人员人数预投资额手机电子邮箱实际投资邮政编码排查日期报告日期所属行业隐患分级填表日期:年月日整改责任人排查人报告部门上年销售收入完成日期隐患基本情况治理措施监控措施说明行业领域划分:危险化学品、烟花爆竹、煤矿、非煤矿山、石油天然气开采、冶金、有色、民爆、旅游、机械、轻工、纺织、烟草、贸易、道路运输、公路养护、水运、铁路运输、航空公司、机场和航油企业、渔业、农机、学校、商场、建筑、水利、电力、邮政、电信、林业、军工、旅游、其它。
表格填写报送:此表由企业填写,立即完成整改的隐患,本单位存档一份,不上报;限期整改(含有部门限期整改)的一般以上隐患一式三份,本单位存档一份,报县级安监部门、行业监管部门各一份,县安监部门、行业主管部门按分级管理原则,将复印件留存,原件上报上级部门。
填表人(签名):部门负责人(签字):单位负责人(签字):安全生产隐患排查报告治理登记表填表单位(盖章):填表日期:年月日1、安全生产事故隐患(以下简称事故隐患)是生产安全事故的根源。
没有事故隐患就没有生产安全事故发生。
消除事故隐患就是消除生产安全事故。
下面对事故隐患的定义分类等进行简要分析,帮助我们在日常工作中对事故隐患进行认定和处置。
2、事故隐患,是指生产经营单位违反安全生产法律、法规、规章、标准、规程和安全生产管理制度的规定,或者因其他因素在生产经营活动中存在可能导致事故发生的物的危险状态、人的不安全行为和管理上的缺陷。
此定义是《安全生产事故隐患排查治理暂行规定》法定的。
仔细分析,这一定义有优点也有不足。
3、重大事故隐患是指可能导致重大人身伤亡或者重大经济损失的事故隐患,加强对重大事故隐患的控制管理,对于预防特大安全事故有重要的意义。
安全生产隐患排查治理档案企业需要建立风险分级管控和隐患排查治理两个体系,以确保安全生产。
其中,隐患排查治理建设档案是重要的管理工具,包括以下内容:1.隐患排查管理制度;2.隐患排查表;3.隐患排查计划;4.隐患排查记录;5.隐患排查治理通知单;6.隐患排查治理记录;7.隐患排查治理公示;8.一般隐患登记及整改销号审批样表;9.重大安全生产隐患登记及整改销号审批表;10.隐患排查清单;11.事故隐患分类汇总表。
企业应根据实际情况自行制定隐患排查管理制度,并与风险分级内容相结合。
隐患排查表包括排查时间、负责人、参与人员、排查范围、排查内容、排查结果、排查标准等内容,以便对隐患进行全面排查。
隐患排查计划应明确排查目的、要求、内容、频次、负责人等信息,以确保排查工作的有序开展。
隐患排查记录应包括检查日期、参加人员、检查情况及存在问题、处理措施及意见、组织检查人、记录人、受查单位或部位等信息。
隐患排查治理通知单应明确整改部门、整改责任人、整改要求等内容,以促进隐患的及时整改。
隐患排查治理记录应包括检查区域、检查人员、检查记录序号、发现问题、责任部门、处置措施、时间要求、检查类型、检查时间等信息。
隐患排查治理公示表应包括单位名称、隐患内容、所在区域、整改要求、责任人、完成时间等内容,以确保公示的及时性和有效性。
一般隐患登记及整改销号审批单和重大安全生产隐患登记及整改销号审批表应包括隐患编号、责任单位、隐患名称、发现时间、整改责任人、地点、整改完成时间、隐患情况、整改情况、单位分管领导意见等信息。
最后,隐患排查清单应包括排查时间、隐患排查类别、排查负责人、隐患排查范围、排查情况等内容,以便对隐患进行全面排查。
一般隐患和重大隐患以下是事故隐患分类汇总表,其中包括单位、类别、年月日、序号、发现时间、隐患名称和隐患地址。
每个隐患都有基本情况、整改目标、要整改的责任人、整改督办单以及整改完成情况。
我们需要求出位于哪里以及责任人是谁,以及整改完成的时间。
隐患排查治理档案表概述隐患排查治理档案表是一份用于记录和管理企业隐患排查治理情况的表格,主要包括隐患描述、责任单位、整改措施、完成时间等信息,旨在确保企业内部隐患排查治理工作的规范化和有效性。
编制目的根据国家相关法律法规和企业安全生产管理要求,落实企业安全生产管理制度,建立起全面、科学、系统的安全生产管理档案管理体系,记录和管理隐患排查治理情况,进一步明确各级责任,确保企业安全生产管理工作的全面、有序、有效、可考核。
编制依据1.《中华人民共和国安全生产法》2.《国务院办公厅关于做好安全生产事故隐患排查整治工作的通知》3.企业安全生产管理制度编制要求1.标题:隐患排查治理档案表;2.总表编号:每个表格需有唯一的编号,用于统计、查找和管理;3.表格设计:表格结构清晰明确,信息录入要求统一规范;4.填报标准:填报内容应紧密结合实际,规范词语表达,严格按照制度要求履行;5.定期更新:表格需定时更新,确保隐患排查治理工作的实时性;表格内容序号隐患描述责任单位整改措施完成时间备注1管道堵塞生产一部清理管道、增加巡检频次2022年1月15日无2电气接线老化维修二部更换老化电缆、增强检修频次2022年3月30日需要更换电池3紧急疏散安全通道不畅通安保部清理安全通道、加强疏散演练2021年12月31日无4机器设备缺乏安全护栏生产一部安装安全护栏、加强检查2022年1月15日有后续整改计划5雨天车间停车场积水严重物资部加强排水、加大降雨蓄水沟的抽水频率2022年4月15日无备注1.隐患描述:准确简要描述隐患具体情况。
2.责任单位:应明确隐患的责任主体,确保责任单位按照整改要求积极开展整改工作。
3.整改措施:明确隐患排查治理措施,严格执行整改要求,确保整改效果。
4.完成时间:按照整改计划明确整改完成时间,确保整改工作按照计划开展。
5.备注:隐患排查治理工作中需要记录的其他信息。
结论隐患排查治理档案表是企业安全生产管理制度中的重要内容,是确保企业安全生产的基础。
隐患体系治理排查表文档编制序号:[KKIDT-LLE0828-LLETD298-POI08]
目录表1、公司级综合安全检查表
表2、车间级综合安全检查表
表3、班组(工段)级综合安全检查表表4、日常安全检查表
表5、电气设备(专业)安全检查表表6、防火防爆及消防安全检查表
表7、压力容器、压力管道安全检查表表8、危险化学品安全检查表
表9、特种设备与机械设备安全检查表表10、季节性安全检查表
表11、监测仪表安全检查表
表12、厂房、建筑物安全检查表
表13、节假日安全检查表
表1 公司级综合安全检查表
检查人:检查时间:
表2 车间级综合安全检查表
检查人:日期:
表3 工段(班组)级综合安全检查表
检查人:日期:
表4日常安全检查表
表5电气设备(专业)安全检查表
表6 防火防爆及消防安全检查表
表7 压力容器、压力管道安全检查表
表8 危险化学品安全检查表
检查人:检查时
表9特种设备与机械设备安全检查表
表10季节性安全检查表
表11 监测仪表安全检查表
表12 厂房、建筑物安全检查表
表13节假日安全检查表
文件修改状态记录。
企业风险分级管控和隐患排查治理两个体系建设
隐
患
排
查
治
理
档
案
企业隐患排查治理建设档案目录
1、隐患排查管理制度
2、隐患排查表
3、隐患排查计划
4、隐患排查记录
5、隐患排查治理通知单
6、隐患排查治理记录
7、隐患排查治理公示
8、一般隐患登记及整改销号审批样表
9、重大安全生产隐患登记及整改销号审批表
10、隐患排查清单
11、事故隐患分类汇总表
隐患排查管理制度
(各企业根据企业实际自行制定,一定要与风险分级内容相结合)
隐患排查表
年隐患排查计划
隐患排查记录
检查日期:年月日
隐患排查治理通知单
(XX)安责改字[2016]第XX号
本通知书一式两份,一份交整改部门,一份交安环部备案保存
隐患排查治理记录
隐患排查治理公示表
一般隐患登记及整改销号审批单
隐患编号:NO
重大安全生产隐患登记及整改销号审批表
隐患编号:NO
2-9
隐患排查清单
2--10
事故隐患分类汇总表
单位:类别:年月日
2--11。
2024年施工现场安全隐患排查治理检查表1:安全生产责任制:(1)项目各岗位安全生产责任制已建立(2)履行责任制交底签字手续(3)制定对责任制的考核奖惩制度或办法(4)有考核记录2:安全操作规程:(1)项目部制定各工种或各分部工程安全技术操作规程(2)操作规程在作业部位进行悬挂3:目标管理:(1)制定了安全及文明施工与环境保护管理目标(2)并对目标进行有效分解4:施工组织设计:(1)在施工组织设计中有针对工程特点的安全技术措施(2)对专业性强、危险性大的作业项目编制了专项施工方案(3)编制了应急救援预案(4)履行编制、审核、批准的程序,并经总监理工程师签字认可5:安全技术交底:(1)作业人员进场综合安全技术交底(2)在施工方案的基础上进行安全技术交底(3)对操作者的安全注意事项进行安全技术交底,交底要有针对性,双方签字确认6:安全检查:(1)制定定期安全检查制度(2)按定期安全检查制度的时间和内容进行安全检查并进行记录(3)对检查出的隐患制定措施,定人定时进行有效整改,并记录7:安全教育:(1)建立三级安全教育卡,并按现场人员名册填写(2)经常性安全教育情况(3)各工种及变换工种的安全操作技能等安全教育情况8:班组活动:(1)分班组的安全活动记录9:持证上岗:(1)项目经理、安全员持安全生产知识考核合格情况,安全员的配备符合要求(2)特种作业人员名册及与之对应的上岗证复印件,特种作业人员无过期情况。
其他操作工由企业培训发证上岗建立档案。
10:工伤事故:(1)建立伤事故档案,填写《伤亡事故月报表》,发生伤亡事故的按规定上报11:安全标志:(1)按平面布置安全标志(2)安全文明施工实施细则履行了审批手续(3)安全标志有专人维护与管理12:应急救援预案建立及演练:(1)应急救援预案有编制审核批准手续(2)应急救援预案内明确组织机构通讯方式、物资设备等(3)应急救援预案在现场显著位公示(4)演练情况2024年施工现场安全隐患排查治理检查表(二)一、基本信息1. 项目名称:2. 施工地点:3. 施工单位:4. 工程规模:5. 检查日期:二、现场管理1. 现场管理人员是否按要求进行岗前培训并持证上岗?2. 现场是否设置专职安全管理人员?3. 安全生产管理制度是否完备并公示在明显位置?4. 现场是否设置了“三同时”验收标志?5. 是否按要求保留了重点工序、重大危险源、特种工种安全技术措施批准手续?三、施工现场环境1. 施工现场周边是否存在噪音、扬尘、有害气体等污染?2. 施工面是否存在塌方、坍塌、滑坡等地质灾害隐患?3. 施工现场是否有明确的道路、安全出入口和安全通道?4. 施工现场是否设置了合适的防护设施,如防护网、防护栏等?5. 施工现场是否有明确的防火、防雷等措施,并设置相应的消防设备?四、施工作业安全1. 吊装作业是否按照相关规定进行,吊装机械是否合格并进行定期检查?2. 施工现场是否存在电气设备安全隐患,如线路老化、漏电现象等?3. 施工现场是否存在高空坠落、触电、机械伤害等风险,并进行相应的安全措施?4. 施工人员是否佩戴必要的个人防护用品,并进行定期检查和更换?5. 施工机械设备是否经过合格验收并进行定期维护保养?五、消防安全1. 施工现场是否设置了合适的消防器材,并保证其完好有效?2. 施工现场是否设置了明显的消防安全标识和逃生指示标志?3. 施工现场是否有消防安全演练计划,并对施工人员进行定期培训?4. 施工现场是否存在易燃易爆物品的存储和使用偏差,是否存在违规施工现象?六、安全教育培训1. 施工现场的工人是否在进场前接受了必要的安全教育培训?2. 施工现场是否定期组织安全教育培训,是否有相应的教育培训记录?3. 施工现场是否设有安全警示标语、宣传栏,并保持良好的效果?4. 施工现场是否建立了安全意识和责任感的培养机制?七、其他安全隐患1. 施工现场是否存在乱堆乱放、物料滞留问题?2. 施工现场是否存在未设置安全警戒线、标志和围挡的情况?3. 施工现场是否存在施工高处安全措施不到位的问题?4. 施工现场是否存在各类消防通道和安全通道被堵塞的情况?5. 施工现场是否存在违规操作、交通秩序混乱等问题?八、整改措施1. 针对发现的安全隐患,制定整改措施和时限,并明确责任人。
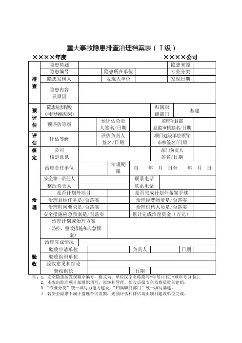
重大事故隐患排查治理档案表(Ⅰ级)
××××年度××××公司
2. 本表由监理项目部组织填写、流转和管理,验收后报安全监察质量部建档。
3.“专业分类”统一填写为电力建设,“归属职能部门”统一填写基建。
4 .若安全隐患不属于监理合同范围,则预评估和评估均由项目建设单位完成。
表2
重大事故隐患排查治理档案表(Ⅱ级)
表3
一般事故隐患排查治理档案表
表4
安全事件隐患排查治理档案表
2. 本表由监理项目部组织填写、流转和管理,验收后报安全监察质量部建档。
3.“专业分类”统一填写为电力建设,“归属职能部门”统一填写基建。
4 .若安全隐患不属于监理合同范围,则预评估和评估均由项目建设单位完成。
表5
安全隐患排查治理一览表
(20××年1月-××月)
填报单位:填报日期:年月日
表6
安全隐患排查治理情况月报表
注:统计数据为每年1月以来的累计数据。
列入治理计划的重大隐患和往年未完成治理的重大隐患须另附简要文字说明。
附件2022年档案安全风险隐患检查表检查项目检查内容风险描述自查情况佐证材料索引一、档案实体安全1.1档案库房设施设备配备“八防”要求档案库房是否配备齐全防火、防盗、防潮、防水、防日光及紫外线、防尘、防污染、放有害生物等设施设备,是否安装监控和门禁设施,消防设施设备、监控报警系统是否能够正常工作;电气线路、水暖管道、机电设备是否安全,日常维护保养是否及时,是否有效避免设施设备配备不全,或设施设备不运行或者尖端运行带来的安全隐患。
我公司档案室按照“九防”要求,各项安全设施配备齐全,且均在4年以内,保证各项设施设备安全有效运转。
建立定期安全检查,委托办公楼物业公司每天对各项安全隐患进行排查,并做到责任到人。
档案室内已配备灭火器(烟感)两部,位于档案室的东北部和东南部拐角处。
档案室内配有带有门禁装置的防盗门,室内采用中央空调一体机,一体机已集成新风系统,以便更好做到防潮,防紫外线、可做到防潮、防空气污染及pm2.5。
档案室位于公司总部办公楼内,与整个办公楼的给排水系统相同,楼内24小时保安执勤,每天三次对消防设施设备监控报警系统进行检查,保证其正常使用。
整幢办公楼于2018年装修完成,电气线路、水暖管道、机电设备都保持良好,保持程度较新,完全可以有效避免设施设备不全或者设备不运行或者尖端运行带来的安全隐患。
1.1-1(a,b,c,d,e,f,g)防火(灭火器)等装置1.1-2a防盗(门禁、门牌)1.1-3防潮、防水、防污染1.1-4防有害物生物(防鼠板)1.1-5值班安全检查记录1.1-6各种安全应急装置1.2档案库房功能档案库房是否有出租、出借改作他用的情况,是否存在危及档案安全的因素。
档案库房为我公司自建案库房,位于公司总部办公楼2层,地面基础设施均进行特殊承载加重处理,保证了楼层之间的主体结构的安全稳固。
档案室室内面积均300平方米,完全满足我公司档案日常存放功能。
并无出租、出借改作他用的情况,没有存在危及档案安全的因素。
安全生产隐患排查治理档案1、急求安全工作档案和隐患排查台帐管理制度企业安全管理台帐、档案(建议目录)为进一步加强安全生产管理基础工作,促进企业安全生产管理台帐的标准化、规范化,企业应建立13本安全生产安全管理台帐、6本档案和一本安全活动记录。
即安全生产会议台帐、安全生产组织网络台帐、安全生产宣传教育和培训台帐、安全生产检查台帐、安全生产隐患治理台帐、安全生产事故管理台帐、安全工作考核与奖惩台帐、消防安全管理台帐、职业安全卫生台帐、安全防护用品台帐、事故预案台帐、关键装置重点部位台帐、安全设备安技装备台帐;安全生产责任制档案、安全生产管理制度档案、安全生产操作规程档案、安全评价档案、特种设备特殊工种人员档案、安全学习资料档案;安全活动记录。
1、安全生产会议台帐包括:安全生产相关文件的传达、学习和贯彻情况。
具体记载会议名称、内容、时间、地点、参加人员、主持人、会议具体事项及处理结果等。
2、安全生产组织网络台帐包括:企业安全生产领导小组、本单位专(兼)职安全生产管理人员和从上到下的管理网络及具体人员。
3、安全生产宣传教育和培训台帐包括:安全生产教育记录、安全生产宣传记录、安全生产培训记录。
具体记录企业负责人、安全管理人员、企业安全生产全员培训、新进厂职工、特种作业人员安全教育及培训考核情况(安全教育培训时间、地点、培训人、被培训人、教育培训内容、考试时间、考试成绩等,考核试卷要存档。
经过安全教育的人员要有本人签名)。
4、安全生产检查台帐包括:日常安全生产检查记录、专项整治检查记录。
具体记录企业安全生产检查情况(每月一次大检查,每周一次常规检查,除此之外还要按照专业特点、根据季节变化、节假日安排以及特殊作业要求,开展专项检查;检查时间、检查内容、检查人、检查出的问题、整改措施、完成时间等)。
5、安全生产隐患排查治理台帐包括:安全生产隐患排查记录及整改记录情况。
(要按照“五定”原则进行)。
6、安全生产事故管理台帐包括:各类事故资料情况。
单位安全生产隐患排查表
单位安全生产隐患排查表(1000字)
序号部门/工段隐患描述隐患等级隐患整改措施负责人完成时间
1 行政部办公室通道堆放杂物一般
清理通道张经理 3天
2 仓库部危险品存放不规范重大
定期检查李主管 1周
3 生产车间机械设备维修不及时较大
加强设备维护杨技术员即时
4 人力资源部培训记录不完整一般
完善培训档案王主任 2周
5 安全保卫部出入口防护设施不完善较大
安装监控设备杜安全员 1个月
6 广告宣传部户外广告牌存在倾斜情况较大
立即加固广告牌张经理即时
7 财务部电线杂乱放置一般整理电线王会计 1周
8 采购部劣质原材料采购重大加强供应商管理李采购员即时
9 咨询服务部电脑保密措施不严密重大
加强网络安全赵工程师即时
10 生产车间环境噪音超标较大
增加隔音设备杨技术员 2周
11 人力资源部劳动合同过期未及时签订较大
提醒员工续签合同王主任 1个月
12 财务部会计凭证记录错误一般
加强会计培训王会计 2周
13 仓库部堆放物品超标高度一般
加强物品整理李主管 1周
14 安全保卫部防火器杂物堆放不规范一般
清理防火器杂物杜安全员 3天
15 行政部电线老化破损较大更换老化电线张经理即时
本单位安全生产隐患排查表已列出15个隐患,为保障安全生产,下一步每个负责人在规定时间内完善隐患整改措施,确保各项安全措施的及时落实。
附件1事故隐患排查治理工作流程图
附件2重大事故隐患排查治理档案表
注:1、本模板中默认10工作表,请按顺序填写,如果隐患比较多,可以增加页签,如果不足10个,请将多余的删除。
2、所有工作表格式均按A4纸排版,请勿拖动行宽、行高、及修改工作表名称,以免造成导入、统计时产生错误。
3、事故隐患按发现顺序编号,格式为:单位汉字名称简写+4位年号+4位顺序号(如:单位简称20090001),如果不按照格式填写,可能无法直接导入,需要手工录入。
4、本表由事故隐患所在单位负责填写、流转和管理,验收结束后报安全监察部门建档。
5、隐患所在单位和发现人单位,应该与安全监督与管理系统中的单位名称一致。
6、所有日期必须是yyyy-MM-dd格式,年份必须填写,而且必须是4位,否则无确导入。
7、预评估等级和评估等级必须填写,否则统计的数据有误。
附件3 一般事故隐患排查治理档案表
注:1、本模板中默认10工作表,请按顺序填写,如果隐患比较多,可以增加页签,如果不足10个,请将多余的删除。
2、所有工作表格式均按A4纸排版,请勿拖动行宽、行高、及修改工作表名称,以免造成导入、统计时产生错误。
3、事故隐患按发现顺序编号,格式为:单位汉字名称简写+4位年号+4位顺序号(如:单位简称20090001),如果不按照格式填写,可能无法直接导入,需要手工录入。
4、本表由事故隐患所在单位负责填写、流转和管理,验收结束后报安全监察部门建档。
5、隐患所在单位和发现人单位,应该与安全监督与管理系统中的单位名称一致。
6、所有日期必须是yyyy-MM-dd格式,年份必须填写,而且必须是4位,否则无确导入。
7、预评估等级和评估等级必须填写,否则统计的数据有误。
附件4 事故隐患排查治理一览表
(年1月—月)
填报单位:填报日期:年月日
页脚
附件5
电力行业安全生产事故隐患排查治理情况统计表
审核人:填报人:联系:填报日期: 2009年月日
注:1、表中数据关系:(8)小于或等于(5)—(6);(9)、(10)、(11)、(12)、(13)分别小于或等于(8)。
2、统计数据为2009年1月以为的累计数据。
页脚。