新版供应商风险评估.pdf
- 格式:pdf
- 大小:103.57 KB
- 文档页数:11
新版GMP——风险评估SOP-特别适⽤XXXX药⼚有限公司1. ⽬的建⽴药品⽣产质量风险评估标准操作规程,规范产品⽣产质量风险点的评估、控制及审核操作⾏为,从⽽降低药品的质量风险。
2. 范围适⽤于本公司产品⽣产风险点的质量风险评估、控制及审核管理,包括供应商管理的风险评估、⽣产过程风险点的评估、检验风险点的评估、空调系统风险点的评估、⼯艺⽤⽔制⽔系统风险点的评估等。
3. 职责3.1⾼层管理者:负责各部门间的质量风险管理协调;确保质量管理风险机制的建⽴,确保相应的资源保障。
3.2质保部:负责组织进⾏质量风险评估、控制及审核协调、管理等相关事宜。
3.3风险评估⼩组:负责药品⽣产各环节质量风险评估。
3.4各职能部门:负责本制度的实施。
4. 内容4.1药品⽣产质量风险分析标准操作规程概述4.1.1选择的风险分析模式:应⽤失败模式影响分析模式(FMEA对质量风险点各环节进⾏风险评估。
4.1.2进⾏风险分析后出具各环节的风险分析报告,并经风险评估组审核、总⼯程师/质量受权⼈批准后执⾏。
4.2风险分析流程4.2.1风险识别:对药品⽣产的各环节(包括供应商管理的风险评估、⽣产过程风险点的评估、检验风险点的评估、空调系统风险点的评估、⼯艺⽤⽔制⽔系统风险点的评估等)中的关键点进⾏分析,找出质量风险点,然后进⾏失败模式风险分析,找出各个关键点(质量风险点)⽣产过程中的风险关键点。
4.2.2风险分析:应⽤失败模式效果分析,识别潜在的失败模式,对风险的严重程度(SEV)、发⽣⼏率(OCC和发现的可能性评分(DET ,评分实⾏10分制,即从低到⾼依次评分为1、2、3、4、5. 6、7、8、9、10分.如表1、表2、表3所⽰。
表1:风险的严重程度(SEV 评分制(10分制)对⽣产线造成较⼩的破坏,可能需对产品进⾏挑选,部分产品进⾏返⼯。
有⼀半到⼤部分的顾客可以发现这些缺陷。
对⽣产线造成微⼩的破坏,部分产品需进⾏返⼯。
但很少有顾客可以发现到缺陷,或者对产品⽆影响,客户很难发现到缺陷。
凤凰制药标准管理规程(S M P)题目:供应商质量风险等级评估标准管理规程编号:起草/日期:年月日页次:1/6复核/日期:年月日颁发部门:质量管理部批准/日期:年月日生效日期:年月日分发单位:与药品生产、质量有关的各部门1、目的:运用风险管理的理念,对所有原辅料、包装材料的供应商的质量体系及所供物料质量表现进行分析。
各供应商评估结论作为质量管理和物料采购等相关部门审批供应商的依据。
加强对高风险供应商的审计和控制措施,当有记录证明该供应商有产品质量检验缺陷或不合格项或造成质量事故时,必须按照新供应商审计的质量体系标准,启动审计和审批程序,确保物料质量稳定可靠。
2、人员组成与职责分工表1:供应商质量风险等级评估小组人员名单及分工姓名职务职责王晓质量受权人组织人员成立风险评估小组,实施风险识别、评估,分析、评估供应商质量管理体系和物料质量评价并提出风险控制措施,并形成风险控制措施及评估报告刘武强财务经理负责分析、评估供应商质量管理体系和物料质量评价并提出风险控制措施,许留霞中心化验室主任负责分析、评价供应商所供物料的质量评价部分,提出风险控制建议。
赵志刚车间主任负责分析、评价供应商所供物料的质量评价部分,提出风险控制建议。
赵勇质量部经理负责分析、评估供应商质量管理体系和物料质量评价并提出风险控制措施,形成评估报告徐梦洁质量部QA王西强生产技术总监负责分析、评价供应商所供物料的质量评价部分,提出风险控制建议。
姚丽云生产部经理五、供应商质量风险等级评估标准供应商质量风险等级分为优/良/可/差四级,其中优-风险很小,良-风险小,可-风险中等,差-风险大。
1、按质量保证体系和年度质量表现两部分分别进行评估,然后根据评估结果进行综合评价,给出供应商质量风险等级优/良/可/差四级。
(1)不合格供应商质量风险等级自然为差。
(2)当年审批的新供应商质量风险等级最高为可。
(3)已经经过审计和审批的供应商在长期停止供货一年以上以后再次供货的,其质量风险等级最高为可。
供应商风险评估表(2)3333334443223553232223323供应商名称SupplierName:注册地址Registeredaddress:⽣产地址Manufactureaddress:联系⼈Contact:联系电话telephon风险类别Risktype项⽬Item内容Content标准分值Standardscore结果resulet⾼high/A(×1)中middle/B(×0.4)低low/C(×0.1)风险risk分值scorescore⼩计subtotal质量风险QualityRisk历史情况Historysistuation过去⼀年的历史情况TheSituationinlastyear审核后的不符合项超过5项和/或有重⼤不符合项5findingsormoreand/ormajorfinding审核后的⼀般不符合项少于4项theminorfindingsnotmorethan4审核后没有不符合项Nofindingwasbefound有超过3项不符合项超期未关Therearemorethan3nonconformanceoverdue有3项或以下的不符合项超期未关thereare3orlessnonconformanceoverdue纠正措施的项⽬均按期完成Allcorrectiveactionhadbeenclosedontime达到或超过3批次的质量偏差qualitydeviationhappened3timesormore有2批次或以下的质量偏差qualitydeviationhappened2timesorless没有偏差Noqualitydeviation有产品召回HaveProductrecall——⽆产品召回Noproductrecall有超过3次的返⼯3timesormorebachrework2次或以下批次返⼯2timesorlessbachrework没有返⼯Norework有两次以上客户投诉系⽣产和质量体系的缺陷所致Customercomplaintswereleadedbyproductionorqualityproblemstwiceormore.⼀次客户投诉系⽣产控制和质量体系的缺陷所致Productionorqualityproblemsleadtocustomercomplaintsonce.所接到的投诉均⾮⽣产控制和质量体系缺陷所致Allcustomercomplaintsdidn''tbeleadedbyproductionorqualityproblem.质量条款Qualityterms合同或协议中的质量条款Qualitytermsincontractoraggrement.不愿意接受质量条款Notwillingtoacceptqualityterms执⾏个别质量条款不及时Implementationofindividualqualityprovisionsisnottimely严格执⾏质量条款要求Strictlyimplementallrequirementsofqualityterms实际产品质量与质量条款有重⼤的偏差Therearesignificantdeviationsbetweentheactualproductqualityandqualityterms与质量条款有重⼤的偏差Thereisasignificantdeviationfromtheindividualqualityterms.没有质量条款Noqualityterms质量条款内容不完善Qualitytermsisnotperfect技术能⼒及产品情况Technicalcapabilityandproductstatus对设备、⼚房、⼈员进⾏评估、年产批数及年数Evaluationofequipment,plant,personnel,annualproductionnumberandnumberofyears.设备与技术陈旧Obsoleteequipmentandtechnology⼤部分为新设备与新技术Mostoftheeuqipmentandtechnologyisnew新设施与新技术,⾃动化程度⾼Newfacilitiesantechnology,highdegreeofautomation年⽣产批次3次以下Productionbatchof3timesorlessoneyear年⽣产批次12次以下productionbatchof12timesorlessoneyear年⽣产批次12次以上productionbatchmorethan12timesoneyear产能预留不⾜capacityreserved产能与产量相符capacityandoutoutmatch产能预留充⾜Sufficientcapacityreserve新产品,缺乏经验Newproducts,lakeofexperience产品⽣产2年以上productionmorethan2years产品⽣产5年以上productionmorethan5yearsproductionmorethan5years产品追溯性产品追溯性producttraceability追溯性不好,不能提供追溯性的相关证据Traceabilityisnotgood,can''tprovidetraceabilityoftherelevantevidence追溯性⼀般,不能追溯到某些环节的相关信息traceabilityisingeneral,can''tbetracedbacktocertainaspectsoftherelevantinformation 追溯性好,能追溯到所有产品的任何阶段的相关信息Traceabilityisgood,canbetracedbacktoanyphaseofallproductrelatedinformation质量记录质量⽂件qualityrecord所有产品均不提供质量记录Allproductsdon''tprovidequalityrecords.个别产品不能提供质量记录Individualproductsdon''tprovidequalityrecords每批物料均能提供所有质量记录eachbatchofmaterialhadprovidedqualityrecords与客户的沟通沟通及时性Timelinessofcommunication对影响到客户产品的偏差/变更不能做出有效的反应并通告客户Donotrespondeffectivelytocustomerproductdeviations/changesandnotifycustomers 对影响到客户产品的个别偏差/变更不能做出有效的反应并通告客户Donotrespondeffecitvelytoindividualdeviations/changesandnotifycustomers所有问题都能够按照协议的要求及时有效的与客户沟通Allproblemsareabletocommunicatewithcustomersinatimelyandeffecitve.产品风险productrisk产品类型producttype独家产品exclusiveproduct2个供应商twosuppliers多个供应商Multiplesuppliers商务风险businessrisk⽣产许可的持有者、销售收⼊、供应的市场holderofproductionlicense,salesincome,supplymarket⾮公司所有thecompanyisnotowner公司拥有注册⽂件Companyhasaregisteredfile⽆注册要求Noregistrationreuqired分销distribution代理agent⾃销sales销量⼩的产品smallsalesofproducts————销量⼤的产品largesalesofproducts与国内其他客户合作情况Cooperationwithotherdomesticcustomers没有客户Nocustomer有2家主要客户havetwomaincustomers与3家或以上客户保持合作Keepcooperationwith3ormorecustomers与公司合作年限CopperationwithXIZI新供应商Newsupplier合作2年以内within2years合作3年及以上3ormoreyears物流风险logisticsrisk物流⽅式logisticsmode短期合作的三⽅物流公司shotcooperationwiththirdpartylogisticscompany长期合作的三⽅物流公司long-termcooperationwiththirdpartylogisticscompany ⾃⼰物流theirlogistics仓储storage没有仓库Nowarehouse有租⽤的仓库rentedwarehouse有⾃⼰的仓库ownwarehouse交货风险deliveryrisk交货周期deliverycycle交货周期三个⽉以上morethan3months交货周期三个⽉以内within3months交货周期⼀个⽉以内within1month管理措施Managementmethod⾼风险Highrisk◇每批次物料需严格进⾏检验Eachbatchofmaterialshallbeinspectedstrictly.◇所有采购材料实时跟踪状态Real-timetrackingofallpurchasingmaterials◇每半年年⾄少对供应商进⾏◇每半年年⾄少对供应商进⾏1次实地考察或书⾯调查onetimeon-sitevisitorwrittenrevieweveryhalfayearatleast.中风险middlerisk◇对每批次物料进⾏检验Eachbatchofmaterialshallbeinspected.◇每年跟踪⼀⾄⼆批材料的供料状态Trackofoneortwobatchofmaterialyearly◇每年对供应商进⾏1次实地考察或书⾯审查onetimeon-sitevisitorwrittenrevieweveryyear低风险lowrisk◇对每批次物料进⾏检验,若供应商的历史交货质量状况良好,可降低抽样检验频率Eachbatchofmaterialshouldbeinspected,ifthesupplier''shistoricaldeliveryqualityisingoodcondition,couldreducethesamplingfrequency ◇不跟踪材料的供应状态thesupplystatusofthematerialisnottracked◇必要时,可对供应商每两年执⾏1次现场考察或书⾯审查ifnecessary,shoulddoon-sitevisitorwrittedrevieweverytwoyears.风险程度Riskdegree风险程度Riskdegree记录编号RecordNo.表格编号FormNo.:XSIP26-06/B备注:所有风险评估应基于事实的依据,对于新⼊册供应商不适⽤的项⽬可以按中等风险打分note:Allriskevaluationisbasedontheactual,fornewsupplier,someitemwhichcouldnotbeevaluedshallevaluateasmiddlerisk.评估结论:评估分值在15分以下为低风险,15-30分范围内为中等风险,30分以上为⾼风险(代理商得分5分以下为低风险,5-8分为中风险,8分以上为⾼风险)evaluationresult:lowriskwhentheevaluatedscorenotmorethan15,middleriskwhentheevaluatedscorebetween15-30,highriskwhentheevaluatedscoremorethan30(agentsscoring5pointorlessislowrisk,5-8ismiddlerisk,8ormoreishighrisk)供应商风险评估表supplierriskassessmentform备注:代理商仅考虑商务风险、物流风险和交货风险,不考虑其质量风险。
供应商风险评估表1.供应商信息供应商名称:(填写供应商公司名称)供应商类型:(填写供应商类型,如生产商、批发商、代理商等)供应商联系人:(填写供应商联系人姓名)供应商联系方式:(填写供应商联系人电话、邮箱等联系方式)供应商注册地:(填写供应商公司注册地)供应商经营范围:(填写供应商主营业务范围)2.供应商风险评估指标2.1 财务状况资产负债表:评估供应商的资产负债状况,包括流动资产、固定资产、短期负债和长期负债等。
利润表:评估供应商的盈利能力,包括净利润、销售收入、成本费用等。
2.2 经营能力历史业绩:评估供应商的过去业绩,包括交付按时、产品质量、客户评价等。
供应链管理:评估供应商的供应链管理能力,包括物流配送、库存管理、风险控制等。
知识产权保护:评估供应商对知识产权的保护措施,包括专利申请、商标注册等。
2.3 法律合规企业注册信息:评估供应商的企业注册信息,包括注册时间、注册资本、法定代表人等。
证照齐全:评估供应商的营业执照、税务登记证、组织机构代码证等是否齐全有效。
合规标准:评估供应商是否符合国家法律法规以及行业规范的要求。
2.4 风险评估等级根据以上评估指标的综合评价,将供应商风险分级为高风险、中风险和低风险。
3.结论及建议根据供应商风险评估结果,可以向上级领导提出以下建议:1.对高风险供应商加强监控和管理,采取相应的风险控制措施。
2.对中风险供应商进行风险防范措施,加强供应商的监督和评估。
3.对低风险供应商保持正常合作关系,并在必要时进行定期评估。
4.风险评估报告编制人填写报告编制人姓名、联系方式)备注:风险评估表的内容仅供参考,具体评估指标和风险等级可根据实际情况进行调整和完善。
风险评估目录1、质量风险管理概述2、风险评估的目的3、风险评估人员及职责4、物料供应商风险评定及控制5、风险控制措施的确认及剩余风险的确认6、风险的沟通和审核7、风险评估结论1.1、评估原则质量风险管理必须与患者安全和利益联系起来,即站在患者的角度上看问题;管理的 形式、文件记录及所作努力的程度应与风险的水平相一致。
1.2、本次风险评估的目的通过评估,在坚持科学、客观原则的基础上,全面、完整地了解物料供应商的审计, 分析供应商所存在的各种产品质量风险,根据评估结果发现物料存在的产品质量问题,并 对严重的问题提出相应的风险控制策略。
1.3、本次风险评估的范围本次对物料供应商的人、机、料、法、环五要素中可能存在的影响产品质量属性的风 险进行评估。
物料是保证药品质量的基本要素之一,物料的管理特别是供应商的管理在制药企业质 量管理过程中起着越来越重要的作用,供应商的管理体系能够确保在药品生产过程中使用 质量合格的物料和优质的服务。
供应商的管理是物料管理的源头,也是产品质量持续稳定 的关键一环,因此对供应商应严格管理,降低其质量风险,保证药品质量。
企业根据物料性质、物料用量以及将物料对于产品质量影响程度综合考虑物料风险, 对物料进行分级,根据风险评估的结果确认不同级别物料的供应商潜在的风险,从而制定 相应的控制措施以最大限度地降低风险。
依据对物料供应商的风险识别和风险评估,确定不同级别供应商的管理体系,同时对 经确认及采取管理措施后的供应商剩余风险再评价,证实对供应商的风险已进行了有效管 理。
职责组织风险评估小组对风险进行评估确认,编制并提交风险评估报告。
参预风险识别、风险评估、风险控制。
参预风险识别、风险评估、风险控制。
参预风险识别、风险评估、风险控制。
部门/职务 质量保证部 部长 生产管理负 责人 QC 主管 供应部成员4.1、风险识别目的:目的是针对风险疑问或者问题,获得已知和潜在的危(wei )险清单。
目的确认供应商审计的范围及程度,识别供应商及物料采购选择质量风险,对风险进行分级,根据等级大小,进行分析、评估,确保关键风险要素能够得到有效控制,以降低供应商带来的质量风险,并为及时更换供应商提供依据。
范围公司生产品种所涉及的原辅料、包材的供应商均在此风险评估的范围内,重点是评估供应商的质量管理体系和所采购物料的风险等级。
责任质量管理部、供销部内容1供应商风险评估:包括质量保证能力评估、供货历史评估、维护性评估。
2采购物料风险评估:分为关键性物料、影响产品质量物料、不影响产品质量物料等三级质量风险评估。
3风险评估小组组员及职责4风险评估程序启动质量风险管理风险管理工具5 供应商质量风险评估项目、风险分析原则及标准:一、项目确定原则:1.供应商系统设计性能检测项目2.生产工艺设计储存条件对系统的要求3.《洁净厂房设计规范》GB50073-20014. 《药品生产质量管理规范》2010版二、评估标准:根据我公司生产所用的供应商,对供应商相关资质、机构与人员、厂房和设施设备、物料管理、生产管理、质量管理、运输与交货七个重点项目用帕累托图分析法进行分析。
分析供应商所存在的问题,分为3类,A类属于关键问题,累计分数在0~80%;B类问题属于次要问题,累计分数在80%~90%;C类问题属于一般问题,累计分数在90%~100%。
年月日至年月日,风险评估小组人员对供应商系统按照重点项目进行风险评估,各关键要素的风险分析,评估及结果见下表:评分标准0分--------未有文件 ;1分--------手写的程序或文件(未受控) ;2 分--------不足夠,需要改善 ;3 分--------备注,需要关注;4分-------------- 满意;N/A -------------不适用.风险评估表表2 供应商存在问题排列表按以上风险评估得出的审计范围和程度,在验证过程中,应对经评估确定的关键点,进行供应商审计,以证明供应商系统各关键要素能够得到有效控制,能够保证从供应商购买合格的原辅料。
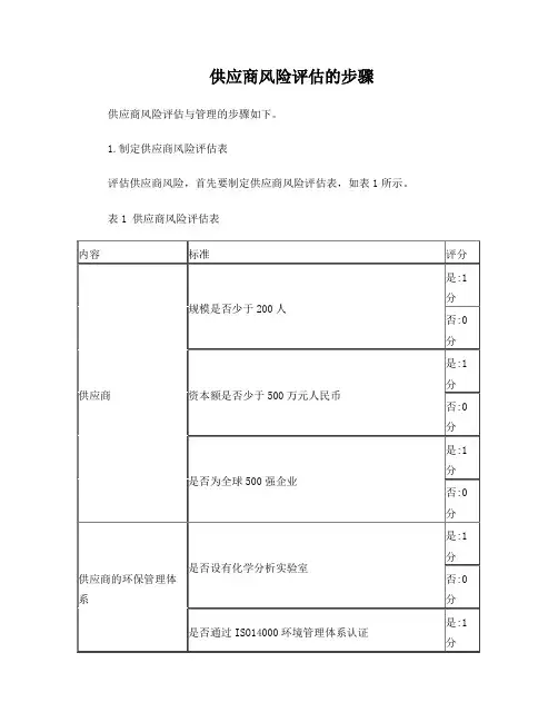
供应商风险评估的步骤供应商风险评估与管理的步骤如下。
1.制定供应商风险评估表评估供应商风险,首先要制定供应商风险评估表,如表1所示。
表1 供应商风险评估表注:QC080000是对目前ISO9000质量管理体系的补充,与ISO9000架构一致,都是全面、系统和透明的管理体系,主要用于对生产制程中的有害物质进行管控。
2.制定供应商风险等级管理措施供应商风险等级的管理措施,如表2所示。
表2 供应商风险等级的管理措施3.评定供应商风险等级由品质工程师根据以上要求,执行最终的风险等级评定,并填写风险评估表;必要时,可根据评估的结果,建立高风险物料清单。
根据表3.30对供应商进行评分,将供应商分为以下高、中、低3个等级。
高风险(红色)。
风险评分为25分以上。
中风险(黄色)。
风险评分为15~24分。
低风险(绿色)。
风险评分为15分以下。
折叠编辑本段供应商风险评估体系的构建1.评估体系的设置原则为保证评估结果的科学合理,在建立风险指标体系时,应遵循以下原则:l)科学性原则。
评价指标体系的设计应包含一定数量和层次的指标,各指标之间的关系应能准确反映事物之间的相互联系,这是实现正确、科学评价的前提和基础。
2)完备性原则。
评价指标体系必须全面、准确地反映涉及企业风险的各个方面,不但能反映企业的历史业绩及现状,而且还能体现企业的合作能力和未来的发展潜力。
3)简明性原则。
在全面反映企业综合水平的基础上,评价指标体系还必须做到简洁明了。
指标体系过大、过细,层次过多,不仅会增加数据采集的成本及操作过程的复杂性,而且势必会将企业的注意力集中到细小的问题上,不利于对企业整体的综合评价。
4)可比性原则。
评价指标体系应反映所有评价对象的共同属性,并尽可能的选用可量化的指标,对于定性指标,则可以通过专家打分或者其他方法给出较合理的定量化的数据,以保证评价结果的可比性。
5)灵活性原则。
评价指标体系应具有足够的灵活性和可操作性,以使企业能够根据自身的特点及其生产经营的实际情况灵活运用。
供应商风险评估的步骤供应商风险评估与管理的步骤如下。
1.制定供应商风险评估表评估供应商风险,首先要制定供应商风险评估表,如表 1所示。
表 1 供应商风险评估表内容供应商供应商的环保管理体系标准规模是否少于 200 人资本额是否少于 500 万元人民币是否为全球 500 强企业是否设有化学分析实验室是否通过 ISO14000 环境管理体系认证评分是:1 分否:0 分是:1 分否:0 分是:1 分否:0 分是:1 分否:0 分是:1 分1否:0 分是:1 分环保意识是否强烈否:0 分是:1 分生产物料是否含有有毒物质否:0 分是:1 分废物排放量是否达标否:0 分是:1 分资源利用效率是否较高否:0 分是:1 分高危物料存在的数目是否巨大否:0 分是:1 分高危物料的操纵情况是否良好否:0 分供应商的物料风险控制能力是:1 分供应商的环保物料检测结果是否达标否:0 分是:1 分过去 5 年中是否由于物料而发生生产事故否:0 分有无产品设计部门是否跟踪客户抱怨投产前供应商是否通过生产件批准程序(PPAP)是否取得 QC080000 认证供应商的生产控制系统是否有证据显示生产控制能力在不断提高客户与供应商是否有明确的沟通方式是否有证据显示平衡了生产时间和创造的"JIT"过去两年是否发生客户投诉事件是否有文件化的程序来控制、校准和保养检验、测量和试验设备是:1 分否:0 分是:1 分否:0 分是:1 分否:0 分是:1 分否:0 分是:1 分否:0 分是:1 分否:0 分是:1 分否:0 分是:1 分否:0 分是:1 分供应商的物料管理系统否:0 分是:1 分对合格品、返工、报废品是否有专用的箱子隔离否:0 分是:1 分有无产品追溯否:0 分是:1 分是否适当标识有疑问的物料否:0 分是:1 分为保证产品质量,供应商内部是否对包装箱进行审核否:0 分是:1 分操作工是否可以掌握生产速度否:0 分是:1 分有无运输经验否:0 分是:1 分有无规定运输方式、路线和考核指标否:0 分是:1 分库存材料是否存储在专用场所否:0 分是:1 分是否有正式的管理评审和汇报物料管理的方法否:0 分是:1 分供应商是否具备使用条形码的能力否:0 分是:1 分物料在存储、应用过程中是否得到有效的标识否:0 分是:1 分为了保证产品质量,原材料的搬运和存储方式是否有具否:0 分是:1 分生产使用前,是否提前知道物料的检验结果否:0 分注:QC080000 是对目前 ISO9000 质量管理体系的补充,与 ISO9000 架构一致,都是全面、系统和透明的管理体系,主要用于对生产制程中的有害物质进行管控。
定性风险评估规则1概述该规则适用于评估潜在的工艺危害事件/事故的风险。
在这个规则中,首先确定事件的后果级别,分1级到4级;然后再评估现有的能阻止事件/事故发生的系统的失效频率,也分1级到4级。
综合后果和频率确定风险等级。
该风险等级用于确定建议措施的优先次序。
2声明本规则只适用于定性风险评估,不能用于定量风险评估。
当某个事件的潜在后果严重或是灾难性时,需慎用本规则。
3评估程序3.1 步骤一应对危害事件/事故进行定义,并对危害事件/事故的后果进行定性评估。
3.2 步骤二应对该事件发生的途径进行评估。
通常情况下,应该使用工艺危害分析方法。
3.3 步骤三如果难以确定危害事件/事故的风险水平,就应使用本文中的风险评估程序。
3.4 步骤四后果评估:使用表B-1中的后果评估矩阵来确定后果的级别。
选择最贴近事件的后果级别描述来确定后果级别(从1到4)。
3.5 步骤 5频率评估:使用“表B-2简单可能性评估矩阵”或“表B-3可能性评估矩阵”来评估事件发生的频率。
选择最贴近事件发生率的级别描述来确定频率级别分数(从1到4)。
事件发生频率评估应运用工艺危害分析方法。
该矩阵应用于对正在讨论的危害事件/事故进行针对性的评估,而不能用于整个厂区的总体评估。
矩阵的对象应是某件具体的危害事件/事故,而不是用来对整个工厂进行工艺安全管理体系审查,因为它可能对一个要素或事件评分很高但对另一个的评分却很低。
3.6 步骤 6风险评估:使用“表B-4风险评估矩阵”,综合后果级别和频率级别,评估出一个最终的风险等级。
4定性风险评估方法下文提供了使用后果评估矩阵或事件频率评估矩阵的指导如何应用后果评估矩阵或频率评估矩阵有三种方法。
工作组应自行判断、选择合适的方法。
4.1.“薄弱环节法”――这种规则假设整个安全链的强度取决于最弱的一环。
因此,用最差的单项分数(就是最高分值)进行风险评估。
当工作组认为评估的事件的风险可能因为硬件和软件系统中任何一个控制失效而发生,可使用这种方法。
【最新资料,WORD文档,可编辑修改】目录1、概述2、目的3、风险评估3.1、风险识别3.2、风险评价3.3、风险评价4、风险等级确认5、风险控制6、结论1、概述:1.1、供应商评估是保证物料采购的关键过程,通过对物料供应商的资质文件审核、供应商GMP法规的执行情况、质量风险管理体系、人员、设施设备、投诉、调查、变更管理、与企业沟通、环保健康安全、运输管理等一系列过程控制;是保证物料进厂合格的管理过程,是有效降低物料采购风险的控制方法。
1.2、根据物料对产品质量影响风险程度,结合公司产品确定物料的安全级别,其A级物料如下:对直接影响药品质量的主要原辅料,经风险分析后定为A级。
原料有氯化钠、葡萄糖、甲硝唑、XXXX、XXXX、氟罗沙星、XXXX、XXX、中药材及中药饮片。
辅料有盐酸、氢氧化钠、乳酸、枸橼酸、依地酸钙钠、盐酸半胱氨酸、焦亚硫酸钠、磷酸二氢钠、磷酸氢二钠、空心胶囊、硬脂酸镁、药用糊精、药用淀粉、蔗糖、滑石粉、微晶纤维素、包衣粉。
2、目的:建立A级物料供应商存在和可能发生的风险进行评估,确定风险等级;并采取措施将风险控制在可接受范围内。
3、物料供应商风险评估:3.1、风险识别:A级物料是影响产品质量的关键物料,其物料供应商存在的风险程度直接影响物料产品质量风险程度。
是物料供应商风险评估的重点。
根据对物料产品的质量影响情况和其他风险影响分析物料供应供应商可能存在的风险点如下:3.1.1、政策法规3.1.2、产品质量3.2、对物料供应供应商风险点进行分析,以上风险点存在风险因素:3.2.1、政策法规影响的风险因素3.2.1.1、资质批准文件3.2.1.2、产品质量标准3.2.1.3、经营授权书3.2.2、产品质量影响的风险因素3.2.2.1、人员与机构3.2.2.2、厂房和设施、设备3.2.2.3、物料管理3.2.2.4、生产管理3.2.2.5、质量控制管理3.2.2.6、产品包装与运输3.2.2.7、质量管理体系3.3、风险分析:3.3.1、风险等级判定标准:用定量分级RPN风险优先数量等级判定(危害 :存在风险项目较多,并且不能有效控制风险,从而影响其物料质量,最终影响到我公司产品的质量。
供应商风险评估的步骤供应商风险评估与管理的步骤如下。
1.制定供应商风险评估表评估供应商风险,首先要制定供应商风险评估表,如表1所示。
表1 供应商风险评估表注:QC080000是对目前ISO9000质量管理体系的补充,与ISO9000架构一致,都是全面、系统和透明的管理体系,主要用于对生产制程中的有害物质进行管控。
2.制定供应商风险等级管理措施供应商风险等级的管理措施,如表2所示。
表2 供应商风险等级的管理措施3.评定供应商风险等级由品质工程师根据以上要求,执行最终的风险等级评定,并填写风险评估表;必要时,可根据评估的结果,建立高风险物料清单。
根据表3.30对供应商进行评分,将供应商分为以下高、中、低3个等级。
高风险(红色)。
风险评分为25分以上。
中风险(黄色)。
风险评分为15~24分。
低风险(绿色)。
风险评分为15分以下。
折叠编辑本段供应商风险评估体系的构建1.评估体系的设置原则为保证评估结果的科学合理,在建立风险指标体系时,应遵循以下原则:l)科学性原则。
评价指标体系的设计应包含一定数量和层次的指标,各指标之间的关系应能准确反映事物之间的相互联系,这是实现正确、科学评价的前提和基础。
2)完备性原则。
评价指标体系必须全面、准确地反映涉及企业风险的各个方面,不但能反映企业的历史业绩及现状,而且还能体现企业的合作能力和未来的发展潜力。
3)简明性原则。
在全面反映企业综合水平的基础上,评价指标体系还必须做到简洁明了。
指标体系过大、过细,层次过多,不仅会增加数据采集的成本及操作过程的复杂性,而且势必会将企业的注意力集中到细小的问题上,不利于对企业整体的综合评价。
4)可比性原则。
评价指标体系应反映所有评价对象的共同属性,并尽可能的选用可量化的指标,对于定性指标,则可以通过专家打分或者其他方法给出较合理的定量化的数据,以保证评价结果的可比性。
5)灵活性原则。
评价指标体系应具有足够的灵活性和可操作性,以使企业能够根据自身的特点及其生产经营的实际情况灵活运用。
供应商风险评估的步骤供应商风险评估与管理的步骤如下。
1.制定供应商风险评估表评估供应商风险,首先要制定供应商风险评估表,如表1所示。
表1 供应商风险评估表内容标准评分供应商规模是否少于200人是:1分否:0分资本额是否少于500万元人民币是:1分否:0分是否为全球500强企业是:1分否:0分供应商的环保管理体系是否设有化学分析实验室是:1分否:0分是否通过ISO14000环境管理体系认证是:1分否:0分环保意识是否强烈是:1分否:0分生产物料是否含有有毒物质是:1分否:0分废物排放量是否达标是:1分否:0分资源利用效率是否较高是:1分否:0分供应商的物料风险控制能力高危物料存在的数目是否巨大是:1分否:0分高危物料的控制情况是否良好是:1分否:0分供应商的环保物料检测结果是否达标是:1分否:0分过去5年中是否由于物料而发生生产事故是:1分否:0分供应商的生产控制系统有无产品设计部门是:1分否:0分是否跟踪客户抱怨是:1分否:0分是:1分投产前供应商是否通过生产件批准程序(PPAP)否:0分是:1分是否取得QC080000认证否:0分是:1分是否有证据显示生产控制能力在不断提高否:0分是:1分客户与供应商是否有明确的沟通方式否:0分是:1分是否有证据显示平衡了生产时间和制造的"JIT"否:0分是:1分过去两年是否发生客户投诉事件否:0分是:1分是否有文件化的程序来控制、校准和保养检验、测量和试验设备否:0分是:1分对合格品、返工、报废品是否有专用的箱子隔离否:0分是:1分有无产品追溯否:0分是否适当标识有疑问的物料是:1分否:0分为保证产品质量,供应商内部是否对包装箱进行审核是:1分否:0分操作工是否可以掌握生产速度是:1分否:0分供应商的物料管理系统有无运输经验是:1分否:0分有无规定运输方式、路线和考核指标是:1分否:0分库存材料是否存储在专用场所是:1分否:0分是否有正式的管理评审和汇报物料管理的方法是:1分否:0分供应商是否具备使用条形码的能力是:1分否:0分物料在存储、应用过程中是否得到有效的标识是:1分否:0分为了保证产品质量,原材料的搬运和存储方式是否有具是:1分否:0分生产使用前,是否提前知道物料的检验结果是:1分否:0分注:QC080000是对目前ISO9000质量管理体系的补充,与ISO9000架构一致,都是全面、系统和透明的管理体系,主要用于对生产制程中的有害物质进行管控。
供应商风险评估的步骤供应商风险评估与管理的步骤如下。
1.制定供应商风险评估表评估供应商风险,首先要制定供应商风险评估表,如表1所示。
表1 供应商风险评估表内容标准评分供应商规模是否少于200人是:1分否:0分资本额是否少于500万元人民币是:1分否:0分是否为全球500强企业是:1分否:0分供应商的环保管理体系是否设有化学分析实验室是:1分否:0分是否通过ISO14000环境管理体系认证是:1分否:0分环保意识是否强烈是:1分否:0分生产物料是否含有有毒物质是:1分否:0分废物排放量是否达标是:1分否:0分资源利用效率是否较高是:1分否:0分供应商的物料风险控制能力高危物料存在的数目是否巨大是:1分否:0分高危物料的控制情况是否良好是:1分否:0分供应商的环保物料检测结果是否达标是:1分否:0分过去5年中是否由于物料而发生生产事故是:1分否:0分供应商的生产控制系统有无产品设计部门是:1分否:0分是否跟踪客户抱怨是:1分否:0分是:1分投产前供应商是否通过生产件批准程序(PPAP)否:0分是:1分是否取得QC080000认证否:0分是:1分是否有证据显示生产控制能力在不断提高否:0分是:1分客户与供应商是否有明确的沟通方式否:0分是:1分是否有证据显示平衡了生产时间和制造的"JIT"否:0分是:1分过去两年是否发生客户投诉事件否:0分是:1分是否有文件化的程序来控制、校准和保养检验、测量和试验设备否:0分是:1分对合格品、返工、报废品是否有专用的箱子隔离否:0分是:1分有无产品追溯否:0分是否适当标识有疑问的物料是:1分否:0分为保证产品质量,供应商内部是否对包装箱进行审核是:1分否:0分操作工是否可以掌握生产速度是:1分否:0分供应商的物料管理系统有无运输经验是:1分否:0分有无规定运输方式、路线和考核指标是:1分否:0分库存材料是否存储在专用场所是:1分否:0分是否有正式的管理评审和汇报物料管理的方法是:1分否:0分供应商是否具备使用条形码的能力是:1分否:0分物料在存储、应用过程中是否得到有效的标识是:1分否:0分为了保证产品质量,原材料的搬运和存储方式是否有具是:1分否:0分生产使用前,是否提前知道物料的检验结果是:1分否:0分注:QC080000是对目前ISO9000质量管理体系的补充,与ISO9000架构一致,都是全面、系统和透明的管理体系,主要用于对生产制程中的有害物质进行管控。
2.制定供应商风险等级管理措施供应商风险等级的管理措施,如表2所示。
表2 供应商风险等级的管理措施供应商风险等级管理措施高风险◇每批次物料需严格进行检验◇每种物料需提供有效化学测试报告,且最长不超过6个月◇每年至少对供应商进行1次实地考察中风险◇对每批次物料进行检验◇每种物料需提供有效化学测试报告,且最长不超过12个月◇每年对供应商进行1次实地考察或书面审查低风险◇对每批次物料进行检验,若供应商的历史交货质量状况良好,可降低抽样检测频率◇每年提交有效的化学测试报告1次◇必要时,可对供应商每年执行1次书面审查3.评定供应商风险等级由品质工程师根据以上要求,执行最终的风险等级评定,并填写风险评估表;必要时,可根据评估的结果,建立高风险物料清单。
根据表 3.30对供应商进行评分,将供应商分为以下高、中、低3个等级。
高风险(红色)。
风险评分为25分以上。
中风险(黄色)。
风险评分为15~24分。
低风险(绿色)。
风险评分为15分以下。
供应商风险评估体系的构建折叠编辑本段1.评估体系的设置原则为保证评估结果的科学合理,在建立风险指标体系时,应遵循以下原则:l)科学性原则。
评价指标体系的设计应包含一定数量和层次的指标,各指标之间的关系应能准确反映事物之间的相互联系,这是实现正确、科学评价的前提和基础。
2)完备性原则。
评价指标体系必须全面、准确地反映涉及企业风险的各个方面,不但能反映企业的历史业绩及现状,而且还能体现企业的合作能力和未来的发展潜力。
3)简明性原则。
在全面反映企业综合水平的基础上,评价指标体系还必须做到简洁明了。
指标体系过大、过细,层次过多,不仅会增加数据采集的成本及操作过程的复杂性,而且势必会将企业的注意力集中到细小的问题上,不利于对企业整体的综合评价。
4)可比性原则。
评价指标体系应反映所有评价对象的共同属性,并尽可能的选用可量化的指标,对于定性指标,则可以通过专家打分或者其他方法给出较合理的定量化的数据,以保证评价结果的可比性。
5)灵活性原则。
评价指标体系应具有足够的灵活性和可操作性,以使企业能够根据自身的特点及其生产经营的实际情况灵活运用。
6)可扩充性原则。
评价指标体系应具有一定的可拓展性,不仅能够反映企业目前的发展水平,而且还能随着企业的发展而不断扩充、延展。
2.供应商风险评估指标体系国外对供应商评价指标问题研究比较早且影响比较大的是DicksonG.W.,他通过对170份调查结果的分析与研究,最终识别出了23个供应商选择准则,从中发现了三个重要的选择标准:产品的质量,成本和交货行为的历史;Hatheran在对制药业调查之后,总结出了评价及选择供应商的8项准则,其中排在前三位的是质量、价格、服务。
Yahya与Kingaman运用层次分析法,对供应商的选择建立了评价准则体系,其中交货、质量、设施所占的比重较大。
在国内,由华中理工大学管理学院CIMS-SCM(现代集成制造系统一供应链管理)课题组的调查统计数据可知,目前我国企业在选择供应商时,主要的标准是产品质量,其次是价格,另外就是交货提前期。
林勇、马士华将影响合作伙伴选择的评价指标分为四类:企业业绩、业务结构与生产能力、质量系统和企业环境。
在总结现有研究成果并咨询相关专家经验的基础上,按照风险评估体系设置的原则,建立了如表3所示的指标体系。
主要从企业经营环境、企业资质、服务水平、合作兼容性、供货情况这五个方面对供应商进行评价。
表3 供应商风险评估指标体系风险因素内部风险因素关联风险因素子指标指标子指标指标子指标经营环境A1 政治法律环境a1社会文化环境a2经济技术环境a3自然地理环境a4企业资质A2人力资源a5财务状况a6生产装备a7研发能力a8管理水平a9合作兼容性A4企业文化兼容性a16组织管理兼容性a17战略目标兼容性a18信息系统兼容性a19产品标准化程度a20无形资产a10 企业信誉a11 环保水平a12服务水平A3 快速响应能力a13服务满意度a14信息沟通通畅性a15供货情况A5产品合格率a21产品价格a22采购成本a23时间柔性a24数量柔性a25品种柔性a261)外部风险因素主要是对企业经营环境的评估,该指标包括政治法律环境、社会文化环境、经济技术环境与自然地理环境。
政治法律环境和社会文化环境:主要在选择不同国家或地区的供应商时考虑。
政治和法律方面的因素关系到投资环境安全性的问题,主要从政治是否稳定、政府对企业的优惠政策以及法律体制的完善与否等方面考察;社会文化在无形中影响着企业的行为与决策,从人口素质、宗教制度、社会风俗以及对外来经济的排斥性等方面考察。
自然地理环境:主要考察地理位置、气候、自然资源及交通运输等情况,特别考虑供应商所在地与企业之间的交通距离与运输时间。
距离和时间直接影响运输费用、库存量以及订货机动性等。
经济技术环境:一个国家或地区的经济发展水平制约着供应商本身的发展,主要从市场开放及完善程度、企业竞争状况、基础设施建设、科技发展水平、经济发展前景等方面考察。
2)内部风险因素主要从两个方面进行评估:企业资质与服务水平。
企业资质主要包括人力资源、财务状况、生产装备、研发能力、管理水平、无形资产、企业信誉及环保水平等。
服务水平主要从快速响应能力、服务满意度以及信息沟通通畅性来描述。
人力资源:主要从人员整体素质(学历构成)、技术开发人员比重、人员培训时间、培训费用等方面考虑。
财务状况:反映企业财务状况的因素很多,重点是是否有足够的资金开展生产、是否有足够的盈利能力及经营安全度等,可从资产的负债率、总资产周转率、资产收益率等方面考虑。
生产装备:主要考虑供应商生产设备、工艺的先进程度及利用程度。
研发能力:供应商的研发能力是供应链创新的原动力,可从科研费用投入、新产品开发周期及成功率、新产品的销售、发明专利申请数量等方面衡量。
管理水平:主要从供应商在质量管理水平、成本控制水平、库存控制水平这三个角度考察。
质量管理水平主要考察质量保障体系运行情况;成本控制方面按投入产出原理考察成本的有效性;库存控制水平主要从库存周转率方面考虑。
无形资产:主要考察供应商的商标价值、商誉、技术秘密等方面。
企业信誉:企业的信誉问题是企业长远发展的大问题。
包括合同执行率、合作历史情况、外界满意度、企业道德水准、还贷信誉等。
环保水平:考察供应商产品制造、使用以及回收过程中对环境的影响。
快速响应能力:基本前提是准确性,主要从快速决策能力、信息集成水平、应变能力、整体协作水平、满足个性化需求的能力等方面考虑。
服务满意度:考察供应商服务态度、服务内容及标准、服务响应时间以及售后服务质量等。
信息沟通通畅性:良好的沟通是合作成功的前提,可以从信息通讯与交流能力、信息发布状况、信息共享水平、信息反馈能力、信息处理等方面描述。
3)关联风险因素从合作兼容性和供货情况两个指标考虑。
由于与供应商是深层次、多方面的长期合作,所以必须考虑对供应商合作能力的评价。
合作兼容性包括企业文化兼容性、组织管理兼容性、企业战略兼容性、信息系统兼容性以及产品标准化程度。
供货情况主要从产品合格率、产品价格、采购成本、时间柔性、数量柔性、产品柔性等考察。
企业文化兼容性:企业文化是企业在长期生产经营活动中,逐步形成的为全体员工普遍认可和共同遵循的价值观念和行为规范的总称。
企业文化是一种无形的约束,只有相近的文化才能进行良好的沟通合作。
组织管理兼容性:组织管理是通过建立组织结构,规定职务或职位,明确责权关系,以使组织中的成员互相协作、共同劳动,有效实现组织目标的过程。
主要考虑组织结构、管理体制等方面的兼容性。
战略目标兼容性:企业的战略目标决定着企业的发展方向,是企业生产管理活动的指导性方针。
与供应商的战略目标同步有利于供应链的协调发展。
如果战略目标发生冲突,采取的行动就会不一致,摩擦会不断出现,合作关系也会不断恶化,最后走向决裂。
信息系统兼容性:信息合作与交换是取得双赢的关键。
信息系统的兼容程度关系着信息传递速度、传递准确性等方面。
具体是指信息内容、载体形式、传递渠道、存储媒介、处理方式等的兼容。
产品标准化程度:从产品的标准化程度考虑产品的兼容性。
产品标准化是指对产品/零件的类型、性能、规格、质量、工艺装备、原材料及检验方法等统一规定,制成各种标准,并使之贯彻实施的过程。