地脚螺栓预埋工程检验批质量验收记录表
- 格式:doc
- 大小:71.50 KB
- 文档页数:2
地脚螺栓隐蔽工程验收记录表范本地脚螺栓是建筑工程中常用的一种连接结构,用于固定建筑基础和柱子之间的连接。
作为一个常见的工程验收表范本,地脚螺栓隐蔽工程验收记录表是用于记录地脚螺栓隐蔽工程的验收情况,检查工程质量是否符合要求以及是否存在潜在安全隐患的记录表。
一、工程基本信息1. 工程名称:2. 工程地点:3. 工程编号:4. 验收单位:5. 验收人员:二、验收内容1. 验收要求:在这一部分,通常会列举地脚螺栓隐蔽工程验收的具体要求,例如地脚螺栓的数量、位置、尺寸、材质等。
2. 验收方法:地脚螺栓隐蔽工程验收可以通过目视检查、测量、试验等方式来进行。
三、验收记录1. 地脚螺栓的位置:在这一部分,需详细记录每个地脚螺栓的具体位置,可以结合工程图纸进行标注。
2. 地脚螺栓的数量:记录地脚螺栓的数量是否符合设计要求,同时还需要记录实际安装的数量。
3. 地脚螺栓的尺寸:记录地脚螺栓的直径、长度等尺寸参数是否符合设计要求。
4. 地脚螺栓的材质:记录地脚螺栓的材质是否符合设计要求,通常地脚螺栓需要具备一定的抗拉、抗剪等性能。
5. 安装质量:记录每个地脚螺栓的安装质量,例如螺栓的紧固情况、固定件的安装情况等。
6. 验收结论:在这一部分,需根据实际验收结果进行判定,判断地脚螺栓的隐蔽工程是否合格,如果存在问题,需记录问题的具体描述。
四、备注在这一部分,可以记录一些特殊情况或者需要额外说明的内容,如遇到的问题和解决方案等。
地脚螺栓隐蔽工程验收记录表范本是一种用于记录地脚螺栓隐蔽工程验收情况的标准表格,通过这个表格我们可以清晰地了解地脚螺栓隐蔽工程的具体情况,包括数量、尺寸、材质、安装质量等等。
在记录中我们还可以对已发现的问题进行备注和提出解决方案,以便针对性地进行后续的改进和处理。
这样的验收记录表范本对于保障工程质量和安全至关重要,能够有效地减少潜在的安全隐患,并为后续工程的进一步优化提供有力的数据支持。
对于地脚螺栓隐蔽工程验收,我认为在实际操作中需要特别注意以下几点:1. 验收人员应严格按照验收要求进行工作,确保每一个环节都符合设计要求。
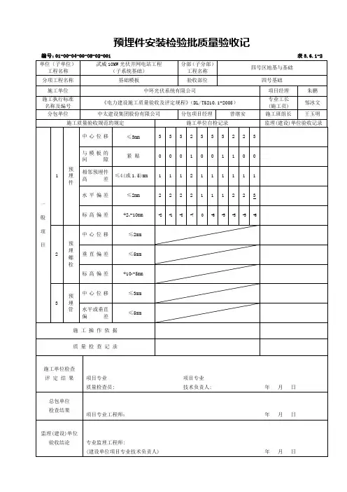
预埋件制作安装工程检验批质量验收记录预埋件制作安装工匾检验批质量验收记录附表续编号:预埋件制作安装工程检验批质量验收记录预埋件制作安装工程检验批质量验收记录预埋件制作安装工程检验批质量验收记录附表续编号:预埋件制作安装工程检验批质量验收记录附表续编号:E预埋件制作安装工程检验批质量验收记录附表续编号:预埋件制作安装工程检验批质量验收记录预埋件制作安装工程检验批质量验收记录附表续编号:预埋件制作安装工程检验批质量验收记录5预埋件制作安装工程检验批质量验收记录附表续编号:工程名称宁化县边贸东路市政工程验收部位AK2+190~AK2+290综合管沟预埋钢板施工质虽验收规范的规定•施工殂位自检记录监理(建设金位验收记录制 1 平整偏差W3mm 0 0 1 >1 1 323 1 3侦埋管的椭圆度不大于1%倾埋管直径。
合格检査项目及质虽标准施工讯位自检记录监理(建设)单.位验收记录中心位移与模板的间隙须紧贴埋---------------------- I 相邻预埋件商差^4mm 件水平偏差^2mm标高偏差+ 2^ - 10 mm 112342243 1合格12 112 1• ••0 -3 -7 ・5 1-3 ・5 -4 -6 -3般项目侦埋螺栓中心位移W2mm垂直偏差W5mm-2 标岛偏差+10〜+ 5mm倾埋管中心位移W3mm水平或垂直偏差W5mm施工操作依据市政基础设施匸程施匸质虽验收统一标准质虽检査记录合格施匸单位检查评定结果项目专业质虽检査员:项目专业技术负责人:监理(建设)的位验收结论专业监理匸程师:(建设单位项目专业技术负责1832预埋件制作安装工程检验批质量验收记录。
地脚螺栓现场验收记录表摘要:一、地脚螺栓现场验收记录表的概述二、地脚螺栓现场验收记录表的具体内容1.工程名称及部位2.施工单位及人员3.验收时间及天气4.地脚螺栓的规格、型号及数量5.地脚螺栓的安装位置及坐标6.地脚螺栓的垂直度及偏差7.地脚螺栓的紧固程度及偏差8.验收结果及验收人员签名三、地脚螺栓现场验收记录表的作用及意义正文:地脚螺栓现场验收记录表是记录地脚螺栓在现场验收过程中的相关数据和结果的表格,对于保证工程质量和施工安全具有重要意义。
一、地脚螺栓现场验收记录表的概述地脚螺栓现场验收记录表一般包括工程名称及部位、施工单位及人员、验收时间及天气、地脚螺栓的规格、型号及数量、地脚螺栓的安装位置及坐标、地脚螺栓的垂直度及偏差、地脚螺栓的紧固程度及偏差、验收结果及验收人员签名等内容。
二、地脚螺栓现场验收记录表的具体内容1.工程名称及部位:记录工程的具体名称和所在部位,方便查找和识别。
2.施工单位及人员:记录施工单位和具体施工人员的信息,以备后续追溯责任。
3.验收时间及天气:记录验收的具体时间和当天的天气情况,以备后续查看和分析。
4.地脚螺栓的规格、型号及数量:记录地脚螺栓的规格、型号和数量,以备后续使用和补充。
5.地脚螺栓的安装位置及坐标:记录地脚螺栓的具体安装位置和坐标,以备后续查找和调整。
6.地脚螺栓的垂直度及偏差:记录地脚螺栓的垂直度和偏差,以备后续检查和修正。
7.地脚螺栓的紧固程度及偏差:记录地脚螺栓的紧固程度和偏差,以备后续检查和调整。
8.验收结果及验收人员签名:记录验收的结果和验收人员的签名,以备后续确认和追溯。
三、地脚螺栓现场验收记录表的作用及意义地脚螺栓现场验收记录表是保证地脚螺栓施工质量和安全的重要文件,对于施工现场的监理和管理具有重要作用。
通过地脚螺栓现场验收记录表,可以及时发现问题和隐患,采取有效措施进行整改和处理,确保工程质量和施工安全。