2-10kV变压器保护调试报告
- 格式:doc
- 大小:296.50 KB
- 文档页数:15
电气调试报告模板电气试验报告篇二:电气设备交接试验报告变压器交接试验报告用户名称: 鸿坤理想海岸项目(二期)高低压配电环境温度:16?C 安装位置:10kV配电室2#变相对湿度:60 , 试验日期:2013年12月18日一、主要技术参数:二、试验数据:13、电压比测量和联结组标号检定:(使用仪器:JYT变比自动测试仪)三、试验依据:四、结论:试验人员: 记录人:2变压器交接试验报告用户名称:鸿坤理想海岸项目(二期)高低压供配电环境温度:16?C 安装位置:10kV配电室2#变相对湿度:60 , 试验日期:2013年12月18日一、主要技术参数:二、试验数据:33、电压比测量和联结组标号检定:(使用仪器:JYT变比自动测试仪)三、试验依据:四、结论:试验人员: 记录人:4变压器交接试验报告用户名称:鸿坤理想海岸项目(二期)高低压供配电环境温度:16?C 安装位置:10kV配电室3#变相对湿度:63 , 试验日期:2013年12月19日一、主要技术参数:二、试验数据:5篇三:试验报告模板10kV电流互感器交接试验报告工程名称:茂名大北农农牧科技有限公司配电工程安装位置:大北农农牧公司配电房G1进线柜一、铭牌1(铭牌:二、试验数据1. 绝缘电阻测试:温度:26?湿度:75,试验日期:2012年06月05(来自: 写论文网:电气调试报告模板)日2. 绕组直流电阻测试:温度:26? 试验日期:2012年06月05日3. 变比检查:试验日期:2012年06月05日4. CT极性检查:5. 交流耐压试验: 试验日期:2012年06月05日6. 试验仪器仪表:7. 试验结果:按照有关标准该设备所做的5项试验项目,均按《电气装置安装工程电气设备交接试验标准》GB 50150-2006 规程和广州通用特互电气有限公司出厂试验报告数据进行比较,所有项目试验结果均符合交接要求。
试验人员:试验负责人:G1进线柜10kV电压互感器交接试验报告工程名称:茂名大北农农牧科技有限公司配电工程安装位置:大北农农牧公司配电房G1进线柜1(铭牌:二、试验数据1. 绝缘电阻测试:温度:26?湿度:75,试验日期:2012年06月05日2. 绕组直流电阻测试:温度:26? 试验日期:2012年06月05日3. PT极性检查:4. 交流耐压试验: 试验日期:2012年06月05日5. 试验仪器仪表:7. 试验结果:按照有关标准该设备所做的4项试验项目,均按《电气装置安装工程电气设备交接试验标准》GB 50150-2006 规程和广州通用特互电气有限公司出厂试验报告数据进行比较,所有项目试验结果均符合交接要求。
保护装置调试报告1. 引言在电力系统中,保护装置的作用是及时检测并隔离任何可能导致设备故障或人员伤害的异常情况。
确保电力系统的安全运行对于供电可靠性和人身安全至关重要。
本文档旨在报告对保护装置的调试过程及结果。
2. 背景保护装置是电力系统中用于检测和处理各种电气故障的设备,包括电流过载、短路、地故障等。
在新建电力装置投入运行前,对保护装置进行调试是必要的。
调试的目标是确保保护装置能够准确地检测故障并采取相应的保护动作,从而保证电力系统的安全运行。
3. 调试步骤3.1 收集资料在开始调试之前,需要收集和准备一些资料。
这些资料包括设备的接线图、保护装置的技术规格和调试手册等。
这些资料将帮助调试人员了解设备的基本情况和正确的调试步骤。
3.2 验证保护装置设置首先,需要验证保护装置的设置是否正确。
调试人员应仔细检查保护装置的设置参数,比如电流互感器的额定比、保护装置的固有时间延迟等。
这些参数的设置应符合设备制造商的建议和相关标准,以确保保护装置能够正确地检测故障。
3.3 模拟故障接下来,需要模拟电力系统中可能发生的故障。
这些故障包括电流过载、短路、地故障等。
通过模拟故障,可以测试保护装置的检测能力和正确性。
调试人员需要确保模拟故障的方式和参数符合相关标准和设备制造商的要求。
3.4 调整保护装置设置如果在模拟故障时保护装置没有正确地检测到故障或动作时间延迟过长,需要对保护装置的设置进行调整。
调试人员可以根据故障检测结果和设备制造商的建议,逐步调整保护装置的设置参数,直到达到准确检测和及时动作的要求。
3.5 记录和报告结果在调试过程中,调试人员需要详细记录每次调试的步骤、故障模拟的参数和保护装置的动作情况。
这些记录将作为调试结果的依据,并为日后维护和升级提供参考。
最后,在调试完成后,调试人员需要撰写调试报告,详细说明调试过程、问题及解决方法以及调试结果。
4. 结果通过对保护装置的调试,我们得出以下结论:1.保护装置的设置参数已经按照相关标准和设备制造商的建议进行了调整。
能源公司电气试验报告电力变压器试验报告能源公司锅炉房运行编号干式变压器安装位置2.绕组直流电阻测量.交流耐压试验7.试验结论:本次试验执行标准:电气装置安装工程电气设备交接试验标准《GB 50150-2006 》试验负责人:试验人员:试验日期:试验性质:交接试验能源公司电气试验报告电力变压器试验报告安装位置: 吐渔水35kV 变电站运行编号: 1# 站用变(041 )1.绝缘电阻测量.绕组直流电阻测量3.变比测量1、 各分接的电压比与铭牌值应无明显差别,且符合规律。
2、 35kV 以下,电压比小于 3 的变压器允许为± 1.0%;其它变压器,额定分接电压比偏差为± 0.5%,其它分接电压比应在变压器阻抗电压值( %)的( 1/10 )以内,但偏差不得大于± 1.0%。
. 交流耐压试验. 试验结论:本次试验执行标准:电气装置安装工程电气设备交接试验标准《 GB50150-2006 》试验负责人: 试验人员:试 验 日期:试验性质: 交接试验2% 。
能源公司电气试验报告电力变压器试验报告.绝缘电阻测量.绕组直流电阻测量值的 2%;.变比测量3、 各分接的电压比与铭牌值应无明显差别,且符合规律。
4、 35kV 以下,电压比小于 3 的变压器允许为± 1.0%;其它变压器,额定分接电压比偏差为± 0.5%,其它分接电压比应在变压器阻抗电压值( %)的( 1/10 )以内,但偏差不得大于± 1.0%。
5. 试验结论:本次试验执行标准:电气装置安装工程电气设备交接试验标准《 试验人员: 试验性质: 交接试验GB 50150-2006 》试验负责人: 试 验 日期:。
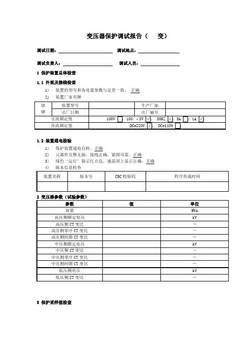
变压器保护调试报告(变)调试日期:调试地点:调试负责人:调试人员:1 保护装置总体检查1.1 外观及接线检查1)装置的型号和各电量参数与定货一致。
正确2)装置厂家名牌1.2 装置通电检验1)保护装置通电自检。
正确2)元器件完整无损,接线正确,紧固可靠。
正确3)绿色‘运行’指示灯点亮,液晶屏上显示正确。
正确4)版本信息检查3 保护采样值检查3.1 电流精度测试(单位:A)3.2 电压精度测试(单位:V)主变本体(中性点电流、间隙电流)4 主变差动保护变压器差动保护包括差动速断保护、比率差动保护、工频变化量差动保护,以及CT断线闭锁差动保护。
4.1 差动速断保护4.1.1 高压侧加电流实验方法:(1)分别投入以下软压板:变压器主保护软压板、差动速断保护软压板、高压侧接收软压板。
(2)分别退出以下软压板:中压侧接收软压板、低压侧接收软压板,高压侧电压接收软压板、中压侧电压接收软压板、低压侧电压接收软压板。
(3)分别在高压侧A相、B相、C相加入单相电流,值为I1=1.5×4I He。
0.95倍I1时差动速断不动作,1.05倍I1时差动速断动作。
(4)在高压侧加入三相正序电流,值为I1=4×I He。
0.95倍I1时差动速断不动作,1.05倍I1时差动速断动作。
(5)记录差动速断定值,以及动作时间于下表。
4.1.2 低压侧加电流实验方法:(1)分别投入以下软压板:变压器主保护软压板、差动速断保护软压板、低压侧接收软压板。
(2)分别退出以下软压板:高压侧接收软压板、中压侧接收软压板,高压侧电压接收软压板、中压侧电压接收软压板、低压侧电压接收软压板。
(3)分别在低压侧A相、B相、C相加入单相电流,值为I2=1.732×2I Le。
0.95倍I2时差动速断不动作,1.05倍I2时差动速断动作。
(4)在低压侧加入三相正序电流,值为I2=2×I Le。
0.95倍I2时差动速断不动作,1.05倍I2时差动速断动作。
10KV电力变压器试验作业指导书1范围本作业指导书适用于10kV及以下油浸式变压器, 其目的是检验变压器的绝缘性能是否满足有关标准的要求, 规定了交接验收引用标准、仪器设备要求、作业程序、试验结果判断方法和试验注意事项等。
制定本作业指导书的目的是规范操作、保证试验结果的准确性, 为设备运行、监督、检修提供依据。
2规范性引用文件下列文件中的条款通过本作业指导书的引用而成为本作业指导书的条款。
凡是注日期的引用文件, 其随后所有的修改单或修订版均不适用于本作业指导书,然而, 鼓励根据本作业指导书达成协议的各方研究是否可使用这些文件的最新版本。
凡是不注日期的引用文件, 其最新版本适用于本作业指导书。
GB 50150 —2006(电气设备交接试验标准)GB 1094.3(电力变压器)交流耐压试验属于破坏性试验, 因此必须在其他绝缘试验都合格的基础上进行,以免造成不必要的绝缘击穿和损坏事故。
电力变压器绕组绝缘经过交流耐压试验合格后, 就可以投运。
3试验项目电力变压器的绝缘试验包括以下试验项目:a) 绝缘电阻实验b) 交流耐压。
4安全措施a) 保证人身和设备安全, 要求必须在试验现场周围设围栏, 被试电缆两端均应专人监护, 且通信畅通, 负责升压的人要随时注意周围的情况, 一旦发现异常应立刻断开电源停止试验, 查明原因并排除后方可继续试验。
b) 在试验过程中, 如果发现电压表指针摆动很大, 电流表指示急剧增加, 发出绝缘烧焦气味或冒烟或发生响声等异常现象时, 应立即降低电压, 断开电源, 被试品进行接地放电后再对其进行检查。
c) 进行交流耐压试验后, 应对变压器充分放电。
d) 工作中如需使用梯子等登高工具时, 应做好防止高空坠落的安全措施。
5工作程序5.1 绝缘电阻试验5.1.1 设备清单和要求a)干湿温度计;b)2500V或5000V兆欧表1块。
5.1.2作业程序5.1.2.1测试方法测量变压器的绝缘电阻是检查其绝缘状态的最基本和最简便的方法。
木垒110kV变电站2#变增容保护调试报告批准:审核:调试人员:吴书慧、王彦军、杜晓宇杨斌、刘俊林日期:年月日1# 进线一、铭牌:二、通电前检查:1、屏体上的标签与图纸相一致。
2、接线与实际图纸相符。
3、拔出所有插件,检查各插件上的元件无松动、脱落现象,无机械损伤及连线无被扯断等现象。
4、绝缘电阻测试合格(2000V),接地符合要求,屏蔽措施符合规程要求,接线与反措细则一致。
5、通过测CT极性,检查保护、测量、计量电流二次回路均正确。
三、装置通电检查:将插件按顺序全部插入,分别给上直流电源后各装置面板上的工作指示灯点亮,面板上其它指示灯不亮。
四、回路检查:1)手合、手跳装置及回路反映情况正确,红绿灯指示正确。
2)当地监控系统跳合闸操作反映情况正确,报文正确。
3)开出、开入传动核对正确。
(具体详见大纲)4)保护压板核对正确。
五、装置调试1、零漂检验:装置通电两小时后各通道零漂检验结果如下(要求零漂范围-0.3----+0.3)2、采样值精度校验:误差范围在-3%—+3%之间。
3、保护功能测试:将测试电源IA、IB、IC、IN加在CT的对应相上;UA、UB、UC、UN加在PT对应的端子上。
2)、相间距离的测试(1) 定值的测定(2)整组测试模拟瞬时故障模拟永久故障3)、接地距离的测试:(1)定值的测定(2)整组测试模拟瞬时故障模拟永久故障4)、零序电流的测试:(1) 定值的测定(2)整组测试模拟瞬时故障模拟永久故障:六、带负荷检查:电流向量相反,差流为0.可以投入差动保护。
七、结论试验合格,可以运行八、试验仪器:凯旋KD8302# 进线一、铭牌:二、通电前检查:1、屏体上的标签与图纸相一致。
2、接线与实际图纸相符。
3、拔出所有插件,检查各插件上的元件无松动、脱落现象,无机械损伤及连线无被扯断等现象。
4、绝缘电阻测试合格(2000V),接地符合要求,屏蔽措施符合规程要求,接线与反措细则一致。
5、通过测CT极性,检查保护、测量、计量电流二次回路均正确。
主变保护二次调试报告主变保护是电力系统中保护设备的重要组成部分,对主变进行二次调试是确保主变正常运行和安全运行的关键步骤之一、本文将介绍主变保护二次调试的步骤和方法,并针对调试过程中可能遇到的问题进行分析和解决。
1.主变保护二次调试的步骤(1)准备工作:在开始调试之前,需要进行一系列的准备工作。
首先,检查主变保护设备的接线和连接器,确保其完好无损。
其次,对所需要的测试仪器和设备进行校验和准备,并确保其正常可用。
最后,查阅设备的技术资料和相关标准规范,了解主变的技术参数和保护要求。
(2)调试参数确定:在进行主变保护二次调试之前,需要确定各个保护元件的参数。
通过查阅主变的技术资料以及与厂家进行沟通,确定各个保护元件的参数设置,并用测试仪器对这些参数进行测量和调整。
主要包括电流、电压、频率等参数的设置。
(3)功能测试:在确定了各个保护元件的参数后,进行功能测试。
包括过流保护、差动保护、接地保护、过频保护等功能的测试。
通过输入各种故障和事件信号,检查保护元件的动作是否正确,保护是否可靠。
(4)设备校验:功能测试完成后,需要对保护设备进行校验。
包括对设备的反应时间、测量精度、自动复归功能等进行衡量和校验。
与其他测试设备进行对比和校验,确保保护设备的正常运行和准确性。
2.主变保护二次调试中可能遇到的问题及解决方法(1)参数设置不准确:由于主变保护设备数量较多,参数设置不准确是常见的问题。
可以通过查阅文档和与厂家沟通来解决这个问题,并使用测试仪器对参数进行准确测量和调整。
(2)设备接线错误:在调试过程中,由于接线错误可能导致调试结果不准确。
可以通过对保护设备的接线进行检查和校验,查找接线错误并进行修正。
(3)保护元件动作不准确:在功能测试中,保护元件动作不准确可能是由于设备的故障或者程序设置错误导致的。
可以通过检查设备的状态和参数设置来解决这个问题,并进行必要的调整和修复。
(4)设备校验不通过:如果设备校验不通过,可能是设备本身存在问题,也可能是测试设备的问题。
10KV变电站调试及送电方案一、工程概况10KV变电站Ⅰ段、Ⅱ段进线电源分别来自区域变电站。
10KV设备选用开关有限公司生产的三相交流绝缘金属铠装封闭式开关柜,设备比较先进。
保护分别设有:电动机反时限过流保护、过流保护、速断保护、欠压保护、零序保护、备自投保护。
二、调试工艺程序(如图一)三、操作方法1、记录电器名牌资料⑴记录设备型号、功率、额定电压、额定电流、短路阻抗、接线组别、变压比。
⑵记录电力电缆型号和规格。
⑶记录真空开关的型号和最大分断电流。
⑷记录互感器的型号、额定电压或电流和变比。
⑸记录电抗器和消弧线圈的型号和额定电压。
(6)检查电气设备是否与设计原理及型号相符。
(按设计图纸资料核对元件与设备的型号、规格及接线原理应正确无误)。
(7)设备各项整定值按甲方要求以设计图纸为准。
(8)检查导线截面和控制线路连接,二者均应符合设计要求,检查各连接处的接触情况保证接触良好。
(9)各种接地系统及其接地电阻值应符合设计要求。
(10)试车前所有系统保护装置应按设计值整定完毕,其保护、操作与控制系统以及事故报警、显示和信号系统应该模拟试验确认正确可靠。
2.10kV母线⑴测量绝缘电阻用2500V兆欧表测量母线绝缘电阻⑵交流耐压实验用交流耐压器进行交流耐压实验3油浸式变压器⑴测量绕组连同套管的直流电阻测量应在各分接头的所有位置上进行⑵测量所有分接头的变压比用变比电桥测量所有分接头的变压比⑶检查接线组别和极性用变比电桥检查接线组别和极性⑷绝缘油试验进行电气强度试验⑸检查瓦斯继电器和温度继电器动作特性瓦斯继电器按动试验按钮检查瓦斯动作信号。
检验温度继电器设定值。
将热电偶放入水中,将水加热至略高于设定值,待水温度稳定后,将温度继电器按设定值设定,温度继电器动作。
⑹绕组连同套管的交流耐压试验选择试验电压和容量适合的交流耐压器进行耐压试验。
4真空断路器⑴测量绝缘电阻用2500兆欧表测量。
⑵测量主触头的接触电阻用双电桥测量主触头的接触电阻。
10kV变电站调试报告
1. 概述
本文档是关于10kV变电站调试的报告。
报告内容详细描述了变电站调试的过程、结果以及问题解决方案。
2. 调试过程
2.1 设备检查:在调试开始前,对变电站的各项设备进行了全面的检查,确保设备完好无损。
2.2 线路接通:根据设计要求,逐步接通变电站的各个线路。
2.3 参数设置:调试期间,根据实际情况进行参数设置,确保设备正常运行。
2.4 测试操作:对各个设备进行了一系列的测试操作,包括电流、电压、绝缘等方面的测试。
2.5 故障排查:在测试过程中,发现了一些故障,通过仔细分析和排查,成功解决了这些问题。
3. 调试结果
通过本次调试,变电站各项设备运行正常,达到了设计要求。
具体结果如下:
- 电压稳定,频率正常。
- 电流分布均匀,负载合理。
- 绝缘参数符合相关标准。
- 变压器功率传输效率高。
4. 问题解决方案
在调试过程中遇到一些问题,以下是问题的描述和对应的解决
方案:
- 问题1:变压器温度过高。
解决方案:增加冷却设备,提高散热效果。
- 问题2:电流波动较大。
解决方案:检查线路接触是否良好,确保电流稳定。
- 问题3:电压不稳定。
解决方案:调整电压控制装置,提高稳定性。
5. 总结
通过本次调试,我们成功实现了10kV变电站的正常运行。
我
们解决了一些故障和问题,并取得了良好的结果。
在今后的运行中,我们将继续监测和维护变电站的稳定运行。
关于1kV及以下电压送配电系统的调试
总结报告
背景
本次调试总结报告旨在总结1kV及以下电压送配电系统的调试过程和结果,以便进行进一步的分析和改进。
调试过程
1. 调试前的准备工作:
- 确认调试计划和目标
- 检查设备和工具的完好性
- 确保人员的安全措施已经到位
2. 调试步骤:
- 检查电源供应是否正常,确保电压稳定且符合要求
- 逐个检查送配电系统中的电缆、开关、保护装置等元件,确保其连接正确且无故障
- 对各个元件进行测试和测量,包括电压、电流、功率因数等参数
- 检查配电系统的接地情况,确保符合安全标准
- 进行系统的负载测试,检查系统在不同负载下的运行情况
- 检查保护装置的动作情况,确保在异常情况下能够及时切断
电源
3. 调试结果:
- 经过调试,确认送配电系统的运行正常,各个元件连接正确,无故障
- 系统在不同负载下运行稳定,满足设计要求
- 保护装置能够及时动作,确保人员和设备的安全
总结和改进
通过本次调试,我们对1kV及以下电压送配电系统的运行情况有了更深入的了解,并对系统中的一些问题进行了解决和改进。
为
了进一步提高系统的可靠性和安全性,我们提出以下改进措施:- 定期进行系统的检修和维护,确保元件的正常运行
- 增加系统的监测装置,实时监测各个参数的变化
- 加强对人员的培训和安全意识教育,提高操作人员的专业水
平和安全意识
结论
本次调试总结报告详细介绍了1kV及以下电压送配电系统的调试过程和结果。
通过调试,我们确认系统运行正常,并提出了一些改进措施以提高系统的可靠性和安全性。
希望本报告对以后的系统调试工作有所帮助。
电力变压器试验报告装设地点:幸福里小区运行编号: 14#箱变试验日期: 2013.07.25 试验性质:交接天气:晴温度: 36 ℃相对温度:一、设备型号:二、试验项目:2、直流电阻:3、交流耐压试验:交流耐压: 38 KV 时间: 60 S 结论:合格三、试验结论:合格四、试验仪器及编号:BCSB系列多用型实验变压器、JRR-10直流电阻测试仪、ZC-7绝缘摇表五、试验负责人:六、试验人员:七、备注:电力变压器试验报告装设地点:幸福里小区运行编号: 15#箱变试验日期: 2013.07.25 试验性质:交接天气:晴温度: 36 ℃相对温度:一、设备型号:二、试验项目:5、直流电阻:6、交流耐压试验:交流耐压: 38 KV 时间: 60 S 结论:合格三、试验结论:合格四、试验仪器及编号:BCSB系列多用型实验变压器、JRR-10直流电阻测试仪、ZC-7绝缘摇表五、试验负责人:六、试验人员:七、备注:电力变压器试验报告装设地点:幸福里小区运行编号: 4#箱变试验日期: 2013.07.25 试验性质:交接天气:晴温度: 36 ℃相对温度:一、设备型号:二、试验项目:9、交流耐压试验:交流耐压: 38 KV 时间: 60 S 结论:合格三、试验结论:合格四、试验仪器及编号:BCSB系列多用型实验变压器、JRR-10直流电阻测试仪、ZC-7绝缘摇表五、试验负责人:六、试验人员:七、备注:电力变压器试验报告装设地点:幸福里小区运行编号: 4#箱变试验日期: 2013.07.25试验性质:交接天气:晴温度: 36 ℃相对温度:一、设备型号:二、试验项目:10、绝缘电阻及吸收比:11、直流电阻:12、交流耐压试验:交流耐压: 38 KV 时间: 60 S 结论:合格三、试验结论:合格四、试验仪器及编号:BCSB系列多用型实验变压器、JRR-10直流电阻测试仪、ZC-7绝缘摇表五、试验负责人:六、试验人员:七、备注:电力变压器试验报告装设地点:幸福里小区运行编号: 9#箱变试验日期: 2013.07.25 试验性质:交接天气:晴温度: 36 ℃相对温度:一、设备型号:二、试验项目:13、绝缘电阻及吸收比:14、直流电阻:15、交流耐压试验:交流耐压: 38 KV 时间: 60 S 结论:合格三、试验结论:合格四、试验仪器及编号:BCSB系列多用型实验变压器、JRR-10直流电阻测试仪、ZC-7绝缘摇表五、试验负责人:六、试验人员:七、备注:断路器试验报告装设地点:幸福里小区运行编号:出线柜6# 试验日期:2013.07.23 试验性质:交接天气:晴温度: 33 ℃二、试验项目1、绝缘电阻:2、回路电阻:3、交流耐压:三、试验结论:合格四、试验仪器及编号: ZC-7绝缘摇表,JC-HIII接触电阻测试仪五、备注:六、试验负责人:七、试验人员:断路器试验报告装设地点:幸福里小区运行编号:出线柜2# 试验日期:2013.07.23 试验性质:交接天气:晴温度: 33 ℃二、试验项目1、绝缘电阻:2、回路电阻:3、交流耐压:三、试验结论:合格四、试验仪器及编号: ZC-7绝缘摇表,JC-HIII接触电阻测试仪五、备注:六、试验负责人:七、试验人员:断路器试验报告装设地点:幸福里小区运行编号:出线柜7# 试验日期:2013.07.23 试验性质:交接天气:晴温度: 33 ℃二、试验项目1、绝缘电阻:2、回路电阻:3、交流耐压:三、试验结论:合格四、试验仪器及编号: ZC-7绝缘摇表,JC-HIII接触电阻测试仪五、备注:六、试验负责人:七、试验人员:断路器试验报告装设地点:幸福里小区运行编号:出线柜5# 试验日期:2013.07.23 试验性质:交接天气:晴温度: 33 ℃二、试验项目1、绝缘电阻:2、回路电阻:3、交流耐压:三、试验结论:合格四、试验仪器及编号: ZC-7绝缘摇表,JC-HIII接触电阻测试仪五、备注:六、试验负责人:七、试验人员:断路器试验报告装设地点:幸福里小区运行编号:进线柜1# 试验日期:2013.07.23 试验性质:交接天气:晴温度: 33 ℃二、试验项目1、绝缘电阻:2、回路电阻:3、交流耐压:三、试验结论:合格四、试验仪器及编号: ZC-7绝缘摇表,JC-HIII接触电阻测试仪五、备注:六、试验负责人:七、试验人员:断路器试验报告装设地点:幸福里小区运行编号:进线柜2# 试验日期:2013.07.23 试验性质:交接天气:晴温度: 33 ℃二、试验项目1、绝缘电阻:2、回路电阻:3、交流耐压:三、试验结论:合格四、试验仪器及编号: ZC-7绝缘摇表,JC-HIII接触电阻测试仪五、备注:六、试验负责人:七、试验人员:断路器试验报告装设地点:幸福里小区运行编号:母联开关柜试验日期:2013.07.23 试验性质:交接天气:晴温度: 33 ℃二、试验项目1、绝缘电阻:2、回路电阻:3、交流耐压:三、试验结论:合格四、试验仪器及编号: ZC-7绝缘摇表,JC-HIII接触电阻测试仪五、备注:六、试验负责人:七、试验人员:电力电缆试验报告装设地点:幸福里小区运行编号:4#高压分支箱—开闭所试验日期:2013.07.20电压等级:10KV 试验性质:交接型号:ZRYJLV.22 8.7/15KV 天气:晴温度: 33 ℃一、试验项目1、电缆主绝缘绝缘电阻:2、直流耐压试验:二、试验结论:合格三、试验仪器及编号:ZGF-H直流高压发生器、ZC-7绝缘摇表四、备注:五、试验负责人:六、试验人员:电力电缆试验报告装设地点:幸福里小区运行编号:4#高压分支箱—9#箱变试验日期:2013.07.20 电压等级:10KV 试验性质:交接型号:ZRYJLV.22 8.7/15KV天气:晴温度: 33 ℃一、试验项目1、电缆主绝缘绝缘电阻:2、直流耐压试验:二、试验结论:合格三、试验仪器及编号ZGF-H直流高压发生器、ZC-7绝缘摇表四、备注:五、试验负责人:六、试验人员:接地装置试验报告保护调试报告一、被保护设备:进线柜1#二、装置型号及厂家:聚仁电力科技三、电流通道检查:输入电流:IA=1A IB=1A IC=1AIA=2A IB=2A IC=2AIA=3A IB=3A IC=3A输入电压:Ia=1A Ib=1A Ic=1AIa=2A Ib=2A Ic=2AIa=3A Ib=3A Ic=3A四、保护定值检验:变比400/5五、操作回路检查:开关进控位置,手合、手跳开关动作正常,跳位、合位灯指示正确,跳闸回路检查正常。
变压器保护装置调试报告范文GSP-823型微机6KV变压器保护装置调试报告装置型号GSP-823型装置名称微机10(6)KV变压器保护装置安装位置低厂变保护柜试验日期2006.7.27外观状况良好环境温度28℃被保护设备名称#1工作变页次1/2检验项目1、装置的外部检查。
检查回路是否符合装置设计要求,检查外部接线是否正确。
检查结论:正确2、通电检查推上直流保险,通电后装置开始进行自检,检查装置自检结果是否正确,检查装置显示是否正确。
检查结果:正确3、定值整定按保护定值通知单整定各保护定值,并查看定值是否正确。
检查结果:正确4、保护精度校验分别在各通道加入5A电流,校验装置显示精度。
保护PIA=5.01APIC=5.00A测量MIA=5.01AMIC=5.00A零序PI0=5.00A5、保护功能校验5.1过流一段保护整定过流一段保护定值,软硬压板投入,低压闭锁元件投入。
按说明书进行整定,测量保护动作值及动作时间。
整定值:Izdj=5Atzd=0实测值:A相Idz=4.99Atdz=0.024C相Idz=5.00Atdz=0.0235.2高压侧过流二段保护整定过流二段保护压板投入,低压闭锁元件退出,按说明书进行整定,测量保护动作值及动作时间。
整定值:Izdj=5Atzdj=0.3实测值:A相Idz=5.00Atdz=0.301C相Idz=5.01Atdz=0.3005.3高压侧过负荷保护整定过负荷保护压板投入,过负荷保护投告警.按说明书进行整定,测量保护动作值及动作时间。
干式变压器调试报告1/20调试工地GSP-823型微机6KV变压器保护装置调试报告被保护设备名称#1工作变页次整定值:Izdj=5Atzdj=1实测值:A相Idz=5.01Atdz=1.01C相Idz=5.01Atdz=1.005.4低压侧零序过流保护整定零序过流保护压板投入。
测量保护动作电流及动作时间。
整定值:Izdj=1.3Atzdj=0.3实测值:Idz=1.31Atdz=0.3015.5开入量保护测试分别短接开入量接点,查看开入量保护动作是否正确。
10kv配电工程调试方案一、前言10kV配电工程是电力系统中重要的一环,它承担着将变电站输电的电能分配到不同区域的任务。
为了保证电力系统的安全和稳定运行,对10kV配电工程进行严格的调试是非常必要的。
在进行10kV配电工程调试之前,需要充分了解工程的结构和特点,明确调试的目的和内容,合理制定调试方案,以确保调试的结果符合要求,满足工程运行的需要。
二、调试目的1.验证10kV配电系统的技术性能,检验各设备运行状态是否正常。
2.检测设备的运行参数,确定系统的负载能力和安全性。
3.调试保护装置,确保10kV配电系统在故障情况下能够快速切除故障,保障设备和人员的安全。
4.调试通信系统,确保远程监控和控制系统的正常运行。
5.编制调试报告,并对系统的运行状态进行评估和分析。
三、调试内容1.设备检测:对10kV变压器、开关设备、电缆等主要设备进行检测,检查其绝缘电阻、接地电流、绝缘介质等参数是否符合要求。
2.运行参数检测:对10kV系统的电压、电流、频率等运行参数进行检测,确定其在负载情况下的运行状态。
3.保护装置调试:对10kV配电系统的保护装置进行参数设置和测试,确保在故障情况下能够快速切除故障,保障设备和人员的安全。
4.通信系统调试:对10kV配电系统的远程监控和控制系统进行调试,确保其正常运行。
5.调试报告编制:根据调试结果编制调试报告,并对系统的运行状态进行评估和分析。
四、调试方案1.设备检测1.1 变压器检测1.1.1 检测变压器的绝缘电阻,要求其绝缘电阻值不低于规定的标准值。
1.1.2 检测变压器的接地电流,要求其接地电流不大于规定的标准值。
1.1.3 检测变压器绝缘介质,确保其在运行过程中不会出现绝缘破损等问题。
1.2 开关设备检测1.2.1 检测开关设备的机械性能,确保其在操作过程中没有卡滞、断裂等问题。
1.2.2 检测开关设备的绝缘电阻和接地电流,要求其满足规定的标准。
1.2.3 检测开关设备的有效接触,确保在运行过程中不会出现接触不良等问题。
XXXXX电力工程有限公司电气设备试验调试报告报告类型: 800kVA箱式变压器试验报告日期: 2014年 10 月 10 日客户名称: XXXXX有限公司项目名称: XXXXX有限公司3*800kVA箱变安装项目审核:批准:编制:10KV变压器现场试验记录型号: SCB10—800/10 额定容量:800KVA 额定电压:10/0。
4 日期:2014 9出厂序号:1485252 联接组标号:Dyn11生产厂家:新疆邦特电器制造有限公司阻抗电压:6。
06%三:铁心对地绝缘电阻; 500MΩ五:绕组连同套管的绝缘电阻(MΩ)实验结论:所做试验项目结果符合GB50150—2006规程有关规定使用仪器:MODEL—3125数字式高压绝缘电阻测试仪 GSBZC型全自动变比测试仪高压试验变压器GCSB-6KVA/50KV GC644—10A直流电阻测试仪试验负责人:编制:试验人员:天气:晴试验温度:20℃试验日期:年月日10KV高压柜现场试验记录柜号:1# 计量柜结论:所做试验项目结果符合GB50150-2006柜号:2#出线柜结论:所做试验项目结果符合GB50150—2006使用仪器:高压试验变压器GCSB—10KVA/50KV MODEL—3125数字式高压绝缘电阻测试仪试验负责人:编制:试验人员: 天气: 晴试验温度:20℃试验日期:年月日10KV氧化锌避雷器现场试验记录使用仪器:MODEL-3125数字式高压绝缘电阻测试仪直流高压发生器 ZGF—120/2试验负责人:编制:试验人员: 天气: 晴试验温度:20℃试验日期:年月日低压柜现场调试记录一.GGD低压柜主母线绝缘电阻(MΩ)二.低压出线各回路绝缘电阻(MΩ)使用仪器:MODEL—3125数字式高压绝缘电阻测试仪试验负责人:编制:试验人员:天气: 晴试验温度:20℃试验日期:年月日接地网现场测试记录使用仪器:GC2571数字接地电阻测试仪0。
一、实验目的为确保电气设备在安装后能够安全、稳定地运行,本次实验旨在对10kV极干式变压器进行现场交接试验,验证其各项性能指标是否符合国家标准和设计要求。
二、实验时间及地点实验时间:2021年X月X日实验地点:某电力公司10kV变电站三、实验设备1. 10kV极干式变压器(型号:XXX)2. 高压测试仪3. 低压测试仪4. 绝缘电阻测试仪5. 钳形电流表6. 线路保护装置7. 现场施工工具四、实验步骤1. 检查设备外观首先,检查10kV极干式变压器外观是否完好,有无损坏、变形等现象。
检查设备铭牌、标签是否清晰、完整,确认设备型号、电压等级、容量等参数。
2. 检查设备接线根据设备接线图,检查设备内部接线是否正确、牢固,绝缘是否良好。
重点检查高压侧和低压侧的接线,确保无短路、断路现象。
3. 进行绝缘电阻测试使用绝缘电阻测试仪,对10kV极干式变压器的绝缘电阻进行测试。
测试时,应将测试仪的电极分别接触高压侧和低压侧的接地端子,记录测试数据。
4. 进行绝缘强度测试使用高压测试仪,对10kV极干式变压器的绝缘强度进行测试。
测试时,将高压测试仪的电极分别接触高压侧和低压侧的接地端子,记录测试数据。
5. 进行负载试验在变压器低压侧接入适当的负载,对变压器进行负载试验。
测试过程中,记录变压器的工作温度、电流、电压等数据。
6. 进行空载试验将变压器低压侧断开负载,进行空载试验。
测试过程中,记录变压器的工作温度、电流、电压等数据。
7. 进行短路试验在变压器低压侧接入适当的短路负载,进行短路试验。
测试过程中,记录变压器的工作温度、电流、电压等数据。
8. 进行线路保护装置测试使用线路保护装置,对10kV极干式变压器的线路保护功能进行测试。
测试过程中,模拟故障情况,观察保护装置是否能够及时动作。
9. 实验数据整理与分析将实验过程中记录的数据进行整理与分析,与国家标准和设计要求进行对比,评估设备性能。
五、实验结果1. 外观检查:设备外观完好,无损坏、变形等现象。
木垒110kV变电站2#变增容保护调试报告批准:审核:调试人员:吴书慧、王彦军、杜晓宇杨斌、刘俊林日期:年月日1# 进线一、二、1、屏体上的标签与图纸相一致。
2、接线与实际图纸相符。
3、拔出所有插件,检查各插件上的元件无松动、脱落现象,无机械损伤及连线无被扯断等现象。
4、绝缘电阻测试合格(2000V),接地符合要求,屏蔽措施符合规程要求,接线与反措细则一致。
5、通过测CT极性,检查保护、测量、计量电流二次回路均正确。
三、装置通电检查:将插件按顺序全部插入,分别给上直流电源后各装置面板上的工作指示灯点亮,面板上其它指示灯不亮。
四、回路检查:1)手合、手跳装置及回路反映情况正确,红绿灯指示正确。
2)当地监控系统跳合闸操作反映情况正确,报文正确。
3)开出、开入传动核对正确。
(具体详见大纲)4)保护压板核对正确。
五、装置调试1、零漂检验:)、UC、UN加在PT对应的端子上。
2)、相间距离的测试3)、接地距离的测试:(1) 定值的测定七、结论试验合格,可以运行八、试验仪器:凯旋KD8302# 进线一、铭牌:二、1、屏体上的标签与图纸相一致。
2、接线与实际图纸相符。
3、拔出所有插件,检查各插件上的元件无松动、脱落现象,无机械损伤及连线无被扯断等现象。
4、绝缘电阻测试合格(2000V),接地符合要求,屏蔽措施符合规程要求,接线与反措细则一致。
5、通过测CT极性,检查保护、测量、计量电流二次回路均正确。
三、装置通电检查:将插件按顺序全部插入,分别给上直流电源后各装置面板上的工作指示灯点亮,面板上其它指示灯不亮。
四、回路检查:1)手合、手跳装置及回路反映情况正确,红绿灯指示正确。
2)当地监控系统跳合闸操作反映情况正确,报文正确。
3)开出、开入传动核对正确。
(具体详见大纲)4)保护压板核对正确。
五、装置调试1、零漂检验:)、UC、UN加在PT对应的端子上。
2)、相间距离的测试3)、接地距离的测试:六、光纤通道联调:1、差动保护:八、结论试验合格,可以运行九、试验仪器:凯旋KD8301#变压器保护调试报告主变差动保护,厂家:SIEMENS,SIPROTEC 7UT61主变高、低后备保护,厂家:南京中德,NSP772主变非电量保护,厂家:南京中德,NSP10一.通电前检查1.检查装置的型号,各电量参数与订货一致。
工程名称:阳光城假日广场(时代广场)10kV配电工程试验日期:2014年10月30日安装位置: 1AH 出线柜
1.铭牌:
2.校验码检查:
3.逆变电源检查:
4.零漂检查:
5.通道有效值检查:
6.开入量检查:
7.保护试验:
1) 过流保护:
2) 零序过流保护:
3)低周保护:
4)过负荷保护:
8.保护整组试验:
1)防跳:
2)开关操作及联锁回路:
9.其它检查:
10.装置异常检查:
11.二次回路绝缘检查:
12. 使用仪器、仪表:
13. 试验结果: 合格
试验人员:试验负责人:
工程名称:阳光城假日广场(时代广场)10kV配电工程试验日期:2014年10月30日安装位置: 2AH出线柜
1.铭牌:
2.校验码检查:
3.逆变电源检查:
4.零漂检查:
5.通道有效值检查:
6.开入量检查:
7.保护试验:
1) 过流保护:
2) 零序过流保护:
3)低周保护:
4)过负荷保护:
8.保护整组试验:
1)防跳:
2)开关操作及联锁回路:
9.其它检查:
10.装置异常检查:
11.二次回路绝缘检查:
12. 使用仪器、仪表:
13. 试验结果: 合格
试验人员:试验负责人:
工程名称:阳光城假日广场(时代广场)10kV配电工程试验日期:2014年10月30日安装位置: 11AH 出线柜
1.铭牌:
2.校验码检查:
3.逆变电源检查:
4.零漂检查:
5.通道有效值检查:
6.开入量检查:
7.保护试验:
1) 过流保护:
2) 零序过流保护:
3)低周保护:
4)过负荷保护:
8.保护整组试验:
1)防跳:
2)开关操作及联锁回路:
9.其它检查:
10.装置异常检查:
11.二次回路绝缘检查:
12. 使用仪器、仪表:
13. 试验结果: 合格
试验人员:试验负责人:
工程名称:阳光城假日广场(时代广场)10kV配电工程试验日期:2014年10月30日安装位置: 12AH 出线柜
1.铭牌:
2.校验码检查:
3.逆变电源检查:
4.零漂检查:
5.通道有效值检查:
6.开入量检查:
7.保护试验:
1) 过流保护:
2) 零序过流保护:
3)低周保护:
4)过负荷保护:
8.保护整组试验:
1)防跳:
2)开关操作及联锁回路:
9.其它检查:
10.装置异常检查:
11.二次回路绝缘检查:
12. 使用仪器、仪表:
13. 试验结果: 合格
试验人员:试验负责人:。