(整理)变压器保护装置调试报告.
- 格式:doc
- 大小:159.00 KB
- 文档页数:21
电力变压器调试工作总结
电力变压器是电力系统中不可或缺的重要设备,它承担着电能的传输、分配和变换等重要功能。
在变压器的安装和调试过程中,需要严格按照标准和规范进行操作,以确保其正常运行和安全可靠。
下面将对电力变压器调试工作进行总结。
首先,在进行电力变压器的调试工作前,需要仔细阅读变压器的技术资料和相关规范,了解其性能参数、运行要求和安全注意事项。
同时,对于大型变压器的调试工作,需要进行详细的调试方案和计划,并组织专业人员进行操作。
其次,在进行电力变压器的调试工作时,需要对其各项参数进行检测和调整,包括电压、电流、绝缘电阻等。
通过专业的测试仪器和设备,对变压器的运行情况进行全面监测和分析,确保其各项参数符合设计要求。
另外,在进行电力变压器的调试工作时,需要对其运行过程中可能出现的故障和问题进行全面排查和处理。
对于变压器的温升、噪音、振动等情况,需要及时进行调整和处理,确保其正常运行和安全可靠。
最后,在进行电力变压器的调试工作后,需要对其进行全面的验收和记录。
对于调试过程中的关键参数和操作情况,需要进行详细的记录和归档,以备日后的参考和分析。
总的来说,电力变压器的调试工作是一项复杂而重要的工作,需要严格按照规范和标准进行操作,确保其正常运行和安全可靠。
只有通过专业的调试工作,才能保证电力变压器在电力系统中发挥其应有的作用。
保护装置调试报告1.调试目的:保护装置是电力系统中保证设备和系统安全稳定运行的关键设备,为了确保其功能的正常和可靠运行,进行保护装置调试。
本次调试目的主要是检查保护装置的接线和设置参数是否正确,并测试其在故障情况下的动作性能。
2.调试范围:本次调试主要涉及系统电流保护、系统电压保护、差动保护以及频率保护等相关装置。
3.调试步骤:a.检查接线:首先,对保护装置的接线进行检查。
包括检查所有保护装置的电源、采样和测量电路的接线连接是否正确,检查接线端子的紧固情况,确保接线稳固可靠。
b.检查参数设置:检查所有保护装置的参数设置是否符合实际工作需求。
包括校验变压器的变比设置、计算线路阻抗等参数,保证装置的保护范围和故障判据的准确性。
c.动作性能测试:进行不同故障情况下的动作性能测试。
包括短路故障、过载故障、接地故障等情况下保护装置的动作时间和灵敏度等性能测试。
d.调整参数:根据动作性能测试结果,进行参数的调整。
包括校正保护装置的动作时间和灵敏度等参数,使其符合电力系统的工作要求。
4.调试结果:a.接线情况:对所有保护装置的接线进行检查,发现了一处松动的接线端子,并及时进行了紧固,确保了接线的可靠性。
b.参数设置:检查了所有保护装置的参数设置情况,发现了一处变压器变比设置错误,已进行了修正。
保证了保护装置参数的准确性。
c.动作性能测试结果:对不同故障情况下的保护装置进行了动作性能测试,结果显示保护装置的动作时间和灵敏度都符合电力系统的要求。
d.参数调整:根据动作性能测试结果,对保护装置的参数进行了相应调整,使其更加符合电力系统的实际工作需求。
5.调试总结:本次保护装置调试工作保证了保护装置的正常和可靠运行。
通过检查接线和参数设置,发现了一些问题并及时进行了修正,确保了保护装置的准确性和可靠性。
动作性能测试结果表明,保护装置的动作时间和灵敏度都符合电力系统的实际要求。
通过调试工作,提高了电力系统的安全性和稳定性,为电力系统的正常运行提供了可靠的保护。
***kV ****变电站#*主变保护检验调试报告一.检验设备的基本信息1.1主变压器基本参数1.2主变三侧断路器、独立电流互感器基本参数1.3保护装置基本信息1.4保护软件版本及程序校验码核查二.检验条件三. 保护A屏微机保护校验3.1 保护外观及内部插件检查3.2 绝缘检查3.3保护时钟失电保护功能检验3.4开关量输入回路检验3.5模数变换系统检验3.5.1 零漂及模拟量输入的幅值特性零漂允许范围: -0.01I N<I<0.01I N ,-0.05V<U<0.05V3.5.2 模拟量输入的相位特性3.6保护定值检验3.6.1差动保护3.6.1.1 差动保护定值检验3.6.1.2比例制动系数单位: A3.6.1.3二次谐波制动系数 单位: A3.6.1.4 TA 断线闭锁定值校验3.6.2 复合电压定值校验3.6.3过负荷定值校验3.6.4 高压侧后备保护定值校验3.6.4.1 复合电压闭锁过流定值校验3.6.4.2 复合电压闭锁方向过流方向元件校验3.6.4.3 零序过流定值校验3.6.4.4 零序方向过流方向元件校验3.6.4.5过流(零序电压)定值校验3.6.5中压侧后备保护定值校验3.6.5.1 复合电压闭锁过流定值校验3.6.5.2 复合电压闭锁方向过流方向元件校验3.6.5.3 零序过流定值校验3.6.5.4 零序方向过流方向元件校验3.6.5.5过流(零序电压)定值校验3.6.6低压侧后备保护定值校验3.6.6.1 复合电压闭锁过流定值校验3.7.1 高压侧复压元件并联启动中压侧3.7.2 高压侧复压元件并联启动低压侧3.7.3 中压侧复压元件并联启动高压侧3.7.4 中压侧复压元件并联启动低压侧3.7.5 低压侧复压元件并联启动高压侧3.8输出接点检查3.9 保护内部传动(现场量压板电位的变化,注明保护的动作时间。
)四.保护A屏失灵启动装置校验4.1开关量输入回路检验4.2零漂及模拟量输入的幅值特性零漂允许范围: -0.05A<I<0.05A,4.3失灵启动电流判别定值校验4.4输出接点检验五. 保护B屏PST-1200B微机保护校验5.1 保护外观及内部插件检查5.2 绝缘检查5.3保护时钟及保护定值失电保护功能检验5.4开关量输入回路检验5.5模数变换系统检验5.5.1 零漂及模拟量输入的幅值特性零漂允许范围: -0.01I N<I<0.01I N ,-0.05V<U<0.05V5.5.2 模拟量输入的相位特性5.6保护定值检验5.6.1差动保护5.6.1.1差动保护定值检验5.6.1.2差动保护比例制动特性检验单位: A5.6.1.3 TA断线闭锁定值校验5.6.2复合电压定值校验单位: V5.6.3过负荷定值校验5.6.4 高压侧后备保护定值校验5.6.4.1复合电压闭锁过流定值校验5.6.4.2 复合电压闭锁方向过流方向元件校验5.6.4.3 零序过流定值校验5.6.4.4 零序方向过流方向元件校验5.6.4.5过流定值校验5.6.5中压侧后备保护定值校验5.6.5.1 复合电压闭锁过流定值校验5.6.5.2 复合电压闭锁方向过流方向元件校验5.6.5.3 零序过流定值校验5.6.5.4 零序方向过流方向元件校验5.6.6 低压侧后备保护定值校5.6.6.1 复合电压闭锁过流定值校验5.7复合电压元件并联启动功能测试5.7.1 高压侧复压元件并联启动中压侧5.7.2 高压侧复压元件并联启动低压侧5.7.3 中压侧复压元件并联启动高压侧5.7.4 中压侧复压元件并联启动低压侧5.7.5 低压侧复压元件并联启动高压侧5.7.6 低压侧复压元件并联启动中压侧5.8输出接点检查5.9 保护内部传动(现场量压板电位的变化,注明保护的动作时间。
能源公司电气试验报告电力变压器试验报告能源公司锅炉房运行编号干式变压器安装位置2.绕组直流电阻测量.交流耐压试验7.试验结论:本次试验执行标准:电气装置安装工程电气设备交接试验标准《GB 50150-2006 》试验负责人:试验人员:试验日期:试验性质:交接试验能源公司电气试验报告电力变压器试验报告安装位置: 吐渔水35kV 变电站运行编号: 1# 站用变(041 )1.绝缘电阻测量.绕组直流电阻测量3.变比测量1、 各分接的电压比与铭牌值应无明显差别,且符合规律。
2、 35kV 以下,电压比小于 3 的变压器允许为± 1.0%;其它变压器,额定分接电压比偏差为± 0.5%,其它分接电压比应在变压器阻抗电压值( %)的( 1/10 )以内,但偏差不得大于± 1.0%。
. 交流耐压试验. 试验结论:本次试验执行标准:电气装置安装工程电气设备交接试验标准《 GB50150-2006 》试验负责人: 试验人员:试 验 日期:试验性质: 交接试验2% 。
能源公司电气试验报告电力变压器试验报告.绝缘电阻测量.绕组直流电阻测量值的 2%;.变比测量3、 各分接的电压比与铭牌值应无明显差别,且符合规律。
4、 35kV 以下,电压比小于 3 的变压器允许为± 1.0%;其它变压器,额定分接电压比偏差为± 0.5%,其它分接电压比应在变压器阻抗电压值( %)的( 1/10 )以内,但偏差不得大于± 1.0%。
5. 试验结论:本次试验执行标准:电气装置安装工程电气设备交接试验标准《 试验人员: 试验性质: 交接试验GB 50150-2006 》试验负责人: 试 验 日期:。
微机主变保护装置调试报告厂站名称:装置型号:被保护设备:调试负责人:调试人员:审核人:日期:1调试与整定依据1.1调试依据DL/T 860 变电站通信网络和系统DL/T 995 继电保护和电网安全自动装置校验规程Q/GDW 1175 变压器、高压并联电抗器、母线保护及辅助装置标准化设计规范《国家电网公司十八项电网重大反事故措施》(2018修订版)《国家电网公司电力安全工作规程(变电部分)》国家电网公司变电站继电保护专业精益化管理评价细则变电站系统设计图纸设备技术说明书2基本信息2.1装置基本信息2.2仪器设备基本信息3电源和外观检查结论:合格4屏柜装置及外观检查结论:合格5绝缘检查结论:合格6采样值检验6.1采样相序效验Ua、Ub、Uc分别加入10V、20V、30V电压,Ia、Ib、Ic分别加入0.2A、0.4A、0.6A电流,观察保护装置采样相序是否正确结论:合格6.2采样精度效验结论:合格7开入开出检查7.1硬压板检查结论:合格7.2硬接点输出检查结论:合格8保护定值校验(此处不需精度要求,满足95%,105%即为满足精度要求)8.1差动保护定值校验结论:合格8.2高、低压侧复压过流保护校验10.2.1高复流I段1时限(圆特性和四边形特性的的区别在指导书中体现)结论:合格8.2.2高复流I段2时限结论:合格8.2.3高复流I段3时限结论:合格8.2.4低复流I段1时限结论:合格8.2.5低复流I段2时限结论:合格8.2.6低复流I段3时限结论:合格结论:合格9分系统调试9.1保护带开关传动结论:合格9.3站控层通讯检查9.3.1与后台通讯检查结论:合格9.3.2软压板位置上送及遥控检查结论:合格10总体结论该保护经检验合格,符合相关规定,可以投入运行。
P C S-978主变保护测试记录表间隔名称___________________测试人员___________________测试日期___________________南京南瑞继保电气有限公司测试条件:依据实际采样方式,需要支持6044-8,IEC61850-9-1,IEC61850-9-2, GOOSE 的测试仪器一台测试内容:变压器差动保护、后备保护功能;6044-8,IEC61850-9-1,IEC61850-9-2采样测试,GOOSE检修逻辑测试。
PCS-978主变保护1.外部检查2.主保护装置检验2.1电源检验2.2通电检查2.3采集量检查2.3.1 开入量检查检查结果:___正确___ 2.4与合并单元SMV测试包括合并单元与保护的配合,测试依据采样的协议方式,采样协议采用6044-8时,合并单元不要同步;采用IEC61850-9-1 ,IEC61850-9-2时,合并单元需要同步。
目前仅在采用9-22.5整定试验按规定的试验接线,通过光纤给装置施加故障电压和电流。
1)平衡度试验(输入额定二次电流定值进行测试,角度相差中对高为-180,低对高为-150)检查结果:(正确)2)比率差动曲线校验注:在对应变压器的Y形侧(如高侧)通入单相(A相)大小为本侧二次额定值(IeH)的电流;在对应变压器的△形侧(如低侧)通入相应两相(同名相、超前相)大小为本侧二次额定值的电流;角度相反,则能做到差流为0。
减小高侧电流的大小,保持低侧电流值不变直至比率差动保护动作。
则能得到高侧的动作值。
再按下列公式计算“Kbl”值公式:①:Icd=(IaL/Iel)-(IaH/IeH)②: Izd=[(IaL/Iel)+(IaH/IeH)]/2①: Kbl = (Icd2-Icd1)/(Izd2-Izd1)检查结果:(正确)3)二次谐波制动系数试验4)变压器差动速断试验 Icd=5Ie5)CT断线闭锁功能试验投入差动保护,变压器高压侧,中压侧输入三相平衡电流,突然将高压侧A相电流降为0,保护不误动。
主变保护检验调试报告
一.铭牌型号
1.主变压器基本参数
三.微机保护装置检查
1.各保护外观及内部插件检查
3.装置电源检验
(2)、检验工作电源的自启动性能
(3)、装置故障告警接点检查:
测试主变差动CSD-326GD故障告警接点:X1-c16,X1-a16 正常
测试主变高后备CSD-326GH故障告警接点:X1-c16,X1-a16 正常测试主变低1后备CSD-326GL故障告警接点:X1-c16,X1-a16 正常测试主变低2后备CSD-326GL故障告警接点:X1-c16,X1-a16 正常测试主变非电量CSD-336C3B1故障告警接点:X1-c16,X1-a16 正常4.开关量输入回路检验
5. 模数变换系统检验
(1)、零漂及模拟量输入的幅值特性
零漂允许范围: -0.01I N<I<0.01I N ,-0.05V<U<0.05V
(2)、模拟量输入的相位特性
1.差动保护
(2)比率差动制动特性:(六相加流法)
(3)二次谐波制动:
(4)CT断线闭锁定值校验
2.高压侧后备保护定值校验
3.低压1侧后备保护定值校验(1)复合电压闭锁过流定值校验
(2)过负荷(零序电压)告警校验
(1)复合电压闭锁过流定值校验
5.主变非电量保护检验
(5)主变温度传动试验
六.本次检验结论:
合格
试验单位:试验时间:试验人:。
主变保护1 装置型号及参数 序号 项目 主要技术参数 1 装置型号 RCS-978H2 屏内主要配置 RCS974A 非电量及辅助保护、 CJX 操作箱3 直流工作电源 DC220V4 交流额定电流 5A5 交流额定电压 57.7V6 额定频率50Hz7 出厂序列号及出厂日期出厂序列号:7343110900901 ; 出厂日期:2011.038 生产厂家 南瑞继保电气有限公司 9变压器接线方式YO/ d11/ YO2 电流、电压互感器的检验 2.1互感器检查 序号 项目 项目1 高压开关侧CT电流互感器变比 1200/5 使用容量 30VA 准确级 5P40 极性端靠母线 组别1S1-1S22 高压侧间隙零序CT电流互感器变比 200/5 使用容量 40VA 准确级 5P30 极性端靠主变 组别1S1-1S23 高压侧套管零序CT电流互感器变比 600/5 使用容量 50VA 准确级 5P30 极性端靠地 组别1S1-1S24 中压开关侧CT电流互感器变比 2500/5 使用容量 30VA 准确级 5P15 极性端靠母线 组别1S1-1S25 低压开关侧CT电流互感器变比 6000/5 使用容量 30VA 准确级 5P15 极性端靠母线 组别1S2-1S16 主变低压侧套管CT电流互感器变比 4000/5 使用容量 50VA 准确级 5P30 极性端靠母线 组别1S1-1S2 7 高压侧电压 电压互感器变比 220/0.1 使用容量 30VA 准确级 0.5 8 中压侧电压 电压互感器变比 37/0.1 使用容量 30VA 准确级 0.5 9低压侧电压电压互感器变比 10/0.1 使用容量 25VA 准确级 0.52.2 电流互感器CT 二次绕组直阻、CT 二次回路的交流阻抗测试序号 功能及回路编号 相别CT 二次绕组直阻R(Ω) 加入电流5A 时电压(V ) 二次阻抗(Ω)1A0.121.540.308高压侧差动及后备(4111)B 0.12 1.54 0.308C 0.12 1.54 0.3082 中压侧差动及后备A柜(4211A 0.38 2.79 0.56B 0.4 2.81 0.564C 0.39 2.76 0.5523 低压侧差动及后备(4311)A 0.45 2.084 0.417B 0.44 2.059 0.412C 0.45 2.047 0.414 核算CT容量及所带负载满足CT的10%误差要求:(√)备注在()内填入回路编号;试验时加入电流5A时测得电压3 二次回路及外观检查序号项目检查结果3.1 交流电流、电压二次回路1 检查二次电缆标识以及电缆芯的标示正确性,并与设计图纸相符合格2 PT二次回路一点(N600)接地核查,一点接地点位置高压侧PT一点接地在220kV继保室220kv公用测控屏,中压侧PT一点接地在35kV继保室35kV公用测控屏,低压侧PT一点接地在主控继保室10kV公用测控屏。
变压器保护装置调试报告范文GSP-823型微机6KV变压器保护装置调试报告装置型号GSP-823型装置名称微机10(6)KV变压器保护装置安装位置低厂变保护柜试验日期2006.7.27外观状况良好环境温度28℃被保护设备名称#1工作变页次1/2检验项目1、装置的外部检查。
检查回路是否符合装置设计要求,检查外部接线是否正确。
检查结论:正确2、通电检查推上直流保险,通电后装置开始进行自检,检查装置自检结果是否正确,检查装置显示是否正确。
检查结果:正确3、定值整定按保护定值通知单整定各保护定值,并查看定值是否正确。
检查结果:正确4、保护精度校验分别在各通道加入5A电流,校验装置显示精度。
保护PIA=5.01APIC=5.00A测量MIA=5.01AMIC=5.00A零序PI0=5.00A5、保护功能校验5.1过流一段保护整定过流一段保护定值,软硬压板投入,低压闭锁元件投入。
按说明书进行整定,测量保护动作值及动作时间。
整定值:Izdj=5Atzd=0实测值:A相Idz=4.99Atdz=0.024C相Idz=5.00Atdz=0.0235.2高压侧过流二段保护整定过流二段保护压板投入,低压闭锁元件退出,按说明书进行整定,测量保护动作值及动作时间。
整定值:Izdj=5Atzdj=0.3实测值:A相Idz=5.00Atdz=0.301C相Idz=5.01Atdz=0.3005.3高压侧过负荷保护整定过负荷保护压板投入,过负荷保护投告警.按说明书进行整定,测量保护动作值及动作时间。
干式变压器调试报告1/20调试工地GSP-823型微机6KV变压器保护装置调试报告被保护设备名称#1工作变页次整定值:Izdj=5Atzdj=1实测值:A相Idz=5.01Atdz=1.01C相Idz=5.01Atdz=1.005.4低压侧零序过流保护整定零序过流保护压板投入。
测量保护动作电流及动作时间。
整定值:Izdj=1.3Atzdj=0.3实测值:Idz=1.31Atdz=0.3015.5开入量保护测试分别短接开入量接点,查看开入量保护动作是否正确。
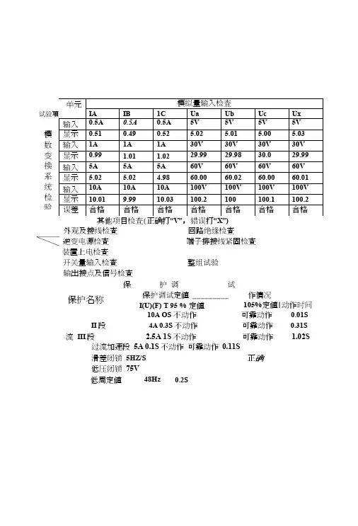
外观及接线检查回路绝缘检查 其他项目检査(正确打“V”,错误打“X”)模数变换系统检验逆变电源检查 装置上电检查开关量输入检查输出接点及信号检查保护名称端子排接线紧固检查 整组试验 保 护 调 试保护调试定值 _________ I(U)(F) T 95 % 定值作情况105%定值|动作时间 10A OS 不动作 可靠动作 0.01SII 段 4A 0.3S 不动作 可靠动作 0.31S流 III 段 2.5A 1S 不动作 可靠动作 1.02S过流加速段 5A 0.1S 不动作 可靠动作 0.11S 滑差闭锁 5HZ/S 正确 低压闭锁 75V低周定值48Hz 0.2S时间合 重合方式 不检正确间 充放电试验保护 状 态 测 试测试项目测量值 测试项目 测量值UX 1C 备注:IA 2S时间合 重合方式 不检 正确间 充放电试验保护 状 态 测 试测试项目测量值 测试项目 测量值UX外观及接线检查回路绝缘检查 其他项目检査(正确打“V”,错误打“X”)模数变换系统检验逆变电源检查 装置上电检查开关量输入检查输出接点及信号检查保护名称端子排接线紧固检查 整组试验 保 护 调 试保护调试定值 _________ I(U)(F) T 95 % 定值作情况105%定值|动作时间 10A OS 不动作 可靠动作 0.01SII 段 4A 0.3S 不动作 可靠动作 0.31S流 III 段 2.5A 1S 不动作 可靠动作 1.02S过流加速段 5A 0.1S 不动作 可靠动作 0.11S 滑差闭锁 5HZ/S 正确 低压闭锁 75V低周定值48Hz 0.2S 2SIA1C 备注:端子排接线紧固检查 装置上电检查 开关量输入检查 保护 调 试输出接点及信号检查试验項外观及接线检查回路绝缘检查其他项目检査(正确打“V”,错误打“X”)模拟量输入检査 模数变换系统检验逆变电源检查整组试验保护状态测试备注:端子排接线紧固检查 装置上电检查 开关量输入检查 保护 调 试输出接点及信号检查保护 状 态 测 试 试验項外观及接线检查 回路绝缘检查其他项目检査(正确打“V”,错误打“X”)模拟量输入检査 模数变换系统检验逆变电源检查整组试验备注:端子排接线紧固检查 装置上电检查 开关量输入检查 保护 调 试输出接点及信号检查保护 状 态 测 试 试验項外观及接线检查 回路绝缘检查其他项目检査(正确打“V”,错误打“X”)模拟量输入检査 模数变换系统检验逆变电源检查整组试验备注:10kV酒都剧场1#进线柜试验日期2010.12.23_试验中发现设备的缺陷无已处理缺陷待处理缺陷无无。
《继电保护装置调试实训》指导书2012.09前言本指导书是对应重庆电力高等专科学校《继电保护装置调试实训》课程的配套指导书。
是针对发电厂及电力系统专业和电力系统继电保护及自动化专业的专业技能实训指导书,主要讲述了电力系统继电保护装置的标准调试流程,对各种保护装置的保护原理和调试方法进行了说明,本部分主要是对重庆市示范高职高专建设中继电保护实训基地新增装置的调试讲义,附件中还提供了部分保护装置的调试报告参考模板。
第1章继电保护装置调试概述本章节对继电保护装置的调试目的,调试原则,调试方法进行介绍,同时对调试工作中涉及的仪器和工具的使用方法进行说明1.1 关于继电保护装置调试1.1.1 什么是电力系统继电保护?电力系统继电保护是对电力系统中发生的故障或异常情况进行检测,从而发出报警信号,或直接将故障部分隔离、切除的一种重要措施。
1.1.2什么是继电保护装置?所谓继电保护装置,就是一个或多个保护元件和逻辑元件按要求组配在一起、并完成电力系统中某项特定保护功能的装置。
电力系统继电保护的发展经历了机电型、整流型、晶体管型和集成电路型几个阶段后,现在发展到了微机保护阶段。
微机继电保护的发展史微机继电保护指的是以数字式计算机(包括微型机)为基础而构成的继电保护,采用这种技术设计生产的继电保护装置称为微机型继电保护装置。
1.1.3为什么要对继电保护装置进行调试?对继电保护装置进行的调试的主要目的是检验继电保护装置的功能模块是否运行正常,对继电保护装置的运行状态进行检查和设置,对继电保护装置的实际动作情况同保护设计原理进行比对。
一套合格的继电保护装置要在工作现场实际运行,必须经历设计、生产、安装、运行几个阶段。
其中出了设计阶段外,其余几个阶段都是需要对保护装置进行调试工作。
(1)生产调试:当继电保护装置生产厂家按照设计要求将继电保护装置生产出来以后,必须进行出厂前调试,确保装置能够达到设计要求。
此类调试一般由保护装置生产厂家的调试人员完成,采用直接对保护装置进行操作的方式进行。
变电设备调试试验报告一、试验目的本次试验主要目的是对变电设备进行调试,确保设备的正常运行和可靠性。
试验的内容包括检查设备的运行状态、性能指标和安全性能,确认设备是否符合相关标准和要求。
二、试验设备本次试验使用的变电设备包括变压器、电缆、开关设备、保护装置等。
三、试验内容1.变压器的试验对变压器进行运行试验,确认其输入输出电压、电流是否满足要求,检查变压器的绝缘状况和接地情况。
2.电缆的试验对电缆进行绝缘电阻试验,检测电缆的绝缘状况;同时进行电缆的负载连续试验,检测电缆的电流传输能力。
3.开关设备的试验对开关设备进行运行试验,确认开关的分合闸动作是否正常、接触器的接触状态良好,并对开关的绝缘强度进行检测。
4.保护装置的试验对保护装置进行试验,检测装置对短路和过负荷等异常状态的反应能力。
五、试验结果及分析经过试验,各项设备运行正常,满足设计要求。
变压器的输入输出电压、电流稳定,绝缘状况和接地情况良好。
电缆的绝缘电阻符合要求,负载能力满足需要。
开关设备的分合闸动作正常,接触器接触状态良好,绝缘强度合格。
保护装置对异常状态反应迅速、准确。
综合分析试验结果,变电设备可靠性高,能够满足供电系统的要求。
六、存在问题及建议本次试验中,没有发现明显的问题。
对于设备的运行稳定性和绝缘状况的长期监测仍需重视,保证设备的可靠性和安全性。
七、试验结论经过调试试验,本次变电设备能够正常运行,满足设计要求。
设备的运行状态、性能指标和安全性能良好。
八、试验后措施根据试验结果,对设备进行定期的维护检修,确保设备的正常运行,及时处理设备的故障和异常情况。
九、试验总结本次变电设备调试试验顺利完成,各项试验结果良好。
试验过程中注重设备的安全性和可靠性,保证电力供应系统的正常运行。
未来应持续关注设备的运行状态,采取有效的维护措施,保障设备的长期可靠运行。
以上为变电设备调试试验报告,试验结果表明设备的正常运行和可靠性良好,并提出了进一步维护建议。
主变保护二次调试报告主变保护是电力系统中保护设备的重要组成部分,对主变进行二次调试是确保主变正常运行和安全运行的关键步骤之一、本文将介绍主变保护二次调试的步骤和方法,并针对调试过程中可能遇到的问题进行分析和解决。
1.主变保护二次调试的步骤(1)准备工作:在开始调试之前,需要进行一系列的准备工作。
首先,检查主变保护设备的接线和连接器,确保其完好无损。
其次,对所需要的测试仪器和设备进行校验和准备,并确保其正常可用。
最后,查阅设备的技术资料和相关标准规范,了解主变的技术参数和保护要求。
(2)调试参数确定:在进行主变保护二次调试之前,需要确定各个保护元件的参数。
通过查阅主变的技术资料以及与厂家进行沟通,确定各个保护元件的参数设置,并用测试仪器对这些参数进行测量和调整。
主要包括电流、电压、频率等参数的设置。
(3)功能测试:在确定了各个保护元件的参数后,进行功能测试。
包括过流保护、差动保护、接地保护、过频保护等功能的测试。
通过输入各种故障和事件信号,检查保护元件的动作是否正确,保护是否可靠。
(4)设备校验:功能测试完成后,需要对保护设备进行校验。
包括对设备的反应时间、测量精度、自动复归功能等进行衡量和校验。
与其他测试设备进行对比和校验,确保保护设备的正常运行和准确性。
2.主变保护二次调试中可能遇到的问题及解决方法(1)参数设置不准确:由于主变保护设备数量较多,参数设置不准确是常见的问题。
可以通过查阅文档和与厂家沟通来解决这个问题,并使用测试仪器对参数进行准确测量和调整。
(2)设备接线错误:在调试过程中,由于接线错误可能导致调试结果不准确。
可以通过对保护设备的接线进行检查和校验,查找接线错误并进行修正。
(3)保护元件动作不准确:在功能测试中,保护元件动作不准确可能是由于设备的故障或者程序设置错误导致的。
可以通过检查设备的状态和参数设置来解决这个问题,并进行必要的调整和修复。
(4)设备校验不通过:如果设备校验不通过,可能是设备本身存在问题,也可能是测试设备的问题。
实习报告:继电保护装置调试实习一、实习目的与任务本次实习的主要任务是通过动手实际操作,对继电保护装置进行调试,以验证所学继电保护的理论知识,加深对基本原理、基本概念的理解,并提高实际操作能力。
实习内容包括变压器保护、线路保护、母线保护等继电保护装置的调试。
二、实习内容与过程1. 变压器保护装置调试在变压器保护装置调试中,我们主要对差动保护、过流保护、绕组温度保护等进行调试。
首先,我们根据原理图进行接线,然后进行参数设置,包括动作电流、返回电流等。
接着,进行模拟试验,模拟各种故障情况,观察保护装置的动作情况,判断其是否符合保护原理和设计要求。
2. 线路保护装置调试线路保护装置调试主要包括距离保护、零序保护、过电压保护等。
我们按照原理图进行接线,设置相应的参数。
通过模拟试验,模拟线路的各种故障情况,观察保护装置的动作情况,判断其是否符合保护原理和设计要求。
3. 母线保护装置调试母线保护装置调试主要包括差动保护、过电流保护等。
我们根据原理图进行接线,设置相应的参数。
通过模拟试验,模拟母线的各种故障情况,观察保护装置的动作情况,判断其是否符合保护原理和设计要求。
三、实习收获与体会通过本次实习,我对继电保护装置的调试有了更深入的了解。
在实际操作中,我学会了如何根据原理图进行接线,如何设置参数,以及如何判断保护装置的动作情况。
同时,我也认识到继电保护装置调试的重要性,它不仅能够确保电力系统的安全稳定运行,还能够提高电力系统的可靠性和经济性。
此外,实习过程中,我还学会了与同事合作,共同解决问题。
在实际操作中,我们相互学习、相互帮助,共同完成了实习任务。
这使我更加深刻地认识到团队合作的重要性。
四、实习总结本次继电保护装置调试实习使我受益匪浅。
通过实习,我不仅提高了自己的实际操作能力,还对继电保护装置的调试有了更深入的了解。
同时,我也学会了团队合作,为今后的工作打下了坚实的基础。
在今后的学习和工作中,我将继续努力,不断提高自己的专业素养,为电力系统的发展贡献自己的力量。
继电保护装置(变压器主保护)调试报告调试人员:一.调试时间:外部检查:1.确认调试装置:(对调试装置的屏号, 型号进行记录确认, 并说明其主要保护功能)2.检查装置外观:a.破损情况说明:b.污损情况说明:c.其他情况说明:3.二次线连接检查:(对照端子排图纸, 对调试装置的二次线连接进行检查, 看是否有虚接, 错接以及漏接,如有, 请记录)(对照端子排图纸,对调试装置的二次线连接进行检查,看是否有虚接,错接以及漏接,如有,请记录)4.绝缘耐压检查:通电检查:1.检查屏幕:(检查液晶显示屏显示是否正常, 有无花屏黑屏等现象。
)2.检查按键: (记录各个按键功能, 各个按键应该灵活可控)3.检查菜单: (记录菜单结构, 对各个最小子菜单进行简要说明。
)4.查验版本信息: (记录调试装置的软件版本号与校验码)拟量通道检查与校正:开关量通道检查:保护逻辑检查:1.变压器参数设定与检查:a.进入变压器参数设置, 设置参数如下:变压器为双绕组变压器(yy-12连接方式), 变压器容量200MV A, Ⅰ侧额定电压115.5kV, CT变比200, Ⅱ侧额定电压38.5kV, CT变比600;计算变压器二次侧额定电流: (计算方法参照说明书)检查变压器二次侧额定电流:2.差动速断保护功能检查:a. 保护功能设定:差动速断定值:软硬压板投入情况:b. 保护动作试验记录实测速断动作值:施加两倍动作值电流动作时间:3.比率制动差动保护功能检查:a. 保护功能设定:差动启动电流定值:比率制动系数:二次谐波制动系数:b.软硬压板投入情况:保护动作试验记录:最小动作电流(差动启动电流):差动动作时间:比率制动特性试验:(测量特征点, 计算出斜率, 观点)特性曲线绘制:(将变压器为双绕组变压器(yΔ-11连接方式), 其他参数不变, 重复上述步骤)。