安装工程中最常用的图例大全
- 格式:docx
- 大小:9.61 KB
- 文档页数:6
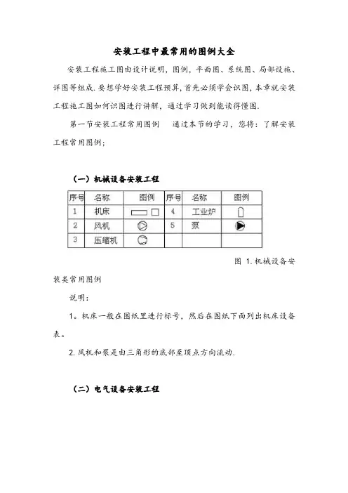
安装工程中最常用的图例大全安装工程施工图由设计说明,图例,平面图、系统图、局部设施、详图等组成.要想学好安装工程预算,首先必须学会识图,本章就安装工程施工图如何识图进行讲解,通过学习做到能读得懂图.第一节安装工程常用图例通过本节的学习,您将:了解安装工程常用图例;(一)机械设备安装工程图1。
机械设备安装类常用图例说明:1。
机床一般在图纸里进行标号,然后在图纸下面列出机床设备表.2.风机和泵是由三角形的底部至顶点方向流动。
(二)电气设备安装工程图 2.电气设备安装类常见图例说明:1。
有些图例不是一种,像变压器,开关,灯等,由于篇幅问题不全列举,可以参考相关书籍.2。
荧光灯不同的线数代表不同的灯管根数,电线也是代表导线根数.3。
电气类的图例符号很多,从事这个专业的可以专门学习一下.(三)热力设备和静置设备安装工程图3。
热力设备和静置设备类常见图例(四)工业管道工程图4.工业管道类常见图例说明:有些图例利用字母表示管道类型,有些利用线性表示,如给水管和排水管,还可以有热水(R),污水(W),雨水(Y),空调供水(KG),空调回水(KH)等不再一一列举。
(五)消防工程图5。
消防类常用图例说明:1。
喷洒头,图上所列上面为闭式,下面为开式。
2.报警阀画的是系统图表现形式.3。
室内消防栓前面是平面图表现形式,后面是系统图表现形式.(六)给排水、采暖、燃气工程图6.给排水、采暖、燃气类常用图例(七)通风空调工程图7.通风空调常用图例说明:1.图中1空调设备左侧适用于不带转动部分的设备,右侧适用于带转动部分的设备.2.风机盘管的符号,现在很多设计院都是在上面进行标注,如FP—51WA等。
3。
风管仅表示平面图,根据风管截面的不同有圆形风管和矩形风管。
4.图中14风管防火阀,通常表示的70℃常开防火阀,旋转90℃即为常闭。
5。
图中15风管排烟阀,通常表示的280℃常闭排烟阀,同样旋转90℃即为常开。
(八)自动化控制仪表安装工程图8。
安装工程中最常用的图例大全安装工程施工图由设计说明,图例,平面图、系统图、局部设施、详图等组成。
要想学好安装工程预算,首先必须学会识图,本章就安装工程施工图如何识图进行讲解,通过学习做到能读得懂图。
第一节安装工程常用图例通过本节的学习,您将:了解安装工程常用图例;(一)机械设备安装工程图1.机械设备安装类常用图例说明:1. 机床一般在图纸里进行标号,然后在图纸下面列出机床设备2. 风机和泵是由三角形的底部至顶点方向流动。
(二)电气设备安装工程图2.电气设备安装类常见图例说明:1. 有些图例不是一种,像变压器,开关,灯等,由于篇幅问题不全列举,可以参考相关书籍。
2. 荧光灯不同的线数代表不同的灯管根数,电线也是代表导线根数。
3. 电气类的图例符号很多,从事这个专业的可以专门学习一下。
(三)热力设备和静置设备安装工程图3.热力设备和静置设备类常见图例(四)工业管道工程图4.工业管道类常见图例说明:有些图例利用字母表示管道类型,有些利用线性表示,如给水管和排水管,还可以有热水(R),污水(W),雨水(Y),空调供水(KG),空调回水(KH)等不再一一列举。
(五)消防工程消防类常用图例说明:1. 喷洒头,图上所列上面为闭式,下面为开式2. 报警阀画的是系统图表现形式。
3. 室内消防栓前面是平面图表现形式,后面是系统图表现形式。
(六)给排水、采暖、燃气工程图6.给排水、采暖、燃气类常用图例(七)通风空调工程图7.通风空调常用图例说明:1. 图中1空调设备左侧适用于不带转动部分的设备,右侧适用于带转动部分的设备。
2. 风机盘管的符号,现在很多设计院都是在上面进行标注,如FP-51WA等。
3. 风管仅表示平面图,根据风管截面的不同有圆形风管和矩形风管。
4. 图中14风管防火阀,通常表示的70C常开防火阀,旋转90C 即为常闭。
5. 图中15风管排烟阀,通常表示的280C常闭排烟阀,同样旋转90C即为常开。
(八)自动化控制仪表安装工程图8.自动化控制仪表类常用图例以上按专业分类简单的介绍一下安装类常用图例,是更深入了解安装工程的基础,只有熟悉图例的情况下才能看懂图,再进一步计算工程量,进行工程计价。
安装工程中最常用的图例大全安装工程施工图由设计说明,图例,平面图、系统图、局部设施、详图等组成。
要想学好安装工程预算,首先必须学会识图,本章就安装工程施工图如何识图进行讲解,通过学习做到能读得懂图。
第一节安装工程常用图例通过本节的学习,您将:了解安装工程常用图例;(一)机械设备安装工程图1.机械设备安装类常用图例说明:1.机床一般在图纸里进行标号,然后在图纸下面列出机床设备表。
2.风机和泵是由三角形的底部至顶点方向流动。
(二)电气设备安装工程图2.电气设备安装类常见图例说明:1.有些图例不是一种,像变压器,开关,灯等,由于篇幅问题不全列举,可以参考相关书籍。
2.荧光灯不同的线数代表不同的灯管根数,电线也是代表导线根数。
3.电气类的图例符号很多,从事这个专业的可以专门学习一下。
(三)热力设备和静置设备安装工程图3.热力设备和静置设备类常见图例(四)工业管道工程图4.工业管道类常见图例说明:有些图例利用字母表示管道类型,有些利用线性表示,如给水管和排水管,还可以有热水(R),污水(W),雨水(Y),空调供水(KG),空调回水(KH)等不再一一列举。
(五)消防工程图5.消防类常用图例说明:1.喷洒头,图上所列上面为闭式,下面为开式。
2.报警阀画的是系统图表现形式。
3.室内消防栓前面是平面图表现形式,后面是系统图表现形式。
(六)给排水、采暖、燃气工程图6.给排水、采暖、燃气类常用图例(七)通风空调工程图7.通风空调常用图例说明:1.图中1空调设备左侧适用于不带转动部分的设备,右侧适用于带转动部分的设备。
2.风机盘管的符号,现在很多设计院都是在上面进行标注,如FP-51WA 等。
3.风管仅表示平面图,根据风管截面的不同有圆形风管和矩形风管。
4.图中14风管防火阀,通常表示的70℃常开防火阀,旋转90℃即为常闭。
5.图中15风管排烟阀,通常表示的280℃常闭排烟阀,同样旋转90℃即为常开。
(八)自动化控制仪表安装工程图8.自动化控制仪表类常用图例以上按专业分类简单的介绍一下安装类常用图例,是更深入了解安装工程的基础,只有熟悉图例的情况下才能看懂图,再进一步计算工程量,进行工程计价。
安装工程常用图例大全!安装工程施工图由设计说明,图例,平面图、系统图、局部设施、详图等组成。
安装工程常用图例(一)机械设备安装工程图1.机械设备安装类常用图例说明:1.机床一般在图纸里进行标号,然后在图纸下面列出机床设备表。
2.风机和泵是由三角形的底部至顶点方向流动。
(二)电气设备安装工程图2.电气设备安装类常见图例说明:1.有些图例不是一种,像变压器,开关,灯等,由于篇幅问题不全列举,可以参考相关书籍。
2.荧光灯不同的线数代表不同的灯管根数,电线也是代表导线根数。
3.电气类的图例符号很多,从事这个专业的可以专门学习一下。
(三)热力设备和静置设备安装工程图3.热力设备和静置设备类常见图例(四)工业管道工程图4.工业管道类常见图例说明:有些图例利用字母表示管道类型,有些利用线性表示,如给水管和排水管,还可以有热水(R),污水(W),雨水(Y),空调供水(KG),空调回水(KH)等不再一一列举。
(五)消防工程图5.消防类常用图例说明:1.喷洒头,图上所列上面为闭式,下面为开式。
2.报警阀画的是系统图表现形式。
3.室内消防栓前面是平面图表现形式,后面是系统图表现形式。
(六)给排水、采暖、燃气工程图6.给排水、采暖、燃气类常用图例(七)通风空调工程图7.通风空调常用图例说明:1.图中1空调设备左侧适用于不带转动部分的设备,右侧适用于带转动部分的设备。
2.风机盘管的符号,现在很多设计院都是在上面进行标注,如FP-51WA等。
3.风管仅表示平面图,根据风管截面的不同有圆形风管和矩形风管。
4.图中14风管防火阀,通常表示的70℃常开防火阀,旋转90℃即为常闭。
5.图中15风管排烟阀,通常表示的280℃常闭排烟阀,同样旋转90℃即为常开。
(八)自动化控制仪表安装工程图8.自动化控制仪表类常用图例。
安装工程各工程图例1. 引言本文档旨在介绍安装工程中常见的各种工程图例。
安装工程图例的准确传达了安装工程的具体要求和细节,对于工程的顺利进行起着关键的作用。
在本文档中,我们将介绍以下几种常见的安装工程图例:•水暖工程图例•电气工程图例•空调工程图例•通风工程图例•火灾自动报警系统工程图例•管道工程图例2. 水暖工程图例水暖工程图例用于传达水暖工程的布置和细节。
它包括了如下要素:•管道的类型和材质•阀门、水泵和水箱的安装位置和类型•插座和水龙头的布置以下是一个例如水暖工程图例:水暖工程图例水暖工程图例3. 电气工程图例电气工程图例用于传达电气工程的布置和细节。
它包括了如下要素:•开关、插座和灯具的布置•电缆和线路的走向和连接方式•配电箱和电表的安装位置和类型以下是一个例如电气工程图例:电气工程图例电气工程图例4. 空调工程图例空调工程图例用于传达空调工程的布置和细节。
它包括了如下要素:•空调设备的安装位置和类型•风管和风口的布置和连接方式•温度和湿度控制设备的位置和类型以下是一个例如空调工程图例:空调工程图例空调工程图例5. 通风工程图例通风工程图例用于传达通风工程的布置和细节。
它包括了如下要素:•通风设备的安装位置和类型•风道和出风口的布置和连接方式•新风量和排风量的控制设备位置和类型以下是一个例如通风工程图例:通风工程图例通风工程图例6. 火灾自动报警系统工程图例火灾自动报警系统工程图例用于传达火灾自动报警系统的布置和细节。
它包括了如下要素:•火灾探测器和报警装置的安装位置和类型•火灾喷淋系统和疏散通道的布置和连接方式•火灾报警主控室的位置和类型以下是一个例如火灾自动报警系统工程图例:火灾自动报警系统工程图例火灾自动报警系统工程图例7. 管道工程图例管道工程图例用于传达管道工程的布置和细节。
它包括了如下要素:•管道的类型和材质•阀门和连接件的安装位置和类型•管道走向和施工方式以下是一个例如管道工程图例:管道工程图例管道工程图例8. 总结通过本文档的介绍,我们了解了安装工程中常见的各种工程图例。
图纸中给排水管道图形符号管道及附件图形符号说明图形符号说明管道:用于一张图内只有一种管道四通连接管道:用汉语拼音字头表示管道类别流向导管:用图例表示管道类别坡向交叉管:指管道交叉不连接,在下方和后面的管道应断开套管伸缩器三通连接波形伸缩器弧形伸缩器管道滑动支架方形伸缩器保温管也适用于防结露管防水套管多孔管软管拆除管可挠曲橡胶接头地沟管管道固定支架防护套管管道立管检查口排水明沟清扫口排水暗沟通气帽弯折管表示管道向后弯90°雨水斗弯折管排水漏斗表示管道向前弯90°存水弯圆形地漏方型地漏阀门套筒自动冲洗箱挡墩管道的连接图形符号说明图形符号说明法兰连接活接头承插连接转动接头管堵管接头法兰堵盖弯管偏心异径管正三通异径管斜三通乙字管正四通喇叭口斜四通螺纹连接阀门图形符号说明图形符号说明阀门电动阀用于一张图内只有一种阀门角阀液动阀三通阀气动阀四通阀减压阀闸阀旋塞阀截止阀底阀球阀消声止回阀隔膜阀碟阀温度调节阀弹簧安全阀压力调节阀平衡锤安全阀电磁阀自动排气阀止回阀浮球阀气开隔膜阀气闭隔膜阀延时自闭冲洗阀脚踏开关放水龙头疏水器皮带龙头室外消火栓洒水龙头室内消火栓(单口) 化验龙头室内消火栓(双口) 肘式开关水泵接合器消防喷头(开式)消防报警阀消防喷头(闭式)卫生器具及水池图形符号说明图形符号说明水盆水纸用于一张图只有一种水盆或水池立式洗脸盆洗脸盆浴盆化验盆、洗涤盆挂式小便器带蓖洗涤盆蹲式大便器盥洗槽坐式大便器污水池淋浴喷头妇女卫生盆矩形化粪池HC为化粪池代号立式小便器圆形化粪池除油池YC为除油池代号放气井沉淀池CC为沉淀池代号泄水井降温池JC为降温池代号水封井中和池ZC为中和池代号跌水井雨水口水表井本图例与流量计相同设备及仪表图形符号说明图形符号说明泵用于一张图只有一种泵管道泵离心水泵热交换器真空泵水-水热交换器手摇泵开水器定量泵喷射器磁水泵集气罐过滤器除污器上图:平面下图:立面水锤消除器暖风机浮球液位器温度计搅拌器水流指示器散热器上图:平面下图:立面压力表自动记录压力表自动记录流量计电接点压力表转子流量计流量计减压孔板阀门图例大全(组图)表3.0.2 管道附件序号名称图例备注1 套管伸缩器2 方形伸缩器3 刚性防水套管4 柔性防水套管5 波纹管6 可曲挠橡胶接头7 管道固定支架8 管道滑动支架9 立管检查口10 清扫口11 通气帽12 雨水斗13 排水漏斗14 圆形地漏通用。
一、工艺管道施工图常用图例名称图例名称图例闸阀异径管压力调节阀偏心异径管升降式止回阀堵板旋启式止回阀法兰减压阀法兰连接电动闸阀丝堵滚动闸阀人口自动截门流量孔板带手动装置的截门放气管浮力调节阀防雨罩密闭式弹簧安全阀地漏开启式弹簧安全阀压力表放气阀U型压力表自动放气阀自动记录压力表立管及立管上阀门水银温度计挡住阀二次蒸发器疏水器室外架空管道固定支架∩型补偿器室外架空煤气道管单层支架套管补偿器室外架空煤气道管摇摆支架波型、鼓型补偿器漏气检查点一、工艺管道施工图常用图例名称图例名称图例离心水泵防火器手摇泵地沟∪型膨胀穴喷射泵地沟安装孔热交换器地沟及检查井立式油水分离器(用于压缩空气)Dg≤80弹簧支(吊)架卧式油水分离器(用于压缩空气)Dg≥100 单、双、三接头立式集水器(用于压缩空气)导向支架地沟排风口吊架流量表二、通风空调工程常用图例名称图形名称图形带导流叶片弯头消声弯头伞形风帽送风口回风口圆形散流器方形散流器插板阀蝶阀对开式多叶调节阀光圈式启动调节阀风管止回阀防火阀三通调节阀三、给排水、采暖常用图例名称图形名称图形闸阀化验盆洗涤盆截止阀污水池延时自闭冲洗阀带沥水板洗涤盆减压阀盥洗盆球阀妇女卫生盆止回阀立式小便器消音止回阀挂式小便器蝶阀蹲式大便器柔性防水套管坐式大便器检查口小便槽清扫口引水器通气帽淋浴喷头圆形地漏雨水口方形地漏水泵水锤消除器水表可曲挠橡胶接头防回流污染止回阀水表井水龙头名称图形名称图形手提式灭火器灭火设备安装处所推车式灭火器控制和指示设备固定式灭火系统(全淹没)报警息动固定式灭火系统(局部应用)火灾报警装置固定式灭火系统(指出应用区)消防通风口1、消防工程辅助符号名称图形名称图形水阀门手动启动泡沫或泡沫液出口电铃无水入口发声器BC类干粉热扬声器ABC类干粉烟电话卤代烷火焰光信号二氧化碳易爆气体2、消防工程灭火器符号名称图形名称图形清水灭火器卤代烷灭火器推车式ABC类干粉灭火器泡沫灭火器二氧化碳灭火器推车式卤代烷灭火器BC类干粉灭火器推车式泡沫灭火器水桶ABC类干粉灭火器推车式BC类干粉灭火器沙桶3、消防管路及配件符号名称图形名称图形干式立管消防水管线干式立管消防水罐(池)干式立管泡沫混合液管线报警阀干式立管消火栓开式喷头干式立管消防泵闭式喷头干式立管泡沫比例混合器水泵结合器湿式立管泡沫产生器泡沫混合器立管泡沫液管4、消防工程固定灭火器系统符号名称图形名称图形水灭火系统(全淹没)ABC类干粉灭火系统手动控制灭火系统泡沫灭火系统(全淹没)卤代烷灭火系统BC类干粉灭火系统二氧化碳灭火系统5、消防工程灭火设备安装处符号名称图形名称图形二氧化碳瓶站ABC干粉罐泡沫罐站BC干粉灭火罐站消防泵站6、消防工程自动报警设备符号名称图形名称图形消防控制中心火灾报警装置温感探测器感光探测器手动报警装置烟感探测器气体探测器报警电话火灾警铃火灾报警扬声器火灾报警发声器火灾光信号装置表3.0.1管道图例序号名称图例备注1 生活给水管2 热水给水管3 热水回水管4 中水给水管5 循环给水管6 循环回水管7 热媒给水管8 热媒回水管9 蒸汽管10 凝结水管11 废水管可与中水源水管合用12 压力废水管13 通气管14 污水管15 压力污水管16 雨水管17 压力雨水管18 膨胀管19 保温管20 多孔管21 地沟管22 防护套管23 管道立管X:管道类别L:立管1:编号24 伴热管25 空调凝结水管26 排水明沟27 排水暗沟注:分区管道用加注角标方式表示:如J1、J2、RJ1、RJ2……。
安装工程中最常用的图例大全安装工程施工图由设计说明,图例,平面图、系统图、局部设施、详图等组成.要想学好安装工程预算,首先必须学会识图,本章就安装工程施工图如何识图进行讲解,通过学习做到能读得懂图.第一节安装工程常用图例通过本节的学习,您将:了解安装工程常用图例;(一)机械设备安装工程图 1.机械设备安装类常用图例说明:1。
机床一般在图纸里进行标号,然后在图纸下面列出机床设备表。
2.风机和泵是由三角形的底部至顶点方向流动.(二)电气设备安装工程图 2.电气设备安装类常见图例说明:1.有些图例不是一种,像变压器,开关,灯等,由于篇幅问题不全列举,可以参考相关书籍。
2。
荧光灯不同的线数代表不同的灯管根数,电线也是代表导线根数。
3。
电气类的图例符号很多,从事这个专业的可以专门学习一下。
(三)热力设备和静置设备安装工程图3。
热力设备和静置设备类常见图例(四)工业管道工程图4.工业管道类常见图例说明:有些图例利用字母表示管道类型,有些利用线性表示,如给水管和排水管,还可以有热水(R),污水(W),雨水(Y),空调供水(KG),空调回水(KH)等不再一一列举。
(五)消防工程图 5.消防类常用图例说明:1.喷洒头,图上所列上面为闭式,下面为开式。
2。
报警阀画的是系统图表现形式.3.室内消防栓前面是平面图表现形式,后面是系统图表现形式.(六)给排水、采暖、燃气工程图6.给排水、采暖、燃气类常用图例(七)通风空调工程图7.通风空调常用图例说明:1。
图中1空调设备左侧适用于不带转动部分的设备,右侧适用于带转动部分的设备。
2.风机盘管的符号,现在很多设计院都是在上面进行标注,如FP-51WA等。
3.风管仅表示平面图,根据风管截面的不同有圆形风管和矩形风管。
4。
图中14风管防火阀,通常表示的70℃常开防火阀,旋转90℃即为常闭。
5。
图中15风管排烟阀,通常表示的280℃常闭排烟阀,同样旋转90℃即为常开。
(八)自动化控制仪表安装工程图8.自动化控制仪表类常用图例以上按专业分类简单的介绍一下安装类常用图例,是更深入了解安装工程的基础,只有熟悉图例的情况下才能看懂图,再进一步计算工程量,进行工程计价。
图纸中给排水管道图形符号管道及附件图形符号说明图形符号说明管道:用于一图只有一种管道四通连接管道:用汉语拼音字头表示管道类别流向导管:用图例表示管道类别坡向交叉管:指管道交叉不连接,在下方和后面的管道应断开套管伸缩器三通连接波形伸缩器弧形伸缩器管道滑动支架方形伸缩器保温管也适用于防结露管防水套管多孔管软管拆除管可挠曲橡胶接头地沟管管道固定支架防护套管管道立管检查口排水明沟清扫口排水暗沟通气帽弯折管雨水斗表示管道向后弯90°弯折管排水漏斗表示管道向前弯90°存水弯圆形地漏方型地漏阀门套筒自动冲洗箱挡墩管道的连接图形符号说明图形符号说明法兰连接活接头承插连接转动接头管堵管接头法兰堵盖弯管偏心异径管正三通异径管斜三通乙字管正四通喇叭口斜四通螺纹连接阀门图形符号说明图形符号说明阀门电动阀用于一图只有一种阀门角阀液动阀三通阀气动阀四通阀减压阀闸阀旋塞阀截止阀底阀球阀消声止回阀隔膜阀碟阀温度调节阀弹簧安全阀压力调节阀平衡锤安全阀电磁阀自动排气阀止回阀浮球阀气开隔膜阀气闭隔膜阀延时自闭冲洗阀脚踏开关放水龙头疏水器皮带龙头室外消火栓洒水龙头室消火栓(单口)化验龙头室消火栓(双口)肘式开关水泵接合器消防喷头(开式)消防报警阀消防喷头(闭式)卫生器具及水池图形符号说明图形符号说明水盆水纸立式洗脸盆用于一图只有一种水盆或水池洗脸盆浴盆化验盆、洗涤盆挂式小便器带蓖洗涤盆蹲式大便器盥洗槽坐式大便器污水池淋浴喷头矩形化粪池妇女卫生盆HC为化粪池代号立式小便器圆形化粪池除油池放气井YC为除油池代号沉淀池泄水井CC为沉淀池代号降温池水封井JC为降温池代号中和池跌水井ZC为中和池代号水表井雨水口本图例与流量计相同设备及仪表图形符号说明图形符号说明泵用于一图只有一种泵管道泵离心水泵热交换器真空泵水-水热交换器手摇泵开水器定量泵喷射器磁水泵集气罐过滤器除污器上图:平面下图:立面水锤消除器暖风机浮球液位器温度计搅拌器水流指示器散热器上图:平面下图:立面压力表自动记录压力表自动记录流量计电接点压力表转子流量计流量计减压孔板阀门图例大全(组图)表3.0.2管道附件序号名称图例备注1 套管伸缩器2 方形伸缩器3 刚性防水套管4 柔性防水套管5 波纹管6 可曲挠橡胶接头7 管道固定支架8 管道滑动支架9 立管检查口10 清扫口11 通气帽12 雨水斗13 排水漏斗14 圆形地漏通用。
图纸中给排水管道图形符号管道及附件图形符号说明图形符号说明管道:用于一张图内只有一种管道四通连接管道:用汉语拼音字头表示管道类别流向导管:用图例表示管道类别坡向交叉管:指管道交叉不连接,在下方和后面的管道应断开套管伸缩器三通连接波形伸缩器弧形伸缩器管道滑动支架方形伸缩器保温管也适用于防结露管防水套管多孔管软管拆除管可挠曲橡胶接头地沟管管道固定支架防护套管管道立管检查口排水明沟清扫口排水暗沟通气帽弯折管表示管道向后弯90°雨水斗弯折管排水漏斗表示管道向前弯90°存水弯圆形地漏方型地漏阀门套筒自动冲洗箱挡墩管道的连接图形符号说明图形符号说明法兰连接活接头承插连接转动接头管堵管接头法兰堵盖弯管偏心异径管正三通异径管斜三通乙字管正四通喇叭口斜四通螺纹连接阀门图形符号说明图形符号说明阀门电动阀用于一张图内只有一种阀门角阀液动阀三通阀气动阀四通阀减压阀闸阀旋塞阀截止阀底阀球阀消声止回阀隔膜阀碟阀温度调节阀弹簧安全阀压力调节阀平衡锤安全阀电磁阀自动排气阀止回阀浮球阀气开隔膜阀气闭隔膜阀延时自闭冲洗阀脚踏开关放水龙头疏水器皮带龙头室外消火栓洒水龙头室内消火栓(单口) 化验龙头室内消火栓(双口) 肘式开关水泵接合器消防喷头(开式)消防报警阀消防喷头(闭式)卫生器具及水池图形符号说明图形符号说明水盆水纸用于一张图只有一种水盆或水池立式洗脸盆洗脸盆浴盆化验盆、洗涤盆挂式小便器带蓖洗涤盆蹲式大便器盥洗槽坐式大便器污水池淋浴喷头妇女卫生盆矩形化粪池HC为化粪池代号立式小便器圆形化粪池除油池YC为除油池代号放气井沉淀池CC为沉淀池代号泄水井降温池JC为降温池代号水封井中和池ZC为中和池代号跌水井雨水口水表井本图例与流量计相同设备及仪表图形符号说明图形符号说明泵用于一张图只有一种泵管道泵离心水泵热交换器真空泵水-水热交换器手摇泵开水器定量泵喷射器磁水泵集气罐过滤器除污器上图:平面下图:立面水锤消除器暖风机浮球液位器温度计搅拌器水流指示器散热器上图:平面下图:立面压力表自动记录压力表自动记录流量计电接点压力表转子流量计流量计减压孔板阀门图例大全(组图)表3.0.2 管道附件序号名称图例备注1 套管伸缩器2 方形伸缩器3 刚性防水套管4 柔性防水套管5 波纹管6 可曲挠橡胶接头7 管道固定支架8 管道滑动支架9 立管检查口10 清扫口11 通气帽12 雨水斗13 排水漏斗14 圆形地漏通用。
工艺管道施工图常用图例名称图例名称图例闸阀异径管压力调节阀偏心异径管升降式止回阀堵板旋启式止回阀法兰减压阀法兰连接电动闸阀丝堵滚动闸阀人口自动截门流量孔板带手动装置的截门放气管浮力调节阀防雨罩密闭式弹簧安全阀地漏开启式弹簧安全阀压力表放气阀U型压力表自动放气阀自动记录压力表立管及立管上阀门水银温度计挡住阀二次蒸发器疏水器室外架空管道固定支架∩型补偿器室外架空煤气道管单层支架套管补偿器室外架空煤气道管摇摆支架波型、鼓型补偿器漏气检查点离心水泵防火器手摇泵地沟∪型膨胀穴喷射泵地沟安装孔热交换器地沟及检查井立式油水分离器(用于压缩空气)Dg≤80弹簧支(吊)架卧式油水分离器(用于压缩空气)Dg ≥100单、双、三接头立式集水器(用于压缩空气)导向支架地沟排风口吊架流量表给排水、采暖常用图例名称图形名称图形闸阀化验盆洗涤盆截止阀污水池延时自闭冲洗阀带沥水板洗涤盆减压阀盥洗盆球阀妇女卫生盆止回阀立式小便器消音止回阀挂式小便器蝶阀蹲式大便器柔性防水套管坐式大便器检查口小便槽清扫口引水器通气帽淋浴喷头圆形地漏雨水口方形地漏水泵水锤消除器水表可曲挠橡胶接头防回流污染止回阀水表井水龙头消防工程基本图形符号名称图形名称图形手提式灭火器灭火设备安装处所推车式灭火器控制和指示设备固定式灭火系统(全淹没)报警息动固定式灭火系统(局部应用)火灾报警装置固定式灭火系统(指出应用区)消防通风口消防工程辅助符号名称图形名称图形水阀门手动启动泡沫或泡沫液出口电铃无水入口发声器BC类干粉热扬声器ABC类干粉烟电话卤代烷火焰光信号二氧化碳易爆气体消防工程灭火器符号名称图形名称图形清水灭火器卤代烷灭火器推车式ABC类干粉灭火器泡沫灭火器二氧化碳灭火器推车式卤代烷灭火器BC类干粉灭火器推车式泡沫灭火器水桶ABC类干粉灭火器推车式BC类干粉灭火器沙桶消防工程固定灭火器系统符号名称图形名称图形水灭火系统(全淹没)ABC类干粉灭火系统手动控制灭火系统泡沫灭火系统(全淹没)卤代烷灭火系统BC类干粉灭火系统二氧化碳灭火系统消防管路及配件符号名称图形名称图形干式立管消防水管线干式立管消防水罐(池)干式立管泡沫混合液管线报警阀干式立管消火栓开式喷头干式立管消防泵闭式喷头干式立管泡沫比例混合器水泵结合器湿式立管泡沫产生器泡沫混合器立管泡沫液管消防工程灭火设备安装处符号名称图形名称图形二氧化碳瓶站ABC干粉罐泡沫罐站BC干粉灭火罐站消防泵站消防工程自动报警设备符号名称图形名称图形消防控制中心火灾报警装置温感探测器感光探测器手动报警装置烟感探测器气体探测器报警电话火灾警铃火灾报警扬声器火灾报警发声器火灾光信号装置通风空调工程常用图例名称图形名称图形带导流叶片弯头消声弯头伞形风帽送风口回风口圆形散流器方形散流器插板阀蝶阀对开式多叶调节阀光圈式启动调节阀风管止回阀防火阀三通调节阀安装图例电气设备常用文字符号电线电缆各大类产品简介这里表示的是穿2根2.5mm2的线,采用PC16的管道沿墙体敷设。
安装工程中最常用的图例大全安装工程施工图由设计说明,图例,平面图、系统图、局部设施、详图等组成。
要想学好安装工程预算,首先必须学会识图,本章就安装工程施工图如何识图进行讲解,通过学习做到能读得懂图。
第一节安装工程常用图例通过本节的学习,您将:了解安装工程常用图例;(一)机械设备安装工程图1.机械设备安装类常用图例说明:1.机床一般在图纸里进行标号,然后在图纸下面列出机床设备表。
2.风机和泵是由三角形的底部至顶点方向流动。
(二)电气设备安装工程图2.电气设备安装类常见图例说明:1.有些图例不是一种,像变压器,开关,灯等,由于篇幅问题不全列举,可以参考相关书籍。
2.荧光灯不同的线数代表不同的灯管根数,电线也是代表导线根数。
3.电气类的图例符号很多,从事这个专业的可以专门学习一下。
(三)热力设备和静置设备安装工程图3.热力设备和静置设备类常见图例(四)工业管道工程图4.工业管道类常见图例说明:有些图例利用字母表示管道类型,有些利用线性表示,如给水管和排水管,还可以有热水(R),污水(W),雨水(Y),空调供水(KG),空调回水(KH)等不再一一列举。
(五)消防工程图5.消防类常用图例说明:1.喷洒头,图上所列上面为闭式,下面为开式。
2.报警阀画的是系统图表现形式。
3.室内消防栓前面是平面图表现形式,后面是系统图表现形式。
(六)给排水、采暖、燃气工程图6.给排水、采暖、燃气类常用图例(七)通风空调工程图7.通风空调常用图例说明:1.图中1空调设备左侧适用于不带转动部分的设备,右侧适用于带转动部分的设备。
2.风机盘管的符号,现在很多设计院都是在上面进行标注,如FP-51WA 等。
3.风管仅表示平面图,根据风管截面的不同有圆形风管和矩形风管。
4.图中14风管防火阀,通常表示的70℃常开防火阀,旋转90℃即为常闭。
5.图中15风管排烟阀,通常表示的280℃常闭排烟阀,同样旋转90℃即为常开。
(八)自动化控制仪表安装工程图8.自动化控制仪表类常用图例以上按专业分类简单的介绍一下安装类常用图例,是更深入了解安装工程的基础,只有熟悉图例的情况下才能看懂图,再进一步计算工程量,进行工程计价。
安装工程中最常用的图例大全安装工程施工图由设计说明,图例,平面图、系统图、局部设施、详图等组成。
要想学好安装工程预算,首先必须学会识图,本章就安装工程施工图如何识图进行讲解,通过学习做到能读得懂图。
第一节安装工程常用图例通过本节的学习,您将:了解安装工程常用图例;(一)机械设备安装工程图1.机械设备安装类常用图例说明: 1.机床一般在图纸里进行标号,然后在图纸下面列出机床设备表。
2.风机和泵是由三角形的底部至顶点方向流动。
(二)电气设备安装工程图2.电气设备安装类常见图例说明: 1.有些图例不是一种,像变压器,开关,灯等,由于篇幅问题不全列举,可以参考相关书籍。
2.荧光灯不同的线数代表不同的灯管根数,电线也是代表导线根数。
3.电气类的图例符号很多,从事这个专业的可以专门学习一下。
(三)热力设备和静置设备安装工程图3.热力设备和静置设备类常见图例(四)工业管道工程图4.工业管道类常见图例说明:有些图例利用字母表示管道类型,有些利用线性表示,如给水管和排水管,还可以有热水(R),污水(W),雨水(Y),空调供水(KG),空调回水(KH)等不再一一列举。
(五)消防工程图5.消防类常用图例说明:1.喷洒头,图上所列上面为闭式,下面为开式。
2.报警阀画的是系统图表现形式。
3.室内消防栓前面是平面图表现形式,后面是系统图表现形式。
(六)给排水、采暖、燃气工程图6.给排水、采暖、燃气类常用图例(七)通风空调工程图7.通风空调常用图例说明: 1.图中1空调设备左侧适用于不带转动部分的设备,右侧适用于带转动部分的设备。
2.风机盘管的符号,现在很多设计院都是在上面进行标注,如FP-51WA等。
3.风管仅表示平面图,根据风管截面的不同有圆形风管和矩形风管。
4.图中14风管防火阀,通常表示的70℃常开防火阀,旋转90℃即为常闭。
5.图中15风管排烟阀,通常表示的280℃常闭排烟阀,同样旋转90℃即为常开。
安装工程中最常用的图例大全
安装工程施工图由设计说明,图例,平面图、系统图、局部设施、
详图等组成。
要想学好安装工程预算,首先必须学会识图,本章就安装工程施工图如何识图进行讲解,通过学习做到能读得懂图。
第一节安装工程常用图例通过本节的学习,您将:了解安装工程常用图例;
一)机械设备安装工程
图1. 机械设备安装类常用图例
说明:
1. 机床一般在图纸里进行标号,然后在图纸下面列出机床设备表。
2. 风机和泵是由三角形的底部至顶点方向流动。
(二)电气设备安装工程
图2. 电气设备安装类常见图例说明:
1. 有些图例不是一种,像变压器,开关,灯等,由于篇幅问题不全列举,可以参考相关书籍。
2. 荧光灯不同的线数代表不同的灯管根数,电线也是代表导线根数。
3. 电气类的图例符号很多,从事这个专业的可以专门学习一下。
三)热力设备和静置设备安装工程
图3. 热力设备和静置设备类常见图例
四)工业管道工程
图4. 工业管道类常见图例说明:有些图例利用字母表示管道类型,有些利用线性表示,如给水管和排水管,还可以有热水( R),污水(W),雨水(Y) ,空调供水(KG),空调回水(KH)等不再一一列举。
五)消防工程
图5. 消防类常用图例说明:
1. 喷洒头,图上所列上面为闭式,下面为开式。
2. 报警阀画的是系统图表现形式。
3. 室内消防栓前面是平面图表现形式,后面是系统图表现形式。
六)给排水、采暖、燃气工程
图6. 给排水、采暖、燃气类常用图例七)通风空调工程
图7. 通风空调常用图例
说明:
1.图中1 空调设备左侧适用于不带转动部分的设备,右侧适用于带转动部分的设备。
2. 风机盘管的符号,现在很多设计院都是在上面进行标注,如FP-
51WA等。
3. 风管仅表示平面图,根据风管截面的不同有圆形风管和矩形风管。
4. 图中14风管防火阀,通常表示的70℃常开防火阀,旋转90℃ 即为常闭。
5. 图中15 风管排烟阀,通常表示的280℃常闭排烟阀,同样旋
转90℃即为常开
八)自动化控制仪表安装工程
图8. 自动化控制仪表类常用图例
以上按专业分类简单的介绍一下安装类常用图例,是更深入了解安装工程的基础,只有熟悉图例的情况下才能看懂图,再进一步计算工程量,进行工程计价。
特别对于初步接触安装工程造价的人员更应深入理解、领会。
由于篇幅所限,本节只是就常用的个别图例进行列举,随着对安装工程掌握的加深,大家可以从各种设计图纸上认识更多的图例。