施耐德接触器尺寸
- 格式:pdf
- 大小:1.82 MB
- 文档页数:12
施耐德交流接触器主要用于交流50Hz或60Hz,交流电压至660V(690V),在AC-3使用类别下工作电压为220V时,额定工作电流至9A的电路中,供远距离接通和分断电路之用,并可与相应规格的热继电器组合成磁力起动器以保护可能发生过负荷的电路,接触器适宜于频繁地起动和控制交流电动机。
广泛用作电力的开断和控制电路。
它利用主接点来开闭电路,用辅助接点来执行控制指令。
主接点一般只有常开接点,而辅助接点常有两对具有常开和常闭功能的接点,小型的接触器也经常作为中间继电器配合主电路使用。
交流接触器的接点,由银钨合金制成,具有良好的导电性和耐高温烧蚀性。
施耐德交流接触器主要用于交流50Hz或60Hz,交流电压至660V(690V),在AC-3使用类别下工作电压为220V时,额定工作电流至9A的电路中,供远距离接通和分断电路之用,并可与相应规格的热继电器组合成磁力起动器以保护可能发生过负荷的电路,接触器适宜于频繁地起动和控制交流电动机。
广泛用作电力的开断和控制电路。
它利用主接点来开闭电路,用辅助接点来执行控制指令。
主接点一般只有常开接点,而辅助接点常有两对具有常开和常闭功能的接点,小型的接触器也经常作为中间继电器配合主电路使用。
交流接触器的接点,由银钨合金制成,具有良好的导电性和耐高温烧蚀性。
施耐德交流接触器-施耐德接触器型号施耐德CT接触器一、施耐德CT接触器适用说明iCT 2P 63A 家用接触器专用接触器,主要适用于50Hz或60Hz、在AC-7a 使用类别额定工作电压为240V或277V 时额定电流至63A电路中,适用于起动和控制单相交流电动机(压缩机)及其它单相负载。
控电制器家和用类似用途的低感负载或微感负载,也可用来控制家用电动机负载;此时控制功率要相应降低。
该产品应用于家庭、宾馆、公寓等场所,实现自动适化用功于能大,规模生产的家用电器产品中,主要用于家用电器行业,特别在电能表行业中。
可以替代内置固态继电器。
其主要性能指标符合IEC61095,UL508及GB17885等标准.二、主要参数及技术性能1 、按极数分类:接触器分为二极和四极。
2 、接触器的额定绝缘电压、约定自由空气发热电流、使用类别及其对应的额定工作电流和控制功率3、动作(操作)条件:在周围空气温度为-5℃~+63℃范围内,对接触器吸引线圈施以额定控制电源电压Us,使其发热至稳定状态时,接触器线圈在75% Us~110% Us范围内可靠吸合并工作。
其释放电压既不高于75%Us,又不低于20%Us(二极),释放电压不低于10%Us(四极)。
4 、接通和分断能力(见表2)5、机械寿命:接触器的机械寿命不小于100万次。
6、电寿命试验的接通通断,电寿命:接触器的电寿命不小于10万次。
7、接触器的使用类别为AC-1、AC-7a;8、接触器在距处,其噪声在40dB 以下。
三、主要结构及工作原理1、接触器为立体布置、双断点,触点采用银基合金、磁系统采用E型铁心,衔铁采用电工钝铁。
接触器为正装直动式双断点结构,罩盖与躯壳采用耐弧塑料制成,WCT采用自动灭弧,形成封闭灭弧室灭弧好,飞弧距离为零。
触头采用抗熔焊及耐电磨损的银基合金材料制成,导电性能好,寿命长,对环境无污染。
铁芯采用E形结构,体积小。
线圈的接线方式两接线端分别在产品的两端,接线灵活方便。
1LC1D09…D18 (3 极)LC1D25…D38 (3 极)LC1DT20…DT40(4 极)LC1D09…D25…DT20 DT32D18D38& DT25& DT40b 不带附加模块77858591b1带有 LAD4BB 949898–带有 LA4D p 2110 (1)114 (1)114–带有 LA4DF, DT119 (1)123 (1)129–带有 LA4DR, DW, DL126 (1)130 (1)190–c 没有外罩或附加模块849097105带有外罩,没有附加模块869299107c1带有 LADN 或 C(2 或 4 触点)117123123131c2没有 LA6DK10, LAD6K10129135135143c3带有 LADT, R, S137143143151带有 LADT, R, S 和密封盖141147147155(1)包括 LAD4BB LC1D40…D65 (3 极)LC1D40A …D65A (3 极)LC1D80 和 D95 (3 极)LC1D40…D65D40A...D65A D80D95a 75558585b1带有 LA4D p 2135–135135带有 LA4DB3–136135–带有 LA4DF, DT142157142142带有 LA4DM, DR, DW, DL 150166150150c 不带外罩或附加模块114118125125带有外罩,没有附加模块119120130130c1带有 LADN(1 触点)139–150150带有 LADN 或 C(2 或 4 触点)147150158158c2带有 LA6DK 159163170170c3带有 LADT, R, S167171178178带有 LADT, R, S 和密封盖171175182182LC1D115 和 D150和D170 (3 极)LC1D115D150D170D115006D150006a 120120120b1带有 LA4DA2174174174带有 LA4DF, DT 185185185带有 LA4DM, DR, DL 188188188带有 LA4DW188188–c 不带外罩或附加模块132115115带有外罩,没有附加模块136 ––c1带有 LADN 或 C(2 或 4 触点)150150150c2带有 LA6DK20155155155c3带有 LADT, R, S168168168带有 LADT, R, S 和密封盖172172172最小电气间隙最小电气间隙1LC1D09…D18 (3 极)LC1D25…D32 (3 极)最小电气间隙LC1D09…D18D25…D32b 7785c 不带外罩或附加模块9399带有外罩,没有附加模块95101c1带有 LADN 或 C(2 或4 触点)126132c2带有 LA6DK10138144c3带有 LADT, R, S146152带有 LADT, R, S 和密封盖150156LC1DT20 至 DT40 (4 极)LC1DT20 & DT25D098 & D128DT32 & DT40D188…D258b 8591c 带有外罩99107c1带有 LADN 或 C(2 或4 触点)123131c2带有 LA6DK10135143c3带有 LADT, R, S143151带有 LADT, R, S 和密封盖1471551LC1D09…D18 (3 极)LC1D25…D32 (3 极)最小电气间隙LC1D09…D18D25…D32b 7785c 不带外罩或附加模块9399带有外罩,没有附加模块95101c1带有 LADN 或 C(2 或4 触点)126132c2带有 LA6DK10138144c3带有 LADT, R, S146152带有 LADT, R, S 和密封盖150156LC1DT20 至 DT40 (4 极)LC1DT20 & DT25D098 & D128DT32 & DT40D188…D258b 8591c 带有外罩99107c1带有 LADN 或 C(2 或4 触点)123131c2带有 LA6DK10135143c3带有 LADT, R, S143151带有 LADT, R, S 和密封盖1471551可逆接触器LC2D09 至 D382 x LC1D09 至D38LC2 或 2 x LC1a b c (1)e1 e2 GD09 至 D18 a9077864 1.580D09 至 D18 c9077954 1.580D25 至 D38 a9085929580D25 至 D32 c90851019580e1 和 e2:包括配线(1)带有保护罩,不带附加模块。
施耐德交流接触器主要用于交流50Hz或60Hz,交流电压至660V(690V),在AC-3使用类别下工作电压为220V时,额定工作电流至9A的电路中,供远距离接通和分断电路之用,并可与相应规格的热继电器组合成磁力起动器以保护可能发生过负荷的电路,接触器适宜于频繁地起动和控制交流电动机。
广泛用作电力的开断和控制电路。
它利用主接点来开闭电路,用辅助接点来执行控制指令。
主接点一般只有常开接点,而辅助接点常有两对具有常开和常闭功能的接点,小型的接触器也经常作为中间继电器配合主电路使用。
交流接触器的接点,由银钨合金制成,具有良好的导电性和耐高温烧蚀性。
施耐德品牌的接触器选型接触器是一种电气控制设备,广泛应用于各种电气控制系统中。
施耐德(Schneider)作为全球率先的电气设备创造商之一,提供了多种型号和规格的接触器供用户选择。
本文将介绍施耐德品牌的接触器选型,包括选型依据、选型步骤以及常见的接触器型号和规格。
1. 选型依据在进行接触器选型时,需要考虑以下几个关键因素:1.1 电气参数:包括额定电流、额定电压、额定功率等。
根据实际需求,选择适合的电气参数范围。
1.2 联络器类型:施耐德提供了多种类型的接触器,如直流接触器、交流接触器、热继电器等。
根据具体应用场景选择合适的类型。
1.3 安装方式:施耐德接触器有不同的安装方式,如插装式、固定式等。
根据实际安装需求选择合适的安装方式。
1.4 额定寿命:接触器的额定寿命是衡量其可靠性和耐久性的重要指标。
根据使用环境和设备寿命要求选择适当的额定寿命。
2. 选型步骤2.1 确定电气参数:根据实际需求,确定接触器的额定电流、额定电压、额定功率等参数。
2.2 确定联络器类型:根据应用场景和控制需求,确定所需的接触器类型,如直流接触器、交流接触器或者热继电器。
2.3 确定安装方式:根据设备的安装方式和空间限制,确定接触器的安装方式,如插装式或者固定式。
2.4 确定额定寿命:根据使用环境和设备寿命要求,选择接触器的额定寿命。
3. 常见的接触器型号和规格以下是施耐德品牌常见的接触器型号和规格,供参考:3.1 型号:LC1D09,额定电流:9A,额定电压:220V,安装方式:插装式,额定寿命:100万次。
3.2 型号:LC1D12,额定电流:12A,额定电压:380V,安装方式:固定式,额定寿命:200万次。
3.3 型号:LC1D18,额定电流:18A,额定电压:440V,安装方式:插装式,额定寿命:300万次。
请注意,以上仅为示例,实际选型应根据具体需求和应用场景进行选择。
在选型过程中,建议参考施耐德官方提供的产品手册和技术规格,以确保选型的准确性和可靠性。
施耐德LC1-D65A交流接触器性能描述:紧凑安装至38A的接触器以及保护元件仅为45mm 宽度浪涌抑制器的安装无需工具,直接插入到接触器中,无需占用更多空间。
可逆接触器仅90mm 宽度,机械连锁不占用额外空间,安装几乎无需时间。
起动器元件提供预接线模块,起动器组装快捷方便,外形美观。
高度集成至100A 接触器集成1常开/ 1常闭辅助触点,直流线圈内置双向抑流二极管,可逆接触器组内置双向抑流二极管创新直流低功耗接触器简化自动化系统设计。
安全可靠,控制与保护元件的主回路、控制回路区分明显,符合安全标准的镜像触点设计,确保一亿次可靠动作。
保护罩防止接触器意外接通断路器、热继电器拨盘配置可挂锁面盖,防止意外改动。
关于低压接触器接触器是用于远距离频繁地接通和分断交直流主电路和大容量控制电路的电器,其主要控制对象是电动机,接触器也可以控制其他电力负载,如电热器、照明灯、电焊机、电容器组等。
中文名低压接触器概念远距离接通分断交直流主电路电器主要控制对象电动机其他控制对象电热器、照明灯、电焊机等接触器的分类编辑总分类按触头的驱动方式分为电磁接触器、气动接触器、液压接触器等。
按电真空技术和电子器件的发展,有真空接触器和电子式接触器。
接触器按工作电压种类可分为交流接触器和直流接触器。
交流接触器的分类按主触头控制电路的种类分交流和直流;按主触头极数分单极、二极、三极、四极、五极;按灭弧介质分空气式和真空式;按励磁线圈断电时的主触头位置分常开、常闭和兼有常开及常闭; 按结构形式分直动式、转动式和杠杆传动式:按励磁线圈电压种类分直流和交流;按有无触头分有触点式和无触点式。
LC1-D交流接触器可接通最大电流:10倍额定电流(AC-3 ,380V) LC1-D交流接触器可断开最大电流:8倍额定电流(AC-3 ,380V) LC1-D交流接触器AC-4电寿命:LC1-D 09~32 20万次;LC1-D 405065 15万次;LC1-D 8095 10万次AC-3电寿命:LC1-D 09~32 100万次;LC1-D 405065 80万次;LC1-D 8095 60万次机械寿命:LC1- D 09,LC1-D12 -D32 10百万次;LC1-D 405065 8百万次;LC1-D 8095 10百万次LC1交流接触器外形尺寸(长×宽×高):LC1-D 09~18:73×47×82LC1-D 25:83×58×96LC1-D 32:83×58×101LC1-D 40~65:128×79×116LC1-D 80~95:128×79×128LC1交流接触器安装尺寸(长×宽×直径):LC1-D 09~18:50~60 ×35 ×2—Φ4.5 ; 或35 mm卡轨安装LC1-D 25~32:50~60 ×40 ×2—Φ4.5 ; 或35 mm卡轨安装LC1-D 40~95:100~110 ×40 ×2—Φ6.5 ; 或75 mm卡轨安装LC1-D交流接触器线圈主要技术参数:LC1-D交流接触器额定控制电源电压Us(V):24、48、110、127、2 20、240、380、415、440、480、500、600、660V。
Te Sys®系列(国产)电动机起动器选型替代手册2 Te Sys®系列产品型号介绍3 Te Sys®系列三极接触器4 Te Sys®系列四极接触器5 Te Sys®系列可逆三极接触器6 Te Sys®系列中间继电器7 Te Sys®系列热继电器8 Te Sys®系列电动机继电器9 Te Sys®与D2产品型号对照Te Sys® 系列产品型号介绍LC1 D 09 7 M CLC1:接触器LC2:可逆接触器D:D系列产品09:AC3额定电流;T**:4NO主极AC1额定电流**8:2NO/2NC主极AC3额定电流11500, 15000,17000:对于115/150/170三个规格,末尾增加“00”线圈电压代码M:220V其余参见样本线圈电压类型5:50Hz7:50/60HzD:直流L:直流低功耗无:进口产品C:上海合资厂生产LRD:热继电器无:38A以下热继电器33:17~104A热继,与LC1D40~95接触器配合43:80~140A热继,与LC1D115~170接触器配合电流整定值范围22:16~24A其余参见样本无:进口产品C:上海合资厂生产KN:上海合资厂生产,KIR系列产品GV2:电动机断路器PM:Te Sys®国产系列旋钮操作ME:Te Sys®国产系列按钮式操作RT:Te Sys® D系列拨扣式操作P:Te Sys® D系列旋钮操作电流整定值范围10:4~6.3A其余参见样本无:进口产品C:上海合资厂生产CAD:控制继电器5:NO辅助触点数量0:NC辅助触点数量线圈电压代码M:220V其余参见样本线圈电压类型5:50Hz7:50/60HzD:直流L:直流低功耗无:进口产品C:上海合资厂生产LRD 33 22 CGV2 ME 10 CCAD 5 0 M 7 C45三极接触器螺丝固定接线方式AC-3类50/60Hz额定工作辅助基本型号重量三相电动机标准电流瞬时控制电路电压编码额定功率值(θ ≤ 60˚C)AC-3 触点组成一完整型号至440V 220V380V 660V 230V 400V 415V 440V 500V 690V 1000V kWkW kW kW kW kW kW A kg 2.2444 5.5 5.5—911LC1-D09pp C 0.32035.5 5.5 5.57.57.5—1211LC1-D12pp C 0.32547.5991010—1811LC1-D18pp C 0.3305.51111111515—3511LC1-D25pp C 0.370 7.515151518.518.5—3211LC1-D32pp C 0.375918.518.518.518.518.5—3811LC1-D38pp C 0.3801118.522222*********LC1-D40pp C 1.400152225303033305011LC1-D50pp C 1.40018.53037373737376511LC1-D65pp C 1.400223745455545458011LC1-D80pp C 1.590254545455545459511LC1-D95pp C 1.6103055595975807511500LC1-D11500pp C 2.50040758080901009015000LC1-D15000pp C 2.500559010010011011010017000LC1-D17000pp C 2.5006311011011012912910020500LC1-D205pp C 5.2007513213213216016014724500LC1-D245pp C 5.30010016018020020020016030000LC1-D300pp C 9.35011022022025025028018541000LC1-D410pp C 10.05014726528028035535533547500LC1-D475pp C 12.50020033537540040045045062000LC1-D620pp C 20.100(1) LC1-D09…38:夹持安装在35mm 5型导轨上或螺丝固定LC1-D40…95~:夹持安装在35mm 或75mm 5型导轨上或螺丝固定LC1-D40…95---:夹持安装在75mm 5型导轨上或螺丝固定LC1-D115…150---:夹持安装在2×35mm 5型导轨上或螺丝固定(2) 标准控制电路电压LC1-D09 (38)U 0.7...1.25 Uc BD CD ED FDMD LC1-D09pp LC1-D25pp LC1-D95pp LC1-D115pp6四极接触器螺丝固定接线方式无电感负载极数辅助触头数基本型号重量的额定电流控制电路电压编码(θ ≤ 60˚C)组成一完整型号AC-1Akg 204 -11LC1-DT20pp C 0.3652 211LC1-D098pp C 0.365254 -11LC1-DT25pp C 0.3652 211LC1-D128pp C 0.365324 -11LC1-DT32pp C 0.4252 211LC1-D188pp C 0.425404 -11LC1-DT40pp C 0.4252 211LC1-D258pp C 0.425标准控制电路电压LC1-D09...25 和 LC1-DT20...DT40U 0.7...1.25 UcBD CD ED FD MD 直流线圈标配内置抑流模块。
Product data sheetCharacteristicsLC1N1210M5NEasy TeSys Control 3P 接触器 (1NO) - AC-3 -<= 440V 12A - 220V 线圈 50Hz主要信息产品系列Easy TeSys 产品系列Easy TeSys Control 产品类型接触器产品短名LC1N接触器应用领域应用于功率因数大于等于0.95的交流负载中应用于无感或微感负载、电阻炉使用类别AC-3 AC-1AC-4极数3P额定工作电压 [Ue]电源回路: <= 690 V AC 50/60 Hz额定工作电流 [Ie]12 A (当运行温度 <=60 °C) 当运行电压<=<= 440 V AC AC-3对于电源回路 25 A (当运行温度 <=60 °C) 当运行电压<=<= 440 V AC AC-1对于电源回路 5 A (当运行温度 <=60 °C) 当运行电压<=<= 440 V AC AC-4对于电源回路控制回路电压 [Uc]220 V AC 50 Hz补充信息电动机功率 (kW)3 KW 当运行电压<=220...230 V AC 50/60 Hz 5.5 KW 当运行电压<=380...400 V AC 50/60 Hz 5.5 KW 当运行电压<=415...440 V AC 50/60 Hz 7.5 KW 当运行电压<=500 V AC 50/60 Hz7.5 KW 当运行电压<=660...690 V AC 50/60 Hz 回路触点类型 3 NO约定发热电流 [Ith]25 A (当运行温度 <=60 °C) 对于电源回路额定接通能力 [Irms]120 A 当运行电压<=380 V AC 对于电源回路 符合 IEC 60947-4-1 140 A AC 对于辅助触点 符合 IEC 60947-5-1额定分断能力96 A 当运行电压<=440 V 对于电源回路 符合 IEC 60947额定短时耐受电流 [Icw]105 A 当运行温度<=40 °C 可持续10 s 对于电源回路 61 A 当运行温度<=40 °C 可持续60 s 对于电源回路 30 A 当运行温度<=40 °C 可持续600 s 对于电源回路与继电器配合使用的熔丝10 A gG 当运行电压<=<= 690 V 配合 1 型, 对于控制回路 符合 IEC 60947-5-1 25 A gG 当运行电压<=<= 690 V 配合 1 型, 对于电源回路平均阻抗 2.5 MΩ - Ith 25 A 50 Hz 对于电源回路每极功耗0.36 W AC-3 1.6 W AC-1额定绝缘电压 [Ui]690 V 符合 IEC 60947-4-1过电压类别III 污染等级3额定冲击耐受电压 [Uimp]6 KV 线圈未连接到电源电路 符合 IEC 60947T h e i n f o r m a t i o n p r o v i d e d i n t h i s d o c u m e n t a t i o n c o n t a i n s g e n e r a l d e s c r i p t i o n s a n d /o r t e c h n i c a l c h a r a c t e r i s t i c s o f t h e p e r f o r m a n c e o f t h e p r o d u c t s c o n t a i n e d h e r e i n .T h i s d o c u m e n t a t i o n i s n o t i n t e n d e d a s a s u b s t i t u t e f o r a n d i s n o t t o b e u s e d f o r d e t e r m i n i n g s u i t a b i l i t y o r r e l i a b i l i t y o f t h e s e p r o d u c t s f o r s p e c i f i c u s e r a p p l i c a t i o n s .I t i s t h e d u t y o f a n y s u c h u s e r o r i n t e g r a t o r t o p e r f o r m t h e a p p r o p r i a t e a n d c o m p l e t e r i s k a n a l y s i s , e v a l u a t i o n a n d t e s t i n g o f t h e p r o d u c t s w i t h r e s p e c t t o t h e r e l e v a n t s p e c i f i c a p p l i c a t i o n o r u s e t h e r e o f .N e i t h e r S c h n e i d e r E l e c t r i c I n d u s t r i e s S A S n o r a n y o f i t s a f f i l i a t e s o r s u b s i d i a r i e s s h a l l b e r e s p o n s i b l e o r l i a b l e f o r m i s u s e o f t h e i n f o r m a t i o n c o n t a i n e d h e r e i n .机械寿命10000000 次电气寿命1400000 次 AC-3300000 次 AC-1250000 次 AC-4控制回路特性AC当50 Hz控制电压限额0.85...1.1 Uc (-5…55 °C 线圈吸合 50 Hz0.3...0.6 Uc (-5…55 °C 线圈释放 50 Hz(~50Hz吸合)功耗 (VA)95 VA 50 Hz cos phi 0.75 (at 20 °C)(~50Hz保持)功耗 (VA)8.5 VA 50 Hz cos phi 0.3 (at 20 °C)热消散2…3 W for 控制回路动作时间12...22 ms 闭合过程4...19 ms 打开过程最大操作频率1800 次/小时当60 °C接线能力电源回路: 螺栓紧固 1 1…4 mm² 电缆类型: 软线 带接线端子电源回路: 螺栓紧固 2 1…2.5 mm² 电缆类型: 软线 带接线端子电源回路: 螺栓紧固 1 1…4 mm² 电缆类型: 硬线 不带接线端子电源回路: 螺栓紧固 2 1…4 mm² 电缆类型: 硬线 不带接线端子控制回路: 螺栓紧固 1 1…4 mm² 电缆类型: 软线 不带接线端子控制回路: 螺栓紧固 2 1…4 mm² 电缆类型: 软线 不带接线端子控制回路: 螺栓紧固 1 1…4 mm² 电缆类型: 软线 带接线端子控制回路: 螺栓紧固 2 1…2.5 mm² 电缆类型: 软线 带接线端子控制回路: 螺栓紧固 1 1…4 mm² 电缆类型: 硬线 不带接线端子控制回路: 螺栓紧固 2 1…4 mm² 电缆类型: 硬线 不带接线端子紧固扭矩电源回路: 1.2 N.m控制回路: 1.2 N.m辅助触点类型 1 NO最小开关电压17 V 对于控制回路最小开关电流 [Imin]5 MA 对于控制回路绝缘电阻> 10 MΩ 对于控制回路不重迭时间 1.5 Ms 得电 确保NC和NO触电之间1.5 Ms 失电 确保NC和NO触电之间安装方式底板安装DIN 导轨安装环境标准EN 60947-4-1IEC 60947-4-1IEC 60947-1GB 14048.4EN 60947-1产品认证CCCIP 保护等级IP20 符合 IEC 60529防护措施TH (污染等级 3) 符合 IEC 60068周围空气温度-5…55 °C 运行-60…80 °C 存储-20…70 °C (运行在Uc下时)工作海拔3000 m 无降容耐火及耐异常高温能力850 °C 符合 IEC 60695-2-1抗冲击、震动性能抗震性能 触点打开时 (1.5 gn (5...300 Hz))抗震性能 触点闭合时 (3 gn (5...300 Hz))抗冲击性能 触点打开时 (7 gn (11ms))抗冲击性能 触点闭合时 (10 gn (11ms))高度74 Mm宽度45 Mm深度80 Mm净重0.3 Kg包装单位Unit Type of Package 1PCENumber of Units in Package 11Package 1 Height 4.82 CmPackage 1 Width7.4 CmPackage 1 Length8.31 CmPackage 1 Weight341.0 GUnit Type of Package 2S02Number of Units in Package 236Package 2 Height15.0 CmPackage 2 Width30.0 CmPackage 2 Length40.0 CmPackage 2 Weight12.5 KgUnit Type of Package 3PALNumber of Units in Package 3576Package 3 Height60.0 CmPackage 3 Width80.0 CmPackage 3 Length60.0 CmPackage 3 Weight196.466 Kg可持续性产品类型Green Premium 产品REACh法规REACh 声明REACh(不含 SVHC)是欧盟ROHS指令符合欧盟ROHS声明无有毒重金属是无汞是中国 ROHS 管理办法中国 ROHS 声明RoHS 豁免信息是环境披露产品环境文件流通资料产品使用寿命终期信息WEEE该产品必须经特定废物回收处理后弃置于欧盟市场,绝不可丢弃于垃圾桶中。
Te Sys接触器D型接触器控制电路:直流或低功耗LC1-D115004:请参阅1/51页。
LC1-D09…D18 (3 极)LC1-D25…D38 (3 极)LC1-D09…D18D093…D123D099…D129D25…D38D183…D323 b7799808599c不带外罩或附加模块9393939999带有外罩,没有附加模块959595101101c1带有 LAD-N 或 C(2或4触点)126126126132132c2带有 LA6-DK10138138138144144c3带有 LAD-T, R, S146146146152152带有 LAD-T, R, S 和密封盖150150150156156LC1-DT20 至 DT40(4 极)LC1-DT20 & DT25D098 & D128DT203 & DT253D0983 & D1283DT32 & DT40D188…D258DT323 & DT403D1883 & D2583 b859991105c带有外罩9999107107c1带有 LAD-N 或 C(2或4触点)123123131131c2带有 LA6-DK10135135143143c3带有 LAD-T, R, S 143143151151带有 LAD-T, R, S 和密封盖147147155155LC1-D40…D65(3 极)LC1-D80 和 D95 (3 极)LP1-D65004, LP1-D40008…D65008(4 极)LP1-D80004, LP1-D80008 (4 极)LC1-LP1-D65004LP1-D40008LC1-LP1-LP1-D40…D65& D65008D80 & D95D80004D80008 c不带外罩或附加模块171171182181181196带有外罩,没有附加模块176––186––c1带有 LAD-N(1 触点)196196196204204204带有 LAD-N或 C(2 或 4 触点)202202202210210210c2带有 LA6-DK10213213213221221221c3带有 LAD-T, R, S221221221229229229带有 LAD-T, R, S和密封盖225225225233233233尺寸安装在 2 个中心距为 120 mm 的导轨 DZ5-MB 上LC1-D115, D150安装在 2 个中心距为 120 mm 的导轨 DZ5-MB 上LC1-D40…D95, LP1-D40…D80直流控制电路 在安装导轨 AM1-DP200、DR200 或 AM1-DE200(宽度 35 mm )上在安装导轨 AM1-DL200 或 DL201(宽度 75 mm )上LC1-D09…D38, DT20…DT40在安装导轨 AM1-ED ppp 或 AM1-DE200(宽度 35 mm )上LC1-D40 至 D95,LP1-D40 至 D80交流控制电路LC1-D09…D18D25…D38DT20DT32LC1-D40…D65D80 & D95& DT25& DT40 c (AM1-DL200) (1)136147b 778585100 c (AM1-DL201) (1)126137c (AM1-DP200 或 DR200) (1)889494109 c (AM1-ED ppp 或 DE200) (1)126137c (AM1-DE200) (1)96102102117直流控制电路直流控制电路LC1-D40…D65D80 & D95b 778594109 c (AM1-DL200) (1)193203c (AM1-DP200 或 DR200) (1)97103103118 c (AM1-DL201) (1)183203c (AM1-DE200) (1)1051101111236LP1-D40D65D80c (AM1-DL200)188188198c (AM1-DL201)178178198(1)带有保护罩(1)带有保护罩交流或直流控制电路LC1-D115 & D150D1156 & D1506c (AM1-DP200 或 DR200)134.5117.5c (AM1-DE200 或 ED ppp )142.5125.5交流控制电路LC1-D40…D65D80 & D95c 带有外罩119130LC1-D40…D65D80 & D95c 带有外罩176186LP1-D40 & D65D80c171181Te Sys 接触器D 型接触器安装Te Sys接触器D型接触器LC1-D09 至 D38 和 LC1-DT20…DT40控制电路:交流直流LC1-D09…D18 D25…D38D09…D18D25…D38c 带有外罩869295101G3*******H60607070H1707070704 极接触器LC1-DT20& DT25DT32& DT40DT20& DT25DT32& DT40c92100101109G3*******H60607070H170707070LC1-D09…D38 和 LC1-DT20…DT40LC1-D40…D95, LP1-D40…D80在多孔安装板 AM1-P A、PB、PC 上在多孔安装板 AM1-P A、PB、PC 上控制电路:交流直流LC1-D09…D18D25…D38D09…D18D25…D38c 带有外罩869295101G3*******H60/7060/7070704 极接触器LC1-DT20& DT25DT32& DT40DT20& DT25DT32& DT40控制电路:交流直流LC1-D40…D65D80 & D95D40…D65D80 & D95 c 带有外罩8093118132 c 带有外罩119130176186G3*******LP1-––D40 & D65D80H60606060 c不带外罩––171181LC1-D09…D38LC1-D40…D95, LP1-D40 to D80控制电路:交流直流LC1-D09…D18D25…D38D09…D18D25…D38c 带有外罩869295101控制电路:交流直流4 极接触器LC1-D40…D65D80 & D95D4…D65D80 & D95 LC1-DT20& DT25DT32& DT40DT20& DT25DT32& DT40c 带有外罩119130176186LP1-––D40 & D65D80c带有外罩90989098 c 不带外罩––171181LC1-D115, D150面板安装LC1-D115D1156D150D1506c132115132115G(3 极)96/11096/11096/11096/110G(4 极)130/144130/144––安装A 1A 213/N O 141/L 1T 1/23/L 2T 2/45/L 3T 3/62221/N C A 1A 21/L 1T 1/23/L 2T 2/45/L 3T 3/67/L 4T 4/84241/N C(91)(92)53/N O546261/N C4443/N O(94)(93)5251/N C6261/N C7271/N C6261/N C83/N O 8453/N O547271/N C6261/N C53/N O548281/N C83/N O8473/N O 7463/N O6453/N O545251/N C6261/N C7271/N C 8281/N C53/N O5461/N C6287/N O8875/N C766261/N C83/N O 8473/N O 7453/N O543231/N C43/N O 443231/N C4241/N C63/N O6453/N O54线路图Te Sys 接触器D 型接触器3 极接触器(型号:页码 1/12 至 1/19页)LC1-D09 至 D1504 极接触器(型号:1/18 和 1/19 页)正装辅助触点模块瞬时辅助触点(型号:1/38 页)安装辅助触点模块瞬时辅助触点,符合 EN 50012 标准(型号:1/38 页)(1)括号中的数字是用于安装在接触器右侧的模块上的。
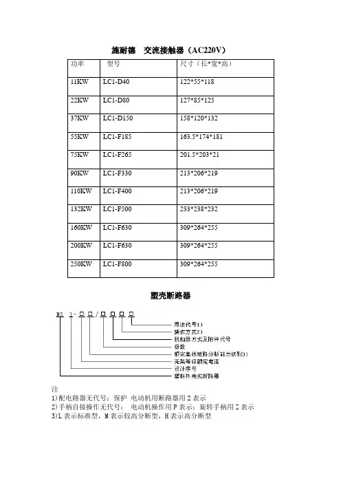
施耐德交流接触器(AC220V)功率型号尺寸(长*宽*高)11KW LC1-D40 122*55*11822KW LC1-D80 127*85*12537KW LC1-D150 158*120*13255KW LC1-F185 163.5*174*18175KW LC1-F265 201.5*203*2190KW LC1-F330 213*206*219110KW LC1-F400 213*206*219132KW LC1-F500 233*238*232160KW LC1-F630 309*264*255200KW LC1-F630 309*264*255250KW LC1-F800 309*264*255塑壳断路器注1)配电路器无代号:保护电动机用断路器用2表示2)手柄自接操作无代号:电动机操作用P表示;旋转手柄用Z表示3)L表示标准型,M表示较高分断型,H表示高分断型功率型号尺寸(长*宽*高)11KW 22KW MS1-63L 135*76*7437KW MS1-100L 155*92*68MS1-225L 165*107*87 55KW 75KW 90KW110KWMS1-400L 270*182*110 132KW 160KW200KW250KW MS1-630L德力西交流接触器(AC220)功率型号尺寸(长*宽*高)11KW CJX1-38 82*103*11022KW CJX1-75 105*135*14537KW CJX1-110 125*158*15555KW CJX1-170 140*185*19075KW CJX1-250 146*200*20590KW CJX1-300 146*200*205110KW CJX1-400 162*205*224132KW CJX1-475 162*205*224160KW200KW250KW塑壳断路器功率型号尺寸(长*宽*高)11KW 22KW 37KW DZ20Y-100 165*105*103DZ20Y-225 257.5*109.5*138 55KW 75KW 90KW110KWDZ20Y-400 276*156*148 132KW 160KW200KW250KW DZ20Y-630 268*209*148铜排截面积计算铜导线截面积利用铜导线的安全载流量的推荐值5~8A/mm2,计算出所选取铜导线截面积S的上下范围:S==0.125I~0.2I(mm2)S-----铜导线截面积(mm2)I----负载电流(A)功率铜排截面积(mm2)11KW 3.322KW 6.637KW11.155KW16.575KW2290KW27110KW22132KW39.6160KW48200KW60250KW75。
1LC1D09…D18 (3 极)LC1D25…D38 (3 极)LC1DT20…DT40(4 极)LC1D09…D25…DT20 DT32D18D38& DT25& DT40b 不带附加模块77858591b1带有 LAD4BB 949898–带有 LA4D p 2110 (1)114 (1)114–带有 LA4DF, DT119 (1)123 (1)129–带有 LA4DR, DW, DL126 (1)130 (1)190–c 没有外罩或附加模块849097105带有外罩,没有附加模块869299107c1带有 LADN 或 C(2 或 4 触点)117123123131c2没有 LA6DK10, LAD6K10129135135143c3带有 LADT, R, S137143143151带有 LADT, R, S 和密封盖141147147155(1)包括 LAD4BB LC1D40…D65 (3 极)LC1D40A …D65A (3 极)LC1D80 和 D95 (3 极)LC1D40…D65D40A...D65A D80D95a 75558585b1带有 LA4D p 2135–135135带有 LA4DB3–136135–带有 LA4DF, DT142157142142带有 LA4DM, DR, DW, DL 150166150150c 不带外罩或附加模块114118125125带有外罩,没有附加模块119120130130c1带有 LADN(1 触点)139–150150带有 LADN 或 C(2 或 4 触点)147150158158c2带有 LA6DK 159163170170c3带有 LADT, R, S167171178178带有 LADT, R, S 和密封盖171175182182LC1D115 和 D150和D170 (3 极)LC1D115D150D170D115006D150006a 120120120b1带有 LA4DA2174174174带有 LA4DF, DT 185185185带有 LA4DM, DR, DL 188188188带有 LA4DW188188–c 不带外罩或附加模块132115115带有外罩,没有附加模块136 ––c1带有 LADN 或 C(2 或 4 触点)150150150c2带有 LA6DK20155155155c3带有 LADT, R, S168168168带有 LADT, R, S 和密封盖172172172最小电气间隙最小电气间隙1LC1D09…D18 (3 极)LC1D25…D32 (3 极)最小电气间隙LC1D09…D18D25…D32b 7785c 不带外罩或附加模块9399带有外罩,没有附加模块95101c1带有 LADN 或 C(2 或4 触点)126132c2带有 LA6DK10138144c3带有 LADT, R, S146152带有 LADT, R, S 和密封盖150156LC1DT20 至 DT40 (4 极)LC1DT20 & DT25D098 & D128DT32 & DT40D188…D258b 8591c 带有外罩99107c1带有 LADN 或 C(2 或4 触点)123131c2带有 LA6DK10135143c3带有 LADT, R, S143151带有 LADT, R, S 和密封盖1471551LC1D09…D18 (3 极)LC1D25…D32 (3 极)最小电气间隙LC1D09…D18D25…D32b 7785c 不带外罩或附加模块9399带有外罩,没有附加模块95101c1带有 LADN 或 C(2 或4 触点)126132c2带有 LA6DK10138144c3带有 LADT, R, S146152带有 LADT, R, S 和密封盖150156LC1DT20 至 DT40 (4 极)LC1DT20 & DT25D098 & D128DT32 & DT40D188…D258b 8591c 带有外罩99107c1带有 LADN 或 C(2 或4 触点)123131c2带有 LA6DK10135143c3带有 LADT, R, S143151带有 LADT, R, S 和密封盖1471551可逆接触器LC2D09 至 D382 x LC1D09 至D38LC2 或 2 x LC1a b c (1)e1 e2 GD09 至 D18 a9077864 1.580D09 至 D18 c9077954 1.580D25 至 D38 a9085929580D25 至 D32 c90851019580e1 和 e2:包括配线(1)带有保护罩,不带附加模块。
电机功率额定电流型号参考单价型号参考单价参考总价起动保持损耗配断路器型号1.1KW 3.0A LC1-D0910M7N52LRD08KN6111370VA7VA2-3W C65 D 3P10A1.5KW 4.0A LC1-D0910M7N52LRD08KN6111370VA7VA2-3W C65 D 3P10A2.2KW 5.3A LC1-D0910M7N52LRD10KN6111370VA7VA2-3W C65 D 3P10A5.5KW12.0A LC1-D1810M7N70LRD16KN6113170VA7VA2-3W C65 D 3P20A7.5KW16.0A LC1-D1810M7N70LRD21KN7214270VA7VA2-3W C65 D 3P25A11.0KW23.0A LC1-D2510M7N80LRD22KN7915970VA7VA2-3W C65 D 3P32A电机运行参数如下:三相鼠笼式异步电动机,额定电压AC380 交流接触器运行参数如下: 线圈额定电压AC220V施耐德交流接触器,热保护继电器,断路器配合选型表(国产D2N系列)电机功率额定电流型号参考单价型号参考单价参考总价起动保持损耗配断路器型号1.1KW 3.0A LC1-D09M7C60LRD-08C9615670VA7VA2-3W C65 D 3P10A1.5KW 4.0A LC1-D09M7C60LRD-08C9615670VA7VA2-3W C65 D 3P10A2.2KW 5.3A LC1-D09M7C60LRD-10C8114170VA7VA2-3W C65 D 3P10A5.5KW12.0A LC1-D18M7C80LRD-16C8116170VA7VA2-3W C65 D 3P20A7.5KW16.0A LC1-D18M7C80LRD-21C10318370VA7VA2-3W C65 D 3P25A11.0KW23.0A LC1-D25M7C94LRD-22C10119570VA7VA2-3W C65 D 3P32A电机运行参数如下:三相鼠笼式异步电动机,额定电压AC380 交流接触器运行参数如下: 线圈额定电压AC220V施耐德交流接触器,热保护继电器,断路器配合选型表(进口D系列)。
施耐德交流接触器型号lc1-d150施耐德交流接触器lc1-d150施耐德交流接触器▲断路器是指能够关合、承载和开断正常回路条件下的电流并能关合、在规定的时间内承载和开断异常回路条件下的电流的开关装置。
断路器按其使用范围分为高压断路器与低压断路器,高低压界线划分比较模糊,一般将3kV以上的称为高压电器。
▲断路器可用来分配电能,不频繁地启动异步电动机,对电源线路及电动机等实行保护,当它们发生严重的过载或者短路及欠压等故障时能自动切断电路,其功能相当于熔断器式开关与过欠热继电器等的组合。
而且在分断故障电流后一般不需要变更零部件。
目前,已获得了广泛的应用。
▲电的产生、输送、使用中,配电是一个极其重要的环节。
配电系统包括变压器和各种高低压电器设备,低压断路器则是一种使用量大面广的电器▲断路器应垂直安装,且在安装前应先检查断路器铭牌上所列的技术参数是否符合使用要求。
▲通电前应人工操作几次断路器,其机构动作应灵活可靠、无阻滞现象。
▲按下闭合按钮(黑色),电路处于接通状态;按下断开按钮(红色),电路处于断开状态。
▲使用过程中,应对断路器进行定期检查(一般为一个月),即在断路器合闸通电状态下,拨动试验按钮(试验按钮用符号Test表示),断路器应可靠断开。
▲当断路器因线路发生过载、短路故障而断开时,应先排除故障后再使断路器重新合闸。
▲本断路器为非维护型,所以当断路器发生故障不能正常工作时,用户不得私自打开断路器进行维修。
▲使用电流调节旋钮,须按线路实际电流调节至相应位置,请勿超负荷使用▲如需近一步了解施耐德接触器,ABB断路器,西门子接触器,西门子断路器,常熟开关,价格,厂家,批发,参数等。
请关注科旭机电 lc1-d32施耐德交流接触器lc1-d32施耐德交流接触器▲断路器是指能够关合、承载和开断正常回路条件下的电流并能关合、在规定的时间内承载和开断异常回路条件下的电流的开关装置。
断路器按其使用范围分为高压断路器与低压断路器,高低压界线划分比较模糊,一般将3kV以上的称为高压电器。
施耐德交流接触器LC1D09M7C技术参数相关介绍施耐德交流接触器LC1D09M7C技术参数相关介绍装置作用在电工学上,因为接触器是一种可快速切断交流与直流主回路且可频繁地接通与关断大电流控制(达800A)电路的装置,所以经常运用于电动机作为控制对象,也可用作控制工厂设备﹑电热器﹑工作母机和各样电力机组等电力负载,接触器不仅能接通和切断电路,而且还具有低电压释放保护作用。
接触器控制容量大,适用于频繁操作和远距离控制,是自动控制系统中的重要元件之一。
接触器作为一个大功率开关器件,广泛应用于航天、航空、兵器、船舶、电子等系统装备中,其控制的负载电流大于25A,电压为25VDC;115VAC、402Hz;386VAC、50Hz,在装备中主要作为配电开关进行电源控制或者控制大功率电机的启停控制等,是装备中的一个关键器件,起着重要的作用。
在工业电气中,接触器的型号很多,工作电流在5A-1000A的不等,其用处相当广泛。
主要结构交流接触器利用主接点来控制电路,用辅助接点来导通控制回路。
主接点一般是常开接点,而辅助接点常有两对常开接点和常闭接点,小型的接触器也经常作为中间继电器配合主电路使用。
交流接触器的接点,由银钨合金制成,具有良好的导电性和耐高温烧蚀性。
交流接触器动作的动力源于交流通过带铁芯线圈产生的磁场,电磁铁芯由两个「山」字形的幼硅钢片叠成,其中一个固定铁芯,套有线圈,工作电压可多种选择。
为了使磁力稳定,铁芯的吸合面加上短路环。
交流接触器在失电后,依靠弹簧复位。
另一半是活动铁芯,构造和固定铁芯一样,用以带动主接点和辅助接点的闭合断开。
20A以上的接触器加有灭弧罩,利用电路断开时产生的电磁力,快速拉断电弧,保护接点。
接触器可高频率操作,作为电源开启与切断控制时﹐最高操作频率可达每小时1200次。
接触器的使用寿命很高,机械寿命通常为数百万次至一千万次,电寿命一般则为数十万次至数百万次。
主要信息产品系列TeSys Deca产品系列TeSys Deca产品类型接触器产品短名LC1D接触器应用领域应用于功率因数大于等于0.95的交流负载中应用于无感或微感负载、电阻炉使用类别AC-4AC-1AC-3AC-3e极数3P额定工作电压 [Ue]电源回路: <= 690 V AC 25...400 Hz电源回路: <= 225 V DC额定工作电流[Ie]25 A 60 °C) 在…上 <= 440 V AC AC-1 适用电源回路9 A 60 °C) 在…上 <= 440 V AC AC-3 适用电源回路9 A 60 °C) 在…上 <= 440 V AC AC-3e 适用电源回路[Uc] control circuit voltage230V AC 50/60 Hz型号LC1D回路触点类型3 NO保护盖无约定发热电流 [Ith]25 A 在…上<60 °C 适用电源回路10 A 在…上<60 °C 适用信号回路额定短时耐受电流 [Icw]105 A 在…上<40 °C - 10 s 适用电源回路210 A 在…上<40 °C - 1 s 适用电源回路30 A 在…上<40 °C - 10 分钟适用电源回路61 A 在…上<40 °C - 1 分钟适用电源回路100 A - 1 s 适用信号回路120 A - 500 ms 适用信号回路140 A - 100 ms 适用信号回路与继电器配合使用的熔丝10 A gG 适用信号回路符合 IEC 60947-5-125 A gG 在…上 <= 690 V 配合 1 型适用电源回路20 A gG 在…上 <= 690 V 配合 2 型适用电源回路平均阻抗2.5 mΩ - Ith 25 A 50 Hz 适用电源回路额定绝缘电压 [Ui]电源回路: 690 V 符合 IEC 60947-4-1信号回路: 690 V 符合 IEC 60947-1过电压类别III污染等级3额定冲击耐受电压 [Uimp]6 kV 符合 IEC 60947安全可靠等级B10d = 1369863 次标称负载的接触器符合 EN/ISO 13849-1B10d = 20000000 次机械负载的接触器符合 EN/ISO 13849-1 机械寿命15 Mcycles电气寿命0.6 Mcycles 25 A AC-1 Ue条件下 <= 440 V2 Mcycles 9 A AC-3 Ue条件下 <= 440 V2 Mcycles 6.6 A AC-3 Ue条件下 660/690 V2 Mcycles 9 A AC-3e Ue条件下 <= 440 V2 Mcycles 6.6 A AC-3e Ue条件下 660/690 V控制回路特性AC 在…上 50/60 Hz浪涌抑制模块无内置浪涌抑制模块控制电压限额0.3...0.6 Uc -40…60 °C 释放 50/60 Hz0.8...1.1 Uc -40…60 °C 运行 50 Hz0.85...1.1 Uc -40…60 °C 运行 60 Hz(~50Hz吸合)功耗(VA)70 VA 60 Hz 0.75 20 °C)70 VA 50 Hz 0.75 20 °C)(~50Hz保持)功耗(VA)7.5 VA 60 Hz 0.3 20 °C)7 VA 50 Hz 0.3 20 °C)热消散2…3 W 在…上 50/60 Hz动作时间12...22 ms 闭合4...19 ms 分断最大操作频率3600 次/小时在…上<60 °C工作原理接触器的工作原理是:当接触器线圈通电后,线圈电流会产生磁场,产生的磁场使静铁芯产生电磁吸力吸引动铁芯,并带动交流接触器点动作,常闭触点断开,常开触点闭合,两者是联动的。
施耐德交流接触器-施耐德接触器型号施耐德CT接触器一、施耐德CT接触器适用说明iCT 2P 63A 家用接触器专用接触器,主要适用于50Hz或60Hz、在AC-7a 使用类别额定工作电压为240V或277V 时额定电流至63A电路中,适用于起动和控制单相交流电动机(压缩机)及其它单相负载。
控电制器家和用类似用途的低感负载或微感负载,也可用来控制家用电动机负载;此时控制功率要相应降低。
该产品应用于家庭、宾馆、公寓等场所,实现自动适化用功于能大,规模生产的家用电器产品中,主要用于家用电器行业,特别在电能表行业中。
可以替代内置固态继电器。
其主要性能指标符合IEC61095,UL508及GB17885等标准.二、主要参数及技术性能1 、按极数分类:接触器分为二极和四极。
2 、接触器的额定绝缘电压、约定自由空气发热电流、使用类别及其对应的额定工作电流和控制功率3、动作(操作)条件:在周围空气温度为-5℃~+63℃范围内,对接触器吸引线圈施以额定控制电源电压Us,使其发热至稳定状态时,接触器线圈在75% Us~110% Us范围内可靠吸合并工作。
其释放电压既不高于75%Us,又不低于20%Us(二极),释放电压不低于10%Us(四极)。
4 、接通和分断能力(见表2)5、机械寿命:接触器的机械寿命不小于100万次。
6、电寿命试验的接通通断,电寿命:接触器的电寿命不小于10万次。
7、接触器的使用类别为AC-1、AC-7a;8、接触器在距处,其噪声在40dB 以下。
三、主要结构及工作原理1、接触器为立体布置、双断点,触点采用银基合金、磁系统采用E型铁心,衔铁采用电工钝铁。
接触器为正装直动式双断点结构,罩盖与躯壳采用耐弧塑料制成,WCT采用自动灭弧,形成封闭灭弧室灭弧好,飞弧距离为零。
触头采用抗熔焊及耐电磨损的银基合金材料制成,导电性能好,寿命长,对环境无污染。
铁芯采用E形结构,体积小。
线圈的接线方式两接线端分别在产品的两端,接线灵活方便。
1LC1D09…D18 (3 极)LC1D25…D38 (3 极)LC1DT20…DT40(4 极)LC1D09…D25…DT20 DT32D18D38& DT25& DT40b 不带附加模块77858591b1带有 LAD4BB 949898–带有 LA4D p 2110 (1)114 (1)114–带有 LA4DF, DT119 (1)123 (1)129–带有 LA4DR, DW, DL126 (1)130 (1)190–c 没有外罩或附加模块849097105带有外罩,没有附加模块869299107c1带有 LADN 或 C(2 或 4 触点)117123123131c2没有 LA6DK10, LAD6K10129135135143c3带有 LADT, R, S137143143151带有 LADT, R, S 和密封盖141147147155(1)包括 LAD4BB LC1D40…D65 (3 极)LC1D40A …D65A (3 极)LC1D80 和 D95 (3 极)LC1D40…D65D40A...D65A D80D95a 75558585b1带有 LA4D p 2135–135135带有 LA4DB3–136135–带有 LA4DF, DT142157142142带有 LA4DM, DR, DW, DL 150166150150c 不带外罩或附加模块114118125125带有外罩,没有附加模块119120130130c1带有 LADN(1 触点)139–150150带有 LADN 或 C(2 或 4 触点)147150158158c2带有 LA6DK 159163170170c3带有 LADT, R, S167171178178带有 LADT, R, S 和密封盖171175182182LC1D115 和 D150和D170 (3 极)LC1D115D150D170D115006D150006a 120120120b1带有 LA4DA2174174174带有 LA4DF, DT 185185185带有 LA4DM, DR, DL 188188188带有 LA4DW188188–c 不带外罩或附加模块132115115带有外罩,没有附加模块136 ––c1带有 LADN 或 C(2 或 4 触点)150150150c2带有 LA6DK20155155155c3带有 LADT, R, S168168168带有 LADT, R, S 和密封盖172172172最小电气间隙最小电气间隙1LC1D09…D18 (3 极)LC1D25…D32 (3 极)最小电气间隙LC1D09…D18D25…D32b 7785c 不带外罩或附加模块9399带有外罩,没有附加模块95101c1带有 LADN 或 C(2 或4 触点)126132c2带有 LA6DK10138144c3带有 LADT, R, S146152带有 LADT, R, S 和密封盖150156LC1DT20 至 DT40 (4 极)LC1DT20 & DT25D098 & D128DT32 & DT40D188…D258b 8591c 带有外罩99107c1带有 LADN 或 C(2 或4 触点)123131c2带有 LA6DK10135143c3带有 LADT, R, S143151带有 LADT, R, S 和密封盖1471551LC1D09…D18 (3 极)LC1D25…D32 (3 极)最小电气间隙LC1D09…D18D25…D32b 7785c 不带外罩或附加模块9399带有外罩,没有附加模块95101c1带有 LADN 或 C(2 或4 触点)126132c2带有 LA6DK10138144c3带有 LADT, R, S146152带有 LADT, R, S 和密封盖150156LC1DT20 至 DT40 (4 极)LC1DT20 & DT25D098 & D128DT32 & DT40D188…D258b 8591c 带有外罩99107c1带有 LADN 或 C(2 或4 触点)123131c2带有 LA6DK10135143c3带有 LADT, R, S143151带有 LADT, R, S 和密封盖1471551可逆接触器LC2D09 至 D382 x LC1D09 至D38LC2 或 2 x LC1a b c (1)e1 e2 GD09 至 D18 a9077864 1.580D09 至 D18 c9077954 1.580D25 至 D38 a9085929580D25 至 D32 c90851019580e1 和 e2:包括配线(1)带有保护罩,不带附加模块。
2 x LC1D40 至D652 x LC1a b c e1e2G G1D40 至 D651651271425–5090D80 和 D9518212715813–5796c、e1 和 e2:包括配线2 x LC1D115 和 D150和D1702 x LC1a c e1e2GD115, D150, D1702661485618242/256c、e1 和 e2:包括配线LC2DT20 至 DT402 x LC1DT20 至DT40LC2 或 2 x LC1a b c GDT20 和 DT2590859080DT32 和 DT4090919880c, e:包括配线1D205 至D300LC1a b b1b2c f G G1J J1L M P Q Q1S S1Y Z D2053P 168.517413730518113011180106120113.5154402959.520344413.5D2453P 168.519713736418113011180106120113.5172482151.52544.54413.5D3003P 213206145375219147154.5961061201451814843742544.53820.5f = 拆卸线圈所需的最小间距LC1D410 和D475LC1a b b2c f G *G 最小G 最大G1 *G1 最小G1 最大J L M P Q Q1S D4103P 213206375219146806610217015619219.514518148437425D4753P 233238400232150806612017015621039.514620855467730* 提供f = 拆卸线圈所需的最小间距X1 (mm) = 最小电气间隙(根据工作电压和分断能力确定)LC1200...500 V 600...1000 V D2051015D2451015D3001015(1)主回路接线端子保护盖板LA9F703,详情请咨询当地办事处。
X1 (mm) = 最小电气间隙(根据工作电压和分断能力确定)。
LC1200...500 V 600...1000 V D4101520D4751520(1) 主回路接线端子保护盖板LA9F703,详情请咨询当地办事处。
1LC1D620LC1a G *G min.G max.J1Q Q1 D6203P30918010019568.56089 *提供X1 (mm) = 最小电气间隙(根据工作电压和分断能力确定)。
伏特200...500 V690...1000 V200...690 V1000 LC1D6202030––(1) 主回路接线端子盖板LA9F704,详情请咨询当地办事处。
(2) 拆卸线圈所需的最小间距1由用户自行组装2 x LC1D205至 D245 (由两个线排供电,并可固定设备)f - 拆卸线圈所需的最小间距线排固定中心:垂直:120 mm 。
水平:a2 (参见附表)X1 (mm) = 最小电气间隙(根据工作电压和分断能力确定)LC1200...500 V 660...1000 V D2051015D24510152 x LC1a a2b b1c G1J J1L M P P1Q1S f Øs D2053P 357326174137181807859.5113.5154407859.520130M8D2453P357326197137181807859.5113.5172486251.525130M101用户组装,建议安装在AM1EC ppp 导轨上,请咨询当地的区域销售办事处。
2 x LC1D205 至D300X1 (mm) = 最小电气间距(根据工作电压和分断能力确定)LC1200…500 V 660…1000 V 200…690 V 1000 V D2051015––D2451015––D3001015––D4101520––D4751520––D6202030––2 x LC1a b b1c G G1J J1J2J3L P1D2053P 357174137181–807859.5––113.578D2453P 357197137181–807859.5––113.562D3003P 447206145219–9612465.5––145107D4103P 4462062092198017015764.56719.5145107D4753P 4852382092328017015684.56639.5146112D6203P636304280255180–13968.5––155137(1) LC1D620:4 x Ø10.5。
(2) LC1D6202 x LC1D410, D475, D6201用户组装,采用机械互锁装置 (MI) LA9F ppp ,建议安装在AM1EC ppp导轨上,请咨询当地的区域销售办事处。
装配 A装配 B装配 C(1)机械互锁杆。
(2)仅适用于不同额定值的接触器组装。
(3) 4 x Ø6.5 用于LC1F115 至F225。
(4) 4 x Ø6.5 用于LC1F265。
(5) 机械互锁导向支架。
(6) 4 x Ø 8.5 用于LC1F400, F500或 4 x Ø10.5 用于 LC1F630和F800。
装配 A (1)MI G3H1J1型号3P 最大最小最大3P LA9FF4F 0310********LA9FG4F 330090180139.5LA9FG4G0310100190139.5J2J43P 4P 3P LA9FF4F 1376748.5LA9FG4F 1377354LA9FG4G139.57353装配 B MI G1G3G5H 型号3P 3P 3P 最小最大LA9FH4F 962160240380LA9FJ4F 804583250380LA9FK4F 804583270380LA9FL4F 1803574310380LA9FH4G 961960250380LA9FJ4G 804283250380LA9FK4G 804283270380LA9FL4G1803374310380H1J1J2J4最小最大3P 3P 3P LA9FH4F 110250157.513748.5LA9FJ4F 80210144.513748.5LA9FK4F 100210164.513748.5LA9FL4F 140210248.513748.5LA9FH4G 120250157.5139.553LA9FJ4G 90220144.5139.553LA9FK4G 110220164.5139.553LA9FL4G 150220248.5139.553装配 MI G1G2G3G4G5型号3P 3P 3P 3P 3P LA9FH4H 969606060LA9FJ4H 8096236083LA9FK4H 8096236083LA9FL4H 180********LA9FJ4J 808008383LA9FK4J 808008383LA9FL4J 180809 (8)8374LA9FK4K 808008383LA9FL4K 180809 (8)8374LA9FL4L180********H H1J1J2最小最大最小最大3P 3P LA9FH4H 250380130260157.5157.5LA9FJ4H 260380110230144.5157.5LA9FK4H 280380130230164.5157.5LA9FL4H 330380*********.5157.5LA9FJ4J 26038060200144.5144.5LA9FK4J 280380100200164.5144.5LA9FL4J 325380140195248.5144.5LA9FK4K 300380120200164.5164.5LA9FL4K 345380160195248.5164.5LA9FL4L 380380200200248.5248.5(8) 此时, G4比 G5 更大。