带颈对焊法兰标准h1
- 格式:docx
- 大小:24.17 KB
- 文档页数:1
注:带括号尺寸为法兰盖与其他型式法兰组合时的螺栓长度。
注:带括号尺寸为法兰盖与其他型式法兰组合时的螺栓长度。
注:以上螺栓长度为RF密封面法兰连接用,当为RJ密封面连接法兰时螺栓长度:DN15~40加长15mm,
DN50~400加长20mm。
注:以上螺栓长度为RF密封面法兰连接用,当为RJ密封面连接法兰时螺栓长度:DN15~40加长15mm,
DN50~300加长20mm,DN350~400加长25mm。
注:以上螺栓长度为RF密封面法兰连接用,当为RJ密封面连接法兰时螺栓长度:DN15~40加长15mm,
DN50~125加长20mm,DN150~250加长25mm,DN300加长30mm。
注:以上螺栓长度为RF密封面法兰连接用,当为RJ密封面连接法兰时螺栓长度:DN15~40加长15mm,
DN50~125加长20mm,DN150~250加长25mm,DN300加长30mm。
示例1:公称通径1200mm、公称压力0.6MPa、配用公制管的突面板式平焊钢制管法兰,材料为Q235-A,其标记为:HG20592 法兰PL1200—0.6 RF Q235A示例2:公称通径300mm、公称压力2.5MPa、配用英制管的凸面带颈平焊法兰钢制管法兰,材料为20 钢,其标记为:HG20592 法兰 SO 300(A)—2.5 M 20示例3:公称通径100mm、公称压力10.0MPa、配用公制管的凹面带颈对焊钢制管法兰,材料为16Mn,钢管壁厚为8mm,其标记为:HG20592 法兰WN100 —10.0 FM S=8mm 16Mn示例4:公称通径150mm、公称压力16.0MPa、配用英制管的环连接面带颈对焊钢制管法兰,材料为16Mn,钢管壁厚为10mm,其标记为:HG20592 法兰WN150(A)—16.0 RJ S=10mm 16Mn示例5:公称通径500mm、公称压力1.6MPa、榫面整体钢制管法兰,材料为WCB,密封面表面粗糙度为Ra0.8~1.6,,其标记为:HG20592 法兰IF500 —1.6 T WCB Ra0.8~1.6示例6:公称通径40mm、公称压力6.3MPa、配用英制管的突面承插焊钢制管法兰,材料为304,其标记为:HG20592 法兰SW40(A)—6.3 RF 304示例7:公称通径80mm、公称压力2.5MPa、采用NPT螺纹的突面螺纹钢制管法兰,材料为20钢,其标记为:HG20592 法兰Th80(NPT)—2.5 RF 20示例8:公称通径65mm、公称压力1.6MPa、采用Rc螺纹的全平面螺纹钢制管法兰,材料为316,其标记为:HG20592 法兰Th65(Rc)—1.6 FF 316示例9:公称通径200mm、公称压力1.0MPa、配用公制管的突面对焊环松套钢制管法兰,材料为:法兰20、对焊环316,钢管壁厚为4mm,其标记为:HG20592 法兰PJ/SE200 —1.0 RF S=4mm 20/316示例10:公称通径300mm、公称压力1.0MPa、配用英制管的凹面平焊环松套钢制管法兰,材料为:法兰20、平焊环316,其标记为:HG20592 法兰PJ/PR300(A) —1.0 FM S=4mm 20/316示例11:公称通径300mm、公称压力10.0MPa、榫面钢制管法兰盖,材料为16Mn,其标记为:HG20592 法兰盖BL300 —10.0 G 16Mn示例12:公称通径400mm、公称压力1.6MPa的突面衬里钢制管法兰盖,材料为:衬里321,法兰盖本体20钢,其标记为:HG20592 法兰盖BL(S)400 —1.6 RF 20/321。
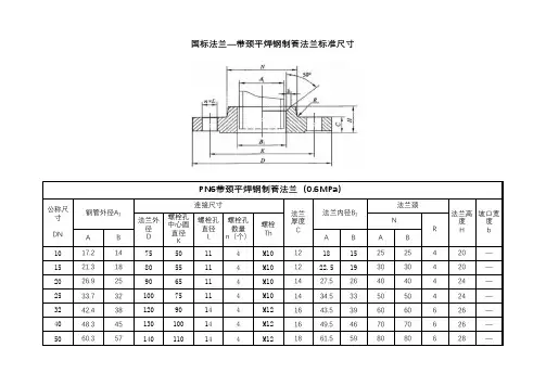
PN101017.2149060144M124121435 2.3630.580.591521.3189565144M124621438 3.2630.680.682026.92510575144M125621640 3.2640.970.982533.73211585144M126521640 3.264 1.16 1.183242.438140100184M167621842 3.665 1.90 1.944048.345150110184M168421845 3.675 2.21 2.255060.357165125184M169922045485 2.91 2.966576.176185145184M1611822045 2.9106 3.49 3.49带颈对焊法兰/RF(HG20595-97)公称通径DN 钢管外径A/mm连接尺寸密封面/mm 法兰厚度C/mm 法兰高度H/mm 法兰颈/mm理论重量(kg )法兰外径D/mm 螺栓孔中心直径K/mm 螺栓孔径L/mm 螺栓d f NS 系列Ⅰ系列Ⅱ数量n螺纹规格系列Ⅰ系列Ⅱ系列Ⅰ系列Ⅱ28324046H1R 566474928088.989200160188M1613222050 3.2106 3.99 3.99100114.3108220180188M1615622252 3.6126 4.92 5.15125139.7133250210188M16184222554126 6.27 6.60150168.3159285240228M2021122455 4.51288.228.78200219.1219340295228M2026622462 6.316811.5011.512502732733953502212M2031922668 6.3161015.1515.15300323.93254454002212M20370226687.1161018.1818.03350355.63775054602216M20429226683904008161025.4122.58400406.44265655152616M24480226724404458.8161030.9527.584504574806155652620M245302287248850010161236.4727.035005085306706202620M245822287554055011161242.9038.306006106307807253020M276822288064065012.5181262.4156.707007117208958403024M277945308074674412.5181268.1264.4580081382010159503324M309015329084885012.5181291.0488.01900914920111510503328M3010015349594895012.52012106.9103.9100010161020123011603628M3311125349512.52012123.9121.3120012201220145513803932M36132853811512.52512183.7183.7140014201420167515904236M39153054212012.52512246.7246.7160016201620191518204840M45175054613012.52512346.0346.0180018201820211520204844M45195055014012.53015419.4419.4200020202020232522304848M45215055415012.53015519.8519.81051110130158184234288342125614601666186620701017.2149060144M124121435 2.3630.580.591521.3189565144M124621438 3.2630.680.682026.92510575144M125621640 3.2640.970.982533.73211585144M126521640 3.264 1.16 1.183242.438140100184M167621842 3.665 1.90 1.944048.345150110184M168421845 3.675 2.21 2.255060.357165125184M169922045485 2.91 2.966576.176185145184M1611822045 2.9106 3.49 3.498088.989200160188M1613222050 3.2106 3.99 3.99100114.3108220180188M1615622252 3.6126 4.92 5.15125139.7133250210188M16184222554126 6.27 6.60150168.3159285240228M2021122455 4.51288.228.78200219.12193402952212M2026622462 6.316811.5011.512502732734053552612M2431922670 6.3161016.1116.11300323.93254604102612M24370228787.1161021.9421.79350355.63775204702616M24429230823904008161032.3129.47400406.44265805253016M27480232854444508.8161040.9537.584504574806405853020M275482408749050610161256.8047.375005085307156503320M306092449054655911161277.5272.926006106308407703620M337202549565066012.51812122.1116.47007117209108403624M3379453810075075012.5181292.288.580081382010259503924M3690153810584885012.52012110.6107.6900914920112510503928M36100154011094895812.52012128.9125.9100010161020125511704228M3911125421201056106012.52212170.2167.6120012201220148513904832M45132854813012.53012238.7238.7140014201420168515904836M45153055214512.53012312.8312.8160016201620193018205540M52175055816012.53512445.8445.8180018201820213020205544M52195056217012.53515535.8535.8200020202020234522306048M56215056619012.54015659.2659.2公称通径DN 钢管外径A/mm连接尺寸密封面/mm法兰厚度C/mm 螺栓孔径L/mm 螺栓d f N系列Ⅰ系列Ⅱ数量n 螺纹规格系列Ⅰ系列Ⅱ法兰高度H/mm 法兰颈/mm法兰外径D/mm 螺栓孔中心直径K/mm 系列Ⅰ系列Ⅱ28324046S H1R 理论重量(kg )5664749211013015818423428834212601465166818702072PN251017.2149060144M124121435 2.3630.590.601521.3189565144M124621438 3.2630.690.692026.92510575144M125621640 3.2640.980.992533.73211585144M126521640 3.264 1.17 1.193242.438140100184M167621842 3.665 1.91 1.954048.345150110184M168421845 3.675 2.23 2.265060.357165125184M169922048485 2.96 3.016576.176185145188M16118222525106 3.94 3.958088.989200160188M1613222458 5.6126 5.11 5.11100114.3108235190228M2015622465 6.3126 6.927.18125139.7133270220268M2418422668 6.31269.389.76150168.3159300250268M24211228757.112812.2913.00200219.12193603102612M2427423080 6.316817.0317.042502732734253703012M2733023288 6.3181023.4923.49300323.93254854303016M27389234927.1181031.0330.82350355.63775554903316M304482381003984068201048.7544.33400406.44266205503616M335032401104524648.8201063.6359.264504574806706003620M3354824611050051410201277.6071.115005085307306603620M3360924812555857011201299.0291.386006106308457703920M3672025812566067012.52012142.7133.07007117209608754224M3982054612576076612.52012139.8135.780081382010859904824M4592855013586487412.52212184.3182.1900914920118510904828M45102855414596897412.52412220.8217.5100010161020132012105528M5211405581551070107412.52412286.6283.9公称通径DN 钢管外径A/mm连接尺寸密封面/mm法兰厚度C/mm 法兰高度H/mm 法兰颈/mm理论重量(kg )法兰外径D/mm 螺栓孔中心直径K/mm 螺栓孔径L/mm 螺栓d f NS 系列Ⅰ系列Ⅱ数量n 螺纹规格系列Ⅰ系列Ⅱ134系列Ⅰ系列Ⅱ28324046H1R 566474921101621902442963501017.2149060144M124121435 2.3630.670.661521.3189565144M124621438 3.2630.760.752026.92510575144M125621640 3.264 1.06 1.052533.73211585144M126521640 3.264 1.27 1.263242.438140100184M167621842 3.665 2.08 2.054048.345150110184M168421845 3.675 2.40 2.375060.357165125184M169922048485 3.15 3.116576.176185145188M16118222525106 3.96 3.948088.989200160188M1613222458 5.6126 5.08 5.03100114.3108235190228M2015622465 6.31267.027.01125139.7133270220268M2418422668 6.31269.719.61150168.3159300250268M24211228757.112812.7112.7200219.12193753203012M2728423488816821.421.42502732734503853312M3034523810510181034.634.6300323.93255154503316M3040924211510181048.248.2350355.63775805103616M3346524612540841811201067.166.8400406.44266605853916M3653525013546248012.5201098.0964504574806856103920M3656025713550053014.22012104.7100.15005085307556704220M39615257140562580162012135.2125.96006106308907954820M4573527215066668617.52012204.9210.2PN631017.21410070144M124122045363 1.09 1.101521.31810575144M124622045 3.263 1.21 1.222026.92513090184M165622052 3.664 1.87 1.882533.732140100184M166522458 3.684 2.65 2.66公称通径DN 钢管外径A/mm连接尺寸密封面/mm法兰厚度C/mm 螺栓孔径L/mm 螺栓d f N系列Ⅰ系列Ⅱ数量n 螺纹规格系列Ⅰ系列Ⅱ法兰高度H/mm 法兰颈/mm法兰外径D/mm 螺栓孔中心直径K/mm 系列Ⅰ系列Ⅱ28324046S H1R 理论重量(kg )56647492110134162190244306362公称通径DN 钢管外径A/mm连接尺寸密封面/mm 法兰厚度C/mm 理论重量(kg )法兰外径D/mm 螺栓孔中心直径K/mm 螺栓孔径L/mm 螺栓d f N系列Ⅰ系列Ⅱ数量n螺纹规格系列Ⅰ系列Ⅱ法兰高度H/mm 法兰颈/mm系列Ⅰ系列Ⅱ32344252S H1R 603242.438155110224M207622460 3.685 3.16 3.204048.345170125224M2084226624105 4.19 4.225060.357180135224M2099226625105 4.73 4.786576.176205160228M20118226686126 5.94 5.958088.989215170228M20132228726126 6.99 6.98100114.3108250200268M241562307871269.8510.09125139.7133295240308M27184234887.512615.3815.70150168.3159345280338M30211236958.512822.4322.99200219.12194153453612M3328424211010.516836.0236.022502732734704003612M3334524612513.5181051.7351.73300323.93255304603616M3340925214015.5181072.5272.36350355.63776005253916M3646525615042043017.52010104.2101.4400406.44266705854216M39535260160475484202010138.5135.21387082981121682022563163721017.21410070144M124122045363 1.09 1.101521.31810575144M124622045 3.263 1.21 1.222026.92513090184M165622052 3.664 1.87 1.882533.732140100184M166522458 3.684 2.65 2.663242.438155110224M207622460 3.685 3.16 3.204048.345170125224M2084226624105 4.19 4.225060.357195145264M2499228686105 6.11 6.166576.176220170268M241182307671268.028.028088.989230180268M241322327871269.219.21100114.3108265210308M2715623690812613.7013.94125139.7133315250338M3018424010510.512622.4322.75150168.31593552903312M3021124411511.512830.1030.66200219.12194303603612M3328425213014.516852.9352.942502732735054303912M3634526015718.5181086.8786.87300323.93255855004216M3940926817020.51810126.3126.1350355.63776555604816M4546527418922.52010178.7175.9400406.44267156204816M45535282205252010232.4229.0PN1601017.21410070144M124122445363 1.31 1.311521.31810575144M124622645 3.263 1.56 1.572026.92513090184M165623052 3.664 2.77 2.772533.732140100184M166523258 3.684 3.47 3.483242.438155110224M207623460 3.685 4.37 4.414048.345170125224M2084236644105 5.67 5.715060.357195145264M24992387561058.108.15公称通径DN 钢管外径A/mm连接尺寸密封面/mm法兰厚度C/mm 螺栓孔径L/mm 螺栓d f N系列Ⅰ系列Ⅱ数量n 螺纹规格系列Ⅰ系列Ⅱ法兰高度H/mm 法兰颈/mm法兰外径D/mm 螺栓孔中心直径K/mm 系列Ⅰ系列Ⅱ32344252S H1R 理论重量(kg )607090108120150180210278340400460510公称通径DN 钢管外径A/mm连接尺寸密封面/mm 法兰厚度C/mm 法兰高度H/mm 法兰颈/mmR 系列Ⅰ理论重量(kg )法兰外径D/mm 螺栓孔中心直径K/mm 螺栓孔径L/mm 螺栓d f NS H1系列Ⅱ数量n螺纹规格系列Ⅰ系列Ⅱ系列Ⅰ系列Ⅱ323442526070901086576.176220170268M2411824282712610.7710.778088.989230180268M2413224686712612.6612.66100114.3108265210308M27156252100812618.7218.96125139.7133315250338M3018425611510.514630.6530.97150168.31593552903312M3021126212812.514840.9441.50200219.12194303603612M332842661401616864.8564.862502732735154304212M39345276155201810103.4103.4300323.93255855004216M3940928817522.21810147.6147.4210278340400120150180。
带颈对焊法兰和带颈平焊法兰概述说明以及解释1. 引言1.1 概述本文将对带颈对焊法兰和带颈平焊法兰进行详细的概述说明和解释。
这两种法兰是管道系统中常用的连接元件,用于连接不同管道或管件之间,起到密封和支撑的作用。
它们在工业生产、石油化工、能源供应等领域有广泛应用。
1.2 文章结构文章将分为五个主要部分进行论述。
首先,在引言部分我们将概述本文内容和目的。
然后,我们将详细介绍带颈对焊法兰的定义、原理、特点和用途,以及制作和安装方法。
接下来,我们会对带颈平焊法兰进行类似的介绍。
随后,在第四部分我们将比较分析这两种法兰的结构特点、使用场景以及优缺点。
最后,我们总结要点并展望下一步的研究方向。
1.3 目的通过本文的撰写,旨在全面深入地了解带颈对焊法兰和带颈平焊法兰这两种常见连接元件。
通过对它们定义、原理、特点、用途以及制作安装方法等方面进行探讨,使读者对这两种法兰有更为清晰的认识。
此外,通过对比分析它们的结构特点、使用场景以及优缺点,帮助读者选择合适的法兰,并在实际应用中提高工作效率和安全性。
最后,本文还将对未来研究方向进行展望,以推动这些连接元件的进一步发展和改进。
2. 带颈对焊法兰2.1 定义和原理:带颈对焊法兰也被称为带颈焊接法兰,是一种常用于管道连接的焊接法兰。
它由两个主要部分组成:法兰盘和颈部。
法兰盘是平面圆形的金属环,具有用于螺栓连接的孔洞。
颈部是与管道连接的长圆筒体,内孔与管道直径相匹配。
带颈对焊法兰通过将管道端与其内孔同心并用螺栓固定来实现连接。
在焊接之前,首先需要在管道外壁上切割一个槽口,使得管道末端能够与法兰盘的内侧贴合, 然后通过钳紧机构将两者固定住,并进行对接焊接。
这种方式确保了连接的紧密度和强度。
2.2 特点和用途:带颈对焊法兰具有以下特点:- 同心性好:通过槽口和钳紧机构固定,可实现管道与法兰盘之间的高度同心。
- 高强度:通过有效的对接焊接方式,提供了牢固可靠的连接。
- 适应性广:可用于不同材质、不同直径的管道连接。
带颈对焊法兰密封面尺寸
带颈对焊法兰是一种常用的连接管道的元件,其多用于高压、高温的场合。
在使用带颈对焊法兰进行连接时,密封面的尺寸非常关键,能够影响到连接的安全性和密封性。
一般来说,带颈对焊法兰的密封面尺寸是根据标准规定的。
例如,美国标准ANSI B16.5规定的密封面尺寸如下:
- 150#和300#法兰:密封面尺寸为1/16英寸(1.59毫米)
- 400#和600#法兰:密封面尺寸为1/8英寸(3.18毫米)
- 900#和1500#法兰:密封面尺寸为1/4英寸(6.35毫米)
- 2500#法兰:密封面尺寸为3/8英寸(9.53毫米)
不同标准的带颈对焊法兰的密封面尺寸可能会有所不同,因此在选择带颈对焊法兰时需要根据实际情况选择符合标准的产品。
同时,在进行连接时需要注意密封面的清洁和平整度,以保证连接的密封性。
需要注意的是,由于带颈对焊法兰的设计和制造较为复杂,其价格也相对较高。
因此,在选择使用带颈对焊法兰时需要根据实际情况进行综合考虑,以确保使用效果和经济性的平衡。
- 1 -。
带颈对焊法兰是一种常见的连接法兰,广泛应用于各种管道系统中。
其中,DN80表示法兰的公称通径为80mm,PN16表示法兰的额定压力为16Bar。
对于使用者来说,了解带颈对焊法兰的参数非常重要,因为这些参数直接影响着法兰的使用和安装。
1. 公称通径(DN80):公称通径是法兰的内径,是法兰的基本标识之一。
对于DN80带颈对焊法兰来说,其公称通径为80mm。
在实际使用中,用户需要根据管道系统的实际需要选择合适的公称通径,以确保管道系统的流体输送效果。
2. 额定压力(PN16):额定压力是指法兰可以承受的最大压力。
对于PN16带颈对焊法兰来说,其额定压力为16Bar,这意味着在正常工作条件下,法兰可以承受的最大压力为16Bar。
在选择带颈对焊法兰时,用户需要根据管道系统的工作压力来确定法兰的额定压力,以确保管道系统的安全运行。
3. 焊接形式:带颈对焊法兰通常采用对焊形式进行连接。
对焊是通过将法兰与管道的焊接部分进行结合,以实现管道系统的连接。
对于DN80 PN16带颈对焊法兰来说,焊接形式的选择需根据具体的使用要求和管道系统的特点进行决定,以确保连接的牢固和稳定。
带颈对焊法兰的材质标准通常包括法兰本身的材质和密封垫的材质。
常见的法兰材质包括碳钢、不锈钢等,密封垫的材质包括橡胶、聚四氟乙烯等。
用户在选择带颈对焊法兰时,需要根据管道系统所输送的介质和工作环境的要求来确定法兰的材质,以确保法兰的耐腐蚀性和密封性。
5. 其他参数:除了上述几项基本参数外,带颈对焊法兰还包括一些其他重要参数,如连接面形式、螺栓孔数量和尺寸、法兰厚度等。
这些参数同样对法兰的安装和使用具有重要影响,用户在选择和使用带颈对焊法兰时,需要全面了解和考虑这些参数。
了解带颈对焊法兰的参数对于用户来说是非常重要的。
通过了解法兰的公称通径、额定压力、焊接形式、材质标准以及其他参数,用户可以选择合适的带颈对焊法兰,确保管道系统的安全运行和稳定连接。
304不锈钢带颈对焊法兰(HG20595-97)突面(RF )PN1.0MPa(10压力)突面对焊法兰(HG20595-97)/mm1017.2149060144M124121435 2.3630.580.591521.3189565144M124621438 3.2630.680.682026.92510575144M125621640 3.2640.970.982533.73211585144M126521640 3.264 1.16 1.183242.438140100184M167621842 3.665 1.90 1.944048.345150110184M168421845 3.675 2.21 2.255060.357165125184M169922045485 2.91 2.966576.176185145184M1611822045 2.9106 3.49 3.498088.989200160188M1613222050 3.2106 3.99 3.99100114.3108220180188M1615622252 3.6126 4.92 5.15125139.7133250210188M16184222554126 6.27 6.60150168.3159285240228M2021122455 4.51288.228.78200219.1219340295228M2026622462 6.316811.5011.512502732733953502212M2031922668 6.3161015.1515.15300323.93254454002212M20370226687.1161018.1818.03350355.63775054602216M20429226683904028161025.4122.58400406.44265655152616M24480226724404588.8161030.9527.584504574806155652620M245302287248851010161236.4727.035005085306706202620M245822287554056211161242.9038.306006106307807253020M276822288064066012.5181262.4156.707007117208958403024M277945308074675512.5181268.1264.4580081382010159503324M30×29015329084885512.5181291.0488.01900914920111510503328M30×210015349594895412.52012106.9103.9100010161020123011603628M33×21112534951050105412.52012123.9121.3120012191220145513803932M36×313285381151256125612.52512183.7183.7140014221420167515904236M39×315305421201462146012.52512246.7246.7160016261620191518204840M45×317505461301672166612.52512346.0346.0180018291820211520204844M45×319505501401875186614.23015419.4419.4200020322020232522304848M45×3215055415020822070163015519.8519.811013034256647492158184234公称通径DN 钢管外径A系列Ⅰ系列Ⅱ连接尺寸螺栓d f 密封面法兰外径D 螺栓孔中心直径K 螺栓孔径L 螺纹规格数量n 法兰厚度C 4046理论重量(kg)R 系列Ⅰ系列Ⅱ法兰高度HS H1288价格2832系列Ⅰ系列Ⅱ系列Ⅰ系列Ⅱ法兰颈N突面(RF )PN1.6MPa(16压力)突面对焊法兰(HG20595-97)/mm1017.2149060144M124121435 2.3630.580.591521.3189565144M124621438 3.2630.680.682026.92510575144M125621640 3.2640.970.982533.73211585144M126521640 3.264 1.16 1.183242.438140100184M167621842 3.665 1.90 1.944048.345150110184M168421845 3.675 2.21 2.255060.357165125184M169922045485 2.91 2.966576.176185145184M1611822045 2.9106 3.49 3.498088.989200160188M1613222050 3.2106 3.99 3.99100114.3108220180188M1615622252 3.6126 4.92 5.15125139.7133250210188M16184222554126 6.27 6.60150168.3159285240228M2021122455 4.51288.228.78200219.12193402952212M2026622462 6.316811.5011.512502732734053552612M2431922670 6.3161016.1116.11300323.93254604102612M24370228787.1161021.9421.793503563775204702616M24429230823904108161032.3129.474004064265805253016M27480232854444648.8161040.9537.584504574806405853020M275482408749051210161256.8047.375005085307156503320M30×26092449054657811161277.5272.926006106308407703620M33×27202549565067012.51812122.1116.47007117209108403624M33×279453810075075912.5181292.288.580081382010259503924M36×390153810584885512.52012110.6107.6900914920112510503928M36×3100154011094895412.52012128.9125.9100010161020125511704228M39×311125421201056106012.52212170.2167.6120012191220148513904832M45×313285481301260126012.53012238.7238.7140014221420168515904836M45×315305521451467146514.23012312.8312.8160016261620193018205540M52×4175055816016741668163512445.8445.8180018291820213020205544M52×419505621701879187017.53515535.8535.8理论重量(kg)价格2832系列Ⅰ系列Ⅱ系列Ⅰ系列Ⅱ法兰颈N R 系列Ⅰ系列Ⅱ法兰高度HS H1法兰厚度C 404613074921105664公称通径DN 钢管外径A 系列Ⅰ系列Ⅱ连接尺寸螺栓d f 密封面法兰外径D 螺栓孔中心直径K 螺栓孔径L 螺纹规格数量n 342158184234288突面(RF )PN2.5MPa(25压力)突面对焊法兰(HG20595-97)/mm1017.2149060144M124121435 2.3630.590.601521.3189565144M124621438 3.2630.690.692026.92510575144M125621640 3.2640.980.992533.73211585144M126521640 3.264 1.17 1.193242.438140100184M167621842 3.665 1.91 1.954048.345150110184M168421845 3.675 2.23 2.265060.357165125184M169922048485 2.96 3.016576.176185145188M16118222525106 3.94 3.958088.989200160188M1613222458 5.6126 5.11 5.11100114.3108235190228M2015622465 6.3126 6.927.18125139.7133270220268M2418422668 6.31269.389.76150168.3159300250268M24211228757.112812.2913.00200219.12193603102612M2427423080 6.316817.0317.042502732734253703012M2733023288 6.3181023.4923.49300323.93254854303016M27389234927.1181031.0330.82350355.63775554903316M30×24482381003984208201048.7544.33400406.44266205503616M33×25032401104524728.8201063.6359.264504574806706003620M33×254824611050052210201277.6071.115005085307306603620M33×260924812555858011201299.0291.386006106308457703920M36×372025812566068012.52012142.7133.07007117209608754224M39×382054612576076914.22012139.8135.780081382010859904824M45×3928550135864871162212184.3182.1900914920118510904828M45×3102855414596897417.52412220.8217.5100010161020132012105528M52×4114055815510701074202412286.6283.9350162190244296理论重量(kg)价格2832系列Ⅰ系列Ⅱ系列Ⅰ系列Ⅱ法兰颈N 法兰外径D 螺栓孔中心直径K 螺栓孔径L 螺纹规格数量n R系列Ⅰ系列Ⅱ法兰高度H 法兰厚度C 4046134钢管外径A 系列Ⅰ系列Ⅱ连接尺寸螺栓d f 密封面SH156647492110突面(RF )PN4.0MPa(40压力)突面对焊法兰(HG20595-97)/mm1017.2149060144M124121435 2.3630.670.661521.3189565144M124621438 3.2630.760.752026.92510575144M125621640 3.264 1.06 1.052533.73211585144M126521640 3.264 1.27 1.263242.438140100184M167621842 3.665 2.08 2.054048.345150110184M168421845 3.675 2.40 2.375060.357165125184M169922048485 3.15 3.116576.176185145188M16118222525106 3.96 3.948088.989200160188M1613222458 5.6126 5.08 5.03100114.3108235190228M2015622465 6.31267.027.01125139.7133270220268M2418422668 6.31269.719.61150168.3159300250268M24211228757.112812.7112.7200219.12193753203012M2728423488 6.316821.421.42502732734503853312M30×2345238105 6.3181034.634.6300323.93255154503316M30×24092421157.1181048.248.2350355.63775805103616M33×24652461254084308201067.166.8400406.44266605853916M36×35352501354624828.8201098.0964504574806856103920M36×3560257135500522102012104.7100.15005085307556704220M39×3615257140562584112012135.2125.96006106308907954820M45×373527215066668612.52012204.9210.2SH156647492110134钢管外径A 系列Ⅰ系列Ⅱ连接尺寸螺栓d f 密封面R系列Ⅰ系列Ⅱ法兰高度H 法兰厚度C 4046法兰外径D 螺栓孔中心直径K 螺栓孔径L 螺纹规格数量n 理论重量(kg)价格2832系列Ⅰ系列Ⅱ系列Ⅰ系列Ⅱ法兰颈N362162190244306突面(RF )PN6.3MPa(63压力)突面对焊法兰(HG20595-97)/mm1017.21410070144M125022045363 1.09 1.101521.31810575144M125522045 3.263 1.21 1.222026.92513090184M166822052 3.664 1.87 1.882533.732140100184M167822458 3.684 2.65 2.663242.438155110224M208622460 3.685 3.16 3.204048.345170125224M20102226624105 4.19 4.225060.357180135224M20112226625105 4.73 4.786576.176205160228M20136226686126 5.94 5.958088.989215170228M20146228726126 6.99 6.98100114.3108250200268M241722307871269.8510.09125139.7133295240308M27208234887.512615.3815.70150168.3159345280338M30×2245236958.512822.4322.99200219.12194153453612M33×230624211010.516836.0236.022502732734704003612M33×236224612513.5181051.7351.73300323.93255304603616M33×242225214015.5181072.5272.36350355.63776005253916M36×347525615042044217.52010104.2101.4400406.44266705854216M39×3540260160475495202010138.5135.2SH160708298112138钢管外径A系列Ⅰ系列Ⅱ连接尺寸螺栓df密封面R系列Ⅰ系列Ⅱ法兰高度H 法兰厚度C 4252法兰外径D 螺栓孔中心直径K 螺栓孔径L 螺纹规格数量n 理论重量(kg)价格3234系列Ⅰ系列Ⅱ系列Ⅰ系列Ⅱ法兰颈N 372168202256316突面(RF )PN10.0MPa(100压力)突面对焊法兰(HG20595-97)/mm1017.21410070144M125022045363 1.09 1.101521.31810575144M125522045 3.263 1.21 1.222026.92513090184M166822052 3.664 1.87 1.882533.732140100184M167822458 3.684 2.65 2.663242.438155110224M208622460 3.685 3.16 3.204048.345170125224M20102226624105 4.19 4.225060.357195145264M24116228626105 6.11 6.166576.176220170268M241402306871268.028.028088.989230180268M241502327271269.219.21100114.3108265210308M2717623678812613.7013.94125139.7133315250338M30×22122408810.512622.4322.75150168.31593552903312M30×22502449511.512830.1030.66200219.12194303603612M33×231225211014.516852.9352.942502732735054303912M36×337626012518.5181086.8786.87300323.93255855004216M39×344826814020.51810126.3126.1350355.63776555604816M45×350527415046048222.52010178.7175.9400406.44267156204816M45×3565282160510530252010232.4229.0400180210278340理论重量(kg)价格3234系列Ⅰ系列Ⅱ系列Ⅰ系列Ⅱ法兰颈N 法兰外径D 螺栓孔中心直径K 螺栓孔径L 螺纹规格数量n R系列Ⅰ系列Ⅱ法兰高度H 法兰厚度C 4252150钢管外径A系列Ⅰ系列Ⅱ连接尺寸螺栓df密封面SH1607090108120突面(RF )PN16.0MPa(160压力)突面对焊法兰(HG20595-97)/mm1017.21410070144M125222445363 1.31 1.311521.31810575144M125822645 3.263 1.56 1.572026.92513090184M167023052 3.664 2.77 2.772533.732140100184M168023258 3.684 3.47 3.483242.438155110224M208623460 3.685 4.37 4.414048.345170125224M20102236644105 5.67 5.715060.357195145264M241182387561058.108.156576.176220170268M2414224282712610.7710.778088.989230180268M2415224686712612.6612.66100114.3108265210308M27178252100812618.7218.96125139.7133315250338M30×221525611510.514630.6530.97150168.31593552903312M30×225526212812.514840.9441.50200219.12194303603612M33×23222661401616864.8564.862502732735054303912M36×3388276155201810103.4103.4300323.93255855004216M39×345628817522.21810147.6147.4400180210278340理论重量(kg)价格3234系列Ⅰ系列Ⅱ系列Ⅰ系列Ⅱ法兰颈N法兰外径D 螺栓孔中心直径K 螺栓孔径L 螺纹规格数量n R系列Ⅰ系列Ⅱ法兰高度H 法兰厚度C 4252150钢管外径A系列Ⅰ系列Ⅱ连接尺寸螺栓df密封面SH1607090108120突面(RF )PN25.0MPa(250压力)突面对焊法兰(HG20595-97)/mm1017.21412585184M167022460363 2.16 2.161521.31813090184M167522660 3.263 2.54 2.552026.92513595184M168222865 3.664 3.01 3.022533.732150105224M209622865 3.684 3.60 3.613242.438165120224M2010823275 3.685 5.11 5.154048.345185135264M24122234804105 6.85 6.895060.357200150268M241522388561058.418.466576.176230180268M2416624295712613.0013.008088.989255200308M27198246102712616.8616.86100114.3108300235338M30×2238254120812627.8928.13125139.71333502753312M30×227826014020020610.514639.7840.10150168.31593903203612M33×234626816024024212.514860.7861.34200219.1-4854004212M39×3438282190305-16168112.1-250273-5854904816M45×35282100215385-201810193.7-理论重量(kg)价格4448系列Ⅰ系列Ⅱ系列Ⅰ系列Ⅱ法兰颈N法兰外径D 螺栓孔中心直径K 螺栓孔径L 螺纹规格数量n R系列Ⅰ系列Ⅱ法兰高度H 法兰厚度C 5460164钢管外径A系列Ⅰ系列Ⅱ连接尺寸螺栓df密封面SH1728495124136平面(FF )PN1.0MPa(10压力)平面对焊法兰(HG20595-97)/mm1017.2149060144M124121435 2.3630.660.671521.3189565144M124621438 3.2630.750.762026.92510575144M125621640 3.264 1.05 1.062533.73211585144M126521640 3.264 1.26 1.273242.438140100184M167621842 3.665 2.05 2.084048.345150110184M168421845 3.675 2.37 2.405060.357165125184M169922045485 3.11 3.156576.176185145184M1611822045 2.9106 3.74 3.758088.989200160188M1613222050 3.2106 4.22 4.27100114.3108220180188M1615622252 3.6126 5.39 5.49125139.7133250210188M16184222554126 6.88 6.95150168.3159285240228M2021122455 4.51289.139.23200219.1219340295228M2026622462 6.316811.812.062502732733953502212M2031922668 6.3161015.615.78300323.93254454002212M20370226687.1161018.618.76350355.63775054602216M20429226683904028161023.5922.8400406.44265655152616M24480226724404588.8161029.7528.24504574806155652620M245302287248851010161234.4131.75005085306706202620M245822287554056211161240.9436.86006106307807253020M276822288064066012.5181253.1952.67007117208958403024M277945308074675512.5181264.5064.580081382010159503324M30×29015329084885512.5181287.3087900914920111510503328M30×210015349594895412.52012106.4106.1100010161020123011603628M33×21112534951050105412.52012140.2123.9120012191220145513803932M36×313285381151256125612.52512187.7187.7140014221420167515904236M39×315305421201462146012.52512256.5256.5160016261620191518204840M45×317505461301672166612.52512368.9368.9180018291820211520204844M45×319505501401875186614.23015451.1451.1200020322020232522304848M45×3215055415020822070163015564.2564.211013034256647492158184234公称通径DN 钢管外径A系列Ⅰ系列Ⅱ连接尺寸螺栓d f 密封面法兰外径D 螺栓孔中心直径K 螺栓孔径L 螺纹规格数量n 法兰厚度C 4046理论重量(kg)R 系列Ⅰ系列Ⅱ法兰高度HS H1288价格2832系列Ⅰ系列Ⅱ系列Ⅰ系列Ⅱ法兰颈N平面(FF )PN1.6MPa(16压力)平面对焊法兰(HG20595-97)/mm1017.2149060144M124121435 2.3630.670.661521.3189565144M124621438 3.2630.760.752026.92510575144M125621640 3.264 1.06 1.052533.73211585144M126521640 3.264 1.27 1.263242.438140100184M167621842 3.665 2.08 2.054048.345150110184M168421845 3.675 2.40 2.375060.357165125184M169922045485 3.15 3.116576.176185145184M1611822045 2.9106 3.75 3.748088.989200160188M1613222050 3.2106 4.27 4.22100114.3108220180188M1615622252 3.6126 5.49 5.39125139.7133250210188M16184222554126 6.95 6.88150168.3159285240228M2021122455 4.51289.239.13200219.12193402952212M2026622462 6.316811.511.52502732734053552612M2431922670 6.31610 6.7 6.7300323.93254604102612M24370228787.1161022.422.43503563775204702616M24429230823904108161030.531.514004064265805253016M27480232854444648.8161038.540.624504574806405853020M275482408749051210161250.855.155005085307156503320M30×26092449054657811161270.778.586006106308407703620M33×27202549565067012.5181285.385.547007117209108403624M33×279453810075075912.5181294.89580081382010259503924M36×390153810584885512.52012109.4109.6900914920112510503928M36×3100154011094895412.52012127.3128.5100010161020125511704228M39×311125421201056106012.52212169.7170.1120012191220148513904832M45×313285481301260126012.53012254.4254.4140014221420168515904836M45×315305521451467146514.23012333.5333.5160016261620193018205540M52×4175055816016741668163512483.7483.7180018291820213020205544M52×419505621701879187017.53515590.5590.5理论重量(kg)价格2832系列Ⅰ系列Ⅱ系列Ⅰ系列Ⅱ法兰颈N R 系列Ⅰ系列Ⅱ法兰高度HS H1法兰厚度C 404613074921105664公称通径DN 钢管外径A 系列Ⅰ系列Ⅱ连接尺寸螺栓d f 密封面法兰外径D 螺栓孔中心直径K 螺栓孔径L 螺纹规格数量n 342158184234288平面(FF )PN2.5MPa(25压力)平面对焊法兰(HG20595-97)/mm1017.2149060144M124121435 2.3630.670.661521.3189565144M124621438 3.2630.760.752026.92510575144M125621640 3.264 1.06 1.052533.73211585144M126521640 3.264 1.27 1.263242.438140100184M167621842 3.665 2.08 2.054048.345150110184M168421845 3.675 2.40 2.375060.357165125184M169922048485 3.15 3.116576.176185145188M16118222525106 3.96 3.948088.989200160188M1613222458 5.6126 5.08 5.03100114.3108235190228M2015622465 6.31267.027.01125139.7133270220268M2418422668 6.31269.719.61150168.3159300250268M24211228757.112812.7012.7200219.12193603102612M2427423080 6.316817.417.42502732734253703012M2733023288 6.3181024.424.4300323.93254854303016M27389234927.1181031.931.9350355.63775554903316M30×24482381003984208201048.548.72400406.44266205503616M33×25032401104524728.8201061.163.094504574806706003620M33×254824611050052210201271.576.165005085307306603620M33×260924812555858011201292.5101.76006106308457703920M36×372025812566068012.52012132.8133.57007117209608754224M39×382054612576076914.22012142.7143.580081382010859904824M45×3928550135864871162212193.2194.5900914920118510904828M45×3102855414596897417.52412236.3237.1100010161020132012105528M52×4114055815510701074202412312.9314.0350162190244296理论重量(kg)价格2832系列Ⅰ系列Ⅱ系列Ⅰ系列Ⅱ法兰颈N 法兰外径D 螺栓孔中心直径K 螺栓孔径L 螺纹规格数量n R系列Ⅰ系列Ⅱ法兰高度H 法兰厚度C 4046134钢管外径A 系列Ⅰ系列Ⅱ连接尺寸螺栓d f 密封面SH156647492110平面(FF )PN4.0MPa(40压力)平面对焊法兰(HG20595-97)/mm1017.2149060144M124121435 2.3630.670.661521.3189565144M124621438 3.2630.760.752026.92510575144M125621640 3.264 1.06 1.052533.73211585144M126521640 3.264 1.27 1.263242.438140100184M167621842 3.665 2.08 2.054048.345150110184M168421845 3.675 2.40 2.375060.357165125184M169922048485 3.15 3.116576.176185145188M16118222525106 3.96 3.948088.989200160188M1613222458 5.6126 5.08 5.03100114.3108235190228M2015622465 6.31267.027.01125139.7133270220268M2418422668 6.31269.719.61150168.3159300250268M24211228757.112812.7012.7200219.12193753203012M2728423488 6.316821.521.42502732734503853312M30×2345238105 6.3181034.634.6300323.93255154503316M30×24092421157.1181047.248.2350355.63775805103616M33×24652461254084308201064.5066.8400406.44266605853916M36×35352501354624828.8201092.50964504574806856103920M36×356025713550052210201294.80100.15005085307556704220M39×3615257140562584112012115.4125.96006106308907954820M45×373527215066668612.52012187.5204.2362162190244306理论重量(kg)价格2832系列Ⅰ系列Ⅱ系列Ⅰ系列Ⅱ法兰颈N法兰外径D 螺栓孔中心直径K 螺栓孔径L 螺纹规格数量n R系列Ⅰ系列Ⅱ法兰高度H 法兰厚度C 4046134钢管外径A 系列Ⅰ系列Ⅱ连接尺寸螺栓d f 密封面SH156647492110平面(FF )PN6.3MPa(63压力)平面对焊法兰(HG20595-97)/mm1017.21410070144M125022045363 1.23 1.181521.31810575144M125522045 3.263 1.40 1.32026.92513090184M166822052 3.664 2.1022533.732140100184M167822458 3.684 2.84 2.793242.438155110224M208622460 3.685 3.45 3.384048.345170125224M20102226624105 4.50 4.45060.357180135224M20112226625105 4.92 4.866576.176205160228M20136226686126 6.02 5.928088.989215170228M201462287261267.08 6.93100114.3108250200268M2417223078712610.049.98125139.7133295240308M27208234887.512615.8015.6150168.3159345280338M30×2245236958.512823.022*******.12194153453612M33×230624211010.516835.1352502732734704003612M33×236224612513.5181048.948.9300323.93255304603616M33×242225214015.5181067.468.3350355.63776005253916M36×347525615042044217.5201092.8095.4400406.44266705854216M39×3540260160475495202010136.5141.3372168202256316理论重量(kg)价格3234系列Ⅰ系列Ⅱ系列Ⅰ系列Ⅱ法兰颈N 法兰外径D 螺栓孔中心直径K 螺栓孔径L 螺纹规格数量n R系列Ⅰ系列Ⅱ法兰高度H 法兰厚度C 4252138钢管外径A系列Ⅰ系列Ⅱ连接尺寸螺栓df密封面SH160708298112平面(FF )PN10.0MPa(100压力)平面对焊法兰(HG20595-97)/mm1017.21410070144M125022045363 1.23 1.181521.31810575144M125522045 3.263 1.40 1.32026.92513090184M166822052 3.664 2.1022533.732140100184M167822458 3.684 2.84 2.793242.438155110224M208622460 3.685 3.45 3.384048.345170125224M20102226624105 4.50 4.45060.357195145264M24116228626105 6.35 6.246576.176220170268M241402306871268.007.958088.989230180268M241502327271269.189.1100114.3108265210308M2717623678812613.9813.9125139.7133315250338M30×22122408810.512622.4622.3150168.31593552903312M30×22502449511.512830.1830.1200219.12194303603612M33×231225211014.516851.04512502732735054303912M36×337626012518.5181082.282.2300323.93255855004216M39×344826814020.51810118.5119.4350355.63776555604816M45×350527415046048222.52010163.2166.2400406.44267156204816M45×3565282160510530252010210.1214.5SH1607090108120150钢管外径A系列Ⅰ系列Ⅱ连接尺寸螺栓df密封面R系列Ⅰ系列Ⅱ法兰高度H 法兰厚度C 4252法兰外径D 螺栓孔中心直径K 螺栓孔径L 螺纹规格数量n 理论重量(kg)价格3234系列Ⅰ系列Ⅱ系列Ⅰ系列Ⅱ法兰颈N 400180210278340平面(FF )PN16.0MPa(160压力)平面对焊法兰(HG20595-97)/mm1017.21410070144M125222445363 1.42 1.391521.31810575144M125822645 3.263 1.72 1.652026.92513090184M167023052 3.664 3.02 2.92533.732140100184M168023258 3.684 3.70 3.613242.438155110224M208623460 3.685 4.68 4.64048.345170125224M20102236644105 6.04 5.925060.357195145264M241182387561058.368.286576.176220170268M2414224282712610.8810.88088.989230180268M2415224686712612.9912.9100114.3108265210308M27178252100812619.6619.6125139.7133315250338M30×221525611510.514630.7230.6150168.31593552903312M30×225526212812.514842.2642.2200219.12194303603612M33×23222661401616865.665.62502732735054303912M36×3388276155201810106.4106.4300323.93255855004216M39×345628817522.21810152.8153.2400180210278340理论重量(kg)价格3234系列Ⅰ系列Ⅱ系列Ⅰ系列Ⅱ法兰颈N法兰外径D 螺栓孔中心直径K 螺栓孔径L 螺纹规格数量n R系列Ⅰ系列Ⅱ法兰高度H 法兰厚度C 4252150钢管外径A系列Ⅰ系列Ⅱ连接尺寸螺栓df密封面SH1607090108120平面(FF )PN25.0MPa(250压力)平面对焊法兰(HG20595-97)/mm1017.21412585184M167022460363 2.29 2.301521.31813090184M167522660 3.263 2.68 2.692026.92513595184M168222865 3.664 3.15 3.162533.732150105224M209622865 3.684 3.77 3.783242.438165120224M2010823275 3.685 5.31 5.354048.345185135264M241222348041057.097.135060.357200150268M241522388561058.628.676576.176230180268M2416624295712613.3213.328088.989255200308M27198246102712617.1817.18100114.3108300235338M30×2238254120812628.3128.54125139.71333502753312M30×227826014020020610.514640.3440.66150168.31593903203612M33×234626816024024212.514861.1861.74200219.1-4854004212M39×3438282190305-16168112.6-250273-5854904816M45×35282100215385-201810194.5-SH1728495124136164钢管外径A系列Ⅰ系列Ⅱ连接尺寸螺栓df密封面R系列Ⅰ系列Ⅱ法兰高度H 法兰厚度C 5460法兰外径D 螺栓孔中心直径K 螺栓孔径L 螺纹规格数量n 理论重量(kg)价格4448系列Ⅰ系列Ⅱ系列Ⅰ系列Ⅱ法兰颈N。
带颈对焊法兰标准
带颈对焊法兰是一种常见的法兰连接方式,它在工业领域中广
泛应用。
带颈对焊法兰的标准对于产品的质量和安全具有重要的意义。
下面将对带颈对焊法兰的标准进行详细介绍。
首先,带颈对焊法兰的标准主要包括法兰的材质、尺寸、连接
方式和检测要求等内容。
在选择材质时,需要考虑到工作环境的温度、压力和介质等因素,以确保法兰能够承受相应的工作条件。
此外,尺寸的标准也是十分重要的,它直接影响到法兰的安装和连接。
在连接方式方面,标准规定了带颈对焊法兰的连接方式和要求,以
确保连接的牢固和密封。
同时,对于带颈对焊法兰的检测要求也有
详细的规定,以保证产品的质量和安全。
其次,带颈对焊法兰的标准还涉及到产品的生产和质量控制。
在生产过程中,需要严格按照标准的要求进行生产,以确保产品符
合标准的要求。
同时,质量控制也是十分重要的,通过对产品的质
量进行检测和控制,可以有效地保证产品的质量和安全。
此外,带颈对焊法兰的标准还包括了产品的标识和包装要求。
在产品标识方面,需要标明产品的型号、规格、材质等信息,以方
便用户正确选择和使用产品。
而在包装方面,标准也有详细的规定,以确保产品在运输和储存过程中不受损坏。
总的来说,带颈对焊法兰的标准对于产品的质量和安全具有重
要的意义。
只有严格按照标准的要求进行生产和质量控制,才能够
生产出符合要求的产品,从而保证产品的质量和安全。
希望本文对带颈对焊法兰的标准有所帮助,谢谢阅读!。
注:带括号尺寸为法兰盖与其他型式法兰组合时的螺栓长度。
注:带括号尺寸为法兰盖与其他型式法兰组合时的螺栓长度。
注:以上螺栓长度为RF密封面法兰连接用,当为RJ密封面连接法兰时螺栓长度:DN15~40加长15mm DN50~400加长20mm。
注:以上螺栓长度为RF密封面法兰连接用,当为RJ密封面连接法兰时螺栓长度:DN15~40加长15mm DN50~300加长20mm,DN350~400加长25mm。
注:以上螺栓长度为RF密封面法兰连接用,当为RJ密封面连接法兰时螺栓长度:DN15~40加长15mm DN50~125加长20mm,DN150~250加长25mm,DN300加长30mm。
表4-8 PN25.0MPa(250bar)带颈对焊钢制管法兰 (mm)注:以上螺栓长度为RF密封面法兰连接用,当为RJ密封面连接法兰时螺栓长度:DN15~40加长15mm DN50~125加长20mm,DN150~250加长25mm,DN300加长30mm。
####回气管组1组焊件压缩机RC1HANBELL####压缩机支1组焊件借用####蒸发冷回1组焊件储液器E11法斯克####回油管组1组焊件借用####供液管组1组焊件借用GB/T578六角螺栓6SUS304GB/T95-平垫圈 112SUS304GB/T93-弹簧垫圈6SUS304GB/T41-六角螺母6SUS304油分离器1法斯克GB/T578六角螺栓4SUS304GB/T95-平垫圈 18SUS304GB/T93-弹簧垫圈4SUS304GB/T41-六角螺母4SUS304####板换供液1组焊件借用####经济器补1组焊件借用####尾喷管组1组焊件借用板式换热1高力####板换支架1组焊件借用蒸发器F21ICEPOWER GB/T578六角螺栓4SUS304GB/T95-平垫圈 28SUS304GB/T93-弹簧垫圈4SUS304GB/T41-六角螺母4SUS304GB/T96.大垫圈 C4SUS304####蒸发桶供1组焊件GB/T93-弹簧垫圈4SUS304GB/T578六角螺栓4SUS304GB/T95-平垫圈 18SUS304GB/T41-六角螺母4SUS30404-012排气管组1组焊件借用####排气管组1组焊件####管子支架2组焊件理论重量)理论重量)理论重量)理论重量)理论重量)理论重量)理论重量)法兰理论重量)。
带颈对焊法兰型号表示方法带颈对焊法兰是在许多工业领域中都广泛应用的一种连接管道及设备的元件,它具有结构紧固、耐压耐热、使用寿命长等特点,常常用于化工、石油、制药、食品等行业。
对于带颈对焊法兰的型号表示方法,本文将从以下几个方面进行介绍与解析。
一、带颈对焊法兰简介1、带颈对焊法兰的定义带颈对焊法兰是一种将法兰的颈部与管道法兰融合起来形成整体的管道连接配件。
根据不同的结构和工艺要求,带颈对焊法兰的外形呈不同的形状,如标准型、特殊型、高颈型、斜颈型等。
带颈对焊法兰不仅可以连接同类的管道和设备,还可以连接不同型号、不同材质的管道和设备。
2、带颈对焊法兰的特点和优点(1)连接稳固——一般情况下,带颈对焊法兰的颈部先与管道法兰焊接,再将法兰融合在一起,连接非常牢固且不易松脱。
(2)耐压耐热——带颈对焊法兰适用于高温、高压等恶劣的环境条件,因为它的材质经过了严格的选材和加工处理,能够承受不同程度的压力和温度。
(3)使用寿命长——带颈对焊法兰不仅安装方便、维护简单,而且使用寿命较长,能够经过多年的使用而不失效。
二、带颈对焊法兰的型号表示方法1、国际标准上的表示方法带颈对焊法兰的型号表示常常采用国际标准上的表示方法,以便于设备厂家、使用单位、质检部门等对其进行识别和使用。
(1)型号的组成带颈对焊法兰的型号一般由三部分组成,即规格、材质和标准。
例如:DN15 SCH40 S316L ASME B16.5 PN16第一部分:规格——指法兰的公称尺寸,通常以DN表示,如DN25、DN50等。
第二部分:材质——指法兰的制作材料,如不锈钢、碳钢、合金钢等。
第三部分:标准——指法兰生产所依据的标准,如国际标准、美国标准、欧洲标准等。
(2)常见的标准常见的带颈对焊法兰标准有美国标准、欧洲标准、日本标准、法国标准等,其中美国标准的应用最为广泛,其型号表示方法也是比较常见的。
例如:1/2'' 150# RF SA105N ANSI B16.5第一部分:1/2''——管道的公称尺寸第二部分:150#——法兰的压力等级第三部分:RF——法兰的类型第四部分:SA105N——法兰的制作材料第五部分:ANSI B16.5——法兰的标准2、国内标准上的表示方法国内的带颈对焊法兰也有相应的标准,常用的表示方法如下:例如:DN25 PN20 A105 WN RF第一部分:DN25——管道的公称尺寸第二部分:PN20——法兰的压力等级第三部分:A105——法兰的制作材料第四部分:WN——法兰的类型第五部分:RF——法兰的表面情况三、带颈对焊法兰的应用带颈对焊法兰广泛用于化工、石油、制药、食品、航天等领域中。
带颈法兰标准带颈法兰是一种常用的管道连接件,其标准化生产对于保证管道连接的质量和安全至关重要。
带颈法兰标准是指对于带颈法兰的制造、尺寸、材料、连接方式等方面的规范和要求。
在工程建设和生产制造中,严格遵守带颈法兰标准,不仅可以保证产品的质量,还可以提高工作效率,降低生产成本,确保工程安全。
本文将对带颈法兰标准进行详细介绍,以便广大工程技术人员更好地了解和应用。
带颈法兰标准主要包括以下几个方面的内容:1. 制造标准,带颈法兰的制造标准主要包括了对于材料、工艺、尺寸、外观等方面的要求。
在制造过程中,必须严格按照相关标准进行生产,以保证产品的质量和性能。
2. 尺寸标准,带颈法兰的尺寸标准是指其外径、内径、螺孔尺寸、螺孔数量、螺孔直径等方面的规定。
这些尺寸参数的准确性对于带颈法兰的安装和使用至关重要,必须严格按照标准进行生产和检验。
3. 材料标准,带颈法兰的材料标准是指其所采用的材质、化学成分、力学性能等方面的要求。
选择合适的材料对于提高带颈法兰的耐腐蚀性能、耐高温性能和机械性能至关重要。
4. 连接标准,带颈法兰的连接标准是指其与管道、阀门、设备等连接的方式和要求。
合适的连接方式可以保证管道系统的密封性和稳定性,避免泄漏和事故的发生。
在实际工程应用中,严格遵守带颈法兰标准具有以下几点重要意义:首先,保证产品质量。
严格按照标准进行生产和检验,可以有效地提高产品的质量和性能,降低产品的质量风险。
其次,提高工作效率。
标准化生产可以降低生产成本,提高生产效率,缩短工期,为工程建设提供更好的支持。
最后,确保工程安全。
严格遵守标准可以保证管道连接的安全稳定,避免事故的发生,保障人员和设备的安全。
总之,带颈法兰标准在工程建设和生产制造中具有非常重要的意义。
只有严格遵守标准,才能保证产品质量,提高工作效率,确保工程安全。
因此,我们应该更加重视带颈法兰标准的制定和执行,不断提高标准化生产水平,为我国工程技术发展做出更大的贡献。
突面、凹凸面、榫槽面法兰的密封面尺寸f1、f2包括在法兰厚度C内采用B系列钢管外径的DN350-600法兰,应在法兰的螺栓支承面,以螺栓孔为中心,锪出下表所列直径的平面,适用于紧固件的装配。
锪平面与法兰的螺栓支承面齐平,允许与法兰颈部大端直径N或转角R相交。
89M303361M4571M273053M394276M2426螺栓孔直径L锪平面直径3666M202240M3348M363948锪平面直径带颈平焊钢制管法兰(HG20594-97)法兰密封面适用范围螺栓直径螺栓孔直径L螺栓直径A B 1017.2147550114M1012181525253200.381521.3188055114M1012221930303200.442026.9259065114M101427.52640404240.662533.73210075114M101434.53350504240.813242.43812090144M121643.5396060526 1.324048.345130100144M121649.5467070526 1.555060.357140110144M121661.5598080528 1.736576.176160130144M121677.578100100632 2.238088.989190150184M161890.591110110634 3.32100114.3108210170184M1618116110130130640 4.06125139.7133240200188M1618141.5135160160644 5.26150168.3159265225188M1620170.5161185185844 6.37200219.1219320280188M1622221.52222402408447.982502732733753351812M1624276.5276295295104410.3300323.93254403952212M2024327.5328355355104414.1法兰颈法兰厚度C 理论重量kgB N 带颈平焊钢制管法兰(HG20594-97)R 法兰高度H 坡口宽度bD n ThA L 公称通径DNA B K 管子外径A1连接尺寸法兰内径B1PN0.6MPaA B 1017.2149060144M1214181530303220.651521.3189565144M1214221935353220.722026.92510575144M121627.5264545426 1.032533.73211585144M121634.5335252428 1.243242.438140100184M161843.5396060530 2.024048.345150110184M161849.5467070532 2.365060.357165125184M162061.5598484534 3.086576.176185145184M162077.578104104632 3.668088.989200160188M162090.591118118634 4.08100114.3108220180188M1622116110140140640 5.4125139.7133250210188M1622141.51351681686447.01150168.3159285240228M2024170.51611951958449.1200219.1219340295228M2024221.522224624684410.62502732733953502212M2026276.5276298298104613.4300323.93254454002212M2026327.5328350350104615.4350355.63775054602216M2026359.5381400412105320.5400406.44265655152616M2426411430456475105727.64504574806155652620M242846248550252512631231.15005085306706202620M2428513.553555958112671238.16006106307807253020M2728616.563665867812751248.1L n 法兰高度H 坡口宽度b理论重量kgPN1.0MPa公称通径DN管子外径A1连接尺寸A B D B N R 法兰厚度C 法兰内径B1ThA 法兰颈K 带颈平焊钢制管法兰(HG20594-97)A B 1017.2149060144M12141815303032240.651521.3189565144M12142219353532240.722026.92510575144M121627.52645454264 1.032533.73211585144M121634.53352524285 1.243242.438140100184M161843.53960605305 2.024048.345150110184M161849.54670705325 2.365060.357165125184M162061.55984845345 3.086576.176185145184M162077.5781041046326 3.668088.989200160188M162090.5911181186346 4.08100114.3108220180188M16221161101401406406 5.40125139.7133250210188M1622141.513516816864467.01150168.3159285240228M2024170.516119519584469.10200219.12193402952212M2024221.5222246246844810.32502732734053552612M2426276.527629829810461014.3300323.93254604102612M2428327.532835035010531118.8350355.63775204702616M2430359.538140041210571225.2400406.44265805253016M273241143045647510631234.84504574806405853020M273446248550252512681241.25005085307156503320M30*234513.553555958112731254.96006106308407703620M33*236616.563665867812831277.0法兰厚度C 公称通径DN管子外径A1连接尺寸PN1.6MPa法兰内径B1法兰颈法兰高度H 坡口宽度b N R 理论重量kgA B D K L n ThA B 带颈平焊钢制管法兰(HG20594-97)A B 1017.2149060144M12141815303032240.651521.3189565144M12142219353532240.722026.92510575144M121627.52645454264 1.032533.73211585144M121634.53352524285 1.243242.438140100184M161843.53960605305 2.024048.345150110184M161849.54670705325 2.365060.357165125184M162061.55984845345 3.086576.176185145188M162277.5781041046386 3.938088.989200160188M162490.5911181186406 4.86100114.3108235190228M20241161101451456446 6.9125139.7133270220268M2426141.513517017064869.34150168.3159300250268M2428170.5161200200852612.2200219.12193603102612M2430221.5222256256852815.62502732734253703012M2732276.527631031010601021.9300323.93254854303016M2734327.532836436410671128.8350355.63775554903316M30*238359.538141843010721242.4400406.44266205503616M33*24041143047249210781257.44504574806706003620M33*24246248552054212841263.75005085307306603620M33*244513.553558060212901281.46006106308457703920M36*346616.56366847041210012109.4PN2.5MPa公称通径DN管子外径A1连接尺寸L n ThA B D A 法兰厚度C 法兰内径B1B K 带颈平焊钢制管法兰(HG20594-97)坡口宽度b 理论重量kg法兰颈法兰高度H N RA B 1017.2149060144M12141815303032240.651521.3189565144M12142219353532240.722026.92510575144M121627.52645454264 1.032533.73211585144M121634.53352524285 1.243242.438140100184M161843.53960605305 2.024048.345150110184M161849.54670705325 2.365060.357165125184M162061.55984845345 3.086576.176185145188M162277.5781041046386 3.938088.989200160188M162490.5911181186406 4.86100114.3108235190228M20241161101451456446 6.91125139.7133270220268M2426141.513517017064879.34150168.3159300250268M2428170.5161200200852812.2200219.12193753203012M2734221.52222602608561019.42502732734503853312M30*238276.527631831810641130.5300323.93255154503316M30*242327.532838038010711242.9350355.63775805103616M33*246359.538143244410781358.6400406.44266605853916M36*35041143049851810861488.34504574806856103920M36*35746248552254512941685.65005085307556704220M39*357513.55355765981210017106.26006106308907954820M45*372616.56366867061210618171.2PN4.0MPa公称通径DN管子外径A1连接尺寸法兰厚度C 法兰内径B1法兰颈法兰高度H B N R 坡口宽度b 理论重量kgA B D K L n ThA 带颈平焊钢制管法兰(HG20594-97)。
带颈对焊法兰标准h1
带颈对焊法兰标准。
带颈对焊法兰是一种常见的法兰连接方式,广泛应用于各种工业领域。
它具有
结构简单、安装方便、密封性好等优点,因此备受青睐。
在使用带颈对焊法兰时,需要严格按照标准进行选择和安装,以确保设备的正常运行和安全性。
本文将介绍带颈对焊法兰的标准,以便读者更好地了解和应用。
首先,带颈对焊法兰的标准主要包括材质、尺寸、压力等方面。
在选择带颈对
焊法兰时,需要根据具体的工作条件和要求来确定材质,常见的材质有碳钢、不锈钢、合金钢等。
此外,尺寸和压力等参数也需要符合相应的标准,以确保法兰能够正常工作并满足工艺要求。
其次,带颈对焊法兰的标准还包括连接方式和密封要求。
连接方式通常有螺纹
连接和对焊连接两种,而密封要求则需要考虑法兰的密封面和密封垫的选择,以确保连接处不会发生泄漏。
此外,带颈对焊法兰的标准还涉及到相关的验收和检测要求。
在安装和使用带
颈对焊法兰时,需要进行相应的验收和检测,以确保法兰的质量和性能符合标准要求,从而保障设备的安全运行。
总的来说,带颈对焊法兰的标准对于设备的选择、安装和使用都具有重要的指
导意义。
遵循标准可以有效地保障设备的安全性和可靠性,减少故障和事故的发生,提高生产效率和产品质量。
因此,对于从事相关工作的人员来说,熟悉并严格遵守带颈对焊法兰的标准是非常重要的。
总之,带颈对焊法兰作为一种常见的连接方式,其标准对于设备的选择、安装
和使用具有重要的指导意义。
通过了解和遵守相关的标准,可以有效地提高设备的安全性和可靠性,减少故障和事故的发生,为工业生产提供保障。
希望本文能够帮助读者更好地了解和应用带颈对焊法兰的标准,从而更好地开展相关工作。