市政工程设计收费标准及计算案例
- 格式:doc
- 大小:53.00 KB
- 文档页数:4
市政工程设计收费标准市政工程设计是如何进行收费的?市政工程设计收费标准是什么?下面是下面带来的关于市政工程设计收费标准的主要内容介绍以供参考。
市政工程设计收费标准:1、只委托做初步设计或施工图设计时,按照行业划分设计工作量各占的比例并乘以1.1的系数计算收费.如果增加编制施工图预算,按工程设计收费标准乘以1.1系数计算收费.2、工程设计中采用标准设计(标准构配件图除外)、复用设计,按同类新设计项目的20%收费.3、进行工程技术咨询服务,参加规划调查、询价、报价、对外谈判等技术服务工作,以及没有制订具体收费标准的工作,可采用按直接生产人员工日计算收费的办法,收费标准为每工日85元.工日的计算可执行工日定额或由设计方和委托方根据任务情况在签订合同时协商确定.需要到外埠出差,工期在六十天以内的任务,其差旅费由委托单位负担.工程设计单位由于所承担任务的需要而出国时,除制装费由设计单位支付外,其他出国费用(包括外汇额度)均应由委托单位支付.4、本收费标准中考虑了各种影响设计工作量因素的调整系数,如果在同一项目中的两种以上因素同时存在,由该项目总的调整系数应为各单项调整系数小数点以后数字之和再加1,但总的调整系数最高值不得大于1.5.5、按实物或工日定额计取设计费的,凡投资在3亿元以上的项目,其费额最高不得大于概算比例的1.5%.6、工程设计单位在设计中采用了先进技术,并有较好的经济效益,经设计审查确认,可由上级主管审查部门决定,适当增加设计费,一般控制在设计费的10%以内.如果设计质量和技术水平达不到合同要求的,应按合同规定扣减设计费.7、设计费按设计进度分期拨付.设计合同生效后,委托方应向设计单位预付设计费的百分之二十作为定金;初步设计完成后付百分之三十;施工图完成后付百分之五十.根据《建设工程勘察设计合同条例》的规定,设计合同履行后,定金抵作设计费.设计费付清后,设计单位对所承担设计任务的建设项目应配合本施工,参加试车考核及工程竣工验收等,不应另收技术服务费和差旅费.8、本收费标准未包括的项目,其设计收费由设计单位与委托单位参照本收费标准协商确定.外资和中外合资建设项目的设计收费,可参照国外有关设计收费标准,由设计方和委托方共同协商确定.9、需要单独提出建筑设计方案的,特级、一级工程建筑设计方案加收该项目设计费的10%;二级工程建筑设计方案加收该项目设计费的6%;三级工程建筑设计方案加收该项目设计费的3%;四级以下(含四级)工程不另收建筑设计方案费.民用建筑工程等级表内“大型”一般系指一万平方米以上建筑;“中型”指三千~一万平方米的建筑;“小型”指三千平方米以下的建筑.10、本收费标准已包括相应一般的消防系统和建筑装饰设计收费,如有特殊要求时另议.对现有建筑物进行专门装饰设计时,根据装饰设计的复杂程度,按装饰费用的3-5%收费.11、本收费标准是以单项工程为基本单位,不包括煤气、取水、净化、污水处理、道路桥梁、锅炉房、加油站、变配电所、水泵房、冷却塔、烟囱等单项建筑物和构筑物的设计在内,其收费应分别按市政和其他行业的标准执行.12、仅做民用建筑初步设计或施工图分阶段设计时,其工作量的比例为40%和60%.。
市政工程设计收费标准(2019版)01国家计委及相关部门在1999年、2002年及2007年,先后出台了建设项目服务收费管理的相关规定,主要包括以下几项:《建设项目前期工作咨询收费暂行规定》(国家计委/计价格〔1999〕1283号)《工程勘察设计收费管理规定》(国家计委、建设部/计价格[2002]10号)《关于规范环境影响咨询收费有关问题的通知》(国家计委、环境保护部/计价格[2002]125号)《招标代理服务收费管理暂行办法》(国家计委/计价格[2002]1980号)《建设工程监理与相关服务收费管理规定》(国家发展改革委、建设部/发改价格[2007]670号)以上规定,构成了政府指导价管理的框架,在一定时期内对规范建设项目服务收费行为起到了积极的作用。
022013年党的十八届三中全会召开以后,强调了要充分发挥市场在资源配置中的决定性作用。
对原来执行的政府指导价管理政策进行改革。
2014年7月10日国家发展改革委发布了《国家发展改革委关于放开部分建设项目服务收费标准有关问题的通知》(发改价格[2014]1573号),做出如下规定:放开除政府投资项目及政府委托服务以外的建设项目前期工作咨询、工程勘察设计、招标代理、工程监理等4项服务收费标准,实行市场调节价.采用直接投资和资本金注入的政府投资项目,以及政府委托的上述服务收费,继续实行政府指导价管理,执行规定的收费标准。
实行市场调节价的专业服务收费,由委托双方依据服务成本、服务质量和市场供求状况等协商确定.半年以后,2015年2月11日国家发展改革委发布了《国家发展改革委关于进一步放开建设项目专业服务价格的通知》(发改价格〔2015〕299号),规定:自2015年3月1日起,在已放开非政府投资及非政府委托的建设项目专业服务价格的基础上,全面放开5项(建设项目前期工作咨询费、工程勘察设计费、招标代理费、工程监理费、环境影响咨询费)实行政府指导价管理的建设项目专业服务价格,实行市场调节价。
市政工程设计收费标准及案例表一:工程设计收费基价表单位:万元注:计费额>2000000万元的,以计费额乘以 1.6%的收费率计算收费基价。
【解释】本表用于计算工程设计收费基价。
本表所称的工程设计收费基价,是设计人完成基本服务,没有对工程设计复杂程度和工作量差异进行调整的基本收费价格,是计算工程设计收费的基础。
1. 计算工程设计收费基价的步骤(1) 确定工程设计收费计费额。
建设项目设计计算收费额为该建设项目的单项工程概算工程加联合试运转费。
单项工程概算由建筑安装工程费和设备、工器具购置费组成。
(2) 确定工程设计费基价。
从本表《工程设计收费基价表》中查找或计算该建设项目的工程设计收费基价。
(3) 工程设计收费计费额处于两个数值区间的,采用内插法计算该建设项目工程设计收费的计算额,以及所对应的工程设计收费基价。
2. 计算工程设计收费基价和基本设计收费的方法计算工程设计收费基价和基本设计收费的方法,主要有以下三种方法:(1) 以建设项目的设计费计费额为基数,计算其工程设计收费基价和基本设计收费。
(2) 先以建设项目的设计收费计费额为基数,计算其工程设计收费基价,再以单项工程的设计收费计费额占建设项目收费计费额的比例,分别计算各单项工程的基本设计收费。
(3) 以单项工程的设计收费计费额为基数,分别计算各单项工程设计收费基价和基本设计收费。
具体计算方法,根据建设项目的实际情况,由发包人与设计人协商确定。
参考案例:某城市新建道路工程项目总投资29377万元。
其中:城市主干路建筑安装工程费8450万元,城市次干道建筑安装工程费3556万元,城市支路建筑安装工程费1230万元,互通立交建筑安装工程费5427万元(其中立交道路1530万元,立交桥梁3897万元),长度600m跨河桥1944万元,人行天桥424万元及①5001800排水管线建筑安装工程费3450万元,部分工程通过地下管网密集地区。
发包人委托初步设计、施工图设计及施工图预算编制。
工程设计收费标准(交通运输、建筑市政工程)1、总则2、矿山采选工程设计3、加工冶炼工程设计4、石油化工工程设计5、水利电力工程设计6、交通运输工程设计7、建筑市政工程设计8、农业林业工程设计9、附表1 总则1.0.1 工程设计收费是指设计人根据发包人的委托,提供编制建设项目初步设计文件、施工图设计文件、非标准设备设计文件、施工图预算文件、竣工图文件等服务所收取的费用。
1.0.2 工程设计收费采取按照建设项目单项工程概算投资额分档定额计费方法计算收费。
铁道工程设计收费计算方法,在交通运输工程一章中规定。
1.0.3 工程设计收费按照下列公式计算1 工程设计收费,工程设计收费基准价×(1?浮动幅度值)2 工程设计收费基准价,基本设计收费,其他设计收费3 基本设计收费,工程设计收费基价×专业调整系数×工程复杂程度调整系数×附加调整系数1.0.4 工程设计收费基准价工程设计收费基准价是按照本收费标准计算出的工程设计基准收费额,发包人和设计人根据实际情况,在规定的浮动幅度内协商确定工程设计收费合同额。
1.0.5 基本设计收费基本设计收费是指在工程设计中提供编制初步设计文件、施工图设计文件收取的费用,并相应提供设计技术交底、解决施工中的设计技术问题、参加试车考核和竣工验收等服务。
1.0.6 其他设计收费其他设计收费是指根据工程设计实际需要或者发包人要求提供相关服务收取的费用,包括总体设计费、主体设计协调费、采用标准设计和复用设计费、非标准设备设计文件编制费、施工图预算编制费、竣工图编制费等。
1.0.7 工程设计收费基价工程设计收费基价是完成基本服务的价格。
工程设计收费基价在《工程设计收费基价表》(附表一)中查找确定,计费额处于两个数值区间的,采用直线内插法确定工程设计收费基价。
1.0.8 工程设计收费计费额工程设计收费计费额,为经过批准的建设项目初步设计概算中的建筑安装工程费、设备与工器具购置费和联合试运转费之和。
市政工程设计费用收费标准2023
介绍
该文档旨在确定2023年市政工程设计费用收费标准。
市政工程设计费用是指在进行市政工程设计过程中,向开发商/业主收取的费用。
费用计算方法
市政工程设计费用的计算主要基于以下几个因素:
1. 工程规模:工程规模越大,设计费用越高。
2. 设计难度:设计复杂度较高的工程,设计费用较高。
3. 设计周期:设计周期较短的工程,设计费用较高。
收费标准
根据上述因素,制定了以下收费标准:
1. 小型工程:设计费用在-元之间。
2. 中型工程:设计费用在-元之间。
3. 大型工程:设计费用在元以上。
附加费用
除了基本设计费用外,还存在一些额外收费项目,如:
1. 技术咨询费:根据项目需要,可能需要收取技术咨询费用。
2. 项目审批费:根据项目需要,可能需要收取项目审批费用。
结论
该文档确定了2023年市政工程设计费用收费标准。
市政工程
设计费用的计算基于工程规模、设计难度和设计周期等因素。
此外,还有一些额外收费项目需要考虑。
根据工程的不同规模,设计费用
在一定范围内进行调整。
以上是市政工程设计费用收费标准2023的详细内容。
如有任
何疑问或需要进一步的信息,请随时与我们联系。
市政工程设计收费参考标准(1999--2019)01国家计委及相关部门在1999年、2002年及2007年,先后出台了建设项目服务收费管理的相关规定,主要包括以下几项:《建设项目前期工作咨询收费暂行规定》(国家计委/计价格〔1999〕1283号)《工程勘察设计收费管理规定》(国家计委、建设部/计价格[2002]10号)《关于规范环境影响咨询收费有关问题的通知》(国家计委、环境保护部/计价格[2002]125号) 《招标代理服务收费管理暂行办法》(国家计委/计价格[2002]1980号)《建设工程监理与相关服务收费管理规定》(国家发展改革委、建设部/发改价格[2007]670号) 以上规定,构成了政府指导价管理的框架,在一定时期内对规范建设项目服务收费行为起到了积极的作用。
022013年党的十八届三中全会召开以后,强调了要充分发挥市场在资源配置中的决定性作用。
对原来执行的政府指导价管理政策进行改革。
2014年7月10日国家发展改革委发布了《国家发展改革委关于放开部分建设项目服务收费标准有关问题的通知》(发改价格[2014]1573号),做出如下规定:放开除政府投资项目及政府委托服务以外的建设项目前期工作咨询、工程勘察设计、招标代理、工程监理等4项服务收费标准,实行市场调节价。
采用直接投资和资本金注入的政府投资项目,以及政府委托的上述服务收费,继续实行政府指导价管理,执行规定的收费标准。
实行市场调节价的专业服务收费,由委托双方依据服务成本、服务质量和市场供求状况等协商确定。
半年以后,2015年2月11日国家发展改革委发布了《国家发展改革委关于进一步放开建设项目专业服务价格的通知》(发改价格〔2015〕299号),规定:自2015年3月1日起,在已放开非政府投资及非政府委托的建设项目专业服务价格的基础上,全面放开5项(建设项目前期工作咨询费、工程勘察设计费、招标代理费、工程监理费、环境影响咨询费)实行政府指导价管理的建设项目专业服务价格,实行市场调节价。
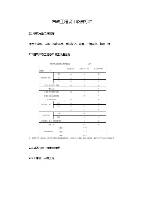
市政工程设计收费标准7.1建筑市政工程范围适用于建筑、人防、市政公用、园林绿化、电信、广播电视、邮政工程7.2建筑市政工程各阶段工作量比例注:x.7.3建筑市政工程复杂程度7.3.1建筑、人防工程:L513F5HH UDg mDCdb:' 仿占紳,便沪性建規等.根略耳曲営呪,附加调藍采載对L.3-Q 6 ;3.筍漣筑弱电锵设计,囱范舷的说计用砸计费融」旳为禍陛聚迪为1.3:4空内装蚯丧计.幺室内猱悝的设计権坦为计眾丽」阳JH调SE东靛旳1 5;亂特黑左够修设计践声学集倏的设计稠宜血计费筋.附帥调基賦数育2.0;6廡疏总平面布青赵屮区现划设ih媳齐£程的总碍总搖阳岸]元弘异+苴收奇.7.3.2园林绿化工程回林绿优丄程毘朵程匿袁恿氏3 27.3.3市政公用工程市战公用丄程配磐程度京T. 3 3等级工程设计秦件i.庭降户内埋弓駝工程;2 .-班给徘水地下营城C DtK 1血,无賊交兗J工梶: I®3.小型揽圾中转站,检另堆肥工梶:4哄热小區骨冋L二级网丿工程L.械市谓压站」霜姐站,< 5000户弓比站.雄弓站,< 500(储配站工雄;5. R区给排水営址,一無地下曽疑山吓im・帀諭丈町」< 1 n7z in压轰站,简单料現u理功工程;3. > ECXh展丈型垃圾中转塘1垃圾埴埋场,机械ft埃速堆肥工程;4 .切T的水型埶M站工程1.城市證高圧调压贴,市内昔辫民加压站±卑聘睡占阿"?*5000户汽优站,陶芯站.p an J 储配站,门站,弓薄厂.加弓站工握;2.大型复亲给井才.諭」市政営岡.大型泵站-水阿著杓说物,净水厂,污水灶理厂工程;3.览圾杀坊工程及舲处理与利用.藏憐工轻:4.堺炉房I亍践釧梵规昔网, > 轴锲他站工場:E.拇處掙恬酬』寿水取粹水,飙圧水处理工爭7.3.4广播电视、邮政、电信工程ns电观、齡珮电荷丁程理臬程度去KZ-4。
市政设计费取费标准市政设计费是指市政工程项目中,用于支付设计单位进行市政工程设计的费用。
市政设计费的取费标准是根据相关规定制定的,合理的市政设计费取费标准对于保障设计单位的合法权益、推动市政工程项目的顺利进行具有重要意义。
下面将就市政设计费取费标准进行详细介绍。
首先,市政设计费的取费标准应当符合国家相关法律法规的规定,保证设计单位的合法权益。
根据《中华人民共和国城乡规划法》等法律法规的规定,市政设计费的取费标准应当合理、公平、合法,设计单位有权依法获得相应的设计费用。
设计单位在市政工程设计过程中所取得的设计费用应当符合相关法律法规的规定,不得低于国家规定的最低收费标准,同时也不得高于规定的最高收费标准,以保障设计单位的合法权益。
其次,市政设计费的取费标准应当充分考虑市政工程项目的实际情况,合理确定设计费用的具体数额。
市政工程项目的规模、复杂程度、设计内容等因素都会对设计费用的取费标准产生影响,因此在确定市政设计费的取费标准时,需要充分考虑市政工程项目的实际情况,合理确定设计费用的具体数额。
在制定市政设计费取费标准时,可以根据市政工程项目的不同类型、不同规模、不同难度等因素,制定相应的设计费用标准,以保证设计费用的合理性和公平性。
最后,市政设计费的取费标准应当透明公开,保证设计费用的合理性和公平性。
市政设计费的取费标准应当向社会公开,接受社会监督,确保设计费用的合理性和公平性。
设计单位在收取市政设计费时,应当向业主单位和社会公开设计费用的具体标准和计算方法,接受相关部门和社会公众的监督,确保设计费用的合理性和公平性。
同时,设计单位应当建立健全的市政设计费收费管理制度,严格执行市政设计费取费标准,杜绝违规收费和变相收费的行为,保证设计费用的合理性和公平性。
综上所述,市政设计费的取费标准应当符合国家相关法律法规的规定,合理确定设计费用的具体数额,透明公开设计费用的具体标准和计算方法,保证设计费用的合理性和公平性。
市政工程设计收费标准市政工程设计是城市建设中不可或缺的一环,设计收费标准的合理性直接关系到市政工程设计质量和城市建设的效益。
为了规范市政工程设计收费行为,提高设计质量,保障城市建设利益,制定了以下市政工程设计收费标准。
一、设计费用计算方法。
市政工程设计收费采用按工程造价百分比收费的方式,按照工程概算、施工图预算价或成交价等计价依据,按照不同的工程类型和规模确定设计费用的百分比。
同时,对于特殊工程或特殊情况,可以根据实际情况进行适当调整。
二、设计费用标准。
1. 市政道路设计收费标准,按照道路工程预算价的百分比计算,一般为工程造价的3%-5%。
2. 市政给水排水设计收费标准,按照给水排水工程预算价的百分比计算,一般为工程造价的2%-4%。
3. 市政绿化设计收费标准,按照绿化工程预算价的百分比计算,一般为工程造价的1%-3%。
4. 市政管线设计收费标准,按照管线工程预算价的百分比计算,一般为工程造价的2%-4%。
5. 市政市容设计收费标准,按照市容工程预算价的百分比计算,一般为工程造价的1%-3%。
三、设计费用结算方式。
设计费用按照工程设计文件编制完成后,由设计单位向建设单位出具设计费用结算报告,经双方确认后进行结算支付。
设计费用的支付方式可以根据双方协商确定,一般分阶段支付或一次性支付。
四、设计费用调整。
设计费用的调整应当符合市场变化和工程实际情况,设计单位可以根据市场行情、设计成果的质量和设计过程中的变更等因素提出设计费用调整申请,经审核确认后进行调整。
五、设计费用管理。
设计费用的管理应当建立健全的制度和规范,加强对设计费用的监督和审计,防止设计费用的滥用和浪费,保障设计费用的合理性和合法性。
六、结语。
市政工程设计收费标准的制定对于规范市政工程设计行为,提高设计质量,保障城市建设利益具有重要意义。
设计单位和建设单位应当严格按照设计收费标准执行,共同维护市政工程设计市场秩序,推动城市建设持续健康发展。
XX工程设计收费计算方法
一、本工程概算为300000元。
三、计算方法:
1、基本设计费=工程收费基价×专业调整系数×工程复杂调整系数×附加调整系数。
本项目为建筑工程:专业调整系数取1.0
工程复杂调整系数按Ⅱ级:1.0
附加调整系数取1.0
本项目的下浮率为20%
2、基本设计费=13500×1.0×1.0×1.0=13500元。
3、工程设计费=13500×(1-20%)=10800元。
本工程设计收费为10800元
附表:
XX工程设计收费
二、本工程估算建安费为363.954319万元。
三、项目的设计收费基价:
1、基本设计费=工程设计收费基价×专业调整系数×工程复杂调整系数×附加调整系数。
本项目为道路工程:专业调整系数取0.9
工程复杂调整系数取1.0
附加调整系数取 1.1(改造项目、改扩建和技术改造建设项目的取值区间为1.1-1.4)
2、基本设计费=15.503521×0.9×1.0×1.1=15.348486(万元)
经双方协商,本工程的下浮率为50%,本工程的设计费包干价为:
15.348486×(1- 50%)≈7.67(万元)。
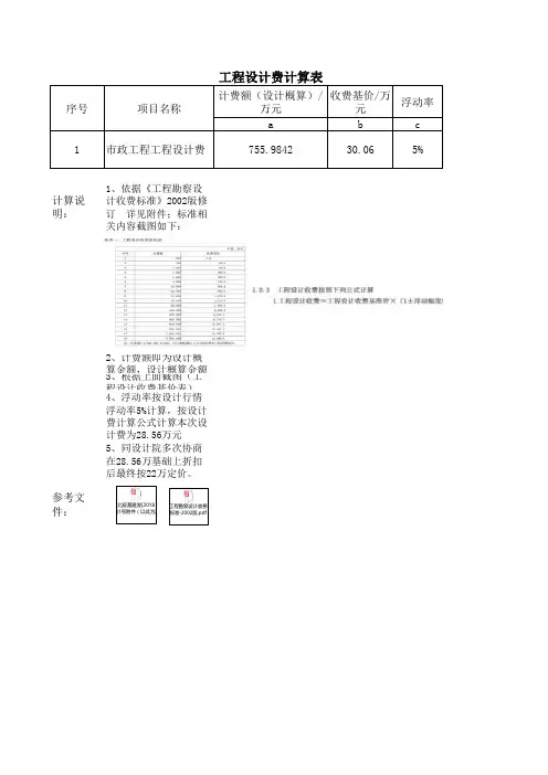
计费额(设计概算)/
万元收费基价/万
元浮动率a b c 1
市政工程工程设计费755.984230.065%计算说
明:
1、依据《工程勘察设计收费标准》2002版修订 详见附件;标准相关内容截图如下:
2、计费额即为设计概算金额,设计概算金额
3、根据上面截图(工程设计收费基价表),
4、浮动率按设计行情浮动率5%计算,按设计费计算公式计算本次设计费为28.56万元
5、同设计院多次协商在28.56万基础上折扣后最终按22万定价。
参考文
件:序号
项目名称北辰基建发[2018
]1号附件(以此为准)工程勘察设计收费
标准-2002版.pdf
工程设计费计算/万元
b*(1-c)
28.56。
市政工程设计收费标准市政工程设计是指城市基础设施建设的设计工作,包括道路、桥梁、给水排水、燃气供应、电力供应等市政设施。
市政工程设计收费标准是指市政工程设计单位对于提供设计服务所收取的费用标准。
市政工程设计收费标准的制定对于规范市政工程设计市场秩序、保障设计质量、促进市政工程建设具有重要意义。
首先,市政工程设计收费标准应当根据设计单位的资质、设计规模、设计难度等因素进行合理确定。
市政工程设计单位应当根据自身的设计水平和技术实力确定收费标准,不能随意提高收费标准,以免损害市政工程建设单位的利益。
同时,市政工程设计收费标准也应当充分考虑市政工程建设单位的承受能力,不能设置过高的收费标准,影响市政工程建设的正常进行。
其次,市政工程设计收费标准应当明确收费项目和收费标准。
市政工程设计收费项目包括设计文件编制、勘察设计、施工图设计、技术咨询等内容,设计单位应当根据不同的设计内容确定相应的收费标准。
同时,市政工程设计收费标准还应当包括设计变更、设计审查、设计咨询等附加收费项目,设计单位应当在合同中明确这些收费项目的收费标准,避免发生争议。
另外,市政工程设计收费标准应当合理确定收费方式。
市政工程设计收费方式包括按比例收费、按面积收费、按工程量收费等多种方式,设计单位应当根据具体的设计内容和设计难度确定合适的收费方式。
同时,在确定收费方式时,设计单位还应当考虑市场行情和行业惯例,避免因为收费方式不合理而导致争议和纠纷。
最后,市政工程设计收费标准应当注重服务质量和效益。
设计单位在收取设计费用的同时,应当提供高质量的设计服务,确保设计文件的准确性和完整性,提高市政工程建设的质量和效益。
设计单位还应当根据设计服务的实际情况和效果,适当调整收费标准,保持市政工程设计市场的公平竞争和健康发展。
综上所述,市政工程设计收费标准的制定应当充分考虑市场实际情况和设计单位的实际情况,合理确定收费标准、明确收费项目和收费标准、合理确定收费方式,注重服务质量和效益,促进市政工程设计市场的规范发展和健康竞争。
市政工程设计费标准现阶段市政工程设计费标准怎样的?又是怎么制定的?以下是整理的关于市政工程设计费标准的具体内容以供参考。
工程设计收费是指设计人根据发包人的委托,提供编制建设项目初步设计文件、施工图设计文件、非标准设备设计文件、施工图预算文件、竣工图文件等服务所收取的费用。
工程设计收费采取按照建设项目单项工程概算投资额分档定额计费方法计算收费。
铁道工程设计收费计算方法,在交通运输工程一章中规定。
工程设计收费按照下列公式计算1 工程设计收费=工程设计收费基准价X(1浮动幅度值)2 工程设计收费基准价=基本设计收费+其他设计收费3 基本设计收费=工程设计收费基价X专业调整系数x_工程复杂程度调整系数X附加调整系数。
工程设计收费基准价工程设计收费基准价是按照本收费标准计算出的工程设计基准收费额。
发包人和设计人根据实际情况,在规定的浮动幅度内协商确定工程设计收费合同额。
基本设计收费基本设计收费是指在工程设计中提供编制初步设计文件、施工图设计文件收取的费用,并相应提供设计技术交底、解决施工中的设计技术问题、参加试车考核和竣工验收等服务。
其他设计收费其他设计收费是指根据工程设计实际需要或者发包人要求提供相关服务收取的费用,包括总体设计费、主体设计协调费、采用标准设计和复用设计费、非标准设备设计文件编制费、施工图预算编制费、竣工图编制费等。
工程设计收费基价,工程设计收费基价是完成基本服务的价格。
工程设计收费基价在《工程设计收费基价表》中查找确定,计费额处于两个数值区间的,采用直线内插法确定工程设计收费基价。
工程设计收费计费额工程设计收费计费额,为经过批准的建设项目初步设计概算中的建筑安装工程费、设备与工器具购置费和联合试运转费之和。
工程中有利用原有设备的,以签订工程设计合同时同类设备的当期价格作为工程设计收费的计费额;工程中有缓配设备,但按照合同要求以既配设备进行工程设计并达到设备安装和工艺条件的,以既配设备的当期价格作为工程设计收费的计费额;工程中有引进设备的,按照购进设备的离岸价折换成人民币作为工程设计收费的计费额。
市政工程设计方案如何算钱一、引言市政工程设计是指在城市建设项目开工前,要对市政工程进行规划、设计,编制设计方案,确定工程需求、工程规模和质量等,保障城市建设项目的顺利进行。
市政工程设计费用测算是在市政工程设计阶段,预先测算市政工程设计过程中的费用预算,为市政工程建设项目的开工提供参考。
本文将从市政工程设计方案费用测算的背景意义、费用测算的方法、费用测算的要点及应用等方面进行介绍,希望能够对市政工程设计方案费用测算有一个全面的认识。
二、背景意义市政工程设计方案费用测算是市政工程设计的重要组成部分,其背景意义主要体现在以下几个方面:1. 有助于提高设计质量市政工程设计费用测算是对市政工程设计活动的费用预测和测算,能够推动设计单位积极开发节约设计费用的技术和手段,提高设计质量,降低设计成本。
2. 有助于合理分配投资市政工程设计方案费用测算可以帮助投资单位清晰了解项目设计所需的费用,有助于合理分配投资,保障设计工作的顺利进行。
3. 有助于优化设计过程通过市政工程设计方案的费用测算,可以发现设计过程中的费用浪费现象,进而优化设计过程,有效提高设计效率。
4.有助于明确责任市政工程设计方案费用测算可以使设计单位和投资单位在设计费用方面有一个明确的分工和责任,确保费用的合理使用。
三、费用测算的方法市政工程设计方案费用测算的方法主要包括自上而下法、自下而上法、类比估算法和参数估算法等。
1.自上而下法自上而下法是指通过宏观调查和分析市政工程设计费用的预算和测算。
具体步骤是,首先对市政工程设计的总体规划和设计目标进行调查和分析,确定整体设计费用,再逐步细化到各个层面,最终确定各个设计环节的费用。
2.自下而上法自下而上法是指通过对市政工程设计的各个具体环节进行分析和测算,逐步累加得出整体费用的方法。
具体步骤是,首先对市政工程设计的各个设计环节进行分析,逐一测算费用,并逐步累加得出整体费用。
3.类比估算法类比估算法是指通过类比已经完成的市政工程设计项目来预测新项目的设计费用。
市政工程设计收费标准(2019版)01计委及相关部门在1999年、2002年及2007年,先后出台了建设项目服务收费管理的相关规定,主要包括以下几项:《建设项目前期工作咨询收费暂行规定》(计委/计价格〔1999〕1283号)《工程勘察设计收费管理规定》(计委、建设部/计价格[2002]10号)《关于规环境影响咨询收费有关问题的通知》(计委、环境保护部/计价格[2002]125号)《招标代理服务收费管理暂行办法》(计委/计价格[2002]1980号)《建设工程监理与相关服务收费管理规定》(发展改革委、建设部/发改价格[2007]670号)以上规定,构成了政府指导价管理的框架,在一定时期对规建设项目服务收费行为起到了积极的作用。
022013年党的十八届三中全会召开以后,强调了要充分发挥市场在资源配置中的决定性作用。
对原来执行的政府指导价管理政策进行改革。
2014年7月10日发展改革委发布了《发展改革委关于放开部分建设项目服务收费标准有关问题的通知》(发改价格[2014]1573号),做出如下规定:放开除政府投资项目及政府委托服务以外的建设项目前期工作咨询、工程勘察设计、招标代理、工程监理等4项服务收费标准,实行市场调节价。
采用直接投资和资本金注入的政府投资项目,以及政府委托的上述服务收费,继续实行政府指导价管理,执行规定的收费标准。
实行市场调节价的专业服务收费,由委托双依据服务成本、服务质量和市场供求状况等协商确定。
半年以后,2015年2月11日发展改革委发布了《发展改革委关于进一步放开建设项目专业服务价格的通知》(发改价格〔2015〕299号),规定:自2015年3月1日起,在已放开非政府投资及非政府委托的建设项目专业服务价格的基础上,全面放开5项(建设项目前期工作咨询费、工程勘察设计费、招标代理费、工程监理费、环境影响咨询费)实行政府指导价管理的建设项目专业服务价格,实行市场调节价。
5项服务价格实行市场调节价后,经营者应格遵守《价格法》、《关于商品和服务实行明码标价的规定》等法律法规规定,告知委托人有关服务项目、服务容、服务质量,以及服务价格等,并在相关服务合同中约定。
市政工程设计收费标准及案例
表一:工程设计收费基价表单位:万元
注:计费额>2000000万元的,以计费额乘以1.6%的收费率计算收费基价。
【解释】本表用于计算工程设计收费基价。
本表所称的工程设计收费基价,是设计人完成基本服务,没有对工程设计复杂程度和工作量差异进行调整的基本收费价格,是计算工程设计收费的基础。
1.计算工程设计收费基价的步骤
(1)确定工程设计收费计费额。
建设项目设计计算收费额为该建设项目的单项工程概算工程加联合试运转费。
单项工程概算由建筑安装工程费和设备、工器具购置费组成。
(2)确定工程设计费基价。
从本表《工程设计收费基价表》中查找或计算该建设项目的工程设计收费基价。
(3)工程设计收费计费额处于两个数值区间的,采用内插法计算该建设项目工程设计收费的计算额,以及所对应的工程设计收费基价。
2.计算工程设计收费基价和基本设计收费的方法
计算工程设计收费基价和基本设计收费的方法,主要有以下三种方法:
(1)以建设项目的设计费计费额为基数,计算其工程设计收费基价和基本设计收费。
(2)先以建设项目的设计收费计费额为基数,计算其工程设计收费基价,再以单项工程的设计收费计费额占建设项目收费计费额的比例,分别计算各单项工程的基本设计收费。
(3)以单项工程的设计收费计费额为基数,分别计算各单项工程设计收费基价和基本设计收费。
具体计算方法,根据建设项目的实际情况,由发包人与设计人协商确定。
参考案例:
某城市新建道路工程项目总投资29377万元。
其中:城市主干路建筑安装工程费8450万元,城市次干道建筑安装工程费3556万元,城市支路建筑安装工程费1230万元,互通立交建筑安装工程费5427万元(其中立交道路1530万元,立交桥梁3897万元),长度600m跨河桥1944万元,人行天桥424万元及Φ500-1800排水管线建筑安装工程费3450万元,部分工程通过地下管网密集地区。
发包人委托初步设计、施工图设计及施工图预算编制。
工程设计收费按以下步骤计算:
一、计算城市主干道设计收费
(一)计算基本设计收费
1.确定工程设计收费的计费额为8450万元
2.计算工程设计收费基价,根据表1,采用内插法计算
设计收费基价
304.8-249.6
=(8450-8000)+249.6=262.02 10000-8000
(万元)
3.确定专业调整系数,城市道路工程取0.9
4.确定工程复杂程度调整系数,复杂程度为Ⅲ级,系数为1.15
5.确定附加调整系数,城市道路通过地下管网密集区附加调整系数取1.1
6.基本设计收费=262.02*0.9*1.15*1.1=298.31(万元)
(二)计算其他设计收费
施工图预算编制费=298.31*10%=29.83(万元)
(三)计算工程设计收费基准价
城市主干道设计收费基准价=基本设计收费+其他设计收费=298.31 +
29.83=328.41(万元)
二、计算城市次干道及城市支路设计收费
(一)计算基本设计收费
1.确定工程设计收费的计费额为3556+1230=4786万元
2.计算工程设计收费基价,根据表1,采用内插法计算
设计收费基价
163.9-103.8
=(4786-3000)+103.8=157.47 5000-3000
(万元)
3.确定专业调整系数,城市道路工程取0.9
4.确定工程复杂程度调整系数,复杂程度为Ⅲ级,系数为1.0
5.确定附加调整系数,城市道路通过地下管网密集区附加调整系数,无
6.基本设计收费=15
7.47*0.9*1=141.72万元)
(二)计算其他设计收费
施工图预算编制费=141.72*10%=14.17(万元)
(三)计算工程设计收费基准价
城市次干道及城市支路设计收费基准价=基本设计收费+其他设计收费=141.72+14.17=155.89(万元)
三、计算互通立交设计收费
(一)计算基本设计收费
1.确定工程设计收费的计费额为5427万元
2.计算工程设计收费基价,根据表1,采用内插法计算
设计收费基价
249.6-163.9
=(5427-5000)+=176.10 8000-5000
163.9(万元)
3.确定专业调整系数,桥梁工程取1.1
4.确定工程复杂程度调整系数,复杂程度为Ⅲ级,系数为1.15
5.确定附加调整系数,城市道路通过地下管网密集区附加调整系数,无
6.基本设计收费=176.10*1.1*1.15=222.77万元)
(二)计算其他设计收费
施工图预算编制费=222.77*10%=22.28(万元)
(三)计算工程设计收费基准价
互通立交收费基准价=基本设计收费+其他设计收费=222.77+22.28=245.05(万元)
三、计算跨河桥设计收费
(一)计算基本设计收费
1.确定工程设计收费的计费额为1944万元
2.计算工程设计收费基价,根据表1,采用内插法计算
设计收费基价
103.8-39.8
=(1944-1000)+=69.48 3000-1000
38.8(万元)
3.确定专业调整系数,桥梁工程取1.1
4.确定工程复杂程度调整系数,复杂程度为Ⅰ级,系数为0.85
5.确定附加调整系数,城市道路通过地下管网密集区附加调整系数,无
6.基本设计收费=69.48*1.1*0.85=64.96万元)
(二)计算其他设计收费
施工图预算编制费=64.96*10%=6.50(万元)
(三)计算工程设计收费基准价
跨河桥收费基准价=基本设计收费+其他设计收费=64.96+6.50=71.46(万元)
四、其它人行天桥、排水管线计算过程略
人行天桥设计收费=21.65(万元)
排水管线设计收费=148.41(万元)
五、计算整个建设项目工程设计收费基准价
工程设计收费基准价合计=970.60(万元)
该建设项目的工程设计收费基准价970.60万元,设计人与发包人在此基础上,根据本标准规定,在上下20%的浮动幅度内,协商确定该项工程设计收费合同额。