五种常见挡土墙得设计计算实例
- 格式:doc
- 大小:304.06 KB
- 文档页数:26
1、概况:大泉线 K3+274 到地面 K3+480 路基左侧侵占河道,为防止水流冲刷路基设置路肩挡土墙。
2、确定基础埋深:参照原路段设置浆砌片石护坡,基础埋深设置 1.5m ;基底土质取砂类土,基底与基底土的摩擦系数μ=0.3 ,地基承载力基本容许值 f=370kPa。
3、墙背填料:选择天然砂砾做墙背填料,重度γ=18k N/m3 ,内摩擦角φ=35º ,墙后土体对墙背的摩擦角δ = ( 2/3 ) φ=23 º。
4、墙体材料:采用浆砌片石砌筑,采用 M7.5 号砂浆、 MU40 号片石,砌石γr=23 KN/M3 ,轴心抗压强度设计值[σa] =1200KPa ,允许剪应力[τj] =90KPa ,容许弯拉应力[σwl] =140KPa。
路基设计手册 P6045、设计荷载:公路一级。
6、稳定系数:抗滑稳定系数[Kc]=1.3 ,抗倾覆稳定系数[Ko]=1.5。
1、断面尺寸的拟订:查该路段路基横断面确定最大墙高为 6.8m ,选择仰斜式路肩挡土墙,查标准图确定断面尺寸,如下图所示:2、换算等代均布土层厚度 h 0 :根据路基设计规范, h 0 = q ,其中 q 是车辆荷载附加荷载强度 ,墙高小于 2m 时 ,取Y20KN/m 2 ;墙高大于 10m 时,取 10KN/m 2 ;墙高在 2~10m 之间时,附加荷载强度用直 线内插法计算, Y 为墙背填土重度。
10 一 6.8 10 一 2h 0 = Y q = 1184 =0.78kPa3、计算挡土墙自重并确定其重心的位置A 墙=9.104m 3,则每延米挡土墙自重 G = γA 墙 l 0 = 23×9.104×1KN = 209.392 KN挡土墙重心位置的确定可用桥通辅助工具里面计算截面型心的工具来查询,对于同 一种材料的物体来说,形心位置和重心位置重合。
墙趾到墙体重心的距离 Z G = 1.654 m 。
挡土墙设计实例挡土墙是指支承路基填土或山坡土体、防止填土或土体变形失稳的构造物。
在挡土墙横断面中,与被支承土体直接接触的部位称为墙背;与墙背相对的、临空的部位称为墙面;与地基直接接触的部位称为基地;与基底相对的、墙的顶面称为墙顶;基底的前端称为墙趾;基底的后端称为墙踵。
根据挡土墙的设置位置不同,分为路肩墙、路堤墙、路堑墙和山坡墙等。
设置于路堤边坡的挡土墙称为路堤墙;墙顶位于路肩的挡土墙称为路肩墙;设置于路堑边坡的挡土墙称为路堑墙;设置于山坡上,支承山坡上可能坍塌的覆盖层土体或破碎岩层的挡土墙称为山坡墙。
本实例中主要讲述了5种常见挡土墙的设计计算实例。
1、重力式挡土墙------------------------------------------------------------------------原始条件:墙身尺寸:墙身高: 6.500(m)墙顶宽: 0.660(m)面坡倾斜坡度: 1:0.250背坡倾斜坡度: 1:0.200采用1个扩展墙址台阶:墙趾台阶b1: 0.300(m)墙趾台阶h1: 0.500(m)墙趾台阶与墙面坡坡度相同墙底倾斜坡率: 0.200:1物理参数:圬工砌体容重: 23.000(kN/m3)圬工之间摩擦系数: 0.400地基土摩擦系数: 0.500砌体种类: 片石砌体砂浆标号: 5石料强度(MPa): 30挡土墙类型: 一般挡土墙墙后填土内摩擦角: 35.000(度)墙后填土粘聚力: 0.000(kPa)墙后填土容重: 19.000(kN/m3)墙背与墙后填土摩擦角: 17.500(度)地基土容重: 18.000(kN/m3)修正后地基土容许承载力: 500.000(kPa)地基土容许承载力提高系数:墙趾值提高系数: 1.200墙踵值提高系数: 1.300平均值提高系数: 1.000墙底摩擦系数: 0.500地基土类型: 土质地基地基土内摩擦角: 30.000(度)土压力计算方法: 库仑坡线土柱:坡面线段数: 2折线序号水平投影长(m) 竖向投影长(m) 换算土柱数1 3.000 2.000 02 5.000 0.000 0坡面起始距离: 0.000(m)地面横坡角度: 20.000(度)墙顶标高: 0.000(m)挡墙分段长度: 10.000(m)========================================= ============================组合1(仅取一种组合计算)========================================= ====组合系数: 1.0001. 挡土墙结构重力分项系数 = 1.000 √2. 墙顶上的有效永久荷载分项系数 = 1.000 √3. 墙顶与第二破裂面间有效荷载分项系数 = 1.000 √4. 填土侧压力分项系数 = 1.000 √5. 车辆荷载引起的土侧压力分项系数 = 1.000 √========================================= ====[土压力计算] 计算高度为 7.309(m)处的库仑主动土压力无荷载时的破裂角 = 28.320(度)按实际墙背计算得到:第1破裂角: 28.320(度)Ea=244.312 Ex=214.072 Ey=117.736(kN) 作用点高度 Zy=2.627(m)因为俯斜墙背,需判断第二破裂面是否存在,计算后发现第二破裂面不存在墙身截面积 = 15.518(m2) 重量 = 356.925 kN(一) 滑动稳定性验算基底摩擦系数 = 0.500采用倾斜基底增强抗滑动稳定性,计算过程如下:基底倾斜角度 = 11.310 (度)Wn = 349.993(kN) En = 157.432(kN) Wt = 69.999(kN) Et = 186.825(kN)滑移力= 116.827(kN) 抗滑力= 253.713(kN)滑移验算满足: Kc = 2.172 > 1.300滑动稳定方程验算:滑动稳定方程满足: 方程值 = 164.582(kN) > 0.0地基土摩擦系数 = 0.500地基土层水平向: 滑移力= 214.072(kN) 抗滑力=252.070(kN)地基土层水平向: 滑移验算不满足: Kc2 = 1.177 <=1.300(二) 倾覆稳定性验算相对于墙趾点,墙身重力的力臂 Zw = 2.186 (m)相对于墙趾点,Ey的力臂 Zx = 3.521 (m)相对于墙趾点,Ex的力臂 Zy = 1.818 (m)验算挡土墙绕墙趾的倾覆稳定性倾覆力矩= 389.149(kN-m) 抗倾覆力矩= 1194.778(kN-m)倾覆验算满足: K0 = 3.070 > 1.500倾覆稳定方程验算:倾覆稳定方程满足: 方程值 = 649.592(kN-m) > 0.0 (三) 地基应力及偏心距验算基础为天然地基,验算墙底偏心距及压应力取倾斜基底的倾斜宽度验算地基承载力和偏心距作用于基础底的总竖向力 = 507.426(kN) 作用于墙趾下点的总弯矩=805.628(kN-m)基础底面宽度 B = 4.127 (m) 偏心距 e = 0.476(m)基础底面合力作用点距离基础趾点的距离 Zn =1.588(m)基底压应力: 趾部=208.008 踵部=37.896(kPa)最大应力与最小应力之比 = 208.008 / 37.896 = 5.489作用于基底的合力偏心距验算满足: e=0.476 <=0.167*4.127 = 0.688(m)墙趾处地基承载力验算满足: 压应力=208.008 <= 600.000(kPa)墙踵处地基承载力验算满足: 压应力=37.896 <= 650.000(kPa)地基平均承载力验算满足: 压应力=122.952 <= 500.000(kPa)(四) 基础强度验算基础为天然地基,不作强度验算(五) 墙底截面强度验算验算截面以上,墙身截面积 = 13.946(m2) 重量 = 320.764 kN相对于验算截面外边缘,墙身重力的力臂 Zw = 2.134 (m)相对于验算截面外边缘,Ey的力臂 Zx = 3.521 (m)相对于验算截面外边缘,Ex的力臂 Zy = 1.818 (m) [容许应力法]:法向应力检算:作用于验算截面的总竖向力 = 438.499(kN) 作用于墙趾下点的总弯矩=710.021(kN-m)相对于验算截面外边缘,合力作用力臂 Zn = 1.619(m)截面宽度 B = 3.885 (m) 偏心距 e1 = 0.323(m)截面上偏心距验算满足: e1= 0.323 <= 0.250*3.885 = 0.971(m)截面上压应力: 面坡=169.225 背坡=56.514(kPa)压应力验算满足: 计算值= 169.225 <= 800.000(kPa)切向应力检算:剪应力验算满足: 计算值= 9.954 <= 80.000(kPa)[极限状态法]:重要性系数0 = 1.000验算截面上的轴向力组合设计值Nd = 438.499(kN)轴心力偏心影响系数醟 = 0.923挡墙构件的计算截面每沿米面积A = 3.885(m2)材料抗压极限强度Ra = 1600.000(kPa)圬工构件或材料的抗力分项系数鉬 = 2.310偏心受压构件在弯曲平面内的纵向弯曲系数豮 = 0.997计算强度时:强度验算满足: 计算值= 438.499 <= 2484.452(kN)计算稳定时:稳定验算满足: 计算值= 438.499 <= 2478.074(kN) (六) 台顶截面强度验算[土压力计算] 计算高度为 6.000(m)处的库仑主动土压力无荷载时的破裂角 = 29.150(度)按实际墙背计算得到:第1破裂角: 29.150(度)Ea=172.939 Ex=151.533 Ey=83.340(kN) 作用点高度 Zy=2.150(m)因为俯斜墙背,需判断第二破裂面是否存在,计算后发现第二破裂面不存在墙身截面积 = 12.060(m2) 重量 = 277.380 kN[强度验算]验算截面以上,墙身截面积 = 12.060(m2) 重量 = 277.380 kN相对于验算截面外边缘,墙身重力的力臂 Zw = 1.738 (m)相对于验算截面外边缘,Ey的力臂 Zx = 2.930 (m)相对于验算截面外边缘,Ex的力臂 Zy = 2.150 (m) [容许应力法]:法向应力检算:作用于验算截面的总竖向力 = 360.720(kN) 作用于墙趾下点的总弯矩=400.617(kN-m)相对于验算截面外边缘,合力作用力臂 Zn = 1.111(m)截面宽度 B = 3.360 (m) 偏心距 e1 = 0.569(m)截面上偏心距验算满足: e1= 0.569 <= 0.250*3.360 = 0.840(m)截面上压应力: 面坡=216.516 背坡=-1.802(kPa)压应力验算满足:计算值= 216.516 <= 800.000(kPa)拉应力验算满足: 计算值= 1.802 <= 80.000(kPa)切向应力检算:剪应力验算满足: 计算值= 2.156 <= 80.000(kPa)[极限状态法]:重要性系数0 = 1.000验算截面上的轴向力组合设计值Nd = 360.720(kN)轴心力偏心影响系数醟 = 0.744挡墙构件的计算截面每沿米面积A = 3.360(m2)材料抗压极限强度Ra = 1600.000(kPa)圬工构件或材料的抗力分项系数鉬 = 2.310偏心受压构件在弯曲平面内的纵向弯曲系数豮 = 0.994计算强度时:强度验算满足: 计算值= 360.720 <= 1730.509(kN)计算稳定时:稳定验算满足: 计算值= 360.720 <= 1720.261(kN)2、衡重式挡土墙------------------------------------------------------------------------原始条件:墙身尺寸:墙身总高: 9.600(m)上墙高: 3.400(m)墙顶宽: 0.660(m)台宽: 1.500(m)面坡倾斜坡度: 1:0.150上墙背坡倾斜坡度: 1:0.200下墙背坡倾斜坡度: 1:-0.200采用1个扩展墙址台阶:墙趾台阶b1: 0.300(m)墙趾台阶h1: 0.500(m)墙趾台阶与墙面坡坡度相同墙底倾斜坡率: 0.200:1下墙土压力计算方法: 力多边形法物理参数:圬工砌体容重: 23.000(kN/m3)圬工之间摩擦系数: 0.400地基土摩擦系数: 0.500砌体种类: 片石砌体砂浆标号: 5石料强度(MPa): 30挡土墙类型: 一般挡土墙墙后填土内摩擦角: 35.000(度)墙后填土粘聚力: 0.000(kPa)墙后填土容重: 19.000(kN/m3)墙背与墙后填土摩擦角: 17.500(度)地基土容重: 18.000(kN/m3)修正后地基土容许承载力: 500.000(kPa)地基土容许承载力提高系数:墙趾值提高系数: 1.200墙踵值提高系数: 1.300平均值提高系数: 1.000墙底摩擦系数: 0.500地基土类型: 土质地基地基土内摩擦角: 30.000(度)坡线土柱:坡面线段数: 2折线序号水平投影长(m) 竖向投影长(m) 换算土柱数1 3.000 2.000 02 5.000 0.000 0地面横坡角度: 20.000(度)墙顶标高: 0.000(m)挡墙分段长度: 10.000(m)========================================= ============================组合1(仅取一种组合计算)========================================= ====组合系数: 1.0001. 挡土墙结构重力分项系数 = 1.000 √2. 填土重力分项系数 = 1.000 √3. 填土侧压力分项系数 = 1.000 √4. 车辆荷载引起的土侧压力分项系数 = 1.000 √========================================= ====[土压力计算] 计算高度为 10.242(m)处的库仑主动土压力计算上墙土压力无荷载时的破裂角 = 31.060(度)按假想墙背计算得到:第1破裂角: 32.720(度)Ea=148.041 Ex=56.254 Ey=136.937(kN) 作用点高度 Zy=1.260(m)因为俯斜墙背,需判断第二破裂面是否存在,计算后发现第二破裂面存在:第2破裂角=17.542(度) 第1破裂角=31.060(度)Ea=102.147 Ex=62.124 Ey=81.085(kN) 作用点高度Zy=1.465(m)计算下墙土压力无荷载时的破裂角 = 34.222(度)按力多边形法计算得到:破裂角: 34.222(度)Ea=201.028 Ex=199.855 Ey=21.676(kN) 作用点高度 Zy=2.979(m)墙身截面积 = 25.299(m2) 重量 = 581.869 kN衡重台上填料重 = 90.539(kN) 重心坐标(1.649,-1.646)(相对于墙面坡上角点)(一) 滑动稳定性验算基底摩擦系数 = 0.500采用倾斜基底增强抗滑动稳定性,计算过程如下:基底倾斜角度 = 11.310 (度)Wn = 659.350(kN) En = 152.144(kN) Wt =131.870(kN) Et = 236.739(kN)滑移力= 104.869(kN) 抗滑力= 405.747(kN)滑移验算满足: Kc = 3.869 > 1.300滑动稳定方程验算:滑动稳定方程满足: 方程值 = 353.905(kN) > 0.0地基土摩擦系数 = 0.500地基土层水平向: 滑移力= 261.979(kN) 抗滑力= 396.867(kN)地基土层水平向: 滑移验算满足: Kc2 = 1.515 > 1.300 (二) 倾覆稳定性验算相对于墙趾,墙身重力的力臂 Zw = 2.308 (m)相对于墙趾,上墙Ey的力臂 Zx = 4.117 (m)相对于墙趾,上墙Ex的力臂 Zy = 7.665 (m)相对于墙趾,下墙Ey的力臂 Zx3 = 3.807 (m)相对于墙趾,下墙Ex的力臂 Zy3 = 2.337 (m)验算挡土墙绕墙趾的倾覆稳定性倾覆力矩= 943.130(kN-m) 抗倾覆力矩= 2066.104(kN-m)倾覆验算满足: K0 = 2.191 > 1.500倾覆稳定方程验算:倾覆稳定方程满足: 方程值 = 793.025(kN-m) > 0.0 (三) 地基应力及偏心距验算基础为天然地基,验算墙底偏心距及压应力取倾斜基底的倾斜宽度验算地基承载力和偏心距作用于基础底的总竖向力 = 811.494(kN) 作用于墙趾下点的总弯矩=1122.975(kN-m)基础底面宽度 B = 3.275 (m) 偏心距 e = 0.254(m)基础底面合力作用点距离基础趾点的距离 Zn =1.384(m)基底压应力: 趾部=362.948 踵部=132.600(kPa)最大应力与最小应力之比 = 362.948 / 132.600 = 2.737作用于基底的合力偏心距验算满足: e=0.254 <= 0.167*3.275 = 0.546(m)墙趾处地基承载力验算满足: 压应力=362.948 <= 600.000(kPa)墙踵处地基承载力验算满足: 压应力=132.600 <= 650.000(kPa)地基平均承载力验算满足: 压应力=247.774 <= 500.000(kPa)(四) 基础强度验算基础为天然地基,不作强度验算(五) 上墙截面强度验算上墙重力 Ws = 98.141 (kN)上墙墙背处的 Ex = 62.124 (kN)上墙墙背处的 Ey = 12.425 (kN)相对于上墙墙趾,上墙重力的力臂 Zw = 0.889 (m)相对于上墙墙趾,上墙Ex的力臂 Zy = 1.465 (m)相对于上墙墙趾,上墙Ey的力臂 Zx = 1.557 (m) [容许应力法]:法向应力检算:相对于上墙墙趾,合力作用力臂 Zn = 0.141(m)截面宽度 B = 1.850 (m) 偏心距 e1 = 0.784(m)截面上偏心距验算不满足: e1= 0.784 > 0.250*1.850 =0.463(m)截面上压应力: 面坡=211.665 背坡=-92.134(kPa)压应力验算满足: 计算值= 211.665 <= 800.000(kPa)拉应力验算不满足:计算值= 92.134 > 80.000(kPa)切向应力检算:剪应力验算满足: 计算值= 9.674 <= 80.000(kPa)斜截面剪应力检算斜剪应力验算满足: 计算值= 41.598 <= 80.000(kPa) [极限状态法]:重要性系数0 = 1.000验算截面上的轴向力组合设计值Nd = 110.566(kN)轴心力偏心影响系数醟 = 0.233挡墙构件的计算截面每沿米面积A = 1.850(m2)材料抗压极限强度Ra = 1600.000(kPa)圬工构件或材料的抗力分项系数鉬 = 2.310偏心受压构件在弯曲平面内的纵向弯曲系数豮 = 0.981计算强度时:强度验算满足: 计算值= 110.566 <= 298.521(kN)计算稳定时:稳定验算满足: 计算值= 110.566 <= 292.889(kN) (六) 墙底截面强度验算验算截面以上,墙身截面积 = 24.226(m2) 重量 = 557.198 kN相对于验算截面外边缘,墙身重力的力臂 Zw = 2.313 (m)[容许应力法]:法向应力检算:作用于截面总竖向力 = 750.498(kN) 作用于墙趾下点的总弯矩=1106.215(kN-m)相对于验算截面外边缘,合力作用力臂 Zn = 1.474(m)截面宽度 B = 3.340 (m) 偏心距 e1 = 0.196(m)截面上偏心距验算满足: e1= 0.196 <= 0.250*3.340 = 0.835(m)截面上压应力: 面坡=303.826 背坡=145.574(kPa)压应力验算满足: 计算值= 303.826 <= 800.000(kPa)切向应力检算:剪应力验算满足: 计算值= -11.443 <= 80.000(kPa)[极限状态法]:重要性系数0 = 1.000验算截面上的轴向力组合设计值Nd = 750.498(kN)轴心力偏心影响系数醟 = 0.960挡墙构件的计算截面每沿米面积A = 3.340(m2)材料抗压极限强度Ra = 1600.000(kPa)圬工构件或材料的抗力分项系数鉬 = 2.310偏心受压构件在弯曲平面内的纵向弯曲系数豮 = 0.968计算强度时:强度验算满足: 计算值= 750.498 <= 2221.592(kN)计算稳定时:稳定验算满足: 计算值= 750.498 <= 2149.911(kN) (七) 台顶截面强度验算[土压力计算] 计算高度为 9.100(m)处的库仑主动土压力计算上墙土压力无荷载时的破裂角 = 31.060(度)按假想墙背计算得到:第1破裂角: 32.720(度)Ea=148.041 Ex=56.254 Ey=136.937(kN) 作用点高度 Zy=1.260(m)因为俯斜墙背,需判断第二破裂面是否存在,计算后发现第二破裂面存在:第2破裂角=17.542(度) 第1破裂角=31.060(度)Ea=102.147 Ex=62.124 Ey=81.085(kN) 作用点高度Zy=1.465(m)计算下墙土压力无荷载时的破裂角 = 34.075(度)按力多边形法计算得到:破裂角: 34.075(度)Ea=156.451 Ex=155.539 Ey=16.870(kN) 作用点高度 Zy=2.522(m)[强度验算]验算截面以上,墙身截面积 = 22.550(m2) 重量 = 518.644 kN相对于验算截面外边缘,墙身重力的力臂 Zw = 2.358 (m)[容许应力法]:法向应力检算:作用于截面总竖向力 = 707.137(kN) 作用于墙趾下点的总弯矩=830.127(kN-m)相对于验算截面外边缘,合力作用力臂 Zn = 1.174(m)截面宽度 B = 3.065 (m) 偏心距 e1 = 0.359(m)截面上偏心距验算满足: e1= 0.359 <= 0.250*3.065 = 0.766(m)截面上压应力: 面坡=392.661 背坡=68.767(kPa)压应力验算满足: 计算值= 392.661 <= 800.000(kPa)切向应力检算:剪应力验算满足: 计算值= -21.270 <= 80.000(kPa)[极限状态法]:重要性系数0 = 1.000验算截面上的轴向力组合设计值Nd = 707.137(kN)轴心力偏心影响系数醟 = 0.859挡墙构件的计算截面每沿米面积A = 3.065(m2)材料抗压极限强度Ra = 1600.000(kPa)圬工构件或材料的抗力分项系数鉬 = 2.310偏心受压构件在弯曲平面内的纵向弯曲系数豮 = 0.959计算强度时:强度验算满足: 计算值= 707.137 <= 1823.443(kN)计算稳定时:稳定验算满足: 计算值= 707.137 <= 1749.052(kN) ====================================== ===============================3、加筋土挡土墙------------------------------------------------------------------------原始条件:墙身尺寸:墙身总高: 8.200(m)筋带竖向间距是否不等: 否单个筋带厚: 1(mm)筋带水平方向间距: 0.420(m)筋带竖直方向间距: 0.400(m)筋带长度竖向分段数: 2分段序号高度(m) 筋带长(m)1 6.000 6.0002 2.200 4.000筋带序号筋带宽(m)1 0.2002 0.2003 0.2004 0.2005 0.2006 0.2007 0.2008 0.2009 0.20010 0.20011 0.20012 0.20013 0.20014 0.20015 0.20016 0.20017 0.20018 0.20019 0.20020 0.200物理参数:加筋土容重: 20.000(kN/m3)加筋土内摩擦角: 35.000(度)筋带容许拉应力: 50.000(MPa)土与筋带之间的摩擦系数: 0.400加筋土浮容重: 10.000(kN/m3)地基土浮重度: 10.000(kN/m3)筋带抗拔力计算调节系数: 1.400筋带材料抗拉计算调节系数: 1.000筋带材料强度标准值: 240.000(MPa)筋带材料抗拉性能的分项系数: 1.250挡土墙类型: 一般挡土墙墙后填土内摩擦角: 35.000(度)墙后填土粘聚力: 0.000(kPa)墙后填土容重: 19.000(kN/m3)地基土容重: 18.000(kN/m3)修正后地基土容许承载力: 500.000(kPa)地基土容许承载力提高系数:墙趾值提高系数: 1.200墙踵值提高系数: 1.300平均值提高系数: 1.000墙底摩擦系数: 0.500地基土类型: 土质地基地基土内摩擦角: 30.000(度)坡线土柱:坡面线段数: 2折线序号水平投影长(m) 竖向投影长(m) 换算土柱数1 3.000 2.000 02 5.000 0.000 0地面横坡角度: 20.000(度)墙顶标高: 0.000(m)挡墙分段长度: 10.000(m)计算参数:稳定计算目标: 给定圆心,半径计算安全系数圆心X坐标: -2.000(m)圆心Y坐标: 10.000(m)半径: 15.000(m)筋带对稳定的作用: 筋带力沿圆弧切线内部稳定分析采用方法: 应力分析法条分法的土条宽度: 0.500(m)墙后填土粘聚力: 10.000(kPa)墙体填土粘聚力: 10.000(kPa)地基土粘聚力: 10.000(kPa)土条切向分力与滑动方向反向时: 当作下滑力对待========================================= ============================第 1 种情况: 组合1========================================= ====组合系数: 1.0001. 挡土墙结构重力分项系数 = 1.000 √2. 填土侧压力分项系数 = 1.000 √3. 车辆荷载引起的土侧压力分项系数 = 1.000 √========================================= ====----------------------------------------------------------内部稳定性验算采用应力分析法(一) 应力分析法筋带号宽度总长度稳定区竖向压应水平应最大拉力抗拉力抗拔力(m) (m) 长度(m) 力(kPa) 力(kPa) 设计值(kN) (kN) (kN)01 0.200 6.000 3.540 46.000 19.139 3.215 38.400 18.61002 0.200 6.000 3.540 54.000 21.908 3.681 38.400 21.84703 0.200 6.000 3.540 62.000 24.511 4.118 38.400 25.08304 0.200 6.000 3.540 70.000 26.948 4.527 38.400 28.32005 0.200 6.000 3.540 78.000 29.220 4.909 38.400 31.55706 0.200 6.000 3.540 86.000 31.326 5.263 38.400 34.79307 0.200 6.000 3.540 94.000 33.265 5.589 38.400 38.03008 0.200 6.000 3.540 102.000 35.040 5.887 38.400 41.26609 0.200 6.000 3.605 110.000 36.648 6.157 38.400 45.32510 0.200 6.000 3.814 118.000 38.091 6.399 38.400 51.42911 0.200 6.000 4.022 126.000 39.367 6.614 38.400 57.91512 0.200 6.000 4.230 134.000 40.478 6.800 38.400 64.78113 0.200 6.000 4.438 142.000 41.423 6.959 38.400 72.02714 0.200 6.000 4.647 150.000 42.203 7.090 38.400 79.65515 0.200 4.000 2.855 158.000 42.816 7.193 38.400 51.54916 0.200 4.000 3.063 166.000 44.984 7.557 38.400 58.10917 0.200 4.000 3.271 174.000 47.152 7.922 38.40065.05018 0.200 4.000 3.479 182.000 49.320 8.286 38.400 72.37219 0.200 4.000 3.688 190.000 51.488 8.650 38.400 80.07520 0.200 4.000 3.896 198.000 53.656 9.014 38.400 88.158单个筋带结点抗拔稳定满足: 拉力设计值=3.215 <= 18.610(kN)筋带截面抗拉强度验算满足: 拉力设计值=9.014 <= 38.400(kN)全墙抗拔验算满足: 最小安全系数=11.415 >= 2.000----------------------------------------------------------外部稳定性验算[土压力计算] 计算墙背处的库仑主动土压力按假想墙背计算得到:第1破裂角: 32.600(度)Ea=246.817 Ex=202.181 Ey=141.568(kN) 作用点高度 Zy=3.400(m)墙身截面积 = 44.800(m2) 重量 = 896.000 kN墙顶上的土重(包括超载) = 171.000(kN) 重心坐标(3.667,0.889)(相对于墙面坡上角点)墙顶上的土重(不包括超载) = 171.000(kN) 重心坐标(3.667,0.889)(相对于墙面坡上角点)(一) 滑动稳定性验算基底摩擦系数 = 0.500滑移力= 202.181(kN) 抗滑力= 604.284(kN)滑移验算满足: Kc = 2.989 > 1.300。
五种常见挡土墙的设计计算实例
挡土墙是一种用于防止土方滑坡和土壤侵蚀的土木结构,常用于公路、铁路、水利工程等项目中。
设计一个挡土墙需要考虑多个因素,包括土壤
性质、挡土墙的高度和倾角、抗滑稳定性等。
以下是五种常见挡土墙的设
计计算实例:
1.重力挡土墙设计:
重力挡土墙是最简单的挡土墙类型,靠自身的重力使其稳定。
设计时
需要计算挡土墙的底部摩擦力、上部土压力以及挡土墙的自重。
2.填土挡土墙设计:
填土挡土墙是利用挡土墙后面的填土来平衡土压力的一种结构。
设计
时需要计算挡土墙的自重和填土的重量以及土与墙之间的摩擦力。
3.墙身倾斜挡土墙设计:
墙身倾斜挡土墙是指挡土墙的外侧墙面倾斜,以增加土体与墙之间的
摩擦力,提高稳定性。
设计时需要计算倾斜挡土墙的自重、上部土压力和
墙身倾斜带来的附加力。
4.箱形式挡土墙设计:
箱形式挡土墙是由钢片或混凝土墙板拼接而成的结构形式,其内部填
充土体以平衡土压力。
设计时需要计算挡土墙板的自重和填充土的重量。
5.挡土墙加筋设计:
挡土墙加筋设计是为了增加挡土墙的稳定性和承载能力,常用的加筋方式有钢筋混凝土挡土墙和钢束挡土墙。
设计时需要计算挡土墙的自重、土压力以及加筋材料的受力情况。
以上是五种常见挡土墙的设计计算实例,每一种挡土墙都有其适用的场景和设计要点。
实际设计时还需要考虑地质条件、降雨等因素对土体的影响,以确保挡土墙的稳定性和安全性。
砌体挡土墙计算实例在土木工程中,砌体挡土墙是一种常见的结构,用于支撑土体,防止其坍塌或滑移。
为了确保挡土墙的稳定性和安全性,需要进行精确的计算。
下面,我们将通过一个具体的实例来详细介绍砌体挡土墙的计算过程。
假设我们要设计一个高度为 5 米的砌体挡土墙,墙背填土为砂土,填土表面水平,墙后地下水位在墙底以下 1 米处。
挡土墙采用 MU30 毛石、M75 水泥砂浆砌筑,墙身重度为 22kN/m³。
一、土压力计算首先,我们需要计算作用在挡土墙上的土压力。
根据库仑土压力理论,主动土压力系数可以通过以下公式计算:Ka =tan²(45° φ/2)其中,φ 为填土的内摩擦角。
假设填土的内摩擦角为 30°,则主动土压力系数 Ka 为:Ka = tan²(45° 30°/2) = 033土压力的分布呈三角形,顶部为零,底部最大。
土压力强度可以通过以下公式计算:σa =γhKa其中,γ 为填土的重度,h 为计算点距离填土表面的高度。
假设填土重度为 18kN/m³,则墙顶处土压力强度为零,墙底处土压力强度为:σa = 18×5×033 = 297kN/m²土压力的合力可以通过三角形面积计算:Ea = 05×297×5 = 7425kN/m合力作用点距离墙底的高度为:h = 5/3 = 167m二、抗滑移稳定性验算为了保证挡土墙不会沿基底滑移,需要进行抗滑移稳定性验算。
抗滑移稳定系数 Ks 可以通过以下公式计算:Ks =(μ∑Gn + Ep) / Ea其中,μ 为基底摩擦系数,∑Gn 为垂直于基底的重力之和,Ep 为墙前被动土压力。
由于本例中不考虑墙前被动土压力,Ep 为零。
假设基底摩擦系数为 04,重力之和为:∑Gn = G + Ey其中,G 为挡土墙自重,Ey 为墙后土压力的水平分力。
挡土墙自重 G 可以通过墙身体积乘以重度计算:G = 05×5×22 = 55kN/m墙后土压力的水平分力 Ey 为:Ey =Ea×cos(δ)其中,δ 为墙背与填土之间的摩擦角,假设为 15°。
五种常见挡土墙的设计计算实例挡土墙是一种用来抵御土体压力而阻挡土体滑动的结构。
根据土方的性质和施工条件的不同,挡土墙可以采用不同的设计计算方法。
以下是五种常见挡土墙的设计计算实例:1.重力挡土墙:重力挡土墙是最简单和常见的挡土墙类型。
它的抗滑力主要靠墙体的自重来提供。
设计计算中,需要确定墙体的稳定安全系数,并根据土方的强度和墙体材料的重量来确定墙体尺寸。
例如,假设挡土墙高度为10米,土方的角度为30度,考虑到土方的自重和墙体的自重,需要确保挡土墙的稳定系数大于1.52.反滑挡土墙:反滑挡土墙通过墙后的土压力,抵消土方的滑动力。
设计计算中,需要根据土方的角度、土的重量和墙体材料的摩擦系数来确定墙体尺寸。
例如,假设土方的角度为20度,土的重量为20kN/m3,墙体材料的摩擦系数为0.6,需要计算出墙体的抗滑力,并确保墙体的稳定系数大于1.53.剪切挡土墙:剪切挡土墙是一种由水平和垂直墙体组成的结构。
水平墙体抵抗土压力,垂直墙体抵抗土体的剪切力。
设计计算中,需要根据土方的性质、墙体的尺寸和材料的强度来计算出水平和垂直墙体的稳定性。
例如,假设土方的角度为25度,墙体材料的强度为30MPa,需要计算出水平墙体的尺寸和稳定安全系数,以及垂直墙体的尺寸和稳定安全系数。
4.底座挡土墙:底座挡土墙是一种在挡土墙底部设置底座,以增加墙体稳定性的结构。
设计计算中,需要根据土方的性质、底座的尺寸和墙体材料的强度来计算出底座的稳定安全系数。
例如,假设土方的角度为30度,底座的尺寸为2米,墙体材料的强度为40MPa,需要计算出底座的稳定性和稳定安全系数。
5.锚固挡土墙:锚固挡土墙是一种在挡土墙背后设置锚杆或土钉,以增加墙体的稳定性。
设计计算中,需要根据土方的性质、锚杆或土钉的数量、长度和材料的强度来计算出锚固的稳定安全系数。
例如,假设土方的角度为35度,锚杆的数量为10个,长度为3米,材料的强度为50MPa,需要计算出锚固的稳定性和稳定安全系数。
挡土墙设计实例挡土墙是指支承路基填土或山坡土体、防止填土或土体变形失稳的构造物。
在挡土墙横断面中,与被支承土体直接接触的部位称为墙背;与墙背相对的、临空的部位称为墙面;与地基直接接触的部位称为基地;与基底相对的、墙的顶面称为墙顶;基底的前端称为墙趾;基底的后端称为墙踵。
根据挡土墙的设置位置不同,分为路肩墙、路堤墙、路堑墙和山坡墙等。
设置于路堤边坡的挡土墙称为路堤墙;墙顶位于路肩的挡土墙称为路肩墙;设置于路堑边坡的挡土墙称为路堑墙;设置于山坡上,支承山坡上可能坍塌的覆盖层土体或破碎岩层的挡土墙称为山坡墙。
本实例中主要讲述了5种常见挡土墙的设计计算实例。
1、重力式挡土墙------------------------------------------------------------------------原始条件:墙身尺寸:墙身高: 6.500(m)墙顶宽: 0.660(m)面坡倾斜坡度: 1:0.250背坡倾斜坡度: 1:0.200采用1个扩展墙址台阶:墙趾台阶b1: 0.300(m)墙趾台阶h1: 0.500(m)墙趾台阶与墙面坡坡度相同墙底倾斜坡率: 0.200:1物理参数:圬工砌体容重: 23.000(kN/m3)圬工之间摩擦系数: 0.400地基土摩擦系数: 0.500砌体种类: 片石砌体砂浆标号: 5石料强度(MPa): 30挡土墙类型: 一般挡土墙墙后填土内摩擦角: 35.000(度)墙后填土粘聚力: 0.000(kPa)墙后填土容重: 19.000(kN/m3)墙背与墙后填土摩擦角: 17.500(度)地基土容重: 18.000(kN/m3)修正后地基土容许承载力: 500.000(kPa)地基土容许承载力提高系数:墙趾值提高系数: 1.200墙踵值提高系数: 1.300平均值提高系数: 1.000墙底摩擦系数: 0.500地基土类型: 土质地基地基土内摩擦角: 30.000(度)土压力计算方法: 库仑坡线土柱:坡面线段数: 2折线序号水平投影长(m) 竖向投影长(m) 换算土柱数1 3.000 2.000 02 5.000 0.000 0坡面起始距离: 0.000(m)地面横坡角度: 20.000(度)墙顶标高: 0.000(m)挡墙分段长度: 10.000(m)===================================================================== 组合1(仅取一种组合计算)=============================================组合系数: 1.0001. 挡土墙结构重力分项系数 = 1.000 √2. 墙顶上的有效永久荷载分项系数 = 1.000 √3. 墙顶与第二破裂面间有效荷载分项系数 = 1.000 √4. 填土侧压力分项系数 = 1.000 √5. 车辆荷载引起的土侧压力分项系数 = 1.000 √=============================================[土压力计算] 计算高度为 7.309(m)处的库仑主动土压力无荷载时的破裂角 = 28.320(度)按实际墙背计算得到:第1破裂角: 28.320(度)Ea=244.312 Ex=214.072 Ey=117.736(kN) 作用点高度 Zy=2.627(m) 因为俯斜墙背,需判断第二破裂面是否存在,计算后发现第二破裂面不存在墙身截面积 = 15.518(m2) 重量 = 356.925 kN(一) 滑动稳定性验算基底摩擦系数 = 0.500采用倾斜基底增强抗滑动稳定性,计算过程如下:基底倾斜角度 = 11.310 (度)Wn = 349.993(kN) En = 157.432(kN) Wt = 69.999(kN) Et = 186.825(kN) 滑移力= 116.827(kN) 抗滑力= 253.713(kN)滑移验算满足: Kc = 2.172 > 1.300滑动稳定方程验算:滑动稳定方程满足: 方程值 = 164.582(kN) > 0.0地基土摩擦系数 = 0.500地基土层水平向: 滑移力= 214.072(kN) 抗滑力= 252.070(kN)地基土层水平向: 滑移验算不满足: Kc2 = 1.177 <= 1.300(二) 倾覆稳定性验算相对于墙趾点,墙身重力的力臂 Zw = 2.186 (m)相对于墙趾点,Ey的力臂 Zx = 3.521 (m)相对于墙趾点,Ex的力臂 Zy = 1.818 (m)验算挡土墙绕墙趾的倾覆稳定性倾覆力矩= 389.149(kN-m) 抗倾覆力矩= 1194.778(kN-m)倾覆验算满足: K0 = 3.070 > 1.500倾覆稳定方程验算:倾覆稳定方程满足: 方程值 = 649.592(kN-m) > 0.0(三) 地基应力及偏心距验算基础为天然地基,验算墙底偏心距及压应力取倾斜基底的倾斜宽度验算地基承载力和偏心距作用于基础底的总竖向力 = 507.426(kN) 作用于墙趾下点的总弯矩=805.628(kN-m) 基础底面宽度 B = 4.127 (m) 偏心距 e = 0.476(m)基础底面合力作用点距离基础趾点的距离 Zn = 1.588(m)基底压应力: 趾部=208.008 踵部=37.896(kPa)最大应力与最小应力之比 = 208.008 / 37.896 = 5.489作用于基底的合力偏心距验算满足: e=0.476 <= 0.167*4.127 = 0.688(m)墙趾处地基承载力验算满足: 压应力=208.008 <= 600.000(kPa)墙踵处地基承载力验算满足: 压应力=37.896 <= 650.000(kPa)地基平均承载力验算满足: 压应力=122.952 <= 500.000(kPa)(四) 基础强度验算基础为天然地基,不作强度验算(五) 墙底截面强度验算验算截面以上,墙身截面积 = 13.946(m2) 重量 = 320.764 kN相对于验算截面外边缘,墙身重力的力臂 Zw = 2.134 (m)相对于验算截面外边缘,Ey的力臂 Zx = 3.521 (m)相对于验算截面外边缘,Ex的力臂 Zy = 1.818 (m)[容许应力法]:法向应力检算:作用于验算截面的总竖向力 = 438.499(kN) 作用于墙趾下点的总弯矩=710.021(kN-m) 相对于验算截面外边缘,合力作用力臂 Zn = 1.619(m)截面宽度 B = 3.885 (m) 偏心距 e1 = 0.323(m)截面上偏心距验算满足: e1= 0.323 <= 0.250*3.885 = 0.971(m)截面上压应力: 面坡=169.225 背坡=56.514(kPa)压应力验算满足: 计算值= 169.225 <= 800.000(kPa)切向应力检算:剪应力验算满足: 计算值= 9.954 <= 80.000(kPa)[极限状态法]:重要性系数0 = 1.000验算截面上的轴向力组合设计值Nd = 438.499(kN)轴心力偏心影响系数醟= 0.923挡墙构件的计算截面每沿米面积A = 3.885(m2)材料抗压极限强度Ra = 1600.000(kPa)圬工构件或材料的抗力分项系数鉬= 2.310偏心受压构件在弯曲平面内的纵向弯曲系数豮= 0.997计算强度时:强度验算满足: 计算值= 438.499 <= 2484.452(kN)计算稳定时:稳定验算满足: 计算值= 438.499 <= 2478.074(kN)(六) 台顶截面强度验算[土压力计算] 计算高度为 6.000(m)处的库仑主动土压力无荷载时的破裂角 = 29.150(度)按实际墙背计算得到:第1破裂角: 29.150(度)Ea=172.939 Ex=151.533 Ey=83.340(kN) 作用点高度 Zy=2.150(m) 因为俯斜墙背,需判断第二破裂面是否存在,计算后发现第二破裂面不存在墙身截面积 = 12.060(m2) 重量 = 277.380 kN[强度验算]验算截面以上,墙身截面积 = 12.060(m2) 重量 = 277.380 kN相对于验算截面外边缘,墙身重力的力臂 Zw = 1.738 (m)相对于验算截面外边缘,Ey的力臂 Zx = 2.930 (m)相对于验算截面外边缘,Ex的力臂 Zy = 2.150 (m)[容许应力法]:法向应力检算:作用于验算截面的总竖向力 = 360.720(kN) 作用于墙趾下点的总弯矩=400.617(kN-m) 相对于验算截面外边缘,合力作用力臂 Zn = 1.111(m)截面宽度 B = 3.360 (m) 偏心距 e1 = 0.569(m)截面上偏心距验算满足: e1= 0.569 <= 0.250*3.360 = 0.840(m)截面上压应力: 面坡=216.516 背坡=-1.802(kPa)压应力验算满足: 计算值= 216.516 <= 800.000(kPa)拉应力验算满足: 计算值= 1.802 <= 80.000(kPa)切向应力检算:剪应力验算满足: 计算值= 2.156 <= 80.000(kPa)[极限状态法]:重要性系数0 = 1.000验算截面上的轴向力组合设计值Nd = 360.720(kN)轴心力偏心影响系数醟= 0.744挡墙构件的计算截面每沿米面积A = 3.360(m2)材料抗压极限强度Ra = 1600.000(kPa)圬工构件或材料的抗力分项系数鉬= 2.310偏心受压构件在弯曲平面内的纵向弯曲系数豮= 0.994计算强度时:强度验算满足: 计算值= 360.720 <= 1730.509(kN)计算稳定时:稳定验算满足: 计算值= 360.720 <= 1720.261(kN)2、衡重式挡土墙------------------------------------------------------------------------ 原始条件:墙身尺寸:墙身总高: 9.600(m)上墙高: 3.400(m)墙顶宽: 0.660(m)台宽: 1.500(m)面坡倾斜坡度: 1:0.150上墙背坡倾斜坡度: 1:0.200下墙背坡倾斜坡度: 1:-0.200采用1个扩展墙址台阶:墙趾台阶b1: 0.300(m)墙趾台阶h1: 0.500(m)墙趾台阶与墙面坡坡度相同墙底倾斜坡率: 0.200:1下墙土压力计算方法: 力多边形法物理参数:圬工砌体容重: 23.000(kN/m3)圬工之间摩擦系数: 0.400地基土摩擦系数: 0.500砌体种类: 片石砌体砂浆标号: 5石料强度(MPa): 30挡土墙类型: 一般挡土墙墙后填土内摩擦角: 35.000(度)墙后填土粘聚力: 0.000(kPa)墙后填土容重: 19.000(kN/m3)墙背与墙后填土摩擦角: 17.500(度)地基土容重: 18.000(kN/m3)修正后地基土容许承载力: 500.000(kPa)地基土容许承载力提高系数:墙趾值提高系数: 1.200墙踵值提高系数: 1.300平均值提高系数: 1.000墙底摩擦系数: 0.500地基土类型: 土质地基地基土内摩擦角: 30.000(度)坡线土柱:坡面线段数: 2折线序号水平投影长(m) 竖向投影长(m) 换算土柱数1 3.000 2.000 02 5.000 0.000 0地面横坡角度: 20.000(度)墙顶标高: 0.000(m)挡墙分段长度: 10.000(m)===================================================================== 组合1(仅取一种组合计算)=============================================组合系数: 1.0001. 挡土墙结构重力分项系数 = 1.000 √2. 填土重力分项系数 = 1.000 √3. 填土侧压力分项系数 = 1.000 √4. 车辆荷载引起的土侧压力分项系数 = 1.000 √=============================================[土压力计算] 计算高度为 10.242(m)处的库仑主动土压力计算上墙土压力无荷载时的破裂角 = 31.060(度)按假想墙背计算得到:第1破裂角: 32.720(度)Ea=148.041 Ex=56.254 Ey=136.937(kN) 作用点高度 Zy=1.260(m) 因为俯斜墙背,需判断第二破裂面是否存在,计算后发现第二破裂面存在:第2破裂角=17.542(度) 第1破裂角=31.060(度)Ea=102.147 Ex=62.124 Ey=81.085(kN) 作用点高度 Zy=1.465(m) 计算下墙土压力无荷载时的破裂角 = 34.222(度)按力多边形法计算得到:破裂角: 34.222(度)Ea=201.028 Ex=199.855 Ey=21.676(kN) 作用点高度 Zy=2.979(m) 墙身截面积 = 25.299(m2) 重量 = 581.869 kN衡重台上填料重 = 90.539(kN) 重心坐标(1.649,-1.646)(相对于墙面坡上角点) (一) 滑动稳定性验算基底摩擦系数 = 0.500采用倾斜基底增强抗滑动稳定性,计算过程如下:基底倾斜角度 = 11.310 (度)Wn = 659.350(kN) En = 152.144(kN) Wt = 131.870(kN) Et = 236.739(kN) 滑移力= 104.869(kN) 抗滑力= 405.747(kN)滑移验算满足: Kc = 3.869 > 1.300滑动稳定方程验算:滑动稳定方程满足: 方程值 = 353.905(kN) > 0.0地基土摩擦系数 = 0.500地基土层水平向: 滑移力= 261.979(kN) 抗滑力= 396.867(kN)地基土层水平向: 滑移验算满足: Kc2 = 1.515 > 1.300(二) 倾覆稳定性验算相对于墙趾,墙身重力的力臂 Zw = 2.308 (m)相对于墙趾,上墙Ey的力臂 Zx = 4.117 (m)相对于墙趾,上墙Ex的力臂 Zy = 7.665 (m)相对于墙趾,下墙Ey的力臂 Zx3 = 3.807 (m)相对于墙趾,下墙Ex的力臂 Zy3 = 2.337 (m)验算挡土墙绕墙趾的倾覆稳定性倾覆力矩= 943.130(kN-m) 抗倾覆力矩= 2066.104(kN-m)倾覆验算满足: K0 = 2.191 > 1.500倾覆稳定方程验算:倾覆稳定方程满足: 方程值 = 793.025(kN-m) > 0.0(三) 地基应力及偏心距验算基础为天然地基,验算墙底偏心距及压应力取倾斜基底的倾斜宽度验算地基承载力和偏心距作用于基础底的总竖向力 = 811.494(kN) 作用于墙趾下点的总弯矩=1122.975(kN-m) 基础底面宽度 B = 3.275 (m) 偏心距 e = 0.254(m)基础底面合力作用点距离基础趾点的距离 Zn = 1.384(m)基底压应力: 趾部=362.948 踵部=132.600(kPa)最大应力与最小应力之比 = 362.948 / 132.600 = 2.737作用于基底的合力偏心距验算满足: e=0.254 <= 0.167*3.275 = 0.546(m)墙趾处地基承载力验算满足: 压应力=362.948 <= 600.000(kPa)墙踵处地基承载力验算满足: 压应力=132.600 <= 650.000(kPa)地基平均承载力验算满足: 压应力=247.774 <= 500.000(kPa)(四) 基础强度验算基础为天然地基,不作强度验算(五) 上墙截面强度验算上墙重力 Ws = 98.141 (kN)上墙墙背处的 Ex = 62.124 (kN)上墙墙背处的 Ey = 12.425 (kN)相对于上墙墙趾,上墙重力的力臂 Zw = 0.889 (m)相对于上墙墙趾,上墙Ex的力臂 Zy = 1.465 (m)相对于上墙墙趾,上墙Ey的力臂 Zx = 1.557 (m)[容许应力法]:法向应力检算:相对于上墙墙趾,合力作用力臂 Zn = 0.141(m)截面宽度 B = 1.850 (m) 偏心距 e1 = 0.784(m)截面上偏心距验算不满足: e1= 0.784 > 0.250*1.850 = 0.463(m) 截面上压应力: 面坡=211.665 背坡=-92.134(kPa)压应力验算满足: 计算值= 211.665 <= 800.000(kPa)拉应力验算不满足: 计算值= 92.134 > 80.000(kPa) 切向应力检算:剪应力验算满足: 计算值= 9.674 <= 80.000(kPa)斜截面剪应力检算斜剪应力验算满足: 计算值= 41.598 <= 80.000(kPa)[极限状态法]:重要性系数0 = 1.000验算截面上的轴向力组合设计值Nd = 110.566(kN)轴心力偏心影响系数醟= 0.233挡墙构件的计算截面每沿米面积A = 1.850(m2)材料抗压极限强度Ra = 1600.000(kPa)圬工构件或材料的抗力分项系数鉬= 2.310偏心受压构件在弯曲平面内的纵向弯曲系数豮= 0.981计算强度时:强度验算满足: 计算值= 110.566 <= 298.521(kN)计算稳定时:稳定验算满足: 计算值= 110.566 <= 292.889(kN)(六) 墙底截面强度验算验算截面以上,墙身截面积 = 24.226(m2) 重量 = 557.198 kN相对于验算截面外边缘,墙身重力的力臂 Zw = 2.313 (m)[容许应力法]:法向应力检算:作用于截面总竖向力 = 750.498(kN) 作用于墙趾下点的总弯矩=1106.215(kN-m) 相对于验算截面外边缘,合力作用力臂 Zn = 1.474(m)截面宽度 B = 3.340 (m) 偏心距 e1 = 0.196(m)截面上偏心距验算满足: e1= 0.196 <= 0.250*3.340 = 0.835(m)截面上压应力: 面坡=303.826 背坡=145.574(kPa)压应力验算满足: 计算值= 303.826 <= 800.000(kPa)切向应力检算:剪应力验算满足: 计算值= -11.443 <= 80.000(kPa)[极限状态法]:重要性系数0 = 1.000验算截面上的轴向力组合设计值Nd = 750.498(kN)轴心力偏心影响系数醟= 0.960挡墙构件的计算截面每沿米面积A = 3.340(m2)材料抗压极限强度Ra = 1600.000(kPa)圬工构件或材料的抗力分项系数鉬= 2.310偏心受压构件在弯曲平面内的纵向弯曲系数豮= 0.968计算强度时:强度验算满足: 计算值= 750.498 <= 2221.592(kN)计算稳定时:稳定验算满足: 计算值= 750.498 <= 2149.911(kN)(七) 台顶截面强度验算[土压力计算] 计算高度为 9.100(m)处的库仑主动土压力计算上墙土压力无荷载时的破裂角 = 31.060(度)按假想墙背计算得到:第1破裂角: 32.720(度)Ea=148.041 Ex=56.254 Ey=136.937(kN) 作用点高度 Zy=1.260(m) 因为俯斜墙背,需判断第二破裂面是否存在,计算后发现第二破裂面存在:第2破裂角=17.542(度) 第1破裂角=31.060(度)Ea=102.147 Ex=62.124 Ey=81.085(kN) 作用点高度 Zy=1.465(m) 计算下墙土压力无荷载时的破裂角 = 34.075(度)按力多边形法计算得到:破裂角: 34.075(度)Ea=156.451 Ex=155.539 Ey=16.870(kN) 作用点高度 Zy=2.522(m)[强度验算]验算截面以上,墙身截面积 = 22.550(m2) 重量 = 518.644 kN相对于验算截面外边缘,墙身重力的力臂 Zw = 2.358 (m)[容许应力法]:法向应力检算:作用于截面总竖向力 = 707.137(kN) 作用于墙趾下点的总弯矩=830.127(kN-m) 相对于验算截面外边缘,合力作用力臂 Zn = 1.174(m)截面宽度 B = 3.065 (m) 偏心距 e1 = 0.359(m)截面上偏心距验算满足: e1= 0.359 <= 0.250*3.065 = 0.766(m)截面上压应力: 面坡=392.661 背坡=68.767(kPa)压应力验算满足: 计算值= 392.661 <= 800.000(kPa)切向应力检算:剪应力验算满足: 计算值= -21.270 <= 80.000(kPa)[极限状态法]:重要性系数0 = 1.000验算截面上的轴向力组合设计值Nd = 707.137(kN)轴心力偏心影响系数醟= 0.859挡墙构件的计算截面每沿米面积A = 3.065(m2)材料抗压极限强度Ra = 1600.000(kPa)圬工构件或材料的抗力分项系数鉬= 2.310偏心受压构件在弯曲平面内的纵向弯曲系数豮= 0.959计算强度时:强度验算满足: 计算值= 707.137 <= 1823.443(kN)计算稳定时:稳定验算满足: 计算值= 707.137 <= 1749.052(kN)=====================================================================3、加筋土挡土墙------------------------------------------------------------------------ 原始条件:墙身尺寸:墙身总高: 8.200(m)筋带竖向间距是否不等: 否单个筋带厚: 1(mm)筋带水平方向间距: 0.420(m)筋带竖直方向间距: 0.400(m)筋带长度竖向分段数: 2分段序号高度(m) 筋带长(m)1 6.000 6.0002 2.200 4.000筋带序号筋带宽(m)1 0.2002 0.2003 0.2004 0.2005 0.2006 0.2007 0.2008 0.2009 0.20010 0.20011 0.20012 0.20013 0.20014 0.20015 0.20016 0.20017 0.20018 0.20019 0.20020 0.200物理参数:加筋土容重: 20.000(kN/m3)加筋土内摩擦角: 35.000(度)筋带容许拉应力: 50.000(MPa)土与筋带之间的摩擦系数: 0.400加筋土浮容重: 10.000(kN/m3)地基土浮重度: 10.000(kN/m3)筋带抗拔力计算调节系数: 1.400筋带材料抗拉计算调节系数: 1.000筋带材料强度标准值: 240.000(MPa)筋带材料抗拉性能的分项系数: 1.250挡土墙类型: 一般挡土墙墙后填土内摩擦角: 35.000(度)墙后填土粘聚力: 0.000(kPa)墙后填土容重: 19.000(kN/m3)地基土容重: 18.000(kN/m3)修正后地基土容许承载力: 500.000(kPa)地基土容许承载力提高系数:墙趾值提高系数: 1.200墙踵值提高系数: 1.300平均值提高系数: 1.000墙底摩擦系数: 0.500地基土类型: 土质地基地基土内摩擦角: 30.000(度)坡线土柱:坡面线段数: 2折线序号水平投影长(m) 竖向投影长(m) 换算土柱数1 3.000 2.000 02 5.000 0.000 0地面横坡角度: 20.000(度)墙顶标高: 0.000(m)挡墙分段长度: 10.000(m)计算参数:稳定计算目标: 给定圆心,半径计算安全系数圆心X坐标: -2.000(m)圆心Y坐标: 10.000(m)半径: 15.000(m)筋带对稳定的作用: 筋带力沿圆弧切线内部稳定分析采用方法: 应力分析法条分法的土条宽度: 0.500(m)墙后填土粘聚力: 10.000(kPa)墙体填土粘聚力: 10.000(kPa)地基土粘聚力: 10.000(kPa)土条切向分力与滑动方向反向时: 当作下滑力对待===================================================================== 第 1 种情况: 组合1=============================================组合系数: 1.0001. 挡土墙结构重力分项系数 = 1.000 √2. 填土侧压力分项系数 = 1.000 √3. 车辆荷载引起的土侧压力分项系数 = 1.000 √=============================================----------------------------------------------------------内部稳定性验算采用应力分析法(一) 应力分析法筋带号宽度总长度稳定区竖向压应水平应最大拉力抗拉力抗拔力 (m) (m) 长度(m) 力(kPa) 力(kPa) 设计值(kN) (kN) (kN)01 0.200 6.000 3.540 46.000 19.139 3.215 38.400 18.61002 0.200 6.000 3.540 54.000 21.908 3.681 38.400 21.84703 0.200 6.000 3.540 62.000 24.511 4.118 38.400 25.08304 0.200 6.000 3.540 70.000 26.948 4.527 38.400 28.32005 0.200 6.000 3.540 78.000 29.220 4.909 38.400 31.55706 0.200 6.000 3.540 86.000 31.326 5.263 38.400 34.79307 0.200 6.000 3.540 94.000 33.265 5.589 38.400 38.03008 0.200 6.000 3.540 102.000 35.040 5.887 38.400 41.26609 0.200 6.000 3.605 110.000 36.648 6.157 38.400 45.32510 0.200 6.000 3.814 118.000 38.091 6.399 38.400 51.42911 0.200 6.000 4.022 126.000 39.367 6.614 38.400 57.91512 0.200 6.000 4.230 134.000 40.478 6.800 38.400 64.78113 0.200 6.000 4.438 142.000 41.423 6.959 38.400 72.02714 0.200 6.000 4.647 150.000 42.203 7.090 38.400 79.65515 0.200 4.000 2.855 158.000 42.816 7.193 38.400 51.54916 0.200 4.000 3.063 166.000 44.984 7.557 38.400 58.10917 0.200 4.000 3.271 174.000 47.152 7.922 38.400 65.05018 0.200 4.000 3.479 182.000 49.320 8.286 38.400 72.37219 0.200 4.000 3.688 190.000 51.488 8.650 38.400 80.07520 0.200 4.000 3.896 198.000 53.656 9.014 38.400 88.158单个筋带结点抗拔稳定满足: 拉力设计值=3.215 <= 18.610(kN)筋带截面抗拉强度验算满足: 拉力设计值=9.014 <= 38.400(kN)全墙抗拔验算满足: 最小安全系数=11.415 >= 2.000----------------------------------------------------------外部稳定性验算[土压力计算] 计算墙背处的库仑主动土压力按假想墙背计算得到:第1破裂角: 32.600(度)Ea=246.817 Ex=202.181 Ey=141.568(kN) 作用点高度 Zy=3.400(m) 墙身截面积 = 44.800(m2) 重量 = 896.000 kN墙顶上的土重(包括超载) = 171.000(kN) 重心坐标(3.667,0.889)(相对于墙面坡上角点) 墙顶上的土重(不包括超载) = 171.000(kN) 重心坐标(3.667,0.889)(相对于墙面坡上角点) (一) 滑动稳定性验算基底摩擦系数 = 0.500滑移力= 202.181(kN) 抗滑力= 604.284(kN)滑移验算满足: Kc = 2.989 > 1.300滑动稳定方程验算:滑动稳定方程满足: 方程值 = 455.454(kN) > 0.0(二) 倾覆稳定性验算相对于墙趾点,墙身重力的力臂 Zw = 2.804 (m)相对于墙趾点,墙土压力Ey的力臂 Zx = 6.000 (m)相对于墙趾点,墙土压力Ex的力臂 Zy = 3.400 (m)验算挡土墙绕墙趾的倾覆稳定性倾覆力矩= 687.414(kN-m) 抗倾覆力矩= 3988.410(kN-m)倾覆验算满足: K0 = 5.802 > 1.500倾覆稳定方程验算:倾覆稳定方程满足: 方程值 = 2673.196(kN-m) > 0.0(三) 地基应力及偏心距验算基础为天然地基,验算墙底偏心距及压应力作用于基础底的总竖向力 = 1208.568(kN) 作用于墙趾下点的总弯矩=3300.996(kN-m)墙计算宽度 B = 6.000 (m) 偏心距 e = 0.269(m)墙底面合力作用点距离墙趾点的距离 Zn = 2.731(m)基底压应力: 墙趾=255.546 墙踵=147.310(kPa)最大应力与最小应力之比 = 255.546 / 147.310 = 1.735作用于基底的合力偏心距验算满足: e=0.269 <= 0.167*6.000 = 1.000(m) 墙趾处地基承载力验算满足: 压应力=255.546 <= 600.000(kPa)墙踵处地基承载力验算满足: 压应力=147.310 <= 650.000(kPa)地基平均承载力验算满足: 压应力=201.428 <= 500.000(kPa)(四) 整体稳定验算圆心: (-2.000,10.000)半径 = 15.000(m)安全系数 = 1.802总的下滑力 = 1214.149(kN)总的抗滑力 = 2188.340(kN)土体部分下滑力 = 1214.149(kN)土体部分抗滑力 = 2188.340(kN)筋带的抗滑力 = 0.000(kN)整体稳定验算满足: 最小安全系数=1.802 >= 1.2504、桩板式挡土墙原始条件:墙身尺寸:桩总长: 16.000(m)嵌入深度: 6.000(m)截面形状: 方桩桩宽: 1.000(m)桩高: 1.500(m)桩间距: 3.500(m)挡土板的类型数: 2板类型号板厚(m) 板宽(m) 板块数1 0.200 0.500 82 0.200 0.500 8嵌入段土层数: 1柱底支承条件: 铰接计算方法: M法土层序号土层厚(m) 重度(kN/m3) M(MN/m4) 1 50.000 18.000 10.000初始弹性系数A: 0.000(MN/m3)初始弹性系数A1: 0.000(MN/m3)物理参数:桩混凝土强度等级: C40桩纵筋合力点到外皮距离: 35(mm)桩纵筋级别: HRB335桩箍筋级别: HPB235桩箍筋间距: 150(mm)板混凝土强度等级: C30板纵筋合力点到外皮距离: 35(mm)板纵筋级别: HRB335挡土墙类型: 一般挡土墙墙后填土内摩擦角: 35.000(度)墙后填土粘聚力: 0.000(kPa)墙后填土容重: 19.000(kN/m3)墙背与墙后填土摩擦角: 17.500(度)土压力计算方法: 库仑坡线土柱:坡面线段数: 2折线序号水平投影长(m) 竖向投影长(m) 换算土柱数1 3.000 2.000 02 5.000 0.000 0地面横坡角度: 20.000(度)墙顶标高: 0.000(m)挡墙分段长度: 10.000(m)钢筋混凝土配筋计算依据:《混凝土结构设计规范》(GB 50010--2002)===================================================================== 第 1 种情况: 组合1注意:内力计算时,土压力分项(安全)系数 = 1.000[土压力计算] 计算高度为 10.000(m)处的库仑主动土压力无荷载时的破裂角 = 31.530(度)第1破裂角: 31.530(度)Ea=313.264 Ex=298.765 Ey=94.200(kN) 作用点高度 Zy=3.584(m)(一) 桩身内力计算计算方法: m 法背侧——为挡土侧;面侧——为非挡土侧。
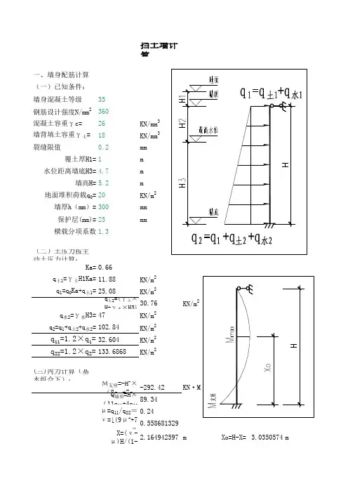
挡土墙计算一、墙身配筋计算(一)已知条件:墙身混凝土等级35钢筋设计强度N/mm 2360混凝土容重γc=26KN/mm 3墙背填土容重γ土=18KN/mm 3裂缝限值0.2mm 覆土厚H1=1m 水位距离墙底H3=4.7m 墙高H=5.2m 地面堆积荷载q 0=20KN/m 2墙厚h(mm)=300mm 保护层(mm)=25mm 横载分项系数1.3(二)土压力按主动土压力计算:Ka=0.66q土1=γ土H1Ka=11.88KN/m 2q 1=q 0Ka+q 土1=25.08KN/m 2q 土2=(γ土×H-γ水×H3)30.76KN/m 2q 水2=γ水H3=47KN/m 2q 2=q 1+q 土2+q 水2=102.84KN/m 2q 11=1.2×q 1=32.604KN/m 2q 22=1.2×q 2=133.6868KN/m 2(三)内力计算(基本组合下):M支座=-H 2×(8q 22+7q 11-292.42KN·M Q 墙顶=H×(11q 11+4q 2289.34μ=q 11/q 22=0.24ν=[(9μ2+7μ0.558681329X=(ν-μ)H/(1-2.164942597m Xo=H-X= 3.0350574mMmax =Q 墙顶X-q 11X 2/2+84.13227KN·M (四)配筋计算混凝土抗压强度fcd=16.7N/mm 2ho=265mm 钢筋设计强度fy=360N/mm 2计算宽度b=1000mm M支座 =f cd bx(h 0-x/2)292420114.00 =16700x(265-x/2)x =77.371 m ≤ξb h 0 =0.53×265.00 =140.5mm 解得A s = M支座/(ho-3691mm 2Mmax =f cd bx(h 0-x/2)84000000.00 =16700x(265-x/2)x =19.714 mm ≤ξb h 0 =0.53×265.00 =140.5mm 解得跨中A s = Mmax/(ho-940mm 2(五)裂缝计算钢筋直径d=22mm 钢筋间距75mm 每延米实配钢筋A s =5068.44mm 2标准组合下Mk 支座=-H 2×-224.94KN·M σsk=Mk支座192.4974N/mm2αcr=2.1ρte=0.033789574ftk=2.2ψ=0.880148956< 1 且>0.2所以ψ取0.880148956Es=200000c=25deq=22裂缝宽度W fk =0.177163082mm 裂缝满足要求。
挡土墙设计实例挡土墙是指支承路基填土或山坡土体、防止填土或土体变形失稳的构造物。
在挡土墙横断面中,与被支承土体直接接触的部位称为墙背;与墙背相对的、临空的部位称为墙面;与地基直接接触的部位称为基地;与基底相对的、墙的顶面称为墙顶;基底的前端称为墙趾;基底的后端称为墙踵。
根据挡土墙的设置位置不同,分为路肩墙、路堤墙、路堑墙和山坡墙等。
设置于路堤边坡的挡土墙称为路堤墙;墙顶位于路肩的挡土墙称为路肩墙;设置于路堑边坡的挡土墙称为路堑墙;设置于山坡上,支承山坡上可能坍塌的覆盖层土体或破碎岩层的挡土墙称为山坡墙。
本实例中主要讲述了5种常见挡土墙的设计计算实例。
1、重力式挡土墙------------------------------------------------------------------------原始条件:墙身尺寸:墙身高: 6.500(m)墙顶宽: 0.660(m)面坡倾斜坡度: 1:0.250背坡倾斜坡度: 1:0.200采用1个扩展墙址台阶:墙趾台阶b1: 0.300(m)墙趾台阶h1: 0.500(m)墙趾台阶与墙面坡坡度相同墙底倾斜坡率: 0.200:1物理参数:圬工砌体容重: 23.000(kN/m3)圬工之间摩擦系数: 0.400地基土摩擦系数: 0.500砌体种类: 片石砌体砂浆标号: 5石料强度(MPa): 30挡土墙类型: 一般挡土墙墙后填土内摩擦角: 35.000(度)墙后填土粘聚力: 0.000(kPa)墙后填土容重: 19.000(kN/m3)墙背与墙后填土摩擦角: 17.500(度)地基土容重: 18.000(kN/m3)修正后地基土容许承载力: 500.000(kPa)地基土容许承载力提高系数:墙趾值提高系数: 1.200墙踵值提高系数: 1.300平均值提高系数: 1.000墙底摩擦系数: 0.500地基土类型: 土质地基地基土内摩擦角: 30.000(度)土压力计算方法: 库仑坡线土柱:坡面线段数: 2折线序号水平投影长(m) 竖向投影长(m) 换算土柱数1 3.000 2.000 02 5.000 0.000 0坡面起始距离: 0.000(m)地面横坡角度: 20.000(度)墙顶标高: 0.000(m)挡墙分段长度: 10.000(m)=====================================================================组合1(仅取一种组合计算)=============================================组合系数: 1.0001. 挡土墙结构重力分项系数 = 1.000 √2. 墙顶上的有效永久荷载分项系数 = 1.000 √3. 墙顶与第二破裂面间有效荷载分项系数 = 1.000 √4. 填土侧压力分项系数 = 1.000 √5. 车辆荷载引起的土侧压力分项系数 = 1.000 √=============================================[土压力计算] 计算高度为 7.309(m)处的库仑主动土压力无荷载时的破裂角 = 28.320(度)按实际墙背计算得到:第1破裂角: 28.320(度)Ea=244.312 Ex=214.072 Ey=117.736(kN) 作用点高度 Zy=2.627(m)因为俯斜墙背,需判断第二破裂面是否存在,计算后发现第二破裂面不存在墙身截面积 = 15.518(m2) 重量 = 356.925 kN(一) 滑动稳定性验算基底摩擦系数 = 0.500采用倾斜基底增强抗滑动稳定性,计算过程如下:基底倾斜角度 = 11.310 (度)Wn = 349.993(kN) En = 157.432(kN) Wt = 69.999(kN) Et = 186.825(kN)滑移力= 116.827(kN) 抗滑力= 253.713(kN)滑移验算满足: Kc = 2.172 > 1.300滑动稳定方程验算:滑动稳定方程满足: 方程值 = 164.582(kN) > 0.0地基土摩擦系数 = 0.500地基土层水平向: 滑移力= 214.072(kN) 抗滑力= 252.070(kN)地基土层水平向: 滑移验算不满足: Kc2 = 1.177 <= 1.300(二) 倾覆稳定性验算相对于墙趾点,墙身重力的力臂 Zw = 2.186 (m)相对于墙趾点,Ey的力臂 Zx = 3.521 (m)相对于墙趾点,Ex的力臂 Zy = 1.818 (m)验算挡土墙绕墙趾的倾覆稳定性倾覆力矩= 389.149(kN-m) 抗倾覆力矩= 1194.778(kN-m)倾覆验算满足: K0 = 3.070 > 1.500倾覆稳定方程验算:倾覆稳定方程满足: 方程值 = 649.592(kN-m) > 0.0(三) 地基应力及偏心距验算基础为天然地基,验算墙底偏心距及压应力取倾斜基底的倾斜宽度验算地基承载力和偏心距作用于基础底的总竖向力 = 507.426(kN) 作用于墙趾下点的总弯矩=805.628(kN-m)基础底面宽度 B = 4.127 (m) 偏心距 e = 0.476(m)基础底面合力作用点距离基础趾点的距离 Zn = 1.588(m)基底压应力: 趾部=208.008 踵部=37.896(kPa)最大应力与最小应力之比 = 208.008 / 37.896 = 5.489作用于基底的合力偏心距验算满足: e=0.476 <= 0.167*4.127 = 0.688(m)墙趾处地基承载力验算满足: 压应力=208.008 <= 600.000(kPa)墙踵处地基承载力验算满足: 压应力=37.896 <= 650.000(kPa)地基平均承载力验算满足: 压应力=122.952 <= 500.000(kPa)(四) 基础强度验算基础为天然地基,不作强度验算(五) 墙底截面强度验算验算截面以上,墙身截面积 = 13.946(m2) 重量 = 320.764 kN相对于验算截面外边缘,墙身重力的力臂 Zw = 2.134 (m)相对于验算截面外边缘,Ey的力臂 Zx = 3.521 (m)相对于验算截面外边缘,Ex的力臂 Zy = 1.818 (m)[容许应力法]:法向应力检算:作用于验算截面的总竖向力 = 438.499(kN) 作用于墙趾下点的总弯矩=710.021(kN-m)相对于验算截面外边缘,合力作用力臂 Zn = 1.619(m)截面宽度 B = 3.885 (m) 偏心距 e1 = 0.323(m)截面上偏心距验算满足: e1= 0.323 <= 0.250*3.885 = 0.971(m)截面上压应力: 面坡=169.225 背坡=56.514(kPa)压应力验算满足: 计算值= 169.225 <= 800.000(kPa)切向应力检算:剪应力验算满足: 计算值= 9.954 <= 80.000(kPa)[极限状态法]:重要性系数0 = 1.000验算截面上的轴向力组合设计值Nd = 438.499(kN)轴心力偏心影响系数醟 = 0.923挡墙构件的计算截面每沿米面积A = 3.885(m2)材料抗压极限强度Ra = 1600.000(kPa)圬工构件或材料的抗力分项系数钼 = 2.310偏心受压构件在弯曲平面内的纵向弯曲系数豮 = 0.997计算强度时:强度验算满足: 计算值= 438.499 <= 2484.452(kN)计算稳定时:稳定验算满足: 计算值= 438.499 <= 2478.074(kN)(六) 台顶截面强度验算[土压力计算] 计算高度为 6.000(m)处的库仑主动土压力无荷载时的破裂角 = 29.150(度)按实际墙背计算得到:第1破裂角: 29.150(度)Ea=172.939 Ex=151.533 Ey=83.340(kN) 作用点高度 Zy=2.150(m)因为俯斜墙背,需判断第二破裂面是否存在,计算后发现第二破裂面不存在墙身截面积 = 12.060(m2) 重量 = 277.380 kN[强度验算]验算截面以上,墙身截面积 = 12.060(m2) 重量 = 277.380 kN相对于验算截面外边缘,墙身重力的力臂 Zw = 1.738 (m)相对于验算截面外边缘,Ey的力臂 Zx = 2.930 (m)相对于验算截面外边缘,Ex的力臂 Zy = 2.150 (m)[容许应力法]:法向应力检算:作用于验算截面的总竖向力 = 360.720(kN) 作用于墙趾下点的总弯矩=400.617(kN-m)相对于验算截面外边缘,合力作用力臂 Zn = 1.111(m)截面宽度 B = 3.360 (m) 偏心距 e1 = 0.569(m)截面上偏心距验算满足: e1= 0.569 <= 0.250*3.360 = 0.840(m)截面上压应力: 面坡=216.516 背坡=-1.802(kPa)压应力验算满足: 计算值= 216.516 <= 800.000(kPa)拉应力验算满足: 计算值= 1.802 <= 80.000(kPa)切向应力检算:剪应力验算满足: 计算值= 2.156 <= 80.000(kPa)[极限状态法]:重要性系数0 = 1.000验算截面上的轴向力组合设计值Nd = 360.720(kN)轴心力偏心影响系数醟 = 0.744挡墙构件的计算截面每沿米面积A = 3.360(m2)材料抗压极限强度Ra = 1600.000(kPa)圬工构件或材料的抗力分项系数钼 = 2.310偏心受压构件在弯曲平面内的纵向弯曲系数豮 = 0.994计算强度时:强度验算满足: 计算值= 360.720 <= 1730.509(kN)计算稳定时:稳定验算满足: 计算值= 360.720 <= 1720.261(kN)2、衡重式挡土墙------------------------------------------------------------------------原始条件:墙身尺寸:墙身总高: 9.600(m)上墙高: 3.400(m)墙顶宽: 0.660(m)台宽: 1.500(m)面坡倾斜坡度: 1:0.150上墙背坡倾斜坡度: 1:0.200下墙背坡倾斜坡度: 1:-0.200采用1个扩展墙址台阶:墙趾台阶b1: 0.300(m)墙趾台阶h1: 0.500(m)墙趾台阶与墙面坡坡度相同墙底倾斜坡率: 0.200:1下墙土压力计算方法: 力多边形法物理参数:圬工砌体容重: 23.000(kN/m3)圬工之间摩擦系数: 0.400地基土摩擦系数: 0.500砌体种类: 片石砌体砂浆标号: 5石料强度(MPa): 30挡土墙类型: 一般挡土墙墙后填土内摩擦角: 35.000(度)墙后填土粘聚力: 0.000(kPa)墙后填土容重: 19.000(kN/m3)墙背与墙后填土摩擦角: 17.500(度)地基土容重: 18.000(kN/m3)修正后地基土容许承载力: 500.000(kPa)地基土容许承载力提高系数:墙趾值提高系数: 1.200墙踵值提高系数: 1.300平均值提高系数: 1.000墙底摩擦系数: 0.500地基土类型: 土质地基地基土内摩擦角: 30.000(度)坡线土柱:坡面线段数: 2折线序号水平投影长(m) 竖向投影长(m) 换算土柱数1 3.000 2.000 02 5.000 0.000 0地面横坡角度: 20.000(度)墙顶标高: 0.000(m)挡墙分段长度: 10.000(m)=====================================================================组合1(仅取一种组合计算)=============================================组合系数: 1.0001. 挡土墙结构重力分项系数 = 1.000 √2. 填土重力分项系数 = 1.000 √3. 填土侧压力分项系数 = 1.000 √4. 车辆荷载引起的土侧压力分项系数 = 1.000 √=============================================[土压力计算] 计算高度为 10.242(m)处的库仑主动土压力计算上墙土压力无荷载时的破裂角 = 31.060(度)按假想墙背计算得到:第1破裂角: 32.720(度)Ea=148.041 Ex=56.254 Ey=136.937(kN) 作用点高度 Zy=1.260(m)因为俯斜墙背,需判断第二破裂面是否存在,计算后发现第二破裂面存在:第2破裂角=17.542(度) 第1破裂角=31.060(度)Ea=102.147 Ex=62.124 Ey=81.085(kN) 作用点高度 Zy=1.465(m)计算下墙土压力无荷载时的破裂角 = 34.222(度)按力多边形法计算得到:破裂角: 34.222(度)Ea=201.028 Ex=199.855 Ey=21.676(kN) 作用点高度 Zy=2.979(m)墙身截面积 = 25.299(m2) 重量 = 581.869 kN衡重台上填料重 = 90.539(kN) 重心坐标(1.649,-1.646)(相对于墙面坡上角点) (一) 滑动稳定性验算基底摩擦系数 = 0.500采用倾斜基底增强抗滑动稳定性,计算过程如下:基底倾斜角度 = 11.310 (度)Wn = 659.350(kN) En = 152.144(kN) Wt = 131.870(kN) Et = 236.739(kN)滑移力= 104.869(kN) 抗滑力= 405.747(kN)滑移验算满足: Kc = 3.869 > 1.300滑动稳定方程验算:滑动稳定方程满足: 方程值 = 353.905(kN) > 0.0地基土摩擦系数 = 0.500地基土层水平向: 滑移力= 261.979(kN) 抗滑力= 396.867(kN)地基土层水平向: 滑移验算满足: Kc2 = 1.515 > 1.300(二) 倾覆稳定性验算相对于墙趾,墙身重力的力臂 Zw = 2.308 (m)相对于墙趾,上墙Ey的力臂 Zx = 4.117 (m)相对于墙趾,上墙Ex的力臂 Zy = 7.665 (m)相对于墙趾,下墙Ey的力臂 Zx3 = 3.807 (m)相对于墙趾,下墙Ex的力臂 Zy3 = 2.337 (m)验算挡土墙绕墙趾的倾覆稳定性倾覆力矩= 943.130(kN-m) 抗倾覆力矩= 2066.104(kN-m)倾覆验算满足: K0 = 2.191 > 1.500倾覆稳定方程验算:倾覆稳定方程满足: 方程值 = 793.025(kN-m) > 0.0(三) 地基应力及偏心距验算基础为天然地基,验算墙底偏心距及压应力取倾斜基底的倾斜宽度验算地基承载力和偏心距作用于基础底的总竖向力 = 811.494(kN) 作用于墙趾下点的总弯矩=1122.975(kN-m)基础底面宽度 B = 3.275 (m) 偏心距 e = 0.254(m)基础底面合力作用点距离基础趾点的距离 Zn = 1.384(m)基底压应力: 趾部=362.948 踵部=132.600(kPa)最大应力与最小应力之比 = 362.948 / 132.600 = 2.737作用于基底的合力偏心距验算满足: e=0.254 <= 0.167*3.275 = 0.546(m)墙趾处地基承载力验算满足: 压应力=362.948 <= 600.000(kPa)墙踵处地基承载力验算满足: 压应力=132.600 <= 650.000(kPa)地基平均承载力验算满足: 压应力=247.774 <= 500.000(kPa)(四) 基础强度验算基础为天然地基,不作强度验算(五) 上墙截面强度验算上墙重力 Ws = 98.141 (kN)上墙墙背处的 Ex = 62.124 (kN)上墙墙背处的 Ey = 12.425 (kN)相对于上墙墙趾,上墙重力的力臂 Zw = 0.889 (m)相对于上墙墙趾,上墙Ex的力臂 Zy = 1.465 (m)相对于上墙墙趾,上墙Ey的力臂 Zx = 1.557 (m)[容许应力法]:法向应力检算:相对于上墙墙趾,合力作用力臂 Zn = 0.141(m)截面宽度 B = 1.850 (m) 偏心距 e1 = 0.784(m)截面上偏心距验算不满足: e1= 0.784 > 0.250*1.850 = 0.463(m)截面上压应力: 面坡=211.665 背坡=-92.134(kPa)压应力验算满足: 计算值= 211.665 <= 800.000(kPa)拉应力验算不满足: 计算值= 92.134 > 80.000(kPa)切向应力检算:剪应力验算满足: 计算值= 9.674 <= 80.000(kPa)斜截面剪应力检算斜剪应力验算满足: 计算值= 41.598 <= 80.000(kPa) [极限状态法]:重要性系数0 = 1.000验算截面上的轴向力组合设计值Nd = 110.566(kN)轴心力偏心影响系数醟 = 0.233挡墙构件的计算截面每沿米面积A = 1.850(m2)材料抗压极限强度Ra = 1600.000(kPa)圬工构件或材料的抗力分项系数钼 = 2.310偏心受压构件在弯曲平面内的纵向弯曲系数豮 = 0.981计算强度时:强度验算满足: 计算值= 110.566 <= 298.521(kN)计算稳定时:稳定验算满足: 计算值= 110.566 <= 292.889(kN)(六) 墙底截面强度验算验算截面以上,墙身截面积 = 24.226(m2) 重量 = 557.198 kN相对于验算截面外边缘,墙身重力的力臂 Zw = 2.313 (m)[容许应力法]:法向应力检算:作用于截面总竖向力 = 750.498(kN) 作用于墙趾下点的总弯矩=1106.215(kN-m)相对于验算截面外边缘,合力作用力臂 Zn = 1.474(m)截面宽度 B = 3.340 (m) 偏心距 e1 = 0.196(m)截面上偏心距验算满足: e1= 0.196 <= 0.250*3.340 = 0.835(m)截面上压应力: 面坡=303.826 背坡=145.574(kPa)压应力验算满足: 计算值= 303.826 <= 800.000(kPa)切向应力检算:剪应力验算满足: 计算值= -11.443 <= 80.000(kPa)[极限状态法]:重要性系数0 = 1.000验算截面上的轴向力组合设计值Nd = 750.498(kN)轴心力偏心影响系数醟 = 0.960挡墙构件的计算截面每沿米面积A = 3.340(m2)材料抗压极限强度Ra = 1600.000(kPa)圬工构件或材料的抗力分项系数钼 = 2.310偏心受压构件在弯曲平面内的纵向弯曲系数豮 = 0.968计算强度时:强度验算满足: 计算值= 750.498 <= 2221.592(kN)计算稳定时:稳定验算满足: 计算值= 750.498 <= 2149.911(kN)(七) 台顶截面强度验算[土压力计算] 计算高度为 9.100(m)处的库仑主动土压力计算上墙土压力无荷载时的破裂角 = 31.060(度)按假想墙背计算得到:第1破裂角: 32.720(度)Ea=148.041 Ex=56.254 Ey=136.937(kN) 作用点高度 Zy=1.260(m)因为俯斜墙背,需判断第二破裂面是否存在,计算后发现第二破裂面存在:第2破裂角=17.542(度) 第1破裂角=31.060(度)Ea=102.147 Ex=62.124 Ey=81.085(kN) 作用点高度 Zy=1.465(m)计算下墙土压力无荷载时的破裂角 = 34.075(度)按力多边形法计算得到:破裂角: 34.075(度)Ea=156.451 Ex=155.539 Ey=16.870(kN) 作用点高度 Zy=2.522(m)[强度验算]验算截面以上,墙身截面积 = 22.550(m2) 重量 = 518.644 kN相对于验算截面外边缘,墙身重力的力臂 Zw = 2.358 (m)[容许应力法]:法向应力检算:作用于截面总竖向力 = 707.137(kN) 作用于墙趾下点的总弯矩=830.127(kN-m)相对于验算截面外边缘,合力作用力臂 Zn = 1.174(m)截面宽度 B = 3.065 (m) 偏心距 e1 = 0.359(m)截面上偏心距验算满足: e1= 0.359 <= 0.250*3.065 = 0.766(m)截面上压应力: 面坡=392.661 背坡=68.767(kPa)压应力验算满足: 计算值= 392.661 <= 800.000(kPa)切向应力检算:剪应力验算满足: 计算值= -21.270 <= 80.000(kPa)[极限状态法]:重要性系数0 = 1.000验算截面上的轴向力组合设计值Nd = 707.137(kN)轴心力偏心影响系数醟 = 0.859挡墙构件的计算截面每沿米面积A = 3.065(m2)材料抗压极限强度Ra = 1600.000(kPa)圬工构件或材料的抗力分项系数钼 = 2.310偏心受压构件在弯曲平面内的纵向弯曲系数豮 = 0.959计算强度时:强度验算满足: 计算值= 707.137 <= 1823.443(kN)计算稳定时:稳定验算满足: 计算值= 707.137 <= 1749.052(kN)=====================================================================3、加筋土挡土墙------------------------------------------------------------------------原始条件:墙身尺寸:墙身总高: 8.200(m)筋带竖向间距是否不等: 否单个筋带厚: 1(mm)筋带水平方向间距: 0.420(m)筋带竖直方向间距: 0.400(m)筋带长度竖向分段数: 2分段序号高度(m) 筋带长(m)1 6.000 6.0002 2.200 4.000筋带序号筋带宽(m)1 0.2002 0.2003 0.2004 0.2005 0.2006 0.2007 0.2008 0.2009 0.20010 0.20011 0.20012 0.20013 0.20014 0.20015 0.20016 0.20017 0.20018 0.20019 0.20020 0.200物理参数:加筋土容重: 20.000(kN/m3)加筋土内摩擦角: 35.000(度)筋带容许拉应力: 50.000(MPa)土与筋带之间的摩擦系数: 0.400加筋土浮容重: 10.000(kN/m3)地基土浮重度: 10.000(kN/m3)筋带抗拔力计算调节系数: 1.400筋带材料抗拉计算调节系数: 1.000筋带材料强度标准值: 240.000(MPa)筋带材料抗拉性能的分项系数: 1.250挡土墙类型: 一般挡土墙墙后填土内摩擦角: 35.000(度)墙后填土粘聚力: 0.000(kPa)墙后填土容重: 19.000(kN/m3)地基土容重: 18.000(kN/m3)修正后地基土容许承载力: 500.000(kPa)地基土容许承载力提高系数:墙趾值提高系数: 1.200墙踵值提高系数: 1.300平均值提高系数: 1.000墙底摩擦系数: 0.500地基土类型: 土质地基地基土内摩擦角: 30.000(度)坡线土柱:坡面线段数: 2折线序号水平投影长(m) 竖向投影长(m) 换算土柱数1 3.000 2.000 02 5.000 0.000 0地面横坡角度: 20.000(度)墙顶标高: 0.000(m)挡墙分段长度: 10.000(m)计算参数:稳定计算目标: 给定圆心,半径计算安全系数圆心X坐标: -2.000(m)圆心Y坐标: 10.000(m)半径: 15.000(m)筋带对稳定的作用: 筋带力沿圆弧切线内部稳定分析采用方法: 应力分析法条分法的土条宽度: 0.500(m)墙后填土粘聚力: 10.000(kPa)墙体填土粘聚力: 10.000(kPa)地基土粘聚力: 10.000(kPa)土条切向分力与滑动方向反向时: 当作下滑力对待=====================================================================第 1 种情况: 组合1=============================================组合系数: 1.0001. 挡土墙结构重力分项系数 = 1.000 √2. 填土侧压力分项系数 = 1.000 √3. 车辆荷载引起的土侧压力分项系数 = 1.000 √=============================================----------------------------------------------------------内部稳定性验算采用应力分析法(一) 应力分析法筋带号宽度总长度稳定区竖向压应水平应最大拉力抗拉力抗拔力 (m) (m) 长度(m) 力(kPa) 力(kPa) 设计值(kN) (kN) (kN)01 0.200 6.000 3.540 46.000 19.139 3.215 38.400 18.61002 0.200 6.000 3.540 54.000 21.908 3.681 38.400 21.84703 0.200 6.000 3.540 62.000 24.511 4.118 38.400 25.08304 0.200 6.000 3.540 70.000 26.948 4.527 38.400 28.32005 0.200 6.000 3.540 78.000 29.220 4.909 38.400 31.55706 0.200 6.000 3.540 86.000 31.326 5.263 38.400 34.79307 0.200 6.000 3.540 94.000 33.265 5.589 38.400 38.03008 0.200 6.000 3.540 102.000 35.040 5.887 38.400 41.26609 0.200 6.000 3.605 110.000 36.648 6.157 38.400 45.32510 0.200 6.000 3.814 118.000 38.091 6.399 38.400 51.42911 0.200 6.000 4.022 126.000 39.367 6.614 38.400 57.91512 0.200 6.000 4.230 134.000 40.478 6.800 38.400 64.78113 0.200 6.000 4.438 142.000 41.423 6.959 38.400 72.02714 0.200 6.000 4.647 150.000 42.203 7.090 38.400 79.65515 0.200 4.000 2.855 158.000 42.816 7.193 38.400 51.54916 0.200 4.000 3.063 166.000 44.984 7.557 38.400 58.10917 0.200 4.000 3.271 174.000 47.152 7.922 38.400 65.05018 0.200 4.000 3.479 182.000 49.320 8.286 38.400 72.37219 0.200 4.000 3.688 190.000 51.488 8.650 38.400 80.07520 0.200 4.000 3.896 198.000 53.656 9.014 38.400 88.158单个筋带结点抗拔稳定满足: 拉力设计值=3.215 <= 18.610(kN)筋带截面抗拉强度验算满足: 拉力设计值=9.014 <= 38.400(kN)全墙抗拔验算满足: 最小安全系数=11.415 >= 2.000----------------------------------------------------------外部稳定性验算[土压力计算] 计算墙背处的库仑主动土压力按假想墙背计算得到:第1破裂角: 32.600(度)Ea=246.817 Ex=202.181 Ey=141.568(kN) 作用点高度 Zy=3.400(m)墙身截面积 = 44.800(m2) 重量 = 896.000 kN墙顶上的土重(包括超载) = 171.000(kN) 重心坐标(3.667,0.889)(相对于墙面坡上角点)墙顶上的土重(不包括超载) = 171.000(kN) 重心坐标(3.667,0.889)(相对于墙面坡上角点)(一) 滑动稳定性验算基底摩擦系数 = 0.500滑移力= 202.181(kN) 抗滑力= 604.284(kN)滑移验算满足: Kc = 2.989 > 1.300滑动稳定方程验算:滑动稳定方程满足: 方程值 = 455.454(kN) > 0.0(二) 倾覆稳定性验算相对于墙趾点,墙身重力的力臂 Zw = 2.804 (m)相对于墙趾点,墙土压力Ey的力臂 Zx = 6.000 (m)相对于墙趾点,墙土压力Ex的力臂 Zy = 3.400 (m)验算挡土墙绕墙趾的倾覆稳定性倾覆力矩= 687.414(kN-m) 抗倾覆力矩= 3988.410(kN-m)倾覆验算满足: K0 = 5.802 > 1.500倾覆稳定方程验算:倾覆稳定方程满足: 方程值 = 2673.196(kN-m) > 0.0(三) 地基应力及偏心距验算基础为天然地基,验算墙底偏心距及压应力作用于基础底的总竖向力 = 1208.568(kN) 作用于墙趾下点的总弯矩=3300.996(kN-m)墙计算宽度 B = 6.000 (m) 偏心距 e = 0.269(m)墙底面合力作用点距离墙趾点的距离 Zn = 2.731(m)基底压应力: 墙趾=255.546 墙踵=147.310(kPa)最大应力与最小应力之比 = 255.546 / 147.310 = 1.735作用于基底的合力偏心距验算满足: e=0.269 <= 0.167*6.000 = 1.000(m)墙趾处地基承载力验算满足: 压应力=255.546 <= 600.000(kPa)墙踵处地基承载力验算满足: 压应力=147.310 <= 650.000(kPa)地基平均承载力验算满足: 压应力=201.428 <= 500.000(kPa)(四) 整体稳定验算圆心: (-2.000,10.000)半径 = 15.000(m)安全系数 = 1.802总的下滑力 = 1214.149(kN)总的抗滑力 = 2188.340(kN)土体部分下滑力 = 1214.149(kN)土体部分抗滑力 = 2188.340(kN)筋带的抗滑力 = 0.000(kN)整体稳定验算满足: 最小安全系数=1.802 >= 1.2504、桩板式挡土墙原始条件:墙身尺寸:桩总长: 16.000(m)嵌入深度: 6.000(m)截面形状: 方桩桩宽: 1.000(m)桩高: 1.500(m)桩间距: 3.500(m)挡土板的类型数: 2板类型号板厚(m) 板宽(m) 板块数1 0.200 0.500 82 0.200 0.500 8嵌入段土层数: 1柱底支承条件: 铰接计算方法: M法土层序号土层厚(m) 重度(kN/m3) M(MN/m4) 1 50.000 18.000 10.000初始弹性系数A: 0.000(MN/m3)初始弹性系数A1: 0.000(MN/m3)物理参数:桩混凝土强度等级: C40桩纵筋合力点到外皮距离: 35(mm)桩纵筋级别: HRB335桩箍筋级别: HPB235桩箍筋间距: 150(mm)板混凝土强度等级: C30板纵筋合力点到外皮距离: 35(mm)板纵筋级别: HRB335挡土墙类型: 一般挡土墙墙后填土内摩擦角: 35.000(度)墙后填土粘聚力: 0.000(kPa)墙后填土容重: 19.000(kN/m3)墙背与墙后填土摩擦角: 17.500(度)土压力计算方法: 库仑坡线土柱:坡面线段数: 2折线序号水平投影长(m) 竖向投影长(m) 换算土柱数1 3.000 2.000 02 5.000 0.000 0地面横坡角度: 20.000(度)墙顶标高: 0.000(m)挡墙分段长度: 10.000(m)钢筋混凝土配筋计算依据:《混凝土结构设计规范》(GB 50010--2002)=====================================================================第 1 种情况: 组合1注意:内力计算时,土压力分项(安全)系数 = 1.000[土压力计算] 计算高度为 10.000(m)处的库仑主动土压力无荷载时的破裂角 = 31.530(度)第1破裂角: 31.530(度)Ea=313.264 Ex=298.765 Ey=94.200(kN) 作用点高度 Zy=3.584(m)(一) 桩身内力计算计算方法: m 法背侧——为挡土侧;面侧——为非挡土侧。
五种常见挡土墙的设计计算实例The Standardization Office was revised on the afternoon of December 13, 2020挡土墙设计实例挡土墙是指支承路基填土或山坡土体、防止填土或土体变形失稳的构造物。
在挡土墙横断面中,与被支承土体直接接触的部位称为墙背;与墙背相对的、临空的部位称为墙面;与地基直接接触的部位称为基地;与基底相对的、墙的顶面称为墙顶;基底的前端称为墙趾;基底的后端称为墙踵。
根据挡土墙的设置位置不同,分为路肩墙、路堤墙、路堑墙和山坡墙等。
设置于路堤边坡的挡土墙称为路堤墙;墙顶位于路肩的挡土墙称为路肩墙;设置于路堑边坡的挡土墙称为路堑墙;设置于山坡上,支承山坡上可能坍塌的覆盖层土体或破碎岩层的挡土墙称为山坡墙。
本实例中主要讲述了5种常见挡土墙的设计计算实例。
1、重力式挡土墙------------------------------------------------------------------------原始条件:墙身尺寸:墙身高: (m)墙顶宽: (m)面坡倾斜坡度: 1:背坡倾斜坡度: 1:采用1个扩展墙址台阶:墙趾台阶b1: (m)墙趾台阶h1: (m)墙趾台阶与墙面坡坡度相同墙底倾斜坡率: :1物理参数:圬工砌体容重: (kN/m3)圬工之间摩擦系数:地基土摩擦系数:砌体种类: 片石砌体砂浆标号: 5石料强度(MPa): 30挡土墙类型: 一般挡土墙墙后填土内摩擦角: (度)墙后填土粘聚力: (kPa)墙后填土容重: (kN/m3)墙背与墙后填土摩擦角: (度)地基土容重: (kN/m3)修正后地基土容许承载力: (kPa)地基土容许承载力提高系数:墙趾值提高系数:墙踵值提高系数:平均值提高系数:墙底摩擦系数:地基土类型: 土质地基地基土内摩擦角: (度)土压力计算方法: 库仑坡线土柱:坡面线段数: 2折线序号水平投影长(m) 竖向投影长(m) 换算土柱数1 02 0坡面起始距离: (m)地面横坡角度: (度)墙顶标高: (m)挡墙分段长度: (m)===================================================================== 组合1(仅取一种组合计算)=============================================组合系数:1. 挡土墙结构重力分项系数 = √2. 墙顶上的有效永久荷载分项系数 = √3. 墙顶与第二破裂面间有效荷载分项系数 = √4. 填土侧压力分项系数 = √5. 车辆荷载引起的土侧压力分项系数 = √=============================================[土压力计算] 计算高度为 (m)处的库仑主动土压力无荷载时的破裂角 = (度)按实际墙背计算得到:第1破裂角: (度)Ea= Ex= Ey=(kN) 作用点高度 Zy=(m)因为俯斜墙背,需判断第二破裂面是否存在,计算后发现第二破裂面不存在墙身截面积 = (m2) 重量 = kN(一) 滑动稳定性验算基底摩擦系数 =采用倾斜基底增强抗滑动稳定性,计算过程如下:基底倾斜角度 = (度)Wn = (kN) En = (kN) Wt = (kN) Et = (kN)滑移力= (kN) 抗滑力= (kN)滑移验算满足: Kc = >滑动稳定方程验算:滑动稳定方程满足: 方程值 = (kN) >地基土摩擦系数 =地基土层水平向: 滑移力= (kN) 抗滑力= (kN)地基土层水平向: 滑移验算不满足: Kc2 = <=(二) 倾覆稳定性验算相对于墙趾点,墙身重力的力臂 Zw = (m)相对于墙趾点,Ey的力臂 Zx = (m)相对于墙趾点,Ex的力臂 Zy = (m)验算挡土墙绕墙趾的倾覆稳定性倾覆力矩= (kN-m) 抗倾覆力矩= (kN-m)倾覆验算满足: K0 = >倾覆稳定方程验算:倾覆稳定方程满足: 方程值 = (kN-m) >(三) 地基应力及偏心距验算基础为天然地基,验算墙底偏心距及压应力取倾斜基底的倾斜宽度验算地基承载力和偏心距作用于基础底的总竖向力 = (kN) 作用于墙趾下点的总弯矩=(kN-m) 基础底面宽度 B = (m) 偏心距 e = (m)基础底面合力作用点距离基础趾点的距离 Zn = (m)基底压应力: 趾部= 踵部=(kPa)最大应力与最小应力之比 = / =作用于基底的合力偏心距验算满足: e= <= * = (m)墙趾处地基承载力验算满足: 压应力= <= (kPa)墙踵处地基承载力验算满足: 压应力= <= (kPa)地基平均承载力验算满足: 压应力= <= (kPa)(四) 基础强度验算基础为天然地基,不作强度验算(五) 墙底截面强度验算验算截面以上,墙身截面积 = (m2) 重量 = kN相对于验算截面外边缘,墙身重力的力臂 Zw = (m)相对于验算截面外边缘,Ey的力臂 Zx = (m)相对于验算截面外边缘,Ex的力臂 Zy = (m)[容许应力法]:法向应力检算:作用于验算截面的总竖向力 = (kN) 作用于墙趾下点的总弯矩=(kN-m)相对于验算截面外边缘,合力作用力臂 Zn = (m)截面宽度 B = (m) 偏心距 e1 = (m)截面上偏心距验算满足: e1= <= * = (m)截面上压应力: 面坡= 背坡=(kPa)压应力验算满足: 计算值= <= (kPa)切向应力检算:剪应力验算满足: 计算值= <= (kPa)[极限状态法]:重要性系数0 =验算截面上的轴向力组合设计值Nd = (kN)轴心力偏心影响系数醟 =挡墙构件的计算截面每沿米面积A = (m2)材料抗压极限强度Ra = (kPa)圬工构件或材料的抗力分项系数鉬 =偏心受压构件在弯曲平面内的纵向弯曲系数豮 =计算强度时:强度验算满足: 计算值= <= (kN)计算稳定时:稳定验算满足: 计算值= <= (kN)(六) 台顶截面强度验算[土压力计算] 计算高度为 (m)处的库仑主动土压力无荷载时的破裂角 = (度)按实际墙背计算得到:第1破裂角: (度)Ea= Ex= Ey=(kN) 作用点高度 Zy=(m)因为俯斜墙背,需判断第二破裂面是否存在,计算后发现第二破裂面不存在墙身截面积 = (m2) 重量 = kN[强度验算]验算截面以上,墙身截面积 = (m2) 重量 = kN相对于验算截面外边缘,墙身重力的力臂 Zw = (m)相对于验算截面外边缘,Ey的力臂 Zx = (m)相对于验算截面外边缘,Ex的力臂 Zy = (m)[容许应力法]:法向应力检算:作用于验算截面的总竖向力 = (kN) 作用于墙趾下点的总弯矩=(kN-m) 相对于验算截面外边缘,合力作用力臂 Zn = (m)截面宽度 B = (m) 偏心距 e1 = (m)截面上偏心距验算满足: e1= <= * = (m)截面上压应力: 面坡= 背坡=(kPa)压应力验算满足: 计算值= <= (kPa)拉应力验算满足: 计算值= <= (kPa)切向应力检算:剪应力验算满足: 计算值= <= (kPa)[极限状态法]:重要性系数0 =验算截面上的轴向力组合设计值Nd = (kN)轴心力偏心影响系数醟 =挡墙构件的计算截面每沿米面积A = (m2)材料抗压极限强度Ra = (kPa)圬工构件或材料的抗力分项系数鉬 =偏心受压构件在弯曲平面内的纵向弯曲系数豮 =计算强度时:强度验算满足: 计算值= <= (kN)计算稳定时:稳定验算满足: 计算值= <= (kN)2、衡重式挡土墙------------------------------------------------------------------------ 原始条件:墙身尺寸:墙身总高: (m)上墙高: (m)墙顶宽: (m)台宽: (m)面坡倾斜坡度: 1:上墙背坡倾斜坡度: 1:下墙背坡倾斜坡度: 1:采用1个扩展墙址台阶:墙趾台阶b1: (m)墙趾台阶h1: (m)墙趾台阶与墙面坡坡度相同墙底倾斜坡率: :1下墙土压力计算方法: 力多边形法物理参数:圬工砌体容重: (kN/m3)圬工之间摩擦系数:地基土摩擦系数:砌体种类: 片石砌体砂浆标号: 5石料强度(MPa): 30挡土墙类型: 一般挡土墙墙后填土内摩擦角: (度)墙后填土粘聚力: (kPa)墙后填土容重: (kN/m3)墙背与墙后填土摩擦角: (度)地基土容重: (kN/m3)修正后地基土容许承载力: (kPa)地基土容许承载力提高系数:墙趾值提高系数:墙踵值提高系数:平均值提高系数:墙底摩擦系数:地基土类型: 土质地基地基土内摩擦角: (度)坡线土柱:坡面线段数: 2折线序号水平投影长(m) 竖向投影长(m) 换算土柱数1 02 0地面横坡角度: (度)墙顶标高: (m)挡墙分段长度: (m)===================================================================== 组合1(仅取一种组合计算)=============================================组合系数:1. 挡土墙结构重力分项系数 = √2. 填土重力分项系数 = √3. 填土侧压力分项系数 = √4. 车辆荷载引起的土侧压力分项系数 = √=============================================[土压力计算] 计算高度为 (m)处的库仑主动土压力计算上墙土压力无荷载时的破裂角 = (度)按假想墙背计算得到:第1破裂角: (度)Ea= Ex= Ey=(kN) 作用点高度 Zy=(m)因为俯斜墙背,需判断第二破裂面是否存在,计算后发现第二破裂面存在:第2破裂角=(度) 第1破裂角=(度)Ea= Ex= Ey=(kN) 作用点高度 Zy=(m)计算下墙土压力无荷载时的破裂角 = (度)按力多边形法计算得到:破裂角: (度)Ea= Ex= Ey=(kN) 作用点高度 Zy=(m)墙身截面积 = (m2) 重量 = kN衡重台上填料重 = (kN) 重心坐标,(相对于墙面坡上角点)(一) 滑动稳定性验算基底摩擦系数 =采用倾斜基底增强抗滑动稳定性,计算过程如下:基底倾斜角度 = (度)Wn = (kN) En = (kN) Wt = (kN) Et = (kN)滑移力= (kN) 抗滑力= (kN)滑移验算满足: Kc = >滑动稳定方程验算:滑动稳定方程满足: 方程值 = (kN) >地基土摩擦系数 =地基土层水平向: 滑移力= (kN) 抗滑力= (kN)地基土层水平向: 滑移验算满足: Kc2 = >(二) 倾覆稳定性验算相对于墙趾,墙身重力的力臂 Zw = (m)相对于墙趾,上墙Ey的力臂 Zx = (m)相对于墙趾,上墙Ex的力臂 Zy = (m)相对于墙趾,下墙Ey的力臂 Zx3 = (m)相对于墙趾,下墙Ex的力臂 Zy3 = (m)验算挡土墙绕墙趾的倾覆稳定性倾覆力矩= (kN-m) 抗倾覆力矩= (kN-m)倾覆验算满足: K0 = >倾覆稳定方程验算:倾覆稳定方程满足: 方程值 = (kN-m) >(三) 地基应力及偏心距验算基础为天然地基,验算墙底偏心距及压应力取倾斜基底的倾斜宽度验算地基承载力和偏心距作用于基础底的总竖向力 = (kN) 作用于墙趾下点的总弯矩=(kN-m) 基础底面宽度 B = (m) 偏心距 e = (m)基础底面合力作用点距离基础趾点的距离 Zn = (m)基底压应力: 趾部= 踵部=(kPa)最大应力与最小应力之比 = / =作用于基底的合力偏心距验算满足: e= <= * = (m) 墙趾处地基承载力验算满足: 压应力= <= (kPa)墙踵处地基承载力验算满足: 压应力= <= (kPa)地基平均承载力验算满足: 压应力= <= (kPa)(四) 基础强度验算基础为天然地基,不作强度验算(五) 上墙截面强度验算上墙重力 Ws = (kN)上墙墙背处的 Ex = (kN)上墙墙背处的 Ey = (kN)相对于上墙墙趾,上墙重力的力臂 Zw = (m)相对于上墙墙趾,上墙Ex的力臂 Zy = (m)相对于上墙墙趾,上墙Ey的力臂 Zx = (m)[容许应力法]:法向应力检算:相对于上墙墙趾,合力作用力臂 Zn = (m)截面宽度 B = (m) 偏心距 e1 = (m)截面上偏心距验算不满足: e1= > * = (m)截面上压应力: 面坡= 背坡=(kPa)压应力验算满足: 计算值= <= (kPa)拉应力验算不满足: 计算值= > (kPa)切向应力检算:剪应力验算满足: 计算值= <= (kPa)斜截面剪应力检算斜剪应力验算满足: 计算值= <= (kPa)[极限状态法]:重要性系数0 =验算截面上的轴向力组合设计值Nd = (kN)轴心力偏心影响系数醟 =挡墙构件的计算截面每沿米面积A = (m2)材料抗压极限强度Ra = (kPa)圬工构件或材料的抗力分项系数鉬 =偏心受压构件在弯曲平面内的纵向弯曲系数豮 =计算强度时:强度验算满足: 计算值= <= (kN)计算稳定时:稳定验算满足: 计算值= <= (kN)(六) 墙底截面强度验算验算截面以上,墙身截面积 = (m2) 重量 = kN相对于验算截面外边缘,墙身重力的力臂 Zw = (m)[容许应力法]:法向应力检算:作用于截面总竖向力 = (kN) 作用于墙趾下点的总弯矩=(kN-m) 相对于验算截面外边缘,合力作用力臂 Zn = (m)截面宽度 B = (m) 偏心距 e1 = (m)截面上偏心距验算满足: e1= <= * = (m)截面上压应力: 面坡= 背坡=(kPa)压应力验算满足: 计算值= <= (kPa)切向应力检算:剪应力验算满足: 计算值= <= (kPa)[极限状态法]:重要性系数0 =验算截面上的轴向力组合设计值Nd = (kN)轴心力偏心影响系数醟 =挡墙构件的计算截面每沿米面积A = (m2)材料抗压极限强度Ra = (kPa)圬工构件或材料的抗力分项系数鉬 =偏心受压构件在弯曲平面内的纵向弯曲系数豮 =计算强度时:强度验算满足: 计算值= <= (kN)计算稳定时:稳定验算满足: 计算值= <= (kN)(七) 台顶截面强度验算[土压力计算] 计算高度为 (m)处的库仑主动土压力计算上墙土压力无荷载时的破裂角 = (度)按假想墙背计算得到:第1破裂角: (度)Ea= Ex= Ey=(kN) 作用点高度 Zy=(m)因为俯斜墙背,需判断第二破裂面是否存在,计算后发现第二破裂面存在:第2破裂角=(度) 第1破裂角=(度)Ea= Ex= Ey=(kN) 作用点高度 Zy=(m)计算下墙土压力无荷载时的破裂角 = (度)按力多边形法计算得到:破裂角: (度)Ea= Ex= Ey=(kN) 作用点高度 Zy=(m)[强度验算]验算截面以上,墙身截面积 = (m2) 重量 = kN相对于验算截面外边缘,墙身重力的力臂 Zw = (m)[容许应力法]:法向应力检算:作用于截面总竖向力 = (kN) 作用于墙趾下点的总弯矩=(kN-m)相对于验算截面外边缘,合力作用力臂 Zn = (m)截面宽度 B = (m) 偏心距 e1 = (m)截面上偏心距验算满足: e1= <= * = (m)截面上压应力: 面坡= 背坡=(kPa)压应力验算满足: 计算值= <= (kPa)切向应力检算:剪应力验算满足: 计算值= <= (kPa)[极限状态法]:重要性系数0 =验算截面上的轴向力组合设计值Nd = (kN)轴心力偏心影响系数醟 =挡墙构件的计算截面每沿米面积A = (m2)材料抗压极限强度Ra = (kPa)圬工构件或材料的抗力分项系数鉬 =偏心受压构件在弯曲平面内的纵向弯曲系数豮 =计算强度时:强度验算满足: 计算值= <= (kN)计算稳定时:稳定验算满足: 计算值= <= (kN)=====================================================================3、加筋土挡土墙------------------------------------------------------------------------ 原始条件:墙身尺寸:墙身总高: (m)筋带竖向间距是否不等: 否单个筋带厚: 1(mm)筋带水平方向间距: (m)筋带竖直方向间距: (m)筋带长度竖向分段数: 2分段序号高度(m) 筋带长(m)12筋带序号筋带宽(m)1234567891011121314151617181920物理参数:加筋土容重: (kN/m3)加筋土内摩擦角: (度)筋带容许拉应力: (MPa)土与筋带之间的摩擦系数:加筋土浮容重: (kN/m3)地基土浮重度: (kN/m3)筋带抗拔力计算调节系数:筋带材料抗拉计算调节系数:筋带材料强度标准值: (MPa)筋带材料抗拉性能的分项系数:挡土墙类型: 一般挡土墙墙后填土内摩擦角: (度)墙后填土粘聚力: (kPa)墙后填土容重: (kN/m3)地基土容重: (kN/m3)修正后地基土容许承载力: (kPa)地基土容许承载力提高系数:墙趾值提高系数:墙踵值提高系数:平均值提高系数:墙底摩擦系数:地基土类型: 土质地基地基土内摩擦角: (度)坡线土柱:坡面线段数: 2折线序号水平投影长(m) 竖向投影长(m) 换算土柱数1 02 0地面横坡角度: (度)墙顶标高: (m)挡墙分段长度: (m)计算参数:稳定计算目标: 给定圆心,半径计算安全系数圆心X坐标: (m)圆心Y坐标: (m)半径: (m)筋带对稳定的作用: 筋带力沿圆弧切线内部稳定分析采用方法: 应力分析法条分法的土条宽度: (m)墙后填土粘聚力: (kPa)墙体填土粘聚力: (kPa)地基土粘聚力: (kPa)土条切向分力与滑动方向反向时: 当作下滑力对待===================================================================== 第 1 种情况: 组合1=============================================组合系数:1. 挡土墙结构重力分项系数 = √2. 填土侧压力分项系数 = √3. 车辆荷载引起的土侧压力分项系数 = √=============================================----------------------------------------------------------内部稳定性验算采用应力分析法(一) 应力分析法筋带号宽度总长度稳定区竖向压应水平应最大拉力抗拉力抗拔力 (m) (m) 长度(m) 力(kPa) 力(kPa) 设计值(kN) (kN) (kN)0102030405060708091011121314151617181920单个筋带结点抗拔稳定满足: 拉力设计值= <= (kN)筋带截面抗拉强度验算满足: 拉力设计值= <= (kN)全墙抗拔验算满足: 最小安全系数= >=----------------------------------------------------------外部稳定性验算[土压力计算] 计算墙背处的库仑主动土压力按假想墙背计算得到:第1破裂角: (度)Ea= Ex= Ey=(kN) 作用点高度 Zy=(m)墙身截面积 = (m2) 重量 = kN墙顶上的土重(包括超载) = (kN) 重心坐标,(相对于墙面坡上角点) 墙顶上的土重(不包括超载) = (kN) 重心坐标,(相对于墙面坡上角点) (一) 滑动稳定性验算基底摩擦系数 =滑移力= (kN) 抗滑力= (kN)滑移验算满足: Kc = >滑动稳定方程验算:滑动稳定方程满足: 方程值 = (kN) >(二) 倾覆稳定性验算相对于墙趾点,墙身重力的力臂 Zw = (m)相对于墙趾点,墙土压力Ey的力臂 Zx = (m)相对于墙趾点,墙土压力Ex的力臂 Zy = (m)验算挡土墙绕墙趾的倾覆稳定性倾覆力矩= (kN-m) 抗倾覆力矩= (kN-m)倾覆验算满足: K0 = >倾覆稳定方程验算:倾覆稳定方程满足: 方程值 = (kN-m) >(三) 地基应力及偏心距验算基础为天然地基,验算墙底偏心距及压应力作用于基础底的总竖向力 = (kN) 作用于墙趾下点的总弯矩=(kN-m)墙计算宽度 B = (m) 偏心距 e = (m)墙底面合力作用点距离墙趾点的距离 Zn = (m)基底压应力: 墙趾= 墙踵=(kPa)最大应力与最小应力之比 = / =作用于基底的合力偏心距验算满足: e= <= * = (m) 墙趾处地基承载力验算满足: 压应力= <= (kPa)墙踵处地基承载力验算满足: 压应力= <= (kPa)地基平均承载力验算满足: 压应力= <= (kPa)(四) 整体稳定验算圆心: ,半径 = (m)安全系数 =总的下滑力 = (kN)总的抗滑力 = (kN)土体部分下滑力 = (kN)土体部分抗滑力 = (kN)筋带的抗滑力 = (kN)整体稳定验算满足: 最小安全系数= >=4、桩板式挡土墙原始条件:墙身尺寸:桩总长: (m)嵌入深度: (m)截面形状: 方桩桩宽: (m)桩高: (m)桩间距: (m)挡土板的类型数: 2板类型号板厚(m) 板宽(m) 板块数1 82 8嵌入段土层数: 1柱底支承条件: 铰接计算方法: M法土层序号土层厚(m) 重度(kN/m3) M(MN/m4) 1初始弹性系数A: (MN/m3)初始弹性系数A1: (MN/m3)物理参数:桩混凝土强度等级: C40桩纵筋合力点到外皮距离: 35(mm)桩纵筋级别: HRB335桩箍筋级别: HPB235桩箍筋间距: 150(mm)板混凝土强度等级: C30板纵筋合力点到外皮距离: 35(mm)板纵筋级别: HRB335挡土墙类型: 一般挡土墙墙后填土内摩擦角: (度)墙后填土粘聚力: (kPa)墙后填土容重: (kN/m3)墙背与墙后填土摩擦角: (度)土压力计算方法: 库仑坡线土柱:坡面线段数: 2折线序号水平投影长(m) 竖向投影长(m) 换算土柱数1 02 0地面横坡角度: (度)墙顶标高: (m)挡墙分段长度: (m)钢筋混凝土配筋计算依据:《混凝土结构设计规范》(GB 50010--2002)===================================================================== 第 1 种情况: 组合1注意:内力计算时,土压力分项(安全)系数 =[土压力计算] 计算高度为 (m)处的库仑主动土压力无荷载时的破裂角 = (度)第1破裂角: (度)Ea= Ex= Ey=(kN) 作用点高度 Zy=(m)(一) 桩身内力计算计算方法: m 法背侧——为挡土侧;面侧——为非挡土侧。
挡土墙设计实例挡土墙是指支承路基填土或山坡土体、防止填土或土体变形失稳的构造物。
在挡土墙横断面中,与被支承土体直接接触的部位称为墙背;与墙背相对的、临空的部位称为墙面;与地基直接接触的部位称为基地;与基底相对的、墙的顶面称为墙顶;基底的前端称为墙趾;基底的后端称为墙踵。
根据挡土墙的设置位置不同,分为路肩墙、路堤墙、路堑墙和山坡墙等。
设置于路堤边坡的挡土墙称为路堤墙;墙顶位于路肩的挡土墙称为路肩墙;设置于路堑边坡的挡土墙称为路堑墙;设置于山坡上,支承山坡上可能坍塌的覆盖层土体或破碎岩层的挡土墙称为山坡墙。
本实例中主要讲述了5种常见挡土墙的设计计算实例。
1、重力式挡土墙------------------------------------------------------------------------原始条件:墙身尺寸:墙身高: 6.500(m)墙顶宽: 0.660(m)面坡倾斜坡度: 1:0.250背坡倾斜坡度: 1:0.200采用1个扩展墙址台阶:墙趾台阶b1: 0.300(m)墙趾台阶h1: 0.500(m)墙趾台阶与墙面坡坡度相同墙底倾斜坡率: 0.200:1物理参数:圬工砌体容重: 23.000(kN/m3)圬工之间摩擦系数: 0.400地基土摩擦系数: 0.500砌体种类: 片石砌体砂浆标号: 5石料强度(MPa): 30挡土墙类型: 一般挡土墙墙后填土内摩擦角: 35.000(度)墙后填土粘聚力: 0.000(kPa)墙后填土容重: 19.000(kN/m3)墙背与墙后填土摩擦角: 17.500(度)地基土容重: 18.000(kN/m3)修正后地基土容许承载力: 500.000(kPa)地基土容许承载力提高系数:墙趾值提高系数: 1.200墙踵值提高系数: 1.300平均值提高系数: 1.000墙底摩擦系数: 0.500地基土类型: 土质地基地基土内摩擦角: 30.000(度)土压力计算方法: 库仑坡线土柱:坡面线段数: 2折线序号水平投影长(m) 竖向投影长(m) 换算土柱数1 3.000 2.000 02 5.000 0.000 0坡面起始距离: 0.000(m)地面横坡角度: 20.000(度)墙顶标高: 0.000(m)挡墙分段长度: 10.000(m)===================================================================== 组合1(仅取一种组合计算)=============================================组合系数: 1.0001. 挡土墙结构重力分项系数 = 1.000 √2. 墙顶上的有效永久荷载分项系数 = 1.000 √3. 墙顶与第二破裂面间有效荷载分项系数 = 1.000 √4. 填土侧压力分项系数 = 1.000 √5. 车辆荷载引起的土侧压力分项系数 = 1.000 √=============================================[土压力计算] 计算高度为 7.309(m)处的库仑主动土压力无荷载时的破裂角 = 28.320(度)按实际墙背计算得到:第1破裂角: 28.320(度)Ea=244.312 Ex=214.072 Ey=117.736(kN) 作用点高度 Zy=2.627(m) 因为俯斜墙背,需判断第二破裂面是否存在,计算后发现第二破裂面不存在墙身截面积 = 15.518(m2) 重量 = 356.925 kN(一) 滑动稳定性验算基底摩擦系数 = 0.500采用倾斜基底增强抗滑动稳定性,计算过程如下:基底倾斜角度 = 11.310 (度)Wn = 349.993(kN) En = 157.432(kN) Wt = 69.999(kN) Et = 186.825(kN) 滑移力= 116.827(kN) 抗滑力= 253.713(kN)滑移验算满足: Kc = 2.172 > 1.300滑动稳定方程验算:滑动稳定方程满足: 方程值 = 164.582(kN) > 0.0地基土摩擦系数 = 0.500地基土层水平向: 滑移力= 214.072(kN) 抗滑力= 252.070(kN)地基土层水平向: 滑移验算不满足: Kc2 = 1.177 <= 1.300(二) 倾覆稳定性验算相对于墙趾点,墙身重力的力臂 Zw = 2.186 (m)相对于墙趾点,Ey的力臂 Zx = 3.521 (m)相对于墙趾点,Ex的力臂 Zy = 1.818 (m)验算挡土墙绕墙趾的倾覆稳定性倾覆力矩= 389.149(kN-m) 抗倾覆力矩= 1194.778(kN-m)倾覆验算满足: K0 = 3.070 > 1.500倾覆稳定方程验算:倾覆稳定方程满足: 方程值 = 649.592(kN-m) > 0.0(三) 地基应力及偏心距验算基础为天然地基,验算墙底偏心距及压应力取倾斜基底的倾斜宽度验算地基承载力和偏心距作用于基础底的总竖向力 = 507.426(kN) 作用于墙趾下点的总弯矩=805.628(kN-m) 基础底面宽度 B = 4.127 (m) 偏心距 e = 0.476(m)基础底面合力作用点距离基础趾点的距离 Zn = 1.588(m)基底压应力: 趾部=208.008 踵部=37.896(kPa)最大应力与最小应力之比 = 208.008 / 37.896 = 5.489作用于基底的合力偏心距验算满足: e=0.476 <= 0.167*4.127 = 0.688(m)墙趾处地基承载力验算满足: 压应力=208.008 <= 600.000(kPa)墙踵处地基承载力验算满足: 压应力=37.896 <= 650.000(kPa)地基平均承载力验算满足: 压应力=122.952 <= 500.000(kPa)(四) 基础强度验算基础为天然地基,不作强度验算(五) 墙底截面强度验算验算截面以上,墙身截面积 = 13.946(m2) 重量 = 320.764 kN相对于验算截面外边缘,墙身重力的力臂 Zw = 2.134 (m)相对于验算截面外边缘,Ey的力臂 Zx = 3.521 (m)相对于验算截面外边缘,Ex的力臂 Zy = 1.818 (m)[容许应力法]:法向应力检算:作用于验算截面的总竖向力 = 438.499(kN) 作用于墙趾下点的总弯矩=710.021(kN-m) 相对于验算截面外边缘,合力作用力臂 Zn = 1.619(m)截面宽度 B = 3.885 (m) 偏心距 e1 = 0.323(m)截面上偏心距验算满足: e1= 0.323 <= 0.250*3.885 = 0.971(m)截面上压应力: 面坡=169.225 背坡=56.514(kPa)压应力验算满足: 计算值= 169.225 <= 800.000(kPa)切向应力检算:剪应力验算满足: 计算值= 9.954 <= 80.000(kPa)[极限状态法]:重要性系数 0 = 1.000验算截面上的轴向力组合设计值Nd = 438.499(kN)轴心力偏心影响系数醟 = 0.923挡墙构件的计算截面每沿米面积A = 3.885(m2)材料抗压极限强度Ra = 1600.000(kPa)圬工构件或材料的抗力分项系数鉬 = 2.310偏心受压构件在弯曲平面内的纵向弯曲系数豮 = 0.997计算强度时:强度验算满足: 计算值= 438.499 <= 2484.452(kN)计算稳定时:稳定验算满足: 计算值= 438.499 <= 2478.074(kN)(六) 台顶截面强度验算[土压力计算] 计算高度为 6.000(m)处的库仑主动土压力无荷载时的破裂角 = 29.150(度)按实际墙背计算得到:第1破裂角: 29.150(度)Ea=172.939 Ex=151.533 Ey=83.340(kN) 作用点高度 Zy=2.150(m) 因为俯斜墙背,需判断第二破裂面是否存在,计算后发现第二破裂面不存在墙身截面积 = 12.060(m2) 重量 = 277.380 kN[强度验算]验算截面以上,墙身截面积 = 12.060(m2) 重量 = 277.380 kN相对于验算截面外边缘,墙身重力的力臂 Zw = 1.738 (m)相对于验算截面外边缘,Ey的力臂 Zx = 2.930 (m)相对于验算截面外边缘,Ex的力臂 Zy = 2.150 (m)[容许应力法]:法向应力检算:作用于验算截面的总竖向力 = 360.720(kN) 作用于墙趾下点的总弯矩=400.617(kN-m) 相对于验算截面外边缘,合力作用力臂 Zn = 1.111(m)截面宽度 B = 3.360 (m) 偏心距 e1 = 0.569(m)截面上偏心距验算满足: e1= 0.569 <= 0.250*3.360 = 0.840(m)截面上压应力: 面坡=216.516 背坡=-1.802(kPa)压应力验算满足: 计算值= 216.516 <= 800.000(kPa)拉应力验算满足: 计算值= 1.802 <= 80.000(kPa)切向应力检算:剪应力验算满足: 计算值= 2.156 <= 80.000(kPa)[极限状态法]:重要性系数 0 = 1.000验算截面上的轴向力组合设计值Nd = 360.720(kN)轴心力偏心影响系数醟 = 0.744挡墙构件的计算截面每沿米面积A = 3.360(m2)材料抗压极限强度Ra = 1600.000(kPa)圬工构件或材料的抗力分项系数鉬 = 2.310偏心受压构件在弯曲平面内的纵向弯曲系数豮 = 0.994计算强度时:强度验算满足: 计算值= 360.720 <= 1730.509(kN)计算稳定时:稳定验算满足: 计算值= 360.720 <= 1720.261(kN)2、衡重式挡土墙------------------------------------------------------------------------ 原始条件:墙身尺寸:墙身总高: 9.600(m)上墙高: 3.400(m)墙顶宽: 0.660(m)台宽: 1.500(m)面坡倾斜坡度: 1:0.150上墙背坡倾斜坡度: 1:0.200下墙背坡倾斜坡度: 1:-0.200采用1个扩展墙址台阶:墙趾台阶b1: 0.300(m)墙趾台阶h1: 0.500(m)墙趾台阶与墙面坡坡度相同墙底倾斜坡率: 0.200:1下墙土压力计算方法: 力多边形法物理参数:圬工砌体容重: 23.000(kN/m3)圬工之间摩擦系数: 0.400地基土摩擦系数: 0.500砌体种类: 片石砌体砂浆标号: 5石料强度(MPa): 30挡土墙类型: 一般挡土墙墙后填土内摩擦角: 35.000(度)墙后填土粘聚力: 0.000(kPa)墙后填土容重: 19.000(kN/m3)墙背与墙后填土摩擦角: 17.500(度)地基土容重: 18.000(kN/m3)修正后地基土容许承载力: 500.000(kPa)地基土容许承载力提高系数:墙趾值提高系数: 1.200墙踵值提高系数: 1.300平均值提高系数: 1.000墙底摩擦系数: 0.500地基土类型: 土质地基地基土内摩擦角: 30.000(度)坡线土柱:坡面线段数: 2折线序号水平投影长(m) 竖向投影长(m) 换算土柱数1 3.000 2.000 02 5.000 0.000 0地面横坡角度: 20.000(度)墙顶标高: 0.000(m)挡墙分段长度: 10.000(m)===================================================================== 组合1(仅取一种组合计算)=============================================组合系数: 1.0001. 挡土墙结构重力分项系数 = 1.000 √2. 填土重力分项系数 = 1.000 √3. 填土侧压力分项系数 = 1.000 √4. 车辆荷载引起的土侧压力分项系数 = 1.000 √=============================================[土压力计算] 计算高度为 10.242(m)处的库仑主动土压力计算上墙土压力无荷载时的破裂角 = 31.060(度)按假想墙背计算得到:第1破裂角: 32.720(度)Ea=148.041 Ex=56.254 Ey=136.937(kN) 作用点高度 Zy=1.260(m) 因为俯斜墙背,需判断第二破裂面是否存在,计算后发现第二破裂面存在:第2破裂角=17.542(度) 第1破裂角=31.060(度)Ea=102.147 Ex=62.124 Ey=81.085(kN) 作用点高度 Zy=1.465(m) 计算下墙土压力无荷载时的破裂角 = 34.222(度)按力多边形法计算得到:破裂角: 34.222(度)Ea=201.028 Ex=199.855 Ey=21.676(kN) 作用点高度 Zy=2.979(m) 墙身截面积 = 25.299(m2) 重量 = 581.869 kN衡重台上填料重 = 90.539(kN) 重心坐标(1.649,-1.646)(相对于墙面坡上角点) (一) 滑动稳定性验算基底摩擦系数 = 0.500采用倾斜基底增强抗滑动稳定性,计算过程如下:基底倾斜角度 = 11.310 (度)Wn = 659.350(kN) En = 152.144(kN) Wt = 131.870(kN) Et = 236.739(kN) 滑移力= 104.869(kN) 抗滑力= 405.747(kN)滑移验算满足: Kc = 3.869 > 1.300滑动稳定方程验算:滑动稳定方程满足: 方程值 = 353.905(kN) > 0.0地基土摩擦系数 = 0.500地基土层水平向: 滑移力= 261.979(kN) 抗滑力= 396.867(kN)地基土层水平向: 滑移验算满足: Kc2 = 1.515 > 1.300(二) 倾覆稳定性验算相对于墙趾,墙身重力的力臂 Zw = 2.308 (m)相对于墙趾,上墙Ey的力臂 Zx = 4.117 (m)相对于墙趾,上墙Ex的力臂 Zy = 7.665 (m)相对于墙趾,下墙Ey的力臂 Zx3 = 3.807 (m)相对于墙趾,下墙Ex的力臂 Zy3 = 2.337 (m)验算挡土墙绕墙趾的倾覆稳定性倾覆力矩= 943.130(kN-m) 抗倾覆力矩= 2066.104(kN-m)倾覆验算满足: K0 = 2.191 > 1.500倾覆稳定方程验算:倾覆稳定方程满足: 方程值 = 793.025(kN-m) > 0.0(三) 地基应力及偏心距验算基础为天然地基,验算墙底偏心距及压应力取倾斜基底的倾斜宽度验算地基承载力和偏心距作用于基础底的总竖向力 = 811.494(kN) 作用于墙趾下点的总弯矩=1122.975(kN-m) 基础底面宽度 B = 3.275 (m) 偏心距 e = 0.254(m)基础底面合力作用点距离基础趾点的距离 Zn = 1.384(m)基底压应力: 趾部=362.948 踵部=132.600(kPa)最大应力与最小应力之比 = 362.948 / 132.600 = 2.737作用于基底的合力偏心距验算满足: e=0.254 <= 0.167*3.275 = 0.546(m)墙趾处地基承载力验算满足: 压应力=362.948 <= 600.000(kPa)墙踵处地基承载力验算满足: 压应力=132.600 <= 650.000(kPa)地基平均承载力验算满足: 压应力=247.774 <= 500.000(kPa)(四) 基础强度验算基础为天然地基,不作强度验算(五) 上墙截面强度验算上墙重力 Ws = 98.141 (kN)上墙墙背处的 Ex = 62.124 (kN)上墙墙背处的 Ey = 12.425 (kN)相对于上墙墙趾,上墙重力的力臂 Zw = 0.889 (m)相对于上墙墙趾,上墙Ex的力臂 Zy = 1.465 (m)相对于上墙墙趾,上墙Ey的力臂 Zx = 1.557 (m)[容许应力法]:法向应力检算:相对于上墙墙趾,合力作用力臂 Zn = 0.141(m)截面宽度 B = 1.850 (m) 偏心距 e1 = 0.784(m)截面上偏心距验算不满足: e1= 0.784 > 0.250*1.850 = 0.463(m) 截面上压应力: 面坡=211.665 背坡=-92.134(kPa)压应力验算满足: 计算值= 211.665 <= 800.000(kPa)拉应力验算不满足: 计算值= 92.134 > 80.000(kPa)切向应力检算:剪应力验算满足: 计算值= 9.674 <= 80.000(kPa)斜截面剪应力检算斜剪应力验算满足: 计算值= 41.598 <= 80.000(kPa)[极限状态法]:重要性系数 0 = 1.000验算截面上的轴向力组合设计值Nd = 110.566(kN)轴心力偏心影响系数醟 = 0.233挡墙构件的计算截面每沿米面积A = 1.850(m2)材料抗压极限强度Ra = 1600.000(kPa)圬工构件或材料的抗力分项系数鉬 = 2.310偏心受压构件在弯曲平面内的纵向弯曲系数豮 = 0.981计算强度时:强度验算满足: 计算值= 110.566 <= 298.521(kN)计算稳定时:稳定验算满足: 计算值= 110.566 <= 292.889(kN)(六) 墙底截面强度验算验算截面以上,墙身截面积 = 24.226(m2) 重量 = 557.198 kN相对于验算截面外边缘,墙身重力的力臂 Zw = 2.313 (m)[容许应力法]:法向应力检算:作用于截面总竖向力 = 750.498(kN) 作用于墙趾下点的总弯矩=1106.215(kN-m) 相对于验算截面外边缘,合力作用力臂 Zn = 1.474(m)截面宽度 B = 3.340 (m) 偏心距 e1 = 0.196(m)截面上偏心距验算满足: e1= 0.196 <= 0.250*3.340 = 0.835(m)截面上压应力: 面坡=303.826 背坡=145.574(kPa)压应力验算满足: 计算值= 303.826 <= 800.000(kPa)切向应力检算:剪应力验算满足: 计算值= -11.443 <= 80.000(kPa)[极限状态法]:重要性系数 0 = 1.000验算截面上的轴向力组合设计值Nd = 750.498(kN)轴心力偏心影响系数醟 = 0.960挡墙构件的计算截面每沿米面积A = 3.340(m2)材料抗压极限强度Ra = 1600.000(kPa)圬工构件或材料的抗力分项系数鉬 = 2.310偏心受压构件在弯曲平面内的纵向弯曲系数豮 = 0.968计算强度时:强度验算满足: 计算值= 750.498 <= 2221.592(kN)计算稳定时:稳定验算满足: 计算值= 750.498 <= 2149.911(kN)(七) 台顶截面强度验算[土压力计算] 计算高度为 9.100(m)处的库仑主动土压力计算上墙土压力无荷载时的破裂角 = 31.060(度)按假想墙背计算得到:第1破裂角: 32.720(度)Ea=148.041 Ex=56.254 Ey=136.937(kN) 作用点高度 Zy=1.260(m) 因为俯斜墙背,需判断第二破裂面是否存在,计算后发现第二破裂面存在:第2破裂角=17.542(度) 第1破裂角=31.060(度)Ea=102.147 Ex=62.124 Ey=81.085(kN) 作用点高度 Zy=1.465(m) 计算下墙土压力无荷载时的破裂角 = 34.075(度)按力多边形法计算得到:破裂角: 34.075(度)Ea=156.451 Ex=155.539 Ey=16.870(kN) 作用点高度 Zy=2.522(m)[强度验算]验算截面以上,墙身截面积 = 22.550(m2) 重量 = 518.644 kN相对于验算截面外边缘,墙身重力的力臂 Zw = 2.358 (m)[容许应力法]:法向应力检算:作用于截面总竖向力 = 707.137(kN) 作用于墙趾下点的总弯矩=830.127(kN-m) 相对于验算截面外边缘,合力作用力臂 Zn = 1.174(m)截面宽度 B = 3.065 (m) 偏心距 e1 = 0.359(m)截面上偏心距验算满足: e1= 0.359 <= 0.250*3.065 = 0.766(m)截面上压应力: 面坡=392.661 背坡=68.767(kPa)压应力验算满足: 计算值= 392.661 <= 800.000(kPa)切向应力检算:剪应力验算满足: 计算值= -21.270 <= 80.000(kPa)[极限状态法]:重要性系数 0 = 1.000验算截面上的轴向力组合设计值Nd = 707.137(kN)轴心力偏心影响系数醟 = 0.859挡墙构件的计算截面每沿米面积A = 3.065(m2)材料抗压极限强度Ra = 1600.000(kPa)圬工构件或材料的抗力分项系数鉬 = 2.310偏心受压构件在弯曲平面内的纵向弯曲系数豮 = 0.959计算强度时:强度验算满足: 计算值= 707.137 <= 1823.443(kN)计算稳定时:稳定验算满足: 计算值= 707.137 <= 1749.052(kN)=====================================================================3、加筋土挡土墙------------------------------------------------------------------------ 原始条件:墙身尺寸:墙身总高: 8.200(m)筋带竖向间距是否不等: 否单个筋带厚: 1(mm)筋带水平方向间距: 0.420(m)筋带竖直方向间距: 0.400(m)筋带长度竖向分段数: 2分段序号高度(m) 筋带长(m)1 6.000 6.0002 2.200 4.000筋带序号筋带宽(m)1 0.2002 0.2003 0.2004 0.2005 0.2006 0.2007 0.2008 0.2009 0.20010 0.20011 0.20012 0.20013 0.20014 0.20015 0.20016 0.20017 0.20018 0.20019 0.20020 0.200物理参数:加筋土容重: 20.000(kN/m3)加筋土内摩擦角: 35.000(度)筋带容许拉应力: 50.000(MPa)土与筋带之间的摩擦系数: 0.400加筋土浮容重: 10.000(kN/m3)地基土浮重度: 10.000(kN/m3)筋带抗拔力计算调节系数: 1.400筋带材料抗拉计算调节系数: 1.000筋带材料强度标准值: 240.000(MPa)筋带材料抗拉性能的分项系数: 1.250挡土墙类型: 一般挡土墙墙后填土内摩擦角: 35.000(度)墙后填土粘聚力: 0.000(kPa)墙后填土容重: 19.000(kN/m3)地基土容重: 18.000(kN/m3)修正后地基土容许承载力: 500.000(kPa)地基土容许承载力提高系数:墙趾值提高系数: 1.200墙踵值提高系数: 1.300平均值提高系数: 1.000墙底摩擦系数: 0.500地基土类型: 土质地基地基土内摩擦角: 30.000(度)坡线土柱:坡面线段数: 2折线序号水平投影长(m) 竖向投影长(m) 换算土柱数1 3.000 2.000 02 5.000 0.000 0地面横坡角度: 20.000(度)墙顶标高: 0.000(m)挡墙分段长度: 10.000(m)计算参数:稳定计算目标: 给定圆心,半径计算安全系数圆心X坐标: -2.000(m)圆心Y坐标: 10.000(m)半径: 15.000(m)筋带对稳定的作用: 筋带力沿圆弧切线内部稳定分析采用方法: 应力分析法条分法的土条宽度: 0.500(m)墙后填土粘聚力: 10.000(kPa)墙体填土粘聚力: 10.000(kPa)地基土粘聚力: 10.000(kPa)土条切向分力与滑动方向反向时: 当作下滑力对待===================================================================== 第 1 种情况: 组合1=============================================组合系数: 1.0001. 挡土墙结构重力分项系数 = 1.000 √2. 填土侧压力分项系数 = 1.000 √3. 车辆荷载引起的土侧压力分项系数 = 1.000 √=============================================----------------------------------------------------------内部稳定性验算采用应力分析法(一) 应力分析法筋带号宽度总长度稳定区竖向压应水平应最大拉力抗拉力抗拔力 (m) (m) 长度(m) 力(kPa) 力(kPa) 设计值(kN) (kN) (kN)01 0.200 6.000 3.540 46.000 19.139 3.215 38.400 18.61002 0.200 6.000 3.540 54.000 21.908 3.681 38.400 21.84703 0.200 6.000 3.540 62.000 24.511 4.118 38.400 25.08304 0.200 6.000 3.540 70.000 26.948 4.527 38.400 28.32005 0.200 6.000 3.540 78.000 29.220 4.909 38.400 31.55706 0.200 6.000 3.540 86.000 31.326 5.263 38.400 34.79307 0.200 6.000 3.540 94.000 33.265 5.589 38.400 38.03008 0.200 6.000 3.540 102.000 35.040 5.887 38.400 41.26609 0.200 6.000 3.605 110.000 36.648 6.157 38.400 45.32510 0.200 6.000 3.814 118.000 38.091 6.399 38.400 51.42911 0.200 6.000 4.022 126.000 39.367 6.614 38.400 57.91512 0.200 6.000 4.230 134.000 40.478 6.800 38.400 64.78113 0.200 6.000 4.438 142.000 41.423 6.959 38.400 72.02714 0.200 6.000 4.647 150.000 42.203 7.090 38.400 79.65515 0.200 4.000 2.855 158.000 42.816 7.193 38.400 51.54916 0.200 4.000 3.063 166.000 44.984 7.557 38.400 58.10917 0.200 4.000 3.271 174.000 47.152 7.922 38.400 65.05018 0.200 4.000 3.479 182.000 49.320 8.286 38.400 72.37219 0.200 4.000 3.688 190.000 51.488 8.650 38.400 80.07520 0.200 4.000 3.896 198.000 53.656 9.014 38.400 88.158单个筋带结点抗拔稳定满足: 拉力设计值=3.215 <= 18.610(kN)筋带截面抗拉强度验算满足: 拉力设计值=9.014 <= 38.400(kN)全墙抗拔验算满足: 最小安全系数=11.415 >= 2.000----------------------------------------------------------外部稳定性验算[土压力计算] 计算墙背处的库仑主动土压力按假想墙背计算得到:第1破裂角: 32.600(度)Ea=246.817 Ex=202.181 Ey=141.568(kN) 作用点高度 Zy=3.400(m) 墙身截面积 = 44.800(m2) 重量 = 896.000 kN墙顶上的土重(包括超载) = 171.000(kN) 重心坐标(3.667,0.889)(相对于墙面坡上角点) 墙顶上的土重(不包括超载) = 171.000(kN) 重心坐标(3.667,0.889)(相对于墙面坡上角点) (一) 滑动稳定性验算基底摩擦系数 = 0.500滑移力= 202.181(kN) 抗滑力= 604.284(kN)滑移验算满足: Kc = 2.989 > 1.300滑动稳定方程验算:滑动稳定方程满足: 方程值 = 455.454(kN) > 0.0(二) 倾覆稳定性验算相对于墙趾点,墙身重力的力臂 Zw = 2.804 (m)相对于墙趾点,墙土压力Ey的力臂 Zx = 6.000 (m)相对于墙趾点,墙土压力Ex的力臂 Zy = 3.400 (m)验算挡土墙绕墙趾的倾覆稳定性倾覆力矩= 687.414(kN-m) 抗倾覆力矩= 3988.410(kN-m)倾覆验算满足: K0 = 5.802 > 1.500倾覆稳定方程验算:倾覆稳定方程满足: 方程值 = 2673.196(kN-m) > 0.0(三) 地基应力及偏心距验算基础为天然地基,验算墙底偏心距及压应力作用于基础底的总竖向力 = 1208.568(kN) 作用于墙趾下点的总弯矩=3300.996(kN-m)墙计算宽度 B = 6.000 (m) 偏心距 e = 0.269(m)墙底面合力作用点距离墙趾点的距离 Zn = 2.731(m)基底压应力: 墙趾=255.546 墙踵=147.310(kPa)最大应力与最小应力之比 = 255.546 / 147.310 = 1.735作用于基底的合力偏心距验算满足: e=0.269 <= 0.167*6.000 = 1.000(m) 墙趾处地基承载力验算满足: 压应力=255.546 <= 600.000(kPa)墙踵处地基承载力验算满足: 压应力=147.310 <= 650.000(kPa)地基平均承载力验算满足: 压应力=201.428 <= 500.000(kPa)(四) 整体稳定验算圆心: (-2.000,10.000)半径 = 15.000(m)安全系数 = 1.802总的下滑力 = 1214.149(kN)总的抗滑力 = 2188.340(kN)土体部分下滑力 = 1214.149(kN)土体部分抗滑力 = 2188.340(kN)筋带的抗滑力 = 0.000(kN)整体稳定验算满足: 最小安全系数=1.802 >= 1.2504、桩板式挡土墙原始条件:墙身尺寸:桩总长: 16.000(m)嵌入深度: 6.000(m)截面形状: 方桩桩宽: 1.000(m)桩高: 1.500(m)桩间距: 3.500(m)挡土板的类型数: 2板类型号板厚(m) 板宽(m) 板块数1 0.200 0.500 82 0.200 0.500 8嵌入段土层数: 1柱底支承条件: 铰接计算方法: M法土层序号土层厚(m) 重度(kN/m3) M(MN/m4) 1 50.000 18.000 10.000初始弹性系数A: 0.000(MN/m3)初始弹性系数A1: 0.000(MN/m3)物理参数:桩混凝土强度等级: C40桩纵筋合力点到外皮距离: 35(mm)桩纵筋级别: HRB335桩箍筋级别: HPB235桩箍筋间距: 150(mm)板混凝土强度等级: C30板纵筋合力点到外皮距离: 35(mm)板纵筋级别: HRB335挡土墙类型: 一般挡土墙墙后填土内摩擦角: 35.000(度)墙后填土粘聚力: 0.000(kPa)墙后填土容重: 19.000(kN/m3)墙背与墙后填土摩擦角: 17.500(度)土压力计算方法: 库仑坡线土柱:坡面线段数: 2折线序号水平投影长(m) 竖向投影长(m) 换算土柱数1 3.000 2.000 02 5.000 0.000 0地面横坡角度: 20.000(度)墙顶标高: 0.000(m)挡墙分段长度: 10.000(m)钢筋混凝土配筋计算依据:《混凝土结构设计规范》(GB 50010--2002)===================================================================== 第 1 种情况: 组合1注意:内力计算时,土压力分项(安全)系数 = 1.000[土压力计算] 计算高度为 10.000(m)处的库仑主动土压力无荷载时的破裂角 = 31.530(度)第1破裂角: 31.530(度)Ea=313.264 Ex=298.765 Ey=94.200(kN) 作用点高度 Zy=3.584(m)(一) 桩身内力计算计算方法: m 法背侧——为挡土侧;面侧——为非挡土侧。
目录1.重力式挡土墙 (2)1.1土压力计算 (2)1.2挡土墙检算 (4)2.2设计计算 (6)3.扶壁式挡土墙 (9)3.1土压力计算 (9)5.2锚杆设计计算 (16)5.3锚杆长度计算 (17)6.锚定板挡土墙 (17)6.1土压力计算 (17)6.3抗拔力计算 (18)7.土钉墙 (18)7.1土压力计算 (18)7.2土钉长度计算和强度检算 (18)7.3土钉墙内部整体稳定性检算 (19)7.4土钉墙外部整体稳定性检算 (19)1.重力式挡土墙 1.1土压力计算⑴第一破裂面ψϕδα=++tan tan θψ=-±土压力系数:()()()cos tan tan sin θϕλθαθψ+=-+土压力:()()()00cos tan sin a E A B θϕγθθψ+=-+()cos ax a E E δα=- ()sin ay a E E δα=-① 破裂面在荷载分布内侧()2012A A a H =+ ()012tan 22H B ab H a α=-+ a a σγλ= H H σγλ=1tan tan tan b a h θθα-=+ 21h H h =-()()32211223332x H a H h H h Z H a H h +-+=⎡⎤+-⎣⎦tan y x Z B Z α=-②破裂面在荷载分布范围中()()00122A a H h a H =+++ ()()000122tan 22HB ab b d h H a h α=++-++00h σγλ= a a σγλ= H H σγλ=1tan tan tan b a h θθα-=+ 2tan tan dh θα=+ 312h H h h =--()()322211032103333322x H a H h H h h h Z H aH ah h h +-++=+-+ tan y x Z B Z α=-③破裂面在荷载分布外侧()2012A a H =+ ()00012tan 22HB ab l h H a α=--+00h σγλ= a a σγλ= H H σγλ=1tan tan tan b a h θθα-=+ 2tan tan dh θα=+ 03tan tan l h θα=+ 4123h H h h h =---()()()322211033421033332322x H a H h H h h h h h Z H aH ah h h +-+++=+-+tan y x Z B Z α=-⑵第二破裂面 查有关的计算手册。
挡土墙案例在土木工程领域,挡土墙是一种常见且重要的结构,用于支撑填土或山坡土体,防止土体变形失稳。
接下来,让我们通过几个具体的案例来深入了解挡土墙的应用和设计要点。
案例一:城市道路边坡挡土墙在某城市的道路拓宽工程中,由于道路一侧需要填方以增加路面宽度,同时又紧邻着一个居民小区,为了保证填方边坡的稳定性和减少对居民小区的影响,设计了一道重力式挡土墙。
这道挡土墙采用了混凝土材料,高度约为 5 米。
在设计过程中,充分考虑了填土的性质、土压力的计算以及地下水的影响。
通过详细的地质勘察,确定了地基的承载力和土层的物理力学参数。
根据这些数据,计算出了挡土墙所承受的土压力,并据此设计了挡土墙的截面尺寸和配筋。
施工过程中,严格控制了混凝土的配合比和浇筑质量,确保挡土墙的强度和耐久性。
同时,还设置了排水孔,以排除墙后填土中的水分,减少水压力对挡土墙的不利影响。
经过一段时间的使用,这道挡土墙有效地稳定了边坡,保障了道路的安全通行和居民小区的安全。
案例二:山区铁路路基挡土墙在一条穿越山区的铁路建设中,为了保证路基的稳定性,在一些陡峭的山坡地段设置了挡土墙。
由于山区地形复杂,地质条件多变,这给挡土墙的设计和施工带来了很大的挑战。
在这个案例中,采用了桩板式挡土墙的结构形式。
这种挡土墙由桩基础和钢筋混凝土板组成,能够适应较大的土压力和复杂的地质条件。
设计人员首先对沿线的地质情况进行了详细的调查和分析,确定了桩的长度、直径和间距,以及板的厚度和配筋。
在施工过程中,需要先进行桩基础的施工,然后再安装钢筋混凝土板。
由于施工场地狭窄,施工难度较大,施工单位采用了先进的施工设备和技术,确保了工程的顺利进行。
这道挡土墙的建成,有效地保护了铁路路基,防止了山体滑坡和塌方等地质灾害的发生,保障了铁路的安全运营。
案例三:河道护岸挡土墙在某河流的治理工程中,为了保护河岸不受水流冲刷,设计了一道河道护岸挡土墙。
这道挡土墙采用了浆砌石结构,高度约为 3 米。
五种常见挡土墙的设计计算实例文档一:正文:1. 挡土墙的概述挡土墙是一种常见的土木工程结构,其主要用途是抵御土壤的侧向压力,防止土方坡体的塌方和滑动。
根据挡土墙的结构和材料,可以分为五种常见的类型,包括重力挡土墙、钢筋混凝土挡土墙、模块化挡土墙、挡土墙擎土墙和挡土墙夯土墙。
2. 重力挡土墙的设计计算实例重力挡土墙是利用自重来抵御土壤侧向力的,其设计计算需要考虑挡土墙的稳定性和抗倾覆能力。
具体的设计计算实例如下:2.1 挡墙基坑的计算2.2 抗滑计算2.3 基底的稳定性计算2.4 挡土墙的倾覆稳定性计算2.5 材料的选择和使用3. 钢筋混凝土挡土墙的设计计算实例钢筋混凝土挡土墙是利用钢筋混凝土的强度来抵抗土壤侧向压力的,其设计计算需要考虑挡土墙的强度和稳定性。
具体的设计计算实例如下:3.1 挡墙的结构设计3.2 材料的选择和使用3.3 土壤侧压力的计算3.4 钢筋的设计和布置3.5 挡土墙的稳定性计算...附件:本文档附带挡土墙的设计计算表格和示意图。
注释:1. 挡土墙:一种土木工程结构,用于抵御土壤侧向压力。
2. 抗倾覆能力:挡土墙抵御倾覆的能力。
3. 挡墙基坑:挡土墙所在的基坑。
4. 抗滑计算:计算挡土墙的滑动稳定性。
5. 基底:挡土墙的底部结构。
6. 钢筋混凝土:一种由钢筋和混凝土组成的复合材料。
7. 材料的选择和使用:选择适合挡土墙设计的材料并进行使用。
8. 土壤侧压力:土壤对挡土墙施加的侧向压力。
9. 钢筋:用于增加挡土墙的强度和稳定性的金属材料。
10. 示意图:图示挡土墙设计和计算的示意图。
文档二:正文:1. 挡土墙的概述挡土墙是一种常见的土木工程结构,用于抵御土壤的侧向压力,以防止土方坡体的塌方和滑动。
根据不同的结构和材料,挡土墙可以分为重力挡土墙、钢筋混凝土挡土墙、模块化挡土墙、挡土墙擎土墙和挡土墙夯土墙等五种类型。
2. 重力挡土墙的设计计算实例重力挡土墙是利用挡土墙自身的重力来抵抗土壤的侧向力的。
挡土墙计算一、设计资料与技术要求:1、土壤地质情况:地面为水田,有60公分的挖淤,地表1—2米为粘土,允许承载力为[σ]=800KPa;以下为完好砂岩,允许承载力为[σ]=1500KPa,基底摩擦系数为f在0.6~0.7之间,取0.6。
2、墙背填料:选择就地开挖的砂岩碎石屑作墙背填料,容重γ=20KN/M3,内摩阻角 =35º。
3、墙体材料:7.5号砂浆砌30号片石,砌石γr=22 KN/M3,砌石允许压应力[σr] =800KPa,允许剪应力[τr] =160KPa。
4、设计荷载:公路一级。
5、稳定系数:[Kc]=1.3,[Ko]=1.5。
二、挡土墙类型的选择:根据从k1+120到K1+180的横断面图可知,此处布置挡土墙是为了收缩坡角,避免多占农田,因此考虑布置路肩挡土墙,布置时应注意防止挡土墙靠近行车道,直接受行车荷载作用,而毁坏挡土墙。
K1+172断面边坡最高,故在此断面布置挡土墙,以确定挡土墙修建位置。
为保证地基有足够的承载力,初步拟订将基础直接置于砂岩上,即将挡土墙基础埋置于地面线2米以下。
因此,结合横断面资料,最高挡土墙布置端面K1+172断面的墙高足10米,结合上诉因素,考虑选择俯斜视挡土墙。
三、挡土墙的基础与断面的设计;1、断面尺寸的拟订:根据横断面的布置,该断面尺寸如右图所示:1B =1.65 m 2B =1.00 m 3B =3.40 mB =4.97 m 1N =0.2 2N =0.2 3N =0.051H =7.00 m 2H =1.50 m H =9.49 m=d 0.75 + 2.5 -1.65 = 1.6 mα=1arctan N =2.0arctan =11.3 ºδ=ϕ21=35 º/2=17.5 º 2、换算等代均布土层厚度0h :根据路基设计规范,γq h =0,其中q 是车辆荷载附加荷载强度,墙高小于2m 时,取20KN/m 2;墙高大于10m 时,取10KN/m 2;墙高在2~10m 之间时,附加荷载强度用直线内插法计算,γ为墙背填土重度。
挡土墙设计实例挡土墙是指支承路基填土或山坡土体、防止填土或土体变形失稳的构造物。
在挡土墙横断面中,与被支承土体直接接触的部位称为墙背;与墙背相对的、临空的部位称为墙面;与地基直接接触的部位称为基地;与基底相对的、墙的顶面称为墙顶;基底的前端称为墙趾;基底的后端称为墙踵。
根据挡土墙的设置位置不同,分为路肩墙、路堤墙、路堑墙和山坡墙等。
设置于路堤边坡的挡土墙称为路堤墙;墙顶位于路肩的挡土墙称为路肩墙;设置于路堑边坡的挡土墙称为路堑墙;设置于山坡上,支承山坡上可能坍塌的覆盖层土体或破碎岩层的挡土墙称为山坡墙。
本实例中主要讲述了5种常见挡土墙的设计计算实例。
1、重力式挡土墙------------------------------------------------------------------------原始条件:墙身尺寸:墙身高: 6.500(m)墙顶宽: 0.660(m)面坡倾斜坡度: 1:0.250背坡倾斜坡度: 1:0.200采用1个扩展墙址台阶:墙趾台阶b1: 0.300(m)墙趾台阶h1: 0.500(m)墙趾台阶与墙面坡坡度相同墙底倾斜坡率: 0.200:1物理参数:圬工砌体容重: 23.000(kN/m3)圬工之间摩擦系数: 0.400地基土摩擦系数: 0.500砌体种类: 片石砌体砂浆标号: 5石料强度(MPa): 30挡土墙类型: 一般挡土墙墙后填土内摩擦角: 35.000(度)墙后填土粘聚力: 0.000(kPa)墙后填土容重: 19.000(kN/m3)墙背与墙后填土摩擦角: 17.500(度)地基土容重: 18.000(kN/m3)修正后地基土容许承载力: 500.000(kPa)地基土容许承载力提高系数:墙趾值提高系数: 1.200墙踵值提高系数: 1.300平均值提高系数: 1.000墙底摩擦系数: 0.500地基土类型: 土质地基地基土内摩擦角: 30.000(度)土压力计算方法: 库仑坡线土柱:坡面线段数: 2折线序号水平投影长(m) 竖向投影长(m) 换算土柱数1 3.000 2.000 02 5.000 0.000 0坡面起始距离: 0.000(m)地面横坡角度: 20.000(度)墙顶标高: 0.000(m)挡墙分段长度: 10.000(m)=============================================== ======================组合1(仅取一种组合计算)=============================================组合系数: 1.0001. 挡土墙结构重力分项系数 = 1.000 √2. 墙顶上的有效永久荷载分项系数 = 1.000 √3. 墙顶与第二破裂面间有效荷载分项系数 = 1.000 √4. 填土侧压力分项系数 = 1.000 √5. 车辆荷载引起的土侧压力分项系数 = 1.000 √=============================================[土压力计算] 计算高度为 7.309(m)处的库仑主动土压力无荷载时的破裂角 = 28.320(度)按实际墙背计算得到:第1破裂角: 28.320(度)Ea=244.312 Ex=214.072 Ey=117.736(kN) 作用点高度Zy=2.627(m)因为俯斜墙背,需判断第二破裂面是否存在,计算后发现第二破裂面不存在墙身截面积 = 15.518(m2) 重量 = 356.925 kN(一) 滑动稳定性验算基底摩擦系数 = 0.500采用倾斜基底增强抗滑动稳定性,计算过程如下:基底倾斜角度 = 11.310 (度)Wn = 349.993(kN) En = 157.432(kN) Wt = 69.999(kN)Et = 186.825(kN)滑移力= 116.827(kN) 抗滑力= 253.713(kN)滑移验算满足: Kc = 2.172 > 1.300滑动稳定方程验算:滑动稳定方程满足: 方程值 = 164.582(kN) > 0.0地基土摩擦系数 = 0.500地基土层水平向: 滑移力= 214.072(kN) 抗滑力= 252.070(kN)地基土层水平向: 滑移验算不满足: Kc2 = 1.177 <= 1.300 (二) 倾覆稳定性验算相对于墙趾点,墙身重力的力臂 Zw = 2.186 (m)相对于墙趾点,Ey的力臂 Zx = 3.521 (m)相对于墙趾点,Ex的力臂 Zy = 1.818 (m)验算挡土墙绕墙趾的倾覆稳定性倾覆力矩= 389.149(kN-m) 抗倾覆力矩= 1194.778(kN-m)倾覆验算满足: K0 = 3.070 > 1.500倾覆稳定方程验算:倾覆稳定方程满足: 方程值 = 649.592(kN-m) > 0.0(三) 地基应力及偏心距验算基础为天然地基,验算墙底偏心距及压应力取倾斜基底的倾斜宽度验算地基承载力和偏心距作用于基础底的总竖向力 = 507.426(kN) 作用于墙趾下点的总弯矩=805.628(kN-m)基础底面宽度 B = 4.127 (m) 偏心距 e = 0.476(m)基础底面合力作用点距离基础趾点的距离 Zn = 1.588(m)基底压应力: 趾部=208.008 踵部=37.896(kPa)最大应力与最小应力之比 = 208.008 / 37.896 = 5.489作用于基底的合力偏心距验算满足: e=0.476 <= 0.167*4.127 = 0.688(m)墙趾处地基承载力验算满足: 压应力=208.008 <=600.000(kPa)墙踵处地基承载力验算满足: 压应力=37.896 <= 650.000(kPa)地基平均承载力验算满足: 压应力=122.952 <= 500.000(kPa) (四) 基础强度验算基础为天然地基,不作强度验算(五) 墙底截面强度验算验算截面以上,墙身截面积 = 13.946(m2) 重量 = 320.764 kN 相对于验算截面外边缘,墙身重力的力臂 Zw = 2.134 (m)相对于验算截面外边缘,Ey的力臂 Zx = 3.521 (m)相对于验算截面外边缘,Ex的力臂 Zy = 1.818 (m)[容许应力法]:法向应力检算:作用于验算截面的总竖向力 = 438.499(kN) 作用于墙趾下点的总弯矩=710.021(kN-m)相对于验算截面外边缘,合力作用力臂 Zn = 1.619(m)截面宽度 B = 3.885 (m) 偏心距 e1 = 0.323(m)截面上偏心距验算满足: e1= 0.323 <= 0.250*3.885 = 0.971(m)截面上压应力: 面坡=169.225 背坡=56.514(kPa)压应力验算满足: 计算值= 169.225 <= 800.000(kPa)切向应力检算:剪应力验算满足: 计算值= 9.954 <= 80.000(kPa)[极限状态法]:重要性系数0 = 1.000验算截面上的轴向力组合设计值Nd = 438.499(kN)轴心力偏心影响系数醟 = 0.923挡墙构件的计算截面每沿米面积A = 3.885(m2)材料抗压极限强度Ra = 1600.000(kPa)圬工构件或材料的抗力分项系数鉬 = 2.310偏心受压构件在弯曲平面内的纵向弯曲系数豮 = 0.997计算强度时:强度验算满足: 计算值= 438.499 <= 2484.452(kN)计算稳定时:稳定验算满足: 计算值= 438.499 <= 2478.074(kN)(六) 台顶截面强度验算[土压力计算] 计算高度为 6.000(m)处的库仑主动土压力无荷载时的破裂角 = 29.150(度)按实际墙背计算得到:第1破裂角: 29.150(度)Ea=172.939 Ex=151.533 Ey=83.340(kN) 作用点高度Zy=2.150(m)因为俯斜墙背,需判断第二破裂面是否存在,计算后发现第二破裂面不存在墙身截面积 = 12.060(m2) 重量 = 277.380 kN[强度验算]验算截面以上,墙身截面积 = 12.060(m2) 重量 = 277.380 kN相对于验算截面外边缘,墙身重力的力臂 Zw = 1.738 (m)相对于验算截面外边缘,Ey的力臂 Zx = 2.930 (m)相对于验算截面外边缘,Ex的力臂 Zy = 2.150 (m)[容许应力法]:法向应力检算:作用于验算截面的总竖向力 = 360.720(kN) 作用于墙趾下点的总弯矩=400.617(kN-m)相对于验算截面外边缘,合力作用力臂 Zn = 1.111(m)截面宽度 B = 3.360 (m) 偏心距 e1 = 0.569(m)截面上偏心距验算满足: e1= 0.569 <= 0.250*3.360 = 0.840(m)截面上压应力: 面坡=216.516 背坡=-1.802(kPa)压应力验算满足:计算值= 216.516 <= 800.000(kPa)拉应力验算满足: 计算值= 1.802 <= 80.000(kPa)切向应力检算:剪应力验算满足: 计算值= 2.156 <= 80.000(kPa)[极限状态法]:重要性系数0 = 1.000验算截面上的轴向力组合设计值Nd = 360.720(kN)轴心力偏心影响系数醟 = 0.744挡墙构件的计算截面每沿米面积A = 3.360(m2)材料抗压极限强度Ra = 1600.000(kPa)圬工构件或材料的抗力分项系数鉬 = 2.310偏心受压构件在弯曲平面内的纵向弯曲系数豮 = 0.994计算强度时:强度验算满足: 计算值= 360.720 <= 1730.509(kN)计算稳定时:稳定验算满足: 计算值= 360.720 <= 1720.261(kN)2、衡重式挡土墙------------------------------------------------------------------------原始条件:墙身尺寸:墙身总高: 9.600(m)上墙高: 3.400(m)墙顶宽: 0.660(m)台宽: 1.500(m)面坡倾斜坡度: 1:0.150上墙背坡倾斜坡度: 1:0.200下墙背坡倾斜坡度: 1:-0.200采用1个扩展墙址台阶:墙趾台阶b1: 0.300(m)墙趾台阶h1: 0.500(m)墙趾台阶与墙面坡坡度相同墙底倾斜坡率: 0.200:1下墙土压力计算方法: 力多边形法物理参数:圬工砌体容重: 23.000(kN/m3)圬工之间摩擦系数: 0.400地基土摩擦系数: 0.500砌体种类: 片石砌体砂浆标号: 5石料强度(MPa): 30挡土墙类型: 一般挡土墙墙后填土内摩擦角: 35.000(度)墙后填土粘聚力: 0.000(kPa)墙后填土容重: 19.000(kN/m3)墙背与墙后填土摩擦角: 17.500(度)地基土容重: 18.000(kN/m3)修正后地基土容许承载力: 500.000(kPa)地基土容许承载力提高系数:墙趾值提高系数: 1.200墙踵值提高系数: 1.300平均值提高系数: 1.000墙底摩擦系数: 0.500地基土类型: 土质地基地基土内摩擦角: 30.000(度)坡线土柱:坡面线段数: 2折线序号水平投影长(m) 竖向投影长(m) 换算土柱数1 3.000 2.000 02 5.000 0.000 0地面横坡角度: 20.000(度)墙顶标高: 0.000(m)挡墙分段长度: 10.000(m)=============================================== ======================组合1(仅取一种组合计算)=============================================组合系数: 1.0001. 挡土墙结构重力分项系数 = 1.000 √2. 填土重力分项系数 = 1.000 √3. 填土侧压力分项系数 = 1.000 √4. 车辆荷载引起的土侧压力分项系数 = 1.000 √============================================= [土压力计算] 计算高度为 10.242(m)处的库仑主动土压力计算上墙土压力无荷载时的破裂角 = 31.060(度)按假想墙背计算得到:第1破裂角: 32.720(度)Ea=148.041 Ex=56.254 Ey=136.937(kN) 作用点高度Zy=1.260(m)因为俯斜墙背,需判断第二破裂面是否存在,计算后发现第二破裂面存在:第2破裂角=17.542(度) 第1破裂角=31.060(度)Ea=102.147 Ex=62.124 Ey=81.085(kN) 作用点高度Zy=1.465(m)计算下墙土压力无荷载时的破裂角 = 34.222(度)按力多边形法计算得到:破裂角: 34.222(度)Ea=201.028 Ex=199.855 Ey=21.676(kN) 作用点高度Zy=2.979(m)墙身截面积 = 25.299(m2) 重量 = 581.869 kN衡重台上填料重 = 90.539(kN) 重心坐标(1.649,-1.646)(相对于墙面坡上角点)(一) 滑动稳定性验算基底摩擦系数 = 0.500采用倾斜基底增强抗滑动稳定性,计算过程如下:基底倾斜角度 = 11.310 (度)Wn = 659.350(kN) En = 152.144(kN) Wt = 131.870(kN) Et = 236.739(kN)滑移力= 104.869(kN) 抗滑力= 405.747(kN)滑移验算满足: Kc = 3.869 > 1.300滑动稳定方程验算:滑动稳定方程满足: 方程值 = 353.905(kN) > 0.0地基土摩擦系数 = 0.500地基土层水平向: 滑移力= 261.979(kN) 抗滑力= 396.867(kN)地基土层水平向: 滑移验算满足: Kc2 = 1.515 > 1.300(二) 倾覆稳定性验算相对于墙趾,墙身重力的力臂 Zw = 2.308 (m)相对于墙趾,上墙Ey的力臂 Zx = 4.117 (m)相对于墙趾,上墙Ex的力臂 Zy = 7.665 (m)相对于墙趾,下墙Ey的力臂 Zx3 = 3.807 (m)相对于墙趾,下墙Ex的力臂 Zy3 = 2.337 (m)验算挡土墙绕墙趾的倾覆稳定性倾覆力矩= 943.130(kN-m) 抗倾覆力矩= 2066.104(kN-m)倾覆验算满足: K0 = 2.191 > 1.500倾覆稳定方程验算:倾覆稳定方程满足: 方程值 = 793.025(kN-m) > 0.0(三) 地基应力及偏心距验算基础为天然地基,验算墙底偏心距及压应力取倾斜基底的倾斜宽度验算地基承载力和偏心距作用于基础底的总竖向力 = 811.494(kN) 作用于墙趾下点的总弯矩=1122.975(kN-m)基础底面宽度 B = 3.275 (m) 偏心距 e = 0.254(m)基础底面合力作用点距离基础趾点的距离 Zn = 1.384(m)基底压应力: 趾部=362.948 踵部=132.600(kPa)最大应力与最小应力之比 = 362.948 / 132.600 = 2.737作用于基底的合力偏心距验算满足: e=0.254 <= 0.167*3.275 = 0.546(m)墙趾处地基承载力验算满足: 压应力=362.948 <=600.000(kPa)墙踵处地基承载力验算满足: 压应力=132.600 <=650.000(kPa)地基平均承载力验算满足: 压应力=247.774 <= 500.000(kPa) (四) 基础强度验算基础为天然地基,不作强度验算(五) 上墙截面强度验算上墙重力 Ws = 98.141 (kN)上墙墙背处的 Ex = 62.124 (kN)上墙墙背处的 Ey = 12.425 (kN)相对于上墙墙趾,上墙重力的力臂 Zw = 0.889 (m)相对于上墙墙趾,上墙Ex的力臂 Zy = 1.465 (m)相对于上墙墙趾,上墙Ey的力臂 Zx = 1.557 (m)[容许应力法]:法向应力检算:相对于上墙墙趾,合力作用力臂 Zn = 0.141(m)截面宽度 B = 1.850 (m) 偏心距 e1 = 0.784(m)截面上偏心距验算不满足: e1= 0.784 > 0.250*1.850 =0.463(m)截面上压应力: 面坡=211.665 背坡=-92.134(kPa)压应力验算满足: 计算值= 211.665 <= 800.000(kPa)拉应力验算不满足:计算值= 92.134 > 80.000(kPa)切向应力检算:剪应力验算满足: 计算值= 9.674 <= 80.000(kPa)斜截面剪应力检算斜剪应力验算满足: 计算值= 41.598 <= 80.000(kPa)[极限状态法]:重要性系数0 = 1.000验算截面上的轴向力组合设计值Nd = 110.566(kN)轴心力偏心影响系数醟 = 0.233挡墙构件的计算截面每沿米面积A = 1.850(m2)材料抗压极限强度Ra = 1600.000(kPa)圬工构件或材料的抗力分项系数鉬 = 2.310偏心受压构件在弯曲平面内的纵向弯曲系数豮 = 0.981计算强度时:强度验算满足: 计算值= 110.566 <= 298.521(kN)计算稳定时:稳定验算满足: 计算值= 110.566 <= 292.889(kN)(六) 墙底截面强度验算验算截面以上,墙身截面积 = 24.226(m2) 重量 = 557.198 kN 相对于验算截面外边缘,墙身重力的力臂 Zw = 2.313 (m)[容许应力法]:法向应力检算:作用于截面总竖向力 = 750.498(kN) 作用于墙趾下点的总弯矩=1106.215(kN-m)相对于验算截面外边缘,合力作用力臂 Zn = 1.474(m)截面宽度 B = 3.340 (m) 偏心距 e1 = 0.196(m)截面上偏心距验算满足: e1= 0.196 <= 0.250*3.340 = 0.835(m)截面上压应力: 面坡=303.826 背坡=145.574(kPa)压应力验算满足: 计算值= 303.826 <= 800.000(kPa)切向应力检算:剪应力验算满足: 计算值= -11.443 <= 80.000(kPa)[极限状态法]:重要性系数0 = 1.000验算截面上的轴向力组合设计值Nd = 750.498(kN)轴心力偏心影响系数醟 = 0.960挡墙构件的计算截面每沿米面积A = 3.340(m2)材料抗压极限强度Ra = 1600.000(kPa)圬工构件或材料的抗力分项系数鉬 = 2.310偏心受压构件在弯曲平面内的纵向弯曲系数豮 = 0.968计算强度时:强度验算满足: 计算值= 750.498 <= 2221.592(kN)计算稳定时:稳定验算满足: 计算值= 750.498 <= 2149.911(kN)(七) 台顶截面强度验算[土压力计算] 计算高度为 9.100(m)处的库仑主动土压力计算上墙土压力无荷载时的破裂角 = 31.060(度)按假想墙背计算得到:第1破裂角: 32.720(度)Ea=148.041 Ex=56.254 Ey=136.937(kN) 作用点高度Zy=1.260(m)因为俯斜墙背,需判断第二破裂面是否存在,计算后发现第二破裂面存在:第2破裂角=17.542(度) 第1破裂角=31.060(度)Ea=102.147 Ex=62.124 Ey=81.085(kN) 作用点高度Zy=1.465(m)计算下墙土压力无荷载时的破裂角 = 34.075(度)按力多边形法计算得到:破裂角: 34.075(度)Ea=156.451 Ex=155.539 Ey=16.870(kN) 作用点高度Zy=2.522(m)[强度验算]验算截面以上,墙身截面积 = 22.550(m2) 重量 = 518.644 kN 相对于验算截面外边缘,墙身重力的力臂 Zw = 2.358 (m) [容许应力法]:法向应力检算:作用于截面总竖向力 = 707.137(kN) 作用于墙趾下点的总弯矩=830.127(kN-m)相对于验算截面外边缘,合力作用力臂 Zn = 1.174(m)截面宽度 B = 3.065 (m) 偏心距 e1 = 0.359(m)截面上偏心距验算满足: e1= 0.359 <= 0.250*3.065 = 0.766(m)截面上压应力: 面坡=392.661 背坡=68.767(kPa)压应力验算满足: 计算值= 392.661 <= 800.000(kPa)切向应力检算:剪应力验算满足: 计算值= -21.270 <= 80.000(kPa)[极限状态法]:重要性系数0 = 1.000验算截面上的轴向力组合设计值Nd = 707.137(kN)轴心力偏心影响系数醟 = 0.859挡墙构件的计算截面每沿米面积A = 3.065(m2)材料抗压极限强度Ra = 1600.000(kPa)圬工构件或材料的抗力分项系数鉬 = 2.310偏心受压构件在弯曲平面内的纵向弯曲系数豮 = 0.959计算强度时:强度验算满足: 计算值= 707.137 <= 1823.443(kN)计算稳定时:稳定验算满足: 计算值= 707.137 <= 1749.052(kN)=========================================== ==========================3、加筋土挡土墙------------------------------------------------------------------------原始条件:墙身尺寸:墙身总高: 8.200(m)筋带竖向间距是否不等: 否单个筋带厚: 1(mm)筋带水平方向间距: 0.420(m)筋带竖直方向间距: 0.400(m)筋带长度竖向分段数: 2分段序号高度(m) 筋带长(m)1 6.000 6.0002 2.200 4.000筋带序号筋带宽(m)1 0.2002 0.2003 0.2004 0.2005 0.2006 0.2007 0.2008 0.2009 0.20010 0.20011 0.20012 0.20013 0.20014 0.20015 0.20016 0.20017 0.20018 0.20019 0.20020 0.200物理参数:加筋土容重: 20.000(kN/m3)加筋土内摩擦角: 35.000(度)筋带容许拉应力: 50.000(MPa)土与筋带之间的摩擦系数: 0.400加筋土浮容重: 10.000(kN/m3)地基土浮重度: 10.000(kN/m3)筋带抗拔力计算调节系数: 1.400筋带材料抗拉计算调节系数: 1.000筋带材料强度标准值: 240.000(MPa)筋带材料抗拉性能的分项系数: 1.250挡土墙类型: 一般挡土墙墙后填土内摩擦角: 35.000(度)墙后填土粘聚力: 0.000(kPa)墙后填土容重: 19.000(kN/m3)地基土容重: 18.000(kN/m3)修正后地基土容许承载力: 500.000(kPa)地基土容许承载力提高系数:墙趾值提高系数: 1.200墙踵值提高系数: 1.300平均值提高系数: 1.000墙底摩擦系数: 0.500地基土类型: 土质地基地基土内摩擦角: 30.000(度)坡线土柱:坡面线段数: 2折线序号水平投影长(m) 竖向投影长(m) 换算土柱数1 3.000 2.000 02 5.000 0.000 0地面横坡角度: 20.000(度)墙顶标高: 0.000(m)挡墙分段长度: 10.000(m)计算参数:稳定计算目标: 给定圆心,半径计算安全系数圆心X坐标: -2.000(m)圆心Y坐标: 10.000(m)半径: 15.000(m)筋带对稳定的作用: 筋带力沿圆弧切线内部稳定分析采用方法: 应力分析法条分法的土条宽度: 0.500(m)墙后填土粘聚力: 10.000(kPa)墙体填土粘聚力: 10.000(kPa)地基土粘聚力: 10.000(kPa)土条切向分力与滑动方向反向时: 当作下滑力对待=============================================== ======================第 1 种情况: 组合1=============================================组合系数: 1.0001. 挡土墙结构重力分项系数 = 1.000 √2. 填土侧压力分项系数 = 1.000 √3. 车辆荷载引起的土侧压力分项系数 = 1.000 √=============================================----------------------------------------------------------内部稳定性验算采用应力分析法(一) 应力分析法筋带号宽度总长度稳定区竖向压应水平应最大拉力抗拉力抗拔力(m) (m) 长度(m) 力(kPa) 力(kPa) 设计值(kN) (kN) (kN)01 0.200 6.000 3.540 46.000 19.139 3.215 38.400 18.61002 0.200 6.000 3.540 54.000 21.908 3.681 38.400 21.84703 0.200 6.000 3.540 62.000 24.511 4.118 38.400 25.08304 0.200 6.000 3.540 70.000 26.948 4.527 38.400 28.32005 0.200 6.000 3.540 78.000 29.220 4.909 38.400 31.55706 0.200 6.000 3.540 86.000 31.326 5.263 38.400 34.79307 0.200 6.000 3.540 94.000 33.265 5.589 38.400 38.03008 0.200 6.000 3.540 102.000 35.040 5.887 38.400 41.26609 0.200 6.000 3.605 110.000 36.648 6.157 38.40045.32510 0.200 6.000 3.814 118.000 38.091 6.399 38.400 51.42911 0.200 6.000 4.022 126.000 39.367 6.614 38.400 57.91512 0.200 6.000 4.230 134.000 40.478 6.800 38.400 64.78113 0.200 6.000 4.438 142.000 41.423 6.959 38.400 72.02714 0.200 6.000 4.647 150.000 42.203 7.090 38.400 79.65515 0.200 4.000 2.855 158.000 42.816 7.193 38.400 51.54916 0.200 4.000 3.063 166.000 44.984 7.557 38.400 58.10917 0.200 4.000 3.271 174.000 47.152 7.922 38.400 65.05018 0.200 4.000 3.479 182.000 49.320 8.286 38.400 72.37219 0.200 4.000 3.688 190.000 51.488 8.650 38.400 80.07520 0.200 4.000 3.896 198.000 53.656 9.014 38.400 88.158单个筋带结点抗拔稳定满足: 拉力设计值=3.215 <= 18.610(kN)筋带截面抗拉强度验算满足: 拉力设计值=9.014 <= 38.400(kN)全墙抗拔验算满足: 最小安全系数=11.415 >= 2.000----------------------------------------------------------外部稳定性验算[土压力计算] 计算墙背处的库仑主动土压力按假想墙背计算得到:第1破裂角: 32.600(度)Ea=246.817 Ex=202.181 Ey=141.568(kN) 作用点高度Zy=3.400(m)墙身截面积 = 44.800(m2) 重量 = 896.000 kN墙顶上的土重(包括超载) = 171.000(kN) 重心坐标(3.667,0.889)(相对于墙面坡上角点)墙顶上的土重(不包括超载) = 171.000(kN) 重心坐标(3.667,0.889)(相对于墙面坡上角点)(一) 滑动稳定性验算基底摩擦系数 = 0.500滑移力= 202.181(kN) 抗滑力= 604.284(kN)滑移验算满足: Kc = 2.989 > 1.300。
大小头挡土墙方量计算公式及例题
一、大小头挡土墙概述
大小头挡土墙是一种常见的土木工程结构,主要用于抵御土体滑动、崩塌等地质灾害。
它主要由墙身、基础和排水系统组成。
其中,墙身根据横截面形状可分为普通挡土墙和大小头挡土墙。
大小头挡土墙在墙身高度相同的情况下,由于其头部扩大,能有效减小墙身所承受的土压力,从而提高墙体的稳定性。
二、方量计算公式
1.普通挡土墙方量计算公式
普通挡土墙的方量计算公式较为简单,主要是根据墙高、墙宽和墙体厚度来计算。
公式如下:
方量= 墙高× 墙宽× 墙体厚度
2.大小头挡土墙方量计算公式
大小头挡土墙的方量计算相对复杂,需要根据墙高、墙宽、墙体厚度和头部扩大比例来计算。
公式如下:
方量= 墙高× 墙宽× 墙体厚度× 头部扩大比例
三、例题解析
1.普通挡土墙例题
已知挡土墙高度为3米,宽度为2米,厚度为0.5米,求方量。
解:方量= 3 × 2 × 0.5 = 3立方米
2.大小头挡土墙例题
已知挡土墙高度为3米,宽度为2米,厚度为0.5米,头部扩大比例为1.5,求方量。
解:方量= 3 × 2 × 0.5 × 1.5 = 4.5立方米
四、结论与建议
综上所述,大小头挡土墙在承受相同土压力的情况下,其方量计算与普通挡土墙有所不同。
在实际工程中,根据具体情况选择合适的挡土墙类型,并进行准确的方量计算,有助于优化工程设计和提高工程质量。
挡土墙设计实例挡土墙是指支承路基填土或山坡土体、防止填土或土体变形失稳的构造物。
在挡土墙横断面中,与被支承土体直接接触的部位称为墙背;与墙背相对的、临空的部位称为墙面;与地基直接接触的部位称为基地;与基底相对的、墙的顶面称为墙顶;基底的前端称为墙趾;基底的后端称为墙踵。
根据挡土墙的设置位置不同,分为路肩墙、路堤墙、路堑墙和山坡墙等。
设置于路堤边坡的挡土墙称为路堤墙;墙顶位于路肩的挡土墙称为路肩墙;设置于路堑边坡的挡土墙称为路堑墙;设置于山坡上,支承山坡上可能坍塌的覆盖层土体或破碎岩层的挡土墙称为山坡墙。
本实例中主要讲述了5种常见挡土墙的设计计算实例。
1、重力式挡土墙------------------------------------------------------------------------原始条件:墙身尺寸:墙身高: 6.500(m)墙顶宽: 0.660(m)面坡倾斜坡度: 1:0.250背坡倾斜坡度: 1:0.200采用1个扩展墙址台阶:墙趾台阶b1: 0.300(m)墙趾台阶h1: 0.500(m)墙趾台阶与墙面坡坡度相同墙底倾斜坡率: 0.200:1物理参数:圬工砌体容重: 23.000(kN/m3)圬工之间摩擦系数: 0.400地基土摩擦系数: 0.500砌体种类: 片石砌体砂浆标号: 5石料强度(MPa): 30挡土墙类型: 一般挡土墙墙后填土内摩擦角: 35.000(度)墙后填土粘聚力: 0.000(kPa)墙后填土容重: 19.000(kN/m3)墙背与墙后填土摩擦角: 17.500(度)地基土容重: 18.000(kN/m3)修正后地基土容许承载力: 500.000(kPa)地基土容许承载力提高系数:墙趾值提高系数: 1.200墙踵值提高系数: 1.300平均值提高系数: 1.000墙底摩擦系数: 0.500地基土类型: 土质地基地基土内摩擦角: 30.000(度)土压力计算方法: 库仑坡线土柱:坡面线段数: 2折线序号水平投影长(m) 竖向投影长(m) 换算土柱数1 3.000 2.000 02 5.000 0.000 0坡面起始距离: 0.000(m)地面横坡角度: 20.000(度)墙顶标高: 0.000(m)挡墙分段长度: 10.000(m)===================================================================== 组合1(仅取一种组合计算)=============================================组合系数: 1.0001. 挡土墙结构重力分项系数 = 1.000 √2. 墙顶上的有效永久荷载分项系数 = 1.000 √3. 墙顶与第二破裂面间有效荷载分项系数 = 1.000 √4. 填土侧压力分项系数 = 1.000 √5. 车辆荷载引起的土侧压力分项系数 = 1.000 √=============================================[土压力计算] 计算高度为 7.309(m)处的库仑主动土压力无荷载时的破裂角 = 28.320(度)按实际墙背计算得到:第1破裂角: 28.320(度)Ea=244.312 Ex=214.072 Ey=117.736(kN) 作用点高度 Zy=2.627(m) 因为俯斜墙背,需判断第二破裂面是否存在,计算后发现第二破裂面不存在墙身截面积 = 15.518(m2) 重量 = 356.925 kN(一) 滑动稳定性验算基底摩擦系数 = 0.500采用倾斜基底增强抗滑动稳定性,计算过程如下:基底倾斜角度 = 11.310 (度)Wn = 349.993(kN) En = 157.432(kN) Wt = 69.999(kN) Et = 186.825(kN) 滑移力= 116.827(kN) 抗滑力= 253.713(kN)滑移验算满足: Kc = 2.172 > 1.300滑动稳定方程验算:滑动稳定方程满足: 方程值 = 164.582(kN) > 0.0地基土摩擦系数 = 0.500地基土层水平向: 滑移力= 214.072(kN) 抗滑力= 252.070(kN)地基土层水平向: 滑移验算不满足: Kc2 = 1.177 <= 1.300(二) 倾覆稳定性验算相对于墙趾点,墙身重力的力臂 Zw = 2.186 (m)相对于墙趾点,Ey的力臂 Zx = 3.521 (m)相对于墙趾点,Ex的力臂 Zy = 1.818 (m)验算挡土墙绕墙趾的倾覆稳定性倾覆力矩= 389.149(kN-m) 抗倾覆力矩= 1194.778(kN-m)倾覆验算满足: K0 = 3.070 > 1.500倾覆稳定方程验算:倾覆稳定方程满足: 方程值 = 649.592(kN-m) > 0.0(三) 地基应力及偏心距验算基础为天然地基,验算墙底偏心距及压应力取倾斜基底的倾斜宽度验算地基承载力和偏心距作用于基础底的总竖向力 = 507.426(kN) 作用于墙趾下点的总弯矩=805.628(kN-m) 基础底面宽度 B = 4.127 (m) 偏心距 e = 0.476(m)基础底面合力作用点距离基础趾点的距离 Zn = 1.588(m)基底压应力: 趾部=208.008 踵部=37.896(kPa)最大应力与最小应力之比 = 208.008 / 37.896 = 5.489作用于基底的合力偏心距验算满足: e=0.476 <= 0.167*4.127 = 0.688(m)墙趾处地基承载力验算满足: 压应力=208.008 <= 600.000(kPa)墙踵处地基承载力验算满足: 压应力=37.896 <= 650.000(kPa)地基平均承载力验算满足: 压应力=122.952 <= 500.000(kPa)(四) 基础强度验算基础为天然地基,不作强度验算(五) 墙底截面强度验算验算截面以上,墙身截面积 = 13.946(m2) 重量 = 320.764 kN相对于验算截面外边缘,墙身重力的力臂 Zw = 2.134 (m)相对于验算截面外边缘,Ey的力臂 Zx = 3.521 (m)相对于验算截面外边缘,Ex的力臂 Zy = 1.818 (m)[容许应力法]:法向应力检算:作用于验算截面的总竖向力 = 438.499(kN) 作用于墙趾下点的总弯矩=710.021(kN-m) 相对于验算截面外边缘,合力作用力臂 Zn = 1.619(m)截面宽度 B = 3.885 (m) 偏心距 e1 = 0.323(m)截面上偏心距验算满足: e1= 0.323 <= 0.250*3.885 = 0.971(m)截面上压应力: 面坡=169.225 背坡=56.514(kPa)压应力验算满足: 计算值= 169.225 <= 800.000(kPa)切向应力检算:剪应力验算满足: 计算值= 9.954 <= 80.000(kPa)[极限状态法]:重要性系数0 = 1.000验算截面上的轴向力组合设计值Nd = 438.499(kN)轴心力偏心影响系数醟 = 0.923挡墙构件的计算截面每沿米面积A = 3.885(m2)材料抗压极限强度Ra = 1600.000(kPa)圬工构件或材料的抗力分项系数鉬 = 2.310偏心受压构件在弯曲平面内的纵向弯曲系数豮 = 0.997计算强度时:强度验算满足: 计算值= 438.499 <= 2484.452(kN)计算稳定时:稳定验算满足: 计算值= 438.499 <= 2478.074(kN)(六) 台顶截面强度验算[土压力计算] 计算高度为 6.000(m)处的库仑主动土压力无荷载时的破裂角 = 29.150(度)按实际墙背计算得到:第1破裂角: 29.150(度)Ea=172.939 Ex=151.533 Ey=83.340(kN) 作用点高度 Zy=2.150(m) 因为俯斜墙背,需判断第二破裂面是否存在,计算后发现第二破裂面不存在墙身截面积 = 12.060(m2) 重量 = 277.380 kN[强度验算]验算截面以上,墙身截面积 = 12.060(m2) 重量 = 277.380 kN相对于验算截面外边缘,墙身重力的力臂 Zw = 1.738 (m)相对于验算截面外边缘,Ey的力臂 Zx = 2.930 (m)相对于验算截面外边缘,Ex的力臂 Zy = 2.150 (m)[容许应力法]:法向应力检算:作用于验算截面的总竖向力 = 360.720(kN) 作用于墙趾下点的总弯矩=400.617(kN-m) 相对于验算截面外边缘,合力作用力臂 Zn = 1.111(m)截面宽度 B = 3.360 (m) 偏心距 e1 = 0.569(m)截面上偏心距验算满足: e1= 0.569 <= 0.250*3.360 = 0.840(m)截面上压应力: 面坡=216.516 背坡=-1.802(kPa)压应力验算满足: 计算值= 216.516 <= 800.000(kPa)拉应力验算满足: 计算值= 1.802 <= 80.000(kPa)切向应力检算:剪应力验算满足: 计算值= 2.156 <= 80.000(kPa)[极限状态法]:重要性系数0 = 1.000验算截面上的轴向力组合设计值Nd = 360.720(kN)轴心力偏心影响系数醟 = 0.744挡墙构件的计算截面每沿米面积A = 3.360(m2)材料抗压极限强度Ra = 1600.000(kPa)圬工构件或材料的抗力分项系数鉬 = 2.310偏心受压构件在弯曲平面内的纵向弯曲系数豮 = 0.994计算强度时:强度验算满足: 计算值= 360.720 <= 1730.509(kN)计算稳定时:稳定验算满足: 计算值= 360.720 <= 1720.261(kN)2、衡重式挡土墙------------------------------------------------------------------------ 原始条件:墙身尺寸:墙身总高: 9.600(m)上墙高: 3.400(m)墙顶宽: 0.660(m)台宽: 1.500(m)面坡倾斜坡度: 1:0.150上墙背坡倾斜坡度: 1:0.200下墙背坡倾斜坡度: 1:-0.200采用1个扩展墙址台阶:墙趾台阶b1: 0.300(m)墙趾台阶h1: 0.500(m)墙趾台阶与墙面坡坡度相同墙底倾斜坡率: 0.200:1下墙土压力计算方法: 力多边形法物理参数:圬工砌体容重: 23.000(kN/m3)圬工之间摩擦系数: 0.400地基土摩擦系数: 0.500砌体种类: 片石砌体砂浆标号: 5石料强度(MPa): 30挡土墙类型: 一般挡土墙墙后填土内摩擦角: 35.000(度)墙后填土粘聚力: 0.000(kPa)墙后填土容重: 19.000(kN/m3)墙背与墙后填土摩擦角: 17.500(度)地基土容重: 18.000(kN/m3)修正后地基土容许承载力: 500.000(kPa)地基土容许承载力提高系数:墙趾值提高系数: 1.200墙踵值提高系数: 1.300平均值提高系数: 1.000墙底摩擦系数: 0.500地基土类型: 土质地基地基土内摩擦角: 30.000(度)坡线土柱:坡面线段数: 2折线序号水平投影长(m) 竖向投影长(m) 换算土柱数1 3.000 2.000 02 5.000 0.000 0地面横坡角度: 20.000(度)墙顶标高: 0.000(m)挡墙分段长度: 10.000(m)===================================================================== 组合1(仅取一种组合计算)=============================================组合系数: 1.0001. 挡土墙结构重力分项系数 = 1.000 √2. 填土重力分项系数 = 1.000 √3. 填土侧压力分项系数 = 1.000 √4. 车辆荷载引起的土侧压力分项系数 = 1.000 √=============================================[土压力计算] 计算高度为 10.242(m)处的库仑主动土压力计算上墙土压力无荷载时的破裂角 = 31.060(度)按假想墙背计算得到:第1破裂角: 32.720(度)Ea=148.041 Ex=56.254 Ey=136.937(kN) 作用点高度 Zy=1.260(m) 因为俯斜墙背,需判断第二破裂面是否存在,计算后发现第二破裂面存在:第2破裂角=17.542(度) 第1破裂角=31.060(度)Ea=102.147 Ex=62.124 Ey=81.085(kN) 作用点高度 Zy=1.465(m) 计算下墙土压力无荷载时的破裂角 = 34.222(度)按力多边形法计算得到:破裂角: 34.222(度)Ea=201.028 Ex=199.855 Ey=21.676(kN) 作用点高度 Zy=2.979(m) 墙身截面积 = 25.299(m2) 重量 = 581.869 kN衡重台上填料重 = 90.539(kN) 重心坐标(1.649,-1.646)(相对于墙面坡上角点) (一) 滑动稳定性验算基底摩擦系数 = 0.500采用倾斜基底增强抗滑动稳定性,计算过程如下:基底倾斜角度 = 11.310 (度)Wn = 659.350(kN) En = 152.144(kN) Wt = 131.870(kN) Et = 236.739(kN) 滑移力= 104.869(kN) 抗滑力= 405.747(kN)滑移验算满足: Kc = 3.869 > 1.300滑动稳定方程验算:滑动稳定方程满足: 方程值 = 353.905(kN) > 0.0地基土摩擦系数 = 0.500地基土层水平向: 滑移力= 261.979(kN) 抗滑力= 396.867(kN)地基土层水平向: 滑移验算满足: Kc2 = 1.515 > 1.300(二) 倾覆稳定性验算相对于墙趾,墙身重力的力臂 Zw = 2.308 (m)相对于墙趾,上墙Ey的力臂 Zx = 4.117 (m)相对于墙趾,上墙Ex的力臂 Zy = 7.665 (m)相对于墙趾,下墙Ey的力臂 Zx3 = 3.807 (m)相对于墙趾,下墙Ex的力臂 Zy3 = 2.337 (m)验算挡土墙绕墙趾的倾覆稳定性倾覆力矩= 943.130(kN-m) 抗倾覆力矩= 2066.104(kN-m)倾覆验算满足: K0 = 2.191 > 1.500倾覆稳定方程验算:倾覆稳定方程满足: 方程值 = 793.025(kN-m) > 0.0(三) 地基应力及偏心距验算基础为天然地基,验算墙底偏心距及压应力取倾斜基底的倾斜宽度验算地基承载力和偏心距作用于基础底的总竖向力 = 811.494(kN) 作用于墙趾下点的总弯矩=1122.975(kN-m) 基础底面宽度 B = 3.275 (m) 偏心距 e = 0.254(m)基础底面合力作用点距离基础趾点的距离 Zn = 1.384(m)基底压应力: 趾部=362.948 踵部=132.600(kPa)最大应力与最小应力之比 = 362.948 / 132.600 = 2.737作用于基底的合力偏心距验算满足: e=0.254 <= 0.167*3.275 = 0.546(m)墙趾处地基承载力验算满足: 压应力=362.948 <= 600.000(kPa)墙踵处地基承载力验算满足: 压应力=132.600 <= 650.000(kPa)地基平均承载力验算满足: 压应力=247.774 <= 500.000(kPa)(四) 基础强度验算基础为天然地基,不作强度验算(五) 上墙截面强度验算上墙重力 Ws = 98.141 (kN)上墙墙背处的 Ex = 62.124 (kN)上墙墙背处的 Ey = 12.425 (kN)相对于上墙墙趾,上墙重力的力臂 Zw = 0.889 (m)相对于上墙墙趾,上墙Ex的力臂 Zy = 1.465 (m)相对于上墙墙趾,上墙Ey的力臂 Zx = 1.557 (m)[容许应力法]:法向应力检算:相对于上墙墙趾,合力作用力臂 Zn = 0.141(m)截面宽度 B = 1.850 (m) 偏心距 e1 = 0.784(m)截面上偏心距验算不满足: e1= 0.784 > 0.250*1.850 = 0.463(m) 截面上压应力: 面坡=211.665 背坡=-92.134(kPa)压应力验算满足: 计算值= 211.665 <= 800.000(kPa)拉应力验算不满足: 计算值= 92.134 > 80.000(kPa) 切向应力检算:剪应力验算满足: 计算值= 9.674 <= 80.000(kPa)斜截面剪应力检算斜剪应力验算满足: 计算值= 41.598 <= 80.000(kPa)[极限状态法]:重要性系数0 = 1.000验算截面上的轴向力组合设计值Nd = 110.566(kN)轴心力偏心影响系数醟 = 0.233挡墙构件的计算截面每沿米面积A = 1.850(m2)材料抗压极限强度Ra = 1600.000(kPa)圬工构件或材料的抗力分项系数鉬 = 2.310偏心受压构件在弯曲平面内的纵向弯曲系数豮 = 0.981计算强度时:强度验算满足: 计算值= 110.566 <= 298.521(kN)计算稳定时:稳定验算满足: 计算值= 110.566 <= 292.889(kN)(六) 墙底截面强度验算验算截面以上,墙身截面积 = 24.226(m2) 重量 = 557.198 kN相对于验算截面外边缘,墙身重力的力臂 Zw = 2.313 (m)[容许应力法]:法向应力检算:作用于截面总竖向力 = 750.498(kN) 作用于墙趾下点的总弯矩=1106.215(kN-m) 相对于验算截面外边缘,合力作用力臂 Zn = 1.474(m)截面宽度 B = 3.340 (m) 偏心距 e1 = 0.196(m)截面上偏心距验算满足: e1= 0.196 <= 0.250*3.340 = 0.835(m)截面上压应力: 面坡=303.826 背坡=145.574(kPa)压应力验算满足: 计算值= 303.826 <= 800.000(kPa)切向应力检算:剪应力验算满足: 计算值= -11.443 <= 80.000(kPa)[极限状态法]:重要性系数0 = 1.000验算截面上的轴向力组合设计值Nd = 750.498(kN)轴心力偏心影响系数醟 = 0.960挡墙构件的计算截面每沿米面积A = 3.340(m2)材料抗压极限强度Ra = 1600.000(kPa)圬工构件或材料的抗力分项系数鉬 = 2.310偏心受压构件在弯曲平面内的纵向弯曲系数豮 = 0.968计算强度时:强度验算满足: 计算值= 750.498 <= 2221.592(kN)计算稳定时:稳定验算满足: 计算值= 750.498 <= 2149.911(kN)(七) 台顶截面强度验算[土压力计算] 计算高度为 9.100(m)处的库仑主动土压力计算上墙土压力无荷载时的破裂角 = 31.060(度)按假想墙背计算得到:第1破裂角: 32.720(度)Ea=148.041 Ex=56.254 Ey=136.937(kN) 作用点高度 Zy=1.260(m) 因为俯斜墙背,需判断第二破裂面是否存在,计算后发现第二破裂面存在:第2破裂角=17.542(度) 第1破裂角=31.060(度)Ea=102.147 Ex=62.124 Ey=81.085(kN) 作用点高度 Zy=1.465(m) 计算下墙土压力无荷载时的破裂角 = 34.075(度)按力多边形法计算得到:破裂角: 34.075(度)Ea=156.451 Ex=155.539 Ey=16.870(kN) 作用点高度 Zy=2.522(m)[强度验算]验算截面以上,墙身截面积 = 22.550(m2) 重量 = 518.644 kN相对于验算截面外边缘,墙身重力的力臂 Zw = 2.358 (m)[容许应力法]:法向应力检算:作用于截面总竖向力 = 707.137(kN) 作用于墙趾下点的总弯矩=830.127(kN-m) 相对于验算截面外边缘,合力作用力臂 Zn = 1.174(m)截面宽度 B = 3.065 (m) 偏心距 e1 = 0.359(m)截面上偏心距验算满足: e1= 0.359 <= 0.250*3.065 = 0.766(m)截面上压应力: 面坡=392.661 背坡=68.767(kPa)压应力验算满足: 计算值= 392.661 <= 800.000(kPa)切向应力检算:剪应力验算满足: 计算值= -21.270 <= 80.000(kPa)[极限状态法]:重要性系数0 = 1.000验算截面上的轴向力组合设计值Nd = 707.137(kN)轴心力偏心影响系数醟 = 0.859挡墙构件的计算截面每沿米面积A = 3.065(m2)材料抗压极限强度Ra = 1600.000(kPa)圬工构件或材料的抗力分项系数鉬 = 2.310偏心受压构件在弯曲平面内的纵向弯曲系数豮 = 0.959计算强度时:强度验算满足: 计算值= 707.137 <= 1823.443(kN)计算稳定时:稳定验算满足: 计算值= 707.137 <= 1749.052(kN)=====================================================================3、加筋土挡土墙------------------------------------------------------------------------ 原始条件:墙身尺寸:墙身总高: 8.200(m)筋带竖向间距是否不等: 否单个筋带厚: 1(mm)筋带水平方向间距: 0.420(m)筋带竖直方向间距: 0.400(m)筋带长度竖向分段数: 2分段序号高度(m) 筋带长(m)1 6.000 6.0002 2.200 4.000筋带序号筋带宽(m)1 0.2002 0.2003 0.2004 0.2005 0.2006 0.2007 0.2008 0.2009 0.20010 0.20011 0.20012 0.20013 0.20014 0.20015 0.20016 0.20017 0.20018 0.20019 0.20020 0.200物理参数:加筋土容重: 20.000(kN/m3)加筋土内摩擦角: 35.000(度)筋带容许拉应力: 50.000(MPa)土与筋带之间的摩擦系数: 0.400加筋土浮容重: 10.000(kN/m3)地基土浮重度: 10.000(kN/m3)筋带抗拔力计算调节系数: 1.400筋带材料抗拉计算调节系数: 1.000筋带材料强度标准值: 240.000(MPa)筋带材料抗拉性能的分项系数: 1.250挡土墙类型: 一般挡土墙墙后填土内摩擦角: 35.000(度)墙后填土粘聚力: 0.000(kPa)墙后填土容重: 19.000(kN/m3)地基土容重: 18.000(kN/m3)修正后地基土容许承载力: 500.000(kPa)地基土容许承载力提高系数:墙趾值提高系数: 1.200墙踵值提高系数: 1.300平均值提高系数: 1.000墙底摩擦系数: 0.500地基土类型: 土质地基地基土内摩擦角: 30.000(度)坡线土柱:坡面线段数: 2折线序号水平投影长(m) 竖向投影长(m) 换算土柱数1 3.000 2.000 02 5.000 0.000 0地面横坡角度: 20.000(度)墙顶标高: 0.000(m)挡墙分段长度: 10.000(m)计算参数:稳定计算目标: 给定圆心,半径计算安全系数圆心X坐标: -2.000(m)圆心Y坐标: 10.000(m)半径: 15.000(m)筋带对稳定的作用: 筋带力沿圆弧切线内部稳定分析采用方法: 应力分析法条分法的土条宽度: 0.500(m)墙后填土粘聚力: 10.000(kPa)墙体填土粘聚力: 10.000(kPa)地基土粘聚力: 10.000(kPa)土条切向分力与滑动方向反向时: 当作下滑力对待===================================================================== 第 1 种情况: 组合1=============================================组合系数: 1.0001. 挡土墙结构重力分项系数 = 1.000 √2. 填土侧压力分项系数 = 1.000 √3. 车辆荷载引起的土侧压力分项系数 = 1.000 √=============================================----------------------------------------------------------内部稳定性验算采用应力分析法(一) 应力分析法筋带号宽度总长度稳定区竖向压应水平应最大拉力抗拉力抗拔力 (m) (m) 长度(m) 力(kPa) 力(kPa) 设计值(kN) (kN) (kN)01 0.200 6.000 3.540 46.000 19.139 3.215 38.400 18.61002 0.200 6.000 3.540 54.000 21.908 3.681 38.400 21.84703 0.200 6.000 3.540 62.000 24.511 4.118 38.400 25.08304 0.200 6.000 3.540 70.000 26.948 4.527 38.400 28.32005 0.200 6.000 3.540 78.000 29.220 4.909 38.400 31.55706 0.200 6.000 3.540 86.000 31.326 5.263 38.400 34.79307 0.200 6.000 3.540 94.000 33.265 5.589 38.400 38.03008 0.200 6.000 3.540 102.000 35.040 5.887 38.400 41.26609 0.200 6.000 3.605 110.000 36.648 6.157 38.400 45.32510 0.200 6.000 3.814 118.000 38.091 6.399 38.400 51.42911 0.200 6.000 4.022 126.000 39.367 6.614 38.400 57.91512 0.200 6.000 4.230 134.000 40.478 6.800 38.400 64.78113 0.200 6.000 4.438 142.000 41.423 6.959 38.400 72.02714 0.200 6.000 4.647 150.000 42.203 7.090 38.400 79.65515 0.200 4.000 2.855 158.000 42.816 7.193 38.400 51.54916 0.200 4.000 3.063 166.000 44.984 7.557 38.400 58.10917 0.200 4.000 3.271 174.000 47.152 7.922 38.400 65.05018 0.200 4.000 3.479 182.000 49.320 8.286 38.400 72.37219 0.200 4.000 3.688 190.000 51.488 8.650 38.400 80.07520 0.200 4.000 3.896 198.000 53.656 9.014 38.400 88.158单个筋带结点抗拔稳定满足: 拉力设计值=3.215 <= 18.610(kN)筋带截面抗拉强度验算满足: 拉力设计值=9.014 <= 38.400(kN)全墙抗拔验算满足: 最小安全系数=11.415 >= 2.000----------------------------------------------------------外部稳定性验算[土压力计算] 计算墙背处的库仑主动土压力按假想墙背计算得到:第1破裂角: 32.600(度)Ea=246.817 Ex=202.181 Ey=141.568(kN) 作用点高度 Zy=3.400(m) 墙身截面积 = 44.800(m2) 重量 = 896.000 kN墙顶上的土重(包括超载) = 171.000(kN) 重心坐标(3.667,0.889)(相对于墙面坡上角点) 墙顶上的土重(不包括超载) = 171.000(kN) 重心坐标(3.667,0.889)(相对于墙面坡上角点) (一) 滑动稳定性验算基底摩擦系数 = 0.500滑移力= 202.181(kN) 抗滑力= 604.284(kN)滑移验算满足: Kc = 2.989 > 1.300滑动稳定方程验算:滑动稳定方程满足: 方程值 = 455.454(kN) > 0.0(二) 倾覆稳定性验算相对于墙趾点,墙身重力的力臂 Zw = 2.804 (m)相对于墙趾点,墙土压力Ey的力臂 Zx = 6.000 (m)相对于墙趾点,墙土压力Ex的力臂 Zy = 3.400 (m)验算挡土墙绕墙趾的倾覆稳定性倾覆力矩= 687.414(kN-m) 抗倾覆力矩= 3988.410(kN-m)倾覆验算满足: K0 = 5.802 > 1.500倾覆稳定方程验算:倾覆稳定方程满足: 方程值 = 2673.196(kN-m) > 0.0(三) 地基应力及偏心距验算基础为天然地基,验算墙底偏心距及压应力作用于基础底的总竖向力 = 1208.568(kN) 作用于墙趾下点的总弯矩=3300.996(kN-m)墙计算宽度 B = 6.000 (m) 偏心距 e = 0.269(m)墙底面合力作用点距离墙趾点的距离 Zn = 2.731(m)基底压应力: 墙趾=255.546 墙踵=147.310(kPa)最大应力与最小应力之比 = 255.546 / 147.310 = 1.735作用于基底的合力偏心距验算满足: e=0.269 <= 0.167*6.000 = 1.000(m) 墙趾处地基承载力验算满足: 压应力=255.546 <= 600.000(kPa)墙踵处地基承载力验算满足: 压应力=147.310 <= 650.000(kPa)地基平均承载力验算满足: 压应力=201.428 <= 500.000(kPa)(四) 整体稳定验算圆心: (-2.000,10.000)半径 = 15.000(m)安全系数 = 1.802总的下滑力 = 1214.149(kN)总的抗滑力 = 2188.340(kN)土体部分下滑力 = 1214.149(kN)土体部分抗滑力 = 2188.340(kN)筋带的抗滑力 = 0.000(kN)整体稳定验算满足: 最小安全系数=1.802 >= 1.2504、桩板式挡土墙原始条件:墙身尺寸:桩总长: 16.000(m)嵌入深度: 6.000(m)截面形状: 方桩桩宽: 1.000(m)桩高: 1.500(m)桩间距: 3.500(m)挡土板的类型数: 2板类型号板厚(m) 板宽(m) 板块数1 0.200 0.500 82 0.200 0.500 8嵌入段土层数: 1柱底支承条件: 铰接计算方法: M法土层序号土层厚(m) 重度(kN/m3) M(MN/m4) 1 50.000 18.000 10.000初始弹性系数A: 0.000(MN/m3)初始弹性系数A1: 0.000(MN/m3)物理参数:桩混凝土强度等级: C40桩纵筋合力点到外皮距离: 35(mm)桩纵筋级别: HRB335桩箍筋级别: HPB235桩箍筋间距: 150(mm)板混凝土强度等级: C30板纵筋合力点到外皮距离: 35(mm)板纵筋级别: HRB335挡土墙类型: 一般挡土墙墙后填土内摩擦角: 35.000(度)墙后填土粘聚力: 0.000(kPa)墙后填土容重: 19.000(kN/m3)墙背与墙后填土摩擦角: 17.500(度)土压力计算方法: 库仑坡线土柱:坡面线段数: 2折线序号水平投影长(m) 竖向投影长(m) 换算土柱数1 3.000 2.000 02 5.000 0.000 0地面横坡角度: 20.000(度)墙顶标高: 0.000(m)挡墙分段长度: 10.000(m)钢筋混凝土配筋计算依据:《混凝土结构设计规范》(GB 50010--2002)===================================================================== 第 1 种情况: 组合1注意:内力计算时,土压力分项(安全)系数 = 1.000[土压力计算] 计算高度为 10.000(m)处的库仑主动土压力无荷载时的破裂角 = 31.530(度)第1破裂角: 31.530(度)Ea=313.264 Ex=298.765 Ey=94.200(kN) 作用点高度 Zy=3.584(m)(一) 桩身内力计算计算方法: m 法背侧——为挡土侧;面侧——为非挡土侧。