管沟回填工程质量验收记录表
- 格式:docx
- 大小:69.25 KB
- 文档页数:8
管沟及井室测验批工程品质验收记载表GB50242-2002050603□□01单元〔子单元〕工程称号 分部〔子分部〕工程称号施工单元 金融街·世纪核心· B 座综合楼园林绿化工程室外给水管网验收部位 综合楼东面 江西群力建立工程工程司理 俞洪 分包单元/分包工程司理/施工履行规范称号及编号《给排水与采暖工程施工工艺规范》〔ZJQ00-SG-010-2003〕监理〔建设〕单元 验收记载施工品质验收规范的规则施工单元反省评定记载 管沟的下层处置跟井室的地 基 管沟的下层处置跟井室的地基契合计划请求 1计划请求: 种种井盖的标识应清晰,运用 准确种种井盖的标识清晰,运用准确,契合计划请求 主2 控 第9.4.2条通车路面上的井盖运用重型井圈跟 井盖,盖上外表与路面相平,契合请求契合请求项 3通车路面上的种种井盖装置第9.4.3条目重型井圈与墙体之间铺 细石混凝土垫层 80mm 厚的4重型井圈与墙体联合部处置第9.4.4条 管沟及种种井室的坐标,沟底 管沟及井室的坐标地位、沟底标高契合计划请求1计划请求: 标高管沟的沟底平坦,坡度顺畅,无尖硬的物体、块石 2管沟的回填请求 第9.4.6条 第9.4.7条一管沟的沟底下挖200mm ,填铺粒径 不年夜于5mm 的细土,夯实到沟底标 高后,进展管道敷设,契合请求般3管沟岩石基底请求 契合请求项 目4管沟回填的请求 第9.4.8条 第9.4.9条 契合请求5井室内施工请求 契合计划跟规范图的请求 水泥砂浆分二次填塞紧密、抹平,无渗漏,契合请求6井室内应紧密,不透水第9.4.10条专业工长〔施工员〕施工班组长施工单元反省 评定后果主控工程、普通工程全体契合请求,评定及格工程专业品质反省员:年代日监理〔建立〕单元验收论断及格,赞同验收专业监理工程师〔建立单位工程专业技巧担任人〕:年代日规范条目:1、主控工程:①管沟的下层处置跟井室的地基必需契合计划请求。
管沟回填检查记录工程名称白杨树湾脱水回注站站外管道集输工程管沟位置:A2-A3段阀门井-一曹家沟坝梁工程编号YNBY-ZWA-01040301/02管沟开挖管沟情况管沟深度管沟宽度平整度(㎜)中心偏移(㎜)实长(m) 设计深度(m) 实挖深度(m)要求宽度实挖宽度上口宽度(m) 沟底宽度(m) 上口宽度(m) 沟底宽度(m)20 20 500 3.50 3.55 9.0 2.0 9.10 2.0025 20 500 3.50 3.60 9.0 2.0 9.22 2.02管沟回填灰土/细土回填情况二次原土回填情况地貌恢复情况其他情况⒈砼配重层两侧细沙回填≥0.6m。
⒉基岩沟基管底细沙回填≥0.2m,管顶细沙回填≥0.3m,粒径<2㎜。
⒈自管底向上0.52m 用分层夯实泥土或河沙回填,密实度>90%。
⒉地表原土回填厚度≥0.90m。
地貌恢复良好,通过当地部门验收。
⒈沟底垫层石块铺筑厚度0.61m.⒉C30钢筋混凝土连续覆盖厚度0.6m.⒊石块配重层铺筑厚度≥0.50m。
施工单位监理(建设)单位施工记录人:技术负责人:2011年11月2日监理工程师:(建设单位项目代表)年月日管沟回填检查记录工程名称白杨树湾脱水回注站站外管道集输工程管沟位置:A4-A5段永采双35井台-双34井台工程编号YNBY-ZWA-01040303/04管沟开挖管沟情况管沟深度管沟宽度平整度(㎜)中心偏移(㎜)实长(m) 设计深度(m) 实挖深度(m)要求宽度实挖宽度上口宽度(m) 沟底宽度(m) 上口宽度(m) 沟底宽度(m)30 60 500 4.72 4.92 18.16 4.0 18.86 4.1015 30 500 4.72 4.90 18.16 4.0 18.78 4.08管沟回填灰土/细土回填情况二次回填情况地貌恢复情况其他情况⒈砼配重层两侧细沙回填≥0.6m。
⒉基岩沟基管底细沙回填≥0.2m,管顶细沙回填≥0.3m,粒径<2㎜。
隐蔽工程检查验收记录
质检表4年月日
隐蔽工程检查验收记录
质检表4年月日
隐蔽工程检查验收记录
质检表4年月日
隐蔽工程检查验收记录
质检表4
隐蔽工程检查验收记录
质检表4年月日
隐蔽工程检查验收记录
质检表4年月日
隐蔽工程检查验收记录
质检表4
隐蔽工程检查验收记录
质检表4年月日
隐蔽工程检查验收记录
质检表4
年月日
隐蔽工程检查验收记录
质检表4
隐蔽工程检查验收记录
质检表4年月日
隐蔽工程检查验收记录
质检表4年月日。
降水与排水工程检验批质量验收记录010202□□单位(子单位)工程名称分部(子分部)工程名称验收部位施工单位工程经理分包单位分包工程经理施工执行标准名称及编号施工质量验收规*的规定施工单位检查评定记录监理〔建立〕单位验收记录1排水沟坡度1~2‰2井管〔点〕垂直度1%3井管〔点〕间距〔与设计相比〕≤150%4井管〔点〕插入深度〔与设计相比〕≤200mm5过滤砂砾料填灌〔与计算值相比〕≤5mm6井点真空度:轻型井点喷射井点>60kpa>93kpa一般项目7电渗井点阴阳极距离:轻型井点喷射井点80~100mm120~150mm专业工长(施工员)施工班组长施工单位检查评定结果工程专业质量检查员:年月日监理(建立)单位验收结论专业监理工程师:〔建立单位工程专业技术负责人〕年月日渗排水、盲沟排水工程检验批质量验收记录010512□□单位(子单位)工程名称分部(子分部)工程名称验收部位施工单位工程经理分包单位分包工程经理施工执行标准名称及编号施工质量验收规*的规定施工单位检查评定记录监理〔建立〕单位验收记录1反滤层质量第6.1.8条主控项目2集水管埋深及坡度第6.1.9条1渗排水层构造第6.1.10条2渗排水层铺设第6.1.11条一般项目3盲沟构造第6.1.12条专业工长(施工员)施工班组长施工单位检查评定结果工程专业质量检查员: 年 月 日监理(建立)单位验收结论专业监理工程师:〔建立单位工程专业技术负责人〕年 月 日排〔雨〕水管道灌水试验记录质控〔水〕表-1 共 页 第 页单位〔子单位〕工程名称施工单位试验日期排水管在设计图上编号排水管灌水高度〔部位或管段〕灌水持续时间〔min〕管内液面情况外观检查处理情况结论专业监理工程师施工质检员施工员〔建立单位工程专业技术负责人〕单位试验员排水管道通水能力试验记录质控〔水〕表-2 共页第页单位〔子单位〕工程名称施工单位试验日期排水管始讫层次试验情况管路编号修复情况出现问题后结论质 检 员施 工 员专业监理工程师〔建立单位工程专业技术负责人〕施工单位试 验 员排水管道通球试验记录质控〔水〕表4.2.6-3 共 页 第 页单位〔子单位〕工程名称施工单位试验日期管道编号试验部位管径〔mm 〕球径〔mm 〕试 验 情 况出现问题后修复情况结论质 检 员施 工 员专业监理工程师〔建立单位工程专业技术负责人〕施工单位试 验 员水泵试运转测试检查记录质控〔水〕表 共 页 第 页单位〔子单位〕工程名称施工单位试运转日期设备名称型号规格安装位号制造厂名出厂日期水泵扬程出口压力间 隙轴向倾斜要求值〔滴〕径向位移联轴器用手盘动滴水情况填 料室每分钟实测值〔滴〕最高温度〔℃〕室内温度轴承温度机身温度阀门工作情况额定电压值(V)实 测I A实测电压值(V)I B 额定电流值(A)电 流值(A)I C电 动 机 绝 缘 电 阻 值相间绝缘电阻值〔MΩ〕相对地绝缘电阻值〔MΩ〕A - BB – CC – AA – EB – EC – E外 壳 接 地 电 阻 值〔Ω〕实测值其他试运转情况结论质 检 员施 工 员专业监理工程师〔建立单位工程专业技术负责人〕施工单位试 验 员雨水管道及配件安装工程检验批质量验收记录050202□□单位〔子单位〕工程名称分部〔子分部〕工程名称验收部位施工单位工程经理分包单位分包工程经理施工执行标准名称及编号施工质量验收规*的规定施工单位检查评定记录监理〔建立〕单位验收记录1室内雨水管道灌水试验第5.3.1条2塑料雨水管安装伸缩节第5.3.2条〔1〕管径50mm 20‰〔2〕管径75mm 15‰〔3〕管径100mm 8‰〔4〕管径125mm 6‰〔5〕管径150mm5‰3地下埋设雨水管道最小坡度〔6〕管径200~400mm4‰主控项目4悬吊雨水管最小坡度≤5‰1雨水管不得与生活污水管道连接第条2雨水斗管安装第条管径≤150 ≯15m 3悬吊式雨水管道检查口间距管径≥200 ≯20m焊口平直度管壁厚10mm 以内管壁厚1/4高 度焊缝加强面宽 度+1mm 深 度小于0.5mm 连续长度25mm4焊口允许偏差咬边长 度总长度〔两侧〕小于焊缝长度的10%一般项目5雨水管道安装的允许偏差同室内排水管第条专业工长〔施工员〕施工班组长施工单位检查评定结果工程专业质量检查员: 年 月 日监理〔建立〕单位验收结论专业监理工程师:〔建立单位工程专业技术负责人〕年 月 日分部工程质量验收记录〔建筑给水、排水及采暖〕质控〔水〕表4.2.9-8 05□□工程名称构造质式验收部位层 数建筑面积施工日期验收日期施工单位技术部门负责人质量部门负责人分包单位分包单位负责人分包技术负责人序号项目验收记录验收结论室内给水系统 □室内排水系统□室内热水供给系统 □卫生器具安装 □室内采暖系统□建筑中水系统及游泳池系统 □1子分部工程名称供热锅炉及辅助设备安装□共子分部,经查子分部,符合规*及设计要求子分部2质 量 控 制 资 料共项,经核查符合要求项,经核定符合规*要求项3安 全 和 功 能 检验〔检测〕报告共抽查项,符合要求项,经返工处理符合要求项4观 感 质 量共抽查项,符合要求项,不符合要求项综合验收意 见分包单位工程经理: 年 月 日施工单位工程经理: 年 月 日设计单位工程负责人:年 月 日验收单位监理〔建立〕单 位总监理工程师:〔建立单位工程负责人〕年 月 日室外给水管道安装工程检验批质量验收记录050601□□单位〔子单位〕工程名称分部〔子分部〕工程名称验收部位施工单位工程经理分包单位分包工程经理施工执行标准名称及编号施工质量验收规*的规定施工单位检查评定记录监理〔建立〕单位验收记录1埋地管道覆土深度第条2给水管道不得直接穿越污染源第条3管道上可拆和易腐件,不埋在土中第条4管井内安装与井壁的距离第条5管道的水压试验第条6埋地管道的防腐第条主控工程7管道冲洗和消毒第条1管道和支架的涂漆第条2阀门、水表安装位置第条3给水与污水管平行铺设的最小间距第条4管道连接符合规*要求第9.2.12,第9.2.13,第9.2.14,第9.2.15,第9.2.16,第埋地100mm 铸铁管敷设在沟槽内50mm 埋地100mm 坐标钢管、塑料管、复合管敷设在沟槽内或架空40mm 埋地±50mm铸铁管敷设在地沟内±30mm埋地±50mm 标高钢管、塑料管、复合管敷设在沟槽内或架空±30mm 铸铁管直段〔25m 以上〕起点~终点40mm一般项目5管道安装允许偏差水平管纵横向弯曲钢管、塑料管、复合管直段〔25m 以上〕起点~终点30mm 施工单位检查评定结果专业工长〔施工员〕施工班组长工程专业质量检查员:年月日监理〔建立〕单位验收结论专业监理工程师:〔建立单位工程专业技术负责人〕年月日管沟及井室工程检验批质量验收记录050603□□单位〔子单位〕工程名称分部〔子分部〕工程名称验收部位施工单位工程经理分包单位分包工程经理施工执行标准名称及编号施工质量验收规*的规定施工单位检查评定记录监理〔建立〕单位验收记录1管沟的基层处理和井室的地基设计要求2各类井盖的标识应清楚,使用正确第条3通车路面上的各类井盖安装第条主控工程4重型井圈与墙体结合部处理第条1管沟及各类井室的位置、坐标,沟底标高设计要求2管沟的回填要求第条一般3管沟岩石基底要求第条4管沟回填的要求第条5井室内施工要求第条项目6井室内应严密,不透水第条专业工长〔施工员〕施工班组长施工单位检查评定结果工程专业质量检查员:年月日监理〔建立〕单位验收结论专业监理工程师:〔建立单位工程专业技术负责人〕年月日室外排水管道安装工程检验批质量验收记录050701□□单位〔子单位〕工程名称分部〔子分部〕工程名称验收部位施工单位工程经理分包单位分包工程经理施工执行标准名称及编号施工质量验收规*的规定施工单位检查评定记录监理〔建立〕单位验收记录主控1管道坡度符合设计要求、严禁无坡或倒坡设计要求工程2灌水试验和通水试验第条1排水铸铁管的水泥捻口第条2排水铸铁管除锈、涂漆第条3承插接口安装方向第条4砼管或钢筋砼管抹带接口的要求第条埋地100mm 坐标敷设在沟槽内50mm 埋地±20mm 标高敷设在沟槽内±20mm 每5m 长10mm 一般项目5允许偏差水平管道纵横向弯曲全长〔两井间〕30mm专业工长〔施工员〕施工班组长施工单位检查评定结果工程专业质量检查员:年月日监理〔建立〕单位验收结论专业监理工程师:〔建立单位工程专业技术负责人〕年月日室外排水管沟及井池工程检验批质量验收记录050702□□单位〔子单位〕工程名称分部〔子分部〕工程名称验收部位施工单位工程经理分包单位分包工程经理施工执行标准名称及编号施工质量验收规*的规定施工单位检查评定记录监理〔建立〕单位验收记录1沟基的处理和井池的底板设计要求主控工程2检查井、化粪池的底板及进出口水管标高设计要求1井池的规格、尺寸和位置,砌筑、抹灰第条一般项目2井盖标识、选用正确第条施工单位检查评定结果专业工长〔施工员〕施工班组长工程专业质量检查员:年月日监理〔建立〕单位验收结论专业监理工程师:〔建立单位工程专业技术负责人〕年月日室外供热管道及配件安装工程检验批质量验收记录050801□□单位〔子单位〕工程名称分部〔子分部〕工程名称验收部位施工单位工程经理分包单位分包工程经理施工执行标准名称及编号施工质量验收规*的规定施工单位检查评定记录监理〔建立〕单位验收记录1平衡阀及调节阀安装位置及调试第条2直埋无补偿供热管道预热伸长及三通加固第条3补偿器位置和预拉伸、支架位置和构造第条4检查井、入口管道布置方便操作维修第条5直埋管道及接口现场发泡保温处理第条6管道系统的水压试验第条,第条7管道冲洗第条主控工程8通热试运行调试第条1管道的坡度设计要求2除污器构造、安装位置第条3管道的焊接第条,第条4管道安装对应位置尺寸第11.211、条5管道防腐应符合规*第条敷设在沟槽内及架空20坐标〔mm 〕埋地50敷设在沟槽内及架空±10标高〔mm 〕埋地±15管径≤100mm 1每1m管径>100m 1.5管径≤100mm ≯13水平管道纵、横方向弯曲〔mm 〕全长〔25mm 〕管径>100m ≯25管径≤100mm 8%椭圆率管径>100m 5%管径≤100mm 4一般项目6安装允许偏差折皱不平度〔mm 〕管径125~200mm 5管径250~400mm7厚度+0.1δ,-0.05δ卷材57管道保温允许偏差外表平整度〔mm 〕涂抹10专业工长〔施工员〕施工班组长施工单位检查评定结果工程专业质量检查员:年月日监理〔建立〕单位验收结论专业监理工程师:〔建立单位工程专业技术负责人〕年月日。
沟槽回填施工检验批质量验收记录工程名称:(填写实际工程名称)施工单位:(填写施工单位名称)监理单位:(填写监理单位名称)编制日期:(填写编制日期)一、项目概述(简要描述该项目的概况,包括项目背景、施工范围、工程量等要点)二、质量目标(明确阐述该项目的质量目标,包括质量要求、技术标准等)三、质量控制措施(详细列出该项目的质量控制措施,包括施工方案、施工工艺等)四、施工过程五、质量检验结果(描述沟槽回填施工过程中的质量检验情况)5.1施工设备的检验(描述施工设备的使用情况,是否合格、是否按照规范使用等)5.2土方开挖的检验(描述土方开挖的质量检验情况,包括开挖的深度、开挖面的平整度等)5.3回填土方的检验(描述回填土方的质量检验情况,包括土方的质地、含水量等)5.4压实度的检验(描述压实度的检验情况,包括压实度的要求、实际达到的压实度等)六、质量验收结论(描述沟槽回填施工的质量验收结论,包括是否达到质量目标、技术标准等)七、存在问题及处理意见(描述沟槽回填施工中存在的问题,并给出相应的处理意见)八、质量改进措施(提出相应的质量改进措施,以期在今后的施工中避免类似的质量问题)九、监理工程师意见(监理工程师对本次施工的质量进行评述,包括对施工单位的表扬和指导意见等)十、施工单位意见(施工单位对本次施工的质量进行评述,包括对施工过程的总结和对监理单位的建议等)参考资料:(如有参考资料,请列出,包括技术标准、规范、监理要求等)以上是沟槽回填施工检验批质量验收记录的一个简单范例,根据实际情况进行相应的调整和完善。
纪录中应包括项目概述、质量目标、质量控制措施、施工过程的详细描述、质量检验结果、质量验收结论、存在问题及处理意见、质量改进措施、监理工程师意见和施工单位意见等内容,以便后续的施工和验收工作。
管沟回填检查记录编号:001单位工程名称太原-长治煤层气输气管道3标段线路工程工程编号GNTC01-03分部工程名称太原-长治3标段线路工程工程部位XY1001-XYB1008检查内容起止桩号里程细土回填情况二次回填情况地貌恢复情况其他情况XY1001-XY1002 细土应回填至管顶以上300mm 回填后土方高出地面300mm符合设计要求自然下沉XY1002-XYB1003 300mm 300mm 符合设计要求自然下沉XYB1003-XYB1004 300mm 300mm 符合设计要求自然下沉XYB1004-XY1005 300mm 300mm 符合设计要求自然下沉XY1005-XY1006 300mm 300mm 符合设计要求自然下沉XY1006-XY1007 300mm 300mm 符合设计要求自然下沉XY1007-XY1007+1 300mm 300mm 符合设计要求自然下沉XY1007+1-XY1007+2 300mm 300mm 符合设计要求自然下沉XY1007+2-XY1007+3 300mm 300mm 符合设计要求自然下沉XY1007+3-XYB1008 300mm 300mm 符合设计要求自然下沉检查意见:日期:施工单位监理单位建设单位技术负责人:检查人:监理工程师:现场代表:管沟回填检查记录编号:002单位工程名称太原-长治煤层气输气管道3标段线路工程工程编号GNTC01-03分部工程名称太原-长治3标段线路工程工程部位XY1009-XY1017检查内容起止桩号里程细土回填情况二次回填情况地貌恢复情况其他情况XY1009-XY1010 细土应回填至管顶以上300mm 回填后土方高出地面300mm符合设计要求自然下沉XY1010-XYB1011 300mm 300mm 符合设计要求自然下沉XYB1011-XY1012 300mm 300mm 符合设计要求自然下沉XY1012-XY1013 300mm 300mm 符合设计要求自然下沉XY1013-XY1014 300mm 300mm 符合设计要求自然下沉XY1014-XY1015 300mm 300mm 符合设计要求自然下沉XY1015-XY1016 300mm 300mm 符合设计要求自然下沉XY1016-XY1017 300mm 300mm 符合设计要求自然下沉检查意见:日期:施工单位监理单位建设单位技术负责人:检查人:监理工程师:现场代表:管沟回填检查记录编号:003称太原-长治煤层气输气管道3标段线路工程工程编号GNTC01-03分部工程名称太原-长治3标段线路工程工程部位XYB1018-XYB1025检查内容起止桩号里程细土回填情况二次回填情况地貌恢复情况其他情况XYB1018-XYB1019 细土应回填至管顶以上300mm 回填后土方高出地面300mm符合设计要求自然下沉XYB1019-XY1020 300mm 300mm 符合设计要求自然下沉XY1020-XY1021 300mm 300mm 符合设计要求自然下沉XY1021-XY1022 300mm 300mm 符合设计要求自然下沉XYB1023-XYB1024 300mm 300mm 符合设计要求自然下沉XYB1024-XYB1024+1 300mm 300mm 符合设计要求自然下沉XYB1024+1-XYB1024+2 300mm 300mm 符合设计要求自然下沉XYB1024+2-XYB1025 300mm 300mm 符合设计要求自然下沉检查意见:日期:施工单位监理单位建设单位技术负责人:检查人:监理工程师:现场代表:管沟回填检查记录编号:004称太原-长治煤层气输气管道3标段线路工程工程编号GNTC01-03分部工程名称太原-长治3标段线路工程工程部位XY1026-XY1029检查内容起止桩号里程细土回填情况二次回填情况地貌恢复情况其他情况XY1026-XY1027 细土应回填至管顶以上300mm 回填后土方高出地面300mm符合设计要求自然下沉XY1027-XY1028 300mm 300mm 符合设计要求自然下沉XY1028-XY1029 300mm 300mm 符合设计要求自然下沉检查意见:日期:施工单位监理单位建设单位技术负责人:检查人:监理工程师:现场代表:管沟回填检查记录编号:005称太原-长治煤层气输气管道3标段线路工程工程编号GNTC01-03分部工程名称太原-长治3标段线路工程工程部位XY1041-XY1047检查内容起止桩号里程细土回填情况二次回填情况地貌恢复情况其他情况XY1041-XY1042 细土应回填至管顶以上300mm 回填后土方高出地面300mm符合设计要求符合要求XY1042-XY1043 300mm 300mm 符合设计要求自然下沉XY1043-XY1044 300mm 300mm 符合设计要求自然下沉XY1044-XY1045 300mm 300mm 符合设计要求自然下沉XY1045-XY1045+1 300mm 300mm 符合设计要求自然下沉XY1045+1-XY1046 300mm 300mm 符合设计要求自然下沉XY1046-XY1047 300mm 300mm 符合设计要求自然下沉检查意见:日期:施工单位监理单位建设单位技术负责人:检查人:监理工程师:现场代表:管沟回填检查记录编号:006称太原-长治煤层气输气管道3标段线路工程工程编号GNTC01-03分部工程名称太原-长治3标段线路工程工程部位XY1048-XYB1057检查内容起止桩号里程细土回填情况二次回填情况地貌恢复情况其他情况XY1048-XY1050 细土应回填至管顶以上300mm 回填后土方高出地面300mm符合设计要求符合要求XY1050-XY1051 300mm 300mm 符合设计要求自然下沉XY1051-XY1052 300mm 300mm 符合设计要求自然下沉XY1052-XY1053 300mm 300mm 符合设计要求自然下沉XY1053-XYB1054 300mm 300mm 符合设计要求自然下沉XYB1054-XYB1056 300mm 300mm 符合设计要求自然下沉XYB1056-XYB1057 300mm 300mm 符合设计要求自然下沉检查意见:日期:施工单位监理单位建设单位技术负责人:检查人:监理工程师:现场代表:管沟回填检查记录编号:007称太原-长治煤层气输气管道3标段线路工程工程编号GNTC01-03分部工程名称太原-长治3标段线路工程工程部位XYB1058-XY1072检查内容起止桩号里程细土回填情况二次回填情况地貌恢复情况其他情况XYB1058-XYB1059 细土应回填至管顶以上300mm 回填后土方高出地面300mm符合设计要求自然下沉XYB1059-XYB1060 300mm 300mm 符合设计要求自然下沉XYB1060-XYB1061 300mm 300mm 符合设计要求自然下沉XYB1061-XY1064 300mm 300mm 符合设计要求自然下沉XY1064-XY1065 300mm 300mm 符合设计要求自然下沉XY1065-XY1066 300mm 300mm 符合设计要求自然下沉XY1066-XYB1067 300mm 300mm 符合设计要求自然下沉XYB1067-XYB1068 300mm 300mm 符合设计要求自然下沉XYB1068-XY1069 300mm 300mm 符合设计要求自然下沉XY1069-XY1070 300mm 300mm 符合设计要求自然下沉XY1070-XYB1071 300mm 300mm 符合设计要求自然下沉XYB1071-XYB1072 300mm 300mm 符合设计要求自然下沉检查意见:日期:施工单位监理单位建设单位技术负责人:检查人:监理工程师:现场代表:管沟回填检查记录编号:008称太原-长治煤层气输气管道3标段线路工程工程编号GNTC01-03分部工程名称太原-长治3标段线路工程工程部位XYB1073-XYB1086检查内容起止桩号里程细土回填情况二次回填情况地貌恢复情况其他情况XYB1073-XYB1074 细土应回填至管顶以上300mm 回填后土方高出地面300mm符合设计要求符合要求XYB1074-XYB1075 300mm 300mm 符合设计要求自然下沉XYB1075-XYB1076 300mm 300mm 符合设计要求自然下沉XYB1076-XYB1077 300mm 300mm 符合设计要求自然下沉XYB1077-XY1082 300mm 300mm 符合设计要求自然下沉XY1082-XY1083 300mm 300mm 符合设计要求自然下沉XY1083-XYB1084 300mm 300mm 符合设计要求自然下沉XYB1084-XYB1085 300mm 300mm 符合设计要求自然下沉XYB1085-XYB1086 300mm 300mm 符合设计要求自然下沉检查意见:日期:施工单位监理单位建设单位技术负责人:检查人:监理工程师:现场代表:管沟回填检查记录编号:009称太原-长治煤层气输气管道3标段线路工程工程编号GNTC01-03分部工程名称太原-长治3标段线路工程工程部位XYB1087-XY1105检查内容起止桩号里程细土回填情况二次回填情况地貌恢复情况其他情况XYB1087-XYB1094 细土应回填至管顶以上300mm 回填后土方高出地面300mm符合设计要求符合要求XYB1094-XYB1095 300mm 300mm符合设计要求自然下沉XYB1095-XYB1096 300mm 300mm 符合设计要求自然下沉XYB1096-XYB1096+1 300mm 300mm 符合设计要求自然下沉XYB1096+1-XYB1096+2 300mm 300mm 符合设计要求自然下沉XYB1096+2-XYB1096+3 300mm 300mm 符合设计要求自然下沉XYB1096+3-XYB1097 300mm 300mm 符合设计要求自然下沉XYB1097-XYB1098 300mm 300mm 符合设计要求自然下沉XYB1098-XY1102 300mm 300mm 符合设计要求自然下沉XY1102-XY1103 300mm 300mm 符合设计要求自然下沉XY1103-XY1104 300mm 300mm 符合设计要求自然下沉XY1104-XY1105 300mm 300mm 符合设计要求自然下沉检查意见:日期:施工单位监理单位建设单位技术负责人:检查人:监理工程师:现场代表:管沟回填检查记录编号:010称太原-长治煤层气输气管道3标段线路工程工程编号GNTC01-03分部工程名称太原-长治3标段线路工程工程部位XY1106-XY1120检查内容起止桩号里程细土回填情况二次回填情况地貌恢复情况其他情况XY1106-XY1107 细土应回填至管顶以上300mm 回填后土方高出地面300mm符合设计要求符合要求XY1107-XY1108 300mm 300mm 符合设计要求自然下沉XY1108-XYB1109 300mm 300mm 符合设计要求自然下沉XYB1109-XYB1110 300mm 300mm 符合设计要求自然下沉XYB1110-XY1111 300mm 300mm 符合设计要求自然下沉XY1111-XY1112 300mm 300mm 符合设计要求自然下沉XY1112-XY1113 300mm 300mm 符合设计要求自然下沉XY1113-XYB1114 300mm 300mm 符合设计要求自然下沉XYB1114-XYB1114+1 300mm 300mm 符合设计要求自然下沉XYB1114+1-XY1115XY1115-XY1116XY1117-XY1118XY1118-XY1120检查意见:日期:施工单位监理单位建设单位技术负责人:检查人:监理工程师:现场代表:管沟回填检查记录编号:011称太原-长治煤层气输气管道3标段线路工程工程编号GNTC01-03分部工程名称太原-长治3标段线路工程工程部位XY1000检查内容起止桩号里程细土回填情况二次回填情况地貌恢复情况其他情况XY1000 细土应回填至管顶以上300mm 回填后土方高出地面300mm符合设计要求自然下沉检查意见:日期:施工单位监理单位建设单位技术负责人:检查人:监理工程师:现场代表:管沟回填检查记录编号:012称太原-长治煤层气输气管道3标段线路工程工程编号GNTC01-03分部工程名称太原-长治3标段线路工程工程部位XY1030-XY1040检查内容起止桩号里程细土回填情况二次回填情况地貌恢复情况其他情况XY1030-XY1031 细土应回填至管顶以上300mm 回填后土方高出地面300mm符合设计要求符合要求XY1031-XY1032 300mm 300mm 符合设计要求自然下沉XY1032-XY1033 300mm 300mm 符合设计要求自然下沉XY1033-XY1034 300mm 300mm 符合设计要求自然下沉XY1034-XY1035 300mm 300mm 符合设计要求自然下沉XY1035-XY1036 300mm 300mm 符合设计要求自然下沉XY1036-XY1037 300mm 300mm 符合设计要求自然下沉XY1037-XY1038 300mm 300mm 符合设计要求自然下沉XY1038-XY1039 300mm 300mm 符合设计要求自然下沉XY1039-XY1040 300mm 300mm 符合设计要求自然下沉检查意见:日期:施工单位监理单位建设单位技术负责人:检查人:监理工程师:现场代表:。
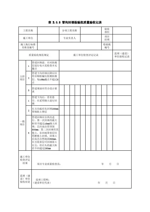
表435 管沟及井室检验批质量验收记录编号:填表说明1、检验批容量填写:填写出共计管沟及井的数量,按照工程的实际情况填写。
2、最小/实际检查数量栏中:最小抽样数量的数值是根据检验批容量和专业验收规范的规定来确定;实际检查数量按实际填写。
3、表头中“施工依据”栏目应依照实际的施工操作依据填写,如施工企业的操作规程、工法、施工工艺标准等。
4、主控项目(1)管沟的基层处理和井室的地基必须符合设计要求。
检验方法:现场观察检查。
(2)各类井室的井盖应符合设计要求,应有明显的文字标识,各种井盖不得混用。
检验方法:现场观察检查。
(3)设在通车路面下或小区道路下的各种井室,必须使用重型井圈和井盖,井盖上表面应与路面相平,允许偏差为±5mm。
绿化带上和不通车的地方可采用轻型井圈和井盖,井盖的上表面应高出地坪50mm,并在井口周围以2%的坡度向外做水泥砂浆护坡。
检验方法:观察和尺量检查。
(4)重型铸铁或混凝土井圈,不得直接放在井室的砖墙上,砖墙上应做不少于80mm厚的细石混凝土垫层。
检验方法:观察和尺量检查。
5、一般项目(1)管沟的坐标、位置、沟底标高应符合设计要求。
检验方法:观察、尺量检查。
(2)1.管沟的沟底层应是原土层,或是夯实的回填土,沟底应平整,坡度应顺畅,不得有尖硬的物体、块石等。
检验方法:观察检查。
2.如沟基为岩石、不易清除的块石或为砾石层时,沟底应下挖100~200mm,填铺细砂或粒径不大于5mm的细土,夯实到沟底标高后,方可进行管道敷设。
检验方法:观察和尺量检查。
3.管沟回填土,管顶上部200mm以内应用砂子或无块石及冻土块的土,并不得用机械回填;管顶上部500mm以内不得回填直径大于100mm的块石和冻土块;500mm以上部分回填土中的块石或冻土块不得集中。
上部用机械回填时,机械不得在管沟上行走。
检验方法:观察和尺量检查。
(3)井室的砌筑应按设计或给定的标准图施工。
井室的底标高在地下水位以上时,基层应为素土夯实;在地下水位以下时,基层应打100mm厚的混凝土底板。