常用量具培训试题D--答案汇编
- 格式:doc
- 大小:908.00 KB
- 文档页数:3
量具培训试题姓名:成绩:一、填空题(每空 2 分,共 40 分)1.高度尺的精度是()数显高度尺的精度是()。
)或(), 2.数显卡尺的精度是 ( ) ,带表卡尺的精度是(游标卡尺的精度是()。
3.卡尺的使用方法有()、外测量、()和()四种。
4.千分尺的精度是(),塞尺的精度是()。
5.数显卡尺显示组件包括:外壳、( )、液晶、( )。
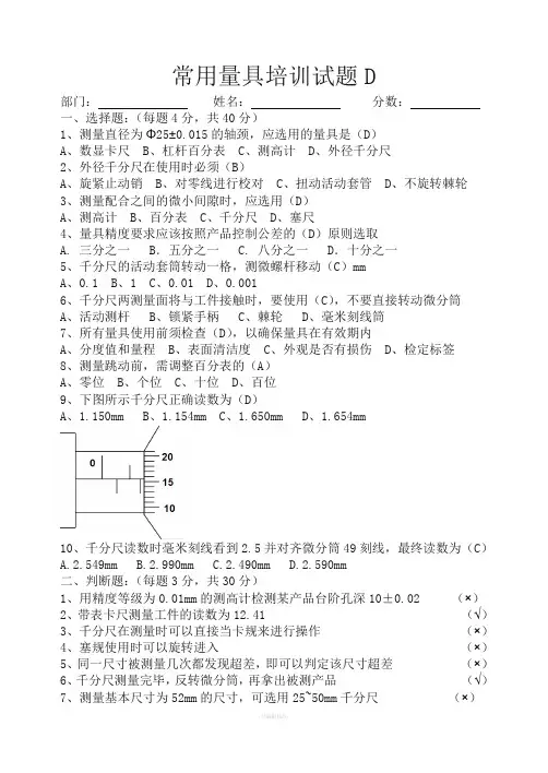
)、()、6.千分表的结构有哪些:()、()、防尘帽、(()、套筒、()、()。
二、单项选择题(每题 4 分,共 20 分)1.如图所示哪种测量方法是台阶测量()2.下列哪个配件不属于数显游标卡尺的()A.防尘帽 B.主板 C.导电条 D. 外壳3.带表卡尺的尺身是什么材料()A. 碳钢B.生铁C.铝D. 不锈钢4.数显高度尺不可以碰到()A.酒精B.水C.防锈油D.清洁布5.高度尺可以测量哪些项目()A.高度、精密划线 B.直径 C.圆弧 D.内经三、判断题(每题 4 分,共 40 分)1.游标卡尺,是一种测量长度、内外径、深度的量具。
()2.读数时,视线要垂直于尺面,否则测量值不准确。
()3.使用前,应先擦干净两卡脚测量面,合拢两卡脚,不用检查副尺 0 线与主尺 0线是否对齐. ()4.游标卡尺的主尺一般以厘米为单位()5.游标卡尺的主尺和游标上有两副活动量爪,分别是内测量爪和外测量爪,内测量爪通常用来测量内径,外测量爪通常用来测量长度和外径。
()6.千分尺是一种应用广泛的精密量具,其测量精确度比游标卡尺高。
()7.外径千分尺的读数原理外径千分尺是利用螺旋传动原理,将角位移变成直线位来进行长度测量的。
()8.要经常保持千分尺的清洁,使用完毕后擦干净,同时还要在两测量面上涂一层防锈油并让两测量面贴合,然后放在专用盒内,并保存在干燥的地方。
()9.测量时,零件必须在千分尺的测量面中心测量。
()10.测量零件时,零件上不能有异物,并在常温下测量。
()四、问答题(每题 20 分,共 60 分) 1.卡尺应注意哪些事项?2.千分表和百分表应注意哪些事项?3.在你的工作当中你发现我们公司有哪些量具没有做到维护和保养?一、填空题1、0.02mm、0.01mm;2、0.01mm、0.01mm、0.02mm、0.02 mm;3、内测量、深度测量、台阶测量;4、0.001mm、0.01mm;5、主板、导电条;6、主指针、转数指示盘、表盘、转数指针、表圈、量杆、测头;二、选择题C\A\D\B\A3. 判断题第 3.4.8 题×其余全部√四、问答题1.卡尺是比较精密的测量工具,要轻拿轻放,不得碰撞或跌落地下。
量具使用和维护培训试题部门________姓名_______入厂日期_________培训时间__________成绩________一,选择题(每题4分共36分)1、卡尺有几种,分别是那几种()A. 游标卡尺、带表卡尺B.电子数显卡尺C.高度卡尺、深度卡尺D.以上几种都包括2、卡尺的用途是测量工件()A.卡尺只能产品内、外尺寸B.卡尺不能测试厚度、深度和孔距尺寸C. 卡尺可以产品内、外尺寸、宽度、厚度、深度和孔距尺寸3、卡尺的测量范围()A.卡尺测量范围只有150mmB. 卡尺测量范围只有150-200mmC. 卡尺测量范围可以根据使用者要求制定4、卡尺是否当作其它工具使用()A.卡尺不可以当作其它工具使用B. 卡尺可以当作锒头敲击工件C.卡尺的量爪可以当划线工具使用5、使用卡尺测量工件是使用的力度()A.使用压力既不太大,也不太小,刚好使测量面与工件接触;B. 使用卡尺测试时要用大力推压,推压至工件拉不动为止;C. 使用卡尺测试时要用小力推压,推压至工件不用手扶可以掉出;6、千分尺在测试接触到产品是使用测力装置()A. 咔咔响两次开始读数B. 咔咔响三次开始读数C.可以根据自己的意思响多少次都可以7、千分尺在测量被加工的工件时()A.被测的加工件必须是静止的B. 被测的加工件可以不用静止C. 被测的加工件静止或不静止都可以测试8、使用百分表测量操作时()确保测试准确;A. 应轻轻提起测杆,把工件移至测头下面,缓慢下降测试B.测试时工件偏小时,强迫把工件推入至测头内测试C.测试时可以急骤下降测试,这样可以提高测试准确度9、百分表应怎样使用才能测试数据准确()A.用手拿住表盘直接测试产品;B.应牢固地装夹在表架夹具上,用手拿住产品测试C.应牢固地装夹在表架夹具上,将产品放置测试平台上测试;二、判断题(每题4分共44分)1.卡尺只有上下量爪可以测试尺寸,其它地方不可以测试尺寸()2.卡尺使用后应将卡尺放在工具盒内,不乱拿乱放。
量测类培训试题及答案一、单选题(每题2分,共20分)1. 量测类培训中,关于测量误差的描述,以下哪项是正确的?A. 测量误差是不可避免的B. 测量误差是可避免的C. 测量误差是测量过程中的错误D. 测量误差是测量工具的缺陷答案:A2. 在量测类培训中,以下哪个单位不是长度单位?A. 米B. 千克C. 厘米D. 毫米答案:B3. 量测类培训中,以下哪个是测量仪器的校准周期?A. 每年B. 每两年C. 每季度D. 每月答案:A4. 在量测类培训中,以下哪种误差不是系统误差?A. 仪器误差B. 环境误差C. 人为误差D. 随机误差答案:D5. 在量测类培训中,以下哪个不是测量数据的处理方法?A. 平均值法B. 插值法C. 拟合法D. 比较法答案:D6. 量测类培训中,以下哪个是测量结果的表示方法?A. 直接读数B. 误差分析C. 数据处理D. 单位转换答案:A7. 在量测类培训中,以下哪种情况下不需要重新校准测量仪器?A. 仪器移动后B. 仪器使用后C. 仪器长时间未使用D. 仪器校准周期已到答案:B8. 量测类培训中,以下哪个不是测量数据的记录要求?A. 记录数据的单位B. 记录数据的来源C. 记录数据的计算过程D. 记录数据的测量时间答案:C9. 在量测类培训中,以下哪种方法不是测量误差的控制方法?A. 重复测量B. 仪器校准C. 测量环境控制D. 数据比较答案:D10. 量测类培训中,以下哪个不是测量误差的来源?A. 仪器误差B. 环境误差C. 人为误差D. 测量方法的缺陷答案:D二、多选题(每题3分,共15分)1. 量测类培训中,以下哪些因素会影响测量结果的准确性?A. 仪器的精度B. 测量环境C. 测量方法D. 测量人员的技能答案:A, B, C, D2. 在量测类培训中,以下哪些是测量仪器的维护方法?A. 定期清洁B. 定期校准C. 避免暴露在极端环境下D. 避免过度使用答案:A, B, C3. 量测类培训中,以下哪些是测量数据的分析方法?A. 统计分析B. 图表分析C. 趋势分析D. 误差分析答案:A, B, C, D4. 在量测类培训中,以下哪些是测量误差的类型?A. 系统误差B. 随机误差C. 绝对误差D. 相对误差答案:A, B, C5. 量测类培训中,以下哪些是测量数据的处理步骤?A. 数据收集B. 数据整理C. 数据分析D. 数据报告答案:A, B, C, D三、判断题(每题1分,共10分)1. 量测类培训中,测量误差可以通过提高仪器精度来消除。
测量器具考试题库及答案一、单项选择题(每题2分,共20分)1. 测量误差是指()。
A. 测量值与真实值之间的差异B. 测量值与理论值之间的差异C. 测量值与标准值之间的差异D. 测量值与参考值之间的差异答案:A2. 测量仪器的精度是指()。
A. 仪器的灵敏度B. 仪器的准确度C. 仪器的分辨率D. 仪器的稳定性答案:B3. 测量中的绝对误差是指()。
A. 测量值与真实值之间的差值B. 测量值与理论值之间的差值C. 测量值与标准值之间的差值D. 测量值与参考值之间的差值答案:A4. 测量中的相对误差是指()。
A. 绝对误差与测量值的比值B. 绝对误差与真实值的比值C. 测量值与真实值的比值D. 测量值与理论值的比值答案:B5. 测量中的系统误差是指()。
A. 由测量方法引起的误差B. 由测量人员引起的误差C. 由测量设备引起的误差D. 由测量环境引起的误差答案:C6. 测量中的随机误差是指()。
A. 由测量方法引起的误差B. 由测量人员引起的误差C. 由测量设备引起的误差D. 由测量环境引起的误差答案:B7. 测量中的精度等级是指()。
A. 测量误差的大小B. 测量误差的性质C. 测量误差的来源D. 测量误差的分布答案:A8. 测量中的分辨率是指()。
A. 测量仪器能够检测到的最小变化量B. 测量仪器能够测量的最大值C. 测量仪器能够测量的最小值D. 测量仪器能够测量的范围答案:A9. 测量中的灵敏度是指()。
A. 测量仪器对输入变化的响应速度B. 测量仪器对输入变化的响应程度C. 测量仪器对输入变化的响应时间D. 测量仪器对输入变化的响应范围答案:B10. 测量中的稳定性是指()。
A. 测量仪器在长时间内保持其性能的能力B. 测量仪器在不同条件下保持其性能的能力C. 测量仪器在不同时间点保持其性能的能力D. 测量仪器在不同操作人员下保持其性能的能力答案:A二、多项选择题(每题3分,共15分)11. 测量误差的来源包括()。
量具基础知识试题及答案一、单项选择题(每题2分,共10题)1. 量具是用来进行什么操作的工具?A. 测量长度B. 测量重量C. 测量体积D. 测量温度答案:A2. 卡尺是用来测量物体的哪个尺寸?A. 长度B. 宽度C. 高度D. 厚度答案:D3. 百分表主要用于测量什么?A. 长度变化B. 重量变化C. 温度变化D. 压力变化答案:A4. 量具的精度通常以什么单位表示?A. 毫米B. 厘米C. 微米D. 纳米答案:C5. 量具在使用前需要进行什么操作?A. 清洁B. 校准C. 润滑D. 所有选项答案:D6. 量具的维护中,哪一项是不必要的?A. 定期清洁B. 定期校准C. 存放在潮湿环境中D. 避免撞击答案:C7. 测量时,量具的哪个部分应该与被测物体接触?A. 测量面B. 手柄C. 刻度线D. 量具的边缘答案:A8. 量具的刻度线磨损后,应如何处理?A. 继续使用B. 重新刻度C. 报废D. 用颜料重新绘制答案:C9. 量具的校准周期通常由什么决定?A. 制造商的建议B. 使用频率C. 工作环境D. 所有选项答案:D10. 使用量具测量时,读数应如何进行?A. 直接读取B. 估算到最近的整数C. 读取到最小刻度D. 读取到最大刻度答案:C二、多项选择题(每题3分,共5题)1. 以下哪些是常见的量具类型?A. 卡尺B. 千分尺C. 量规D. 温度计答案:A, B, C2. 量具的维护包括哪些步骤?A. 清洁B. 校准C. 存放在干燥环境中D. 定期检查答案:A, B, C, D3. 量具的精度受哪些因素影响?A. 制造工艺B. 使用方法C. 环境条件D. 维护保养答案:A, B, C, D4. 量具的读数误差可能由哪些原因造成?A. 量具磨损B. 读数时的视差C. 操作者的技能D. 环境光线答案:A, B, C, D5. 量具的校准通常包括哪些内容?A. 零点校准B. 满量程校准C. 多点校准D. 温度补偿答案:A, B, C三、判断题(每题1分,共5题)1. 量具的精度越高,其测量结果越准确。
常用量具培训试题D部门:姓名:分数:一、选择题:(每题4分,共40分)1、测量直径为Φ25±0.015的轴颈,应选用的量具是(D)A、数显卡尺B、杠杆百分表C、测高计D、外径千分尺2、外径千分尺在使用时必须(B)A、旋紧止动销B、对零线进行校对C、扭动活动套管D、不旋转棘轮3、测量配合之间的微小间隙时,应选用(D)A、测高计B、百分表C、千分尺D、塞尺4、量具精度要求应该按照产品控制公差的(D)原则选取A. 三分之一B.五分之一 C. 八分之一D.十分之一5、千分尺的活动套筒转动一格,测微螺杆移动(C)mmA、0.1B、1C、0.01D、0.0016、千分尺两测量面将与工件接触时,要使用(C),不要直接转动微分筒A、活动测杆B、锁紧手柄C、棘轮D、毫米刻线筒7、所有量具使用前须检查(D),以确保量具在有效期内A、分度值和量程B、表面清洁度C、外观是否有损伤D、检定标签8、测量跳动前,需调整百分表的(A)A、零位B、个位C、十位D、百位9、下图所示千分尺正确读数为(D)A、1.150mmB、1.154mmC、1.650mmD、1.654mm10、千分尺读数时毫米刻线看到2.5并对齐微分筒49刻线,最终读数为(C)A.2.549mmB.2.990mmC.2.490mmD.2.590mm二、判断题:(每题3分,共30分)1、用精度等级为0.01mm的测高计检测某产品台阶孔深10±0.02 (×)2、带表卡尺测量工件的读数为12.41 (√)3、千分尺在测量时可以直接当卡规来进行操作(×)4、塞规使用时可以旋转进入(×)5、同一尺寸被测量几次都发现超差,即可以判定该尺寸超差(×)6、千分尺测量完毕,反转微分筒,再拿出被测产品(√)7、测量基本尺寸为52mm的尺寸,可选用25~50mm千分尺(×)8、千分尺在测量频繁时,可直接旋转微分筒进行读数,但测量时旋转力量必须和调零时的力量一致(√)9、为防止千分尺看错0.5刻度线,测量时可先用卡尺确认大致尺寸(√)10、量具应定期送计量部门进行检定(√)三、问答题:(每题10分,共20分)1、塞规的通、止规主要有什么作用?塞规是用来检测产品内孔大小的检具;通规用来监控内孔是否偏小,止规用来监控内孔是否偏大。
常用量具使用理论考试试卷姓名________________ 工号:__________ 分数:________________一、填空(30分=每空1分×30)1、列举工作中常用的三种测量工具:_______________、_______________、_______________。
2、游标卡尺、外径千分尺、百分表等量具使用时及使用后应尽量______强磁场,以免量具被磁化,从而影响______精度。
3、不能用游标卡尺直接测量_______________等工件,加重游标卡尺的磨损。
4、5、百分表使用前应检查其指针______是否______。
测杆是否有卡滞现象,其合格证是否在__________。
6、百分表在测量时,应提起______,将工件移至______下面。
缓慢降下测头,使之与______接触,测杆拥有__________的压缩量以保持一定的起始测量力。
7、用内径百分表测量内径是一种______量法,测量前应根据被测孔径的大小,在专用的环规或百分尺上调整______好尺寸后才能使用,内径百分表测量时,连杆中心线应与工件中心线______,不得______,同时应在圆周上______几个点,找出孔径的______尺寸,看是否在公差______以内,使用时应当______的在专用环规或百分尺上______尺寸(习惯上称校对零位),以便提高测量______。
8、车间常用的游标尺分度值为_________,千分尺的分度值为__________,百分表的分度值为__________,千分表的分度值为______________。
9、用千分尺测量时,当测杆将于被测接触时应停止使用旋钮,而是慢慢旋转_______________,避免产生过大的压力,如此既可使测量结果精确,又能保护千分尺不受损。
10、千分尺的用途:可测量工件的各种外形尺寸,如长度、__________、___________等。
常用量具培训试题D部门:姓名:分数:一、选择题:(每题4分,共40分)1、测量直径为Φ25±0.015的轴颈,应选用的量具是(D)A、数显卡尺B、杠杆百分表C、测高计D、外径千分尺2、外径千分尺在使用时必须(B)A、旋紧止动销B、对零线进行校对C、扭动活动套管D、不旋转棘轮3、测量配合之间的微小间隙时,应选用(D)A、测高计B、百分表C、千分尺D、塞尺4、量具精度要求应该按照产品控制公差的(D)原则选取A. 三分之一B.五分之一 C. 八分之一D.十分之一5、千分尺的活动套筒转动一格,测微螺杆移动(C)mmA、0.1B、1C、0.01D、0.0016、千分尺两测量面将与工件接触时,要使用(C),不要直接转动微分筒A、活动测杆B、锁紧手柄C、棘轮D、毫米刻线筒7、所有量具使用前须检查(D),以确保量具在有效期内A、分度值和量程B、表面清洁度C、外观是否有损伤D、检定标签8、测量跳动前,需调整百分表的(A)A、零位B、个位C、十位D、百位9、下图所示千分尺正确读数为(D)A、1.150mmB、1.154mmC、1.650mmD、1.654mm10、千分尺读数时毫米刻线看到2.5并对齐微分筒49刻线,最终读数为(C)A.2.549mmB.2.990mmC.2.490mmD.2.590mm二、判断题:(每题3分,共30分)1、用精度等级为0.01mm的测高计检测某产品台阶孔深10±0.02 (×)2、带表卡尺测量工件的读数为12.41 (√)3、千分尺在测量时可以直接当卡规来进行操作(×)4、塞规使用时可以旋转进入(×)5、同一尺寸被测量几次都发现超差,即可以判定该尺寸超差(×)6、千分尺测量完毕,反转微分筒,再拿出被测产品(√)7、测量基本尺寸为52mm的尺寸,可选用25~50mm千分尺(×)8、千分尺在测量频繁时,可直接旋转微分筒进行读数,但测量时旋转力量必须和调零时的力量一致(√)9、为防止千分尺看错0.5刻度线,测量时可先用卡尺确认大致尺寸(√)10、量具应定期送计量部门进行检定(√)三、问答题:(每题10分,共20分)1、塞规的通、止规主要有什么作用?塞规是用来检测产品内孔大小的检具;通规用来监控内孔是否偏小,止规用来监控内孔是否偏大。
测量器具考试题库及答案一、选择题(每题2分,共20分)1. 测量器具的精度等级通常用哪个字母表示?A. AB. BC. CD. D答案:C2. 测量器具的校准周期通常由哪个部门确定?A. 制造部门B. 质量部门C. 生产部门D. 销售部门答案:B3. 测量器具在使用过程中,以下哪项是正确的操作?A. 随意放置B. 定期校准C. 用力敲打D. 长时间暴露在潮湿环境中答案:B4. 测量器具的维护保养应该由谁负责?A. 操作工B. 维修工C. 质量工程师D. 任何员工答案:C5. 测量器具的误差可以分为哪两类?A. 系统误差和随机误差B. 绝对误差和相对误差C. 静态误差和动态误差D. 测量误差和校准误差答案:A6. 测量器具的校准证书应该由哪个机构颁发?A. 制造厂家B. 第三方校准机构C. 内部质量控制部门D. 客户答案:B7. 测量器具的量程应该满足以下哪个条件?A. 刚好等于被测对象的最大值B. 远大于被测对象的最大值C. 远小于被测对象的最大值D. 至少是被测对象最大值的1.5倍答案:D8. 测量器具的分辨率是指什么?A. 测量器具的精度B. 测量器具的最小可测量单位C. 测量器具的校准周期D. 测量器具的误差范围答案:B9. 测量器具的稳定性是指什么?A. 测量器具的使用寿命B. 测量器具的校准周期C. 测量器具在一定时间内误差不发生变化的能力D. 测量器具的测量速度答案:C10. 测量器具的灵敏度是指什么?A. 测量器具的精度B. 测量器具的测量速度C. 测量器具对微小变化的响应能力D. 测量器具的误差大小答案:C二、填空题(每题2分,共10分)1. 测量器具的校准证书上通常会注明____和____。
答案:校准日期,下次校准日期2. 测量器具的误差可以通过____和____来减小。
答案:校准,使用正确的测量方法3. 测量器具的量程选择原则是____。
答案:宁大勿小4. 测量器具的维护保养包括____和____。
计量培训试题及答案一、单项选择题(每题2分,共20分)1. 计量的基本任务是什么?A. 确保计量单位的统一B. 确保计量数据的准确性C. 确保计量设备的可靠性D. 确保计量过程的合法性答案:A2. 计量单位通常分为哪两大类?A. 物理单位和化学单位B. 基本单位和导出单位C. 国际单位和国家单位D. 标准单位和非标准单位答案:B3. 计量器具的校准周期通常由什么决定?A. 制造商的推荐B. 使用频率C. 计量精度要求D. 所有上述因素答案:D4. 计量数据的准确度是指什么?A. 测量结果与真实值的接近程度B. 测量结果的稳定性C. 测量结果的可重复性D. 测量结果的可靠性答案:A5. 计量管理的目的是什么?A. 提高生产效率B. 保证产品质量C. 确保计量数据的准确性D. 所有上述因素答案:D6. 计量器具的分类通常包括哪些?A. 标准器具和工作器具B. 手动器具和自动器具C. 机械器具和电子器具D. 实验室器具和现场器具答案:A7. 计量数据的可追溯性意味着什么?A. 数据可以被追踪到原始测量B. 数据可以被追踪到标准C. 数据可以被追踪到参考物质D. 所有上述因素答案:D8. 计量检定的目的是什么?A. 确定计量器具的性能B. 确定计量器具的准确性C. 确定计量器具的可靠性D. 所有上述因素答案:D9. 计量标准器具的作用是什么?A. 作为测量的基准B. 用于校准其他计量器具C. 用于检测其他计量器具D. 所有上述因素答案:D10. 计量数据的处理通常包括哪些步骤?A. 数据收集和数据整理B. 数据分析和数据解释C. 数据存储和数据共享D. 所有上述步骤答案:D二、多项选择题(每题3分,共15分)1. 计量单位的统一性包括哪些方面?A. 国际统一B. 地区统一C. 行业统一D. 企业统一答案:A B C2. 计量器具的校准通常包括哪些内容?A. 校准参数B. 校准条件C. 校准方法D. 校准结果答案:A B C D3. 计量数据的准确性通常由哪些因素影响?A. 测量方法B. 测量设备C. 测量环境D. 测量人员答案:A B C D4. 计量管理的内容包括哪些?A. 计量器具的管理B. 计量数据的管理C. 计量人员的管理D. 计量标准的管理答案:A B C D5. 计量器具的分类依据通常包括哪些?A. 测量范围B. 测量精度C. 测量原理D. 测量用途答案:A B C D三、判断题(每题1分,共10分)1. 计量单位的统一性是计量工作的基础。
常用量具培训试题D部门:姓名:分数:一、选择题:(每题4分,共40分)1、测量直径为Φ25±0.015的轴颈,应选用的量具是(D)A、数显卡尺B、杠杆百分表C、测高计D、外径千分尺2、外径千分尺在使用时必须(B)A、旋紧止动销B、对零线进行校对C、扭动活动套管D、不旋转棘轮3、测量配合之间的微小间隙时,应选用(D)A、测高计B、百分表C、千分尺D、塞尺4、量具精度要求应该按照产品控制公差的(D)原则选取A. 三分之一 B.五分之一 C. 八分之一 D.十分之一5、千分尺的活动套筒转动一格,测微螺杆移动(C)mmA、0.1B、1C、0.01D、0.0016、千分尺两测量面将与工件接触时,要使用(C),不要直接转动微分筒A、活动测杆B、锁紧手柄C、棘轮D、毫米刻线筒7、所有量具使用前须检查(D),以确保量具在有效期内A、分度值和量程B、表面清洁度C、外观是否有损伤D、检定标签8、测量跳动前,需调整百分表的(A)A、零位B、个位C、十位D、百位9、下图所示千分尺正确读数为(D)A、1.150mmB、1.154mmC、1.650mmD、1.654mm10、千分尺读数时毫米刻线看到2.5并对齐微分筒49刻线,最终读数为(C)A.2.549mmB.2.990mmC.2.490mmD.2.590mm二、判断题:(每题3分,共30分)1、用精度等级为0.01mm的测高计检测某产品台阶孔深10±0.02 (×)2、带表卡尺测量工件的读数为12.41 (√)3、千分尺在测量时可以直接当卡规来进行操作(×)4、塞规使用时可以旋转进入(×)5、同一尺寸被测量几次都发现超差,即可以判定该尺寸超差(×)6、千分尺测量完毕,反转微分筒,再拿出被测产品(√)7、测量基本尺寸为52mm的尺寸,可选用25~50mm千分尺(×)8、千分尺在测量频繁时,可直接旋转微分筒进行读数,但测量时旋转力量必须和调零时的力量一致 (√)9、为防止千分尺看错0.5刻度线,测量时可先用卡尺确认大致尺寸 (√)10、量具应定期送计量部门进行检定 (√)三、问答题:(每题10分,共20分)1、塞规的通、止规主要有什么作用?塞规是用来检测产品内孔大小的检具;通规用来监控内孔是否偏小,止规用来监控内孔是否偏大。
通用量具的使用方法笔试试题姓名:部门:日期:得分:答题卡(请将正确的答案涂黑,如[ A ]):题号答案题号答案1 [ A ] [ B ] [ C ] [ D ]2 [ A ] [ B ] [ C ] [ D ]3 [ A ] [ B ] [ C ] [ D ]4 [ A ] [ B ] [ C ] [ D ]5 [ A ] [ B ] [ C ] [ D ]6 [ A ] [ B ] [ C ] [ D ]7 [ A ] [ B ] [ C ] [ D ]8 [ A ] [ B ] [ C ] [ D ]9 [ A ] [ B ] [ C ] [ D ]10 [ A ] [ B ] [ C ] [ D ]单项选择题,请选择一个最适合的答案,每题5分(请将答案填写在上方的答题卡内,否则不记分数),1.关于钢直尺,以下说法错误的是:______________A)可以精确到0.1mm;B)测量孔径误差大;C)可测量长度、深度;D)读数误差大;2.关于塞尺,以下说法错误的是:____________A)适合测量间隙;B)塞尺叠加使用片数越少越好;C)测量不可用力过大;D)塞尺叠加使用片数越多越好;3.关于卡尺,以下测量方法正确的是:_________A)B)C)D)4.游标卡尺读数正确的是:________A)2.2mm;B)2.3mm;C)2.4mm;D)以上都不正确;5.关于百分尺,以下说法错误的是:______A)使用前,应把百分尺的两个测砧面揩干净;B)用测量时,转帽来转动听到嘎嘎的声音,表示压力合适;C)可以旋转微分筒来增加测量压力;D)用百分尺测量零件时,最好在零件上进行读数,放松后取出百分尺。
6.百分尺读数正确的是:_________A)8.27mm;B)8.77mm;C)5.27mm;D)以上都不正确;7.以下使用方法错误的是:________A)B)C)D)8.以下仪器属于杠杆量表的是:_________A)B)C)D)9.以下说法错误的是:________A)在机床上测量零件时,要等零件完全停稳后进行;B)测量前应把量具的测量面和零件的被测量表面都要揩干净,以免因有脏物存在;C)量具在使用过程中,不要和工具、刀具如锉刀、榔头、车刀和钻头等堆放在一起,免碰伤量具;D)百分尺可以拿在手中摇转;10.以下说法错误的是:______A)一般可在室温下进行测量,但必须使工件与量具的温度一致;B)不要把精密量具放在磁场附近,例如磨床的磁性工作台上;C)发现精密量具有不正常现象时,主动送测量室检修;D)以上都不正确;。
量测类培训试题及答案一、单选题(每题2分,共20分)1. 量测类培训中,关于测量误差的描述,以下哪项是正确的?A. 测量误差是不可避免的B. 测量误差是可避免的C. 测量误差是测量过程中的错误D. 测量误差是测量工具的缺陷答案:A2. 在量测类培训中,以下哪个单位不是长度单位?A. 米B. 千克C. 厘米D. 毫米答案:B3. 量测类培训中,以下哪个是测量仪器的校准周期?A. 每年B. 每两年C. 每季度D. 每月答案:A4. 在量测类培训中,以下哪种误差不是系统误差?A. 仪器误差B. 环境误差C. 人为误差D. 随机误差答案:D5. 在量测类培训中,以下哪个不是测量数据的处理方法?A. 平均值法B. 插值法C. 拟合法D. 比较法答案:D6. 量测类培训中,以下哪个是测量结果的表示方法?A. 直接读数B. 误差分析C. 数据处理D. 单位转换答案:A7. 在量测类培训中,以下哪种情况下不需要重新校准测量仪器?A. 仪器移动后B. 仪器使用后C. 仪器长时间未使用D. 仪器校准周期已到答案:B8. 量测类培训中,以下哪个不是测量数据的记录要求?A. 记录数据的单位B. 记录数据的来源C. 记录数据的计算过程D. 记录数据的测量时间答案:C9. 在量测类培训中,以下哪种方法不是测量误差的控制方法?A. 重复测量B. 仪器校准C. 测量环境控制D. 数据比较答案:D10. 量测类培训中,以下哪个不是测量误差的来源?A. 仪器误差B. 环境误差C. 人为误差D. 测量方法的缺陷答案:D二、多选题(每题3分,共15分)1. 量测类培训中,以下哪些因素会影响测量结果的准确性?A. 仪器的精度B. 测量环境C. 测量方法D. 测量人员的技能答案:A, B, C, D2. 在量测类培训中,以下哪些是测量仪器的维护方法?A. 定期清洁B. 定期校准C. 避免暴露在极端环境下D. 避免过度使用答案:A, B, C3. 量测类培训中,以下哪些是测量数据的分析方法?A. 统计分析B. 图表分析C. 趋势分析D. 误差分析答案:A, B, C, D4. 在量测类培训中,以下哪些是测量误差的类型?A. 系统误差B. 随机误差C. 绝对误差D. 相对误差答案:A, B, C5. 量测类培训中,以下哪些是测量数据的处理步骤?A. 数据收集B. 数据整理C. 数据分析D. 数据报告答案:A, B, C, D三、判断题(每题1分,共10分)1. 量测类培训中,测量误差可以通过提高仪器精度来消除。
量具选择试题及答案
1. 在进行精密测量时,应选用哪种量具?
A. 钢卷尺
B. 游标卡尺
C. 直尺
D. 米尺
答案:B
2. 用于测量内径的量具是什么?
A. 外径千分尺
B. 内径千分尺
C. 螺旋测微器
D. 卡尺
答案:B
3. 测量工件表面粗糙度的量具是?
A. 游标卡尺
B. 表面粗糙度仪
C. 千分尺
D. 螺旋测微器
答案:B
4. 在测量较长距离时,通常使用哪种量具?
A. 钢卷尺
B. 螺旋测微器
D. 直尺
答案:A
5. 用于测量孔径的量具是?
A. 外径千分尺
B. 内径千分尺
C. 螺旋测微器
D. 卡尺
答案:B
6. 测量外径的量具有哪些?
A. 外径千分尺
B. 内径千分尺
C. 螺旋测微器
D. 所有选项
答案:D
7. 用于测量平面度的量具是?
A. 平板尺
B. 直尺
C. 卡尺
D. 游标卡尺
答案:A
8. 测量螺纹的量具是什么?
A. 螺纹千分尺
C. 螺旋测微器
D. 游标卡尺
答案:A
9. 用于测量角度的量具是?
A. 角度规
B. 游标卡尺
C. 直尺
D. 卡尺
答案:A
10. 测量工件长度的量具有哪些?
A. 直尺
B. 游标卡尺
C. 螺旋测微器
D. 所有选项
答案:D。
常用量具培训试题D部门:姓名:分数:一、选择题:(每题4分,共40分)1、测量直径为Φ25±0.015的轴颈,应选用的量具是(D)A、数显卡尺B、杠杆百分表C、测高计D、外径千分尺2、外径千分尺在使用时必须(B)A、旋紧止动销B、对零线进行校对C、扭动活动套管D、不旋转棘轮3、测量配合之间的微小间隙时,应选用(D)A、测高计B、百分表C、千分尺D、塞尺4、量具精度要求应该按照产品控制公差的(D)原则选取A. 三分之一B.五分之一 C. 八分之一D.十分之一5、千分尺的活动套筒转动一格,测微螺杆移动(C)mmA、0.1B、1C、0.01D、0.0016、千分尺两测量面将与工件接触时,要使用(C),不要直接转动微分筒A、活动测杆B、锁紧手柄C、棘轮D、毫米刻线筒7、所有量具使用前须检查(D),以确保量具在有效期内A、分度值和量程B、表面清洁度C、外观是否有损伤D、检定标签8、测量跳动前,需调整百分表的(A)A、零位B、个位C、十位D、百位9、下图所示千分尺正确读数为(D)A、1.150mmB、1.154mmC、1.650mmD、1.654mm10、千分尺读数时毫米刻线看到2.5并对齐微分筒49刻线,最终读数为(C)A.2.549mmB.2.990mmC.2.490mmD.2.590mm二、判断题:(每题3分,共30分)1、用精度等级为0.01mm的测高计检测某产品台阶孔深10±0.02 (×)2、带表卡尺测量工件的读数为12.41 (√)3、千分尺在测量时可以直接当卡规来进行操作(×)4、塞规使用时可以旋转进入(×)5、同一尺寸被测量几次都发现超差,即可以判定该尺寸超差(×)6、千分尺测量完毕,反转微分筒,再拿出被测产品(√)7、测量基本尺寸为52mm的尺寸,可选用25~50mm千分尺(×)8、千分尺在测量频繁时,可直接旋转微分筒进行读数,但测量时旋转力量必须和调零时的力量一致(√)9、为防止千分尺看错0.5刻度线,测量时可先用卡尺确认大致尺寸(√)10、量具应定期送计量部门进行检定(√)三、问答题:(每题10分,共20分)1、塞规的通、止规主要有什么作用?塞规是用来检测产品内孔大小的检具;通规用来监控内孔是否偏小,止规用来监控内孔是否偏大。
量具培训试题姓名:成绩:一、填空题(每空2分,共40分)1.高度尺的精度是()数显高度尺的精度是()。
2.数显卡尺的精度是 ( ) ,带表卡尺的精度是()或(),游标卡尺的精度是()。
3.卡尺的使用方法有()、外测量、()和()四种。
4.千分尺的精度是(),塞尺的精度是()。
5.数显卡尺显示组件包括:外壳、( )、液晶、( )。
6.千分表的结构有哪些:()、()、防尘帽、()、()、()、套筒、()、()。
二、单项选择题(每题4分,共20分)1.如图所示哪种测量方法是台阶测量()2.下列哪个配件不属于数显游标卡尺的()A.防尘帽 B.主板 C.导电条 D.外壳3.带表卡尺的尺身是什么材料()A. 碳钢B.生铁C.铝D. 不锈钢4.数显高度尺不可以碰到()A.酒精B.水C.防锈油D.清洁布5.高度尺可以测量哪些项目()A.高度、精密划线 B.直径 C.圆弧 D.内经三、判断题(每题4分,共40分)1.游标卡尺,是一种测量长度、内外径、深度的量具。
()2.读数时,视线要垂直于尺面,否则测量值不准确。
()3.使用前,应先擦干净两卡脚测量面,合拢两卡脚,不用检查副尺0线与主尺0线是否对齐.()4.游标卡尺的主尺一般以厘米为单位()5.游标卡尺的主尺和游标上有两副活动量爪,分别是内测量爪和外测量爪,内测量爪通常用来测量内径,外测量爪通常用来测量长度和外径。
()6.千分尺是一种应用广泛的精密量具,其测量精确度比游标卡尺高。
()7.外径千分尺的读数原理外径千分尺是利用螺旋传动原理,将角位移变成直线位来进行长度测量的。
()8.要经常保持千分尺的清洁,使用完毕后擦干净,同时还要在两测量面上涂一层防锈油并让两测量面贴合,然后放在专用盒内,并保存在干燥的地方。
()9. 测量时,零件必须在千分尺的测量面中心测量。
()10.测量零件时,零件上不能有异物,并在常温下测量。
()四、问答题(每题20分,共60分)1.卡尺应注意哪些事项?2.千分表和百分表应注意哪些事项?3.在你的工作当中你发现我们公司有哪些量具没有做到维护和保养?一、填空题1、0.02mm、0.01mm;2、0.01mm、0.01mm、0.02mm、0.02 mm;3、内测量、深度测量、台阶测量;4、5、0.001mm、0.01mm;6、主板、导电条;6、主指针、转数指示盘、表盘、转数指针、表圈、量杆、测头;二、选择题C\A\D\B\A三.四. 判断题第3.4.8题×其余全部√四、问答题1.2.卡尺是比较精密的测量工具,要轻拿轻放,不得碰撞或跌落地下。
常用量具培训试题D
部门:姓名:分数:
一、选择题:(每题4分,共40分)
1、测量直径为Φ25±0.015的轴颈,应选用的量具是(D)
A、数显卡尺
B、杠杆百分表
C、测高计
D、外径千分尺
2、外径千分尺在使用时必须(B)
A、旋紧止动销
B、对零线进行校对
C、扭动活动套管
D、不旋转棘轮
3、测量配合之间的微小间隙时,应选用(D)
A、测高计
B、百分表
C、千分尺
D、塞尺
4、量具精度要求应该按照产品控制公差的(D)原则选取
A. 三分之一B.五分之一 C. 八分之一D.十分之一
5、千分尺的活动套筒转动一格,测微螺杆移动(C)mm
A、0.1
B、1
C、0.01
D、0.001
6、千分尺两测量面将与工件接触时,要使用(C),不要直接转动微分筒
A、活动测杆
B、锁紧手柄
C、棘轮
D、毫米刻线筒
7、所有量具使用前须检查(D),以确保量具在有效期内
A、分度值和量程
B、表面清洁度
C、外观是否有损伤
D、检定标签
8、测量跳动前,需调整百分表的(A)
A、零位
B、个位
C、十位
D、百位
9、下图所示千分尺正确读数为(D)
A、1.150mm
B、1.154mm
C、1.650mm
D、1.654mm
10、千分尺读数时毫米刻线看到2.5并对齐微分筒49刻线,最终读数为(C)
A.2.549mm
B.2.990mm
C.2.490mm
D.2.590mm
二、判断题:(每题3分,共30分)
1、用精度等级为0.01mm的测高计检测某产品台阶孔深10±0.02 (×)
2、带表卡尺测量工件的读数为12.41 (√)
3、千分尺在测量时可以直接当卡规来进行操作(×)
4、塞规使用时可以旋转进入(×)
5、同一尺寸被测量几次都发现超差,即可以判定该尺寸超差(×)
6、千分尺测量完毕,反转微分筒,再拿出被测产品(√)
7、测量基本尺寸为52mm的尺寸,可选用25~50mm千分尺(×)
8、千分尺在测量频繁时,可直接旋转微分筒进行读数,但测量时旋转力量必须和调零时的力量一致(√)
9、为防止千分尺看错0.5刻度线,测量时可先用卡尺确认大致尺寸(√)
10、量具应定期送计量部门进行检定(√)
三、问答题:(每题10分,共20分)
1、塞规的通、止规主要有什么作用?
塞规是用来检测产品内孔大小的检具;
通规用来监控内孔是否偏小,止规用来监控内孔是否偏大。
2、简述测高计使用注意事项?
a.测量时需确保大理石平台水平,避免有晃动;
b.大理石平台及测量垫块不能有粉尘;
c.测高计测针针头无变形、凹陷和毛刺;
d.测高计测针必须拧紧,防止松动影响测量稳定性;
e.测高计测杆上下提供时需活动顺畅,测杆导向孔内不能有粉尘,影响测杆与水平面的垂直;
f.测量动作需规范,测针接触产品力道适中,测量时应尽可能避免使用尖测针针头,特别是成形生坯的检测。
四、奖惩题:(每题答错扣5分,答对共10分)
以下量具的具体读数是多少?
读数: 3.06
读数: 2.58
读数:8.240读数:15.486。