铜管耐压计算
- 格式:xls
- 大小:34.50 KB
- 文档页数:4
5壁厚的计算公式以日本冷冻保安规则关系为基准来求得的铜管(TP2M)必须厚度的计算公式、如下。
t= [(P×OD)/(2σa + 0.8P)] +α (㎜)t:必须的壁厚 (㎜) P:最高使用的压力(设计压力) (MPa) OD:标准外径 (㎜) σa:在125℃的基本许可应力 (N/㎜2) *σa = 33 (N/㎜2) α:腐蚀厚度 (㎜) *但是,对铜管的话为0(㎜)。
设计选择示例(TP2M):以下以O型(TP2M)铜管设计为例①R22制冷系统排气管组壁厚选择,假设排气管组外径φ19.05,其壁厚选择方法如下:R22制冷系统排气侧最高压力取3.45MPa,计算如下:壁厚t= [(P×OD)/(2σa + 0.8P)] +α (㎜) =(3.45×19.05)/(2×33+0.8×3.45)+0 =0.9558mm取整,t=1.0mm。
注:国标GB/T1804规定φ19.05的铜管壁厚V级偏差可以是±0.08mm,这样如果供货厂家为节省成本,采用壁厚偏差-0.08mm来生产管组,则其壁厚就会选取为0.92mm了,这样由计算结果可知,该管组在设计压力为3.45MPa时,就会有裂管的隐患了。
这时必须通过适当增加铜管壁厚来保证该管组不会爆裂,或者在技术要求中明确规定管组壁厚在适当的偏差内,即偏差范围在(-0.4,+0.08)mm内,以免除管组爆裂隐患。
实际上,一般设计的R22制冷系统最高压力不会超过3.0MPa,以3.0MPa为设计压力,φ19.05作为高压侧铜管时的壁厚,计算如下:壁厚t= [(P×OD)/(2σa + 0.8P)] +α (㎜)=(3.0×19.05)/(2×33+0.8×3.0)+0=0.8355mm取整t=0.9mm,其壁厚偏差可以定在(-0.06,+0.08)mm内,如果t取1.0mm,就按照国标GB/T1804规定不必考虑壁厚偏差了。
铜管和热交换器的耐压性和爆破压力内容提要:本文对冷媒和空调制冷用铜管的工作压力进行了描述,对常用规格铜管的爆破压力的计算值和实测值,以及铜管制成热交换器后的试验压力和爆破压力进行了试验测试和分析讨论。
空调制冷铜管在制成热交换器后,装在空调机中,冷媒在其中循环,这就要求铜管在冷媒的工作压力下长期工作不泄漏、不变形、更不能爆破。
因此铜管和热交换器能否长期安全工作和冷媒的工作压力有直接关系。
1、几种常用冷媒的工作压力目前常用空调冷媒R22的工作压力为1.5MPa稍高些,我们且按1.6MPa计算这个工作压力比较低,以前空调管路和热交换器多数是按此工作压力设计的。
由于环保的要求,近几年多数空调生产厂家采用新型环保冷媒,它们的工作压力也各不相同。
现将我们所知的几种常用冷媒的工作压力介绍如下,见表 1:表 1 常用冷媒标准工况下的工作压力冷媒种类2、铜管的工作压力和爆破压力2.1 铜管的工作压力由于空调制冷装置的工作压力比较低,所以在中国的GB、美国的ASTM、日本的JIS和欧洲标准EN中,空调制冷用铜管专用标准都未对水压试验做强制性规定,而是在无损检测一条中规定从涡流检测、水压试验、气压试验三种检测方法中由铜管制造厂任选一种,一般都是选用涡流检测。
如果做水压试验,中外标准中的规定几乎是相同的。
具体做法如下:静水压试验的压力,按薄壁中空圆柱体承受张力的公式来计算,试验压力不超过6.9MPa(1000Psi)。
在此压力下持续时间10~15秒钟,铜管应无泄漏、无变形。
计算公式为P=2×S×t/(D-0.8t)式中P——试验用水的静压力,MPat——管材壁厚,mmD——管材外径,mmS——材料的允许应力,MPaTP2铜管的允许应力规定S=41.2MPa(6000Psi)。
按照这一世界各国基本统一的规定计算出几种空调制冷用铜管的水压试验压力值如表2:表2 常用规格铜管的水压试验压力(最高工作压力)按照这一计算值,如果使用R410A冷媒,采用外径φ9.52mm壁厚或底壁厚为0.28mm的铜管还是比较安全的。
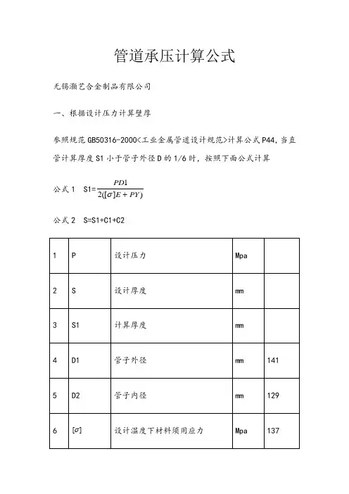
管道承压计算公式无锡灏艺合金制品有限公司 133—8224-9118一、根据设计压力计算壁厚参照规范GB50316—2000<工业金属管道设计规范>计算公式P44,当直管计算厚度S1小于管子外径D 的1/6时,按照下面公式计算公式1 S1=)]([21PY E PD +σ公式2 S=S1+C1+C2二、根据壁厚简单计算管道承受压力校核验算 公式1 P=SD ES +2)]([2σ阀门磅级,MPA, BAR, PSI和公斤的含义和换算阀门磅级,MPA, BAR, PSI和公斤的含义和换算class 150 300 400 600 800 900 1500 250 Mpa 1.6-2。
0 2.5—5。
0 6。
3 10。
0 13。
0 15.0 25。
0 42.0150LB对应1。
6-2.0MPa,300LB对应2。
5-5.0MPa,400LB对应6。
3MPa,600LB对应10MPa,800LB对应13M 应15MPa,1500LB对应25MPa,2500LB对应42MPa我通常所用的PN,CLass,都是压力的一种表示方法,所不同的是,它们所代表承受的压力对应参照温度不同是指在120℃下所对应的压力,而CLass美标是指在425。
5℃下所对应的压力.所以在工程互换中不能只单纯的进行压CLass300#单纯用压力换算应是2。
1MPa,但如果考虑到使用温度的话,它所对应的压力就升高了,根据材料验测定相当于5。
0MPa.阀门的体系有2种:一种是德国(包括我国)为代表的以常温下(我国是100度、德国是120度)的许用工作“公称压力”体系。
一种是美国为代表的以某个温度下的许用工作压力为代表的“温度压力体系"美国的温度压力体系中,除150LB以260度为基准外,其他各级均以454度为基准。
150磅级(150psi=1MPa)的25号碳钢阀门在260度时候,许用应力为1MPa,而在常温下的许用应力要比1MPa 是2。
金属管道组成件耐压强度计算1.1一般规定1.1.1 本章所列的计算方法适用于工程设计中所需的管道组成件的设计计算。
对于已标明公称压力管道组成件不必再按本章进行计算。
1.1.2 标准的对焊管件的耐压强度,应符合本规范第5.4.2条第5款的规定。
1.2直管1.2.1 承受内压直管的厚度计算,应符合下列规定:1 当直管计算厚度t s小于管子外径D o的1/6时,直管的计算厚度为式(1.2.1-1)计算的值。
设计厚度t sd应按式(1.2.1-2)计算。
所选用管子的最小壁厚为计算厚度与机加工深度和腐蚀或磨蚀附加量的和。
t s=PD o2([σ]t E j w+PY)(1.2.1-1)t sd=t s+C(1.2.1-2) C=C1+C2(1.2.1-3)Y系数的确定,应符合下列规定:当t s<D o/6时,按表1.2.1选取;当t s≥D o/6时,按下式计算:Y=D i+2(C2+C3)D i+D o+2(C2+C3)(1.2.1-1)式中:t s——直管计算厚度(mm);P——设计压力(MPa);D o——管子外径,取管子外径的名义值(mm);D i——管子内径,取材料标准或技术规定中允许的最大值(mm);[σ]t——在设计温度下材料的许用应力(MPa);E j——纵向焊接接头质量系数,按3.2.5条的规定取值;W——焊接接头高温强度降低系数,按第3.2.5A条的规定取值;t sd——直管设计厚度(mm);C——厚度附加量之和(mm);C1——厚度减薄附加量,包括机械加工深度C3及材料厚度负偏差之和(mm);C2——腐蚀或磨蚀附加量(mm);C3——机械加工深度,包括机械加工表面、开槽或螺纹深度。
带螺纹的管道组成件,取公称螺纹深度;对未规定公差的机械加工表面或槽,取规定切削深度加0.5mm。
Y——系数。
表6.2.1 t s<D o/6时系数Y的值(℃)注:介于表列的中间温度的Y值可用内插法计算。
2 当直管计算厚度t s大于或等于管子外径D o的1/6时,或设计压力P与在设计温度下材料的许用应力[σ]t和焊接接头系数E j乘积之比大于0.385时,直管厚度的计算,还应考虑失效机理、疲劳影响和温差应力等因素。
管道承压计算公式无锡灏艺合金制品有限公司一、根据设计压力计算壁厚参照规范GB50316-2000<工业金属管道设计规范>计算公式P44,当直管计算厚度S1小于管子外径D 的1/6时,按照下面公式计算公式1 S1=)]([21PY E PD +σ 公式2 S=S1+C1+C2二、根据壁厚简单计算管道承受压力校核验算公式1 P=SD ES +2)]([2σ阀门磅级,MPA, BAR, PSI 和公斤的含义和换算阀门磅级,MPA, BAR, PSI 和公斤的含义和换算class 150 300 400 600 800 900 Mpa MPA150LB 对应,300LB 对应,400LB 对应,600LB 对应10MPa ,800LB 对应13MPa ,900LB 对应15MP对应42MPa我通常所用的PN,CLass,都是压力的一种表示方法,所不同的是,它们所代表承受的压力对系是指在120℃下所对应的压力,而CLass美标是指在℃下所对应的压力。
所以在工程互换中如CLass300#单纯用压力换算应是,但如果考虑到使用温度的话,它所对应的压力就升高了定相当于。
阀门的体系有2种:一种是德国(包括我国)为代表的以常温下(我国是100度、德国是12的“公称压力”体系。
一种是美国为代表的以某个温度下的许用工作压力为代表的“温度压美国的温度压力体系中,除150LB以260度为基准外,其他各级均以454度为基准。
150磅级(150psi=1MPa)的25号碳钢阀门在260度时候,许用应力为1MPa,而在常温下的许约是。
所以,一般说美标150LB对应的公称压力等级为,300LB对应的公称压力等级为等等。
因此,不能随便按照压力变换公式来变换公称压力和温压等级。
PN是一个用数字表示的与压力有关的代号,是提供参考用的一个方便的圆整数,PN是近似于内阀门通常所使用的公称压力。
对碳钢阀体的控制阀,指在200℃以下应用时允许的最大工作以下应用时允许的最大工作压力;对不锈钢阀体的控制阀,指在250℃以下应用时允许的最时,阀体的耐压会降低。
承压铜管壁厚计算举例如下,其强度计算公式(即壁厚计算)为:S≥P*(C+Dn)/2[σ]式中:S为壁厚计算值,mm;P为工作压力,MPa;Dn为圆管内径,mm;(其他管型时另有计算规定)[σ]为铜材许用应力,按软态紫铜管取为41.2MPa,(已考虑焊接后铜管变软);C为附加余量,主要是腐蚀余量。
(钢管一般取0.3~0.5mm,铸铁取1.0mm,铜可取≥0.2mm)。
可以看出,承压所必需的壁厚只是上式中的第一项数值。
对于φ20紫铜管、工作压力1.0MPa时承压所需的壁厚数值,按上式计算为0.246mm。
在此基础上,加上铜管的壁厚偏差≤0.04mm(铜管标准规定)、机械胀管时壁厚减薄量约为0.03mm(实测值为壁厚的5%上下),该项值总和为0.316mm。
也就是说,只要保证这一壁厚,就可保证散热器在压力1.0MPa的条件下可以安全使用。
我国现在推广生产的铜铝复合柱翼型散热器,其立柱铜管的最小壁厚定为0.6mm,减去上述的承压所需壁厚0.316mm,尚余0.284mm,这就是计算公式中的附加余量数值。
根据北科大试验所得数据,PH=12时的年腐蚀率为0.0178mm/a,两者相除,约等于15年。
这就说明,现有的铜铝复合柱翼型散热器,在高碱度水质,且未除氧的条件下仍可有15年的安全使用寿命。
参照图2,在PH7.5~9.5的中碱度水质条件下,如果年腐蚀率按0.005mm/a分析,可有50年的耐蚀年限,在此条件下留有充分的余地,也可保证散热器的使用寿命30年以上。
在液压书本里找到的公式:(压力Mpa×管径mm)÷50经验常数=壁厚mm。
注意:压力指高压安全压力(常规空调应该为2.5Mpa,汽车空调应该为3.0Mpa),空调在停止使用时的蒸发器部分压力=冷凝压力,所以也应该选2.5Mpa,如果蒸发器铜管选10mm直径,铜管壁厚应该不小于0.5mm,现在厂家使用0.35甚至0.3壁厚的铜管,是在吃安全系数。
承压铜管壁厚计算举例如下,其强度计算公式(即壁厚计算)为:S≥P*(C+Dn)/2[σ]式中:S为壁厚计算值,mm;P为工作压力,MPa;Dn为圆管内径,mm;(其他管型时另有计算规定)[σ]为铜材许用应力,按软态紫铜管取为41.2MPa,(已考虑焊接后铜管变软);C为附加余量,主要是腐蚀余量。
(钢管一般取0.3~0.5mm,铸铁取1.0mm,铜可取≥0.2mm)。
可以看出,承压所必需的壁厚只是上式中的第一项数值。
对于φ20紫铜管、工作压力1.0MPa时承压所需的壁厚数值,按上式计算为0.246mm。
在此基础上,加上铜管的壁厚偏差≤0.04mm(铜管标准规定)、机械胀管时壁厚减薄量约为0.03mm(实测值为壁厚的5%上下),该项值总和为0.316mm。
也就是说,只要保证这一壁厚,就可保证散热器在压力1.0MPa的条件下可以安全使用。
我国现在推广生产的铜铝复合柱翼型散热器,其立柱铜管的最小壁厚定为0.6mm,减去上述的承压所需壁厚0.316mm,尚余0.284mm,这就是计算公式中的附加余量数值。
根据北科大试验所得数据,PH=12时的年腐蚀率为0.0178mm/a,两者相除,约等于15年。
这就说明,现有的铜铝复合柱翼型散热器,在高碱度水质,且未除氧的条件下仍可有15年的安全使用寿命。
参照图2,在PH7.5~9.5的中碱度水质条件下,如果年腐蚀率按0.005mm/a分析,可有50年的耐蚀年限,在此条件下留有充分的余地,也可保证散热器的使用寿命30年以上。
在液压书本里找到的公式:(压力Mpa×管径mm)÷50经验常数=壁厚mm。
注意:压力指高压安全压力(常规空调应该为2.5Mpa,汽车空调应该为3.0Mpa),空调在停止使用时的蒸发器部分压力=冷凝压力,所以也应该选2.5Mpa,如果蒸发器铜管选10mm直径,铜管壁厚应该不小于0.5mm,现在厂家使用0.35甚至0.3壁厚的铜管,是在吃安全系数。
1编制目的:a. 介绍各种不同设计压力下冷媒系统配管壁厚选择计算方法和选择方法;b. 防止开发人员在进行管组设计选型时岀现错误,造成批量问题。
2参考资料:引用文献:JIS B 8607 冷媒用喇叭口(flare )铜管以及焊接管(brazing )弯头JIS H 3300 铜以及铜合金无接缝管专家资料配管壁厚设计基准B-010GB/T1804 制冷铜配管标准3适用的范围这个设计选择标准,是针对一般的冷媒配管用铜管的种类、尺寸以及允许偏差而做的规定。
另外,也适用于工厂组装品内部的冷媒配管。
(注)JIS B 8607 冷媒用喇叭口(flare )铜管以及焊接管(brazing )弯头,“工厂组装品内部的冷媒配管也是依照这个”来规定的。
4配管的类别配管的类别、根据最高使用压力(设计压力)来区分第1种、第2种以及第3种。
第1种:相当于R22(包括R407C, R404A, R507A)的设计压力(3.45MPa)第2种:相当于R410A的设计压力(4.15MPa)第3种:(4.7MPa)用5壁厚的计算公式以日本冷冻保安规则关系为基准来求得的铜管仃P2M)必须厚度的计算公式、如下。
t = [(px OD)/(2 b a + 0.8P)] + a ( mm )t:必须的壁厚(mm)P :最高使用的压力(设计压力)(MPa)OD :标准外径(mm)b a:在125C的基本许可应力(N /mm2)a = 33 (N /mm 2)a:腐蚀厚度(mm)*但是,对铜管的话为0(mm)。
设计选择示例(TP2M :以下以O型(TP2M)铜管设计为例①R22制冷系统排气管组壁厚选择,假设排气管组外径© 19.05,其壁厚选择方法如下:R22制冷系统排气侧最高压力取3.45MPa,计算如下:壁厚t = [(P X OD/(2 b a + 0.8P)] + a ( mm )=(3.45 x 19.05)/ (2X33+0.8 X3.45)+0=0.9558mm取整,t=1.0mm。
管道承压计算公式-CAL-FENGHAI.-(YICAI)-Company One1管道承压计算公式无锡灏艺合金制品有限公司一、根据设计压力计算壁厚参照规范GB50316-2000<工业金属管道设计规范>计算公式P44,当直管计算厚度S1小于管子外径D 的1/6时,按照下面公式计算公式1 S1=)]([21PY E PD +σ公式2 S=S1+C1+C2二、根据壁厚简单计算管道承受压力校核验算 公式1 P=SD ES +2)]([2σ阀门磅级,MPA, BAR, PSI 和公斤的含义和换算阀门磅级,MPA, BAR, PSI 和公斤的含义和换算class 150 300 400 600 800 900 1500 2500 LBMpa MPA150LB对应,300LB对应,400LB对应,600LB对应10MPa,800LB对应13MPa,900LB对应15MPa,1500LB对应25MPa,2500LB对应42MPa我通常所用的PN,CLass,都是压力的一种表示方法,所不同的是,它们所代表承受的压力对应参照温度不同,PN欧洲体系是指在120℃下所对应的压力,而CLass美标是指在℃下所对应的压力。
所以在工程互换中不能只单纯的进行压力换算,如CLass300#单纯用压力换算应是,但如果考虑到使用温度的话,它所对应的压力就升高了,根据材料的温度耐压试验测定相当于。
阀门的体系有2种:一种是德国(包括我国)为代表的以常温下(我国是100度、德国是120度)的许用工作压力为基准的“公称压力”体系。
一种是美国为代表的以某个温度下的许用工作压力为代表的“温度压力体系”美国的温度压力体系中,除150LB以260度为基准外,其他各级均以454度为基准。
150磅级(150psi=1MPa)的25号碳钢阀门在260度时候,许用应力为1MPa,而在常温下的许用应力要比1MPa大得多,大约是。
所以,一般说美标150LB对应的公称压力等级为,300LB对应的公称压力等级为等等。
铜管壁厚压力
铜管壁厚压力是指在规定条件下,铜管材料的厚度对应的最大承
载力。
铜管壁厚越大,承载能力越大,因为壁厚越大,铜管的强度和
刚度就越高。
这是因为铜管厚度增加会使得材料的截面积变大,从而
增加铜管的抗拉强度和抗弯刚度。
增加铜管的壁厚可以减少材料的变
形和裂纹扩展的可能性,提高铜管的疲劳寿命。
铜管壁厚压力与外径、管材材质以及温度等因素都有关系。
在相
同外径和材质的情况下,铜管壁厚越大,承载力也就越大。
另外,温
度也会影响铜管的承载力,低温下铜材料的强度和刚度会有所提高,
而高温下则会下降。
铜管壁厚压力的计算需要考虑铜管的应力状态。
一般来说,常规
的计算方法要求铜管的应力不能超过其屈服强度的一定比例。
在设计
和选择铜管时,需要根据实际情况对铜管进行力学分析,以确定其承
载能力和安全系数。
在铜管的设计和选择中,还需要考虑到管道的使用条件。
例如,
对于输送高压气体或液体的管道,需要采用更加厚实的铜管壁,以保
证管道的安全性。
还需要针对不同的使用条件选择适当的铜合金材料,以满足不同的需求。
铜管壁厚压力是影响铜管承载能力的重要因素之一。
在设计和选
择铜管时,需要根据应用环境、使用条件以及所需承载力等因素,对
铜管的壁厚进行合理的选择。
也要注意考虑铜材料的强度、刚度和疲
劳寿命等因素,以确保铜管在使用过程中可以保持良好的性能和安全性。
管道承压计算公式一、根据设计压力计算壁厚参照规范GB50316-2000<工业金属管道设计规范>计算公式P44,当直管计算厚度S1小于管子外径D 的1/6时,按照下面公式计算公式1 S1=)]([21PY E PD +σ公式2 S=S1+C1+C2二、根据壁厚简单计算管道承受压力校核验算 公式1 P=SD ES +2)]([2σ阀门磅级,MPA, BAR, PSI和公斤的含义和换算阀门磅级,MPA, BAR, PSI和公斤的含义和换算class 150 300 400 600 800 900 1500 250 Mpa 1.6-2.0 2.5-5.0 6.3 10.0 13.0 15.0 25.0 42.0150LB对应1.6-2.0MPa,300LB对应2.5-5.0MPa,400LB对应6.3MPa,600LB对应10MPa,800LB对应13MPa 15MPa,1500LB对应25MPa,2500LB对应42MPa我通常所用的PN,CLass,都是压力的一种表示方法,所不同的是,它们所代表承受的压力对应参照温度不系是指在120℃下所对应的压力,而CLass美标是指在425.5℃下所对应的压力。
所以在工程互换中不能只单纯的进如CLass300#单纯用压力换算应是2.1MPa,但如果考虑到使用温度的话,它所对应的压力就升高了,根据材试验测定相当于5.0MPa。
阀门的体系有2种:一种是德国(包括我国)为代表的以常温下(我国是100度、德国是120度)的许用工的“公称压力”体系。
一种是美国为代表的以某个温度下的许用工作压力为代表的“温度压力体系”美国的温度压力体系中,除150LB以260度为基准外,其他各级均以454度为基准。
150磅级(150psi=1MPa)的25号碳钢阀门在260度时候,许用应力为1MPa,而在常温下的许用应力要比1M 约是2.0MPa。
所以,一般说美标150LB对应的公称压力等级为2.0MPa,300LB对应的公称压力等级为5.0MPa等等。
管道承压计算公式一、根据设计压力计算壁厚参照规范GB50316-2000<工业金属管道设计规范>计算公式P44,当直管计算厚度S1小于管子外径D 的1/6时,按照下面公式计算公式1 S1=)]([21PY E PD +σ公式2 S=S1+C1+C2二、根据壁厚简单计算管道承受压力校核验算 公式1 P=SD ES +2)]([2σ阀门磅级,MPA, BAR, PSI和公斤的含义和换算阀门磅级,MPA, BAR, PSI和公斤的含义和换算class 150 300 400 600 800 900 1500 250 Mpa 1.6-2.0 2.5-5.0 6.3 10.0 13.0 15.0 25.0 42.0150LB对应1.6-2.0MPa,300LB对应2.5-5.0MPa,400LB对应6.3MPa,600LB对应10MPa,800LB对应13MPa 15MPa,1500LB对应25MPa,2500LB对应42MPa我通常所用的PN,CLass,都是压力的一种表示方法,所不同的是,它们所代表承受的压力对应参照温度不系是指在120℃下所对应的压力,而CLass美标是指在425.5℃下所对应的压力。
所以在工程互换中不能只单纯的进如CLass300#单纯用压力换算应是2.1MPa,但如果考虑到使用温度的话,它所对应的压力就升高了,根据材试验测定相当于5.0MPa。
阀门的体系有2种:一种是德国(包括我国)为代表的以常温下(我国是100度、德国是120度)的许用工的“公称压力”体系。
一种是美国为代表的以某个温度下的许用工作压力为代表的“温度压力体系”美国的温度压力体系中,除150LB以260度为基准外,其他各级均以454度为基准。
150磅级(150psi=1MPa)的25号碳钢阀门在260度时候,许用应力为1MPa,而在常温下的许用应力要比1M 约是2.0MPa。
所以,一般说美标150LB对应的公称压力等级为2.0MPa,300LB对应的公称压力等级为5.0MPa等等。
钢筋、铝材、槽钢、螺纹、工字、及承受力的计算公式!一、铜材重量计算公式方紫铜棒重量(公斤)=0.0089×边宽×边宽×长度方黄铜棒重量(公斤)=0.0085×边宽×边宽×长度六角紫铜棒重量(公斤)=0.0077×对边宽×对边宽×长度六角黄铜棒重量(公斤)=0.00736×边宽×对边宽×长度紫铜板重量(公斤)=0.0089×厚×宽×长度黄铜板重量(公斤)=0.0085×厚×宽×长度园紫铜管重量(公斤)=0.028×壁厚×(外径-壁厚)×长度园黄铜管重量(公斤)=0.0267×壁厚×(外径-壁厚)×长度园紫铜棒重量(公斤)=0.00698×直径×直径×长度园黄铜棒重量(公斤)=0.00668×直径×直径×长度二、工字钢计算公式工字钢(kg/m)W=0.00785×[hd 2t(b-d) 0.615(R*R-r*r)] h=高d=腰厚 b=腿长R=内弧半径t=平均腿厚例如:求250mm×118mm×10mm的工字钢每m重量。
从冶金产品目录中查出t为13、R为10、r为5,则每 m重量=0.00785×[250×10 2×13(118-10) 0.615×(10×10-5×5)]三、钢结构的承受力怎么算列子:此图为车库的玻璃雨篷图。
外围是用200mm*10mm厚的方管一圈,内150mm*5mm厚方管与100mm*5mm厚方管打十字架。
外围200方管的交接点处(红色)用是200方管做立柱,架子的高度(水平的)是2150mm。
管道承压计算公式一、根据设计压力计算壁厚参照规范GB50316-2000<工业金属管道设计规范>计算公式P44,当直管计算厚度S1小于管子外径D 的1/6时,按照下面公式计算公式1 S1=)]([21PY E PD +σ公式2 S=S1+C1+C2二、根据壁厚简单计算管道承受压力校核验算 公式1 P=SD ES +2)]([2σ阀门磅级,MPA, BAR, PSI和公斤的含义和换算阀门磅级,MPA, BAR, PSI和公斤的含义和换算class 150 300 400 600 800 900 1500 250 Mpa 1.6-2.0 2.5-5.0 6.3 10.0 13.0 15.0 25.0 42.0150LB对应1.6-2.0MPa,300LB对应2.5-5.0MPa,400LB对应6.3MPa,600LB对应10MPa,800LB对应13MPa 15MPa,1500LB对应25MPa,2500LB对应42MPa我通常所用的PN,CLass,都是压力的一种表示方法,所不同的是,它们所代表承受的压力对应参照温度不系是指在120℃下所对应的压力,而CLass美标是指在425.5℃下所对应的压力。
所以在工程互换中不能只单纯的进如CLass300#单纯用压力换算应是2.1MPa,但如果考虑到使用温度的话,它所对应的压力就升高了,根据材试验测定相当于5.0MPa。
阀门的体系有2种:一种是德国(包括我国)为代表的以常温下(我国是100度、德国是120度)的许用工的“公称压力”体系。
一种是美国为代表的以某个温度下的许用工作压力为代表的“温度压力体系”美国的温度压力体系中,除150LB以260度为基准外,其他各级均以454度为基准。
150磅级(150psi=1MPa)的25号碳钢阀门在260度时候,许用应力为1MPa,而在常温下的许用应力要比1M 约是2.0MPa。
所以,一般说美标150LB对应的公称压力等级为2.0MPa,300LB对应的公称压力等级为5.0MPa等等。
钢管承压计算公式/无缝钢管压力壁厚对照表/直缝焊管承受压力表Via 常州精密钢管博客钢管承压计算公式/无缝钢管压力壁厚对照表/直缝焊管承受压力表钢管管道的承压问题一直是困扰广大钢管从业人员的细节性问题,每个人都能通过钢仔压力壁厚对照表来比对钢管的承压能力,但具体到某一根铜管上来讲,这根钢管的承压能力到底有多大,这个问题就有点棘手了。
因为通过对照表来查询,这只是最保守的方法,而且这个数据也不是完全正确,这些数据虽然也是通过大量的科学实验得出的,但它也只是一个大体数据并不绝对准确。
因为钢管承压能力这个问题还要受工作环境中温度、内部流体、钢管生产流程等等一系列的问题所影响。
如果在我们测算出铜管的外径、壁厚、铜管材质的抗拉强度的情况下,我们可以通过计算分式来计算钢管的承压能力,当然这里面涉及到的数据都是经过实际测算的准确的,且钢管材质的机械性能是有保证的。
这样我们获取的数据就有了一定保证。
钢管承压能力和壁厚的计算公式:压力= (壁厚×2×钢管材质抗拉强度) / (外径*系数)上面所提到的钢管压力系数不是一个固定的数值,它是要根据铜管的实际承压能力而变的。
下面就是钢管压力系数的界定范围:当压力P<7Mpa 时,系数为S=8 ;当 7<钢管压力P<17.5时,系数为S =6 ;当压力P>17.5时,系数为S =4 。
一、无缝碳钢管压力及壁厚表单位:mm材料PNMPaDN 101520253240506580100125150200250300350400450500600≤1.62.53333 3.53.54444 4.55677888920#12CrMo 15CrMo 12Cr1MoV2.5 2.533323.53.544444.5567788910 4.0 2.53333 3.53.544 4.555.578910111213156.4333 3.53.53.54 4.55678911121416171922 10.03 3.53.54 4.54.55678910131518202216.04 4.55566789111315192426303420.04 4.556678911131518222832364.0T3.544 4.5555.510Cr5Mo ≤1.62.53333 3.53.54 4.544 4.5 5.57788889 2.5 2.53333 3.53.54 4.545 4.5 5.5778991012 4.0 2.53333 3.53.54 4.55 5.5689101112141518 6.4333 3.544 4.55 5.57891113141618202226 10.03 3.544 4.55 5.57891012151822242616.04 4.555678910121518222832364020.04 4.55678911121518222634384.0T3.544 4.5555.516Mn 15MnV ≤1.62.52.52.53333 3.53.53.5 3.54 4.55 5.566667 2.5 2.52.52.53333 3.53.53.5 3.54 4.55 5.567789 4.0 2.52.52.53333 3.53.54 4.5567889101112 6.4 2.5333 3.53.53.54 4.556789111213141618 10.033 3.53.544 4.556789111315171916.03.53.5 4.55581112222520.03.545 5.56913152630二、无缝不锈钢管压力及壁厚表单位:mm材料PNMPa DN1015202532405065801001251502002503003504004505006001Cr18Ni9Ti含Mo不锈钢≤1.0222 2.52.52.52.52.52.533 3.5 3.5 3.544 4.51.622.52.52.52.52.5333333.5 3.544.5552.52 2.52.52.52.52.53333.5 3.544.55667 4.02 2.52.52.52.52.533 3.54 4.55678910 6.4 2.52.52.5333 3.54 4.5567810111314 4.0T3 3.53.5444 4.5三、焊接钢管压力及壁厚表单位:mm材料PNMPa DN20025030035040045050060070080090010001100120014001600焊接碳钢管(Q235/A20)0.2555555556666667770.6556666677778889101.055666778899101111121.66677889101112131415162.57899101112131516焊接不锈钢管3040.253333 3.5 3.5 3.5444 4.5 4.5 0.633 3.5 3.5 3.544 4.555663.54.5 4.55.567466789589101213四、根据压力计算钢管管道的选用壁厚的计算器:这是一个EXCEL的计算程序,填入相关的数据,就可以自动计算出选用钢管的厚度,非常方便。
钢管承受压力计算公式方法一:以知方矩管、螺旋管无缝管无缝钢管外径规格壁厚求能承受压力计算方法(钢管不同材质抗拉强度不同)压力=(壁厚*2*钢管材质抗拉强度)/(外径*系数)二:以知无缝管无缝钢管外径和承受压力求壁厚计算方法:壁厚=(压力*外径*系数)/(2*钢管材质抗拉强度)三:方矩管、螺旋管钢管压力系数表示方法:压力P<7Mpa 系数S=87<钢管压力P<17.5 系数S=6压力P>17.5 系数S=4不锈钢管承受压力计算公式不锈钢管所承受的压力如何计算:1、计算公式:2X壁厚X(抗拉强度X40%)*外径2、316、316L、TP316、TP316L——抗拉强度:485MA3、321、304、304L——抗拉强度:520MA304不锈钢管的抗拉强度是520MPA316不锈钢管的抗拉强度是485MPA而不锈钢管能承受的水压除了材质不同能承受压力值大小不一样之外;外径和壁厚也是非常重要的因素,壁厚越厚,能承受的压力值越大,比如同样外径,10个厚的不锈钢管就比5个厚的不锈钢管能承受的水压要高的多;另外,还与外径有关,外径越大,能承受的压力值越小,比如同样的壁厚,外径越大能承受的压力值越小;不锈钢管承受压力的计算公式:水压试验压力:P=2SR/DS是指壁厚,r指抗拉强度的40%,D指外径;下面举例说明:304不锈钢管规格:159*3P=2*520*0.4*3/159=7.84MPA316不锈钢管规格:159*3P=2*485*0.4*3/159=7.32MPA不锈钢无缝管按要求不同分类如下:按生产工艺分为:不锈钢冷拔管、不锈钢精密管。
按截面分为:不锈钢圆管、不锈钢方管、不锈钢矩管、不锈钢异型管(有三角管、六角管等)按壁厚可分为:厚壁不锈钢管、薄壁不锈钢管按口径可分为:大口径不锈钢管、小口径不锈钢管、不锈钢毛细管按搜索习惯可分为:不锈钢无缝管、无缝不锈钢管、不锈钢管、不锈钢钢管、不锈钢无缝钢管按地区可分为:戴南不锈钢管、江苏不锈钢管、泰州不锈钢管、温州不锈钢管、浙江不锈钢管、佛山不锈钢管、上海不锈钢管、北京不锈钢管、山东不锈钢管按材质分为:201不锈钢无缝管、202不锈钢无缝管、301不锈钢无缝管、304不锈钢无缝管、316L不锈钢无缝管、310S不锈钢无缝管无缝钢管承受压力计算公式方法一:以知无缝管无缝钢管外径规格壁厚求能承受压力计算方法(钢管不同材质抗拉强度不同)压力=(壁厚*2*钢管材质抗拉强度)/(外径*系数)二:以知无缝管无缝钢管外径和承受压力求壁厚计算方法:壁厚=(压力*外径*系数)/(2*钢管材质抗拉强度)三:钢管压力系数表示方法:压力P<7Mpa 系数S=87<钢管压力P<17.5 系数S=6压力P>17.5 系数S=4钢管理论重量表单位:Kg/m壁厚外径 3 3.5 4 4.5 5 5.5 6注:计算常用型材理论重量计算公式:m=F×L×ρm—质量Kg ;F—断面积m2/m ;L—长度m ;ρ—密度*Kg/m3☆其中:F断面积计算方法:1、方钢F= a22、钢管F=3.1416×$(D-$)D—直径$—厚度3、钢板、扁钢F= a×$a—宽度密度:钢材:7.85*103 kg/m3铝:2.5~2.95*103铜:8.45~8.9*103铸铁:6.6~7*103尼龙:1.04~1.15*103小口径无缝钢管分类优质碳素结构钢碳素结构钢低合金高强度结构钢合金结构钢不锈钢20#结构钢小口径无缝钢管一般规格外径在(3mm-42mm)之间的大家习惯称之为小口径无缝管、因为他的直径比较的小。