螺丝基础知识
- 格式:ppt
- 大小:418.50 KB
- 文档页数:14
螺丝基础知识一、螺丝的简介螺丝在我们的工作及生活中用途极为广泛,其基本的头型有盘头、沉头、定位头、丸头、大扁头、皇冠头、圆柱头、六角头、工头九种以上,槽型有一字、十字、人字、八字、内六角、内梅花等。
常使用低碳钢、中碳钢、镍铬钢、铬钼钢、不锈钢、铝合金、黄铜等材料作为原料进行加工生产,一般情况下没有特别指明的材质都使用SWCH1008A-SWCH1010等,此类原材料由φ5.5 盘元逐渐抽拉形成各种线径。
不管螺丝的种类有多少,通常我们多以槽型、头型、牙径、长度、颜色来为其规定命名。
例如:+BTS 3X8 GZ“+” 表示下冲(二冲)的形状,即针模的形状(槽型)“B” 表示头部的外观形状,即这是冈山头“T” 表示牙部的外观形状,即是自攻类或者粗牙“3” 表示螺丝的搓牙直径,或称为外径“8” 表示螺丝搓牙的长度,或者说是钉身的长度“GZ”表示螺丝所需要的电镀色彩是五彩,或称为彩锌螺丝最主要的作用是将两个或两个以上的物品铆合在一起,起到紧固的用途。
二、螺丝的制作流程原材料之检查(线材)→打头(锻造)→搓牙(铨造)→热处理→电镀→挑选→包装→出货所有螺丝不管是大型的还是小型的,都是用原材料经过以上的程序加工出来的,这就要求我们对螺丝专业必须有一个明确认识,除了在有原材的基础上,我们还需要打头、搓牙的专业机器,一般分类有:2mm以下的为0#机,至4mm为 3/16机(一分半机),至6mm为1/4机(两分机),至8mm为5/16(两分半机)等原则,速度为每分钟60PCS-300Pcs等差距不同。
在原胚制作完成后,会外发加工给热处理厂进行热处理,调解螺丝的一些功能,达到所需要的硬度或韧性等,电镀是为了防止螺丝被氧化或腐蚀而进行的加工。
三. 原材料介绍原材料就是公司为了定期或者非定期而购进的物料。
对于原材料我们通常有碳钢、不锈钢、铜线、铝线、合金、铜线等,在科技高速发展中,对金属加工速度要求提升,在金属表面处理一层磷酸盐薄膜,防止工具、模具、金属间等磨擦,并加快速度,提高品质。
螺丝的基础知识一、螺丝的要素包括:牙型、公称直径、螺距(或导程)头数、螺纹公差带、旋向A 牙型包括三角牙方牙、梯形锯齿形、圆形牙B直径包括:大径(外螺纹称顶径、内螺纹称底径)、小径(外螺纹称底径、内螺纹称顶径)、公称直径(指螺纹大径的基本尺)C头数(又称线数)分为:单头、双头、多头(或外螺纹顶径、内螺纹底径的线数) 螺距和导程:相邻两牙在中径线上对应两点间的轴向距离称为螺距(同一条螺旋线上的相邻两牙在中线上对应两点间的轴向距离称导程)、对于单线螺纹螺距等于导程,对于多头螺纹导程等于螺距乘头数(S=Z×P)注:S表示螺纹导程,Z表示头数,P表示螺距,D旋向:分为右旋(顺时针方向常用)、左旋(逆时针方向).E螺纹旋合长度:两个相互配的螺纹,沿螺纹轴线方向相互旋合部分的长度,工见GB197-81.F螺纹公差带:它表示螺纹加工的准确程度,规定加尺寸合格的范围.由其相对G于基本牙型的位置和大小组成.见GB197-81.国家规定的公差带,内螺纹有5G、6G、7G、5H、6H、7H。
外螺纹有6e、6f、5g、6g、7g、5h、6h、7h。
二、螺纹的各类:注:内、外螺纹公差可以任意组合,为了保证足够触高度,最好组合为H/g、H/h、G/h配合。
M6×1—5g 6g(5g表示中径公差带代号,6g表示顶任务径差带代号)M6×1—6H(中径和顶径公差带代事情相同)三、常用普通内螺纹基本尺寸(GB196-81)注:螺纹攻丝前孔径底径要求:孔径=螺纹直径-螺距(D=M-P例:M6-1=5),铸铁、铜类可偏小0.1—0.2三角螺丝螺纹成型规格表表3 螺栓、螺钉和螺柱公称长度l系列表(GB3106-82)注:1、括号内为尽可能不采用规格。
2、GB/T901-1988《等长双头螺柱》另增加(18)、(22)、(28)、(32)、(38)、(85)、(95)、170、190、(210)、(230)、(240)、250、(260)几种规格。
螺丝的基础知识螺丝是一种常见的紧固连接件,其基础知识包括材料、结构、分类、特点以及应用等方面。
下面将从这些方面详细介绍螺丝的基础知识。
一、螺丝的材料螺丝的常用材料有碳钢、合金钢、不锈钢、铜、铝等。
不同材料的螺丝具有不同的性能特点,如碳钢螺丝强度高,适用于一般场合;不锈钢螺丝防腐性能好,适用于潮湿环境;铜螺丝导电性好,适用于电子设备等。
二、螺丝的结构螺丝一般由头部、螺纹、杆身和尾部组成。
头部用于旋转螺丝,螺纹是螺丝的重要组成部分,可以使螺丝与其他零件连接紧密,杆身是连接零件的轴,尾部用于固定螺丝。
三、螺丝的分类螺丝按照头部形状可分为圆头、沉头、半沉头等;按照螺纹形式可分为内螺纹和外螺纹;按照用途可分为机械螺丝、电子螺丝、木工螺丝等。
四、螺丝的特点螺丝具有以下几个特点:1. 螺纹可以使螺丝和其他零件连接紧密,具有很强的连接力;2. 螺丝可以方便拆卸和安装,便于维修和更换零部件;3. 螺丝的材料多样,可以根据不同环境和要求选择合适的螺丝;4. 螺丝的种类繁多,可以满足不同场合的需求。
五、螺丝的应用螺丝广泛应用于各个领域,如机械制造、电子设备、汽车制造、建筑工程等。
在机械制造中,螺丝用于连接各种零部件,确保机械设备的正常运行;在电子设备中,螺丝用于固定电路板和其他零部件,保证设备的稳定性;在汽车制造中,螺丝用于连接车身和零部件,提高车辆的安全性;在建筑工程中,螺丝用于连接钢结构和混凝土构件,增强建筑物的稳定性。
螺丝作为一种常见的紧固连接件,具有重要的作用。
了解螺丝的基础知识,可以更好地选择和使用螺丝,确保连接的牢固性和稳定性。
在实际应用中,我们需要根据具体要求选择合适的螺丝材料、结构和类型,以满足不同场合的需求。
同时,正确使用螺丝工具和方法也是确保连接质量的重要因素。
希望通过本文的介绍,读者能够对螺丝的基础知识有一个更加全面的了解。
螺丝基础知识第一部分螺丝主要尺寸一. 长度当今世界上长度计量单位主要有两种,一种为公制,计量单位为米(m)、厘米(cm)、毫米(mm)等,在欧洲、我国及日本等东南亚地区使用较多,另一种为英制,计量单位主要为英寸(inch),相当于我国旧制的市寸,在美国、英国等欧美国家使用较多。
1、公制计量:(10进制)1m =100 cm=1000 mm1 cm 0 1234567 89 10 mm 2、英制计量:(8进制)1英寸=8英分 1英寸=25.4 mm 3/8??×25.4 =9.521/16 3/16 5/16 7/16 9/16 11/16 13/16 15/16 0 1/8 1/4 3/8 1/2 5/8 3/4 7/8 1 inch 3、1/4??以下的产品用番号来表示其称呼径,如:4#(2.8), 5#(3.2), 6#(3.5), 7#(3.9), 8#(4.2), 10#(5.5),12#(6.3) 4. 螺丝长度除平头外其它都不包含头部厚度。
二. 牙距牙距:为相邻牙在中经线上对应两点的轴向距离。
在英制中以每一英寸(25.4mm)内的牙数来表明牙距。
如日标墙板钉:规格粗牙细牙牙数牙距牙数牙距 6# 9 2.82 18 1.41 7# 9 2.82 16 1.59 8#9 2.82 15 1.69 10# 8 3.18 12 2.11 三. 牙外径、牙底径四.牙山角度和尾尖角度:牙山角为牙侧与牙侧间的夹角、尾尖角为螺纹未端尖角。
1、自攻牙:牙山角度为60O,尾尖角度为45 O±5 O。
2、墙板钉:牙山角度为60O,(也可依客户要求生产,如45 O±5 O)尾尖角度为25 O±3O。
3、夹板钉:(Chip board screws)牙山角度为40 O±3 O,尾尖角度为25O±3 O或34O±3O(客户特殊要求)。
4、钻尾螺丝:牙山角度为60 O±5 O,尾部针对不同规格的产品选用不同型号的夹尾针,夹尾的主要几何参数为夹尾径和伸出量。
第一部分螺丝主要尺寸一. 长度当今世界上长度计量单位主要有两种,一种为公制,计量单位为米(m)、厘米(cm)、毫米(mm)等,在欧洲、我国及日本等东南亚地区使用较多,另一种为英制,计量单位主要为英寸(inch),相当于我国旧制的市寸,在美国、英国等欧美国家使用较多。
1、公制计量:(10进制)1m =100 cm=1000 mm0 1 2 3 4 5 6 7 8 9 10 mm2、英制计量:(8进制)1英寸=8英分1英寸=25.4 mm 3/8''×25.4 =9.520 1/8 1/4 3/8 1/2 5/8 3/4 7/8 1 inch3、1/4''以下的产品用番号来表示其称呼径,如:4#(2.8),5#(3.2),6#(3.5),7#(3.9),8#(4.2),10#(5.5),12#(6.3)4. 螺丝长度除平头外其它都不包含头部厚度。
二. 牙距牙距:为相邻牙在中经线上对应两点的轴向距离。
在英制中以每一英寸(25.4mm)内的牙数来表明牙距。
如日标墙板钉:三. 牙外径、牙底径四.牙山角度和尾尖角度:牙山角为牙侧与牙侧间的夹角、尾尖角为螺纹未端尖角。
1、自攻牙:牙山角度为60O,尾尖角度为45 O±5 O。
2、墙板钉:牙山角度为60O,(也可依客户要求生产,如45 O±5 O)尾尖角度为25 O±3O。
3、夹板钉:(Chip board screws)牙山角度为40 O±3 O,尾尖角度为25O±3 O 或34O±3O(客户特殊要求)。
4、钻尾螺丝:牙山角度为60 O±5 O,尾部针对不同规格的产品选用不同型号的夹尾针,夹尾的主要几何参数为夹尾径和伸出量。
五. 头部槽号第二部分材料碳钢。
我们以碳钢料中碳的含量区分低碳钢,中碳钢和高碳钢以及合金钢。
1、低碳钢C%≤0.25% 国内通常称为A3钢。
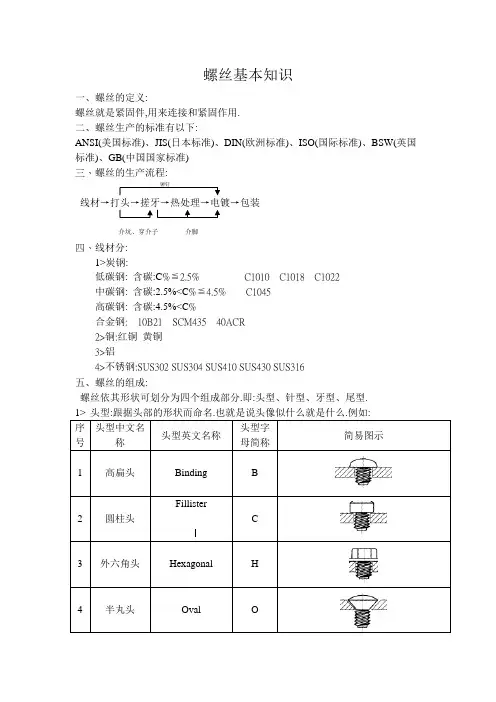
螺丝基本知识一、螺丝的定义:螺丝就是紧固件,用来连接和紧固作用.二、螺丝生产的标准有以下:ANSI(美国标准)、JIS(日本标准)、DIN(欧洲标准)、ISO(国际标准)、BSW(英国标准)、GB(中国国家标准)三、螺丝的生产流程:线材→打头→搓牙→热处理→电镀→包装介坑、穿介子介脚四、线材分:1>炭钢:低碳钢: 含碳:C%≦2.5% C1010 C1018 C1022中碳钢: 含碳:2.5%<C%≦4.5% C1045高碳钢: 含碳:4.5%<C%合金钢: 10B21 SCM435 40ACR2>铜:红铜黄铜3>铝4>不锈钢:SUS302 SUS304 SUS410 SUS430 SUS316五、螺丝的组成:螺丝依其形状可划分为四个组成部分.即:头型、针型、牙型、尾型.2>针型:跟据针的槽部的形状而命名.也就是说槽像似什么就是什么.针型如下表:3>牙型:依据螺纹的面命名:也就是螺纹的型态.螺纹即:是一种在固体内表面可牙表面的截面上,有均匀螺旋凸起的形状.它分为三种:a.普通螺纹(螺纹为三角形,牙径圆柱形);b.传动螺纹(螺纹为梯形),c.密封螺纹(例如水管,牙径锥形)我们一般用的螺丝都是普通形,其分类如下:机械螺丝:用来连接有固定的阴螺纹的工件上,尾部无任何动作.且可分为粗牙和细牙.(用”M”表示)Type A铁板螺丝Type ABType BType T自攻螺丝BT三角牙PTCTST还有:高低牙(HL)、双丝牙(TF)、五爪牙(FT)、木牙(W)、BJ牙…….4>尾型:螺丝尾巴的型态.例如:尖尾狗尾束尾圆尾六、螺丝的表示方法:1>产品的表示方法:1 2 3 4 5 6 7P ±M 3 X 10 圆尾1表示头型2表示针型(如果是+字针则不写) 3表示牙型4表示公称外径5无意连接6公称称长度7尾形(没有不用写)英国表示方法: 美国表示方法:P ±M 1/8-48 X 3/8” P ±M #4-40X 3/8”1/8表示公称外径48表示一英寸牙数为48牙#4表示公称外径40表示一英寸牙数为40牙2>f/n的含义:1 2 3 4 5 6 7 8 9J P M 2 – 30 10 N1 H 011表示生产标准,2、3表头型及牙型,4表示针型, 5为公称外径即:M3 ,6表示公称长度为10, 7表示电镀8表示是否加硬,9表示流水号.七、度量问题:当今世界上长度计量单位主要有两种,一种为公制,计量单位为米(m)、厘米(cm)、毫米(mm)等,在欧州、我国及日本等东南亚地区使用较多,另一种为英制,计量单位主要为英寸(inch),相当于我国旧制的市寸,在美国、英国等欧美国家使用较多。
螺丝基础必学知识点
以下是螺丝基础必学知识点:
1. 螺纹类型:常见的螺纹类型有英制螺纹、公制螺纹和特殊螺纹。
英制螺纹根据其每英寸包含的螺纹数分为粗牙和细牙;公制螺纹则根据每毫米包含的螺纹数分为粗牙和细牙。
2. 螺纹标识:螺纹的标识通常由螺纹直径、螺距和螺纹类型组成。
例如,M12×1.75表示公制螺纹,直径为12毫米,螺距为1.75毫米。
3. 螺纹测量:常用的螺纹测量工具包括测螺距卡规和螺纹规。
测量时需注意准确对齐螺纹,避免偏差。
4. 螺杆种类:常见的螺杆种类包括内六角螺杆、十字槽螺杆、平头螺杆、圆头螺杆等。
不同种类的螺杆适用于不同的应用场景。
5. 螺丝扳手:用于拧紧和松开螺丝的工具,通常有定扭矩和非定扭矩两种类型。
定扭矩螺丝扳手可精确控制扭矩大小,适用于对扭矩要求较高的应用。
以上是螺丝基础必学知识点的简要介绍,螺丝学习需要深入理解其原理和实践操作。
螺丝的基础知识一、螺丝的要素包括:牙型、公称直径、螺距(或导程)头数、螺纹公差带、旋向A 牙型包括三角牙方牙、梯形锯齿形、圆形牙B直径包括:大径(外螺纹称顶径、内螺纹称底径)、小径(外螺纹称底径、内螺纹称顶径)、公称直径(指螺纹大径的基本尺)C头数(又称线数)分为:单头、双头、多头(或外螺纹顶径、内螺纹底径的线数) 螺距和导程:相邻两牙在中径线上对应两点间的轴向距离称为螺距(同一条螺旋线上的相邻两牙在中线上对应两点间的轴向距离称导程)、对于单线螺纹螺距等于导程,对于多头螺纹导程等于螺距乘头数(S=Z×P)注:S表示螺纹导程,Z表示头数,P表示螺距,D旋向:分为右旋(顺时针方向常用)、左旋(逆时针方向).E螺纹旋合长度:两个相互配的螺纹,沿螺纹轴线方向相互旋合部分的长度,工见GB197-81.F螺纹公差带:它表示螺纹加工的准确程度,规定加尺寸合格的范围.由其相对G于基本牙型的位置和大小组成.见GB197-81.国家规定的公差带,内螺纹有5G、6G、7G、5H、6H、7H。
外螺纹有6e、6f、5g、6g、7g、5h、6h、7h。
二、螺纹的各类:注:内、外螺纹公差可以任意组合,为了保证足够触高度,最好组合为H/g、H/h、G/h配合。
M6×1—5g 6g(5g表示中径公差带代号,6g表示顶任务径差带代号)M6×1—6H(中径和顶径公差带代事情相同)三、常用普通内螺纹基本尺寸(GB196-81)注:螺纹攻丝前孔径底径要求:孔径=螺纹直径-螺距(D=M-P例:M6-1=5),铸铁、铜类可偏小0.1—0.2三角螺丝螺纹成型规格表表3 螺栓、螺钉和螺柱公称长度l系列表(GB3106-82)注:1、括号内为尽可能不采用规格。
2、GB/T901-1988《等长双头螺柱》另增加(18)、(22)、(28)、(32)、(38)、(85)、(95)、170、190、(210)、(230)、(240)、250、(260)几种规格。