预拌混凝土企业标准一览表最新2013
- 格式:doc
- 大小:509.50 KB
- 文档页数:5
预拌混凝土国家标准中华人民共和国国家标准GB/T14902---2003代替GB 14902---1994预拌混凝土Ready--mixed concrete2003-07-01发布2003-12-01实施前言本标准代替GBl4902-1994《预拌混凝土》。
本标准与GBl4902-1994相比主要变化有:1、在适用范围中取消了不适用于轻集料混凝土,明确了不包括运送到交货地点后的浇筑、振捣及养护。
2、通用品中的最大强度等级由C40改为C50,坍落度由150mm改为180mm。
3、修改了固定式搅拌机搅拌混凝土的最短搅拌时间。
4、根据目前社会对环保的要求及混凝土生产的具体情况,增加了对混凝土生产企业及其产品的环保要求。
5、增加了用混凝土工程实际量对混凝土实际供货量进行复核的允许偏差。
6、增加了有抗渗、抗冻要求的预拌混凝土的取样检验频率。
本标准由中华人民共和国建设部提出。
本标准由建设部建筑工程标准技术归口单位归口。
本标准负责起草单位:中国建筑科学研究院。
本标准参加起草单位:北京城建集团有限责任公司混凝土分公司、北京市建工程质量监督总站、深圳安托山混凝土公司、上海嘉华混凝土公司、浙江华威建材有限公司、北京望京谊合混凝土有限责任公司、北京中建宏福混凝土有限公司、北京市昌平区建设委员会、上海建工材料工程有限公司、北京建工集团有限责任公司、北京田华和众商品混凝土搅拌站、上海建筑科学研究院、广东信强混凝土有限公司、北京东方金建科技有限公司等。
本标准参加起草人:许鹤力、韩素芳、路来军、孙功轩、王章夫、陈一鸣、梁锡武、刘旭晨、张越、韩芳贤、康伟、朱建华、高金枝、于明、倪清、陈尧亮、赵双群。
本标准1994年首次发布。
本标准委托中国建筑科学研究院负责解释。
预拌混凝土1、范围本标准规定了预拌混凝土的定义、分类、标记、技术要求、供货量、试验方法、检验规则及订货与交货。
本标准适用于集中搅拌站生产的预拌混凝土。
本标准不包括运送货到交货地点后混凝土浇筑、振捣及养护。
附件福建省预拌商品混凝土质量管理标准第一章总则第一条为进一步加强预拌商品混凝土(以下简称预拌混凝土)生产质量管理,保证预拌混凝土质量,根据《建筑法》、《建设工程质量管理条例》、《建筑业企业资质管理规定》、《福建省建设工程质量管理条例》等法律法规,结合本省实际,制定本标准。
第二条在本省行政区域内从事房屋建筑和市政基础设施工程预拌混凝土生产活动以及对该活动实施监督管理,应遵守本标准。
第三条鼓励预拌商品混凝土专业企业(以下简称“企业”)做强做大,加大科研经费投入,研发高性能预拌混凝土并申请专利。
第四条省住房城乡建设厅对全省预拌混凝土生产活动实施统一监督管理,质量监督管理具体工作委托省建设工程质量安全监督总站实施。
县级以上住房城乡建设主管部门负责对本行政区域内的预拌混凝土生产活动实施监督管理,质量监督管理具体工作委托所属的工程质量监督机构实施(住房城乡建设主管部门和工程质量监督机构以下简称“主管部门”)。
企业或分厂(分站)向所在县(市、区)行政区域外的工程- 1 -项目供应预拌混凝土时,企业或分厂(分站)所在地主管部门应配合工程项目所在地主管部门对企业或分厂(分站)进行监督检查。
第五条主管部门应建立“业主监督、社会监督、政府监督”的预拌混凝土质量监督管理体系,强化各方主体责任。
第二章企业、分厂(分站)管理第六条企业或分厂(分站)应按照《建筑业企业资质管理规定》和本标准规定取得预拌混凝土专业资质或分厂(分站)备案证后方可在资质证书(备案证)注明的生产地址和承包工程范围内从事生产预拌混凝土活动。
第七条企业设立分厂(分站)应满足下列条件:(一)取得预拌混凝土专业资质三年以上;(二)其有职称的工程技术和经济管理人员不少于15人,其中工程技术人员不少于l0人(工程技术人员中,具有中级以上职称的人员不少于5人)。
分厂(分站)的工程技术人员、厂房、设备设施、试验室及试验室主任、检测人员应单独配置,其中工程技术人员不少于3人,试验室及试验室主任、检测人员应符合本标准要求。
预搅拌混凝土资质标准
预拌混凝土资质标准通常根据地区和国家的建筑标准和规范来确定,以下是一些常见的预拌混凝土资质标准的要求:
1. 生产设备和材料要求:预拌混凝土企业应具备适用的生产设备和仪器,并使用符合标准的原材料,如水泥、骨料、矿粉等。
2. 技术人员要求:企业应具备熟练的技术人员,包括混凝土工程师、技术员等,能够进行混凝土配合比设计和生产过程的控制。
3. 质量控制体系要求:企业应建立完善的质量控制体系,包括原材料的质量控制、生产过程的控制、成品的检测与验收等。
4. 施工和施工现场的要求:预拌混凝土企业应具备相应的施工能力和施工技术,在施工现场实施过程中保证混凝土的运输、浇筑和养护等环节的质量和安全。
5. 环境保护要求:企业应遵守相关环境保护法规,采取相应的措施降低生产过程中的污染物排放。
6. 安全管理要求:企业应建立健全的安全管理体系,保证生产过程中员工的人身安全和生产设备的安全运行。
7. 资质认证要求:一些地区或国家可能对预拌混凝土企业的资质进行认证,例如ISO9001国际质量管理体系认证、
ISO14001环境管理体系认证等。
需要注意的是,不同地区和国家的标准和要求可能有所不同,具体的预拌混凝土资质标准需根据当地的建筑标准和规范来确定。
预拌商品混凝土企业资质等级标准解读预拌商品混凝土企业资质等级标准解读1. 什么是预拌商品混凝土企业资质等级标准?预拌商品混凝土企业资质等级标准是指预拌商品混凝土企业在经营过程中所需具备的一系列资质等级要求。
这些标准的设立旨在确保预拌商品混凝土企业能够提供高质量、安全可靠的预拌商品混凝土供应服务,同时促进企业自身的规范发展。
2. 预拌商品混凝土企业资质等级标准的分类和要求根据国家有关规定,预拌商品混凝土企业资质等级标准主要分为一级资质、二级资质、三级资质和备案资质四个等级。
各个等级的要求如下:- 一级资质:具备全国性经营预拌商品混凝土的能力,年销售产量在100万立方米以上,并满足一定的设备、技术、管理等要求。
- 二级资质:具备省级范围内经营预拌商品混凝土的能力,年销售产量在50万立方米以上,并满足一定的设备、技术、管理等要求。
- 三级资质:具备市级范围内经营预拌商品混凝土的能力,年销售产量在10万立方米以上,并满足一定的设备、技术、管理等要求。
- 备案资质:具备县级范围内经营预拌商品混凝土的能力,年销售产量在5万立方米以上,并满足一定的设备、技术、管理等要求。
需要注意的是,不同地区和不同规模的企业,对应的资质等级标准可能会有所调整,以适应当地的实际情况。
3. 预拌商品混凝土企业资质等级标准的重要性和意义预拌商品混凝土的生产和供应涉及到建设工程的基础设施建设、房屋建筑等重要领域。
只有具备相应的资质等级的企业才能够合法经营,并能够确保所提供的预拌商品混凝土符合相应的质量和安全标准。
通过设立资质等级标准,可以促进预拌商品混凝土企业的规范发展,推动企业提高管理水平、技术水平和服务质量。
对于工程建设方来说,选择具备较高资质等级的企业合作,可以更好地保障工程的质量和安全。
4. 预拌商品混凝土企业资质等级标准的评审和认定根据相关法规,预拌商品混凝土企业的资质等级评审和认定应由市县级建设行政主管部门负责。
企业在申请资质等级认定之前,需要提交相应的资质申请材料,并承担相应的评审费用。
目录单元工程施工质量验收评定表(不划分工序) (1)单元工程施工质量验收评定表(划分工序) (2)基础面处理施工质量标准 (3)基础面处理施工质量验收评定表 (4)混凝土施工缝处理质量标准 (5)混凝土施工缝处理质量验收评定表 (6)模板制作及安装施工质量标准 (6)模板制作及安装施工质量验收评定表 (7)钢筋制作及安装施工质量标准 (8)钢筋制作及安装施工质量验收评定表 (9)钢筋连接施工质量标准 (10)止水片(带)施工质量标准 (11)止水片(带)施工质量验收评定表 (12)伸缩缝(填充材料)施工质量标准 (13)伸缩缝(填充材料)施工质量验收评定表 (14)排水系统施工质量标准 (15)排水系统施工质量验收评定表 (16)冷却及灌浆管路施工质量标准 (17)冷却及灌浆管路施工质量验收评定表 (18)铁件施工质量标准 (19)铁件施工质量验收评定表 (20)混凝土浇筑施工质量标准 (21)混凝土浇筑施工质量验收评定表 (22)外观质量标准 (23)外观质量验收评定表 (24)碾压混凝土层面处理质量标准 (25)碾压混凝土层面处理质量验收评定表 (26)模板制作及安装施工质量标准 (27)模板制作及安装施工质量验收评定表 (28)混凝土铺筑碾压施工质量标准 (29)混凝土铺筑碾压施工质量验收评定表 (30)变态混凝土施工质量标准 (31)变态混凝土施工质量验收评定表 (32)碾压混凝土成缝施工质量标准 (33)碾压混凝土成缝施工质量验收评定表 (34)面板基面清理施工质量标准 (35)面板基面清理施工质量验收评定表 (36)滑膜制作及安装施工质量标准 (37)滑膜制作及安装施工质量验收评定表 (38)止水片(带)施工质量标准 (39)止水片(带)施工质量验收评定表 (40)伸缩缝施工质量标准 (41)伸缩缝施工质量验收评定表 (42)混凝土面板浇筑施工质量标准 (43)混凝土面板浇筑施工质量验收评定表 (44)基座结合面处理及沥青混凝土结合层面处理施工质量标准 (45)基座结合面处理及沥青混凝土结合层面处理施工质量验收评定表 (46)模板制作及安装施工质量标准 (47)模板制作及安装施工质量验收评定表 (48)沥青混凝土的铺筑施工质量标准 (49)沥青混凝土的铺筑施工质量验收评定表 (50)沥青混凝土面板整平胶结层(含排水层)施工质量标准 (51)沥青混凝土面板整平胶结层(含排水层)施工质量验收评定表 (52)防渗层施工质量标准 (53)防渗层施工质量验收评定表 (54)封闭层施工质量标准 (55)封闭层施工质量验收评定表 (56)面板与刚性建筑物连接施工质量标准 (57)面板与刚性建筑物连接施工质量验收评定表 (58)预应力筋孔道施工质量标准 (59)预应力筋孔道施工质量验收评定表 (60)预应力筋制作及安装质量标准 (61)预应力筋制作及安装质量验收评定表 (62)预应力筋张拉施工质量标准 (63)预应力筋张拉施工质量验收评定表 (64)有黏结预应力筋灌浆施工质量标准 (65)有黏结预应力筋灌浆施工质量验收评定表 (66)构件外观质量标准 (67)构件外观质量验收评定表 (68)吊装施工质量标准 (69)吊装施工质量验收评定表 (70)接缝及接头处理施工质量验收评定表 (71)接缝及接头处理施工质量验收评定表 (72)灌浆前检查质量标准 (73)灌浆前检查质量验收评定表 (74)灌浆施工质量标准 (75)灌浆施工质量验收评定表 (76)安全监测仪器设备检验质量标准 (77)安全监测仪器设备检验质量验收评定表 (78)安全监测仪器安装埋设质量标准 (79)安全监测仪器安装埋设质量验收评定表 (80)观测电缆敷设施工质量标准 (81)观测电缆敷设施工质量验收评定表 (82)观测孔(井)造孔施工质量标准 (83)观测孔(井)造孔施工质量验收评定表 (84)测压管制作与安装施工质量标准 (85)测压管制作与安装施工质量验收评定表 (86)观测孔(井)率定施工质量标准 (87)观测孔(井)率定施工质量验收评定表 (88)正垂线安装质量标准 (89)正垂线安装质量验收评定表 (90)倒垂线安装质量标准 (91)倒垂线安装质量验收评定表 (92)引张线安装质量标准 (93)引张线安装质量验收评定表 (94)视准线安装质量标准 (95)视准线安装质量验收评定表 (96)真空激光准直安装质量标准 (97)真空激光准直安装质量验收评定表 (98)大气激光准直安装质量标准 (99)大气激光准直安装质量验收评定表 (100)混凝土单元工程原材料检验备查表 (101)混凝土单元工程骨料检验备查表 (102)混凝土拌合物性能检验备查表 (103)硬化混凝土性能检验备查表 (104)沥青混凝土单元工程原材料检验备查表 (105)基础面处理施工质量标准基础面处理施工质量验收评定表混凝土施工缝处理质量标准混凝土施工缝处理质量验收评定表模板制作及安装施工质量标准模板制作及安装施工质量验收评定表表4.3.2钢筋制作及安装施工质量标准表4.4.2-1钢筋制作及安装施工质量验收评定表钢筋连接施工质量标准止水片(带)施工质量标准止水片(带)施工质量验收评定表伸缩缝(填充材料)施工质量标准伸缩缝(填充材料)施工质量验收评定表排水系统施工质量标准排水系统施工质量验收评定表冷却及灌浆管路施工质量标准冷却及灌浆管路施工质量验收评定表铁件施工质量标准铁件施工质量验收评定表混凝土浇筑施工质量标准混凝土浇筑施工质量验收评定表外观质量标准外观质量验收评定表碾压混凝土层面处理质量标准碾压混凝土层面处理质量验收评定表模板制作及安装施工质量标准模板制作及安装施工质量验收评定表混凝土铺筑碾压施工质量标准混凝土铺筑碾压施工质量验收评定表变态混凝土施工质量标准变态混凝土施工质量验收评定表碾压混凝土成缝施工质量标准碾压混凝土成缝施工质量验收评定表面板基面清理施工质量标准面板基面清理施工质量验收评定表滑膜制作及安装施工质量标准滑膜制作及安装施工质量验收评定表止水片(带)施工质量标准止水片(带)施工质量验收评定表伸缩缝施工质量标准伸缩缝施工质量验收评定表混凝土面板浇筑施工质量标准混凝土面板浇筑施工质量验收评定表基座结合面处理及沥青混凝土结合层面处理施工质量标准基座结合面处理及沥青混凝土结合层面处理施工质量验收评定表模板制作及安装施工质量标准。
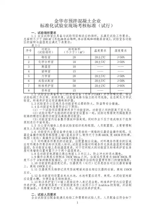
金华市预拌混凝土企业标准化试验室现场考核标准(试行)一、试验场所要求1.1企业试验室应具备与试验项目相适应的场所,且满足试验工作要求,总面积不少于200㎡(不包括办公场所,办公区域和功能区分设)。
试验室各功能区的面积与温湿度应满足下表要求:试验检测工作正常,连续开展。
试验室电路为独立的专用线路,在总闸及力学试验室,标准养护室应安装漏电保护器。
1.3试验室办公区域及各功能室有必要的防火,防盗等安全措施。
1.4各功能室布局要符合以下原则:(1)一个试验项目需要使用多个功能室的,功能室之间的距离不宜太远;(2)试验过程产生振动的功能室宜设置在一起,试验过程需使用隔振要求较高的精密仪器的功能室远离振源功能室;(3)功能室室内设备整齐摆放和谐美观,同时作业不至于造成相互干扰等原则进行平面布局;1.5办公室内墙体上悬挂试验室组织机构框图,人员配置图,主要管理制度及人员岗位职责上墙;1.6功能室内主要设备旁边墙上应悬挂统一规格的仪器设备操作规程,仪器设备操作规程等框图要上墙(蓝底白字),制作尺寸为高60CM,宽40CM的标牌,框图(底线)离操作台顶面60CM的墙体上。
1.7对环境条件要求的功能室,应配置相应设施。
对环境条件要求的区域应有环境条件要求标识及限入标识。
试验室加强对环境条件尤其是温湿度环境的监控,各功能室在墙上悬挂温湿度表。
对于空间较大的功能室及标准养护室在房屋对角墙体位置布置不少于两个温湿度表。
1.8各功能室电源插头高出地面1.3米以上,防止冲水时进水漏电。
1.9操作台高度应控制在70CM~90cm之间,台面采用宽度为60CM~80CM,厚度不小于1CM的橡胶板铺设,台下可根据操作台结构设置带有柜门的储物隔柜。
1.10功能室的温湿度记录,仪器使用(运行)记录悬挂在对应仪器背面墙上,离地150CM左右。
1.11仪器使用及维修记录用竖放硬面夹挂在相应仪器的后面,离地150CM 左右。
1.12各功能室均设置自来水水池,水池布置应适用、美观。
预拌商品混凝土企业资质等级认定标准一、前言预拌商品混凝土企业是指专门从事预拌商品混凝土生产和销售的企业。
预拌商品混凝土是指在混凝土搅拌站内按照一定比例配制好的混凝土,可直接供应给工地使用,具有生产效率高、质量稳定、节约人力、节约原材料等优点。
为了保证预拌商品混凝土的质量和安全性,需要对预拌商品混凝土企业进行资质等级认定,并制定相应的认定标准。
二、资质等级认定标准1.资质等级划分(1)一级企业:拥有完备的预拌商品混凝土生产设施和配套设备,生产工艺先进,技术力量雄厚,质量管理体系完善,产品质量稳定可靠,销售网络广泛,服务能力强。
(2)二级企业:拥有较完备的预拌商品混凝土生产设施和配套设备,生产工艺较为先进,技术力量较强,质量管理体系较为完善,产品质量较为稳定可靠,销售网络较为广泛,服务能力较为强。
(3)三级企业:拥有基本的预拌商品混凝土生产设施和配套设备,生产工艺基本稳定,技术力量一般,质量管理体系基本建立,产品质量基本稳定可靠,销售网络较为有限,服务能力较为一般。
(4)四级企业:生产水平较低,生产设施和配套设备简陋,生产工艺落后,技术力量较弱,质量管理体系不完善,产品质量不够稳定可靠,销售网络有限,服务能力较差。
2.资质等级认定标准(1)生产设施和配套设备:评估企业生产设施和配套设备的完备程度、规范性、自动化程度等方面,满分为50分。
(2)生产工艺:评估企业生产工艺的先进性、稳定性、安全性等方面,满分为30分。
(3)技术力量:评估企业技术人员的数量、学历、职称等方面,满分为20分。
(4)质量管理体系:评估企业质量管理体系的规范性、有效性、持续性等方面,满分为50分。
(5)产品质量:评估企业所生产的混凝土的强度、坍落度、含水率等方面,满分为50分。
(6)销售网络和服务能力:评估企业的销售网络覆盖范围、售后服务能力等方面,满分为30分。
(7)安全生产:评估企业的安全生产管理制度、安全设施、安全生产意识等方面,满分为20分。
预拌混凝土资质标准预拌混凝土一词指的是在混凝土搅拌站内,通过机械方式将水泥、砂、碎石等原材料按照一定比例混合而成的混凝土。
预拌混凝土因其施工方便、质量可控等特点,在建筑工程中得到广泛应用。
为了确保预拌混凝土的质量安全以及工程施工的顺利进行,我们需要制定和遵守一系列的预拌混凝土资质标准。
一、生产企业资质标准1.生产设备:预拌混凝土生产企业必须配备先进的混凝土搅拌设备,并定期维护和检修,以确保设备的正常运行和生产能力。
2.原材料供应:企业必须与具备良好信誉的水泥、砂石等原材料供应商建立长期稳定的合作关系,确保原材料的质量可靠。
3.生产管理和控制:企业必须建立科学的生产管理制度,制定完善的生产工艺流程和控制措施,确保混凝土的配比准确,避免混凝土强度、坍落度等指标超出规定范围。
二、混凝土施工单位资质标准1.技术团队:混凝土施工单位必须具备一支技术过硬、经验丰富的施工团队,队伍中应有一定比例的高级工程师和技术工人,能够独立完成各类混凝土施工任务。
2.施工设备:施工单位应配备符合要求的混凝土搅拌车辆、泵送设备等,以确保施工工艺的顺利进行。
3.工程质量管理:施工单位要建立有效的工程质量管理体系,制定并执行严格的施工工艺和质量控制标准,确保混凝土施工的质量安全。
三、混凝土质量标准1.强度标准:混凝土的抗压强度是衡量混凝土质量的重要指标之一。
根据不同工程的需求,混凝土的抗压强度等级应符合相关国家标准。
2.坍落度标准:坍落度是指混凝土在自由状态下坍落的高度,反映了混凝土的流动性和可塑性。
不同工程对混凝土的坍落度有不同的要求,应根据实际需要进行调整。
3.抗渗透性标准:混凝土的抗渗透性是指混凝土对水、气体等的渗透能力。
为了保证建筑物的使用寿命和结构安全,混凝土的抗渗透性等级应符合相关标准。
四、质量监督与评估1.监督机构:建立专门的混凝土质量监督机构,负责对预拌混凝土生产企业和施工单位进行监督检查,确保其符合相关的资质标准。
混凝土质量控制规定一、原材料质量的控制(负责人:试验室主任)1水泥的质量检验采用P·O 42.5普通水泥或其它水泥。
水泥进场时应具有质量证明文件(材料员收集)。
水泥、粉煤灰筒仓均上锁,由司磅员开锁打料并通知实验室(取样员)取样,打完过磅时由司磅员检查是否锁好。
同一水泥厂生产的同品种、同强度等级同一出厂编号的水泥为一批,散装水泥一批的总量不得超过500 t。
当采用同一旋窑厂生产的质量长期稳定的、生产间隔时间不超过10 d的散装水泥,可以500 t作为一个检验批。
取样时应随机从不少于3个车罐中各取等量水泥,经混拌均匀后,再从中称取不少于12 kg水泥作为检验样。
不少于3天进行复检一次,尚应向第三方半月送检不少于一次(1)检验采用标准通用硅酸盐水泥GB175-2007水泥取样方法GB12573-2008水泥标准稠度用水量、凝结时间、安定性检验方法GB/T1346-2011水泥胶砂强度检验方法GB/T17671-1999(2)进场复验项目主控项目:安定性、胶砂强度、标准稠度用水量。
一般项目:凝结时间、温度、与泵送剂的适应性。
(3)质量控制范围(重点)水泥安定性必须合格,新出厂的水泥或掺合料进场后使用时的温度不应大于60℃。
按28 d水泥胶砂抗压强度分为Ⅰ、Ⅱ、Ⅲ类;富余系数大于1.15为Ⅰ类、富余系数大于等于1.05为Ⅱ类、富余系数小于1.05为Ⅲ类。
由取样员按批次做好留样和送检工作。
要求熟料中C3A含量小于8%,水泥中混合材料小于15%,并说明混合材料的种类。
(4)质量控制措施试验员必须熟悉上述检验项目的检验方法及水泥和混凝土常识。
水泥试验室温度必须控制在(20±2)℃,养护箱温度必须控制在(20±1)℃和相对湿度大于90%,胶砂试块养护池水温必须控制在(20±1)℃。
发现异常,立即告知试验室主任及相关人员,并进行重复试验。
若发现安定性不合格,则该水泥为废品,必须退回该水泥;不得以任何借口使用该水泥。
预拌混凝土企业常用标准一、水泥1、《水泥标准稠度用水量、凝结时间、安定性检测方法》GB/1346-20012、《水泥胶砂强度检测方法》(ISO法)GB/T17671-19993、《普通硅酸盐水泥》GB175-20074、《水泥细度检测方法》筛分法GB/T1345-20055、《用于水泥和混凝土中的粉煤灰》GB/T1596-20056、《水泥胶砂流动度测定方法》GB/T2419-20057、《水泥比表面积测定方法》GB/T8074-2008二、混凝土1、《普通混凝土拌合物性能试验方法标准》GB/T50080-20022、《普通混凝土力学性能试验方法标准》gb/t50081-20023、《混凝土强度检测评定标准》GBJ107-874、《普通混凝土用砂、石质量及检测方法标准》JGJ52-20065、《预拌混凝土》GB/T14902-20036、《建筑用砂》GB/T4684-20017、《建筑用卵石、碎石》GB/T14685-20018、《普通混凝土配合比设计规程》JGJ55-20009、《普通混凝土长期性能和耐久性能试验方法标准》GB/T50082-200910、《混凝土耐久性能检测评定标准》JGJ/T193-200911、《早期推定混凝土强度试验方法标准》JGJ/T15-200812、《混凝土质量控制标准》GB50164-9213、《回弹法检测混凝土抗压强度技术规程》JGJ/T23-200314、《混凝土结构工程施工及验收规范》GB 50204-2002三、外加剂1、《混凝土外加剂应用技术规程》GB50119-20032、《混凝土外加剂定义、分类、命名与术语》GB8075-20053、《混凝土外加剂》GB8076-20084、《混凝土泵送剂》JG473-20015、《混凝土防冻剂》JG474-20086、《凝土防水剂》JG474-20087、《混凝土膨胀剂》GB23439-20098、《混凝土用水标准》JGJ63-20069、《水泥与减水剂相容性试验方法》JC/T1083-200810、《混凝土外加剂的定义、分类、命名与术语》GB/t8075-200511、《混凝土外加剂匀质性试验方法》GB/T8077-2000四、掺合料类1、《用于水泥和混凝土中的粒化高炉矿渣粉》GB/T18046-20082、《用于水泥和混凝土中的粉煤灰》GB/T1596-20053、《粉煤灰混凝土应用技术规范》GB/T146-1990五、水1、《混凝土用水标准》JGJ63-2006六、其他1、《数值修约与极限数值的表示和判定》GB/T8170-2008。
预拌商品混凝土专业企业资质等级标准预拌商品混凝土专业企业资质分为二级、三级。
二级资质标准:1、商品混凝土年产量10万立方米以上,产品质量合格。
2、企业经理具有5年以上从事工程管理工作经历或具有中级以上职称;技术负责人具有3年以上从事商品混凝土生产工作经历并具有相关专业中级以上职称;财务负责人具有中级以上会计职称。
企业有职称的工程技术和经济管理人员不少于15人,其中工程技术人员不少于10人;工程技术人员中,具有中级以上职称的人员不少于5人。
3、企业注册资本金2000万元以上,企业净资产2500万元以上。
4、企业近3年最高年工程结算收入3000万元以上。
5、配有2台55立方米/小时以上的搅拌系统,混凝土运输车不少于10辆,辅送泵不少于2台。
6、企业设有混凝土专项试验室。
三级资质标准:1、商品混凝土年产量5万立方米以上,产品质量合格。
2、企业经理具有3年以上从事工程管理工作经历;技术负责人具有2年以上从事商品混凝土生产工作经历并具有相关专业中级以上职称;财务负责人具有初级以上会计职称。
企业有职称的工程技术和经济管理人员不少于8人,其中工程技术人员不少于5人;工程技术人员中,具有中级以上职称的人员不少于2人。
3、企业注册资本金1000万元以上,企业净资产1200万元以上。
4、企业近3年最高年工程结算收入1500万元以上。
5、配有1台30立方米/小时以上的搅拌系统,混凝土运输车不少于5辆,辅送泵不少于1台。
6、企业设有混凝土专项试验室。
承包工程范围:二级企业:可生产各种强度等级的混凝土和特种混凝土。
三级企业:可生产强度等级C60及以下的混凝土。
注:二级、三级企业均可兼营市政工程方砖、道牙、隔离墩、地面砖、花饰、植草砖等小型预制构件。
混凝土最新常用的标准目录!值得收藏!序号类别原标准号1 JGJ/T308-2013 磷渣混凝土应用技术规程2 JGJ145-2013 混凝土结构后锚固技术规程3 JC/T 2199-2013 泡沫混凝土用泡沫剂4 DL/T 5169-2013 水工混凝土钢筋施工规范5 SL 601-2013 混凝土坝安全监测技术规范6 GB50119—2013 混凝土外加剂应用技术规范(代替GB50119—2003)7 JGJ/T 301-2013 大型塔式起重机混凝土基础工程技术规程8 GB/T50784-2013 混凝土结构现场检测技术标准9 JGJ/T296-2013 高抛免振捣混凝土应用技术规程10 JGJ/T294-2013 高强混凝土强度检测技术规程11 GB/T28900-2012钢筋混凝土用钢材试验方法12 GB/T14902—2012预拌混凝土(代替GB14902—1994)13 JC/T2163-2012 混凝土外加剂安全生产要求14 GB/T8077—2012 混凝土外加剂匀质性试验方法(代替GB/T8077—1987)15 JGJ/T283-2012 自密实混凝土应用技术规程16 JGJ/T281-2012 高强混凝土应用技术规程17 CCPA -S001-2012 结构混凝土性能技术规范18 JG/T377-2012 混凝土防冻泵送剂19 GB/T1346—2011 水泥标准稠度用水量、凝结时间、安定性检验方法(代替GB1346—2001)20 GB/T14684—2011建筑用砂(代替GB/T14684—2011)21 GB/T14685—2011建筑用卵石、碎石(代替GB/T14685—2011)22 JGJ/T10—2011 混凝土泵送施工技术规程23 GB 50666-2011 混凝土结构工程施工规范24 JGJ/T23—2011 回弹法检测混凝土抗压强度技术规程25 JGJ/T241-2011 人工砂混凝土应用技术规程26 JGJ55—2011 普通混凝土配合比设计规程27 GB50164—2011 混凝土质量控制标准28 JGJ/T14-2011 混凝土小型空心砌块建筑技术规程29 JGJ 104-2011 建筑工程冬期施工规程30 GB/T50107—2010混凝土强度检验评定标准31 GB/T25181-2010预拌砂浆32 JGJ/T223-2010 预拌砂浆应用技术规程33 GB50010-2010 混凝土结构设计规范34 JGJ98—2010 砌筑砂浆配合比设计规程35GB/T17431.1-2010 轻集料及其试验方法第一部分:轻集料36GB/T17431.2-2010 轻集料及其试验方法第二部分:轻集料试验方法37 GB50325-2010 民用建筑工程室内环境控制规范38 GB/T50082-2009普通混凝土长期性能和耐久性能试验方法39 GB23439-2009 混凝土膨胀剂(JC476—2001作废)40 CCES02:2004 自密实混凝土设计与施工指南41 CECS02:2005 超声回弹综合法检测混凝土强度计术规程42 CECS03:2007 钻芯法检测混凝土强度技术规程43 CECS104:99 高强混凝土结构设计规程44 CECS13:2009 纤维混凝土实验方法标准45 CECS203:2006 自密实混凝土应用技术规程46 CECS207:2006 高性能混凝土应用技术规程47 CECS38:2004 纤维混凝土结构技术规程48 GB/T10171-2005混凝土搅拌站(楼)分类(代替GB/T10171—1988)49 GB/T12959-2008水泥水化热测定方法50 GB/T12960-2007水泥组分的定量测定51 GB/T20491-2006用于水泥和混凝土中的钢渣粉52 GB/T1345—2005 水泥细度检验方法(80μm筛筛析法)(代替GB1345—1991)53 GB/T1596—2005 用于水泥和混凝土中的粉煤灰(代替GB/T1596—1991)54 GB/T176—2008 水泥化学分析方法(代替GB176—1996)55 GB/T17671—1999水泥胶砂强度检验方法(ISO法)56 GB/T18046—2008用于水泥和混凝土中的粒化高炉矿渣粉57 GB/T18736—2002高强高性能混凝土用矿物外加剂58 GB/T19004-2011 追求组织的持续成功,质量答理方法59 GB/T19685-2005预应力钢筒混凝土管60 GB/T208—1994 水泥密度测定方法(代替GB208—1963)61 GB/T20967-2007无损检测目视检测验总则62 GB/T2419—2005 水泥胶砂流动度测定方法(代替GB2419—1994)63 GB/T3183—2003 砌筑水泥(代替GB3183—1997)64 GB/T4131—1997 水泥的命名、定义和术语(代替GB4131—1984)65 GB/T50080—2002普通混凝土拌合物性能试验方法标准(代替GBJ80—1985)66 GB/T50081—2002普通混凝土力学性能试验方法标准(代替GBJ81—1985)67 GB/T50476-2008混凝土结构耐久性设计规范68 GB/T750—1992 水泥压蒸安定性试验方法(代替GB750—1965)69 GB/T8074—2008 水泥比表面积测定方法(勃氏法)(代替GB/T8074—1987)70 GB/T8075—2005 混凝土外加剂定义、分类、命名与术语71 GB/T8170-2008 数值修约规则与极限数值的表示和判定72 GB12573—2008 水泥取样方法(代替12573-1990)73 GB175—2007 通用硅酸盐水泥(代替GB175—1999)74 GB18588—2001 混凝土外加剂中释放氨的限量75 GB50108-2008 地下工程防水技术规范76 GB50176-93 民用建筑热工设计规范77 GB50204-2002 混凝土结构工程施工质量验收规范78 GB50496-2009 大体积混凝土施工规范79 GB6566—2010 建筑材料放射性核素限量(代替GB6566—2000/GB6763—2000)80 GB8076—2008 混凝土外加剂(代替GB8076—1997)81 GBJ146-1990 粉煤灰混凝土应用技术规程82 JC/T1011-2006 混凝土抗硫酸盐类侵蚀防腐剂83 JC/T1083-2008 水泥与减水剂相容性试验方法84 JC/T452—2002 通用水泥质量等级(代替JC/T452—1997)85 JC/T681—2005 行星式水泥胶砂搅拌机(代替JC/T681—1997)86 JC/T682—2005 水泥胶砂试体成型振实台(代替JC/T682—1997)87 JC/T683—200540 mm×40 mm水泥抗压夹具(代替JC/T683—1997)88 JC/T721-2006 水泥颗粒级配测定方法激光法(代替JC/T721-1982)(1996)89 JC/T723—2005 水泥物理检验仪器胶砂振动台(代替JC/T723—1982(1996))90 JC/T724—2005 水泥物理检验仪器电动抗折试验机(代替JC/T724—1982(1996))91 JC/T726—2005 水泥胶砂试模(代替JC/T726—1997)92 JC/T727—2005 水泥物理检验仪器净浆标准稠度与凝结时间测定仪(代替JC/T727—1982)93 JC/T728—2005 水泥物理检验仪器标准筛(代替JC/T728—1982(1996))94 JC/T729—2005 水泥物理检验仪器水泥净浆搅拌机(代替JC/T729—1982(1996))95 JC/T738-2004 水泥强度快速检验方法96 JC/T949-2005 混凝土制品用脱模剂97 JC/T950-2005 预应力高强混凝土管桩用硅砂粉98 JC474—2008 砂浆、混凝土防水剂(代替JC474—1999)99 JC475—2004 混凝土防冻剂(代替JC475—1992(1996))100 JC477—2005 喷射混凝土用速凝剂(代替JC477—1992(1996))101 JG/T223-2007 聚羧酸系高性能减水剂102 JG244-2009 混凝土实验用搅拌机103 JGJ/T136—2001贯入法检测砌筑砂浆抗压强度技术规程104 JGJ/T152-2008混凝土中钢筋检测技术规程105 JGJ/T178-2009补偿收缩混凝土应用技术规程106 JGJ/T193-2009混凝土耐久性检验评定标准107 JGJ/T70-2009 建筑砂浆基本性能试验方法108 JGJ15—2008 早期推定混凝土强度试验方法标准(代替GBJ15—1983)109 JGJ169-2009 清水混凝土应用技术规程110 JGJ51-2002 轻骨料混凝土技术规程111 JGJ52—2006 普通混凝土用砂、石质量及检验方法标准112 JGJ63—2006 混凝土拌合用水标准(代替JGJ63—1989)113ZJQ00-SG-016-2006 混凝土结构工程施工质量标准114ZJQ00-SG-019-2006 地下防水工程质量标准115 GB/T 27025-2008 检测和校准实验室能力的通用要求116 JC/T603-2004 水泥胶砂干缩试验方法117GB/T20737-2006 无损检测通用术语和定义118 JTG D40-2011 公路水泥混凝土路面设计规范119 JTG F30-2003 公路水泥混凝土路面施工技术规范120 JTG D30-2004 公路路基设计规范121 JTG F10-2006 公路路基施工技术规范122 JTG E30-2005 公路工程水泥及水泥混凝土试验规程123 JTG E42-2005 公路工程集料试验规程124JTG/TB07-01-2006 公路工程混凝土结构防腐蚀技术规范125 JTJ 034-2000 公路路面基层施工技术规范126 JTG D62-2004 公路钢筋混凝土及预应力混凝土桥涵设计规范127 JTG/TF50-2011 公路桥涵施工技术规范128 JTG C20-2011 公路工程地质勘察规范129 JG/T164-2004 砌筑砂浆增塑剂130 JGJ/T192-2009钢筋阻锈剂应用技术规程131 GB 13693-2005 道路硅酸盐水泥132 GB 748-2005 抗硫酸盐硅酸盐水泥133 GB 201-2000 铝酸盐水泥134 GB/T 12957-2005 用于水泥混合材的工业废渣活性试验方法135 GB 50021-2009 岩土工程勘察规范136 GB 50152-2012 混凝土结构试验方法标准137 GB 50367-2006 混凝土结构加固设计规范138 JGJ 3-2010 高层建筑混凝土结构技术规程139 GBJ 97-87 水泥混凝土路面施工及验收规范140 JGJ 12-2006 轻骨料混凝土结构技术规程141 JGJ 94-2008 建筑桩基技术规范142 GB 50046-2008 工业建筑防腐蚀设计规范143 GB 50086-2001 锚干喷射混凝土支护技术规范144 CJJ 37-2012 城市道路设计规范145 GB50209-2010 建筑地面工程施工及验收规范146CJJ/T/T135-2009 透水水泥混凝土路面技术规程147 JG/T 3064-1999 钢纤维混凝土148 JGJ/T 221-2010 纤维混凝土应用技术规程149 JGJ206-2010 海砂混凝土应用技术规范150 JG237-2008 混凝土试模151 JG/T 248-2009 混凝土坍落度仪152 JGJ/T175-2009自流平地面工程技术规程153 GB19022-2003 测量管理体系测量过程和测量设备的要求154 CECS 21:2000 超声法检测混凝土缺陷技术规程155 GB 9142-2000 混凝土搅拌机156 GB/T 50328-2001 建设工程文件归档整理规范157 JGJ/T191-2009建筑材料术语标准158JGJ 184-2009 建筑施工作业劳动防护用品配备及使用标准来源:中国混凝土外加剂联盟。
标准搅拌站楼所用国家标准大全序号标准编号标准名称1 GB50119—2013 混凝土外加剂应用技术规范(代替GB50119—2003)2 GB/T50784-2013 混凝土结构现场检测技术标准3 GB/T28900-2012 钢筋混凝土用钢材试验方法4 GB/T14902—2012 预拌混凝土(代替GB14902—1994)5 GB/T8077—2012 混凝土外加剂匀质性试验方法(代替GB/T8077—1987)6 GB/T1346—2011 水泥标准稠度用水量、凝结时间、安定性检验方法(代替GB1346—2001)7 GB/T14684—2011 建筑用砂(代替GB/T14684—2011)8 GB/T14685—2011 建筑用卵石、碎石(代替GB/T14685—2011)9 GB 50666-2011 混凝土结构工程施工规范10 GB/T50107—2010 混凝土强度检验评定标准11 GB/T25181-2010 预拌砂浆12 JGJ/T223-2010 预拌砂浆应用技术规程13 GB50010-2010 混凝土结构设计规范14 JGJ98—2010 砌筑砂浆配合比设计规程15 GB/T17431.1-2010 轻集料及其试验方法第一部分:轻集料16 GB/T17431.2-2010 轻集料及其试验方法第二部分:轻集料试验方法17 GB50325-2010 民用建筑工程室内环境控制规范18 GB/T50082-2009 普通混凝土长期性能和耐久性能试验方法19 GB23439-2009 混凝土膨胀剂(JC476—2001作废)20 GB50164—2011 混凝土质量控制标准21 GB/T10171-2005 混凝土搅拌站(楼)分类(代替GB/T10171—1988)22 GB/T12959-2008 水泥水化热测定方法23 GB/T12960-2007 水泥组分的定量测定24 GB/T20491-2006 用于水泥和混凝土中的钢渣粉25 GB/T1345—2005 水泥细度检验方法(80μm筛筛析法)(代替GB1345—1991)26 GB/T1596—2005 用于水泥和混凝土中的粉煤灰(代替GB/T1596—1991)27 GB/T176—2008 水泥化学分析方法(代替GB176—1996)28 GB/T17671—1999 水泥胶砂强度检验方法(ISO法)29 GB/T18046—2008 用于水泥和混凝土中的粒化高炉矿渣粉30 GB/T18736—2002 高强高性能混凝土用矿物外加剂31 GB/T19004-2011 追求组织的持续成功,质量答理方法32 GB/T19685-2005 预应力钢筒混凝土管33 GB/T208—2014 水泥密度测定方法(代替GB208—1963)34 GB/T20967-2007 无损检测目视检测验总则35 GB/T2419—2005 水泥胶砂流动度测定方法(代替GB2419—1994)36 GB/T3183—2003 砌筑水泥(代替GB3183—1997)37 GB/T4131—2014 水泥的命名、定义和术语(代替GB4131—1984)38 GB/T50080—2002 普通混凝土拌合物性能试验方法标准(代替GBJ80—1985)39 GB/T50081—2002 普通混凝土力学性能试验方法标准(代替GBJ81—1985)40 GB/T50476-2008 混凝土结构耐久性设计规范41 GB/T750—1992 水泥压蒸安定性试验方法(代替GB750—1965)42 GB/T8074—2008 水泥比表面积测定方法(勃氏法)(代替GB/T8074—1987)43 GB/T8075—2005 混凝土外加剂定义、分类、命名与术语44 GB/T8170-2008 数值修约规则与极限数值的表示和判定45 GB12573—2008 水泥取样方法(代替12573-1990)46 GB175—2007 通用硅酸盐水泥(代替GB175—1999)47 GB18588—2001 混凝土外加剂中释放氨的限量48 GB50108-2008 地下工程防水技术规范49 GB50176-93 民用建筑热工设计规范50 GB50204-2002 混凝土结构工程施工质量验收规范51 GB50496-2009 大体积混凝土施工规范52 GB6566—2010 建筑材料放射性核素限量(代替GB6566—2000/GB6763—2000)53 GB8076—2008 混凝土外加剂(代替GB8076—1997)54 GB 50146-2014 粉煤灰混凝土应用技术规程55 JGJ/T308-2013 磷渣混凝土应用技术规程56 JGJ145-2013 混凝土结构后锚固技术规程57 JC/T 2199-2013 泡沫混凝土用泡沫剂58 DL/T 5169-2013 水工混凝土钢筋施工规范59 SL 601-2013 混凝土坝安全监测技术规范60 JGJ/T 301-2013 大型塔式起重机混凝土基础工程技术规程61 JGJ/T296-2013 高抛免振捣混凝土应用技术规程62 JGJ/T294-2013 高强混凝土强度检测技术规程63 JC/T2163-2012 混凝土外加剂安全生产要求64 JGJ/T283-2012 自密实混凝土应用技术规程65 JGJ/T281-2012 高强混凝土应用技术规程66 CCPA - S001-2012 结构混凝土性能技术规范67 JG/T377-2012 混凝土防冻泵送剂68 JGJ/T10—2011 混凝土泵送施工技术规程69 JGJ/T23—2011 回弹法检测混凝土抗压强度技术规程70 JGJ/T241-2011 人工砂混凝土应用技术规程71 JGJ55—2011 普通混凝土配合比设计规程72 JGJ/T14-2011 混凝土小型空心砌块建筑技术规程73 JGJ 104-2011 建筑工程冬期施工规程74 CCES02:2004 自密实混凝土设计与施工指南75 CECS02:2005 超声回弹综合法检测混凝土强度计术规程76 CECS03:2007 钻芯法检测混凝土强度技术规程77 CECS104:99 高强混凝土结构设计规程78 CECS13:2009 纤维混凝土实验方法标准79 CECS203:2006 自密实混凝土应用技术规程80 CECS207:2006 高性能混凝土应用技术规程81 CECS38:2004 纤维混凝土结构技术规程82 JC/T1011-2006 混凝土抗硫酸盐类侵蚀防腐剂83 JC/T1083-2008 水泥与减水剂相容性试验方法84 JC/T452—2002 通用水泥质量等级(代替JC/T452—1997)85 JC/T681—2005 行星式水泥胶砂搅拌机(代替JC/T681—1997)86 JC/T682—2005 水泥胶砂试体成型振实台(代替JC/T682—1997)87 JC/T683—2005 40 mm×40 mm水泥抗压夹具(代替JC/T683—1997)88 JC/T721-2006 水泥颗粒级配测定方法激光法(代替JC/T721-1982)(1996)89 JC/T723—2005 水泥物理检验仪器胶砂振动台(代替JC/T723—1982(1996))90 JC/T724—2005 水泥物理检验仪器电动抗折试验机(代替JC/T724—1982(1996))91 JC/T726—2005 水泥胶砂试模(代替JC/T726—1997)92 JC/T727—2005 水泥物理检验仪器净浆标准稠度与凝结时间测定仪(代替JC/T727—1982)93 JC/T728—2005 水泥物理检验仪器标准筛(代替JC/T728—1982(1996))94 JC/T729—2005 水泥物理检验仪器水泥净浆搅拌机(代替JC/T729—1982(1996))95 JC/T738-2004 水泥强度快速检验方法96 JC/T949-2005 混凝土制品用脱模剂97 JC/T950-2005 预应力高强混凝土管桩用硅砂粉98 JC474—2008 砂浆、混凝土防水剂(代替JC474—1999)99 JC475—2004 混凝土防冻剂(代替JC475—1992(1996))100 JC477—2005 喷射混凝土用速凝剂(代替JC477—1992(1996))101 JG/T223-2007 聚羧酸系高性能减水剂102 JG244-2009 混凝土实验用搅拌机103 JGJ/T136—2001 贯入法检测砌筑砂浆抗压强度技术规程104 JGJ/T152-2008 混凝土中钢筋检测技术规程105 JGJ/T178-2009 补偿收缩混凝土应用技术规程106 JGJ/T193-2009 混凝土耐久性检验评定标准107 JGJ/T70-2009 建筑砂浆基本性能试验方法108 JGJ15—2008 早期推定混凝土强度试验方法标准(代替GBJ15—1983)109 JGJ169-2009 清水混凝土应用技术规程110 JGJ51-2002 轻骨料混凝土技术规程111 JGJ52—2006 普通混凝土用砂、石质量及检验方法标准112 JGJ63—2006 混凝土拌合用水标准(代替JGJ63—1989)113 ZJQ00-SG-016-2006 混凝土结构工程施工质量标准114 ZJQ00-SG-019-2006 地下防水工程质量标准115 GB/T 27025-2008 检测和校准实验室能力的通用要求116 JC/T603-2004 水泥胶砂干缩试验方法117 GB/T20737-2006 无损检测通用术语和定义118 JTG D40-2011 公路水泥混凝土路面设计规范119 JTG D30-2004 公路路基设计规范120 JTG F10-2006 公路路基施工技术规范121 JTG E30-2005 公路工程水泥及水泥混凝土试验规程122 JTG E42-2005 公路工程集料试验规程123 JTG/TB07-01-2006 公路工程混凝土结构防腐蚀技术规范124 JTJ 034-2000 公路路面基层施工技术规范125 JTG D62-2004 公路钢筋混凝土及预应力混凝土桥涵设计规范126 JTG/TF50-2011 公路桥涵施工技术规范127 JTG C20-2011 公路工程地质勘察规范128 JG/T164-2004 砌筑砂浆增塑剂129 JGJ/T192-2009 钢筋阻锈剂应用技术规程130 GB 13693-2005 道路硅酸盐水泥131 GB 748-2005 抗硫酸盐硅酸盐水泥132 GB 201-2000 铝酸盐水泥133 GB/T 12957-2005 用于水泥混合材的工业废渣活性试验方法134 GB 50021-2009 岩土工程勘察规范135 GB 50152-2012 混凝土结构试验方法标准136 GB 50367-2006 混凝土结构加固设计规范137 JGJ 3-2010 高层建筑混凝土结构技术规程138 GBJ 97-87 水泥混凝土路面施工及验收规范139 JGJ 12-2006 轻骨料混凝土结构技术规程140 JGJ 94-2008 建筑桩基技术规范141 GB 50046-2008 工业建筑防腐蚀设计规范142 GB 50086-2001 锚干喷射混凝土支护技术规范143 CJJ 37-2012 城市道路设计规范144 GB50209-2010 建筑地面工程施工及验收规范145 CJJ/T/T135-2009 透水水泥混凝土路面技术规程146 JG/T 3064-1999 钢纤维混凝土147 JGJ/T 221-2010 纤维混凝土应用技术规程148 JGJ206-2010 海砂混凝土应用技术规范149 JG237-2008 混凝土试模150 JG/T 248-2009 混凝土坍落度仪151 JGJ/T175-2009 自流平地面工程技术规程152 GB19022-2003 测量管理体系测量过程和测量设备的要求153 CECS 21:2000 超声法检测混凝土缺陷技术规程154 GB 9142-2000 混凝土搅拌机155 GB/T 50328-2001 建设工程文件归档整理规范156 JGJ/T191-2009 建筑材料术语标准157 JGJ 184-2009 建筑施工作业劳动防护用品配备及使用标准158 JGJ/T318-2014 石灰石粉在混凝土中应用技术规程159 JGJ/T240-2011 再生骨料应用技术规程160 GB/T30190-2013 石灰石粉混凝土161 GB50202-2002 建筑地基基础工程施工质量验收规范162 JGJ/T225-2010 大直径扩底灌注桩技术规范163 JGJ3-2010 高层建筑混凝土结构技术规范164 CCES01-2004 混凝土结构耐久性设计与施工指南165 GB50422-2007 预应力混凝土路面工程技术规范166 CJJ1-2008 城镇道路施工与质量验收规范167 JTG F30-2014 公路水泥混凝土路面施工技术规范168 GB50208-2011 地下防水工程质量验收规范169 JGT/T328-2014 预拌混凝土绿色生产及管理技术规程。
预拌混凝土最新标准预拌混凝土是指在混凝土搅拌站或搅拌车上按照一定配合比例、在搅拌站或搅拌车上进行搅拌制备好的混凝土。
预拌混凝土的使用在建筑施工中非常普遍,因为它具有质量稳定、施工方便、节约时间和劳动力的优点。
为了确保预拌混凝土的质量和安全,国家对预拌混凝土的生产和使用制定了一系列的标准和规范。
首先,预拌混凝土的最新标准包括了混凝土的配合比、原材料的选择和使用、搅拌和浇筑工艺、质量检验等方面。
根据国家标准,预拌混凝土应当按照设计要求进行配合比设计,并严格控制原材料的选用和使用。
搅拌和浇筑工艺应当符合相关的规定,以确保混凝土的均匀性和稳定性。
此外,对于混凝土的质量检验也有详细的规定,包括抗压强度、抗渗性、收缩性等指标的检测方法和要求。
其次,预拌混凝土的最新标准还规定了混凝土的使用和施工过程中的相关要求。
在施工现场,应当根据设计要求和标准进行混凝土的浇筑和养护,确保混凝土的使用和施工质量。
此外,对于特殊工程和特殊要求的混凝土,国家标准也有相应的规定和要求,以确保工程质量和安全。
最后,预拌混凝土的最新标准还包括了对混凝土生产企业和施工单位的管理要求。
生产企业应当具备相应的生产设备和生产能力,并严格按照国家标准和规定进行生产和质量控制。
施工单位应当按照设计要求和标准进行施工,并对混凝土的质量和使用进行有效管理和控制。
总的来说,预拌混凝土的最新标准对混凝土的配合比、原材料的选择和使用、搅拌和浇筑工艺、质量检验、使用和施工过程中的要求,以及生产企业和施工单位的管理要求都有详细的规定和要求。
这些标准的制定和执行,有利于提高预拌混凝土的质量和安全,保障工程的质量和安全,促进建筑施工的可持续发展。
在实际生产和施工中,生产企业和施工单位应当严格按照国家标准执行,确保预拌混凝土的质量和安全。
同时,相关部门和监管机构也应当加强对预拌混凝土生产和使用的监督和管理,及时发现和纠正存在的问题,保障预拌混凝土的质量和安全。
综上所述,预拌混凝土的最新标准对于混凝土的生产和使用都有详细的规定和要求,这些标准的制定和执行对于提高混凝土的质量和安全具有重要意义。
预拌商品混凝土专业承包企业资质等级标准预拌商品混凝土专业承包企业资质等级标准是指对于预拌商品
混凝土施工企业的资质标准,主要包括企业规模、施工能力、工程质量、安全管理、技术水平等方面的要求。
根据施工企业的实际情况和实力,对规模、资质等级进行评定和认证,以保证预拌商品混凝土施工的质量和安全。
具体的资质等级标准包括:
1.一级资质:企业规模较大,具有较强的施工能力和技术水平,且有着良好的工程质量和安全管理水平。
2.二级资质:企业规模较为中等,施工能力和技术水平较为稳定,工程质量和安全管理水平一般。
3.三级资质:企业规模较小,施工能力和技术水平较为一般,工程质量和安全管理水平较低。
预拌商品混凝土专业承包企业需要根据自身实际情况和发展需求,逐步提高资质等级,同时也需要不断提升施工能力和技术水平,以保证施工质量和安全,更好地满足市场需求。
- 1 -。