一 二 级焊缝 双面全熔透焊
- 格式:doc
- 大小:496.50 KB
- 文档页数:5
一级焊缝双面熔透焊陕西西安康长波一级焊缝就是要求全熔透焊缝,所谓全熔透就是要开坡口,开坡口可以采用坡口机、碳弧气刨、半自动气割机等等,坡口的形式决定于板厚,6毫米以下开单面坡口即可,6毫米以上开双面坡口可减少焊接变形,如果是工地的现场焊缝,一般情况下是单面坡口,坡口下加垫板。
开完坡口后要将坡口上的挂渣、油污、尘土、浮锈等清理干净。
之后根据被焊钢材的材质和厚度,选择电焊机、焊条、焊丝和焊剂,如果被焊钢材是Q235B则采用J422焊条或H08A焊丝。
如果被焊钢材是Q345B,则采用J506焊条或H10M n2焊丝。
J506电焊条需要进行预热,预热的温度是300度,2个小时,之后在100度的保温桶内进行保温,随取随用。
之后进行焊接,开始最好用二氧化碳气体保护焊进行打底焊和多层多道焊,可以省去清理焊渣、避免夹渣、焊接变形还小。
最后用焊条电弧焊或埋弧焊进行照面焊,因为这两种焊接焊缝成型美观。
最后进行无损探伤,探伤不合格还要抛开重焊,直至探伤合格,出具探伤报告。
钢板对接全熔透焊缝坡口形式注:1、钢板对接焊缝为一、二级全熔透焊缝,焊接完成后应在自然冷却的状态下(约4小时)进行UT检查。
班组应填写“UT报检单”报质检部UT人员到场检验合格后方可转入下道工序。
2、钢板对接的坡口形式按以上要求执行。
3、拼接时注意做好反变形处理。
定位焊间距为300~400mm,定位焊长度:15~20mm。
4、焊接前应用同等厚度的钢板作为引、熄板,收弧板尺寸为:80*80mm,起收弧长度保证在50mm。
5、焊剂应经烘焙后方可使用。
6、钢板厚度大于40mm以上的厚板,施焊前应做好焊前预热(80~1200C),焊后保温(200~2500C)7、一级焊缝不允许存在根部未焊透,二级焊缝允许存在少量的未焊透。
两者之间受力性能明显差异,重要部件是不允许二级焊缝的二级焊缝相关要求一、对接焊缝中一级、二级焊缝其主要区别是什么?GB50205-2001《钢结构工程施工质量验收规范》表5.2.4对此有明确的说明,一级要求探伤比例为100%,而二级探伤比例要求为20%。
一二级焊缝双面全熔透焊[精彩] 一级焊缝双面熔透焊一级焊缝就是要求全熔透焊缝,所谓全熔透就是要开坡口,开坡口可以采用坡口机、碳弧气刨、半自动气割机等等,坡口的形式决定于板厚,6毫米以下开单面坡口即可,6毫米以上开双面坡口可减少焊接变形,如果是工地的现场焊缝,一般情况下是单面坡口,坡口下加垫板。
开完坡口后要将坡口上的挂渣、油污、尘土、浮锈等清理干净。
之后根据被焊钢材的材质和厚度,选择电焊机、焊条、焊丝和焊剂,如果被焊钢材是Q235B则采用J422焊条或H08A焊丝。
如果被焊钢材是Q345B,则采用J506焊条或H10Mn2焊丝。
J506电焊条需要进行预热,预热的温度是300度,2个小时,之后在100度的保温桶内进行保温,随取随用。
之后进行焊接,开始最好用二氧化碳气体保护焊进行打底焊和多层多道焊,可以省去清理焊渣、避免夹渣、焊接变形还小。
最后用焊条电弧焊或埋弧焊进行照面焊,因为这两种焊接焊缝成型美观。
最后进行无损探伤,探伤不合格还要抛开重焊,直至探伤合格,出具探伤报告。
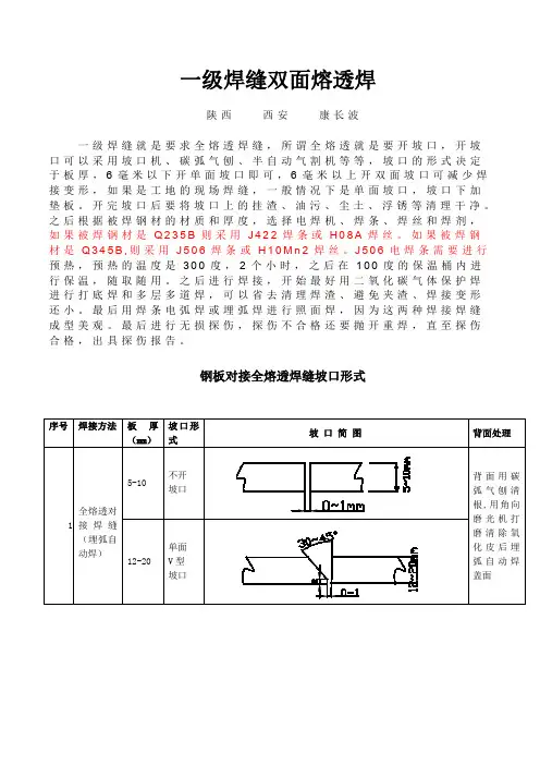
钢板对接全熔透焊缝坡口形式序号焊接方法板厚坡口形坡口简图背面处理 (mm) 式不开背面用碳5-10 坡口弧气刨清根,用角向全熔透对磨光机打1 接焊缝磨清除氧(埋弧自单面化皮后埋动焊) 12-20 V型弧自动焊盖面坡口双面22~40 V型坡口40以上注:1、钢板对接焊缝为一、二级全熔透焊缝,焊接完成后应在自然冷却的状态下(约4小时)进行UT检查。
班组应填写“UT报检单”报质检部UT人员到场检验合格后方可转入下道工序。
2、钢板对接的坡口形式按以上要求执行。
3、拼接时注意做好反变形处理。
定位焊间距为300~400mm,定位焊长度:15~20mm。
4、焊接前应用同等厚度的钢板作为引、熄板,收弧板尺寸为:80*80mm,起收弧长度保证在50mm。
5、焊剂应经烘焙后方可使用。
06、钢板厚度大于40mm以上的厚板,施焊前应做好焊前预热(80~120C),焊后保温0(200~250C)7、一级焊缝不允许存在根部未焊透,二级焊缝允许存在少量的未焊透。
归结一下:《钢结构设计规范》(GB 50017━2003)中是根据结构的重要性、荷载特性、焊缝形式、工作环境以及应力状态等情况,按四条原则分别选用不同的质量等级,一共有三个等级。
四条原则如下:1在需要进行疲劳计算的构件中,凡对接焊缝均应焊透,其质缝等级为:1)作用力垂直于焊缝长度方向的横向对接焊缝或T形对接与角接组合焊缝,受拉时应为一级,受限时应为二级;2)作用力平行于焊缝长度方向的纵向对接焊缝应为二级。
2不需要汁算疲劳的构件中,凡要求与母材等强的对接焊缝应护焊透,其质量等级当受拉时应不低于二级,受压时宜为二级。
3重级工作制和起重量Q≥50t的中级工作制吊车梁的腹板与上翼缘之间以及吊车桁架上弦杆与节点板之间的T形接头焊缝均要求焊透,焊缝形式一般为对接与角接的组合焊缝,其质量等级不应低于二级。
4不要求焊透的T形接头采用的角焊缝或部分焊透的对接与角接组合焊缝,以及搭接连接采用的角焊缝,其质量等级为:1)对直接承受动力荷载且需要验算疲劳的结构和吊车起重量等于或大于50t的中级工作制吊车梁,焊缝的外观质量标准应符合二级;2)对其他结构,焊缝的外观质量标准可为三级。
对应的就是《钢结构工程施工质量验收规范》和《JGJ 81-2002建筑钢结构焊接技术规程》中所要求的焊缝要达到的质量要求(包括外观和无损探伤等)。
《GB/T3323-2005金属熔化焊焊接接头射线照相》中的焊缝质量分类是在对焊缝进行射线照相时,根据焊缝缺陷的性质和数量,将该焊缝的质量分为四级:(1)Ⅰ级焊缝:内应无裂纹、未熔合、未焊透和条状夹渣.(2)Ⅱ级焊缝:内应无裂纹、未熔合和未焊透.(3)Ⅲ级焊缝:内应无裂纹、未熔合以及双面焊和加垫板的单面焊中的未焊透.不加垫板的单面焊中的未焊透允许长度按表10条状夹渣长度的Ⅲ级评定.(4)焊缝缺陷超过Ⅲ级者为Ⅳ级.对于《钢结构设计规范》(GB 50017━2003)所提到的三个级别焊缝,在对一级和二级焊缝进行无损探伤时,对于一级焊缝要达到《GB/T3323-2005金属熔化焊焊接接头射线照相》中的Ⅱ级以上,对于二级焊缝要达到《GB/T3323-2005金属熔化焊焊接接头射线照相》中的Ⅲ级以上。
1 建筑结构安全等级为一级的一、二级焊缝。
2 建筑结构安全等级为二级的一级焊缝。
3 大跨度结构中一级焊缝。
4 重级工作制吊车梁结构为一级焊缝。
关于焊缝等级的定义的部分要求见《钢结构设计规范》GB50017-2003的第7章连接计算。
7.1焊缝连接7.1.1 焊缝应根据结构的重要性、荷载特性、焊缝形式、工作环境以及应力状态等情况,按下述原则分别选用不同的质量等级:1 在需要进行疲劳计算的构件中,凡对接焊缝均应焊透,其质量等级为:1)作用力垂直于焊缝长度方向的横向对接焊缝或T型对接与角接组合焊缝,受拉时为一级,受压时应为二级;2)作用力平行于焊缝长度方向的纵向对接焊缝应为二级。
2 不需要计算疲劳的构件中,凡要求与母材等强的对接焊缝应予焊透,其质量接等级当受拉时应不低于二级,受压时宜为二级。
3 重级工作制和起重量Q≥50t的中级工作制吊车梁的腹板与上翼缘之间以及吊车桁架上弦杆与节点之间的T形接头焊缝均要求焊透,焊缝形式一般为对接与角接组合焊缝,其质量等级不应低于二级。
4 不要求焊透的T形接头采用的角焊缝或部分焊透的对接焊缝,以及搭接连接采用的角焊缝,其质量等级为:1)对直接承受动力荷载且需要验算疲劳的结构和吊车起重量等于或大于50t的中级工作制吊车梁,焊缝的外观质量标准应符合二级;2)对其它结构,焊缝的外观质量标准可为三级。
焊缝应根据结构的重要性、荷载特性、焊缝形式、工作环境以及应力状态等情况,按下述原则分别选用不同的质量等级,1. 在需要进行疲劳计算的构件中,凡对接焊缝均应焊透,其质量等级为1) 作用力垂直于焊缝长度方向的横向对接焊缝或T形对接与角接组合焊缝,受拉时应为一级,受压时应为二级;2)作用力平行于焊缝长度方向的纵向对接焊缝应为二级。
2 .不需要计算疲劳的构件中,凡要求与母材等强的对接焊缝应予焊透,其质量等级当受拉时应不低于二级,受压时宜为二级3 .重级工作制和起重量Q≥50t吊车梁的腹板与L冀缘之间以及吊车析架上弦杆与节点板之间的T形接头焊缝均要求焊透.焊缝形式一般为对接与角接的组合焊缝,其质量等级不应低于二级4 .不要求焊透的’I'形接头采用的角焊缝或部分焊透的对接与角接组合焊缝,以及搭接连接采用的角焊缝,其质量等级为:1)对直接承受动力荷载且需要验算疲劳的结构和吊车起重量等于或大于50t的中级工作制吊车梁,焊缝的外观质量标准应符合二级;2) 对其他结构,焊缝的外观质量标准可为二级。
1 建筑结构安全等级为一级的一、二级焊缝。
2 建筑结构安全等级为二级的一级焊缝。
3 大跨度结构中一级焊缝。
4 重级工作制吊车梁结构为一级焊缝。
关于焊缝等级的定义的部分要求见《钢结构设计规》GB50017-2003的第7章连接计算。
7.1焊缝连接7.1.1 焊缝应根据结构的重要性、荷载特性、焊缝形式、工作环境以及应力状态等情况,按下述原则分别选用不同的质量等级:1 在需要进行疲劳计算的构件中,凡对接焊缝均应焊透,其质量等级为:1)作用力垂直于焊缝长度方向的横向对接焊缝或T型对接与角接组合焊缝,受拉时为一级,受压时应为二级;2)作用力平行于焊缝长度方向的纵向对接焊缝应为二级。
2 不需要计算疲劳的构件中,凡要求与母材等强的对接焊缝应予焊透,其质量接等级当受拉时应不低于二级,受压时宜为二级。
3 重级工作制和起重量Q≥50t的中级工作制吊车梁的腹板与上翼缘之间以及吊车桁架上弦杆与节点之间的T形接头焊缝均要求焊透,焊缝形式一般为对接与角接组合焊缝,其质量等级不应低于二级。
4 不要求焊透的T形接头采用的角焊缝或部分焊透的对接焊缝,以及搭接连接采用的角焊缝,其质量等级为:1)对直接承受动力荷载且需要验算疲劳的结构和吊车起重量等于或大于50t的中级工作制吊车梁,焊缝的外观质量标准应符合二级;2)对其它结构,焊缝的外观质量标准可为三级。
焊缝应根据结构的重要性、荷载特性、焊缝形式、工作环境以及应力状态等情况,按下述原则分别选用不同的质量等级,1. 在需要进行疲劳计算的构件中,凡对接焊缝均应焊透,其质量等级为1) 作用力垂直于焊缝长度方向的横向对接焊缝或T形对接与角接组合焊缝,受拉时应为一级,受压时应为二级;2)作用力平行于焊缝长度方向的纵向对接焊缝应为二级。
2 .不需要计算疲劳的构件中,凡要求与母材等强的对接焊缝应予焊透,其质量等级当受拉时应不低于二级,受压时宜为二级3 .重级工作制和起重量Q≥50t吊车梁的腹板与L冀缘之间以及吊车析架上弦杆与节点板之间的T形接头焊缝均要求焊透.焊缝形式一般为对接与角接的组合焊缝,其质量等级不应低于二级4 .不要求焊透的’I'形接头采用的角焊缝或部分焊透的对接与角接组合焊缝,以及搭接连接采用的角焊缝,其质量等级为:1)对直接承受动力荷载且需要验算疲劳的结构和吊车起重量等于或大于50t的中级工作制吊车梁,焊缝的外观质量标准应符合二级;2) 对其他结构,焊缝的外观质量标准可为二级。
一级焊缝双面熔透焊一级焊缝就是要求全熔透焊缝,所谓全熔透就是要开坡口,开坡口可以采用坡口机、碳弧气刨、半自动气割机等等,坡口的形式决定于板厚,6毫米以下开单面坡口即可,6毫米以上开双面坡口可减少焊接变形,如果是工地的现场焊缝,一般情况下是单面坡口,坡口下加垫板。
开完坡口后要将坡口上的挂渣、油污、尘土、浮锈等清理干净。
之后根据被焊钢材的材质和厚度,选择电焊机、焊条、焊丝和焊剂,如果被焊钢材是Q235B则采用J422焊条或H08A焊丝。
如果被焊钢材是Q345B,则采用J506焊条或H10M n2焊丝。
J506电焊条需要进行预热,预热的温度是300度,2个小时,之后在100度的保温桶内进行保温,随取随用。
之后进行焊接,开始最好用二氧化碳气体保护焊进行打底焊和多层多道焊,可以省去清理焊渣、避免夹渣、焊接变形还小。
最后用焊条电弧焊或埋弧焊进行照面焊,因为这两种焊接焊缝成型美观。
最后进行无损探伤,探伤不合格还要抛开重焊,直至探伤合格,出具探伤报告。
钢板对接全熔透焊缝坡口形式注:1、钢板对接焊缝为一、二级全熔透焊缝,焊接完成后应在自然冷却的状态下(约4小时)进行UT检查。
班组应填写“UT报检单”报质检部UT人员到场检验合格后方可转入下道工序。
2、钢板对接的坡口形式按以上要求执行。
3、拼接时注意做好反变形处理。
定位焊间距为300~400mm,定位焊长度:15~20mm。
4、焊接前应用同等厚度的钢板作为引、熄板,收弧板尺寸为:80*80mm,起收弧长度保证在50mm。
5、焊剂应经烘焙后方可使用。
6、钢板厚度大于40mm以上的厚板,施焊前应做好焊前预热(80~1200C),焊后保温(200~2500C)7、一级焊缝不允许存在根部未焊透,二级焊缝允许存在少量的未焊透。
两者之间受力性能明显差异,重要部件是不允许二级焊缝的二级焊缝相关要求一、对接焊缝中一级、二级焊缝其主要区别是什么?GB 50205-2001《钢结构工程施工质量验收规范》表5.2.4对此有明确的说明,一级要求探伤比例为100%,而二级探伤比例要求为20%。
全熔透焊缝和部分焊缝表达
C一:为全熔透焊缝,焊缝质量等级为一级;(坡口根据实际)
C二:为全熔透焊缝,焊缝质量等级为二级;(坡口根据实际)
C三:全熔透焊缝,不要求探伤;(坡口根据实际)
P:部分熔透焊缝;P-2,部分熔透焊缝,坡口深度为t-2(mm)。
部分熔透焊缝需标出大样图(融深和焊角大小):如下
白居寺焊缝表达说明
1 对接焊缝:一级
2 牛腿上下翼缘与钢柱焊缝为全熔透焊缝,焊缝质量等级为二级,
3 钢梁上下翼缘与端板焊缝为全熔透焊缝,焊缝质量等级为二级,
4 吊车梁上翼缘与腹板焊缝为全熔透焊缝,焊缝质量等级为二级,
白居寺图框:跟项目部联系
焊缝比重:跟项目部联系。
一二级焊缝双面全熔透焊一级焊缝双面熔透焊口于接垫之如材预行进还成合可板变板后果是热保行小型格一级焊缝就是要求全熔透焊缝,所谓全熔透就是要开坡口,开坡以采用坡口机、碳弧气刨、半自动气割机等等,坡口的形式决定厚,6毫米以下开单面坡口即可,6毫米以上开双面坡口可减少焊形,如果是工地的现场焊缝,一般情况下是单面坡口,坡口下加。
开完坡口后要将坡口上的挂渣、油污、尘土、浮锈等清理干净。
根据被焊钢材的材质和厚度,选择电焊机、焊条、焊丝和焊剂,被焊钢材是Q235B则采用J422焊条或H08A焊丝。
如果被焊钢Q345B,则采用J506焊条或H10Mn2焊丝。
J506电焊条需要进行,预热的温度是300度,2个小时,之后在100度的保温桶内进温,随取随用。
之后进行焊接,开始最好用二氧化碳气体保护焊打底焊和多层多道焊,可以省去清理焊渣、避免夹渣、焊接变形。
最后用焊条电弧焊或埋弧焊进行照面焊,因为这两种焊接焊缝美观。
最后进行无损探伤,探伤不合格还要抛开重焊,直至探伤,出具探伤报告。
钢板对接全熔透焊缝坡口形式注:1、钢板对接焊缝为一、二级全熔透焊缝,焊接完成后应在自然冷却的状态下(约4小时)进行UT检查。
班组应填写“UT报检单”报质检部UT人员到场检验合格后方可转入下道工序。
2、钢板对接的坡口形式按以上要求执行。
3、拼接时注意做好反变形处理。
定位焊间距为300~400mm,定位焊长度:15~20mm。
4、焊接前应用同等厚度的钢板作为引、熄板,收弧板尺寸为:80*80mm,起收弧长度保证在50mm。
5、焊剂应经烘焙后方可使用。
6、钢板厚度大于40mm以上的厚板,施焊前应做好焊前预热(80~1200C),焊后保温0(200~250C)7、一级焊缝不允许存在根部未焊透,二级焊缝允许存在少量的未焊透。
两者之间受力性能明显差异,重要部件是不允许二级焊缝的二级焊缝相关要求一、对接焊缝中一级、二级焊缝其主要区别是什么,GB 50205-2001《钢结构工程施工质量验收规范》表5.2.4对此有明确的说明,一级要求探伤比例为100%,而二级探伤比例要求为20%。
焊缝质量标准和焊缝等级分类焊缝质量标准4.1 保证项目4.1.1 焊接材料应符合设计要求和有关标准的规定,应检查质量证明书及烘焙记录。
4.1.2 焊工必须经考试合格,检查焊工相应施焊条件的合格证及考核日期。
4.1.3 Ⅰ、Ⅱ级焊缝必须经探伤检验,并应符合设计要求和施工及验收规范的规定,检查焊缝探伤报告。
4.1.4 焊缝表面Ⅰ、Ⅱ级焊缝不得有裂纹、焊瘤、烧穿、弧坑等缺陷。
Ⅱ级焊缝不得有表面气孔、夹渣、弧坑、裂纹、电弧擦伤等缺陷,且Ⅰ级焊缝不得有咬边、未焊满等缺陷。
4.2 基本项目4.2.1 焊缝外观:焊缝外形均匀,焊道与焊道、焊道与基本金属之间过渡平滑,焊渣和飞溅物清除干净。
4.2.2 表面气孔:Ⅰ、Ⅱ级焊缝不允许;Ⅲ级焊缝每50mm 长度焊缝内允许直径≤0.4t;且≤3mm 气孔2 个;气孔间距≤6 倍孔径。
4.2.3 咬边:Ⅰ级焊缝不允许。
Ⅱ级焊缝:咬边深度≤0.05t,且≤0.5mm,连续长度≤100mm,且两侧咬边总长≤10%焊缝长度。
Ⅲ级焊缝:咬边深度≤0.lt,且≤lmm。
注:t 为连接处较薄的板厚。
4.3 允许偏差项目,见表5-1。
5 成品保护5.1 焊后不准撞砸接头,不准往刚焊完的钢材上浇水。
低温下应采取缓冷措施。
5.2 不准随意在焊缝外母材上引弧。
5.3 各种构件校正好之后方可施焊,并不得随意移动垫铁和卡具,以防造成构件尺寸偏差。
隐蔽部位的焊缝必须办理完隐蔽验收手续后,方可进行下道隐蔽工序。
5.4 低温焊接不准立即清渣,应等焊缝降温后进行。
6 应注意的质量问题6.1 尺寸超出允许偏差:对焊缝长宽、宽度、厚度不足,中心线偏移,弯折等偏差,应严格控制焊接部位的相对位置尺寸,合格后方准焊接,焊接时精心操作。
6.2 焊缝裂纹:为防止裂纹产生,应选择适合的焊接工艺参数和施焊程序,避免用大电流,不要突然熄火,焊缝接头应搭10~15mm,焊接中木允许搬动、敲击焊件。
6.3 表面气孔:焊条按规定的温度和时间进行烘焙,焊接区域必须清理干净,焊接过程中选择适当的焊接电流,降低焊接速度,使熔池中的气体完全逸出。
焊缝质量标准和焊缝等级分类焊缝质量标准4.1 保证项目4.1。
1焊接材料应符合设计要求和有关标准的规定,应检查质量证明书及烘焙记录。
4.1。
2 焊工必须经考试合格,检查焊工相应施焊条件的合格证及考核日期。
4.1.3 Ⅰ、Ⅱ级焊缝必须经探伤检验,并应符合设计要求和施工及验收规范的规定,检查焊缝探伤报告。
4。
1.4 焊缝表面Ⅰ、Ⅱ级焊缝不得有裂纹、焊瘤、烧穿、弧坑等缺陷。
Ⅱ级焊缝不得有表面气孔、夹渣、弧坑、裂纹、电弧擦伤等缺陷,且Ⅰ级焊缝不得有咬边、未焊满等缺陷.4.2 基本项目4。
2.1 焊缝外观:焊缝外形均匀,焊道与焊道、焊道与基本金属之间过渡平滑,焊渣和飞溅物清除干净.4.2.2表面气孔:Ⅰ、Ⅱ级焊缝不允许;Ⅲ级焊缝每50mm长度焊缝内允许直径≤0.4t;且≤3mm 气孔2 个;气孔间距≤6 倍孔径。
4.2。
3 咬边:Ⅰ级焊缝不允许。
Ⅱ级焊缝:咬边深度≤0.05t,且≤0.5mm,连续长度≤100mm,且两侧咬边总长≤10%焊缝长度。
Ⅲ级焊缝:咬边深度≤0。
lt,且≤lmm。
注:t为连接处较薄的板厚。
4。
3 允许偏差项目,见表5—1.5 成品保护5。
1 焊后不准撞砸接头,不准往刚焊完的钢材上浇水。
低温下应采取缓冷措施。
5。
2 不准随意在焊缝外母材上引弧。
5。
3 各种构件校正好之后方可施焊,并不得随意移动垫铁和卡具,以防造成构件尺寸偏差。
隐蔽部位的焊缝必须办理完隐蔽验收手续后,方可进行下道隐蔽工序。
5。
4低温焊接不准立即清渣,应等焊缝降温后进行。
6 应注意的质量问题6.1尺寸超出允许偏差:对焊缝长宽、宽度、厚度不足,中心线偏移,弯折等偏差,应严格控制焊接部位的相对位置尺寸,合格后方准焊接,焊接时精心操作。
6。
2 焊缝裂纹:为防止裂纹产生,应选择适合的焊接工艺参数和施焊程序,避免用大电流,不要突然熄火,焊缝接头应搭10~15mm,焊接中木允许搬动、敲击焊件。
6.3 表面气孔:焊条按规定的温度和时间进行烘焙,焊接区域必须清理干净,焊接过程中选择适当的焊接电流,降低焊接速度,使熔池中的气体完全逸出。
全熔透焊二级焊缝焊接工艺流程下载温馨提示:该文档是我店铺精心编制而成,希望大家下载以后,能够帮助大家解决实际的问题。
文档下载后可定制随意修改,请根据实际需要进行相应的调整和使用,谢谢!并且,本店铺为大家提供各种各样类型的实用资料,如教育随笔、日记赏析、句子摘抄、古诗大全、经典美文、话题作文、工作总结、词语解析、文案摘录、其他资料等等,如想了解不同资料格式和写法,敬请关注!Download tips: This document is carefully compiled by theeditor. I hope that after you download them,they can help yousolve practical problems. The document can be customized andmodified after downloading,please adjust and use it according toactual needs, thank you!In addition, our shop provides you with various types ofpractical materials,such as educational essays, diaryappreciation,sentence excerpts,ancient poems,classic articles,topic composition,work summary,word parsing,copy excerpts,other materials and so on,want to know different data formats andwriting methods,please pay attention!全熔透焊二级焊缝焊接工艺流程一、施工准备阶段。
在进行全熔透焊二级焊缝焊接之前,需要做好充分的准备工作。
全熔透焊二级焊缝焊接工艺流程下载温馨提示:该文档是我店铺精心编制而成,希望大家下载以后,能够帮助大家解决实际的问题。
文档下载后可定制随意修改,请根据实际需要进行相应的调整和使用,谢谢!并且,本店铺为大家提供各种各样类型的实用资料,如教育随笔、日记赏析、句子摘抄、古诗大全、经典美文、话题作文、工作总结、词语解析、文案摘录、其他资料等等,如想了解不同资料格式和写法,敬请关注!Download tips: This document is carefully compiled by theeditor. I hope that after you download them,they can help yousolve practical problems. The document can be customized andmodified after downloading,please adjust and use it according toactual needs, thank you!In addition, our shop provides you with various types ofpractical materials,such as educational essays, diaryappreciation,sentence excerpts,ancient poems,classic articles,topic composition,work summary,word parsing,copy excerpts,other materials and so on,want to know different data formats andwriting methods,please pay attention!全熔透焊二级焊缝焊接工艺流程一、准备工作1. 技术准备- 熟悉图纸和工艺文件,了解焊接要求和质量标准。
焊缝等级分类及无损检测要求焊缝应根据结构的重要性、荷载特性、焊缝形式、工作环境以及应力状态等情况,按下述原则分别选用不同的质量等级,1. 在需要进行疲劳计算的构件中,凡对接焊缝均应焊透,其质量等级为1) 作用力垂直于焊缝长度方向的横向对接焊缝或T形对接与角接组合焊缝,受拉时应为一级,受压时应为二级;2)作用力平行于焊缝长度方向的纵向对接焊缝应为二级。
2 .不需要计算疲劳的构件中,凡要求与母材等强的对接焊缝应予焊透,其质量等级当受拉时应不低于二级,受压时宜为二级3 .重级工作制和起重量Q≥50t吊车梁的腹板与L冀缘之间以及吊车析架上弦杆与节点板之间的T形接头焊缝均要求焊透.焊缝形式一般为对接与角接的组合焊缝,其质量等级不应低于二级4 .不要求焊透的’I'形接头采用的角焊缝或部分焊透的对接与角接组合焊缝,以及搭接连接采用的角焊缝,其质量等级为:1)对直接承受动力荷载且需要验算疲劳的结构和吊车起重量等于或大于50t的中级工作制吊车梁,焊缝的外观质量标准应符合二级;2) 对其他结构,焊缝的外观质量标准可为二级。
外观检查一般用目测,裂纹的检查应辅以5 倍放大镜并在合适的光照条件下进行,必要时可采用磁粉探伤或渗透探伤,尺寸的测量应用量具、卡规。
焊缝外观质量应符合下列规定:1 一级焊缝不得存在未焊满、根部收缩、咬边和接头不良等缺陷,一级焊缝和二级焊缝不得存在表面气孔、夹渣、裂纹和电弧擦伤等缺陷;2 二级焊缝的外观质量除应符合本条第一款的要求外,尚应满足下表的有关规定;3 三级焊缝的外观质量应符合下表有关规定设计要求全焊透的焊缝,其内部缺陷的检验应符合下列要求:1 一级焊缝应进行100%的检验,其合格等级应为现行国家标准《钢焊缝手工超声波探伤方法及质量分级法》(GB 11345)B 级检验的Ⅱ级及Ⅱ级以上;2 二级焊缝应进行抽检,抽检比例应不小于20%,其合格等级应为现行国家标准《钢焊缝手工超声波探伤方法及质量分级法》(GB 11345)B 级检验的Ⅲ级及Ⅲ级以上;3 全焊透的三级焊缝可不进行无损检测。
一级焊缝双面熔透焊
一级焊缝就是要求全熔透焊缝,所谓全熔透就是要开坡口,开坡
口可以采用坡口机、碳弧气刨、半自动气割机等等,坡口的形式决定
于板厚,6毫米以下开单面坡口即可,6毫米以上开双面坡口可减少焊接变形,如果是工地的现场焊缝,一般情况下是单面坡口,坡口下加
垫板。
开完坡口后要将坡口上的挂渣、油污、尘土、浮锈等清理干净。
之后根据被焊钢材的材质和厚度,选择电焊机、焊条、焊丝和焊剂,
如果被焊钢材是Q235B则采用J422焊条或H08A焊丝。
如果被焊钢
材是Q345B,则采用J506焊条或H10M n2焊丝。
J506电焊条需要进行预热,预热的温度是300度,2个小时,之后在100度的保温桶内进
行保温,随取随用。
之后进行焊接,开始最好用二氧化碳气体保护焊
进行打底焊和多层多道焊,可以省去清理焊渣、避免夹渣、焊接变形
还小。
最后用焊条电弧焊或埋弧焊进行照面焊,因为这两种焊接焊缝
成型美观。
最后进行无损探伤,探伤不合格还要抛开重焊,直至探伤
合格,出具探伤报告。
钢板对接全熔透焊缝坡口形式
注:1、钢板对接焊缝为一、二级全熔透焊缝,焊接完成后应在自然冷却的状态下(约4小时)进行UT检查。
班组应填写“UT报检单”报质检部UT人员到场检验合格后方可转入下道工序。
2、钢板对接的坡口形式按以上要求执行。
3、拼接时注意做好反变形处理。
定位焊间距为300~400mm,定位焊长度:15~20mm。
4、焊接前应用同等厚度的钢板作为引、熄板,收弧板尺寸为:80*80mm,起收弧长度保证在50mm。
5、焊剂应经烘焙后方可使用。
6、钢板厚度大于40mm以上的厚板,施焊前应做好焊前预热(80~1200C),焊后保温(200~2500C)
7、一级焊缝不允许存在根部未焊透,二级焊缝允许存在少量的未焊透。
两者之间受力性能明显差异,重要部件是不允许二级焊缝的
二级焊缝相关要求
一、对接焊缝中一级、二级焊缝其主要区别是什么?
GB 50205-2001《钢结构工程施工质量验收规范》表5.2.4对此有明确的说明,一级要求探伤比例为100%,而二级探伤比例要求为20%。
工程中常用的对接焊缝多为二级,但在需要进行疲劳计算的构件、重级工作制和起重量大于等于50吨的中级工作制吊车梁等构件的特定部位是要求采用一级对接焊缝的。
这在《钢结构设计规范》中应有详细规定。
根据(GB 3323-87)有关焊缝质量的规定:
16.1 根据缺陷的性质和数量,焊缝质量分为四级.
16.1.1 Ⅰ级焊缝内应无裂纹、未熔合、未焊透和条状夹渣.
16.1.2 Ⅱ级焊缝内应无裂纹、未熔合和未焊透.
16.1.3 Ⅲ级焊缝内应无裂纹、未熔合以及双面焊和加垫板的单面焊中的未焊透.不加垫板的单
面焊中的未焊透允许长度按表10条状夹渣长度的Ⅲ级评定.
16.1.4 焊缝缺陷超过Ⅲ级者为Ⅳ级.
焊接工艺评定和焊工资格
按照≤钢制件熔化焊工艺评定≥ (JB/T6963) ≤钢结构焊接规范≥ (AWSD1.1) 要求进行构件的焊接工艺评定,钢结构的焊接施工工艺按照合格的焊接工艺评定进行制定。
焊工资格:从事钢结构安装焊接的焊工必须具备规范所要求的焊工合格证,并且在全部合格项目范围进行施焊。
1. H 型框架柱安装焊接
根据图纸设计要求和板厚选择合理的焊缝形式
焊接过程要求:
a. 焊接坡口可用火焰切割或机械方法加工;
b. 焊前清除待焊处表面的水,氧化皮, 锈, 油污;检查焊接部位的组装和表面清理的质量如不符合要求,应修磨补焊,合格后方能施焊;
c. 定位焊必须由持相应合格证的焊工施焊,所用焊接材料、焊缝质量要求与正式焊接相同,焊缝厚度不宜超过设计焊缝厚度的2/3 ,定位焊焊缝长度宜大于40 ㎜,间距500-600 ㎜,并应填满弧坑,定位焊预热温度应高于正式施焊预热温度;(1\钢带对头焊焊缝:钢带对头焊焊缝就是螺旋缝钢管上钢板或钢带头尾相接的焊缝。
2\对接焊焊缝:就是把两截钢管连接在一起而形成的环形焊缝。
<3\定位焊焊缝:就是把最终施焊前,用于固定对接边缘的焊缝。
)
d. 避免强行组对, 组装后接头需经检验合格,才能施焊;
e. 坡口底层焊道采用焊条手工电弧焊时宜使用不大于¢4 ㎜的焊条施焊,底层根部焊道最大厚度不应超过6 ㎜;
f. 厚板多层焊时,应连续施焊,每一焊道焊接完成后应及时清理焊渣及表面飞溅物,遇有中断施焊的情况, 应采取适当的后热保温措施, 再次焊接时, 重新预热温度应高于初始预热温度;
2. H 形钢组合钢柱安装焊接
采用全焊接头, 并根据设计要求采用全焊透和部分焊透焊缝,全焊透焊缝坡口形式应采用单V 形坡口加垫板。
H 形钢梁焊接
焊接组合H 形钢梁的安装,要求箱形截面构件翼缘板与腹板接口错开距离宜大于500 ㎜,其上下翼缘板焊接宜采用V 形坡口加垫板单面焊。
4 .框架柱与梁刚性连接焊,
梁翼缘板与悬壁梁翼缘板应用V 形坡口加垫板单面全焊透焊缝连接。
5 .管--- 管连接的安装焊
在δ 不大于6 ㎜时,可用I 形坡口加垫板,单面全焊透焊缝连接,δ > 6 ㎜时,可用V 形坡口加垫板单面全焊透焊缝连接。
6 .钢结构安装过程中,T 形接头,十字接头,角接接头焊接时严防板材层状撕裂。
7 .控制焊接变形
a. 采用合理的焊接顺序控制变形,长焊缝宜采用分段退焊法或多人对称焊接法同时运用;
b. 采用跳焊法避免工件局部加热集中,
c. 采用反变形法控制角变形。
d. 对一般构件可用定位焊固定同时限制变形,对大型厚板构件宜用刚性固定法增加结构焊接时的刚性,对大型结构宜采取分部组装焊接,分别矫正变形后再进行总装或连接的施工方法。
8 .焊后消除应力处理
工地安装焊缝宜采用锤击法消除应力,用锤击法消除中间焊层应力时,应使用圆头手锤或小型振动工具进行,不应对根部焊缝,盖面焊缝或焊缝坡口边缘的母材进行锤击。
9 .焊钉(栓钉)焊接
a. 将焊钉(栓钉)一端与板件(管件)表面接触通电引弧,待接触面熔化后,给焊钉(栓钉)一定压力完成焊接。
b. 选择合理的栓焊机,合适的栓焊枪型号,规格配套使用。
焊接过程中,注意焊钉伸出长度和提升高度的变化,进行平,立,仰位置的变化焊接。
C . 现场模拟焊接栓钉,记录焊接工艺评定报告,进行焊后弯曲试验检查,以工艺评定报告书为依据指导现场施焊。
焊接检验
1. 资格认定
从事钢结构无损探伤的人员必须具有国家有关部门颁发的并与其工作相适应的资格证书,按照规范对需要检测的部位进行检测。
2. 除常规捡查外,钢结构需进行抽样捡查,分工厂制作焊缝和现场安装焊缝两种抽查。
3. 外观检验
a. 所有焊缝应冷却到环境温度后进行外观检查,Ⅱ、Ⅲ类钢材的焊缝应以焊接完成24 h 后检查结果作为验收依据。
b. 一级焊缝不得存在未焊满,根部收缩,咬边和接头不良等缺陷,一级焊缝和二级焊缝不得存在表面气孔夹渣裂纹和电弧擦伤等缺陷,焊缝余高0--4 ㎜。
c. 二级焊缝未焊满≤ 1 ㎜,根部收缩≤ 1 ㎜,咬边≤ 0.5 ㎜,连续长度≤ 100 ㎜,裂纹、电弧擦伤、表面气孔、表面夹渣不允许。
d. 三级焊缝未焊满≤ 2 ㎜根部收缩≤ 2 ㎜,长度不限;咬边≤ 1 ㎜,长度不限,裂纹允许存在长度≤ 5 ㎜,电弧擦伤、表面气孔、表面夹渣允许存在个别数量。
焊缝余高0-5 ㎜。
e. 当采用手工电弧焊(SMAW )进行焊钉焊接时,焊缝外观检验符合下列角焊缝要求:
焊缝外形尺寸:360 度范围内,焊缝高>1mm ,焊缝宽>0.5mm; 无气孔、夹渣;咬肉深度<0.5mm ,高度允许偏差正负2mm 。
4. 无损检测
a. 无损检测应在外观检查合格后进行。
b. 焊缝无损检测报告签发人员必须持有相应控伤方法的Ⅱ级或者Ⅱ级以上资格证书。
c. 全焊透一级焊缝应进行100% 的检验,采用超声波(UT )探伤方法。
d. 二级焊缝应进行抽检,(UT )抽检比例不小于20% 。
e. 三级焊缝可不进行无损检测,只需外观检查。
焊缝返修
1. 焊缝表面缺陷超过相应的质量验量验收标准,应进行焊补。
2. 经无损检测确定焊缝内部存在超标缺陷时,应当分析缺陷产生原因,制定相应的返修工艺卡返修。
3. 焊缝同一部位返修次数不宜超过2 次。
4. 依据探伤检验确定的部位将缺陷清除干净。
5. 返修焊缝隙性能和质量要求与原焊缝相同。
6. 返修焊接应填写返修施工记录及返修前后的无损检测报告,作为工程验收及存档资料。
9.7 焊接管理资料
1. 钢结构焊缝布置图。
2. 焊材质量证明书复印件。
3. 焊工合格证复印件。
4. 焊条烘干、保温记录。
5. 焊条发放,回收记录。
6. 构件焊缝返修记录。
7 .无损探伤报告。
8 .钢结构(钢构件焊接)分项工程检验批质量验收记录。
9. 焊接环境
焊接环境出现下列任一情况时,需采取有效防护措施;
1.风速大于8m/s ;
2.相对温度大于90% ;
3.雨、雪环境;
4.环境温度低于-20 ℃,高于30 ℃,且相对温度超过80% 时,不宜进行现场焊接。