设计院(景观专业)中级职称专业知识考试大纲
- 格式:doc
- 大小:12.50 KB
- 文档页数:2
第一部分专业基础知识一、城市绿化条例《北京市绿化条例》(北京市第十三届人民代表大会常务委员会第十四次会议于2009年11月20日通过,自2010年3月1日起施行)。
第八条本市推进林业碳汇工作,普及碳排放知识,倡导低碳生产生活方式和实现碳中和的绿色环保理念,引导公众参与碳补偿活动。
第十八条绿地建设应当严格按照绿化规划实施,坚持生态、景观、文化协调统一和节约资源的原则,充分利用乡土植物,注重营造植物景观,突出生物多样性,形成合理的种植结构。
第十九条绿地建设责任按照下列规定确定:(一)公共绿地由区、县绿化行政主管部门组织建设。
其中,城市道路、公路、河道等用地范围内的公共绿地分别由各有关主管部门组织建设;(二)建设工程附属绿地由开发建设单位建设;(三)铁路、湖泊、水库管理范围内的绿地由有关主管部门组织建设;(四)村庄规划绿地由村民委员会或者村集体经济组织建设。
前款规定以外的绿地建设责任不明确的,由所在区、县人民政府根据实际情况,按照有利于建设并方便管护的原则确定。
公共绿地由市和区、县人民政府确定并公布。
第二十条建设工程应当按照规划安排绿化用地。
规划行政主管部门在办理相关审批手续时,应当按照绿地系统规划和详细规划确定建设工程附属绿化用地面积占建设工程用地总面积的比例。
其中,新建居住区、居住小区绿化用地面积比例不得低于30%,并按照居住区人均不低于2平方米、居住小区人均不低于1平方米的标准建设集中绿地;成片开发或者改造的地区应当按照规划要求建设集中绿地,绿地建设费用纳入开发建设总投资。
建设单位报送的建设工程设计方案应当包括附属绿化用地平面图并标明绿化用地的面积和位置。
第三十九条加强对绿地、树木的管理和保护(以下简称管护)。
绿地、树木的管护责任按照下列规定确定:(一)公共绿地由绿化行政主管部门负责落实。
其中,城市道路、公路、河道用地范围内的绿地分别由各有关主管部门或者区、县绿化行政主管部门负责;(二)单位所属绿地,由该单位负责;(三)居住区、居住小区内依法属于业主所有的绿地由业主负责,业主可以委托物业服务企业进行管护;(四)建设工程范围内保留的树木,在建设期间由建设单位负责;(五)铁路、湖泊、水库等用地范围内的绿地由各有关主管部门负责;(六)村庄绿地由村民委员会或者村集体经济组织负责。
风景园林(景观设计)专业中级职称理论考试题库一、判断题(正确的请在括号内填“A”,错误的请在括号内填“B”,共100题)。
(A)1.花台是花坛的一种特殊形式。
(B)2.摘心可促使侧枝萌发,使植株矮化、开花整齐以及提前开花的作用。
(B)3.波状压条是指在离地较高的枝条上给予刻伤等处理后,外套容器,内装苔藓或细土,经常保持湿润,一个月后可生根,待生根后切割下来称为新植株。
(A)4.幼苗4~5枚真叶或5cm高时需要进行一次移植,移植的时间最好选择在晴天的傍晚。
(A)5.水仙可以通过雕刻法来推迟花期。
(A)6.硬枝扦插适合休眠期进行扦插。
(A)7.嫁接苗木,砧木要选择与接穗亲缘关系近的种类。
(A)8.马缨丹又名五色梅,茎四棱,具有臭味,叶与茎都有糙毛。
(A)9.朱顶红属于石蒜科,花茎中空。
(A)10.对昙花采用全黑暗处理可使其在白天开放。
(A)11.单位勒克斯(lx)表示的是光照波长。
(A)12.植物生长激素常用简写ppm来表示浓度的百万分之一。
(A)13.疏林结构和通风结构的防护距离比紧密结构的较大。
(A)14.不论是间苗还是移植或者上盆,最后都要浇水的意义是使土壤与根系紧密结合,防止水分流失。
(B)15.萱草的果属于蓇葖果。
(B)16.茑萝属于旋花科,茎直立,节膨大,蓇葖果长圆形。
(B)17.一串红属于石蒜科,花梗中空。
(A)18.锯末、甘蔗渣、苔藓、树皮等都可以作为无土栽培的基质。
(A)19.仪器测量放线法适用于范围较大、测量基点较准确而植株较稀的绿地。
(B)20.规则式配置放线法适用于要求不高的绿地施工放样。
(B)21.尺徒手定点放线适用于图案复杂的模纹花坛放样。
(A)22.园林绿地土壤剖面结构和形态混乱,会发生土层倒置现象。
(A)23.园林绿地土壤常为填充土,其土层深厚肥沃,土壤疏松,有效孔隙多,适宜植物生长。
(A)24.园林绿地土壤污染严重,长含有工业“三废”物质、生活垃圾等。
(A)25.单干式灌木和小型落叶乔木苗木出圃最低标准要求树冠丰满,分枝均匀,胸径2.5cm(行道树6cm)以上。
第一部分专业基础知识一、城市绿化条例《北京市绿化条例》(北京市第十三届人民代表大会常务委员会第十四次会议于2009年11月20日通过,自2010年3月1日起施行)。
第八条本市推进林业碳汇工作,普及碳排放知识,倡导低碳生产生活方式和实现碳中和的绿色环保理念,引导公众参与碳补偿活动.第十八条绿地建设应当严格按照绿化规划实施,坚持生态、景观、文化协调统一和节约资源的原则,充分利用乡土植物,注重营造植物景观,突出生物多样性,形成合理的种植结构。
第十九条绿地建设责任按照下列规定确定:(一)公共绿地由区、县绿化行政主管部门组织建设.其中,城市道路、公路、河道等用地范围内的公共绿地分别由各有关主管部门组织建设;(二)建设工程附属绿地由开发建设单位建设;(三)铁路、湖泊、水库管理范围内的绿地由有关主管部门组织建设;(四)村庄规划绿地由村民委员会或者村集体经济组织建设。
前款规定以外的绿地建设责任不明确的,由所在区、县人民政府根据实际情况,按照有利于建设并方便管护的原则确定。
公共绿地由市和区、县人民政府确定并公布。
第二十条建设工程应当按照规划安排绿化用地。
规划行政主管部门在办理相关审批手续时,应当按照绿地系统规划和详细规划确定建设工程附属绿化用地面积占建设工程用地总面积的比例.其中,新建居住区、居住小区绿化用地面积比例不得低于30%,并按照居住区人均不低于2平方米、居住小区人均不低于1平方米的标准建设集中绿地;成片开发或者改造的地区应当按照规划要求建设集中绿地,绿地建设费用纳入开发建设总投资。
建设单位报送的建设工程设计方案应当包括附属绿化用地平面图并标明绿化用地的面积和位置。
第三十九条加强对绿地、树木的管理和保护(以下简称管护)。
绿地、树木的管护责任按照下列规定确定:(一)公共绿地由绿化行政主管部门负责落实。
其中,城市道路、公路、河道用地范围内的绿地分别由各有关主管部门或者区、县绿化行政主管部门负责;(二)单位所属绿地,由该单位负责;(三)居住区、居住小区内依法属于业主所有的绿地由业主负责,业主可以委托物业服务企业进行管护;(四)建设工程范围内保留的树木,在建设期间由建设单位负责;(五)铁路、湖泊、水库等用地范围内的绿地由各有关主管部门负责;(六)村庄绿地由村民委员会或者村集体经济组织负责。
《园林绿化专业基础与实务》考试大纲前言根据原北京市人事局《北京市人事局关于工程技术等系列中、初级职称试行专业技术资格制度有关问题的通知》(京人发[2005]26号)及《关于北京市中、初级专业技术资格考试、评审工作有关问题的通知》(京人发[2005]34号)文件的要求,从2005年起,我市工程技术系列中级专业技术资格试行考评结合的评价方式,为做好考试工作,我们编写了本大纲。
本大纲既是申报人参加考试的复习备考依据,也是专业技术资格考试命题的依据。
在考试知识体系及知识点的知晓程度上,本大纲从对园林绿化专业中级专业技术资格人员应具备的学识和技能要求出发,提出了“掌握”、“熟悉”和“了解”共3个层次的要求,这3个层次的具体涵义为:掌握系指在熟悉准确、透彻的基础上,能熟练自如地运用并分析解决实际问题;熟悉系指能说明其要点,并解决实际问题;了解系指概略知道其原理及应用范畴。
在考试内容的安排上,本大纲从对园林绿化专业中级专业技术资格人员的工作需要和综合素质要求出发,主要考核申报人的专业基础知识、专业理论知识和相关专业知识,以及解决实际问题的能力。
命题内容在本大纲所规定的范围内。
考试采取笔试、闭卷的方式。
《园林绿化专业基础与实务(中级)》考试大纲编写组二○一四年一月第一部分专业基础知识一、城市绿化条例北京市绿化条例了解:《城市绿化条例》对城市绿化规划和建设、保护和管理的有关规定;熟悉:《北京市绿化条例》(北京市第十三届人民代表大会常务委员会第十四次会议于2009年11月20日通过,自2010年3月1日起施行)。
掌握:《北京市绿化条例》对北京市城乡绿化规划、建设、保护、监督和管理的规定。
二、园林绿化标准熟悉:园林绿化国家标准掌握:园林绿化北京市地方标准(一)《城市园林绿化用植物材料木本苗》(二)《城市园林绿化工程施工及验收规范》(三)《城市园林绿化养护管理标准》(四)《居住区绿地设计规范》(五)《屋顶绿化规范》(六)《园林设计文件内容及深度》三、植物学了解:植物学基础知识、植物基本类群、植物细胞、植物组织、高等植物、种子植物的概念。
风景园林(景观设计)专业中级职称理论考试题库一、判断题(正确的请在括号内填“A”,错误的请在括号内填“B”,共100题)。
()1.花台是花坛的一种特殊形式。
()2.摘心可促使侧枝萌发,使植株矮化、开花整齐以及提前开花的作用。
()3.波状压条是指在离地较高的枝条上给予刻伤等处理后,外套容器,内装苔藓或细土,经常保持湿润,一个月后可生根,待生根后切割下来称为新植株。
()4.幼苗4~5枚真叶或5cm高时需要进行一次移植,移植的时间最好选择在晴天的傍晚。
()5.水仙可以通过雕刻法来推迟花期。
()6.硬枝扦插适合休眠期进行扦插。
()7.嫁接苗木,砧木要选择与接穗亲缘关系近的种类。
()8.马缨丹又名五色梅,茎四棱,具有臭味,叶与茎都有糙毛。
()9.朱顶红属于石蒜科,花茎中空。
()10.对昙花采用全黑暗处理可使其在白天开放。
()11.单位勒克斯(lx)表示的是光照波长。
()12.植物生长激素常用简写ppm来表示浓度的百万分之一。
()13.疏林结构和通风结构的防护距离比紧密结构的较大。
()14.不论是间苗还是移植或者上盆,最后都要浇水的意义是使土壤与根系紧密结合,防止水分流失。
()15.萱草的果属于蓇葖果。
()16.茑萝属于旋花科,茎直立,节膨大,蓇葖果长圆形。
()17.一串红属于石蒜科,花梗中空。
()18.锯末、甘蔗渣、苔藓、树皮等都可以作为无土栽培的基质。
()19.仪器测量放线法适用于范围较大、测量基点较准确而植株较稀的绿地。
()20.规则式配置放线法适用于要求不高的绿地施工放样。
()21.尺徒手定点放线适用于图案复杂的模纹花坛放样。
()22.园林绿地土壤剖面结构和形态混乱,会发生土层倒置现象。
()23.园林绿地土壤常为填充土,其土层深厚肥沃,土壤疏松,有效孔隙多,适宜植物生长。
()24.园林绿地土壤污染严重,长含有工业“三废”物质、生活垃圾等。
()25.单干式灌木和小型落叶乔木苗木出圃最低标准要求树冠丰满,分枝均匀,胸径2.5cm(行道树6cm)以上。
风景园林专业初中级专业技术职务任职资格考试大纲(年修订)第一章考试说明一、考试目的风景园林专业技术资格考试是以专业技术为基础,考核和评定工程技术人员能力和水平的一种考试,目的是为了建立起更加公正、合理的专业技术人才评价机制,造就懂管理、懂技术、懂法规,综合素质较高的专业人才队伍。
二、考试性质风景园林专业技术资格考试属于湖南省人力资源和社会保障部门设定的专业技术资格考试,凡考试合格者由省人力资源和社会保障厅颁发相应专业技术资格证书。
三、考试方式风景园林专业技术资格考试采取闭卷,纸笔作答方式进行,考试设专业知识、法律法规及技术标准、专业实务三个科目,其中专业知识与法律法规及技术标准安排在同一时间进行,考试时间为分钟,专业知识满分分,法律法规及技术标准满分分,题型均为单选题和多选题;专业实务考试时间为分钟,满分分,题型为主观题,可以是案例分析(其中包括计算题、问答题、作图题等)。
四、考试组织考试在湖南省人力资源和社会保障厅指导下,由省住房和城乡建设厅负责组织,具体考试考务工作委托湖南省建设人力资源协会实施。
第二章专业知识一、风景园林规划与设计.风景园林艺术与设计原理:风景园林设计依据、原则与程序,风景园林艺术原理,风景园林空间与布局原理.风景园林构成要素:地形、水体、植物、建筑、园路广场等的基本设计原理与方法.风景园林规划:各类绿地的风景园林规划基本原理与方法.风景园林设计:各类绿地的风景园林设计基本原理与方法.风景名胜区规划:概念、风景资源分类及评价、一般规划、专项规划二、风景园林工程.土方工程:土方量计算.园林给排水工程:给排水管网布置及管材选用.水景工程:水池的结构,喷泉的应用.园路工程:园路的分类及结构.假山工程:假山的类型,石材的种类.园林供电:园林照明的安全,电路系统,灯具的选择.园林机械:园林机械常用种类.工程招投标:商务标、技术标编制的内容.园林工程施工管理及预算知识三、园林植物.园林植物的分类:按植物的生活型分类,按植物观赏习性分类,按植物的园林用途分类,每一类型植物的特点及园林应用.植物分类学知识及常用园林植物主要形态识别要点.园林植物的主要生态习性:植物与温度因子,植物与水分因子,植物与光照因子,植物与空气因子,植物与土壤因子.园林植物的观赏习性:观姿(形)、观叶、观花、观果、观枝干的植物种类及观赏时期.园林植物的应用:孤植树(园景树、庭荫树)、行道树、园路树、树林、绿篱(墙)及绿雕塑、基础种植、垂直绿化、地被、花径、花境、花坛等的植物选择要求及常用种类.植物的功能:植物对环境的改善和防护功能、观赏功能、建造功能.植物景观设计:植物景观设计的原则,植物景观的类型,植物群落,乔木、灌木、草本、藤本植物的种植设计,植物与水体、园路、建筑、山石的配置.种植工程:园林种植的特点,影响移植成活的因素、移植时间、养护管理.植物栽培与养护管理:园林植物个体及群体生长、发育规律,园林树木的整形、修剪、栽培及养护,特殊立地环境的园林树木栽培,园林树木的资源调查及管理系统四、风景园林建筑.风景园林建筑基本知识:风景园林建筑基本概念、类型、功能、特点、设计参数与指标等.风景园林建筑艺术与技术:风景园林建筑立意、选址、布局、空间、造型、材料、构造、结构等基本原理.风景园林建筑设计原理:园桥、园墙、亭、廊、花架、小卖等一般风景园林建筑设计原理与方法.风景园林古建基本知识:中国古建基本特征与主要做法及中国建筑发展简史五、生态学.生态学:定义、生物与环境,生态系统的组成、结构、功能、类型.园林生态学:植物与环境,园林植物与光、温度、水分、土壤及大气的生态关系,群落生态学.景观生态学:景观,景观要素,景观要素的基本类型,景观的总体结构,景观的功能六、园林史.中国古典园林史:中国园林的起源和最初形式,秦汉时期宫苑、私家园林的兴起,唐宋时期园林的发展及特点,明清时期园林的特点与影响,中国古典园林的创作特色、布局手法与原则.外国古典园林史:意大利台地园林的特点,法国规则式园林的特点,英国风景园的特点,日本庭园风格及造园手法,美国国家公园的体系、管理和保护,欧洲古典园林的特色第三章法律法规及技术标准一、法律法规.《城市绿化条列》(年,国务院第号令,年修订).《风景名胜区条例》(年国务院第号发布).《城市绿化规划建设指标的规定》(建设部建城[]号).《关于加强城市绿地和绿化种植保护的规定》(建设部建城[]号).关于印发《城市古树名木保护管理办法》的通知(建设部建城[]号).《城市绿线管理办法》(年建设部令号发布).《建设部关于加强城市生物多样性保护工作的通知》(建设部建城[]号).关于印发《国家园林城市申报与评审办法》、《国家园林城市标准》的通知(年住建部号).联合国教科文组织《保护世界文化和自然遗产公约》.建设部《关于印发国家重点风景名胜区总体规划编制报批管理规定的通知》(建城[]号).建设部关于印发《国家重点公园管理办法(试行)的通知》(建城[]号).住建部关于印发《关于规范国家级风景名胜区总体规划上报成果的规定(暂行)》的通知(建城[]号).《关于加强城市绿地系统建设提高城市防灾避险能力的意见》(年住建部号).《关于建设“节约型”城市园林绿化的意见》(建设部建城[]号).《城市绿地系统规划编制纲要》(试行)(建设部建城[]号)二、技术标准.《城市绿地分类标准》().《公园设计规范》().《城市绿地设计规范》().《城市道路绿化规划与设计规范》().《园林绿化工程施工及验收规范》().《城市居住区规划设计规范》().《无障碍设计规范》().《风景名胜区规划规范》().《建筑设计防火规范》().《城市园林绿化评价标准》().《园林绿地灌溉工程技术规程》().《园林基本术语标准》().《居住区环境景观设计导则》.《工程建设标准强制性条文》相关园林部分及新增(版)行业相关技术标准第四章专业实务一、风景园林规划与设计.设计条件分析.小型绿地的风景园林规划及节约型园林理念的体现.小型绿地的风景园林设计及节约型园林理念的体现.风景名胜区规划组织编制二、风景园林工程.土方、给排水、园路、假山中的实际问题进行详细分析、解决.供电工程中的实际问题分析并解决.施工投标及施工管理中的实际问题提出解决办法三、园林植物.不同类型绿地的植物种类选择及应用、节约型园林理念的体现.人工栽培群落:()植物种类、群落结构与外貌,植物形体、色彩、季相的搭配()植物配置功能要求的满足、植物生态习性的满足、景观需求、人性化.各个园林要素的植物景观设计.种植施工及栽培:一、二年生花卉、宿根花卉、球根花卉、水生花卉的特点及栽培管理,园林树木的栽植与养护四、风景园林建筑.风景园林建筑设计()小品类风景园林建筑设计:园桥、园墙、园椅、园门、园窗、园灯等()一般风景园林建筑设计:亭、廊、花架、小卖等.风景园林建筑施工()风景园林建筑主体工程施工工艺与基本技术要求:混凝土结构、砌体结构、木结构、钢结构工程()风景园林建筑装饰工程施工工艺与基本技术要求:抹灰工程、饰面板(砖)工程、涂饰工程()风景园林建筑防水工程施工工艺与基本技术要求:屋面防水、水池防水、卫生间防水及其它防渗漏工程第五章附则一、考试内容及权重.《专业知识》科目考试内容权重分配见表一表一《专业知识》科目考试内容及权重分配表.《法律法规及技术标准》科目考试内容及权重分配见表二.《专业实务》科目考试内容及权重分配见表三表三《专业实务》科目考试内容及权重分配表对于初中级专业技术职务,《专业实务》科目考试内容可不设权重,表中仅列案例分析题类型,每次考试选三种案例分析题(每题含~个能力点)。
风景园林专业初中级技术资格考试大纲〔试行〕第一章总那么第一条为进一步完善景色园林专业技术职务任职资历评价机制,深化职称革新,促进我省修建工程人才队伍树立,依据湘人发〔2004〕74号«关于土建工程专业初中级专业技术职务任职资历考试有关效果的通知»要求,针对景色园林专业技术资历的基天分力素质要求和职位特点,制定本考试纲要。
第二条本考试纲要是全省景色园林专业初、中级专业技术资历考试命题和备考的依据。
本考试纲要所指的景色园林专业初、中级专业技术人员涵盖园林工程、景色园林设计、植物学、园林修建等。
第三条景色园林专业初、中级专业技术资历考试包括专业知识、专业实务和专业基础知识三个考试科目。
本考试纲要中带★号内容对申报初级专业技术资历的人员不作要求。
第四条景色园林专业技术资历考试在湖南省职称革新任务指导小组指导下,由湖南省土建工程专业职称革新任务指导小组办公室详细实施。
第二章景色园林专业知识考试第五条景色园林专业知识考试主要测试应试者必需具有的本专业的知识。
专业知识考试范围包括园林法律法规和规范、园林设计、园林工程、园林植物、园林修建等相关知识。
第六条景色园林专业知识考试方式与试卷结构〔一〕测试方式为闭卷。
〔二〕试卷总分值为150分。
〔三〕测试时限为120分钟。
〔四〕试卷中各局部试题比例为:园林法律法规和规范15%,园林设计25%,园林工程25%,园林植物20%,园林修建15%。
〔五〕试题类型为客观性试题,包括单项选择题和多项选择题。
第八条景色园林专业知识考试内容:一、园林法律法规〔一〕«城市绿化管理条例»1.总那么:城市绿化条例意义和适用范围城市绿化管理的行为主体城市绿化规划的行为主体和要求城市绿化工程的设计要求2.维护和管理:城市绿地的管理主体城市绿化用地的维护措施城市古树名木的维护措施3.罚那么:城市绿化工程的设计方案未经同意的罚那么对违犯本条例的行为人清查法律责任的相关规则〔二〕«景色名胜区规划规范»1.总那么:规范的意义景色区按用地规模的分类景色区规划的阶段和遵照的原那么2.术语:景色名胜区景色名胜区规划景色资源景观景群3.普通规则:景色区规划的基础资料与现状剖析景色资源评价的内容和方法景色资源分级规范的规则景色区的分区、结构与规划景色区的生态分区原那么4.专项规划:景色区各专项规划的内容、步骤和方法景色区规划效果与深度规则〔三〕«城市寓居区规划设计规范»:寓居区内绿地组成绿地规划的普通要求及规划规划原那么寓居区公共绿地的分级规模、规划要求、有关规范及面积计算方法寓居区人均公共绿空中积目的确实定〔四〕«城市路途绿化规划与设计规范»:路途绿化规划设计原那么路途绿化术语路途绿化规划分车绿带、行道树绿带和路侧绿带设计交通岛、广场和停车场绿地设计路途绿地与架空线、地下管线的距离〔五〕«城市绿化工程施工及验收规范»:绿地的给水和喷灌的施工规则绿地排水管道的施工规则园路施工的规则各种面层铺设的规则绿化工程种植土客土土球种植资料和收获资料的要求种植前土壤处置种植穴、槽的开掘苗木运输和假植苗木种植前的修剪种植的质量和规则大树移植的要求草坪、花卉种植的要求〔六〕«公园设计规范»、«城市绿地分类规范»、«园林基本术语规范»等规范中的相关局部。
《风景园林专业初中级技术资格考试大纲》(2009年修订)第一章总则第一条为进一步完善风景园林专业技术职务任职资格评价机制,深化职称改革,促进我省建筑工程人才队伍建设,根据湘人发〔2004〕74号《关于土建工程专业初中级专业技术职务任职资格考试有关问题的通知》要求,针对风景园林专业技术资格的基本能力素质要求和职位特点,制定本考试大纲。
第二条本考试大纲是全省风景园林专业初、中级专业技术资格考试命题和备考的依据。
本考试大纲所指的风景园林专业初、中级专业技术人员涵盖园林工程、园林规划设计、园林植物、园林建筑等。
第三条风景园林专业初、中级专业技术资格考试包括园林法律法规、专业基础知识、专业知识及实务三个考试科目。
第四条风景园林专业技术资格考试在湖南省职称改革工作领导小组领导下,由湖南省土建工程专业职称改革工作领导小组办公室负责组织。
第二章专业基础知识考试科目第五条主要测试应试者所必须具备的风景园林专业的基础知识。
考试范围包括园林艺术及设计原理、中外园林史、园林植物、生态学原理等。
第六条专业基础知识考试方式与试卷结构:一、测试方式为闭卷。
二、试卷满分为120分。
三、测试时限为90分钟。
四、试题类型为客观性试题,包括单项选择题、多项选择题。
第七条风景园林专业基础知识考试测评要素:(一)应具备本专业必须的基础知识和应用能力。
(二)能了解中外园林史的知识。
(三)具有一定的园林植物学的基本知识。
(四)具有一定的生态学原理知识。
第八条风景园林专业基础知识考试内容:(一)园林艺术及设计原理1.园林艺术布局基本原则2.园林布局:园林布局的原则、形式园林设计方法3.园林构图:园林绿地构图的特点、基本要求、基本规律、基本形式及手法4.园林造景:造景的手法和类型景点与景区空间组织园林色彩构图(二)中外园林史1.中国园林史:中国园林的起源和最初形式秦汉时期宫苑、私家园林的兴起唐宋时期园林的发展、特点明清时期园林的特点与影响中国古典园林的创作特色、布局手法与原则2.外国园林史:意大利台地园林的特点法国规则式园林的特点英国风景园的特点日本庭园风格及造园手法美国国家公园的体系、管理和保护欧洲古典园林的特色(三)园林植物1.植物分类学基础知识:茎的形态术语叶的形态术语花的形态术语果实的形态术语植物营养器官的变态2.园林植物的分类:按植物的生活型(外形)分类按植物观赏习性分类按植物的园林用途分类3.园林植物的识别与观赏:常用园林植物的主要识别要点、观赏特性4.园林植物的主要生态习性:植物与温度因子植物与水分因子植物与光照因子植物与空气因子植物与土壤因子5.园林植物的功能:园林植物对环境的改善和防护功能园林植物的观赏功能6.园林植物的应用:孤植树(园景树、庭荫树)行道树风景林林植绿篱及绿雕塑基础种植垂直绿化地被植物花径花境花坛切花及室内装饰盆景水景园岩石园屋顶花园(四)园林建筑1.园林建筑的概念、类型、功能、特点、设计原理园林小品的作用、分类及布局要点2.各类型园林建筑的设计要点:亭、廊的位置选择与设计水榭的形式和设计要点花架的位置选择和造型设计园林小品的布局与设计(五)生态学原理1.生态学:定义、分支学科生物与环境生态系统的组成、结构、功能、类型生态学的基本原理2.园林生态学:城市环境的特点环境因子(光、温、水、土、气)与园林植物植物群落结构城市生态系统城市景观生态城市生态规划3.景观生态学:景观景观要素景观要素的基本类型景观的总体结构景观功能、分类景观生态规划第三章法律法规及相关知识第九条主要测试应试者所必须具备的风景园林专业法律法规及相关性知识。
《园林景观设计》考试大纲第一篇:《园林景观设计》考试大纲华南理工大学东莞东阳教学中心《园林景观设计》考试大纲华南理工大学东莞东阳教学中心一、考试目的:考核学生对园林景观设计所涉及的各种规范、概念的识记程度,对相关设计原理的理解水平,以及理论分析水平。
二、考试范围:指定教材以及课堂讲解所涉及的内容。
三、考试内容与重点:建筑小环境概述第一节建筑环境与建筑小环境1、识记:“环境的协调”“建筑小环境”的概念2、理解建筑小环境的特点、作用、发展前景及现今一些建筑小环境设计的缺陷。
3、识记建筑小环境是由表象、关系、性质等三方面组成。
并理解三个组成部分的概念,识记建筑小环境的环境构成要素。
第二节建筑小环境设计原则1、理解视觉的涵义,以及如何从距离、视野、景观、停留空间、环境因素等几个方面来满足人们对建筑小环境视觉的需求。
2、识记小环境边界有几种处理手段。
理解小环境内部空间层次、视觉层次的设计。
4、理解不同类型的户外活动与空间的关系。
几种社会距离以及在设计中的应用。
4、理解如何通过坐的空间、行走的空间、听的空间、看的空间等局部空间设计以使建筑小环境空间更加完美化。
第二章建筑小环境的设计第一节功能分析1、识记小环境空间根据功能需求的分类,识记物质需求的小环境、精神需求的小环境、精神需求的小环境的特点。
华南理工大学东莞东阳教学中心第二节类型分析和设计1、识记居住区公共绿地的分类;居住区公共绿地的功能分区以及公共绿地的平面布局。
2、掌握居住区小环境中不同功能分区的设计方式。
3、理解校园建筑小环境的特点,掌握校园建筑小环境的设计方式。
4、人们对商业步行街的要求是什么,商业步行街有几种布局形式,如何从“行”“坐”“看”几种空间形式来设计商业步行街。
5、识记街道景观的构成,理解几种步行系统的特点及设计要点,理解两种交通广场的设计方式。
6、识记老年人、中青年、儿童的心理特点以及他们对环境的要求。
掌握三种不同年龄阶段的人所需要的小环境的设计原则以及注意事项。
居住区绿地设计规范DB11/T 214—2003前言1 范围2 规范性引用文件3 术语和定义4 居住区绿地规划原则5 居住区绿地设计一般要求6 开放式绿地设计7 封闭式绿地设计8 居住区道路和停车场绿化设计附录A(资料性附录)北京地区居住区绿化常用园林植物种类一览表附录B(资料性附录)适宜在北京地区应用的主要攀缘植物栽培管理一览表前言为加强对北京地区居住区绿地设计质量技术指导和监督,提高北京地区城市居住区绿化设计质量和水平,依据GB 50180-93《城市居住区规划设计规范》(2002-04-01)、CJJ 48-92《公园设计规范》(1993-01-01)、CJJ 75-97 《城市道路绿化规划与设计规范》(1998-05-01)、CJJ/ T91-2002《园林基本术语标准》(2002-12-01)、《北京市城市绿化条例》、《北京市公园条例》,特制定本标准。
本标准适用于北京地区城市新建和改建的多层、高层楼居住区和居住小区,包括城市规划中零散居住用地内的绿化设计。
非城市地区的居住区绿化设计可参照执行。
居住用地内地下设施覆土绿化设计和屋顶绿化设计按照相关规范或指导书执行。
本标准附录A、附录B为资料性附录。
本标准由北京市园林局提出。
本标准起草单位:北京市园林科学研究所。
本标准主要起草人:韩丽莉、朱虹。
居住区绿地设计规范1 范围本标准规定了居住区绿地规划原则、居住区绿地设计一般要求、开放式绿地设计、封闭式绿地设计、和居住区道路和停车场绿化设计。
本标准适用于北京市新建和改建居住区绿地的规划设计和工程验收。
2 规范性引用文件下列文件中的条款通过本标准的引用而成为本标准的条款。
凡是注日期的引用文件,其随后所有的修改单(不包括勘误的内容)或修订版均不适用于本标准,然而,鼓励根据本标准达成协议的各方研究是否可使用这些文件的最新版本。
凡是不注日期的引用文件,其最新版本适用于本标准。
GBJ 85 灌工程技术规范CJJ 48-92 公园设计规范(1993-01-01)CJJ 75-97 城市道路绿化规划与设计规范(1998-05-01)3 术语和定义下列术语和定义适用于本标准。
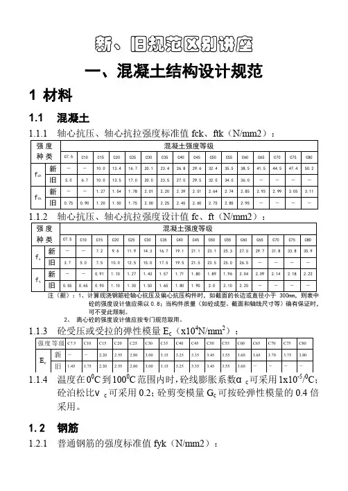
新、旧规范区别讲座一、混凝土结构设计规范1 材料1.1 混凝土砼的强度设计值应乘以0.8;当构件质量(如砼成型、截面和轴线尺寸等)确有保证时,可不受此限制。
2、离心砼的强度设计值应按专门规范取用。
421.1.4温度在0C到100C范围内时,砼线膨胀系数αc可采用1x10/C;砼泊松比νc可采用0.2;砼剪变模量G c可按砼弹性模量的0.4倍采用。
1.2钢筋1.2.1普通钢筋的强度标准值fyk(N/mm2):2、当采用直径大于40mm的钢筋时,应有可靠的工程经验。
应桉300n/mm2取用。
521.3 耐久性规定1.3.1混凝土结构的耐久性应根据环境类别和设计使用年限进行设计。
1.3.2一类、二类和三类环境中,设计使用年限为50年的结构混凝土2、预应力构件混凝土中的最大氯离子含量为0.06%,最小水泥用量300kg/m3;最低混凝土强度等级应按表中规定提高两个等级;3、素混凝土构仕的最小水泥用量不应少于表中数值减25kg/m3;4、当混凝土中加入活性掺合料或能提高耐久性的外加剂时,可适当降低最小水泥用量;5、当有可靠工程经验时,处于一类和二类环境中的最低混凝土强度等级可降低一个等级;6、当使用非碱性活性骨料时,对混凝土中的碱含量可不作限制。
1.3.3一类环境中,设计使用年限为100年的结构混凝土应符合下列规定:1、钢筋混凝土结构的最低混凝土强度等级为C30;预应力混凝土结构的最低混凝土强度等级为C40;2、混凝土中的最大氯离子含量为0.06%;3、宜使用非碱活性骨料;当使用碱活性骨料时,混凝土中的最大碱含量为3.0kg/m3;4、混凝土保护层厚度应按2.2.1条的规定增加40%;当采取有效的表面防护措施时,混凝土保护层厚度可适当减小;5、在使用过程中,应定期维护。
1.3.4二类和三类环境中,设计使用年限为100年的混凝土结构,应采取专门有效措施。
1.3.5严寒及寒冷地区的潮湿环境中,结构混凝土应满足抗冻要求,混凝土抗冻等级应符合有关标准的要求。
风景园林专业初中级专业技术职务任职资格考试大纲(年修订)第一章考试说明一、考试目的风景园林专业技术资格考试是以专业技术为基础,考核和评定工程技术人员能力和水平的一种考试,目的是为了建立起更加公正、合理的专业技术人才评价机制,造就懂管理、懂技术、懂法规,综合素质较高的专业人才队伍。
二、考试性质风景园林专业技术资格考试属于湖南省人力资源和社会保障部门设定的专业技术资格考试,凡考试合格者由省人力资源和社会保障厅颁发相应专业技术资格证书。
三、考试方式风景园林专业技术资格考试采取闭卷,纸笔作答方式进行,考试设专业知识、法律法规及技术标准、专业实务三个科目,其中专业知识与法律法规及技术标准安排在同一时间进行,考试时间为分钟,专业知识满分分,法律法规及技术标准满分分,题型均为单选题和多选题;专业实务考试时间为分钟,满分分,题型为主观题,可以是案例分析(其中包括计算题、问答题、作图题等)。
四、考试组织考试在湖南省人力资源和社会保障厅指导下,由省住房和城乡建设厅负责组织,具体考试考务工作委托湖南省建设人力资源协会实施。
第二章专业知识一、风景园林规划与设计.风景园林艺术与设计原理:风景园林设计依据、原则与程序,风景园林艺术原理,风景园林空间与布局原理.风景园林构成要素:地形、水体、植物、建筑、园路广场等的基本设计原理与方法.风景园林规划:各类绿地的风景园林规划基本原理与方法.风景园林设计:各类绿地的风景园林设计基本原理与方法.风景名胜区规划:概念、风景资源分类及评价、一般规划、专项规划二、风景园林工程.土方工程:土方量计算.园林给排水工程:给排水管网布置及管材选用.水景工程:水池的结构,喷泉的应用.园路工程:园路的分类及结构.假山工程:假山的类型,石材的种类.园林供电:园林照明的安全,电路系统,灯具的选择.园林机械:园林机械常用种类.工程招投标:商务标、技术标编制的内容.园林工程施工管理及预算知识三、园林植物.园林植物的分类:按植物的生活型分类,按植物观赏习性分类,按植物的园林用途分类,每一类型植物的特点及园林应用.植物分类学知识及常用园林植物主要形态识别要点.园林植物的主要生态习性:植物与温度因子,植物与水分因子,植物与光照因子,植物与空气因子,植物与土壤因子.园林植物的观赏习性:观姿(形)、观叶、观花、观果、观枝干的植物种类及观赏时期.园林植物的应用:孤植树(园景树、庭荫树)、行道树、园路树、树林、绿篱(墙)及绿雕塑、基础种植、垂直绿化、地被、花径、花境、花坛等的植物选择要求及常用种类.植物的功能:植物对环境的改善和防护功能、观赏功能、建造功能.植物景观设计:植物景观设计的原则,植物景观的类型,植物群落,乔木、灌木、草本、藤本植物的种植设计,植物与水体、园路、建筑、山石的配置.种植工程:园林种植的特点,影响移植成活的因素、移植时间、养护管理.植物栽培与养护管理:园林植物个体及群体生长、发育规律,园林树木的整形、修剪、栽培及养护,特殊立地环境的园林树木栽培,园林树木的资源调查及管理系统四、风景园林建筑.风景园林建筑基本知识:风景园林建筑基本概念、类型、功能、特点、设计参数与指标等.风景园林建筑艺术与技术:风景园林建筑立意、选址、布局、空间、造型、材料、构造、结构等基本原理.风景园林建筑设计原理:园桥、园墙、亭、廊、花架、小卖等一般风景园林建筑设计原理与方法.风景园林古建基本知识:中国古建基本特征与主要做法及中国建筑发展简史五、生态学.生态学:定义、生物与环境,生态系统的组成、结构、功能、类型.园林生态学:植物与环境,园林植物与光、温度、水分、土壤及大气的生态关系,群落生态学.景观生态学:景观,景观要素,景观要素的基本类型,景观的总体结构,景观的功能六、园林史.中国古典园林史:中国园林的起源和最初形式,秦汉时期宫苑、私家园林的兴起,唐宋时期园林的发展及特点,明清时期园林的特点与影响,中国古典园林的创作特色、布局手法与原则.外国古典园林史:意大利台地园林的特点,法国规则式园林的特点,英国风景园的特点,日本庭园风格及造园手法,美国国家公园的体系、管理和保护,欧洲古典园林的特色第三章法律法规及技术标准一、法律法规.《城市绿化条列》(年,国务院第号令,年修订).《风景名胜区条例》(年国务院第号发布).《城市绿化规划建设指标的规定》(建设部建城[]号).《关于加强城市绿地和绿化种植保护的规定》(建设部建城[]号).关于印发《城市古树名木保护管理办法》的通知(建设部建城[] 号).《城市绿线管理办法》(年建设部令号发布).《建设部关于加强城市生物多样性保护工作的通知》(建设部建城[] 号).关于印发《国家园林城市申报与评审办法》、《国家园林城市标准》的通知(年住建部号).联合国教科文组织《保护世界文化和自然遗产公约》.建设部《关于印发国家重点风景名胜区总体规划编制报批管理规定的通知》(建城[]号).建设部关于印发《国家重点公园管理办法(试行)的通知》(建城[] 号).住建部关于印发《关于规范国家级风景名胜区总体规划上报成果的规定(暂行)》的通知(建城[]号).《关于加强城市绿地系统建设提高城市防灾避险能力的意见》(年住建部号).《关于建设“节约型”城市园林绿化的意见》(建设部建城[]号).《城市绿地系统规划编制纲要》(试行)(建设部建城[]号)二、技术标准.《城市绿地分类标准》().《公园设计规范》().《城市绿地设计规范》( ).《城市道路绿化规划与设计规范》().《园林绿化工程施工及验收规范》().《城市居住区规划设计规范》().《无障碍设计规范》().《风景名胜区规划规范》().《建筑设计防火规范》().《城市园林绿化评价标准》().《园林绿地灌溉工程技术规程》().《园林基本术语标准》().《居住区环境景观设计导则》.《工程建设标准强制性条文》相关园林部分及新增(版)行业相关技术标准第四章专业实务一、风景园林规划与设计.设计条件分析.小型绿地的风景园林规划及节约型园林理念的体现.小型绿地的风景园林设计及节约型园林理念的体现.风景名胜区规划组织编制二、风景园林工程.土方、给排水、园路、假山中的实际问题进行详细分析、解决.供电工程中的实际问题分析并解决.施工投标及施工管理中的实际问题提出解决办法三、园林植物.不同类型绿地的植物种类选择及应用、节约型园林理念的体现.人工栽培群落:()植物种类、群落结构与外貌,植物形体、色彩、季相的搭配()植物配置功能要求的满足、植物生态习性的满足、景观需求、人性化.各个园林要素的植物景观设计.种植施工及栽培:一、二年生花卉、宿根花卉、球根花卉、水生花卉的特点及栽培管理,园林树木的栽植与养护四、风景园林建筑.风景园林建筑设计()小品类风景园林建筑设计:园桥、园墙、园椅、园门、园窗、园灯等()一般风景园林建筑设计:亭、廊、花架、小卖等.风景园林建筑施工()风景园林建筑主体工程施工工艺与基本技术要求:混凝土结构、砌体结构、木结构、钢结构工程()风景园林建筑装饰工程施工工艺与基本技术要求:抹灰工程、饰面板(砖)工程、涂饰工程()风景园林建筑防水工程施工工艺与基本技术要求:屋面防水、水池防水、卫生间防水及其它防渗漏工程第五章附则一、考试内容及权重.《专业知识》科目考试内容权重分配见表一表一《专业知识》科目考试内容及权重分配表.《法律法规及技术标准》科目考试内容及权重分配见表二表二《法律法规及技术标准》科目考试内容及权重分配表.《专业实务》科目考试内容及权重分配见表三表三《专业实务》科目考试内容及权重分配表对于初中级专业技术职务,《专业实务》科目考试内容可不设权重,表中仅列案例分析题类型,每次考试选三种案例分析题(每题含~个能力点)。
园林绿化专业基础与实务(中级职称)考试复习资料园林绿化专业基础与实务(中级职称)考试复习资料第一部分专业基础知识一、森林法(一)森林法概述(二)林权的法律规定(三)森林经营管理的法律规定(四)植树造林的法律规定(五)森林采伐的法律规定1、了解:1.森林法的概念——森林法是国家关于森林的专门法,属社会主义经济法的范畴。
它是调整林业生产领域森林法代表着我国工人阶级和广大人民保护森林发展林业的意志,体现了我国各族人民的利益。
国家制定森林法的目的,是为了保护、培育和合理利用森林资源,加快国土绿化,发挥森林蓄水保土、调节气候、改善环境和提供林产品的作用,适应社会主义建设和人民生活的需要。
森林法是由国家权力机关制定的,并以国家的强制力保证其实施的,因此,它具有强制性,是人人必须遵守的行为规范。
凡是在中华人民共和国领域- 1 -(三)经济林:以生产果品,食用油料、饮料、调料,工业原料和药材等为主要目的的林木;(四)薪炭林:以生产燃料为主要目的的林木;(五)特种用途林:以国防、环境保护、科学实验等为主要目的的森林和林木,包括国防林、实验林、母树林、环境保护林、风景林,名胜古迹和革命纪念地的林木,自然保护区的森林。
5.林业长远规划的概念——第十六条各级人民政府应当制定林业长远规划。
国有林业企业事业单位和自然保护区,应当根据林业长远规划,编制森林经营方案,报上级主管部门批准后实行。
林业工作要有长远规划和阶段性目标,应该在生态环境上形成山清水秀、林木茂盛,最终实现经济、社会与自然的协调发展。
6.森林采伐许可证的概念——采伐林木必须申请采伐许可证,按许可证的规定进行采伐;农村居民采伐自留地和房前屋后个人所有的零星林木除外。
国有林业企业事业单位、机关、团体、部队、学校和其他国有企业事业单位采伐林木,由所在地县级以上林业主管部门依照有关规定审核发放采伐许可证。
铁路、公路的护路林和城镇林木的更新采伐,由有关主管部门依照有关规定审核发放采伐许可证。
园林中级职称考试《园林绿化专业基础与实务》考试大纲在考试知识体系及知识点的知晓程度上,本大纲从对园林绿化专业中级专业技术资格人员应具备的学识和技能要求出发,提出了“掌握”、“熟悉”和“了解”共3个层次的要求,这3个层次的具体涵义为:掌握系指在熟悉准确、透彻的基础上,能熟练自如地运用并分析解决实际问题;熟悉系指能说明其要点,并解决实际问题;了解系指概略知道其原理及应用范畴。
在考试内容的安排上,本大纲从对园林绿化专业中级专业技术资格人员的工作需要和综合素质要求出发,主要考核申报人的专业基础知识、专业理论知识和相关专业知识,以及解决实际问题的能力。
命题内容在本大纲所规定的范围内。
考试采取笔试、闭卷的方式。
考试题型分为客观题和主观题。
第一部分专业基础知识一、城市绿化条例北京市绿化条例了解:《城市绿化条例》对城市绿化规划和建设、保护和管理的有关规定;熟悉:《北京市绿化条例》(北京市第十三届人民代表大会常务委员会第十四次会议于 11月20日经过,自 3月1日起施行)。
掌握:《北京市绿化条例》对北京市城乡绿化规划、建设、保护、监督和管理的规定。
二、园林绿化标准熟悉:园林绿化国家标准掌握:园林绿化北京市地方标准(一)《城市园林绿化用植物材料木本苗》(二)《城市园林绿化工程施工及验收规范》(三)《城市园林绿化养护管理标准》(四)《居住区绿地设计规范》(五)《屋顶绿化规范》(六)《园林设计文件内容及深度》三、植物学了解:植物学基础知识、植物基本类群、植物细胞、植物组织、高等植物、种子植物的概念。
熟悉:植物的六种基本类群;植物细胞的基本结构;植物组织的六种类型及其功能;植物的分类单位和植物的命名方法。
掌握:植物器官根、茎、叶、花、果实、种子和幼苗的形态与功能。
四、生态学(一)生态学基本概念(二)生物与环境(三)生物种群(四)生物群落(五)生态系统了解:生态学的概念及其发展、现代生态学的特点、环境、环境要素、生态因子、生态作用、生态适应;生态反作用;种群;种群生态学;生态入侵;生态对策、竞争、互利共生;生物群落物种多样化;群落演替;生态系统;食物链;生态效率;生物循环;生态平衡;生态系统的基本概念及其功能,生态学前沿的理论及其应用。
园林绿化专业基础与实务(中级职称)考试复习资料第一部分专业基础知识一、森林法(一)森林法概述(二)林权的法律规定(三)森林经营管理的法律规定(四)植树造林的法律规定(五)森林采伐的法律规定1、了解:1.森林法的概念——森林法是国家关于森林的专门法,属社会主义经济法的范畴。
它是调整林业生产领域内国家机关、企业事业单位和其他社会组织内部及其相互之间,以及它们与公民之间,在经济活动中所发生的社会关系的法律规范。
它是国家组织、管理和指导林业生产的有力武器。
森林法代表着我国工人阶级和广大人民保护森林发展林业的意志,体现了我国各族人民的利益。
国家制定森林法的目的,是为了保护、培育和合理利用森林资源,加快国土绿化,发挥森林蓄水保土、调节气候、改善环境和提供林产品的作用,适应社会主义建设和人民生活的需要。
森林法是由国家权力机关制定的,并以国家的强制力保证其实施的,因此,它具有强制性,是人人必须遵守的行为规范。
凡是在中华人民共和国领域内从事森林的采伐利用、培育种植、经营管理活动等,都必须遵守森林法。
2.林权的种类——森林资源属于国家所有,由法律规定属于集体所有的除外。
国家所有的和集体所有的森林、林木和林地,个人所有的林木和使用的林地,由县级以上地方人民政府登记造册,发放证书,确认所有权或者使用权。
国务院可以授权国务院林业主管部门,对国务院确定的国家所有的重点林区的森林、林木和林地登记造册,发放证书,并通知有关地方人民政府。
森林、林木、林地的所有者和使用者的合法权益,受法律保护,任何单位和个人不得侵犯。
3.森林资源清查的概念——第十四条各级林业主管部门负责组织森林资源清查,建立资源档案制度,掌握资源变化情况4.《森林法》对林种的划分——第四条森林分为以下五类:(一)防护林:以防护为主要目的的森林、林木和灌木丛,包括水源涵养林,水土保持林,防风固沙林,农田、牧场防护林,护岸林,护路林;(二)用材林:以生产木材为主要目的的森林和林木,包括以生产竹材为主要目的的竹林;(三)经济林:以生产果品,食用油料、饮料、调料,工业原料和药材等为主要目的的林木;(四)薪炭林:以生产燃料为主要目的的林木;(五)特种用途林:以国防、环境保护、科学实验等为主要目的的森林和林木,包括国防林、实验林、母树林、环境保护林、风景林,名胜古迹和革命纪念地的林木,自然保护区的森林。
深圳市职业技能鉴定(景观设计师)考核大纲1.职业概况1.1 职业名称景观设计师1.2 职业定义从事景观设计、园林绿化规划建设和室内外空间环境创造等工作人员。
1.3 职业等级本大纲只设2个等级,分别为:助理景观设计师(国家职业资格三级)、景观设计师(国家职业资格二级)。
1.4 基本文化程度高中毕业(或同等学历)以上1.5 培训要求1.5.1 培训期限全日制职业学校教育的培训期限,应根据其培养目标和教学计划确定。
晋级培训期限:景观设计员不少于360标准学时;助理景观设计员不少于360标准学时;景观设计师不少于240标准学时;高级景观设计师不少于240标准学时。
1.5.2 培训教师培训景观设计员、助理景观设计师的教师应具有景观设计师及以上职业资格证书或相关专业中级及以上专业技术职务任职资格;培训景观设计师和高级景观设计师的教师应具有高级景观设计师职业资格证书或相关专业高级及以上专业技术职务任职资格。
1.5.3 培训场地设备满足教学需要的标准教室,具有20人以上同时进行实际技能操作的设施。
1.6 报考条件参照《关于印发职业技能鉴定各职业报考条件的补充通知》(深职鉴办〔2013〕15号)执行1.7 鉴定方式、鉴定时间分为理论知识考试和技能操作考核。
理论知识考试采用闭卷笔试方式,考试时间为180分钟;技能操作考核采用现场实际操作方式,考核时间为480分钟。
理论知识考试和技能操作考核均实行百分制,成绩皆达60分以上者为合格。
景观设计师、高级景观设计师还须进行综合评审,综合评审时间不少于30min。
1.8 考评人员与考生配比理论知识考试考评人员与考生配比为1:10,每个标准教室不少于2名考评人员;技能操作考核考评员与考生配比为1:7,且不少于3名考评员。
综合评审委员不少于5人。
2. 基本要求2.1 职业道德2.1.1 职业道德基本知识2.1.2 职业守则(1)严格遵守与职业相关的法律法规和规定。
(2)诚信第一,以能力和资格承接业务,认真履行服务合同,完成全部业务。
设计院(景观专业)中级职称专业知识考试大纲
一、景观设计细则(中铁二局集团勘测设计院有限责任公司出版)
1、一般规定;
2、竖向设计;
4、景观小品;
5、园路及铺装场地;
6、种植设计;
二、公园设计规范CJJ48—1992
1、与城市规划的关系、内容和规模;
2、地形设计;
3、种植设计—游人集中场所;
4、建筑物以及其他设施设计;
三、城市绿地设计规范GB50420—2007
1、道路、桥梁;
2、园林建筑、园林小品;
3、给水、排水及电气;
四、《城市道路绿化规划与设计规范》GJJ75—97
1、道路绿化规划与设计的基本原则;
2、道路绿化规划;
3、道路绿带设计;
4、交通岛、广场和停车场绿地设计;
5、道路绿化与有关设施;
五、《城市绿化工程施工及验收规范》CJJ/T82—99
1、种植材料和播种材料;
2、种植土壤处理;
3、种植穴、槽的挖掘;
4、苗木运输和假植;
5、树木种植;
6、草坪、花卉种植—铺设草块规定;
7、屋顶绿化;
六:《城市居住区规划设计规范》GB50180-93
1、居住区绿地;
2、居住区道路;
七、景观设计细则(修订—2013)(中铁二局集团勘测设计院有限责任公司出版)
1、质地场地景观;
2、施工图设计总则;
3、制图;
4、图纸内容、规范要求;。