箱涵支架计算书
- 格式:docx
- 大小:2.71 MB
- 文档页数:6
附件雨水箱涵支架模板设计计算书1、工程概况本项目位于昆明市五华区及翠湖片区,涉及雨水箱涵路段及箱涵结构尺寸如下:序号道路名称管道尺寸1茭菱路4m*2m;4m*1.5m2西园北路4m*2m3东风西路南段3m*2m4青云街2m*1.5m5翠湖北路 2.5m*1.7m6翠湖南路2m*1.4m7翠湖西路 2.5m*1.7m/1.8m*1.7m2、计算依据:1、《建筑施工扣件式钢管脚手架安全技术标准》T/CECS699-20202、《建筑施工脚手架安全技术统一标准》GB51210-20163、《建筑施工扣件式钢管脚手架安全技术规范》JGJ130-20114、《建筑施工模板安全技术规范》JGJ162-20085、《混凝土结构设计规范》GB50010-20106、《建筑结构荷载规范》GB50009-20127、《钢结构设计标准》GB50017-20173、设计计算说明及技术参数3.1、设计计算说明本支架模板体系设计适用于五华区排水管网清污分流及综合管廊配套工程(第一标段)所有雨水箱涵,按照最不利工况组合进行结构设计。
根据本工程箱涵尺寸确定以茭菱路及西园北路4m*2m雨水箱涵作为结构设计的标准断面。
各类型雨水箱涵及结构尺寸如下:3.2参数信息3.2.1支架参数计算支架形式为满布扣件式钢管脚手架,搭设最大高度为2米,立杆采用单立管。
搭设尺寸为:立杆纵距l a =0.9米(轴向),立杆横距l b =1米(横向),立杆步距h=1.2米,钢管上设U 形托支撑,下设垫木。
采用的钢管类型为Φ48.3×3.6(根据市场实际情况计算按壁厚2.8,余同)。
木楞(次梁)采用10cm ×5cm 的A-3型松木(针叶林),间距0.9m ;主梁采用双钢管,间距1m 。
模板采用1.5cm 覆面木胶合板,拉杆采用M14螺杆采用竖向0.5m ,纵向0.8m 布局。
具体布置如下:3.2.2工程属性3.2.3荷载设计注:脚手架位于基坑内,风荷载忽略不计。
箱涵模板支架计算书目录一、计算依据 (2)二、支架总体布置 (2)三、荷载计算 (3)四、结构验算 (2)五、侧模板检算 (7)六、地基检算 (11)《建筑施工模板安全技术规范》 JGJ162—2008《钢结构设计规范》 GB 50017—2003《木结构设计规范》 GB 50005—2003《建筑施工碗扣式钢管脚手架安全技术规范》 JGJ166-2016鹤山市滨江路工程两阶段施工图设计(修编稿)二、支架总体布置本涵洞为钢筋混凝土箱涵,内空尺寸为4*6m,两边侧墙厚度50cm,顶板、底板厚度60cm,侧墙顶板采用满堂支架法现浇施工,支架采用普通碗扣式满堂支架,碗扣式支架间距为90×90cm,横杆步距为120cm,横向每3排立杆设一道剪刀撑,剪刀撑与地面成45°~60°角,搭接长度不小于1m,且不少于两个转角扣件。
支架顶端设置顶托,顶托上按照支架纵向间距设置两根Φ48mm、壁厚3.5mm钢管作为横梁,横梁上布置10×10cm方木作为纵梁,纵梁横向方木中心间距30cm。
顶模板和边墙模板采用竹胶板,长2.44m,宽1.22m,厚20mm。
模板支架示意图如下:图1 模板支架示意图1、荷载组合(1) 模板及支架自重标准值G 1k =0.5 kN/m 2(2) 新浇筑混凝土自重标准值G 2k ,混凝土容重取26 kN/m 3 (3) 钢筋自重标准值G 3k =1.5kN/m 2(4) 新浇筑混凝土对侧面模板的压力标准值G 4k (5) 施工人员和施工设备荷载标准值Q 1k =2.5 kN/m 2 (6) 振捣混凝土时产生的荷载标准值Q 2k水平模板取2 kN/m 2;垂直模板取4 kN/m 2(7) 倾倒混凝土时产生的水平荷载标准值Q 3k =2 kN/m 2 顶板模板以及支架等计算强度用(1)+(2)+(3)+(6)组合,荷载选用设计值; 刚度用(1)+(2)+(3)组合,荷载选用标准值。
第九章计算书及相关说明一计算说明本模板支架工程在箱涵结构底板施工完成的前提下进行,支架立杆直接支承在框架结构钢筋混凝土底板上,不需检算立杆地基承载力。
1、材料的物理力学性能指标材料的物理力学性能指标详见“第9页材料的力学性能指标”。
2、计算依据《建筑施工碗扣式钢管脚手架安全技术规范》(JGJ166-2008);《建筑施工模板安全技术规范》(JGJ162-2008)。
二箱梁顶板荷载分析计算1、荷载计算模板及模板支撑架荷载Q1:1.1、内模(包括支撑架):取q1-1=1.0KN/m2;1.2、侧模:取q1-2=0.8KN/m2;1.3、底模:取q1-3=0.6KN/ m2;1.4、碗扣脚手架荷载:按支架搭设高度8.2米计算(含剪刀撑)q1=3.0KN/m2。
-4(2)箱梁混凝土荷载Q2:2暗梁处荷载Q2暗=1×1×1.7×2.4×1.12×10=45.6kN/m2(取底板跨中处荷载Q2中=1×1×(0.22+0.4)×2.4×1.12×10=16.6kN/m最厚处)(3)施工荷载Q3:施工人员及设备荷载取q3-1=1.0KN/m2。
查《建筑施工碗口式钢管脚手架安全技术规范》4.2.5条取值水平模板的砼振捣荷载,取q3-2=2 KN/m2,查《建筑施工碗口式钢管脚手架安全技术规范》4.2.5条取值。
(4) 水平模板的混凝土振捣荷载,取q4=2 KN/m2、立杆受力计算单肢立杆轴向力:计算公式:N=(1.2Q1 + 1.4Q 活)×Lx×Ly+1.2×Q2×Lx×Ly式中:Lx、Ly ——单肢立杆纵向及横向间距。
Q1——模板支撑架自重标准值Q活——施工活荷载标准值Q2——新浇筑混凝土和钢筋荷载标准值(1)在跨端暗梁断面位置,最大分布荷载:N=(1.2Q1 +1.4Q活)×Lx×Ly +1.2 ×Q2×Lx×Ly=[1.2×3.6+1.4×3] ×0.6×0.6+1.2×45.6×0.6×0.6=22.8KNLx、Ly ——单肢立杆纵向及横向间距,立杆分布纵向0.6m,横向0.6m,立杆步距1.2m ,则单根立杆受力:N=22.8KN<[N]=40 KN(步距1.2m )(2)跨中底板位置立杆计算:N=(1.2Q1 +1.4Q活)×Lx×Ly+1.2 Q2×Lx×Ly=[1.2(q1-1+q1-2+q1-3+q1-4)+1.4q活] ×Lx×Ly +1.2×q2×Lx×Ly=[1.2×5.4+1.4×3] ×0.9×0.9+1.2×16.6×0.9×0.9=24.8KNLx、Ly ——单肢立杆纵向及横向间距,立杆分布纵向0.9m,横向0.9m,立杆步距)1.2m.则单根立杆受力:N=24.8KN<[N]=30 KN (1.2m步距)2、地基承载力验算地基处理采用10cmC20混凝土加30㎝3:7灰土,上垫10×10㎝方木,根据力的扩散原则,计算人工回填重型压实土层荷载。
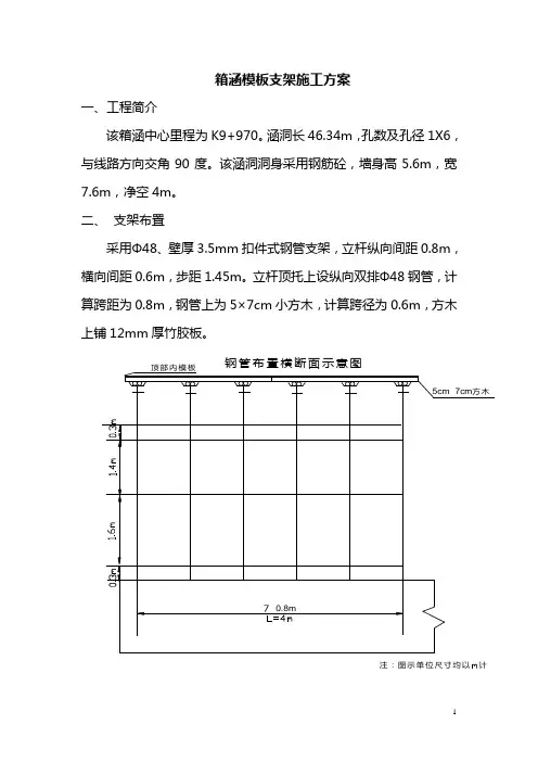
箱涵模板支架施工方案一、工程简介该箱涵中心里程为K9+970。
涵洞长46.34m,孔数及孔径1X6,与线路方向交角90度。
该涵洞洞身采用钢筋砼,墙身高5.6m,宽7.6m,净空4m。
二、支架布置采用Φ48、壁厚3.5mm扣件式钢管支架,立杆纵向间距0.8m,横向间距0.6m,步距1.45m。
立杆顶托上设纵向双排Φ48钢管,计算跨距为0.8m,钢管上为5×7cm小方木,计算跨径为0.6m,方木上铺12mm厚竹胶板。
钢管布置横断面示意图注:图示单位尺寸均以计钢管布置纵断面示意图注:图示单位均以计2三、支架检算1. 荷载组合砼自重:q 1=0.8×0.6×0.8×2.6t/m 3³=0.998.t=9.78KN模 板:q 2=0.8×0.6×30kg/㎡=0.14KN人员、机具q 3=0.8×0.6×1.0KN=0.48KN倾倒砼、振捣砼产生的荷载q 4=0.8×0.6×4KN=1.92KN2. 单肢立杆轴向力N=1.2(q 1+ q 2)+1.4(q 2+ q 4)=1.2×(9.78+0.14)+1.4×(0.48+1.92)=15.264KN <【N 】=27.2KN ,满足要求3. 支架立杆稳定性检算Φ48mm 、壁厚 3.5mm 钢管截面面积A=489mm 2,回转半径i=1/4d 122d +=1/4414822+=15.8mm 长细比L/i=1800/15.8=114,查《建筑施工扣件式钢管脚手架安全技术规范》(JGJ130-2001)得钢管轴心受压构件稳定系数φ=0.489,立杆承受应力为:N/ΦA=11500÷0.489÷489=48.1MPa <【σ】=205MPa 满足要求。
4. 顶托上双排钢管检算采用Φ48mm ,δ=3.5mm 钢管惯性矩I=121900mm 4,截面模量W=5080 mm 3支架受力16.46N/㎡,q=16.46×0.6=9.876KN/m按简支梁计算,简图如下:q=(KN/m)M=1/8ql2=0.125×9.876×0.82=0.79KN*m按强度计算:σ=M/W=790000÷2÷5080=77.756MPa<【σ】=205MPa 满足要求。
一、主要材料及计算参数1.1支架立杆:ф48×t:3.2mm Q345A fc =300N/mm2 E=2.06×105N/mm2截面积A=450mm2惯性距I=11.36cm4抵抗距W=4.73 cm4回转半径i=15.9mm每米长自重G=5.3kg1.2木材容许应力及弹性模量按中华人民共和国交通部标准《公路桥涵钢结构及木结构设计规范》(JTJ025-86)标准。
落叶松,容重:γ=8.33KN/m3,顺纹弯应力[σw]=12MPa,弹性模量E=11×103MPa1.3竹胶板容许应力及弹性模量容重:γ=8KN/m3,弯应力:[σw]=35MPa,弹性模量:弹性模量E=12.0×103Mpa。
二、结构计算施工荷载包括:盖板钢筋混凝土自重,梁模板自重,支架自重,方木自重,施工人员及设备重量,砼浇筑及振捣时产生的荷载等。
计算时盖板自重及支架自重均按恒载考虑组合系数1.2,施工荷载按活载考虑组合系数1.4。
C30钢筋混凝土重力密度取25KN/m³。
根据本盖板涵的结构特点,在施工过程中将涉及到以下荷载形式:①模板及支架自重:a=0.16kN/m2+5.62kN/m2=5.78kN/m2②钢筋混凝土自重:b1=h×γ=0.5×25=12.5kN/m2③方木自重:b3=8.33×0.1=0.833kN/m2④型钢自重b4=2.27/0.048=0.473kN/m2⑤施工人员及机具:c=2.5kN/m2⑥振捣混凝土产生的荷载:d=2.0kN/m2 。
⑦倾倒混凝土时产生的竖向荷载:e=2.0kN/m2 。
2.1脚手架验算1.立杆稳定性计算盖板下部纵向立杆间距90cm,横向立杆间距60cm,步距1.5m布置进行计算:W=1.2×(5.78+12.5+0.833+0.473)+1.4×(2.5+2.0+2.0)=32.6kN/m2脚手架布设为60cm×90cm×150cm每根立杆承荷载为:P=qA=32.6×0.9×0.6=17.6kN根据《建筑施工承插型盘扣件钢管支架安全技术规程》有关模板支架立杆的稳定性计算公式:N/ΦA≤fN—钢管所受的垂直荷载,同前计算所得;f—钢材的抗压强度设计值,f=300MPa参考《建筑施工承插型盘扣件钢管支架安全技术规程》附录C得;A—φ48mm×2.5㎜钢管的截面积,取3.57cm2;Φ—轴心受压杆件的稳定系数,根据长细比λ(λ=l0/i)查表即可求得Φ;i—截面的回转半径;l0—立杆计算长度。
涵洞支架计算书涵洞顶板施工支架设计计算书一(支架设计支架立杆纵向(与线路垂直方向)间距90cm、横向(线路方向)间距90cm,横杆步距全部采用120cm。
支架通过30cm可调顶托和20cm可调底托调整高度,顶托上方纵向布置10×10方木,方木上方再布置横向10×10cm方木,间距45cm。
底托直接坐立于C20砼表面。
扫地杆距地面高度为20cm。
二.计算依据1.《钢结构设计规范》GB50017-20032.《建筑施工模板安全技术规范》JGJ162-20083.《建筑施工碗扣式脚手架安全技术规范》JGJ166-2008三(计算参数1.Q235钢材抗拉、抗压、抗弯强度设计值f=215MPa,抗剪强度设计值fv=125MPa,弹性模量E=206GPa。
2.WDJ碗扣脚手架横杆步距为1.2m时,每根立杆设计荷载为40KN。
立杆每米重量取60N,HG-60横杆每根重量29N。
3.木材容重:6kN/m3,抗弯强度设计值f=11MPa,顺纹抗剪强度设计值fv=1.3MPa,弹性模量E=7GPa。
4.2cm厚度竹胶板重量:20 Kg/m25.钢筋混凝土容重:26kN/m36.施工人员及施工设备荷载标准值:2.5kN/m27.振捣混凝土时产生的荷载标准值:2kN/m28.倾倒混凝土时产生的荷载标准值:2kN/m29.荷载分项系数:不变荷载1.2,可变荷载1.4。
计算时偏于安全的将所有不变荷载和可变荷载全部叠加组合。
五(荷载标准值计算:偏于安全考虑,取本区段尺寸最大涵洞进行设计,涵洞顶板宽度6m,厚度为45cm。
顶板区域荷载标准值计算21.方木重量G=0.1×6=0.6KN/m 122.竹胶板重量G=0.2KN/m 22.支架重量:G=3kN/m 3324.钢筋混凝土重量:G=0.45×26=11.7kN/m 4纵向分配木板间距为立杆横向间距,为90cm。
六(计算底模下横向10×10方木分配梁横向分配梁为10×10方木,间距为45cm。
箱涵模板支架计算书一、方案选择1、通道涵施工顺序通道涵分三次浇筑,第一次浇至底板内壁以上500mm,第二次浇至顶板以下500mm,第三次浇筑剩余部分。
2、支模架选择经过分析,本通道涵施工决定采用满堂式模板支架,采用扣件式钢筋脚手架搭设。
顶板底模选用18㎜厚九层胶合板,次楞木为50×100,间距为300㎜,搁置在水平钢管ø48×3.5上,水平钢管通过直角扣件把力传给立柱ø48×3.5,立柱纵、横向间距均为500×500㎜,步距1.8m。
侧壁底模为18㎜九层胶合板,次楞木50×100,间距为200㎜,主楞采用ø48×3.5钢管,间距为400mm。
螺栓采用ø12,间距400mm。
满堂支架图如下:具体计算如下。
二、顶板底模计算顶板底模采用18mm厚胶合板,木楞采用50×100mm,间距为300mm。
按三跨连续梁计算1.荷载钢筋砼板自重:0.6×25×1.2=18KN/㎡(标准值17.85KN/㎡)模板重:0.3×1.2=0.36KN/㎡(标准值0.30 KN/㎡)人与设备荷载:2.5×1.4=3.50KN/㎡合计:q=21.9KN/㎡2.强度计算弯矩:M==0.1×21.9×0.32=0.197KN·mq: 均布荷载l:次楞木间距弯曲应力:f ==(0.197×106)/(×1000×182)=3.64 N/mm2M: 弯矩W: 模板的净截面抵抗矩,对矩截面为bh2b: 模板截面宽度,取1mh: 模板截面高度,为18mm因此f<13.0 N/mm2 ,符合要求。
3.挠度计算W==(0.677×(17.85+0.3)×3004)/(100×9.5×103×1000×183/12) <=0.216㎜<300/400=0.75㎜,符合要求.q:均布荷载标准值E: 模板弹性模量,取9.5×103I:模板的截面惯性矩,取三、顶板下楞计算楞木采用50×100mm,间距为300,支承楞木、立柱采用ø48×3.5钢管,立柱间距为500mm。
箱涵满堂支架计算一、工程概况:本项目线路东西两侧穿越规划路有两段箱涵,箱涵长为31米,宽度为4.5米,高为5.4米,箱涵墙身厚为0.5米,底板厚0.5米。
混凝土采用C35混凝土。
施工时分两段明挖现浇施工,先施工底板,墙身与顶板一块浇筑。
顶板浇注时采用搭设满堂支架施工。
二、支架结构箱涵顶板浇注采用满堂支架法施工,满堂支架采用φ48×3.2mm 的钢管,纵横向间距采用90cm,步距为1米。
顶端设置可以调节的顶托,下面设置垫块,防止应力集中。
钢管顶托焊接10[a槽钢,槽钢开口向上,在槽钢上布置φ48×3.2mm的钢管,长度为3.1m,在该横向钢管上设置间距60cm长度4.4m的φ48×3.2mm钢管,第二层钢管上平铺1.2×1.5米的钢模板,钢模板面板厚度为5mm。
三、荷载计算1、箱涵混凝土容重按照26KN/m3计算。
混凝土总重为0.5×3.5×31÷2×26=705.25KN。
单位面积荷载为26×0.5=13KN/m2。
2、模板自重:钢板自重为174kg, 单位面积荷载为174÷1.5÷1.2÷100=0.97KN/m2。
3、施工荷载按2KN/㎡计算。
4、混凝土振捣荷载按2KN/㎡计算。
5、倾倒混凝土产生的荷载按5KN/㎡计算。
6、恒载分项系数1.2,活载分项系数1.4。
四、受力计算箱涵支架受力按照均布荷载计算:恒载分项系数1.2,活载分项系数1.4。
Q=1.2×(13+0.97)+1.4×(2+2+5)=29.36KN/m 2。
1、钢模板受力计算钢模板支撑在间距为60cm 的钢管上,受力按照连续梁考虑,计算简图如下:内力图如下:x弯矩图x-5.54剪力图内力计算: 根据结构力学求解器求得,最大弯矩M=1.12KN.m最大剪力V=10.67KN钢模板受力通过面板后面的[8承受,其[8的截面抵抗矩W=25.3c m 3, σ=M/W=1.12×106/(25.3×103)=44.3MPa<[σ0]=235 MPa 满足要求。
满堂支撑架计算书一、工程概况S343改建工程A4标段工程,K59+019钢筋混凝土箱涵为排水涵,总长28.4m,分左右两孔,单孔断面尺寸为4m×3m,底板、涵身、顶板厚均为45cm,采用C30混凝土浇筑。
断面尺寸详见下图1。
注:图中标注均以cm计;图1 K59+019钢筋混凝土箱涵断面尺寸二、顶板支撑架方案综述顶板支撑架拟采用满堂支撑架,钢管采用,48×3.5mm(Q35A),步距为120cm,横距为80cm,纵距为100cm。
模板采用15mm厚木胶合板,模板支撑主梁采用10cm×10cm方木,间距80cm(无悬挑),次梁采用10cm×5cm方木,间距30cm(最大悬挑40cm)。
剪刀撑按普通型设置具体布置如下图2所示:注:图中标注均以cm计;图2-1 断面尺寸图注:图中标注均以cm计;图2-2 立面布置图三、计算依据1、《建筑施工模板安全技术规范》JGJ162-20082、《混凝土结构设计规范》GB50010-20103、《建筑结构荷载规范》GB 50009-20124、《钢结构设计规范》GB 500 17-2003四、荷载施工人员及设备荷载标准值根据《建筑施工模板安全技术规范》页15取值,模板及其支架自重标准值按《建筑施工模板安全技术规范》页14取值,其中模板支拆均不考虑风荷载。
具体取值详见表1表1 荷载标准值取值表五、面板验算按《建筑施工模板安全技术规范》表A.5.2取面板抗弯强度设计值为12MPa,弹性模量为4200MPa。
根据《建筑施工模板安全技术规范》5.2.1“面板可按简支跨计算”的规定,另据实楼板面板搁置在梁侧模板上,因此按简支梁计算,取1m 单位宽度计算。
计算简图如下:截面抵抗距W=bh2/6=1000×15×15/6=37500mm3,截面惯性矩I=bh3/12=1000×15×15×15/12=281250mm41、强度验算q1=0.9max[1.2(G1k+ (G3k+G2k)×h)+1.4Q1k,1.35(G1k+ (G3k+G2k)×h)+1.4×0.7Q1k]×b=0.9max[1.2×(0.1+(1.1+24)×0.45)+1.4×2.5,1.35×(0.1+(1.1+24)×0.45)+1.4×0.7×2.5] ×1=16.05kN/mq2=0.9×1.35×G1K×b=0.9×1.35×0.1×1=0.122kN/mp=0.9×1.4×0.7×Q1K=0.9×1.4×0.7×2.5=2.205kNM max=max[q1l2/8,q2l2/8+pl/4]=max[16.05×0.32/8,0.122×0.32/8+2.205×0.3/4]= 0.181kN·m最大应力:σ=M max/W=0.181×106/37500=4.815N/mm2≤[f]=12N/mm2满足要求!2、挠度验算取面板自重标准值为0.1KN/m2;最大自重下均布荷载:q=(G1k+(G3k+G2k)×h)×b=(0.1+(1.1+24)×0.45)×1=11.395kN/m挠度:ν=5ql4/(384EI)=5×11.395×3004/(384×4200×281250)=1.017mm≤[ν]=l/250=300/250=1.2mm满足要求!六、小梁验算按《建筑施工模板安全技术规范》附录表A.3.1-3取小梁抗弯强度设计值为11MPa,抗剪强度设计值为1.8MPa,弹性模量为9000MPa。
涵洞支架计算书本计算以K17+104涵洞为例,该涵洞为2*2m盖板,板厚0.35米,按板宽6米一段分仓浇注,支架采用¢48mm×3.5mm钢管,支架从上至下依次采用竹胶板(厚1.8cm)+横向方木(5×10cm,间距25cm)+纵向方木(10×16cm,间距120cm)+钢管支架(纵向间距80cm×横向间距60cm,步距小横杆1.2米,大横杆1.5米,顶层横杆采用双扣件抗滑)进行支架验算。
(1)小横杆计算钢管立柱纵向间距0.8米,横向间距0.6米,因此小横杆的计算跨径l1 =0.6米,顺桥向单位长度内混凝土自重: g1=dy=0.35×26=9.1 kN/m2模板重自重:g2=2kN/m2支架、横木自重:g3=3kN/m2倾倒混凝土和振捣混凝土产生的荷载均按2.0 kN/m2横向作用在小横杆上的均布荷载为:g=g1+g2+g3+2.0×2×0.6=9.1+2+3+2.4=16.5 kN/m弯曲强度:σ=gl2/10W=(16.5×2002)/(10×5.078×103) =12.997Mpa<「σ」215Mpa(钢材强度极限值),满足要求。
抗弯强度:f=q l14/150EI=(16.5×2004)/(150×2.1×105×1.215×105)=0.007mm<3mm(容许挠度值),满足要求。
(2)大横杆计算立杆纵向间距0.8米,因此大横杆的计算跨径l2=0.8m。
按三仓连续进行计算,由小横杆传递的集中力F=16.5×0.5=8.25kN/m Mmax=0.267Fl2=0.267×8.25×0.8=1.762kN·m弯曲强度:σ=Mmax/W=(1.762×106)/(5.078×103)=346.987Mpa>215Mpa。
涵洞模板支架计算(一)、箱涵侧模板承受水平推力1、新浇混凝土对箱涵侧模板的最大水平压力计算(1)箱涵最大浇筑高度:3+0.34-0.5=2.84m(2)箱涵每段第二次浇筑工程量(混凝土):(4.14×0.34+2.5×0.32×2+0.052×2)×24=53.1m3(3)箱涵采用商品混凝土浇筑,其浇筑能力20m3/h,考虑53.1÷20≈3h浇筑完成。
故浇筑速度:2.84÷3=0.9m/h(4)由于在冬季施工,地区按5℃气温考虑。
(5)新浇混凝土对箱涵侧模板的最大水平压力根据《路桥施工计算手册》当混凝土浇筑速度在6m/h以下时作用于侧面模板的最大压力P m按下式计算:P1=K×γ×h当v/T≤0.035时:h=0.22+24.9v/T当v/T >0.035时:h=1.53+3.8v/T式中:P 1—新浇混凝土对侧面模板的最大压力,kPa ; h —有效压头高度,m ;T —混凝土入模时的温度,℃m ;K —外加剂影响修正系数,不加时,K =1;掺缓凝外加剂时,K =1.2 v —混凝土的浇筑速度,m/h ; r —钢筋混凝土容重,取25KN/m 3当0.9/5=0.18>0.035时,新浇混凝土有效压头高度h=1.53+3.8×0.18=2.21(m )故P 1=1.2×25×2.21=66.3kPa2、采用插入式振捣器振捣混凝土,其侧面模板的水平压力取P 2=4.0kPa3、箱涵侧模板承受水平推力P =P 1+P 2=66.3+4=70.3kPa (二)墙体模板计算墙体外模板均采用1.2×2.4m 竹胶板,横向、竖向肋板采用10×10cm 方木,墙体两侧模板采用对拉杆固定。
1.横向肋板间距计算:根据《路桥施工计算手册》当墙侧采用木模板时支撑在楞上一般按三跨连续梁计算,按强度和刚度要求确定:取1m 宽的模板,则作用于模板上的线荷载: q=70.3×1=70.3KN/m①按强度要求时的横肋间距:式中:l —横肋间距,mmh —竹胶板厚度,20mm ; b —侧板宽度,取1000mm ; q —作用在模板上的侧压力,N/mm ; ②按刚度要求时的横肋间距:mmq b h l 3513.7010002065.465.4=⨯⨯==取两者式中:l —横肋间距,mmh —竹胶板厚度,20mm ; b —侧板宽度,取1000mm ;q —作用在模板上的侧压力,N/mm ; 两者取较小值,l=323mm ,用320mm 。
箱涵支架计算书集团文件发布号:(9816-UATWW-MWUB-WUNN-INNUL-DQQTY-龙口至青岛公路莱西至城阳段第二合同段箱涵支架设计计算书编号:版本号:发放编号:编制:复核:审核:批准:有效状态:生效日期:中铁四局集团有限公司龙青高速土建二标段项目经理部涵洞支架设计计算书一、支架设计我标段内涵洞支架均采用φ48×3.5mm的钢管进行搭设,支架从上至下依次为1.5~2cm的竹胶板+横向方木(10×10cm,间距45cm)+纵向方木(10×10cm,间距80cm)+钢管支架(纵向间距80cm×横向间距80cm),大小横杆步距均取1.2m,顶层横杆采取双扣件滑移。
底托直接坐立于C25涵洞底板混凝土上,扫地杆距地高度为20cm。
二、、计算依据1、《钢结构设计规范》GB50017-20032、《建筑施工模板安全技术规范》JGJ162-20083、《建筑施工碗扣式脚手架安全技术规范》JGJ166-2008 三三、计算参数1、Q235钢材抗拉、抗压、抗弯强度设计值215MPa,抗剪强度设计值fv=125MPa,弹性模量E=206GPa。
2、脚手架布距1.2m时,单根立杆设计荷载40KPa,立杆延米重取60KN/m,HG-60横杆每根重29N。
3、木材容重:6KN/m3,抗弯强度设计值11MPa,顺纹抗剪强度设计值fv=1.3MPa,弹性模量E=7GPa。
4、2cm竹胶板重:20kg/m25、钢筋混凝土容重:26kN/m36、施工人员及设备荷载标准值:2.5kN/m27、振捣混凝土荷载标准值:2.0kN/m28、倾倒混凝土产生荷载标准值:2.0kN/m29、荷载分项系数:恒载1.2,活载1.4,为偏于安全,计算时将所有荷载按恒载和活载进行叠加组合。
四、荷载标准值计算计算模型取我标段内标准涵节跨径6m×6m,厚度0.6m的顶板进行验算。
盖板区内荷载标准值计算:1、方木重量G1=0.1×6=0.6kN/m22、竹胶板重量G2=0.2kN/m23、支架重量G3=3kN/m24、钢筋砼自重G4=0.6*26=15.6 kN/m2 荷载总重:0.6+0.2+3+15.6=19.4 kN/m2五、横向方木分配梁验算参数计算:I= bh3/12=0.1×0.13/12=8.33×10-6m4W= bh2/6=0.1×0.12/6=1.67×10-4m3横向方木为10×10cm,间距45cm。
钢筋砼框架箱涵模板及支撑计算书以管段内DK55+164.52 1-6.0×5.3m 钢筋砼框架箱涵为例进行模板及支撑系统设计。
1.荷载计算1.1竖向荷载(1)模板及支架自身的重力模板及支架自重按1kN/m 2计。
(2)钢筋砼自重钢筋砼自重按25×1.5kN/m 3×0.5m=18.75 kN/m 2计。
(3)施工人员及机具设备的重力施工人员及机具设备的重力按1 kN/m 2计。
1.2水平荷载(1)新浇砼作用于模板的最大侧压力采用插入式振捣棒时,新浇筑混凝土对模板的侧压力按下列二式进行计算,并取二式中的较小值:2121022.0V t r F c ββ=H r F c = 式中F ------ 新浇筑混凝土对模板的侧压力(kN/m 2);c r ------ 混凝土的重力密度(kN/m 3),取c r =25 kN/m 3;0t ------ 新浇筑混凝土的初凝时间(h ),)15(2000+=T t ,取T=25,0t =5h ; V ------ 混凝土浇筑速度(m/h ),取V =1.0 m/h ; H ------ 混凝土侧压力计算位置处至新浇混凝土顶面的总高度(m ),取H =5.6m 。
1β------ 外加剂影响修正系数;取1β=1.2。
2β------ 混凝土坍落度影响修正系数,取2β=1.15。
2121022.0V t r F c ββ==0.22×25×5×1.2×1.15×1=37.95kN/m 2H r F c ==25×5.6=140 kN/m 2取以上二式中的较小值,F =37.95kN/m 2。
(2)倾倒砼时因冲击产生的荷载倾倒砼时因冲击产生的水平荷载按2.0 kN/m 2计。
1.3荷载组合(1)荷载分项系数模板及支架自重荷载分项系数i γ=1.2;钢筋砼自重荷载分项系数i γ=1.2;施工人员及机具设备荷载分项系数i γ=1.4;新浇筑砼对模板侧面的荷载分项系数i γ=1.2;倾倒砼时产生的荷载分项系数i γ=1.4;(2)竖向荷载组合计算承载能力时荷载组合:1×1.2+18.75×1.2+1×1.4=25.1 kN/m 2。
箱涵满堂支架计算一、工程概况:本项目线路东西两侧穿越规划路有两段箱涵,箱涵长为31米,宽度为4.5米,高为5.4米,箱涵墙身厚为0.5米,底板厚0.5米。
混凝土采用C35混凝土。
施工时分两段明挖现浇施工,先施工底板,墙身与顶板一块浇筑。
顶板浇注时采用搭设满堂支架施工。
二、支架结构箱涵顶板浇注采用满堂支架法施工,满堂支架采用φ48×3.2mm 的钢管,纵横向间距采用90cm,步距为1米。
顶端设置可以调节的顶托,下面设置垫块,防止应力集中。
钢管顶托焊接10[a槽钢,槽钢开口向上,在槽钢上布置φ48×的钢管,长度为,在该横向钢管上设置间距60cm长度的φ48×钢管,第二层钢管上平铺×米的钢模板,钢模板面板厚度为5mm。
三、荷载计算1、箱涵混凝土容重按照26KN/m3计算。
混凝土总重为××31÷2×26=。
单位面积荷载为26×=13KN/m2。
2、模板自重:钢板自重为174kg, 单位面积荷载为174÷÷÷100=m2。
3、施工荷载按2KN/㎡计算。
4、混凝土振捣荷载按2KN/㎡计算。
5、倾倒混凝土产生的荷载按5KN/㎡计算。
6、恒载分项系数,活载分项系数。
四、受力计算箱涵支架受力按照均布荷载计算:恒载分项系数,活载分项系数。
Q=×(13++×(2+2+5)=m 2。
1、钢模板受力计算钢模板支撑在间距为60cm 的钢管上,受力按照连续梁考虑,计算简图如下:内力图如下:x 123456( 1 )( 2 )( 3 )( 4 )( 5 )( 6 )-1.12-1.12-0.820.35-0.82-0.900.46-0.90-0.870.44-0.87-0.900.44-0.900.52弯矩图 x123456( 1 )( 2 )( 3 )( 4 )( 5 )( 6 )6.959.31-8.318.67-8.948.85-8.768.76-8.869.14剪力图内力计算: 根据结构力学求解器求得,最大弯矩M=最大剪力V=钢模板受力通过面板后面的[8承受,其[8的截面抵抗矩W=, σ=M/W=×106/×103)=<[σ0]=235 MPa满足要求。
箱涵模板支架计算书一、计算依据1、重庆保税区一期基础设施项目——空港功能区道理及综合管网工程设计文件;2、重庆保税区一期基础设施项目——空港功能区道路及综合管网工程设计涵洞(K0+000~K0+310)施工方案;3、《公路桥涵施工技术规范》(JTJ041-2000)、《路桥施工技术手册》;4、我国现行的有关设计、施工规范的有关规定和安全法规。
二、计算说明1、K0+000~K0+310段涵洞,其流水断面尺寸为3.5×3.5m,钢筋混凝土断面(顶、底板及墙身)厚度有三种规格,分别为50cm,55cm,70cm。
本计算采用最大断面计算。
2、根据施工方案,在一个流水段内,结构分垫层、底板(带60cm高墙体)、墙体顶板三次完成。
3、箱涵墙体外模板采用1.5×1.5m大型组合钢模板,内模板及顶模采用厚14mm胶合板。
墙体侧模背5×10cm木枋,外模背钢管作为大小楞并设拉杆。
内支架采用碗扣搭设支承顶板荷载,设顶底托抄两层分配枋(管)。
4、模板、支架属于临时结构,其强度设计计算按容许应力法计算。
三、箱涵侧模板系统计算(一)、箱涵侧模板承受水平推力1、新浇混凝土对箱涵侧模板的最大水平压力计算(1)箱涵最大浇筑高度:3.5+0.7-0.6=3.6(m)(2)箱涵每段第二次浇筑工程量(混凝土):{(4.9+2.9×2)×0.7+0.25×0.25}×9.1=70.8(m3)(3)箱涵采用商品混凝土浇筑,其浇筑能力25m3/h,考虑70.8÷25≈3(h)浇筑完成。
故浇筑速度:3.6÷3=1.2(m/h)(4)由于在夏季施工,重庆地区按30℃气温考虑。
(5)新浇混凝土对箱涵侧模板的最大水平压力P1按P=K1K2rh公式计算(路桥施工计算手册)式中:K1——外加剂影响系数,取1.2K2——混凝土拌合物的稠度影响系数,取K2=1.25r——钢筋混凝土容重,取26KN/m3当 1.2/30=0.04>0.035时,新浇混凝土有效压头高度h=1.53+3.8×0.04=1.68(m)故P1=1.2×26×1.68=52.42(KN/㎡)2、采用插入式振捣器振捣混凝土,其侧面模板的水平压力取P2=4.0KN/㎡3、箱涵侧模板承受水平推力P=P1+P2=56.42KN/㎡(二)墙体模板计算1、墙体外模采用1.5×1.5m大型组合钢模,模板之间连接采用U形卡或螺栓连接,竖向按间距0.75m设置双φ48×3钢管,其模板跨径在600~1050mm 之间,水平双普通钢管作支承加固。
箱涵支架计算书
WTD standardization office【WTD 5AB- WTDK 08- WTD 2C】
龙口至青岛公路莱西至城阳段
第二合同段
箱涵支架设计计算书
编号:
版本号:
发放编号:
编制:
复核:
审核:
批准:
有效状态:
生效日期:
中铁四局集团有限公司
龙青高速土建二标段项目经理部
涵洞支架设计计算书
一、支架设计
我标段内涵洞支架均采用φ48×的钢管进行搭设,支架从上至下依次为~2cm的竹胶板+横向方木(10×10cm,间距45cm)+纵向方木(10×10cm,间距80cm)+钢管支架(纵向间距80cm×横向间距80cm),大小横杆步距均取,顶层横杆采取双扣件滑移。
底托直接坐立于C25涵洞底板混凝土上,扫地杆距地高度为20cm。
二、、计算依据
1、《钢结构设计规范》GB50017-2003
2、《建筑施工模板安全技术规范》JGJ162-2008
3、《建筑施工碗扣式脚手架安全技术规范》JGJ166-2008 三
三、计算参数
1、Q235钢材抗拉、抗压、抗弯强度设计值215MPa,抗剪强度设计值fv=125MPa,弹性模量E=206GPa。
2、脚手架布距时,单根立杆设计荷载40KPa,立杆延米重取60KN/m,HG-60横杆每根重29N。
3、木材容重:6KN/m3,抗弯强度设计值11MPa,顺纹抗剪强度设计值fv=,弹性模量E=7GPa。
4、2cm竹胶板重:20kg/m2
5、钢筋混凝土容重:26kN/m3
6、施工人员及设备荷载标准值:m2
7、振捣混凝土荷载标准值:m2
8、倾倒混凝土产生荷载标准值:m2
9、荷载分项系数:恒载,活载,为偏于安全,计算时将所有荷载按恒载和活载进行叠加组合。
四、荷载标准值计算
计算模型取我标段内标准涵节跨径6m×6m,厚度的顶板进行验算。
盖板区内荷载标准值计算:
1、方木重量G1=×6=m2
2、竹胶板重量G2=m2
3、支架重量G3=3kN/m2
4、钢筋砼自重G4=*26= kN/m2 荷载总重:++3+= kN/m2
五、横向方木分配梁验算
参数计算:I= bh3/12=×12=×10-6m4
W= bh2/6=×6=×10-4m3
横向方木为10×10cm,间距45cm。
恒载:×[×(++)]=m
活载:×[×(+2+2)]=m
荷载q=+= kN/m
为计算偏于安全,计算取单跨简支梁模型进行验算,跨度。
M中=ql2/8=×1000××8=
σ=M/W=×10-4=<11×=(露天环境强度进行折减,抗弯强度满足设计要求。
最大剪力V=ql/2=×2=
剪应力τ=3V/(2bh)=3××1000/(2×100×100)=<×=(露天环境强度进行折减,抗剪强度满足设计要求。
挠度f=5ql4/(385EI)=5×12960××1000/(385×7×××10-6)=<l/400=800/400=2mm(露天环境强度进行折减,挠度满足设计要求。
六、纵向方木分配梁验算
纵向方木分配梁为10×10cm方木,间距同立杆间距。
参数
计算:I= bh3/12=×12=×10-6m4
W= bh2/6=×6=×10-4m3
恒载:×[×(++)]=m
活载:×[×(+2+2)]=m
荷载q=+= kN/m PPP
为计算偏于安全,计算取单跨简支梁模型进行验算,跨度。
P=ql2/3=××3=
Mmax=Pl/4=×1000×4=
σ=M/W=×10-4=<11×=(露天环境强度进行折减,抗弯强度满足设计要求
最大剪力V=P/2=
剪应力τ=3V/(2bh)=3××1000/(2×100×100)=<×=(露天环境强度进行折减,抗剪强度满足设计要求。
挠度f=Pl3/(48EI)=××1000/(48×7×××10-
6)=<l/400=800/400=2mm(露天环境强度进行折减,挠度满足设计要求。
七、底模下立杆强度验算
立杆纵横向间距均为80cm,每根立杆自重(5×60+5/×29×2)/1000= kN
每根立杆承受恒荷载为模板及方木重:××(++3)= kN
每根立杆承受恒荷载砼重量:××= kN
恒载:×(++)= kN
活载:×[××(+2+2)]= 每根立杆承受的荷载总计
+=<40kN,立杆强度满足设计要求。
八、立杆稳定性验算
立杆承受由纵向方木传递来的荷载,因此N=×= kN,由于纵横杆布距均为,长细比λ=L/i=1200/=,得φ= 。
[N]= φA[σ]=×489×215=>N=,满足设计要求。