箱梁模板施工技术交底.上课讲义
- 格式:doc
- 大小:22.00 KB
- 文档页数:10
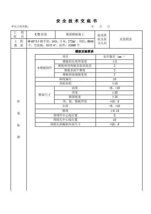
安全技术交底书单位工程名称:年月日工程项目C/D匝道箱梁模板施工接受班组及有关人员见签到表工程数量Φ48*3.5脚手管:141t、方木:272m³、顶托:6048个、竹胶板:8155㎡、扣件:32868个质量标准模板安装要求项目允许偏差(mm )木模板制作模板的长度和宽度±5模板相邻两板表面高低差 2模板表面平整度 2模板拼接缝隙宽度 2轴线偏位10顶面高程±10断面尺寸高度+5,-10顶宽±30箱梁底宽±20顶、底、腹板厚度+10,0长度+5,-10横坡±0.15 预埋件中心线位置 3预留孔中心线位置10 预留孔洞截面内部尺寸+10,0施工程序及施工方法一、工程概况C匝道桥全长204.77m,最大纵坡为7.3%;D匝道桥全长206.77m,最大纵坡为5%,横坡均为1.5%,弯道处超高渐变为4%,桥面宽9.3m。
C、D匝道桥上部结构各分两联,C匝道第一联和D匝道第二联采用36.22+36.9×2+35.75=145.77m预应力混凝土连续箱梁,梁高2.0m,为直腹式单箱单室截面,箱梁顶板厚25cm,底板厚20cm,腹板厚50cm,端横梁和中横梁两侧各9.0m范围内,顶底板、腹板须加厚,其值为:顶板由25cm渐变为45cm,底板由20cm渐变为40cm,腹板由50cm渐变为75cm;C匝道第二联和D匝道第一联采用3×18=54m普通钢筋混凝土连续箱梁,梁高1.4m,也为直腹式单箱单室截面,主梁箱梁顶、底板厚25cm,腹板厚50cm,端横梁和中横梁两侧各3.0m 范围内,顶底板、腹板须加厚,其值为:顶、底板由25cm渐变为45cm,腹板由50cm 渐变为75cm。
二、模板总体设计箱梁模板分为底模、侧模、翼模、内模及端模,模板均由竹胶板和方木组合而成,底模铺设与I12.6分配梁上,侧模及端模安装于底模之上并用对拉杆固定,翼缘模板及箱室顶板内模采用扣件式脚手架支撑,模板总体布置如图1。
箱梁施工技术交底一、钢筋施工:1、钢筋加工、运输(1)钢筋去污、调直钢筋表面有油渍、漆污和用锤敲击时能剥落的浮皮、铁锈等应在加工前清除干净。
清除主要采用人工进行,用钢丝刷刷除铁锈等污垢。
对于锈蚀严重损伤的钢筋,应降级使用。
对于粗钢筋局部弯折可用自行加工的“F”形矫正工具矫正,对于细钢筋或弯曲的粗钢筋可用卷扬机进行调直。
(2)钢筋下料根据箱梁钢筋设计图,箱梁钢筋在钢筋切断机下料,下料时钢筋钢筋和切断机刀口要成垂线,并严格执行操作规程,确保安全。
(3)钢筋弯曲成型根据箱梁钢筋图,用石笔在预备弯钩位置划出,然后在钢筋弯曲机加工成型。
(4)钢筋接长根据下料实际情况,可以将短节钢筋接长使用。
箱梁钢筋采用直螺纹、搭接焊形式接长。
焊接和直螺纹接头按照要求进行抽检,经检验合格方可使用。
(5)成型钢筋堆放钢筋加工完成后,按照设计图纸的尺寸和规格分类堆放钢筋,钢筋下面垫设枕木,设置标识牌,避免出现钢筋混用,并采取措施避免钢筋长时间日晒雨淋锈蚀和遭受污染。
(6)钢筋运输加工好的钢筋堆放整齐,前场需要时用吊车分类吊放入运输车,运输到施工现场;对于少量、小件钢筋人工上车或人工拿到施工现场。
在车间加工好的钢筋用汽车运至现场,用吊车吊至箱梁上。
在运输过程中注意钢筋的固定,防止产生较大变形。
2、钢筋绑扎、内模安装和预应力束安装(1)底板底层钢筋绑扎钢筋绑扎前按设计要求做好底板预应钢筋的线性要数的标志方便以后预应力管道布设,先在底板按照设计间距10cm摆放横向钢筋,再在横向钢筋两端和中间各摆放1根纵向钢筋,并在纵向钢筋上按照设计横向钢筋间距用石笔作标识,然后绑扎纵横向钢筋交叉处,绑扎完成后按照纵向5m间距在横向钢筋上标识纵向钢筋间距,摆放纵向钢筋并按照梅花形绑扎,最后50cm×50cm 间距支垫梅花形混凝土垫块,要求纵横向成直线,腹板位置安40cm间距布置垫块。
(2)底板预应力束安装按直线段50cm曲线段15cm间距摆放底板预应力束钢筋定位架,在底板底层钢筋上焊接固定,然后摆放好塑料波纹管,在钢筋定位架上焊接钢筋固定,最后在波纹管内人工穿钢绞线。
箱梁式施工技术交底1. 简介箱梁式施工技术是一种常用的桥梁建设方法。
本文档旨在交底相关技术要点,确保施工过程顺利进行。
2. 施工准备- 梁板材料准备:确认梁板材料的质量和数量满足要求。
- 模板准备:确保模板的安装和定位准确,以便于梁板的浇筑。
- 钢筋安装:按照设计要求进行钢筋的安装,确保其定位正确、数量充足。
- 基础处理:保证桥墩基础的稳固性和平整度。
3. 箱梁制作- 布置钢模:按照设计要求,在地面上布置钢模,确保形状、尺寸准确。
- 钢筋绑扎:根据设计图纸和钢筋加工厂家提供的图纸进行钢筋绑扎。
- 模具安装:将制作好的钢模安装在钢筋框架上,确保精确的位置和安装牢固。
- 混凝土浇筑:在钢模中倒入混凝土,通过合适的振捣措施确保混凝土充分密实。
- 浇筑控制:控制混凝土浇筑的速度和厚度,避免出现过快或过厚的情况。
4. 箱梁安装- 车辆运输:将制作好的箱梁使用适当的车辆运输至施工现场。
- 吊装安装:使用吊具将箱梁吊装至桥墩定位处,确保位置准确、安全稳固。
- 预应力索安装:根据设计要求,安装预应力索,提高箱梁的承载能力。
- 箱梁焊接:在必要的情况下,对箱梁焊接进行检查,确保焊接质量合格。
5. 箱梁施工注意事项- 施工环境:确保施工现场清洁、安全,并采取必要的安全防护措施。
- 施工顺序:按照施工计划和设计要求确定施工顺序,合理组织施工进度。
- 施工质量:严格按照相关施工标准和规范进行施工,确保施工质量达标。
- 工艺记录:做好施工工艺记录,包括工程量、施工时间、质量问题等,以备查验和整改。
以上为箱梁式施工技术交底的要点,请施工人员按照相关要求进行工作,确保施工过程安全、顺利。
箱梁施工安全技术交底一、施工安全措施1、桥梁施工中高处作业必须设置防护措施,并符合JBJ80-91《建筑施工高处作业安全技术规范》的要求。
按照GB2022-05《高处作业分级标准》实行三级管理,由项目经理负责;施工负责人对该工程的高处作业安全技术负责,安全防护措施由负责人组织验收,因工作必须临时拆除或变动安全防护设施时,必须经施工负责人同意,并采取相应可靠措施;2、各工种进行上下立体交叉作业时,不得在同一垂直方向操作;3、脚手架的搭设必须符合安全技术规程的有关规定。
立杆间距、杆件联系、剪刀撑安设要按照相关规定执行,立杆底设垫块并设置安全网、防护栏杆。
并经有关技术人员检验合格之后方可投入使用,脚手架拆除时,下方不得站人;4、塔吊禁止载人,起吊重物时回转走行范围以内不得行人。
起重设备用专职专岗人员操作指挥,对讲机设为专用频道,不得与其它频道混用;5、移动式梯子梯脚底部坚实,上端有固定措施。
立梯工作角度75左右为宜,不得有缺档和垫高使用;6、雨天和冬天进行作业时,必须采取可靠的防滑、防寒和防冻措施。
强风、浓雾等恶劣气候不得从事高处作业。
强风暴雨后,对高处作业设施逐一进行检查,发现有松动、变形、损坏等现象,立即修理完善;7、夜间施工保证具备足够的照明强度,危险区悬挂警示标志,施工人员上桥前集合经安全员教育和检查,任何人员未经过批准,不得擅自进入作业现场;8、严格执行专职安全员日常巡检制,加强进场安全教育,真实及时记录安全日报表,每月进行1次安全生产大检查。
发现问题及时通知整改。
二、预应力工程中的安全措施1、要注意用电安全,在各工序施工之前,所用的机具和支架必须仔细检查,确认无问题方可进行操作;2、张拉工作属高空作业,必须按高空作业要求实施安全措施,事前对脚手架等进行检查,且佩带安全带、设置安全网;3、张拉过程当中千斤顶后方严禁有人站立、穿行,不得堆放重要物品;4、张拉工区应当设置必要的安全标志提醒注意;5、配置对讲机,保证张拉两端及时联系;6、长束整捆穿束时,必须保持两端平衡以免偏载,并要检查穿束架,放束架等是否牢固、安全;7、张拉人员,压浆人员必须穿戴必要的劳保用具;8、张拉后的钢筋管道压浆前严禁碰击,踩踢,压浆时也要避开钢筋端部,以防钢筋突然断裂伤人。
箱梁架设技术交底书1. 引言箱梁是一种常见的支撑结构,经常用于道路、桥梁和建筑物的建设中。
本文档旨在介绍箱梁架设的技术要点和注意事项,以确保施工的安全和质量。
2. 箱梁架设前的准备工作在进行箱梁架设前,需要进行以下准备工作:•准备施工图纸和相关规范文件,确保施工按照技术要求进行。
•检查并确认所有施工设备和工具的完好性和可靠性。
•对施工现场进行清理和平整,确保施工环境安全。
3. 箱梁架设的工序和技术要点3.1 搭设脚手架和安全网在进行箱梁架设前,必须搭设脚手架和安全网,以确保施工人员的安全。
脚手架应牢固稳定,符合相关梁架设的规范要求。
安全网应该覆盖施工区域的所有可能坠落物体的位置。
3.2 安装导轨和调整方位在箱梁架设的过程中,需要先安装好导轨,并调整导轨的方位和高程,确保其与设计要求相符。
导轨应该平整且牢固,以便箱梁安装时的准确对接。
3.3 安装箱梁安装箱梁时,应先将箱梁运送到准确的位置,并进行对接。
在对接过程中,应严格按照设计要求进行调整和校验。
箱梁的安装过程应经过严格的检查和确认,以确保其稳定和牢固。
3.4 进行箱梁的预应力张拉箱梁架设完成后,需要进行预应力张拉,以增加箱梁的承载能力。
预应力张拉的过程应符合相关规范要求,并且应进行严格的监测和检验。
3.5 进行箱梁的防腐处理为了延长箱梁的使用寿命,需要对其进行防腐处理。
防腐处理应按照相关要求进行,确保其具有良好的防腐性能。
4. 施工注意事项在进行箱梁架设时,需要注意以下事项:•施工人员必须穿戴符合安全要求的个人防护装备,如安全帽、安全鞋等。
•架设箱梁的操作应由经过培训和持有相应岗位证书的人员进行。
•架设过程中,应密切关注天气状况,并根据天气情况采取相应的防范措施。
•确保施工现场的秩序和安全,禁止闲人靠近施工区域。
5. 总结本文档介绍了箱梁架设的技术要点和注意事项。
通过严格按照技术要求进行施工,可以确保箱梁架设的安全和质量。
施工人员在进行箱梁架设时,应遵循相关规范和操作要求,确保施工的顺利进行。
中国建筑项目管理表格1.模板施工1.1施工技术参数预制箱梁几何结构:边梁顶板宽度 2.4/2.85m、底部宽1m、顶板厚度0.18m、底板厚度从端部0.25m渐变至0.18m、梁高1.6m (中心高度)。
中梁顶板宽度2.4m、底部宽1m、顶板厚度0.18m、底板厚度从端部0.25m渐变至0.18m、梁高1.6m (中心高度)。
1.2模板安装工艺、质量标准1)侧模采用定型钢模板,由专业生产厂家加工制作。
侧模设计时,按箱梁节间长度设计,分为标准节,异型节(包括边梁两端异型节及中梁两端异型节),在每节与地面支点处设置调平丝杠,并设置横肋和竖向加劲肋。
2)内模采用专业生产厂家制作的定型钢模板。
由于箱梁横隔板处过人洞尺寸较小,为便于拆模,内模采用定型组合钢模组拼,转角和异型部分特制,用U 型钢卡联接,每隔70cm设一道支撑骨架,支撑骨架与钢模间用搭扣螺栓联接。
内模在外面分段组拼成一整体,用龙门吊安装就位,内模底支撑在与梁体同配合比的水泥柱上,侧板用钢筋定位,上侧设压杠以控制其上浮。
为方便底板混凝土施工,内模顶板、底板均预留开口,待底板混凝土浇筑完成后再行 I-. Ik.1 II 模板质量要求 项目 允许偏差钢 模 板 制 作 外形尺寸 长和宽+0, -1 肋高 ±5面板端偏斜 0.5连接配件(螺栓、卡子 等)的孔眼位置 孔中心与板面的间距 ±0.3板端中心与板端的间距+0,-0.5 沿板长、宽方向的孔±0.6 板面局部不平1 板面和板侧挠度±13)端模端模采用5mm 钢板加工制成。
端模的锚垫板(位置要保证准确无误),用螺丝固定在端模上,两端用螺丝调节其变化段的长度。
4)接缝处理恻模拉科封堵。
I 一II底板部的接缝采用对接形式,用3mm的双面胶粘结于底模的侧面上。
级的1.15倍,对于C70〜C80应不低于强度等级值的1.12倍。
(2)所用水胶比(水与胶结料的重量比,后者包括水泥及矿物掺合料的重量)宜控制在0.24〜0.38的范围内。
箱梁施工技术交底一、引言箱梁是在桥梁工程中常见的一种结构形式,其具有结构稳定性好、抗震性能强、施工周期短等优点,因此在工程中得到广泛应用。
本文将重点介绍箱梁施工的关键技术,包括梁体制作、安装等方面的内容。
二、梁体制作1.材料准备箱梁的材料主要包括混凝土、钢筋等,其中混凝土应选择标号合适的水泥、砂、石,按照一定的配合比进行配制。
钢筋应符合设计要求,并按照规范进行保护处理,以免受到腐蚀。
2.模板制作模板是箱梁施工中不可或缺的一部分。
在制作模板时,应首先根据设计要求确定模板的形状和尺寸,然后选择合适的材料进行制作。
在模板的制作过程中,要注意加强模板的支撑和固定,保证其稳定性。
3.施工工艺箱梁的施工工艺主要包括模板安装、钢筋布置、混凝土浇筑等环节。
模板安装时要确保模板的位置准确,梁体的尺寸符合设计要求。
钢筋的布置要按照设计图纸进行,保证梁体的受力性能。
混凝土的浇筑要均匀、连续,避免出现空洞和夹杂物。
4.养护措施完成梁体制作后,应立即进行养护工作,以确保混凝土的强度和耐久性。
通常的养护措施包括覆盖防尘布、喷水保湿等,具体的养护方法应根据施工现场的条件和季节来确定。
三、梁体安装1.梁段运输在梁体安装前,需要将梁段从制作地运送到施工地。
在运输过程中,要采取相应的防护措施,确保梁段的安全。
同时,要注意合理安排运输路线,避免出现拥堵和安全隐患。
2.梁体吊装箱梁的吊装是梁体安装的重要环节。
在进行吊装前,需要对吊杆、吊具等进行检查,确保其完好无损。
吊装作业人员应经过专门培训,具备一定的操作技能。
在吊装过程中,要注意吊点的选择,保证吊杆和吊具的稳定,以免发生意外。
3.梁体定位梁体吊装完成后,要进行定位工作。
通过调整吊装设备和吊杆的位置,使梁体准确地安放在桥墩或支座上。
在进行定位时,要注意避免梁体发生倾斜或摆动,确保安装的稳定性。
4.接缝处理箱梁安装完成后,还需要对梁体的接缝进行处理。
通常采用的方法是在接缝处填充密封胶,以确保梁体的抗渗性能。
新建南京至安庆铁路工程技术交底编号:工程项目新建南京至安庆铁路工程施工合同段NASZ-3标段单位工程名称箱梁模板施工单位中铁十七局集团第三工程有限公司江宁制梁场施工部位模板交底日期2010。
9.25 交底地点工程管理部交底内容:1 .技术要求1。
1侧模与底模间、侧模与端模间用橡胶条密封;防止内模上浮,内模与底模用螺栓连接。
1。
2 考虑预施应力时梁体的弹性压缩及混凝土的徐变,收缩影响,使梁长缩短,制作底模时的跨度应较设计尺寸加长,其加长的长度按设计压缩量考虑。
为减少预施应力产生的拱度,可按二次抛物线沿底模长度方向预设反拱值。
1。
3外侧支撑在刚性基础上,侧模底部用螺旋丝杆固定,上部用工字钢组成的桁架平台拉结,1.4 侧模与侧模间的连接利用螺栓拉结,要确保侧模拼缝平整、严密。
1。
5 通风孔采用预留孔道模具,通风孔间距为2m,距梁底距离为1。
7m。
通风孔与预应力筋相碰时,应适当移动其位置,并保证与预应力筋的保护层大于1倍管道直径。
侧模拼装后接缝处错台不大于1mm。
1.6 模板安装误差:(1模板总长误差: ±10mm(2梁体高度误差:±5mm(检查梁体两端。
(3腹板厚度误差:+10 mm, 0mm。
(4顶宽度误差:+10㎜,0㎜底宽度误差:+5mm, 0mm。
1。
7 为便于拆模及提高表面光洁度,与砼接触表面均涂脱模剂。
2.模板施工工序流程图交底接受人交底人审核人备注:技术交底编号:工程项目新建南京至安庆铁路工程施工合同段 NASZ—3标段单位工程名称箱梁模板施工单位中铁十七局集团第三工程有限公司江宁制梁场施工部位模板交底日期2010。
9.25交底地点工程管理部交底内容:确定梁型底侧模清理、涂刷隔离剂检查支座板、防落梁中心线位置、四支点标高、底模反拱、平整度钢筋整体吊装清理端模安装锚垫板安装端模安装内模托架内模清理整体滑入内模浇筑梁体混凝土梁体养护检查桥面长、宽、中心线偏差检查顶板、底板、腹板厚度、内模反拱内模预拼装截面尺寸检查拆除支座板、防落梁固定螺栓松开内模变截断、整体拆除内模箱内与箱外、表层与芯部、表层与环境温差不大于15℃梁体强度达到60%设计强度+3。
梁板(箱梁)安装分项工程安全、质量技术交底施工单位中铁四局集团第一工程有限公司工程名称G207锡海线偃师洛河大桥危桥改造工程分部工程上部构造预制和安装交底部位箱梁安装日期2013年 3 月29日交底内容一、工程概况:洛河大桥为G207锡海线偃师境内跨洛河的一座大桥。
桥跨布置为21*30m,桥梁全长637.04m,桥梁按90°布设。
大桥上部结构采用30m跨径装配式预应力混凝土先简支后连续箱梁;下部结构墩台采用柱式墩,钻孔灌注桩基础。
本桥采用板式橡胶支座, D160型伸缩缝。
该分项工程共安装30m箱梁21孔,共计126片:其中边跨梁48片(边跨边梁16片、边跨中梁32片);中跨梁78片(中跨边梁26片、中跨中梁52片)。
边跨边梁自重91吨,中跨边梁自重84吨。
二、质量标准:1、箱梁的检查(1)、箱梁架设前由质监单位、建设单位、监理单位、施工单位参加,共同对成品箱梁进行检查和验收,验收合格的箱梁方可安装。
(2)、成品箱梁检查内容:a混凝土梁体及外观质量;b梁体全长、跨度、梁高等外形尺寸;c预埋件位置、板面平整度、清洁度;d吊装孔位置、孔径、垂直度;e混凝土浇注、张拉、管道压浆日期、张拉记录。
(3)、检查测量箱梁的外形尺寸和外观质量应符合箱梁设计图纸的要求。
(4)、吊装和安装箱梁前一定要按照箱体编号进行,以防安装错误或者错乱。
2、允许偏差梁(板)安装实测项目项次检查项目规定值或允许偏差检查方法和频率权值1△支承中心偏位(mm)梁 5尺量:每孔抽查4~6个支座 3板102 倾斜度(%) 1.2 吊垂线:每孔检查3片梁 23 梁(板)顶面纵向高程(mm) +8,-5 水准仪:抽查每孔2片,每片3点 24 相邻梁(板)顶面高差(mm)8 尺量:每相邻梁(板) 1三、吊装方案及工艺:交底内容箱梁架设的总体安排:第四联由2台50T的门式吊机安装(门吊跨第四联安装),其余的由运梁车从梁场运至第四联门吊提升机处,有2台50T门式吊机提升至桥面,放到桥面另一台运梁车上,运梁车喂至120T 架桥机安装。
预制箱梁施工要点培训经过近一个月的预制场建设,我项目部10条台座已全部完成,并按要求铺设台座钢板,30米箱梁钢模已到场,并经过试拼,箱梁预制的各种准备工作均已完成,可进行箱梁预制,现将我项目部预制场建设情况及在箱梁预制过程中的施工要点进行强调,以确保箱梁预制质量。
一、预制场布置及台座设置情况本合同段有20米预制箱梁24片,其余均为30米跨径预应力砼箱梁,共85片。
单幅每跨5片梁,箱梁采用集中预制,跑车运输架桥机架设安装,预制与安装同步进行。
(1)、预制场布置考虑本桥施工场地实际情况,我部箱梁预制采用集中预制,预制场设置在K104+294左侧位置一个废旧蚕场。
预制场设置台座10座,预制场西边预留40m做为钢筋加工场,每排台座横桥向每个台座间净距5m,以利于安装模板。
预制场全长150m,宽40m。
(2)、台座设置1)、台座地基处理2)、台座放样及基础处理箱梁台座基础采用砼基础。
修建前根据施工情况两端部相应扩大提高承载力,然后浇注25号砼,砼中可沿台座纵向铺设一定数量的钢筋。
台座底模采用砼底模,砼浇筑前应设侧模底口拉杆预留孔,底模采用6MM钢板,顶面按设计要求设置1.3厘米预拱。
底模的侧面橡胶管止浆。
预制场要做好排水系统。
箱梁台座基础采用砼基础。
修建前根据我部计划位置进行测量放样,从而保证门吊轨道与箱梁安装的准确性。
因预制箱梁在浇筑前后台座整体受力,而张拉后只有两端部受力,故在两端挖深、加宽以提高地基的承载力。
为使箱梁砼荷载能均匀分部于端部基础上,我部在砼浇筑时在两端设置了钢筋网片,网片采用Φ12钢筋,横向、纵向间距均10cm,长度、宽度与基础相同。
基础砼采用C25砼,在砼浇筑过程中,沿台座轴线方向埋设了2排Φ14连接钢筋,间距50cm,以保证台座基础与台座之间连接紧密。
基础砼浇筑过程中,我部对台座基础两端进行了高程控制,保证台座基础两端水平。
( 3)、台座设置我部台座设置高度为25cm,根据台座中心线及两侧边线,准确焊接[ 5槽钢(用于侧模安装时卡入橡胶皮防止漏浆),并按50cm一道预埋PVC管(用于侧模底脚拉杆预留孔)。
新建南京至安庆铁路工程技术交底编号:工程项目新建南京至安庆铁路工程施工合同段NASZ-3标段单位工程名称箱梁模板施工单位中铁十七局集团第三工程有限公司江宁制梁场施工部位模板交底日期2010.9.25 交底地点工程管理部交底内容:1 .技术要求1.1侧模与底模间、侧模与端模间用橡胶条密封;防止内模上浮,内模与底模用螺栓连接。
1.2 考虑预施应力时梁体的弹性压缩及混凝土的徐变,收缩影响,使梁长缩短,制作底模时的跨度应较设计尺寸加长,其加长的长度按设计压缩量考虑。
为减少预施应力产生的拱度,可按二次抛物线沿底模长度方向预设反拱值。
1.3外侧支撑在刚性基础上,侧模底部用螺旋丝杆固定,上部用工字钢组成的桁架平台拉结,1.4 侧模与侧模间的连接利用螺栓拉结,要确保侧模拼缝平整、严密。
1.5 通风孔采用预留孔道模具,通风孔间距为2m,距梁底距离为1.7m。
通风孔与预应力筋相碰时,应适当移动其位置,并保证与预应力筋的保护层大于1倍管道直径。
侧模拼装后接缝处错台不大于1mm。
1.6 模板安装误差:(1模板总长误差: ±10mm(2梁体高度误差:±5mm(检查梁体两端。
(3腹板厚度误差:+10 mm, 0mm。
(4顶宽度误差:+10㎜,0㎜底宽度误差:+5mm, 0mm。
1.7 为便于拆模及提高表面光洁度,与砼接触表面均涂脱模剂。
2.模板施工工序流程图交底接受人交底人审核人备注:技术交底编号:工程项目新建南京至安庆铁路工程施工合同段 NASZ-3标段单位工程名称箱梁模板施工单位中铁十七局集团第三工程有限公司江宁制梁场施工部位模板交底日期2010.9.25交底地点工程管理部交底内容:确定梁型底侧模清理、涂刷隔离剂检查支座板、防落梁中心线位置、四支点标高、底模反拱、平整度钢筋整体吊装清理端模安装锚垫板安装端模安装内模托架内模清理整体滑入内模浇筑梁体混凝土梁体养护检查桥面长、宽、中心线偏差检查顶板、底板、腹板厚度、内模反拱内模预拼装截面尺寸检查拆除支座板、防落梁固定螺栓松开内模变截断、整体拆除内模箱内与箱外、表层与芯部、表层与环境温差不大于15℃梁体强度达到60%设计强度+3.5Mpa(33.5Mpa拆模通知单拆除端模预/初张拉准备搬移安装支座板、防落梁安装底板泄水孔、侧模通风孔交底接受人交底人审核人备注:技术交底编号:工程项目新建南京至安庆铁路工程施工合同段NASZ-3标段单位工程名称箱梁模板施工单位中铁十七局集团第三工程有限公司江宁制梁场施工部位模板交底日期2010.9.25 交底地点工程管理部3.施工方法:3.1 底模安装3.1.1预制箱梁采用固定钢底模。
底模是分段运输进场的,底模拼接时需要注意保证各段的中心线放在同一直线上。
底模预设反拱,在放置钢筋骨架之前,必须对底模进行调整,使之符合要求。
3.1.2底模板采用分块连接拼装而成,块与块之间采用螺栓连接,严格按照预先设计反拱值进行调整。
32米箱梁底模预设反拱值为19mm,底模板长32.6195m,其中预留了19.5 mm 的压缩量、顶板32.6083m,其中预留8.3 m m的压缩量。
24m箱梁底模预设反拱值为(7~ 6.1mm,底模板长24.6093m,其中预留了9.3mm的压缩量、顶板24.6043m,其中预留4.3mm 的压缩量。
3.1.3底模安装完毕后,各部尺寸的施工误差应符合以下规定:3.1.3.1 底模横梁的挠度不得超过2 mm;3.1.3.2预留反拱应平整匀顺,允许误差不大于±2mm;3.1.3.3水平面高差:端截面(支座位置截面任两点高差不大于1mm;其余断面内任两点高差不大于4mm;3.1.3.4箱型底梁四块支座板对角线误差小于2mm;3.2 侧模安装3.2.1底模横梁上设活动刀口铁,以作外侧模底部支承,每个横梁上均须设活动刀口铁。
横梁上同时设钢楔用以固定外侧模。
交底接受人交底人审核人备注:技术交底编号:工程项目新建南京至安庆铁路工程施工合同段NASZ-3标段单位工程名称箱梁模板施工单位中铁十七局集团第三工程有限公司江宁制梁场2010.5.12 施工部位模板交底日期2010.9.25 交底地点工程管理部交底内容:3.2.2侧模与侧模间的连接利用螺栓拉结,为保证侧模拼缝平整、严密,拼缝处的模板须用刨床刨边。
3.2.3侧模拼装后接缝处错台不大于2mm。
3.2.4模型检查合格后,侧模就可以安装了,通过调整千斤顶(或可调螺杆使侧模绕台座上的铰轴转动,当模型的高度与梁体的设计高度符合后,模型的倾斜角度也与梁体侧面的设计倾角相吻合,两侧的模板与底模密贴后,再用底拉螺栓将侧模与底模连接成一个整体,在模型的外侧根据需要增设相应的支撑杆件,保证模型的整体刚度。
3.3 内模安装3.3.1检查模板连接端面、底部有无碰撞而造成不符合使用要求的缺陷和变形,振动器支架及其模板焊缝是否有开裂破损,均应及时整修合格。
模板面应仔细均匀地刷脱模剂或脱模漆,不得漏刷。
3.3.2钢筋绑扎好整体吊装就位后,开始安装内模。
内模利用液压系统爬入台位,依靠油缸的驱动能使模板张开和收缩,其张开状态的外形尺寸与箱梁的箱内尺寸吻合,其收缩状态小于箱梁端部的内腔,以利于整体内模通过箱梁端部。
为保证腹板厚度,防止灌注混凝土时内模左右移动,将内模与外模(在通风孔处及端模用螺栓联结,内模拼装完毕后检查腹板的厚度,不可因模板偏向一侧而使腹板的厚度改变。
3.3.3保证油缸同步的措施:液压整体内模在扩收过程中,可能会出现油缸不同步而造成扭曲变形而报废,无法修整。
为保证模板运行中不发生倾斜、扭曲等现象,液压系统采用一个电机带4个齿轮泵,分别由管道连至4个油缸,每个泵仅控制一个油缸,依靠定量泵交底接受人交底人审核人备注:技术交底编号:工程项目新建南京至安庆铁路工程施工合同段NASZ-3标段单位工程名称箱梁模板施工单位中铁十七局集团第三工程有限公司江宁制梁场2010.5.12 施工部位模板交底日期2010.9.25 交底地点工程管理部交底内容:油来控制油缸同步。
3.3.5内模安装技术要求3.3.5.1内模的整体拼装尺寸必须保证梁体的外形尺寸,其单件制造误差应满足总体拼装后尺寸误差。
内模拼装成整体后各部尺寸的误差应符合下列规定:3.3.5.2内模全长±10mm,全宽+5,-0mm,全高±5mm;3.3.5.3内模拼缝错台不大于2mm,不平整度用1m长靠尺量测不大于2mm;3.3.5.4内模吊运其吊点在纵向不少于4点,横向不少于2点,吊运平放后不应有变形。
3.3.5.5内模拼装设专用拼装台位。
按骨架外形尺寸设骨架拼装台位。
骨架平放式拼装,在骨架外侧设限位,当骨架调节螺杆顶紧后,骨架外型尺寸得以保证。
骨架拼装成型后用龙门吊将骨架吊至内模拼装台位,内模拼装台位按内模底部尺寸及坡度,在每个骨架下设固定支墩,支墩上设定位装置,以确保内模在拼装过程中其外形尺寸得以保证。
3.3.5.6内模顶部每节预留灌注孔。
3.3.5.7为保证底板厚度,内模两侧底部设钢支墩作衬垫,钢支墩采用Φ32mm钢管制作兼作排水孔用,支撑在内模骨架处。
3.4 端模安装3.4.1先对其进行全面的检查,保证其预留孔偏离设计位置不大于3mm。
3.4.2 端模安装前应先将锚垫板安装在端模上,并核对其规格和位置后紧固。
交底接受人交底人审核人备注:新建南京至安庆铁路工程技术交底编号:工程项目单位工程名称施工单位交底日期新建南京至安庆铁路工程施工合同段箱梁模板中铁十七局集团第三工程有限公司江宁制梁场 NASZ-3 标段施工部位交底地点模板工程管理部2010.9.25 交底内容: 3.4.3 安装端模时先安装下部分,将制孔管穿过相对的端模孔慢慢就位,因管道较多,安装模型时应特别注意不要将制孔管挤弯,否则会造成端部有死弯。
另一方面要注意锚垫板在对位时避免顶撞钢筋骨架,以免引起支座板移位。
3.4.4 当外模,内模,端模安装完后,可以安装上拉杆,利用上拉杆将内模用顶杆顶住,以防灌注混凝土时内模上浮,并利用上拉杆定位吊装孔。
3.4.5 在模型、钢筋骨架安装过程中应同时安装预埋装置,主要包括:支座板、防落梁支架预埋钢板、泄水管固定预埋螺母、接触网支柱(下锚支柱、下锚拉线)的预埋铁座、梁端预埋伸缩缝以及各种成孔装置(腹板的通风孔底板、顶板的泄水孔、顶板的吊装孔以及梁端电缆槽预留孔等)。
4.模板安装允许误差序号 1 2 3 4 5 7 8 9 10 11 12 交底接受人备注:项模板总长底模板宽底模板中心线与理论位置偏差桥面板与底模板中心线偏离设计位置腹板中心线在平面位置上与设计位置偏差模板斜度偏差底模不平整度桥面宽腹板厚度底板厚度顶板厚度交底人目要+5mm,0 ≤2mm ≤10mm ≤10mm ≤3‰ ≤2mm/m ±10mm +10mm,0mm +10mm,0mm+10mm,0mm 审核人求 ±10mm新建南京至安庆铁路工程技术交底编号:工程项目单位工程名称施工单位交底日期新建南京至安庆铁路工程施工合同段箱梁模板中铁十七局集团第三工程有限公司江宁制梁场 NASZ-3 标段施工部位交底地点模板工程管理部2010.9.25 交底内容: 5 模板拆卸 5.1 模板的拆卸按照模型安装的逆向进行,首先松内模、拆除端模,拉、吊移内模、最后修整模板。
因采用 900t 提梁机整体吊梁,侧、底模固定不拆卸,但每片梁施工前应进行线型的检查与模型校正。
5.2 当梁体混凝土强度达到设计要求后,混凝土强度达到设计强度的 60%(33.5Mpa以上,梁体混凝土芯部与表面、箱内与箱外、表层与环境温差均不大于 15℃,且能保证梁体棱角完整时可以松模。
5.3 当混凝土的强度达到设计强度的 80%(43.5Mpa以上时,可以进行混凝土的拆模工作,把端模上的所有紧固螺丝全部拆除,用 40t 龙门吊吊住该端模然后用手拉葫芦使端模与梁体脱离。
施工时不能硬拉硬撬,造成端模变形,下部端模的拆除也要注意上述问题。
如果条件允许,端模的二部分可作为一个整体拆。
端模拆除完成后要放置在开阔的地方进行端模的检查,同时要进行清灰、涂油处理,以便下次进行使用。
5.4 提梁后,应及时清除模板表面和接缝处的灰渣、杂物,并均匀涂刷脱模剂或脱模漆。
底模检查其反拱、全长、跨度及支座平面是否符合安装验收要求,若不能满足时,要重新校正到允许范围内,方可再次投入使用。
同时,还应清点和维修保养、保管好模型零星部件,有缺损及时补充,以备下次使用。
交底接受人备注:交底人审核人新建南京至安庆铁路工程技术交底编号:工程项目单位工程名称施工单位交底日期新建南京至安庆铁路工程施工合同段箱梁模板中铁十七局集团第三工程有限公司江宁制梁场 NASZ-3 标段施工部位交底地点模板工程管理部2010.9.25 交底内容: 6 .安全要求 6.1 进入施工现场必须遵守各项安全生产规章制度,必须戴好安全帽,高空作业人员必须佩带安全带,并做到高挂低用及系牢固。