强制检定计量器具申请表(空白表)
- 格式:doc
- 大小:44.50 KB
- 文档页数:1
强检计量器具检定申请/受理表
统一社会信用代码:联系人员:
单位名称:(盖章)联系电话:
1.申请单位应对照实物如实填写本表的各项内容,并承担相应的法律责任;
2.统一社会信用代码:申请单位需带上法定有效材料的复印件;
3.安装/使用地点:指具体的科室、部门或使用场所;
4.强检代码:强检目录依据《中华人民共和国强制检定的工作计量器具明细目录》,参照附表1填写代码;
5.器具用途:1-贸易结算,2-安全防护,3-医疗卫生,4-环境卫生,5-社会公用计量标准,6-部门或企事业计量标准,其中,5和6需提供计量标准考核证书复印件,并加盖单位公章;
6.强检计量器具不收取检定费;当检定结果不合格时,申请单位可以申请维修服务,但应支付相应材料费和维修费;如果需要现场服务,还需支付相应的交通运输费、检定设备运输费、运输保险费及其它支出的有关费用;
7.“是否受理”、“备注”及“受理意见”由受理人填写;
8.如果不受理,受理人应在备注中进行说明;
9.本表填满后可另外加页填写,本表一式二份,一份交重庆市计量质量检测研究院,一份由申请单位留存。
附件:。
申请单位名称(盖章)地址:
填报日期:2020年05月13 日
申请单位负责
联系人:
联系电话:
强制检定计量器具检定申请表
说明:1、申请单位请对照附件一:《强制检定的工作计量器具强检形式及强检适用范围表》如实填写本表的各项内容,本表填满后可另外附表填写:此表一式三份,两份交计量技术机构,一份由申请单位留存。
2、安装/使用地点:指具体的科室、部门或使用场所;计量器具用途:指①贸易结算②安全防护③医疗卫生④环境监测⑤社会公用计量标准⑥部门或企事业最高计量标准;上次检定日期:指上次经法定计量检定机构检定合格的日期。
3、申请单位需提供上次检定证书复印件,建标单位需提供计量标准考核证书复印件。
附件一:
内江市强制检定计量器具备案、申请检定申报表
□备案□申请检定单位名称:(盖章)四川德福投资集团威远县新三强矿业有限公司
说明:1.申请备案单位需带上法定有效登记注册证书(如营业执照)复印件,根据备案或申请检定在“□”中打“√”,可双选;
2.申请单位应对照实物如实填写本表的各项内容,备案意见由计量行政主管部门填写,计量检定单位受理意见由计量检定单位填写,本表填满后需另外附页,未盖章无效。
3.安装/使用地点:指具体的科室、部门或使用场所;
4.上次检定日期:指上次经法定计量检定机构检定合格的日期;
5.计量器具用途:指社会公用计量标准、部门或企事业最高计量标准(需提交证书复印件),贸易结算、安全防护、医疗卫生、环境监测等;
6.此表一式三份,一份交计量行政部门,一份交计量技术机构,一份由申请单位留存,同时需要提交电子档。
位应对照实物如实填写本表的各项内容,备案意见由计量行政主管部门填写,计量检定单位受理意见由计量检定单位填写,本表填满后需另外附页,器具使用单位均需盖公章,未盖章无效; 3安装/使用地点:指具体的科室、部门或使用场所; 4.上次检定日期:指上次经法定计量检定机构检定合格的日期;5.计量器具用途:指社会公用计量标准、部门或企事业单位最高计量标准(需提交计量标准考核证书复印件)、贸易结算、安全防护、医疗卫生、环境监测(提交相应证明材料); 6.本报表一式三份,一份交与计量行政部门,一份交计量技术机构,一份由申请单位留存,同时需提交电子文档。
xx市强制检定计量器具备案(检定)申报表
申报单位名称(盖章):
联系人:申报类别: 备案□ 申请检定□。
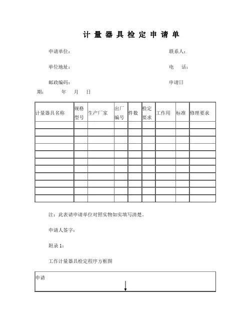
计量器具检定申请单申请单位:联系人:单位地址:电话:邮政编码:申请日期:年月日计量器具名称规格型号生产厂家出厂编号件数检定要求工作用标准修理要求注:此表请申请单位对照实物如实填写清楚。
申请人签字:附录1:工作计量器具检定程序方框图申请使用强制检定计量器具的单位或者个人,报当地计量行政部门备案,井向指定的计量检定机构申请周期检定。
申请手续在计量检定机构的仪器收发室填写申请书(表),递交资料和被检定的计量器具。
检定计量检定机构的检定工作按照国家计量检定系统表进行,执行计量检定规程。
发证执行检定的计量检定机构根据检定结果,出具计量检定合格证书。
附录2计量标准检定程序方框图申请使用强制检定计量标准的单位或者个人,向主持考核计量标准的计量行政部门申请周期检定,并将计量标准送指定的计量检定机构检定。
申请手续在计量检定机构的仪器收发室填写申请书(表),递交资料和被检定的计量标准。
检定计量检定机构的检定工作按照国家计量检定系统表进行,执行计量检定规程。
发证执行检定的计量检定机构根据检定结果,出具计量检定合格证书。
附录3:进口计量器具检定程序方框图申请销售列入《中华人民共和国依法管理的计量器具目录》计量器具的单位或者个人,向所在的省级计量行政部门申请检定,并将进口计量器具送交指定的计量检定机构检定。
申请手续在计量检定机构的仪器收发室填写申请书(表),递交资料和被检定的计量器具。
检定计量检定机构的检定工作按照国家计量检定系统表进行,执行计量检定规程。
发证执行检定的计量检定机构根据检定结果,出具计量检定合格证书。
附件1:
强制检定计量器具申请表
填表说明:1.此表由申请单位如实填写或打印,盖章有效。
如与实际不符,相关后果由申请单位自行承担。
2.“用途”栏用符号表示,其中“1”为社会公用计量标准,“2”为企事业单位最高计量标准,“3”强检工作计量器具(a贸易结算b安全防
护c医疗卫生d环境监测)
3.计量标准器具须提供社会公用计量标准证书及计量标准考核证书复印件(加盖公章),强制检定的工作计量器具须提供相关证明材料。
4.要求现场检定的请在“是否现场检定”栏填“是”,送检的填“否”。
5.备注栏可填写特殊要求,如需修理等。