管沟回填检查记录
- 格式:doc
- 大小:30.50 KB
- 文档页数:1
管沟回填检查记录工程名称白杨树湾脱水回注站站外管道集输工程管沟位置:A2-A3段阀门井-一曹家沟坝梁工程编号YNBY-ZWA-01040301/02管沟开挖管沟情况管沟深度管沟宽度平整度(㎜)中心偏移(㎜)实长(m) 设计深度(m) 实挖深度(m)要求宽度实挖宽度上口宽度(m) 沟底宽度(m) 上口宽度(m) 沟底宽度(m)20 20 500 3.50 3.55 9.0 2.0 9.10 2.0025 20 500 3.50 3.60 9.0 2.0 9.22 2.02管沟回填灰土/细土回填情况二次原土回填情况地貌恢复情况其他情况⒈砼配重层两侧细沙回填≥0.6m。
⒉基岩沟基管底细沙回填≥0.2m,管顶细沙回填≥0.3m,粒径<2㎜。
⒈自管底向上0.52m 用分层夯实泥土或河沙回填,密实度>90%。
⒉地表原土回填厚度≥0.90m。
地貌恢复良好,通过当地部门验收。
⒈沟底垫层石块铺筑厚度0.61m.⒉C30钢筋混凝土连续覆盖厚度0.6m.⒊石块配重层铺筑厚度≥0.50m。
施工单位监理(建设)单位施工记录人:技术负责人:2011年11月2日监理工程师:(建设单位项目代表)年月日管沟回填检查记录工程名称白杨树湾脱水回注站站外管道集输工程管沟位置:A4-A5段永采双35井台-双34井台工程编号YNBY-ZWA-01040303/04管沟开挖管沟情况管沟深度管沟宽度平整度(㎜)中心偏移(㎜)实长(m) 设计深度(m) 实挖深度(m)要求宽度实挖宽度上口宽度(m) 沟底宽度(m) 上口宽度(m) 沟底宽度(m)30 60 500 4.72 4.92 18.16 4.0 18.86 4.1015 30 500 4.72 4.90 18.16 4.0 18.78 4.08管沟回填灰土/细土回填情况二次回填情况地貌恢复情况其他情况⒈砼配重层两侧细沙回填≥0.6m。
⒉基岩沟基管底细沙回填≥0.2m,管顶细沙回填≥0.3m,粒径<2㎜。
沟槽回填分项工程质量验收记录表工程名称:工程地点:工程编号:施工单位:验收时间:一、工程概况沟槽回填分项工程是指对挖掘的沟槽进行回填填实的工作。
本次工程位于(工程地点),由(施工单位)负责施工。
二、施工实施情况1. 施工前准备在开始施工前,施工单位应对工程现场进行勘察,并制定相应的沟槽回填施工方案。
2. 施工材料及设备2.1 回填材料:根据设计要求,使用符合规定标准的填土材料进行回填。
2.2 施工设备:施工单位使用挖掘机、平地机等设备进行回填作业。
3. 回填施工过程3.1 沟槽清理:在回填前应将沟槽内的杂物清理干净,确保回填材料能够充分填实。
3.2 回填材料铺设:将符合规定标准的填土材料均匀铺设在沟槽内,并进行适当的夯实。
3.3 分层回填:按照设计要求,分层进行回填,每层不宜过厚,夯实至规定密实度。
3.4 表面整平:回填完成后,对回填表面进行整平,确保回填材料与周围地面平齐。
4. 监理情况监理单位对施工过程进行监督,对施工现场进行巡查,并对沟槽回填工程质量进行抽查和检测。
三、质量验收结果经过对沟槽回填分项工程的检查和测量,发现如下情况:1. 回填材料符合要求,无严重杂质。
2. 回填层次清晰,分层夯实情况良好。
3. 回填表面整平度满足设计要求。
综上所述,沟槽回填分项工程质量验收合格。
四、存在的问题与建议根据对工程的检查和评估,提出以下问题与建议:1. 部分回填材料的湿度不符合要求,建议施工单位在施工过程中严格控制材料湿度,确保回填质量。
2. 部分区域回填材料夯实度不够,建议施工单位加强夯实力度,保证回填层次的实心度。
3. 部分回填表面整平度不满足要求,建议施工单位进行二次整平处理,确保回填表面平整。
五、质量验收人员质量验收人员:__________________工程负责人:__________________监理单位:_____________________六、备注其他需要记录的重要信息和备注事项请在此处填写。
2013年5 月15 日
2010年5 月16 日
隐蔽工程检查验收记录2010年 5 月 16 日
隐蔽工程检查验收记录2010年 6 月 10 日
隐蔽工程检查验收记录2010年5 月19 日
2010年 5 月15 日
2010年5 月16 日
隐蔽工程检查验收记录2010年 5 月 16 日
隐蔽工程检查验收记录2010年 6 月 10 日
隐蔽工程检查验收记录2010年5 月19 日
2010年5 月16 日
2010年5 月17 日
隐蔽工程检查验收记录2010年 5 月 17 日
隐蔽工程检查验收记录2010年 6 月 12 日
隐蔽工程检查验收记录2010年5 月20 日
2010年 5 月16 日
2010年5 月16 日
隐蔽工程检查验收记录2010年 5 月 18 日
隐蔽工程检查验收记录2010年 6 月 13 日
隐蔽工程检查验收记录2010年5 月20 日
2010年5 月19 日
2010年5 月19日
隐蔽工程检查验收记录2010年 5 月 21 日
隐蔽工程检查验收记录2010年 6 月 14 日
隐蔽工程检查验收记录2010年5 月21 日
2010年5 月19 日
2010年5 月19 日
隐蔽工程检查验收记录2010年 5 月 20 日
隐蔽工程检查验收记录2010年 6 月 14 日
隐蔽工程检查验收记录2010年5 月22 日
2010年5 月20 日
2010年5月20 日
隐蔽工程检查验收记录2010年 5 月 21 日
隐蔽工程检查验收记录2010年6 月 18 日
隐蔽工程检查验收记录2010年5 月22 日。
隐蔽工程检查验收记录
质检表4年月日
隐蔽工程检查验收记录
质检表4年月日
隐蔽工程检查验收记录
质检表4年月日
隐蔽工程检查验收记录
质检表4
隐蔽工程检查验收记录
质检表4年月日
隐蔽工程检查验收记录
质检表4年月日
隐蔽工程检查验收记录
质检表4
隐蔽工程检查验收记录
质检表4年月日
隐蔽工程检查验收记录
质检表4
年月日
隐蔽工程检查验收记录
质检表4
隐蔽工程检查验收记录
质检表4年月日
隐蔽工程检查验收记录
质检表4年月日。
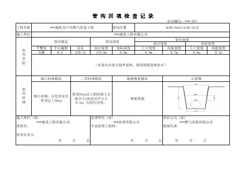
管 沟 回 填 检 查 记 录
启动编号:***-057工程名称***庭院及户内燃气管道工程管沟位置dn90/dn63/dn40/dn32施工单位***建设工程有限公司
管 沟 开 挖
管沟情况管沟深度
管沟宽度
设计宽度实际宽度
平整度中心偏移实长设计深度实际深度上口宽度沟底宽度上口宽度沟底宽度合格0.4 219.14≥0.9m0.9m0.8m0.7m0.8m0.7m
(本部分内容可简单说明,利用简图说明也可)
管 沟 回 填细土回填情况二次回填情况地貌恢复情况示意图
细土回填,分层夯实至管顶以上50cm 管顶50cm以上的回填土石
块少于10%直径不大于
0.1m,且均匀分布。
恢复原貌
施工单位 (章)监理单位 (章)项目公司 (章) ***建设工程有限公司***监理有限公司***燃气发展有限公司质检员:专业监理工程师: 现场代表:
技术负责人:
年 月 日 年 月 日
年 月 日。
监理平行检查记录表格模板XXX开挖、回填工程监理平行检验记录表单位(子单位):XXX工程名称:XXX项目监理平行检验部位:桩基、基坑、基槽、管沟、地面基层施工单位自检及报验情况:施工单位于年月日完成了“自检、交接检、专检”,并自检合格。
项目监理部于年月日时收到其报验资料,经审查合格,于月日到现场进行平行检验。
现行施工质量验收规范的规定:允许偏差或允许值(mm):桩基:人工±30,机械±50基坑:±50基槽:-50管沟:-50地面基层:+200/-50监理平行检验记录:监理单位:XXX主控项目:标高、XXX开挖、回填实测值(mm):1.标高:合格2.XXX开挖:挖方场:±30地平整:±503.回填:基底土性:-50分层压实系数:设计要求土料目:设计要求分层厚度及含水量:设计要求表面平整度:-50监理平行检验结论:监理员/专业监理工程师:签字日期:年月日注:“允许偏差”栏中有数据规定的填写实测值,其余可用“√”表示合格;“×”表示不合格。
地下、屋面卷材防水层监理平行检验记录表单位(子单位):XXX工程名称:宝应县海棠苑小区(高铁安置区)#楼监理平行检验部位:卷材防水层及其转角处、变形缝、穿墙管道、屋面的天沟、檐沟、檐口、水落口、泛水和伸出屋面管道的防水构造施工单位自检及报验情况:施工单位于年月日完成了“自检、交接检、专检”,并自检合格。
项目监理部于年月日时收到其报验资料,经审查合格,于月日到现场进行平行检验。
现行施工质量验收规范的规定:1.卷材防水层所用卷材及配套材料质量必须符合设计要求。
2.卷材防水层不得有渗漏或积水现象。
3.卷材防水层及其转角处、变形缝、穿墙管道、屋面的天沟、檐沟、檐口、水落口、泛水和伸出屋面管道的防水构造,必须符合设计要求。
4.卷材防水层的基层应牢固,基面应洁净、平整,不得有空鼓、松动、起砂和脱破现象;基层阴阳角处应做圆弧形。
电缆管道沟槽回填土检验批质量检验记录电缆管道沟槽回填土是指在电缆管道敷设完毕后,将沟槽填补土方案进行实施,以保护电缆设施的安全和稳定。
回填土的质量检验是保证工程质量的重要环节之一,下面是一份电缆管道沟槽回填土检验批质量检验记录,供参考:一、项目名称:电缆管道沟槽回填土质量检验二、工程名称:XX电缆管道工程三、工程施工单位:XX公司四、检验单位:XX检测公司五、检验时间:20XX年X月X日六、检验人员:检验员1、检验员2、检验员3七、被检单位:施工单位八、检验内容:1.回填土的物理性能检验:(1)取回填土样本,进行粒度分析、密度和水含量测试;(2)判断回填土的风化程度,进行质地检查;(3)检测回填土的含水率,以确定是否符合规范要求。
2.回填土的抗压强度检验:(1)采取取样方法,获取回填土样本;(2)按照规定的试验标准和方法,进行抗压强度试验;(3)测定回填土的单向抗压强度和抗剪强度。
3.回填土的渗透性能检验:(1)选取试验段,对回填土进行渗透试验;(2)恒压渗透测试,测量渗透量和渗透系数,评估回填土的渗透性能。
九、检验结果:1.回填土的物理性能检验结果:(1)经过粒度分析,回填土的粒度分布符合规范要求;(2)回填土的密度和含水量符合规范要求;(3)回填土质地均匀,风化程度符合规范要求。
2.回填土的抗压强度检验结果:(1)回填土的单向抗压强度达到规范要求;(2)回填土的抗剪强度符合规范要求。
3.回填土的渗透性能检验结果:(1)回填土的渗透量和渗透系数符合规范要求。
十、检验结论:经检测,电缆管道沟槽回填土质量符合规范要求。
十一、存在问题及处理措施:1.在检验过程中未发现明显的质量问题,回填土质量较好;2.鉴于施工单位良好的施工质量控制,建议继续保持。
十二、备注:检验报告仅对抽查样本进行检验,不对全部回填土进行检验。
管沟回填检查记录编号:001单位工程名称太原-长治煤层气输气管道3标段线路工程工程编号GNTC01-03分部工程名称太原-长治3标段线路工程工程部位XY1001-XYB1008检查内容起止桩号里程细土回填情况二次回填情况地貌恢复情况其他情况XY1001-XY1002 细土应回填至管顶以上300mm 回填后土方高出地面300mm符合设计要求自然下沉XY1002-XYB1003 300mm 300mm 符合设计要求自然下沉XYB1003-XYB1004 300mm 300mm 符合设计要求自然下沉XYB1004-XY1005 300mm 300mm 符合设计要求自然下沉XY1005-XY1006 300mm 300mm 符合设计要求自然下沉XY1006-XY1007 300mm 300mm 符合设计要求自然下沉XY1007-XY1007+1 300mm 300mm 符合设计要求自然下沉XY1007+1-XY1007+2 300mm 300mm 符合设计要求自然下沉XY1007+2-XY1007+3 300mm 300mm 符合设计要求自然下沉XY1007+3-XYB1008 300mm 300mm 符合设计要求自然下沉检查意见:日期:施工单位监理单位建设单位技术负责人:检查人:监理工程师:现场代表:管沟回填检查记录编号:002单位工程名称太原-长治煤层气输气管道3标段线路工程工程编号GNTC01-03分部工程名称太原-长治3标段线路工程工程部位XY1009-XY1017检查内容起止桩号里程细土回填情况二次回填情况地貌恢复情况其他情况XY1009-XY1010 细土应回填至管顶以上300mm 回填后土方高出地面300mm符合设计要求自然下沉XY1010-XYB1011 300mm 300mm 符合设计要求自然下沉XYB1011-XY1012 300mm 300mm 符合设计要求自然下沉XY1012-XY1013 300mm 300mm 符合设计要求自然下沉XY1013-XY1014 300mm 300mm 符合设计要求自然下沉XY1014-XY1015 300mm 300mm 符合设计要求自然下沉XY1015-XY1016 300mm 300mm 符合设计要求自然下沉XY1016-XY1017 300mm 300mm 符合设计要求自然下沉检查意见:日期:施工单位监理单位建设单位技术负责人:检查人:监理工程师:现场代表:管沟回填检查记录编号:003称太原-长治煤层气输气管道3标段线路工程工程编号GNTC01-03分部工程名称太原-长治3标段线路工程工程部位XYB1018-XYB1025检查内容起止桩号里程细土回填情况二次回填情况地貌恢复情况其他情况XYB1018-XYB1019 细土应回填至管顶以上300mm 回填后土方高出地面300mm符合设计要求自然下沉XYB1019-XY1020 300mm 300mm 符合设计要求自然下沉XY1020-XY1021 300mm 300mm 符合设计要求自然下沉XY1021-XY1022 300mm 300mm 符合设计要求自然下沉XYB1023-XYB1024 300mm 300mm 符合设计要求自然下沉XYB1024-XYB1024+1 300mm 300mm 符合设计要求自然下沉XYB1024+1-XYB1024+2 300mm 300mm 符合设计要求自然下沉XYB1024+2-XYB1025 300mm 300mm 符合设计要求自然下沉检查意见:日期:施工单位监理单位建设单位技术负责人:检查人:监理工程师:现场代表:管沟回填检查记录编号:004称太原-长治煤层气输气管道3标段线路工程工程编号GNTC01-03分部工程名称太原-长治3标段线路工程工程部位XY1026-XY1029检查内容起止桩号里程细土回填情况二次回填情况地貌恢复情况其他情况XY1026-XY1027 细土应回填至管顶以上300mm 回填后土方高出地面300mm符合设计要求自然下沉XY1027-XY1028 300mm 300mm 符合设计要求自然下沉XY1028-XY1029 300mm 300mm 符合设计要求自然下沉检查意见:日期:施工单位监理单位建设单位技术负责人:检查人:监理工程师:现场代表:管沟回填检查记录编号:005称太原-长治煤层气输气管道3标段线路工程工程编号GNTC01-03分部工程名称太原-长治3标段线路工程工程部位XY1041-XY1047检查内容起止桩号里程细土回填情况二次回填情况地貌恢复情况其他情况XY1041-XY1042 细土应回填至管顶以上300mm 回填后土方高出地面300mm符合设计要求符合要求XY1042-XY1043 300mm 300mm 符合设计要求自然下沉XY1043-XY1044 300mm 300mm 符合设计要求自然下沉XY1044-XY1045 300mm 300mm 符合设计要求自然下沉XY1045-XY1045+1 300mm 300mm 符合设计要求自然下沉XY1045+1-XY1046 300mm 300mm 符合设计要求自然下沉XY1046-XY1047 300mm 300mm 符合设计要求自然下沉检查意见:日期:施工单位监理单位建设单位技术负责人:检查人:监理工程师:现场代表:管沟回填检查记录编号:006称太原-长治煤层气输气管道3标段线路工程工程编号GNTC01-03分部工程名称太原-长治3标段线路工程工程部位XY1048-XYB1057检查内容起止桩号里程细土回填情况二次回填情况地貌恢复情况其他情况XY1048-XY1050 细土应回填至管顶以上300mm 回填后土方高出地面300mm符合设计要求符合要求XY1050-XY1051 300mm 300mm 符合设计要求自然下沉XY1051-XY1052 300mm 300mm 符合设计要求自然下沉XY1052-XY1053 300mm 300mm 符合设计要求自然下沉XY1053-XYB1054 300mm 300mm 符合设计要求自然下沉XYB1054-XYB1056 300mm 300mm 符合设计要求自然下沉XYB1056-XYB1057 300mm 300mm 符合设计要求自然下沉检查意见:日期:施工单位监理单位建设单位技术负责人:检查人:监理工程师:现场代表:管沟回填检查记录编号:007称太原-长治煤层气输气管道3标段线路工程工程编号GNTC01-03分部工程名称太原-长治3标段线路工程工程部位XYB1058-XY1072检查内容起止桩号里程细土回填情况二次回填情况地貌恢复情况其他情况XYB1058-XYB1059 细土应回填至管顶以上300mm 回填后土方高出地面300mm符合设计要求自然下沉XYB1059-XYB1060 300mm 300mm 符合设计要求自然下沉XYB1060-XYB1061 300mm 300mm 符合设计要求自然下沉XYB1061-XY1064 300mm 300mm 符合设计要求自然下沉XY1064-XY1065 300mm 300mm 符合设计要求自然下沉XY1065-XY1066 300mm 300mm 符合设计要求自然下沉XY1066-XYB1067 300mm 300mm 符合设计要求自然下沉XYB1067-XYB1068 300mm 300mm 符合设计要求自然下沉XYB1068-XY1069 300mm 300mm 符合设计要求自然下沉XY1069-XY1070 300mm 300mm 符合设计要求自然下沉XY1070-XYB1071 300mm 300mm 符合设计要求自然下沉XYB1071-XYB1072 300mm 300mm 符合设计要求自然下沉检查意见:日期:施工单位监理单位建设单位技术负责人:检查人:监理工程师:现场代表:管沟回填检查记录编号:008称太原-长治煤层气输气管道3标段线路工程工程编号GNTC01-03分部工程名称太原-长治3标段线路工程工程部位XYB1073-XYB1086检查内容起止桩号里程细土回填情况二次回填情况地貌恢复情况其他情况XYB1073-XYB1074 细土应回填至管顶以上300mm 回填后土方高出地面300mm符合设计要求符合要求XYB1074-XYB1075 300mm 300mm 符合设计要求自然下沉XYB1075-XYB1076 300mm 300mm 符合设计要求自然下沉XYB1076-XYB1077 300mm 300mm 符合设计要求自然下沉XYB1077-XY1082 300mm 300mm 符合设计要求自然下沉XY1082-XY1083 300mm 300mm 符合设计要求自然下沉XY1083-XYB1084 300mm 300mm 符合设计要求自然下沉XYB1084-XYB1085 300mm 300mm 符合设计要求自然下沉XYB1085-XYB1086 300mm 300mm 符合设计要求自然下沉检查意见:日期:施工单位监理单位建设单位技术负责人:检查人:监理工程师:现场代表:管沟回填检查记录编号:009称太原-长治煤层气输气管道3标段线路工程工程编号GNTC01-03分部工程名称太原-长治3标段线路工程工程部位XYB1087-XY1105检查内容起止桩号里程细土回填情况二次回填情况地貌恢复情况其他情况XYB1087-XYB1094 细土应回填至管顶以上300mm 回填后土方高出地面300mm符合设计要求符合要求XYB1094-XYB1095 300mm 300mm符合设计要求自然下沉XYB1095-XYB1096 300mm 300mm 符合设计要求自然下沉XYB1096-XYB1096+1 300mm 300mm 符合设计要求自然下沉XYB1096+1-XYB1096+2 300mm 300mm 符合设计要求自然下沉XYB1096+2-XYB1096+3 300mm 300mm 符合设计要求自然下沉XYB1096+3-XYB1097 300mm 300mm 符合设计要求自然下沉XYB1097-XYB1098 300mm 300mm 符合设计要求自然下沉XYB1098-XY1102 300mm 300mm 符合设计要求自然下沉XY1102-XY1103 300mm 300mm 符合设计要求自然下沉XY1103-XY1104 300mm 300mm 符合设计要求自然下沉XY1104-XY1105 300mm 300mm 符合设计要求自然下沉检查意见:日期:施工单位监理单位建设单位技术负责人:检查人:监理工程师:现场代表:管沟回填检查记录编号:010称太原-长治煤层气输气管道3标段线路工程工程编号GNTC01-03分部工程名称太原-长治3标段线路工程工程部位XY1106-XY1120检查内容起止桩号里程细土回填情况二次回填情况地貌恢复情况其他情况XY1106-XY1107 细土应回填至管顶以上300mm 回填后土方高出地面300mm符合设计要求符合要求XY1107-XY1108 300mm 300mm 符合设计要求自然下沉XY1108-XYB1109 300mm 300mm 符合设计要求自然下沉XYB1109-XYB1110 300mm 300mm 符合设计要求自然下沉XYB1110-XY1111 300mm 300mm 符合设计要求自然下沉XY1111-XY1112 300mm 300mm 符合设计要求自然下沉XY1112-XY1113 300mm 300mm 符合设计要求自然下沉XY1113-XYB1114 300mm 300mm 符合设计要求自然下沉XYB1114-XYB1114+1 300mm 300mm 符合设计要求自然下沉XYB1114+1-XY1115XY1115-XY1116XY1117-XY1118XY1118-XY1120检查意见:日期:施工单位监理单位建设单位技术负责人:检查人:监理工程师:现场代表:管沟回填检查记录编号:011称太原-长治煤层气输气管道3标段线路工程工程编号GNTC01-03分部工程名称太原-长治3标段线路工程工程部位XY1000检查内容起止桩号里程细土回填情况二次回填情况地貌恢复情况其他情况XY1000 细土应回填至管顶以上300mm 回填后土方高出地面300mm符合设计要求自然下沉检查意见:日期:施工单位监理单位建设单位技术负责人:检查人:监理工程师:现场代表:管沟回填检查记录编号:012称太原-长治煤层气输气管道3标段线路工程工程编号GNTC01-03分部工程名称太原-长治3标段线路工程工程部位XY1030-XY1040检查内容起止桩号里程细土回填情况二次回填情况地貌恢复情况其他情况XY1030-XY1031 细土应回填至管顶以上300mm 回填后土方高出地面300mm符合设计要求符合要求XY1031-XY1032 300mm 300mm 符合设计要求自然下沉XY1032-XY1033 300mm 300mm 符合设计要求自然下沉XY1033-XY1034 300mm 300mm 符合设计要求自然下沉XY1034-XY1035 300mm 300mm 符合设计要求自然下沉XY1035-XY1036 300mm 300mm 符合设计要求自然下沉XY1036-XY1037 300mm 300mm 符合设计要求自然下沉XY1037-XY1038 300mm 300mm 符合设计要求自然下沉XY1038-XY1039 300mm 300mm 符合设计要求自然下沉XY1039-XY1040 300mm 300mm 符合设计要求自然下沉检查意见:日期:施工单位监理单位建设单位技术负责人:检查人:监理工程师:现场代表:。
管、沟断击实种类:试验日期:试验表30工程名称:伊通镇长伊中线沿线(一级路)城市市政工业基础设施建设项目代表部位:乙二街污水W26-W27管顶50cm以上II 级承插D=800mm路槽下≤80cm回填土第一层下开口5.5m上开口5.8m施工单位:中庆建设有限责任公司重型击实2017年4月22日管、沟断击实种类:试验日期:工程名称:伊通镇长伊中线沿线(一级路)城市市政工业基础设施建设项目代表部位:乙二街污水W26-W27管顶50cm以上II 级承插D=800mm路槽下≤80cm回填土第二层下开口5.8m上开口6.1m施工单位:中庆建设有限责任公司重型击实2017年4月22日试验表30管、沟断击实种类:试验日期:工程名称:伊通镇长伊中线沿线(一级路)城市市政工业基础设施建设项目代表部位:乙二街污水W26-W27管顶50cm以上II 级承插D=800mm路槽下≤80cm回填土第三层下开口6.1m上开口6.4m施工单位:中庆建设有限责任公司重型击实2017年4月23日试验表30管、沟断击实种类:试验日期:工程名称:伊通镇长伊中线沿线(一级路)城市市政工业基础设施建设项目代表部位:乙二街污水W26-W27管顶50cm以上II 级承插D=800mm路槽下≤80cm回填土第四层下开口6.4m上开口6.7m施工单位:中庆建设有限责任公司重型击实2017年4月23日试验表30管、沟断击实种类:试验日期:工程名称:伊通镇长伊中线沿线(一级路)城市市政工业基础设施建设项目代表部位:乙二街污水W26-W27管顶50cm以上II 级承插D=800mm路槽下>80-150cm回填土第一层下开口4.3m上开口4.6m施工单位:中庆建设有限责任公司重型击实2017年4月20日试验表30管、沟断击实种类:试验日期:工程名称:伊通镇长伊中线沿线(一级路)城市市政工业基础设施建设项目代表部位:乙二街污水W26-W27管顶50cm以上II 级承插D=800mm路槽下>80-150cm回填土第二层下开口4.6m上开口4.9m施工单位:中庆建设有限责任公司重型击实2017年4月20日试验表30管、沟断击实种类:试验日期:工程名称:伊通镇长伊中线沿线(一级路)城市市政工业基础设施建设项目代表部位:乙二街污水W26-W27管顶50cm以上II 级承插D=800mm路槽下>80-150cm回填土第三层下开口4.9m上开口5.2m施工单位:中庆建设有限责任公司重型击实2017年4月21日试验表30管、沟断击实种类:试验日期:工程名称:伊通镇长伊中线沿线(一级路)城市市政工业基础设施建设项目代表部位:乙二街污水W26-W27管顶50cm以上II 级承插D=800mm路槽下>80-150cm回填土第四层下开口5.2m上开口5.5m施工单位:中庆建设有限责任公司重型击实2017年4月21日试验表30管、沟断击实种类:试验日期:工程名称:伊通镇长伊中线沿线(一级路)城市市政工业基础设施建设项目代表部位:乙二街污水W26-W27管顶50cm以上II 级承插D=800mm路槽下>150cm回填土第一层下开口3.1m上开口3.4m施工单位:中庆建设有限责任公司重型击实2017年4月18日试验表30管、沟断击实种类:试验日期:工程名称:伊通镇长伊中线沿线(一级路)城市市政工业基础设施建设项目代表部位:乙二街污水W26-W27管顶50cm以上II 级承插D=800mm路槽下>150cm回填土第二层下开口3.4m上开口3.7m施工单位:中庆建设有限责任公司重型击实2017年4月18日试验表30管、沟断击实种类:试验日期:工程名称:伊通镇长伊中线沿线(一级路)城市市政工业基础设施建设项目代表部位:乙二街污水W26-W27管顶50cm以上II 级承插D=800mm路槽下>150cm回填土第三层下开口3.7m上开口4m施工单位:中庆建设有限责任公司重型击实2017年4月18日试验表30管、沟断击实种类:试验日期:工程名称:伊通镇长伊中线沿线(一级路)城市市政工业基础设施建设项目代表部位:乙二街污水W26-W27管顶50cm以上II 级承插D=800mm路槽下>150cm回填土第四层下开口4m上开口4.3m施工单位:中庆建设有限责任公司重型击实2017年4月19日试验表30。
工程名称:郑庄里必合作区块煤层气开发地面工程编号:
工程名称:郑庄里必合作区块煤层气开发地面工程编号:
工程名称:郑庄里必合作区块煤层气开发地面工程编号:
工程名称:郑庄里必合作区块煤层气开发地面工程编号:
工程名称:郑庄里必合作区块煤层气开发地面工程编号:
工程名称:郑庄里必合作区块煤层气开发地面工程编号:
工程名称:郑庄里必合作区块煤层气开发地面工程编号:
工程名称:郑庄里必合作区块煤层气开发地面工程编号:。